Контроль линейных размеров детали

  • Вид работы:
    Курсовая работа (т)
  • Предмет:
    Другое
  • Язык:
    Русский
    ,
    Формат файла:
    MS Word
    897,73 Кб
  • Опубликовано:
    2013-01-13
Вы можете узнать стоимость помощи в написании студенческой работы.
Помощь в написании работы, которую точно примут!

Контроль линейных размеров детали

Содержание

Аннотация

Введение

1. Аналитический раздел

1.1 Описание объекта управления

1.2 Общие сведения о датчиках

1.3 Анализ существующих автоматических средств измерения и контроля

2. Конструкторский раздел

2.1 Разработка структурной схемы автоматизированной системы контроля линейных размеров

2.2 Разработка схем отдельных функциональных узлов

2.2.1 Преобразователь линейных перемещений

2.2.2 Микроконтроллер

2.2.3 Расчет источника питания

2.2.4 Построение алгоритма

Заключение

Список используемой литературы

Приложения

Аннотация


В данном курсовом проекте разработана автоматизированная система контроля линейных размеров по одной координате. Подробно разобран принцип функционирования системы, определены ее составные части и составлен алгоритм ее функционирования. Разработанная система проста и отвечает заданным требованиям.

Введение


В наше время для экономического и социального развития страны необходимо кардинальное ускорение научно-технического прогресса на основе широкого внедрения новой техники и технологии, комплексной автоматизации и автоматизации производства и технологических процессов, повышение производительности работы, повышение технического уровня и качества продукции. На современном этапе развития общества решение поставленных задач невозможно без внедрения микропроцессорной техники во всех областях народного хозяйства страны. Применение микропроцессорной техники обеспечивает важный рост производительности работы, улучшение технического уровня и качества продукции, экономию сырья и материалов.

Использование микроэлектронных средств в изделиях производственного и культурно-бытового назначения не только приводит к повышению технико-экономических показателей изделий (стоимости, надежности, потребляемой мощности, габаритных размеров) и разрешает многократно уменьшить сроки разработки и отодвинуть сроки "морального старения" изделий, но и предоставляет им принципиально новые потребительские качества (расширенные функциональные возможности, модификация, адаптивность и т.д.). [1]

1. Аналитический раздел


1.1 Описание объекта управления


Система, в которой автоматизирована только часть операций управления, а другая часть обычно наиболее ответственная выполняется людьми, называется автоматизированной системой.

Автоматизированная система контроля осуществляет автоматическое измерение контролируемых физических величин, производят обработку результатов измерения и передает их в блок принятия решения. Автоматизированная система контроля - это совокупность операций измерений формирования информации и сигнализации. [3]

1.2 Общие сведения о датчиках


Существуют следующие виды датчиков:

1. Вращающийся датчик положения крепится на валу электродвигателя. И позволяет определить его угловое положение. Этот датчик состоит из источника света, оптического датчика (приемника) и диска с маленькими прорезями (растрами).

Растровый диск укреплен на валу, источник света и оптический датчик находится с разных сторон от диска. Когда диск вращается, то лучи проходят через его прорези и попадают на оптический датчик. Оптический датчик работает как переключатель, который включается/выключается при попадании на него лучей света, что дает возможность определить относительное и абсолютное положение и направление вращения двигателя. Затем полученная информация отправляется в подсистему управления.

Одним из недостатков таких датчиков является то что они устанавливаются на валу электродвигателя, поэтому они не могут на прямую измерить линейное положение исполнительного органа станка. [5]

Они дают рассчитанное положение, основанное на данных о шаге ходового винта и в высокоточных станках для определения положения не используются.

Вращающиеся датчики можно использовать в конструкции шпинделя для определения числа оборотов при вращении, а также для нахождения его углового положения. [4]

3. Температурные датчики. В современном промышленном производстве наиболее распространенными являются измерения температуры (так, на атомной электростанции среднего размера имеется около 1500 точек, в которых производится такое измерение, а на крупном предприятии химической промышленности подобных точек присутствует свыше 20 тыс.). Широкий диапазон измеряемых температур, разнообразие условий использования средств измерений и требований к ним определяют многообразие применяемых средств измерения температуры.

Если рассматривать датчики температуры для промышленного применения, то можно выделить их основные классы: кремниевые датчики температуры, биметаллические датчики, жидкостные и газовые термометры, термоиндикаторы, термисторы, термопары, термопреобразователи сопротивления, инфракрасные датчики.

4. Кремниевые датчики температуры используют зависимость сопротивления полупроводникового кремния от температуры. Диапазон измеряемых температур - 50…+150 0C. Применяются в основном для измерения температуры внутри электронных приборов.

5. Биметаллический датчик сделан из двух разнородных металлических пластин, скрепленных между собой. Разные металлы имеют различный температурный коэффициент расширения. Если соединенные в пластину металлы нагреть или охладить, то она изогнется, при этом замкнет (разомкнет) электрические контакты или переведет стрелку индикатора. Диапазон работы биметаллических датчиков - 40…+550 0C. Используются для измерения поверхности твердых тел и температуры жидкостей. Основные области применения - автомобильная промышленность, системы отопления и нагрева воды.

6. Термоиндикаторы - это особые вещества, изменяющие свой цвет под воздействием температуры. Изменение цвета может быть обратимым и необратимым. Производятся в виде пленок.

7. Инфракрасные датчики (пирометры) - используют энергию излучения нагретых тел, что позволяет измерять температуру поверхности на расстоянии. Пирометры делятся на радиационные, яркостные и цветовые.

Радиационные пирометры используются для измерения температуры от 20 до 2500 0С, причем прибор измеряет интегральную интенсивность излучения реального объекта.

Яркостные (оптические) пирометры используются для измерения температур от 500 до 4000 0С. Они основаны на сравнении в узком участке спектра яркости исследуемого объекта с яркостью образцового излучателя (фотометрической лампы).

Цветовые пирометры основаны на измерении отношения интенсивностей излучения на двух длинах волн, выбираемых обычно в красной или синей части спектра; они используются для измерения температуры в диапазоне от 800 0С.

Пирометры позволяют измерять температуру в труднодоступных местах и температуру движущихся объектов, высокие температуры, где другие датчики уже не работают. [6]

8. Кварцевые термопреобразователи

Для измерения температур от - 80 до 250 0С часто используются так называемые кварцевые термопреобразователи, использующие зависимость собственной частоты кварцевого элемента от температуры. Работа данных датчиков основана на том, что зависимость частоты преобразователя от температуры и линейность функции преобразования изменяются в зависимости от ориентации среза относительно осей кристалла кварца. Данные датчики широко используются в цифровых термометрах.

9. Пьезоэлектрические датчики

Действие пьезоэлектрических датчиков основано на использовании пьезоэлектрического эффекта (пьезоэффекта), заключающегося в том, что при сжатии или растяжении некоторых кристаллов на их гранях появляется электрический заряд, величина которого пропорциональна действующей силе.

Пьезоэффект обратим, т.е. приложенное электрическое напряжение вызывает деформацию пьезоэлектрического образца - сжатие или растяжение его соответственно знаку приложенного напряжения. Это явление, называемое обратным пьезоэффектом, используется для возбуждения и приема акустических колебаний звуковой и ультразвуковой частоты. Используются для измерения сил, давления, вибрации и т.д.

10. Оптические (фотоэлектрические) датчики

Различают аналоговые и дискретные оптические датчики. У аналоговых датчиков выходной сигнал изменяется пропорционально внешней освещенности. Основная область применения - автоматизированные системы управления освещением.

Датчики дискретного типа изменяют выходное состояние на противоположное при достижении заданного значения освещенности.

Фотоэлектрические датчики могут быть применены практически во всех отраслях промышленности. Датчики дискретного действия используются как своеобразные бесконтактные выключатели для подсчета, обнаружения, позиционирования и других задач на любой технологической линии.

. Оптический бесконтактный датчик, регистрирует изменение светового потока в контролируемой области, связанное с изменением положения в пространстве каких-либо движущихся частей механизмов и машин, отсутствия или присутствия объектов. Благодаря большим расстояниям срабатывания оптические бесконтактные датчики нашли широкое применение в промышленности и не только.

. Оптический бесконтактный датчик состоит из двух функциональных узлов, приемника и излучателя. Данные узлы могут быть выполнены как в одном корпусе, так и в различных корпусах.

Так как в данном курсовом проекте нужно разработать автоматизированную систему контроля линейных размеров по одной координате поэтому мы используем датчики линейных перемещений. [4]

 

1.3 Анализ существующих автоматических средств измерения и контроля


Автоматические средства измерения и контроля - неотъемлемая часть технологического процесса. Они должны управлять качеством продукции, которая выпускается, обеспечивать объективность измерений, а также повышать производительность работы.

Средства измерений составляют контрольно-измерительный модуль, связанный с общей системой управления и транспортом и с общей циклограммой работы.

К средствам измерения, которое осуществляет измерение и контроль размеров вне зоны обработка деталей, относят: измерительные преобразователи, приборы и приспособление, контрольно-сортировочные автоматы, измерительно-информационной и измерительно-комплектовочной системы.

Исходные сигналы средств измерений могут быть аналоговыми и дискретными. Аналоговые сигналы могут принимать в определенных границах любое значение, дискретные - имеют некоторое конечное значение, обусловленное квантованием по уровню.

В зависимости от формы входного сигнала приборы разделяют на аналоговые и цифровые. В аналоговых приборах есть покаания непрерывной функцией, и отсчитываются по шкале с помощью указателей. В цифровом приборе исходный сигнал имеет дискретное значение, которое состоит из целого числа элементарных квантов и закодированных в определенном алфавите, а его показания, представленные в цифровой форме.

В зависимости от числа контролируемых параметров приборы могут быть одномерными и многомерными. Число контролируемых параметров, а также количество точек, подлежащих измерению, определяется характером работы детали в соединении. Поиск оптимального числа точек, которые измеряются, связанных с отклонением от геометрической формы рабочей поверхности детали и функциональных условий ее работы.

В гибком автоматическом производстве предпочтение отдают многомерным приборам, которые программируются и быстро перенастраиваются. В этом случае разрабатываются гаммы приборов, которые осуществляют измерение группы однотипных деталей.

Контрольно-сортировочные автоматы применяются в многосерийном и массовом производстве. Выпуск контрольных автоматов в последние годы сокращается. Их применение ограничивается контролем деталей сложной формы, собранных узлов (например, подшипников), а также комплексных показателей (например, шумового параметра зубчатых колес). Автоматы для многодиапазонной сортировки широко применяются при селективной сборке узлов.

Координатно-измерительные машины применяются для измерения деталей сложной формы и выпускаются с ручным управлением, с автоматической обработкой результатов измерения, а также с полностью автоматическим управлением, обработкой и регистрацией результатов измерения на машинах, которые печатают, и дисплеях. Информационно-измерительные системы или комплексы служат для измерения, обработки результатов измерения и формирования измерительной информации с целью использование ее для управления производством. Разновидностью таких комплексов являются информационно-комплектовочные системы, в который по результатам измерения машина определяет пары комплектных деталей, которые обеспечивают оптимальное функционирования соединений. Некоторые системы делают так называемую дуплексацию перед сборкой узлов. При этом измеряются детали, которые входят в размерную цепь, и автоматически вычисляются размеры прокладок, которые компенсируют.

Системы измерения и контроля могут быть установлены к технологическому оборудованию, после технологического оборудования и в конце технологического процесса обработки изделий.

Средства, установленные перед технологическим оборудованием, предотвращают попадание на обработку деталей, которые могут привести к повреждению станка, или подают детали с оптимальным припуском.

При обработке высокоточных деталей наиболее часто осуществляются послеоперационные измерения, по результатам которых деталь направляется в одну из заданных групп или на дальнейшую обработку. При автоматическом производстве по результатам измерения детали выдаются команды на корректирование технологического процесса.

Приемочные измерения и контроль готовой продукции осуществляются в конце технологического цикла, как правило, в отдельных помещениях, где устанавливаются контрольно-сортировочные автоматы, координатно-измерительные машины, и информационно-комплектовочные системы.

При стабильном технологическом процессе ведутся выборочные измерения деталей и статистическая обработка результатов измерений. Частота измерения и число деталей в выборке определяются степенью стабильности технологического процесса. При статистическом контроле очень эффективный метод группирования, предложенный И.Г. Фридлендером так как он уменьшает объем вычислительных операций.

Выборочный контроль более всего прогрессивный, тем не менее, во многих случаях нужно измерение размеров каждой обработанной детали.

В том случае, если технологическое оборудование не может обеспечить заданное рассеяние размеров деталей, применяется многодиапазонная сортировка.

По степени автоматизации средства измерения подразделяются на ручные и механизированные, полуавтоматические и автоматические. В ручных средствах оператор вручную устанавливает деталь на измерительную позицию, визуально делает отсчет и вкладывает деталь в одну из заданных ячеек или устройств. В механизированных приборах и приспособлениях измерительная информация, как правило, обрабатывается автоматически, поступая на световые или другие устройства, которые регистрируют, а деталь устанавливается вручную. В автоматических средствах все операции транспортирования, измерения, обработки и регистрации измерительной информации целиком автоматизированные.

Подача деталей на автоматическое устройство осуществляется или под действием собственного веса, или принудительно с помощью транспортеров или манипуляторов. Автоматические средства с манипуляторами широко применяются в гибком автоматическом производстве, где их часто называют измерительными роботами или роботами-контроллерами.

В полуавтоматических средствах, как правило, не автоматизированная операция загрузки. [2]

В зависимости от средства отображения измерительной информации приборы подразделяются на те, что показывают, что печатают и что пишут.

алгоритм контроль линейный размер

2. Конструкторский раздел


2.1 Разработка структурной схемы автоматизированной системы контроля линейных размеров

Структурные схемы определяют основные функциональные части изделий (установки), их назначение и взаимосвязи. Структурные схемы разрабатывают при проектировании изделий. Они предшествуют разработке схем других типов; пользуются структурными схемами для общего ознакомления с изделием.

На основе задания была разработана структурная схема автоматизированной системы контроля линейных размеров по одной координате, которая приведена на рис. 1.

Рис. 1. Структурная схема автоматизированной системы контроля

Информация, в виде импульсов, от преобразователя линейных перемещений (ПЛП) подается на микроконтроллер (МК). Питание схемы осуществляется посредством блока питания (БП).

2.2 Разработка схем отдельных функциональных узлов


2.2.1 Преобразователь линейных перемещений

В них считывание производится без контакта, поэтому отсутствуют изнашиваемые элементы. Этот способ позволяет распознавать штрихи шириной в несколько микрометров и генерировать выходной сигнал с очень маленьким периодом.

Чем меньше период штрихов шкалы, тем большее влияние оказывает дифракция на фотоэлектрическое считывание. В линейных датчиках используется два метода считывания: отображающий метод для периодов штрихов шкалы 20 мкм и 40 мкм и интерферентный метод для очень маленьких периодов штрихов, например, 8мкм. В выбранном нами датчике используется отображающий метод считывания.

В упрощенном виде отображающий метод (рис.2) - это генерация сигнала на основе значений свет/тень: две шкалы со штрихами одинакового или похожего периода (шкала и шаблон) двигаются друг относительно друга. Носитель штрихов шаблона делается из прозрачного материала, носитель самой шкалы тоже может быть прозрачным или иметь металлическую рефлектирующую поверхность.

Рис. 2. Отображающий метод считывания.

После прохождения параллельных лучей света через шаблон образуется определенная светотеневая последовательность. Далее прошедшее излучение попадает на шкалу. При движении шаблона вдоль шкалы штрихи на шаблоне могут совпадать со штрихами на шкале, образуя в местах просветов на выходе "свет", либо штрихи накладываются на просветы и на выходе получается "тень". Ряд фотоэлементов преобразует этот световой сигнал в электрический. Штрихи на шаблоне, структурированные специальным образом, фильтруют световой поток так, чтобы он приближался к синусоидальной форме. ем меньше расстояние между штрихами, тем меньше и точнее должно быть расстояние между шкалой и считывающим элементом.

Датчики линейных перемещений фирмы HEIDENHAIN имеют универсальное исполнение. Они предназначены для применения на станках и установках с регулируемыми линейными осями, таких как, например, фрезерных, токарных и шлифовальных станках, обрабатывающих центрах и горизонтально-расточных станках. Хорошие динамические свойства датчиков линейных перемещений, их высокие скорости перемещения и ускорения позволяют применять их как на осях с высокой динамикой, так и непосредственно на моторах.

Рис.3. Схематичная конструкция датчика линейных перемещений L18F

Считывающий элемент передвигается вдоль шкалы без контакта с ней. Подвеска соединяет считывающий элемент с корпусом считывающей головки, компенсируя таким образом несоостность между шкалой и суппортом станка.

Допускаются поперечные зазоры и зазоры по высоте между считывающей головкой и шкалой от ± 0,2 до ± 0,3 мм, в зависимости от типа датчика.

Линейные датчики HEIDENHAIN отличаются хорошей жесткостью в направлении измерения - одно из главных условий высокой точности станка. Также небольшая масса подвижных частей датчика обеспечивает его хорошие динамические свойства.

Благодаря особой конструкции и качественным деталям линейные датчики фирмы HEIDENHAIN работают безупречно даже после продолжительной эксплуатации. Отсутствие контакта между шкалой и считывающим элементом при фотоэлектрическом методе считывания гарантирует высокую продолжительность жизни датчика. Кожух, специальный метод считывания и, при необходимости, возможность подключения сжатого воздуха делают датчик хорошо защищенным от загрязнения. Экранирование помогает защитить сигнал от помех.

В инкрементном датчике линейных перемещений L18F используется абсолютный методе измерения (рис.4): после включения аппаратуры сразу же становится доступным абсолютное значение положения оси в данный момент, которое может быть считано измерительной электроникой. [8]

Рис. 4. Абсолютный метод измерения

а - шкала абсолютного линейного датчика, б - схематическое представление шкалы с дополнительной инкрементной дорожкой.

Прохождение какого-то участка пути для определения положения в данном случае не требуется. Информация об актуальном положении считывается с закодированной специальным образом шкалы. Для генерации выходного инкрементального сигнала используется отдельная дорожка со штрихами.

 

Таблица 1

Технические параметры датчика L18F

Шкала

Деления, нанесенные методом ДИАДУР на носитель из стекла

Коэффициент теплового расширения

αтерм = 8 Ч 10-6 K-1

Класс точности, мкм

± 3

Длина измерения, мм

от 140 до 3040

Инкрементальный выходной сигнал

TTL

Период шкалы, мкм

20

Встроенный интерполятор

5-ти кратная

Период сигнала, мкм

4

Тактовая частота, кГц

50

Распознавание сигнала, с

≤ 1

Шаг измерения, мкм

1

Скорость перемещения, м/мин

≤ 60

Напряжение питания, В

5 ± 5%

Электрическое подключение

Через отдельный кабель (1 м, 3 м, 6 м, 9 м), подключается к считывающей головке

Длина кабеля, м

≤ 100

Сила подачи, Н

≤ 4

Диапазон раб. температур, 0С

от 0 до 50

Масса, кг

0,4 + 2,3 кг/м длины


Измерительные датчики фирмы HEIDENHAIN с TTL-интерфейсом содержат электронику, которая оцифровывает синусоидальный сигнал с интерполяцией или без нее.

Инкрементальные сигналы представляют собой прямоугольные сигналы U1 и U2 со сдвигом фаз 90° (рис. 5). Сигнал референтной метки состоит из одного или более импульсов U0, которые сопряжены с инкрементальными сигналами.  Сигнал ошибки Uas сигнализирует о неисправностях, таких как обрыв питающего кабеля, выход из строя источника света и т.д. В условиях автоматизированного производства эта функция может быть использована для выключения станка.

Шаг измерения получается равным расстоянию между фронтами двух инкрементальных сигналов Ua1 и Ua2 путем 1-, 2 - или 4-кратной интерполяции.

Рис. 5. Графики сигналов

Измерительная электроника должна быть настроена таким образом, чтобы она могла фиксировать каждый фронт прямоугольного сигнала. Заданный в технических характеристиках минимальный распознаваемый сигнал а действителен при заданном входном подключении, кабеле длиной 1м и определяется разницей измеренных значений на выходе дифф. приемника шины. Зависимый от длины кабеля сдвиг фаз уменьшает распознаваемый сигнал на 0,2 нс на метр кабеля. Чтобы избежать ошибок счета, последующая электроника должна быть настроена так, чтобы она обрабатывала до 90 % распознаваемого сигнала. Максимально допустимое число оборотов, а именно скорость вращения, нельзя превышать даже кратковременно.

Предельная длина кабеля для передачи прямоугольного сигнала TTL к измерительной электронике зависит от распознаваемого сигнала а. Она составляет макс.100 м и 50 м для сигнала помехи (рис.6). При этом должна быть гарантирована подача питающего напряжения к датчику. Напряжение на измерительном датчике можно контролировать посредством соединяющего кабеля и при необходимости отрегулировать с помощью устройства управления (дистанционное измерение напряжения питания). [6]

Рис. 6. Допускаемые длины кабелей

 

Таблица 2. Параметры инкрементального сигнала TTL

Интерфейс

Прямоугольный сигнал TTL

Инкрементальный сигнал

2 прямоугольных сигнала TTL Ua1, Ua2 и их инверсный  сигнал Ua1, Ua2 с уровнем тока

Сигнал реф. метки Ширина импульса Время задержки

1 или более прямоугольных импульсов TTL Ua0 и их  инверсные сигналы Ua0 с уровнем при токе нагрузки 20мА 90° el. (другие по запросу); LS 323: не сопряжен |td|≤ 50 нс

Аварийный сигнал Ширина импульса

1 прямоугольный сигнал TTL Uas LOW - низкий уровень - (по запросу: Ua1/Ua2 высокоимпедансный) - аварийный сигнал HIGH - высокий уровень - датчик исправен tS ≥ 20 мс

Уровень сигнала

Дифф магистральный усилитель EIA-стандарт RS 422 UH ≥ 2,5 V при - IH = 20 мA UL ≤ 0,5 V при IL = 20 мA

Время срабатывания (10 % до 90 %)

t+ / t - ≤ 30 нс (тип.10 нс) с кабелем 1 м и заданной входной схемой

Соединительный кабель Длина кабеля Время распространения сигнала

Кабель HEIDENHAIN экранированный макс.100 м (Uas макс.50 м) при погонной емкости 90пФ/м 6 нс/м

Максимальная частота сигналов

 (50хК) кГц для К=1,2,5,10 1000кГц для К=25,50, где К-коэффициент интерполяции

2.2.2 Микроконтроллер

В проектируемом контроллере датчиков положения основным элементом является x51 - совместимый микроконтроллер фирмы Atmel AT89C51-20JC, основные характеристики которого приведены в таблице 1.

Таблица 1. Основные характеристики МК AT89C51-20JC

ПЗУ, кбайт

ОЗУ, байт

Таймеры- счетчики

Прерывания

Порты ввода/ вывода

Тактовая Частота, МГц

Рабочее напряжение, В

Темпера- турный диапазон, ˚ С

Корпус

4

128

2*16 бит

6

1S,4P

20

4…6

0…70

44J


Рис. 7. Цоколевка и стандартная схема включения МК семейства x51

Стандартные микроконтроллеры семейства х51 выпускаются в 40-ногих DIP-корпусах с расстоянием между рядами ножек 15 мм, а между самими ножками 2,54 мм. Их цоколевка и стандартная схема включения приведена на рис.3.

Ножка 20 - GND (ЗЕМЛЯ). Она соединяется с общим проводом. Ножка 40 (Vcc) - с шиной питания (+3.5 В). К ножкам 18 (XTAL2) и 19 (XTAL1) подключается кварцевый резонатор. Наиболее часто используемые кварцы - на 11,0592 МГц и 12 МГц, хотя на практике МК семейства х51 работают с кварцами и с более низкими частотами (например, 1 Мгц), и с более высокими (40 МГц). Для более стабильного запуска выводы кварцевого резонатора соединены с общим проводом через конденсаторы С1 и С2 емкостью от 15 до 30 пФ.

Ножка 9 - это вход RESET или СБРОС. Единичный уровень на этом входе в течение нескольких десятков периодов тактового генератора приводит к сбросу в начальное состояние регистров микропроцессора и к началу исполнения программы с нулевого адреса. Сброс обязателен при подаче напряжения питания на микроконтроллер. С этой целью вход RESET соединяют с шиной питания через конденсатор СЗ емкостью несколько микрофарад, и с общим проводом - через резистор R1 сопротивлением порядка сотни кОм. В момент включения питания конденсатор разряжен, и вход сброса оказывается под потенциалом, близким к напряжению питания. Несмотря на снижение этого потенциала вследствие заряда СЗ, в течение нескольких десятков миллисекунд уровень сигнала на входе сброса остается единичным, и осуществляется корректный запуск микроконтроллера.

Следующий важный вход - ЕА, ножка 31. Если на него подана логическая единица, то МК работает с уже упоминавшейся памятью программ, расположенной на кристалле. Нуль на входе ЕА заставит микроконтроллер выполнять программу из внешней памяти.

На ножке 30 (ALE) обычно присутствует непрерывная последовательность прямоугольных импульсов с частотой, в 6 раз ниже, чем у кварцевого резонатора, соединенного с ножками 18 и 19. Для 12-мегагерцового кварца она, очевидно, составит 2 МГц. В этой последовательности длительность единицы на ножке ALE примерно вдвое меньше длительности нуля, т.е. скважность составляет 33 %. Этот сигнал можно использовать для тактирования микросхем, требующих для работы внешний источник тактового сигнала.

Ножки 29 (PSEN) используется для подключении к МК внешней памяти.

Оставшиеся 32 ножки - это линии ввода/вывода информации. Они сгруппированы по 8 в четыре так называемых порта ввода/вывода (Р0, PI, P2 и РЗ). Каждая линия любого из них может использоваться либо как вход, либо как выход, независимо от остальных линий. Для этого их оконечные каскады выполнены соответствующим образом.

Выбор микроконтроллера фирмы Atmel объясняется низкой стоимостью ее изделий и как следствие широкой распространенностью ее продукции.

Отличительной чертой ее микроконтроллеров является отсутствие в них кварцевого окошка, через которое виден кристалл микросхемы. В то время как прототип имел ПЗУ, стираемое УФ - лучами, что требовало дорогостоящего совмещения различных микроэлектронных технологий и отнюдь не дешевого корпуса с прозрачным для ультрафиолета стеклом из кварца, АТ89С51 (равно как и другие контроллеры Atmel) снабжен электрически перепрограммируемым ПЗУ. Технологические достижения фирмы позволили формировать и контроллер, и П3У в одном цикле. При этом количество циклов программирования заметно выше, чем у УФ-стираемых контроллеров. Да и само стирание осуществляется программатором автоматически, что исключает возможность повреждения ПЗУ излишней дозой излучения. Отсутствие УФ-прозрачного окна в корпусе заметно снижает и его стоимость.

Правда, необходимо отметить, что алгоритмы записи/стирания электрически перепрограммируемых ПЗУ несколько сложнее, чем у их предшественников, в силу чего не все программаторы позволяют работать с ними.

Микроконтроллеры серии AT89C51/52 - это стандартные МК, практически полностью аналогичные классическим 8xC51/52 и 8xL51/52.

В первую очередь необходимо отметить более высокую нагрузочную способность их выводов по сравнению с их Intel-прототипами, позволяющую соединять с каждым из них до 6 стандартных TTL-входов. Максимальный входной ток может достигать 10 мА, при этом суммарный ток через выводы порта 0 не должен превышать 26 мА, а через выводы остальных портов - 15 мА. Максимальный суммарный ток через все выводы не должен быть более 71 мА. Напряжения на входах относительно общего провода должны лежать в диапазоне от - 1 до +7 В, максимальное рабочее напряжение - 6,6 В. В режиме Power Down допустимо снижение напряжения до 2 В. Потребление AT89G51/52 на частоте 12 МГц при напряжении питания 6 В не превышает 20 мА, в режиме Idle - 5 мА, в режиме Power Down - 100 мкА при напряжении 6 В и 40 мкА при 3 В.

В микроконтроллерах 8хС51 сигнал ALE генерируется с постоянной частотой, в 6 раз меньшей частоты осциллятора, исчезая лишь при обращении к внешней памяти данных. В АТ89С51/52 возможно программно запретить выдачу этого сигнала, установив в единицу бит 0 SFR-регистра, находящегося по адресу 8Е. При этом сигнал ALE будет появляться лишь при выполнении команд MOVX, MOVC (либо при работе с внешней памятью программ, если она имеется в вашей системе). В остальных случаях на выводе будет присутствовать напряжение высокого уровня.

Также следует отметить отсутствие у рассматриваемых контроллеров фирмы Atmel регистра IPH, и как следствие этого, наличие всего лишь двухприоритетной, а не четырехприоритетной системы прерываний. Однако как показывает практика, для подавляющего большинства пользователей это не является большой потерей.

2.2.3 Расчет источника питания

Расчет источника питания проводится на основании требований по качеству питания электрической схемы.

Определим элементы схемы наиболее энергоёмкие и сведем их в таблицу 4.

 

Таблица 4

Параметры элементов схемы

Тип элемента

Uпит, В

Iпот, мА

Рпот, мВт

Количество

L18F

+5

200

1000

1

+5

20

100

1

Итого



1100



∑Р = 1100 мВт= 5 B; Р =1100 мВт; I = P/U =220 мА

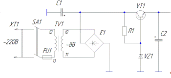
На основании полученных данных выбираем в качестве стабилизации напряжения блок из трех элементов (рис. 8): транзистора КТ603Б (VT3), резистора R1 = 510 Ом, стабилитрона КС 156А (VZ1) [4, 5].

Рис. 8. Схема блока, используемого для стабилизации напряжения

Схема источника питания представлена на рисунке 9.

Рис. 9. Принципиальная схема источника питания

. Конденсаторы С1, С2 выбирается в зависимости от потребляемого тока. Емкость выходного конденсатора можно определить по упрощенному соотношению: 1000 мкФ на 1 A в цепи. Следовательно, выбираем:

С1 - К50-20-25В-50 мкФ ОЖО.464.120. ТУ

С2 - К50-35-10В-470 мкФ ОЖО.464.214. ТУ

. Выбираем диодный мост Е1, у которого значения выпрямленного тока и допустимого обратного напряжения равны или превышают расчетные.

В качестве диодного моста Е1 выбираем диодную сборку. Диодную сборку выбираем с учетом номинальных токов потребления блока, используемого для стабилизации напряжения. Диодную сборку выбираем по самой нагруженной цепи, т.е. Iвх = 236 мА и принимаем Д226Б.

Основные характеристики сборки приведены в таблице 5.

 

Таблица 5

Характеристики диодной сборки Д226Б

Наименование

Значение

Среднее прямое напряжение короткого замыкания

0,5 В

Средний обратный ток холостого хода при Uобр= Uобр. max

50 мкА

Прямой ток Imax.

0,3 А

Обратное максимально-допустимое напряжение Uобр.

300 В


С учетом падения напряжения на блоке, используемом для стабилизации напряжения, а так же на диодной сборке, определяем минимально допустимое значение напряжения вторичной обмотки трансформатора:

тр = UЕ1+Uст+Uвых = 0,5+1,5+5=7 В

С учётом потерь в обмотке трансформатора, а также нестабильностью сетевого напряжения питания, увеличиваем напряжение на вторичной обмотке на 10%. Принимаем напряжение на вторичной обмотке:

тр = 7+0,7 = 7,7 В ≈ 8 В

Далее выбираем трансформатор по максимальному току нагрузки Iн = =0,236 А, необходимому напряжению Uн = 5 В и габаритной мощности

г = 1,5 · (Iн · Uн) = 1,5 · (0,220 ·5) = 1,65 Вт

Выбираем универсальный трансформатор для питания полупроводниковых приборов ТПП-112-1 на 50Гц, 220В мощностью 7 Вт, ток первичной обмотки 0,1А. Технические характеристики вторичных обмоток приведены в таблице 6.

 

Таблица 6

Технические характеристики вторичных обмоток

Мощность, В·А

Напряжение, В

Ток, А


10-11

12-13

0,8


7,9

220



Предохранитель FU1 выбираем с учетом тока срабатывания защиты в первичной обмотке, следовательно, FU1 - ВП1-1 0,125-250.

Выключатель выбираем по допустимому напряжению и с учетом малого тока в первичной цепи трансформатора, по механической прочности - МТ3.

На основании раздела 2.2 была разработана принципиальная схема автоматизированной системы контроля линейных размеров, которая представлена в приложении.

 

2.2.4 Построение алгоритма

Алгоритм работы системы автоматизированного контроля линейного размера выглядит следующий образом:


Заключение


В результате была спроектирована структурная и принципиальная электрическая схема автоматизированной системы линейных перемещений по одной координате.

 


Список используемой литературы


1.      Сосонкин В.Л. Программное управление технологическим оборудованием. Учебник для вузов. - М.: Машиностроение, 1991г. - 512 с.

2.      Архитектура и программирование микроЭВМ. Организация вычислительных процессов. Учеб. для вузов/ Под ред.Л.Н. Преснухина - М.: Высшая школа, 1986г. - 495 с.

.        Руководство по проектированию систем автоматического управления/ Под ред. В.А. Бесекерского - М.: Высш. школа, 1983г. - 296 с.

.        Горбунов В.Л. Справочное пособие по микропроцессорам и ЭВМ. - М.: Высшая школа, 1988г. - 272 с.

.        Полупроводниковые приборы. Диоды выпрямительные. Стабилитроны. Тиристоры. Справочник/ Под ред. Л.В. Голомедова - М.: Радио и связь, 1988г. - 672 с.

.        Резисторы, конденсаторы, транзисторы, дроссели, коммуникационные устройства РЭА: Справочник/ Под ред.Н. Н. Акимова - Минск: Беларусь, 1994г. - 591 с.

.        www.electronic. vladbazar.com

8.      www.vicgain. sdot.ru <#"604369.files/image012.gif">

 

Похожие работы на - Контроль линейных размеров детали

 

Не нашли материал для своей работы?
Поможем написать уникальную работу
Без плагиата!
Без нейросетей!