Повышение качества измерения и выбор методов и средств для контроля размеров в деталях типа 'вал' и 'корпус'
Содержание
Введение
1. Методы и
средства измерений.
1.1. Выбрать
методы и средства для измерения размеров в деталях
1.1.1. Выбрать методы и средства для измерения
размеров детали типа «Корпус»
1.1.2. Выбрать методы и средства для измерения
размеров детали типа «Вал»
1.2. Разработать принципиальные схемы средств
измерений (трех из выбранных в п.1.1.) и подробно описать принцип
функционирования, поверку и настройку, процесс измерения.
1.3 Разработать
принципиальную схему измерительного устройства для контроля отклонений формы и
расположения поверхностей (лист 2).
2. Методы и
средства неразрушающего контроля.
2.1. Рассчитать
исполнительные размеры калибров для контроля шлицевого соединения с прямобочным
соединением
и описать принцип контроля.
2.2. Выбрать методы и средства контроля дефектов
в деталях типа «корпус» и типа «вал»..
2.3. Функциональные (структурные) схемы приборов
НК
2.3.1. Акустический метод НК
2.3.2. Радиоволновой метод НК
Заключение
Список
литературы
Введение
Целью данного курсового проекта является повышение качества измерения, а
также ознакомление и выбор методов и средств для контроля размеров в деталях
типа:
«Вал»- наружные и линейные размеры;
«Корпус»- внутренние и линейные размеры.
Необходимо разработать принципиальные схемы средств измерения и дать
подробное описания принципа их действия, настройки, поверки и процесса
измерения.
Необходимо разработать принципиальную схему измерительного устройства для
контроля радиального биения и дать подробное описания принципа его действия,
настройку, поверку, процесс контроля.
Рассчитать исполнительные размеры калибров для контроля шлицевого
соединения с прямобочным профилем и описать принцип контроля.
Ознакомиться с методами неразрушающего контроля. Выбрать виды контроля
для определения дефектов в деталях типа:
«Вал» - флокены;
«Корпус» - трещины водородные, волосовины.
Необходимо изобразить функциональные схемы приборов, чертежи контактных и
других устройств, а также схемы контроля и графики, обосновывающие выбор
режимов и других условий контроля.
1.
Методы и средства измерений
.1
Выбрать методы и средства для измерения размеров в деталях
Типа «Корпус»:
- внутренние размеры Ø18Н7; Ø95Н10; Ø36Н8;
линейные 40+0,025; 250-0,03; 140±0,08;
Типа «Вал»:
- наружные размеры Ø50f7; Ø90h8;
Ø110e9;
линейные 67+0,06; 280±0,15.
Чертежи деталей формируются студентом самостоятельно с учетом заданных
размеров.
1.1.1 Выбрать
методы и средства для измерения размеров детали типа «Корпус»
1. Внутренний размер - Ø18Н7
1) Величина поля допуска данного размера составляет: IT=18 мкм
2)
По ГОСТ 8.051 - 81 для диапазона размеров св. 10 до 18 мм по 7 квалитету
точности определяем значение допускаемой погрешности δ=5,0 мкм.
)
По таблице II методических указаний РД 50 - 98 - 86 выбираем
средство измерения, у которого предельная погрешность измерения меньше или
равна расчетному значению допускаемой погрешности средства измерения 
.
4)
Результаты выбора средств измерений представлено в таблице 1
Таблица 1
№
СИ по РД Наименование и вариант использования СИ 
,
мкм
,
|
мкм
|
|
|
|
6 а
|
Нутромеры индикаторные (НИ)
при замене отсчетного устройства измерительной головкой ИГ с ценой деления
0,001 и 0,002 мм, при установке по концевым мерам длины 1 класса точности или
установочным кольцам (до 160 мм). При работе приборы находятся в руках.
|
4,5
|
5,0
|
|
7 а
|
Нутромеры с ценой деления
отсчетного устройства 0,001 и 0,002мм, при установке по концевым мерам длины
1 класса с боковиками или по установочным кольцам (до 160 мм). При работе
приборы находятся в руках.
|
3,5
|
5,0
|
|
8а
|
Оптиметры и длинномеры
горизонтальные, измерительные машины с ценой деления отсчетного устройства
0,001мм, при установке по концевым мерам длины 1 класса точности с
боковиками. При работе приборы находятся в руках.
|
1,5
|
5,0
|
|
8 б
|
Оптиметры и длинномеры горизонтальные,
измерительные машины с ценой деления отсчетного устройства 0,001мм, при
установке по установочным кольцам. При работе приборы находятся в стойке или
обеспечивается надежная изоляция от тепла рук оператора.
|
1,0
|
5,0
|
|
9 а
|
Пневматические пробки с отсчетным
прибором с ценой деления 1 мкм и 0,5 мкм с настройкой по установочным
кольцам. При работе приборы находятся в руках.
|
4,0
|
5,0
|
2. Внутренний размер - Ø95Н10
1) Величина поля допуска данного размера составляет: IT=140 мкм
2)
По ГОСТ 8.051 - 81 для диапазона размеров св. 80 до 120 мм по 10 квалитету
точности определяем значение допускаемой погрешности δ=30,0 мкм.
)
По таблице II методических указаний РД 50 - 98 - 86 выбираем
средство измерения, у которого предельная погрешность измерения меньше или
равна расчетному значению допускаемой погрешности средства измерения 
.
4)
Результаты выбора средств измерений представлено в таблице 2:
Таблица
2
№
СИ по РД Наименование и вариант использования СИ 
,
мкм
,
|
мкм
|
|
|
|
6 а
|
Нутромеры индикаторные (НИ)
при замене отсчетного устройства измерительной головки (ИГ) с ценой деления
0,001 или 0,002 мм. Концевые меры длины 1 класса или установочные кольца (до
160 мм). При работе приборы находятся в руках.
|
6,5
|
30,0
|
|
7 а
|
Нутромеры с ценой деления
отсчетного устройства 0,001 и 0,002 мм, при установке по концевым мерам длины
1 класса точности с боковиками или установочным кольцам (до 160 мм). При
работе приборы находятся в руках.
|
6,0
|
30,0
|
|
7 б
|
Нутромеры с ценой деления
отсчетного устройства 0,001 и 0,002 мм. Концевые меры длины 1 класса с
боковиками. При работе приборы находятся в стойке или обеспечивается надежная
изоляция от тепла рук оператора.
|
4,5
|
30,0
|
|
8 а
|
Оптиметры и длинномеры
горизонтальные, измерительные машины с ценой деления отсчетного устройства
0,001мм, при установке по концевым мерам длины 1 класса точности с
боковиками. При работе приборы находятся в руках.
|
2,5
|
30,0
|
|
11
|
Микроскопы инструментальные
(большая и малая модели).
|
10,0
|
30,0
|
|
13
|
Приборы с
электронным индикатором контакта при настройке по концевым мерам 0 класса.
|
0,5
|
30,0
|
3. Внутренний размер - Ø36Н8
1) Величина поля допуска данного размера составляет: IT=39 мкм
2)
По ГОСТ 8.051 - 81 для диапазона размеров св. 30 до 50 мм по 8 квалитету
точности определяем значение допускаемой погрешности δ=10,0 мкм.
)
По таблице II методических указаний РД 50 - 98 - 86 выбираем
средство измерения, у которого предельная погрешность измерения меньше или
равна расчетному значению допускаемой погрешности средства измерения 
.
4)
Результаты выбора средств измерений представлено в таблице 3:
Таблица 3
№
СИ по РД Наименование и вариант использования СИ 
,
мкм
,
|
мкм
|
|
|
|
6а
|
Нутромеры индикаторные (НИ)
при замене отсчетного устройства измерительной головки (ИГ) с ценой деления
0,001 или 0,002 мм. Концевые меры длины 1 класса с боковиками или
установочные кольца (до 160 мм). При работе приборы находятся в руках.
|
5,5
|
10,0
|
|
7 б
|
Нутромеры с ценой деления
отсчетного устройства 0,001 и 0,002 мм. Концевые меры длины 1 класса с боковиками.
При работе приборы находятся в стойке или обеспечивается надежная изоляция от
тепла рук оператора.
|
3,5
|
10,0
|
|
8 а
|
Оптиметры и длинномеры
горизонтальные, измерительные машины с ценой деления отсчетного устройства
0,001мм, при установке по концевым мерам длины 1 класса точности с
боковиками. При работе приборы находятся в руках.
|
1,5
|
10,0
|
|
9 а
|
Пневматические пробки с
отсчетным прибором с ценой деления 1 мкм и 0,5 мкм с настройкой по
установочным кольцам. При работе приборы находятся в руках.
|
4,5
|
10,0
|
|
11
|
Микроскопы инструментальные
(большая и малая модели).
|
10,0
|
10,0
|
4. Линейный размер - 40+0,025
1) Величина поля допуска данного размера составляет: IT= 25 мкм
) По ГОСТ 8.051 - 81 для диапазона номинальных размеров св. 30 до 50 мм
находим ближайшее меньшее к заданному значению поля допуска:

= 16 мкм,
для которого задано допускаемая погрешность измерения 
= 5,0
мкм.
)
По таблице I методических указаний РД 50 - 98 - 86 выбираем
средство измерения, у которого предельная погрешность измерения меньше или
равна расчетному значению допускаемой погрешности средства измерения 
.
4)
Результаты выбора средств измерений представлено в таблице 4:
Таблица
4
№
СИ по РД Наименование и вариант использования СИ 
,
мкм
,
|
мкм
|
|
|
|
4 б
|
Микрометры гладкие (МК) с
величиной отсчета 0,01 мм при настройке на нуль по установочной мере. При
работе приборы находятся в стойке или обеспечивается надежная изоляция от
тепла рук оператора.
|
5,0
|
5,0
|
|
6 б
|
Микрометры рычажные (МР и
МРИ) с ценой деления 0,002 мм и 0,01мм при установке на нуль по установочной
мере и скобы рычажные (СР) с ценой деления 0,002 мм при настройке на нуль по
концевым мерам длины при использовании на всем пределе измерения. При работе
приборы находятся в стойке или обеспечивается надежная изоляция от тепла рук
оператора.
|
4,5
|
5,0
|
|
7 д
|
Индикаторы часового типа
(ИЧ и ИГ) с ценой деления 0,01мм и пределом измерения от 2 до 10 мм, класс
точности 1. До 250 мм-штативы и стойки с диаметром колонки не менее 30 мм и
наибольшим вылетом головки до 200 мм (C-IV;
Ш-11Н; ШМ -11Н) Св. 250 мм - штативы и стойки с диаметром колонки не менее 50
мм и наибольшим вылетом головки до 500 мм (Ш-11В; ШМ-11В).
|
5,0
|
5,0
|
|
30 а
|
Оптиметр вертикальный,
оптиметр горизонтальный, машина измерительная (ИЗМ) с ценой деления 0,001 мм
пределом измерения по шкале 0,1мм, при измерении методом сравнения с мерой;
при любом виде контакта. При работе приборы находятся в руках.
|
1,0
|
5,0
|
|
31
|
Микроскопы инструментальные
(большая и малая модель).
|
5,0
|
5,0
|
5. Линейный размер - 250-0,03
1) Величина поля допуска данного размера составляет: IT= 30 мкм
) По ГОСТ 8.051 - 81 для диапазона номинальных размеров св. 180 до 250 мм
находим ближайшее меньшее к заданному значению поля допуска:

= 29 мкм,
для которого задано допускаемая погрешность измерения 
= 8,0
мкм.
)
По таблице I методических указаний РД 50 - 98 - 86 выбираем
средство измерения, у которого предельная погрешность измерения меньше или
равна расчетному значению допускаемой погрешности средства измерения 
.
4)
Результаты выбора средств измерений представлено в таблице 5:
Таблица 5
№
СИ по РД Наименование и вариант использования СИ 
,
мкм
,
|
мкм
|
|
|
|
30 а
|
Оптиметр вертикальный,
оптиметр горизонтальный, машина измерительная (ИЗМ) с ценой деления 0,001 мм
пределом измерения по шкале 0,1мм, при измерении методом сравнения с мерой;
при любом виде контакта. При работе приборы находятся в руках.
|
1,5
|
8,0
|
|
33 а
|
Машина измерительная (ИЗМ)
при абсолютных измерениях. При работе приборы находятся в руках.
|
3,5
|
8,0
|
6. Линейный размер - 140±0,08
1) Величина поля допуска данного размера составляет: IT= 160 мкм
) По ГОСТ 8.051 - 81 для диапазона номинальных размеров св. 120 до 180 мм
находим ближайшее меньшее к заданному значению поля допуска:

= 100
мкм, для которого задано допускаемая погрешность измерения 
= 30,0
мкм.
)
По таблице I методических указаний РД 50 - 98 - 86 выбираем
средство измерения, у которого предельная погрешность измерения меньше или
равна расчетному значению допускаемой погрешности средства измерения 
.
4)
Результаты выбора средств измерений представлено в таблице 6:
Таблица 6
№
СИ по РД Наименование и вариант использования СИ 
,
мкм
,
|
мкм
|
|
|
|
4 а
|
Микрометры гладкие (МК) с
величиной отсчета 0,01 мм при настройке на нуль по установочной мере. При
работе приборы находятся в руках.
|
15,0
|
30,0
|
|
5 а
|
Скобы индикаторные (СИ) с
ценой деления 0,01 мм. При работе приборы находятся в руках.
|
20,0
|
30,0
|
|
6 б
|
Микрометры рычажные (МР и
МРИ) с ценой деления 0,02 и 0,01 мм при установке на нуль по установочной
мере и скобы рычажные (СР) с ценой деления 0,002мм при настройке на нуль по
концевым мерам длины при использовании на всем пределе измерению. При
измерении допускается любой вид контакта с измеряемой поверхностью. При
работе приборы находятся в стойке или обеспечивается надежная изоляция от
тепла рук оператора.
|
7,0
|
30,0
|
|
14 а
|
Головки измерительные
пружинные (микрокаторы) (5ИГП, 5ИГПГ) с ценой деления 0,005 мм и пределом
измерения ±0,15 мм. При работе приборы находятся в руках.
|
9,0
|
30,0
|
|
32 а
|
Микроскопы измерительные
универсальные. Метод измерения - проекционный. При работе приборы находятся в
руках.
|
9,0
|
30,0
|
1.1.2 Выбрать
методы и средства для измерения размеров детали типа «Вал»
1. Наружный размер - Ø50f7
1) Величина поля допуска данного размера составляет: IT=25 мкм
2)
По ГОСТ 8.051 - 81 для диапазона размеров св. 30 до 50 мм по 7 квалитету
точности определяем значение допускаемой погрешности δ=7,0 мкм.
)
По таблице I методических указаний РД 50 - 98 - 86 выбираем
средство измерения, у которого предельная погрешность измерения меньше или
равна расчетному значению допускаемой погрешности средства измерения 
.
4)
Результаты выбора средств измерений представлено в таблице 7:
Таблица
7
№
СИ по РД Наименование и вариант использования СИ 
,
мкм
,
|
мкм
|
|
|
|
6 а
|
Микрометры
рычажные (МР и МРИ) с ценой деления 0,002 мм и 0,001 мм при установке на нуль
по установочной мере и скобы рычажные (СР) с ценой деления 0,002 мм при
настройке на нуль по концевым мерам длины при использовании на всем пределе
измерения. При работе приборы находятся
в руках.
|
7,0
|
7,0
|
|
7 д
|
Индикаторы
часового типа (ИЧ и ИТ) с ценой деления 0,01 мм и пределом измерения от 2 до
10 мм, класс точности 1.
|
5,0
|
7,0
|
|
9 а
|
Головки
рычажно-зубчатые (2ИГ) с ценой деления 0,002 мм и пределом измерения ±0,1 мм;
с настройкой по концевым мерам длины на любое деление. Установочные узлы -
штативы. При работе приборы находятся в
руках.
|
3,5
|
7,0
|
|
10 а
|
Головки рычажно - зубчатые
(1 ИГ) с ценой деления 0,001 мм и пределом измерения  мм; с
настройкой по концевым мерам длины на любое деление. Установочные
узлы - штативы. При работе приборы находятся в руках.2,07,0
|
|
|
|
11 а
|
Индикаторы
многооборотные (2МИГ) с ценой деления 0,002 мм и пределом измерения 2 мм.
Установочные узлы - штативы. При работе
приборы находятся в руках.
|
7,0
|
7,0
|
|
13 б
|
Головки измерительные
пружинные (микрокаторы) (10ИГП, 10 ИГПГ) с ценой деления 0,01 мм и пределом
измерений ±0,30 мм. При работе приборы
находятся в стойке или обеспечивается надежная изоляция от тепла рук
оператора.
|
5,0
|
7,0
|
|
30 а
|
Оптиметр вертикальный,
оптиметр горизонтальный, машина измерительная (ИЗМ) с ценой деления 0,001 мм
пределом измерения по шкале 0,1мм, при измерении методом сравнения с мерой;
при любом виде контакта. При работе приборы находятся в руках.
|
1,0
|
7,0
|
|
32 а
|
Микроскопы измерительные
универсальные. Метод измерения - проекционный. При работе приборы находятся в
руках.
|
4,5
|
7,0
|
2. Наружный размер - Ø90h8
1) Величина поля допуска данного размера составляет: IT=54 мкм
2)
По ГОСТ 8.051 - 81 для диапазона размеров св. 80 до 120 мм по 8 квалитету
точности определяем значение допускаемой погрешности δ=12,0 мкм.
)
По таблице I методических указаний РД 50 - 98 - 86 выбираем
средство измерения, у которого предельная погрешность измерения меньше или
равна расчетному значению допускаемой погрешности средства измерения 
.
4)
Результаты выбора средств измерений представлено в таблице 8:
Таблица 8
№
СИ по РД Наименование и вариант использования СИ 
,
мкм
,
|
мкм
|
|
|
|
4 б
|
Микрометры гладкие (МК) с
величиной отсчета 0,01 мм при настройке на нуль по установочной мере. При
работе приборы находятся в стойке или обеспечивается надежная изоляция от
тепла рук оператора.
|
5,0
|
12,0
|
|
5 б
|
Скобы индикаторные (СИ) с
ценой деления 0,01 мм. При работе приборы находятся в стойке или
обеспечивается надежная изоляция от тепла рук оператора.
|
12,0
|
12,0
|
|
6 а
|
Микрометры
рычажные (МР и МРИ) с ценой деления 0,002 мм и 0,001 мм при установке на нуль
по установочной мере и скобы рычажные (СР) с ценой деления 0,002 мм при
настройке на нуль по концевым мерам длины при использовании на всем пределе
измерения. При работе приборы находятся
в руках.
|
12,0
|
12,0
|
|
9 а
|
Головки рычажно - зубчатые
(2ИГ) с ценой деления 0,0002 мм и пределом измерения 0,1 мм с настройкой по концевым мерам на любом
деление. При работе приборы находятся в руках.4,5
|
12,0
|
|
|
10 а
|
Головки рычажно - зубчатые
(1 ИГ) с ценой деления 0,001 мм и пределом измерения  мм; с
настройкой по концевым мерам длины на любое деление. При работе приборы
находятся в руках.2,5
|
12,0
|
|
|
12 а
|
Индикаторы многооборотные (1МИГ)
с ценой деления 0,001 мм и пределом измерения 1 мм. Установочные
узлы - штативы. При работе приборы находятся в руках.
|
3,5
|
12,0
|
|
30 а
|
Оптиметр вертикальный,
оптиметр горизонтальный, машина измерительная (ИЗМ) с ценой деления 0,001 мм
пределом измерения по шкале 0,1мм, при измерении методом сравнения с мерой;
при любом виде контакта. При работе приборы находятся в руках.
|
1,0
|
12,0
|
|
32 а
|
Микроскопы измерительные
универсальные. Метод измерения - проекционный. При работе приборы находятся в
руках.
|
7,0
|
12,0
|
|
35 б
|
Проекторы измерительные.
При работе приборы находятся в стойке или обеспечивается надежная изоляция от
тепла рук оператора.
|
10,0
|
12,0
|
. Наружный размер - Ø110e9
1) Величина поля допуска данного размера составляет: IT=87 мкм
2)
По ГОСТ 8.051 - 81 для диапазона размеров св. 80 до 120 мм по 9 квалитету
точности определяем значение допускаемой погрешности δ=20,0 мкм.
)
По таблице I методических указаний РД 50 - 98 - 86 выбираем
средство измерения, у которого предельная погрешность измерения меньше или
равна расчетному значению допускаемой погрешности средства измерения 
.
4) Результаты выбора средств измерений представлено в таблице 9:
Таблица 9
№
СИ по РД Наименование и вариант использования СИ 
,
мкм
,
|
мкм
|
|
|
|
4 а
|
Микрометры гладкие (МК) с
величиной отсчета 0,01 мм при настройке на нуль по установочной мере. При
работе приборы находятся в руках.
|
15,0
|
20,0
|
|
5 а
|
Скобы индикаторные (СИ) с
ценой деления 0,01 мм. При работе приборы находятся в руках.
|
20,0
|
20,0
|
|
7 а
|
Индикаторы часового типа
(ИЧ и ИТ) с ценой деления 0,01 мм и пределом измерения от 2 до 10 мм, класс
точности 1. При работе приборы находятся в руках.
|
20,0
|
20,0
|
|
9а
|
Головки рычажно - зубчатые
(2ИГ) с ценой деления 0,0002 мм и пределом измерения 0,1 мм с настройкой по концевым мерам на любом
деление. Установочные узлы-штативы. При работе приборы находятся в руках.4,5
|
20,0
|
|
|
30 а
|
Оптиметр вертикальный,
оптиметр горизонтальный, машина измерительная (ИЗМ) с ценой деления 0,001 мм
пределом измерения по шкале 0,1мм, при измерении методом сравнения с мерой;
при любом виде контакта. При работе приборы находятся в руках.
|
1,0
|
20,0
|
|
33 а
|
Машина измерительная (ИЗМ)
при абсолютных измерениях. При работе приборы находятся в руках.
|
2,0
|
20,0
|
4. Линейный
размер - 
1) Величина поля допуска данного размера составляет: IT= 60 мкм
) По ГОСТ 8.051 - 81 для диапазона номинальных размеров св. 50 до 80 мм
находим ближайшее меньшее к заданному значению поля допуска:

= 46 мкм,
для которого задано допускаемая погрешность измерения 
= 12,0
мкм.
)
По таблице I методических указаний РД 50 - 98 - 86 выбираем
средство измерения, у которого предельная погрешность измерения меньше или
равна расчетному значению допускаемой погрешности средства измерения 
.
4)
Результаты выбора средств измерений представлено в таблице 10:
Таблица
10
|
№ СИ по РД
|
Наименование и вариант
использования СИ
|
мкм
|
мкм
|
|
4 а
|
Микрометры гладкие (МК) с
величиной отсчета 0,01 мм при настройке на нуль по установочной мере. При
работе приборы находятся в руках.
|
10,0
|
12,0
|
|
5 б
|
Скобы индикаторные (СИ) с
ценой деления 0,01 мм. При работе приборы находятся в стойке или
обеспечивается надежная изоляция от тепла рук оператора.
|
12,0
|
12,0
|
|
6 а
|
Микрометры
рычажные (МР и МРИ) с ценой деления 0,002 мм и 0,001 мм при установке на нуль
по установочной мере и скобы рычажные (СР) с ценой деления 0,002 мм при
настройке на нуль по концевым мерам длины при использовании на всем пределе
измерения. При работе приборы находятся
в руках.
|
9,0
|
12,0
|
|
30 а
|
Оптиметр
вертикальный, оптиметр горизонтальный, машина измерительная (ИЗМ) с ценой
деления 0,001 мм и пределом измерения по шкале 0,1 мм, при измерении методом
сравнения с мерой. При работе приборы
находятся в руках.
|
1,0
|
|
31
|
Микроскопы
инструментальные (большая и малая модель).
|
6,0
|
12,0
|
. Линейный размер - 280±0,15
1) Величина поля допуска данного размера составляет: IT= 300 мкм
) По ГОСТ 8.051 - 81 для диапазона номинальных размеров св. 250 до 315 мм
находим ближайшее меньшее к заданному значению поля допуска:

= 210
мкм, для которого задано допускаемая погрешность измерения 
= 50,0
мкм.
)
По таблице I методических указаний РД 50 - 98 - 86 выбираем
средство измерения, у которого предельная погрешность измерения меньше или
равна расчетному значению допускаемой погрешности средства измерения 
.
4)
Результаты выбора средств измерений представлено в таблице 11:
Таблица 11
№
СИ по РД Наименование и вариант использования СИ 
,
мкм
,
|
мкм
|
|
|
|
4 а
|
Микрометры гладкие (МК) с
величиной отсчета 0,01 мм при настройке на нуль по установочной мере. При
работе приборы находятся в руках.
|
30,0
|
50,0
|
|
5 а
|
Скобы индикаторные (СИ) с
ценой деления 0,01 мм. При работе приборы находятся в руках.
|
40,0
|
50,0
|
|
6 а
|
Микрометры
рычажные (МР и МРИ) с ценой деления 0,002 мм и 0,001 мм при установке на нуль
по установочной мере и скобы рычажные (СР) с ценой деления 0,002 мм при
настройке на нуль по концевым мерам длины при использовании на всем пределе
измерения. При работе приборы находятся
в руках.
|
30,0
|
50,0
|
|
7 а
|
Индикаторы часового типа
(ИЧ и ИТ) с ценой деления 0,01 мм и пределом измерения от 2 до 10 мм, класс
точности 1. При работе приборы находятся в руках.
|
35,0
|
50,0
|
|
30 а
|
Оптиметр
вертикальный, оптиметр горизонтальный, машина измерительная (ИЗМ) с ценой
деления 0,001 мм и пределом измерения по шкале 0,1 мм, при измерении методом
сравнения с мерой. При работе приборы
находятся в руках.
|
1,5
|
50,0
|
|
32 а
|
Микроскопы
измерительные универсальные. При работе
приборы находятся в руках.
|
16,0
|
50,0
|
|
33 а
|
Машина измерительная (ИЗМ)
при абсолютных измерениях. При работе приборы находятся в руках.
|
4,0
|
50,0
|
1.2 Разработать
принципиальные схемы средств измерений (трех из выбранных в п.1.1.) и подробно
описать принцип функционирования, поверку и настройку, процесс измерения
Нутромер с ценой деления отсчетного устройства 0,001 мм.
Согласно общепринятому определению, нутромер - измерительное
средство для определения внутренних линейных размеров (отверстий, пазов и
т.п.), устанавливаемое при измерениях на детали (или вводимое в деталь).
Измерения производят, как правило, двумя сферическими наконечниками,
расположенными под углом 180. Большинство нутромеров имеет устройства для
установки (центрирования) линии измерения в направлении контролируемого
размера, а также дополнительные механизмы для передачи перемещений от
измерительных наконечников на отсчётное устройство.
Строгой классификации Н. нет. Чаще всего Н. присваивают название по
какому-либо отличительному признаку: по конструкции - цанговые, шариковые и
т.п., по типу отсчётного устройства - индикаторные и др., по виду контакта с
измеряемой поверхностью, например кромочные, и т.д. Простейший нутромер - предельный
калибр, т. н. штихмасс, выполнен в виде стержня или трубки со сферическими
измерительными наконечниками и служит для контроля относительно больших
отверстий (диаметром от 100 до 2500 мм). Для отверстий относительно небольших
размеров обычно применяют нутромеры, имеющие различные передаточные механизмы
(от наконечников к отсчётному устройству) - конусные, рычажные, клиновые. Для
отверстий малых диаметров предназначаются нутромеры с конусными передачами:
кромочные (размер от 0,2 мм определяют по шкале с нониусом или по стрелочной
отсчётной головке); цанговые (известны Н. от 0,95 мм), шариковые (от 3 до 18
мм) 3 типоразмеров и др. Индикаторные выпускаются обычно с рычажными и
клиновыми передачами. Такие нутромеры с рычажной передачей имеют предел измерений
3-1000 мм (10 типоразмеров), с клиновой (более точные) - 18-50 мм. Большинство
нутромеров имеет две точки контакта с измеряемой поверхностью (двухконтактная
схема измерения).
Назначение
1. Нутромеры с ценой деления 0,001 мм предназначены для
точного измерения внутренних размеров контактным относительным методом.
2. Применяется в различных отраслях промышленности.
(ГОСТ 9244-75)
Метрологические характеристики
|
Модель
|
106
|
|
Диапазон
измерения
|
10-18
|
|
Цена деления
отсчетного устройства, мм
|
0,002
|
|
Наибольшая глубина
измерения, мм
|
50
|
|
Используемое
перемещение измерительного стержня, мм
|
0,01
|
|
Пределы
основной погрешности центрирующего мостика, мм
|
2
|
|
Сила измерения
прибора, Н
|
4
|
Рис. 1. Конструкция нутромера
- Отсчетное устройство
2- Ручка
- Корпус
- Мостик
Настройка нутромера на требуемый размер осуществляется по
аттестованным кольцам (рекомендуется при серийном изготовлении деталей) или по
блокам концевых мер длины с боровичками.
Измерительными и центрирующими элементами являются
диаметрально расположенные шарики. Плоскости измерения и центрирования
развернуты под углом 90° друг к другу.
Механизм нутромера представляет собой
сочетание клиновой передачи с отсчетным устройством. Для совмещения линии
измерения с осевой плоскостью измеряемого отверстия нутромер снабжен
центрирующим мостиком.
Настройка нутромера на требуемый размер
может производиться как по аттестованным кольцам, так и по блокам концевых мер
длины с боковиками.
Измерительные наконечники оснащены твердым
сплавом. Нутромер комплектуется измерительной головкой типа 2ИГ,
набором из шести измерительных стержней, тремя шайбами и двумя удлинителями.
Устройство и принцип работы
Нутромеры со стрелочной отсчетной
головкой. Нутромером со стрелочной отсчетной головкой называется накладной
прибор для измерения внутренних размеров, в котором перемещение измерительного
наконечника определяется с помощью стрелочной отсчетной головки (измерительной
головки).
Очень часто такие нутромеры называют
индикаторными, хотя это название не совсем точное, если учесть, что отсчетное
устройство у большинства нутромеров сменное и, помимо индикатора, можно
установить любое другое устройство с присоединительным цилиндром 8 мм, что
часто и делают.
В нутромерах с ценой деления 0,001 мм со
стрелочной отсчетной головкой перемещение измерительного наконечника
определяется с помощью стрелочной отсчетной головки (измерительной головки).
Индикаторные нутромеры с ценой деления
0,001 мм предназначены для измерений внутренних размеров методом сравнения с мерой.
Подвижный стержень 1 имеет скос под углом 45°. Перемещение стержня 1
через шарик 3 передается штоку 2 и измерительной головке 4. Центрирующий
мостик 5 аналогичен центрирующему мостику нутромера типа НИ-50.
Центрирующий мостик (рис. 1.1) служит для
совмещения линии измерения с диаметром изделия. Состоит из скобы 5 с
установленными на ее боковых сторонах роликами 3, вращающимися на осях,
закрепленных в скобе. Стакан 6 с расположенной в нем пружиной отжимает
скобу 5 таким образом, что она, поворачиваясь на оси 4, обеспечивает через
ролики 3 нормированную силу измерения. Перемещение измерительного, стержня 1
передается через, рычаг 7 штоку 2.
Рис. 1.1. Конструкция центрирующего мостика.
Принципиальная особенность, присущая
нутромерам, заключается в наличии устройства, предназначенного для обеспечения
расположения линии измерения в плоскости, проходящей через ось измеряемого
отверстия. Чаще всего это устройство называют центрирующим устройством или
более просто - мостиком. При наличии центрирующего устройства «поиск»
измеряемого диаметра необходимо производить только, покачивая нутромер в
плоскости, проходящей через ось, и находя минимальное значение размера.
Схема одного из возможных видов
центрирующего устройства приведена на (рис. 1.2, а). Это устройство
представляет собой планку (мостик), имеющую скругленные поверхности (опоры) 8,
с помощью которых планка контактирует с поверхностью измеряемой детали 11 Основное
требование к этой планке заключается в том, чтобы точки (опоры 8) контакта
поверхности мостика с деталью 11 были симметричны относительно линии измерения,
образуемой стержнями 1 и 2. Планка 9 под действием пружин 12 поджимается
к детали 11 При введении нутромера в деталь он базируется внутри
цилиндра с помощью трех точек - две точки (опоры 8) центрирующего
мостика и одна точка стержня 1. Эти три точки принадлежат вершинам
равнобедренного треугольника, а линия измерения совпадает с высотой этого
треугольника и ее продолжением.
Рис 1.2. Нутромер со стрелочной отсчетной
головкой и угловой передачей. а - схема; б - конструкция с индикатором часового
типа; в - конструкция рычажно-зубчатой головки.
В подавляющем большинстве нутромеров
используется именно такая трехточечная схема базирования (центрирования) при
разных конструктивных решениях, за исключением схемы шарикого нутромера.
Нутромеры различаются в основном
конструкцией устройства передачи перемещений измерительного наконечника на
отсчетное устройство, конструкцией центрирующего устройства. Используемые в
нутромерах отсчетные головки должны иметь обратную оцифровку шкалы, так как
опускание наконечника головки при измерении показывает увеличение размера.
Конструкция нутромера с угловым рычагом,
приведенная на рис. 1.2,б является типичным примером конструкции
нутромера с отсчетной головкой (индикаторного нутромера). Позиции на рис. 1.2,б
одинаковы с позициями, указанными на рис. 1.2, а. Размеры углового
рычага 3 обеспечивают передачу 1:1.Регулировка этой передачи осуществляется
поворотом эксцентриковой втулки 13, в которой установлен шарик.
Установку положения неподвижного при измерении стержня 1 производят
перемещением по резьбе с закреплением контргайкой 7. Измерительное
усилие нутромера создается с помощью измерительного усилия индикатора и
дополнительной пружины 5.
На рис. 1.2, в приведен
еще один нутромер с отсчетным устройством, который отличается конструкцией
центрирующего устройства. В этом нутромере (позиции совпадают с позициями, указанными
на рис. 1.2, а) центрирующее устройство выполнено в виде рычага 15, установленного
в корпусе на оси 14. Достоинством конструкции такого центрирующего
устройства является то, что опоры 8 при износе могут быть повернуты, а в
случае необходимости и заменены.
Подготовка нутромера к работе
· Ознакомиться с паспортом на нутромер.
· Удалить с наружных
поверхностей прибора и сменных измерительных стержней смазку чистой ветошью,
смоченной в бензине и протереть насухо.
· Закрепляют измерительную
головку в нутромере.
· Подбирают установочное
кольцо.
· Устанавливают нутромер
на номинальный размер по установочному кольцу. В зависимости, от конструкции
нутромера применяют различные действия в соответствии с инструкциями к
нутромерам. Последовательность настройки нутромера на заданный размер с помощью
установочного кольца следующая: поджав центрирующий мостик, нутромер вводят внутрь аттестованного
кольца соответствующего диаметра так, чтобы линия измерения совпала с диаметром
кольца. Наклоняя нутромер в вертикальной плоскости, фиксируют максимальное
отклонение большой стрелки нутромера, т.е. момент, когда стрелка изменяет
направление своего движения, при этом большая стрелка
индикаторной головки перемещается по часовой стрелке и в определенный момент
начнет перемещаться против часовой стрелки. Вращая за обод циферблата
индикаторной головки нулевую метку, необходимо совместить с тем положением, где
стрелка меняет направление движения на обратное. В этом положении
нутромера поворачивают шкалу индикатора до совпадения ее нулевого деления со
стрелкой и затягивают стопор. Устанавливают нутромер
на нуль: по установочному кольцу; для этого вводят нутромер в кольцо,
перемещают его, находят правильное положение и устанавливают отсчетную головку
на нуль или запоминают ее показание, чтобы шкала индикатора не
сместилась во время измерений. На этом настройка
нутромера на заданный размер завершается.
Порядок работы
Рис. 1.3 Настройка нутромера на размер
· Ввести нутромер в проверяемое отверстие и слегка
покачивая, определить максимальное показание индикатора. При измерении
отверстий малых диаметров, большой глубины и невозможности покачивания нутромер
следует слегка повернуть в обе стороны вокруг вертикальной оси. Разность между
максимальным показанием и нулевым отсчетом определяет отклонение
действительного размера требуемого значения.
· В процессе работы
необходимо периодически проверять нулевую установку нутромера.
· При измерении внутреннего размера, после настройки, нутромер
вводят в контролируемое отверстие изделия и повторяют операции, которые
выполнялись при настройке нутромера. Покачивая нутромер в вертикальной
плоскости, фиксируют наибольшее отклонение стрелки индикатора, которое
соответствует диаметру отверстия.
· При отсчете отклонений размера отверстия изделия от
номинального размера руководствуются следующим правилом. Отклонение от
номинального размера принимают со знаком «-» минус, если стрелка индикатора
перешла за нулевое деление. В этом случае диаметр отверстия меньше диаметра
аттестованного кольца. Отклонение от номинального размера принимают со знаком
«+» плюс, если стрелка индикатора не дошла до нулевого деления.
Значение отклонения подсчитывают умножением числа делений на цену
делений, равную 0,001 мм. Например, нутромер был настроен по аттестованному
кольцу на размер D=78 мм. При
измерении диаметра отверстия стрелка не дошла до нулевого штриха шкалы на 24
деления. Отклонение от нуля принимаем со знаком «+», плюс так как стрелка не
дошла до нуля. Отклонение ∆ = +24 × 0,001 мм = +0,024.
Действительный размер отверстия D + ∆
= 78+0,024 =78,024.
· При работе с нутромерами следует оберегать его от ударов,
влаги и масел.
Поверка нутромеров.
Поверка нутромеров в основном заключается в поверке точности механизма и
точности центрирования. Поверку наиболее полно производят по образцовым
кольцам. Более часто поверку нутромеров с отсчетным устройством производят по
набору концевых мер длины с боковиками и другими принадлежностями к концевым
мерам длины.
Некоторые типоразмеры проверяют на горизонтальном оптиметре или
измерительной машине. Для поверки нутромеров изготовляют различного рода
приспособления.
Для нутромеров предусмотрена поверка погрешности центрирования, которая
определяется по разности показаний нутромера при настройке на размер по блоку
концевых мер (центрирующее устройство не участвует) и измерении кольца того же
размера, что и блок (центрирующее устройство участвует). Обычно погрешность
центрирования нормируется величиной, не превышающей цены деления отсчетной
головки. Помимо точностных данных при поверке определяют величину
измерительного усилия измерительного стержня и усилия центрирующего устройства.
Индикатор часового типа с ценой деления 0,01 мм
(измерительные головки с зубчатым механизмом)
Индикаторы следует изготавливать с
диапазонами измерений: 0-2, 0-5, 0-10, 0-25 мм. Индикаторы с диапазоном измерения 0-2 мм следует
изготовлять двух исполнений:
ИЧ - с перемещением измерительного стержня параллельно шкале (рис. 2.);
ИТ - с перемещением измерительного стержня перпендикулярно шкале.
Индикаторы с другими диапазонами измерений следует изготовлять исполнения
ИЧ (рис.2.).
- корпус; 2 - циферблат; 3 - ободок; 4 - стрелка; 5 - указатель; 6 -
гильза; 7 - измерительный стержень; 8 - измерительный наконечник; 9- указатель
ноля.
Рис. 2 Схема индикатора часового типа
Стойки и штативы для измерительных головок
Стойки предназначены для закрепления головок при измерении
размеров деталей методом сравнения с ПКМД (мерой длины) и при контроле
отклонений формы и расположения поверхностей изделий, стойки изготовляют четырех типов: C-I, C-II, C-III и С-IV.
Они снабжены столом для установки на нем изделий и
предназначены для проведения точных измерений. Штативы применяют в цеховых
условиях для закрепления индикаторов часового типа.
В кронштейн встроен механизм микроподачи,
осуществляемой винтом 8. Например, стойка С-III (рис 2.1, в) предназначена
для закрепления в кронштейне 1 измерительных головок или индикаторов
часового типа 3 с присоединительным размером 8 мм. Колонка 2 -
цилиндрическая.
Рис. 2.1. Стойка C-III (в)
Штативы предназначены для закрепления
измерительных головок с ценой деления 0,01 мм. Они имеют основание (рис.2.2.,
а, б) с вертикально установленной колонкой 2, по которой возможно
перемещение муфты 3 со стержнем 4 и с закреплённой на его конце
измерительной головкой 5. Штатив типа Ш-II имеет устройство (винт 6
микроподачи) для тонкой установки головки на размер. Для поднятия головки
микровинт вращают по часовой стрелке, а для опускания - против. Штативы с
магнитным основанием отличаются от штативов других типов постоянными магнитами,
встроенными в основания штативов. Посредством этих магнитов штативы
удерживаются на стальных и чугунных изделиях без дополнительного их
закрепления. Включение магнитов в основании штатива проводится рычагом 7.
Рисунок 2.2. Штативы типа ШМ-II (а), Ш-II (б)
и примеры закрепления в них индикаторов часового типа (в)
Индикаторы часового типа с ценой деления 0,01 мм
являются наиболее распространенными измерительными головками. Они предназначены
для использования в цеховых условиях при выполнении операций
технологических процессов изготовления, сборки и испытания изделий. Индикаторы
часового типа выпускают двух исполнении типа ИЧ - с перемещением стержня
параллельно шкале и типа ИТ - с перемещением измерительного стержня перпендикулярно
шкале .
По исполнению корпуса индикаторы часового
типа подразделяют на: обыкновенные, брызгозащищенные и пылезащищенные. При
обыкновенном исполнении механизм индикатора защищен от загрязнений и
механических повреждений.
Брызгозащищенное исполнение обеспечивает
защиту индикатора от попадания в механизм брызг во время нахождения индикатора
в брызгонесущей среде. Пылезащищенное исполнение предохраняет механизм
индикатора от проникновения пыли во время его пребывания 6 среде с повышенной
концентрацией пыли.
На лицевой стороне индикаторов часового
типа имеются две шкалы: большая шкала 1 (рис. 2.3, а) с нанесенными на
ней 100 делениями с ценой деления 0,01 мм и малая шкала 3 с
миллиметровыми делениями. Перемещение измерительного стержня 5 на величину,
равную 1 мм, вызывает поворот большой стрелки 2 на 360º (полный оборот) и малой стрелки 4 на одно деление, т.е. на 1
мм. При настройке индикатора на размер шкала / может быть повернута от руки и
закреплена в требуемом положении с помощью стопора 6.
Измерения с помощью индикатора основаны на
преобразовании рычажно-зубчатой передачей линейных перемещений измерительного
стержня 5 в угловые перемещения стрелок 2 и 4 относительно их
шкал. На измерительном стержне 5 нарезаны зубья рейки 3 (рис.
2.3, в), находящейся в зацеплении с зубчатым колесом z1 = 16, на одной оси с
которым размещен зубчатое колесо z2 =100 большего диаметра.
Рис 2.3. Рычажно-зубчатые индикаторы типа: ИЧ (а и в); ИТ (б);
ИРБ (г и е); ИРТ (д)
От этого колеса вращение передается
центральному зубчатому колесу z3= 10, на одной оси с которым укреплена большая
стрелка 2, расположенная над шкалой. С центральным зубчатым колесом
находится в зацеплении второе большое зубчатое Колесо z4=100. К оси этого колеса
одним концом присоединена спиральная пружина 4, второй конец которой
закреплен на корпусе индикатора. Пружина обеспечивает работу зубчатых колес по
одной стороне профиля, уменьшая тем самым влияние зазоров в зубчатых парах на
погрешность измерений. На оси второго зубчатого колеса z4 укреплена стрелка
миллиметровой шкалы индикатора.
Индикатор часового типа применяют для
измерения размеров, отклонений формы и расположения поверхностей в стойке,
штативе или специальном приспособлении. Измерения проводят абсолютным
(непосредственной оценки) и относительным (сравнения с мерой) методами.
Абсолютные измерения размеров, как и измерения отклонений формы и расположения,
поверхностей могут быть проведены в пределах диапазона измерений индикатора, т.
е. в пределах: 0-2 мм (индикатором ИЧ2); 0-5 мм (индикатором ИЧ5) и 0-25 мм
(индикатором ИЧ25).
При измерении абсолютным (непосредственной
оценки) методом кронштейн с индикатором опускают по колонке стойки до
соприкосновения измерительного наконечника со столом. Измерительному стержню
сообщают натяг, равный 1 мм (малая стрелка 4 индикатора должна
находиться на отметке 1). Большая стрелка 2 при этом должна быть на
нулевой отметке. При необходимости следует освободить стопор 6 (см. рис.
2.3, а), и повернуть шкалу / до совпадения нулевой отметки со стрелкой 2
индикатора. Приподняв измерительный стержень 5 устанавливают на стол стойки
измеряемое изделие и опускают стержень. Под воздействием пружины 6 (см.
рис. 2.3, е) стержень 5 опустится (переместится) до
соприкосновения с изделием. Результат измерений отсчитывают по малой шкале 3
(вычитая ранее созданный натяг 1 мм) и по круговой шкале 1, каждое
деление которой соответствует 0;01 мм.
Например, по малой шкале снят отсчет 2 мм,
а по большой 4-10 делений. Результат измерения А = (2-1) + 10·0,01
= 1 + 0,1 = 1,1 мм.
При измерении размеров относительным
(сравнения с мерой) методом по значению номинального размера изделия составляют
блок 4 ПКМД, который устанавливают на стол 6 (см. рис. 2.3, ж)
стойки. При необходимости кронштейн 2 с индикатором 3 поднимают
и закрепляют его винтом 5. Индикатору 3 сообщают натяг 1 мм, после чего
устанавливают большую стрелку на нулевую отметку. Измерительный стержень
индикатора поднимают и заменяют блок 4 ПКМД соответствующим измеряемым
изделием. Измерительный стержень опускают и фиксируют результат измерений.
В процессе измерения изделия
цилиндрической формы его необходимо перемещать по столику, чтобы найти
наибольшее отклонение стрелки индикатора часовом типа.
Действительный размер изделия равен номинальному размеру
блока ПКМД. сложенному с показаниями по шкале индикатора с учетом знака «+» или
«-» отклонения от нулевой отметки шкалы индикатора.
Подготовка к выполнению измерений
Перед началом измерений слегка смоченной в бензине тканью удалить смазку
с индикатора, затем протереть его сухой тканью. Особенно тщательно следует
протирать измерительную поверхность шарика.
При подготовке к выполнению измерений проводят следующие работы:
§ подготавливают блок из концевых мер длины;
§ закрепляют индикатор в стойку;
§ устанавливают индикатор на нуль. Для этого:
a) устанавливают блок концевых мер на середину столика стойки.
Затем опускают кронштейн до касания измерительного наконечника индикатора
с поверхностью концевых мер;
b) устанавливают концевые меры серединой измерительной поверхности
под наконечником индикатора (следует сообщить измерительному стержню натяг не
менее 0,15 мм), а затем устанавливают стрелку индикатора против нуля,
поворачивая ободок;
c) проверяют правильность установки на нуль. Для этого арретируют
измерительный стержень индикатора (поднимают 2-3 раза на высоту 2-3 мм и
отпускают его), снимают концевые меры, затем снова устанавливают их на столик и
плавно опускают измерительный стержень индикатора. В этом положении стрелка
должна стать снова на 0.
Выполнение измерений
При выполнении измерений наружного диаметра выполняют
следующие операции: после настройки на нуль измерительный стержень индикатора
поднимают и заменяют блок ПКМД соответствующим измерительным изделием.
Измерительный стержень опускают и фиксируют результат измерений.
Во время измерений необходимо соблюдать ряд требований:
1) нельзя поворачивать индикатор, когда он закреплен в державке, за
гильзу;
2) измеряемое изделие должно быть чисто протерто легкой
льняной тканью, т.к. малейшее присутствие воды, масла и т.п. приводит к
искажению показаний;
3) нельзя допускать попадания на индикатор эмульсии или
масла;
) нельзя подвергать индикатор встряхиванию и ударам;
) нельзя производить резких толчков на измерительный
стержень в направлении его хода и особенно в конце хода.
Поверка индикатора
Поверку производят обычно с помощью концевых мер длины. Широко используют
также для поверки индикаторов микрометры, у которых вместо пятки делают
державку для установки индикатора.
Для поверки индикатора используют также и оптические приборы (микроскоп,
длинномер и т.п.), которые имеют оптические шкалы. Принцип поверки с помощью
этих приборов заключается в сравнении показаний по индикатору и показаниями по
оптической шкале.
Машина измерительная (ИЗМ)
Измерительная машина используется для измерения наружных
и внутренних линейных размеров.
Проводится прямое измерение размера контролируемой
детали или сравнение размера контролируемой детали с заранее известным размером
образцовой детали. Трубка оптиметра является отсчетным устройством в
измерительной машине.
Технические характеристики
|
Диапазон
измерений
|
0-1000
|
|
Цена деления,
мм - биссекторной шкалы - стомиллиметровой шкалы - трубки оптиметра
|
100 0,1 0,001
|
|
Допускаемая
погрешность, мм - биссектроной шкалы - стомиллиметровой шкалы - трубки
оптиметра
|
±0,552 ±0,84 не более ±0,2
|
Принцип действия
Для контроля сложных корпусных деталей, точных измерений больших
длин, расстояний между осями отверстий и в других случаях применяют
измерительные машины. Измерительная однокоординатная машина типа ИЗМ (рис. 3,
а, б) имеет жесткую станину 9, по направляюшим которой могут перемещаться
пинольная I и измерительная 5 бабки. Пинольная бабка I с
установленной в ней трубкой 2 может перемещаться в пределах всей длины
направляющих станины 9, а измерительная бабка 5 с оптиметром 6 и отсчетным
микроскопом 7 - только в пределах 100 мм. Предварительно измерительную бабку
устанавливают с помощью реечной передачи, а точно - микрометрическим винтом 8.
К обеим бабкам на кронштейнах 11 и 17 присоединены две одинаковые
оптические системы, состоящие из призм 12 и 16 и объективов 13 и 15,
которые перемещаются вместе с бабками.
На станине 9 находится дециметровая шкала, на которой
через каждые 100 мм (т. е. через каждый дециметр) расположены отдельные
стеклянные пластины 14 с нанесенными на них двойными штрихами с цифрой.
Если верхний предел измерений машины равен 1000 мм (ИЗМ-1), то таких
дециметровых интервалов будет девять, т. е. до полного верхнего предела
измерений не хватает одного дециметра. Недостающий дециметр заменяет стеклянная
шкала 10 длиной 100 мм с ценой деления 0,1 мм. В пинольной бабке
смонтирована низковольтная лампа накаливания 18, служащая для освещения
стеклянных пластин 14, над которыми устанавливают бабку. Лучи света,
освещающие пластину со штрихами, отражаются в призме 16 в горизонтальном
направлении и, пройдя через объектив 15, идут параллельным пучком.
Объектив 13 собирает параллельный пучок лучей, который, отразившись в
призме 12, дает в плоскости стеклянной шкалы 10 изображение
двойного штриха и номера стеклянной пластины 14, которые вместе с
делениями шкалы 10 наблюдаются в поле зрения микроскопа 7. Для установки
измеряемых объектов на машине служат регулируемые люнеты 3 (для длинных
деталей) и универсальный столик 4 (для коротких деталей).
Перед измерением пинольную бабку помещают над той
стеклянной пластиной, которая соответствует числу целых сотен миллиметров,
содержащихся в размере. Измерительную бабку отодвигают вправо и на люнетах или
универсальном столике помещают измеряемый объект. После этого измерительную
бабку придвигают до контакта наконечника оптиметра с измеряемым объектом и последний
выравнивают по линии измерения. После выравнивания объекта измерительную бабку
перемещают микрометрическим винтом 8 до совмещения изображения двойного
штриха с ближайшим штрихом шкалы 10. Отсчет по микроскопу и оптиметру
при установке машины на нуль показан на рис. 3., в. Измеренный размер
равен сумме отсчетов сотен миллиметров по двойному штриху, десятков, единиц и
десятых долей миллиметра - по стомиллиметровой шкале 10, сотых и
тысячных долей миллиметра - по шкале оптиметра (с учетом знака). На рис. 3., г
отсчет равен 562,195 мм.
а - общий вид; б - схема; в - нулевой отсчет при
настройке; г - отсчет при измерении продукции.
Рисунок 3. Измерительная машина
Условия поверки и подготовка к ней
При проведении поверки должны быть соблюдены следующие
условия:
· Температура помещения, в котором
проводят поверку машин, должна быть 20± ГС при относительной влажности воздуха,
не превышающей 80%.
· Изменение температуры воздуха в
помещении в течение часа и разность температур машины н меры, применяемой при
поверке, должна быть не более 0,1°С.
Если пределы измерения машины превышают 1 м» то для
измерения температуры воздуха применяют три термометра, располагай их над
машиной у ее начала, конца и середины.
Перед поверкой машина и средства поверки должны быть
приведены в рабочее состояние в соответствии с документацией по эксплуатации и
выдержаны в помещении, где проводит поверку, не менее 10 ч. Образцовые концевые
меры длины следует располагать на станине поверяемой машины или «на
металлической плите».
Проведение поверки
1.Внешний осмотр.
При внешнем осмотре должно быть установлено
соответствие машины следующим требованиям: на наружных поверхностях машины не
должно быть следов коррозии и механических повреждений, влияющих па эксплуатационные
свойства; надписи и штрихи должны быть выполнены четко, не должно наблюдаться
искривления изображений штрихов;
штрихи и цифры метровой и стомиллиметровой шкал должны
быть видимы резко и отчетливо в пределах 0.5 мм от центра поля зрения; о остальной
части поля зрения допускается менее резкое изображение штрихов;
в поле зрения не должно быть рефлексов и бликов,
мешающих отсчету и наблюдению; на любом участке шкалы черная ахроматическая
полоса интерференции белого света должна быть прямолинейной и параллельной
штрихам шкалы (в случае, когда в комплект машины входит дополнительная бабка с
трубкой контактного интерферометра). При начальном положении измерительного
стержня трубки интерферометра черная ахроматическая полоса должна быть вне
шкалы, а цветные полосы интерференции белого света должны быть видны в поле
зрения. При установке окуляра на резкое изображение шкалы изображение черной
ахроматической полосы также должно быть резким.
. Опробование.
При опробовании проверяют взаимодействие узлов машин.
· При установке индексов обеих бабок по
штрихам наружных вспомогательных шкал соответствующие им изображения штрихов
сто миллиметровой и метровой шкал должны наблюдаться в середине поля зрения
микроскопа. Допускается отклонение от середины поля зрения ±0.3 мм.
· освещенность поля зрения микроскопа
должна быть равномерной на интервалах шкалы до 2000 мм. При установке
ли-вольной бабки на размер свыше 2000 мм допускается потемнение по краям поля
зрения, не превышающим 0,5 ым на участке шкалы до 3000 ым к 0,7 мм на участке
шкалы 3000-4000 мм.
· Винт микрометрической подачи пиноли
должен вращаться без ощутимого люфта на всем пределе его рабочего хода и
обеспечивать равномерное и плавное осевое перемещение измерительного
наконечника, а также плавное перемещение шкалы измерительного устройства в обе
стороны (при контакте наконечников обеих бабок и т.д.
. Определение метрологических параметров
· Измерительные наконечники машин
проверяют методами, указанными в ГОСТ1007-66.
· При периодической поверке машин проверяют
надежность крепления наконечников и отсутствие дефектов на измерительных
поверхностях. Измерительные наконечники должны соответствовать требованиям,
указанным в ГОСТ 11007-66 для наконечников 1-го класса.
· Измерительное устройство с окулярным
отсчетом проверяют методами, указанными в ГОСТ 8.270-77 и т.д.
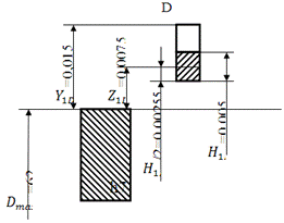
1.3
Разработать принципиальную схему измерительного устройства для контроля
отклонений формы и расположения поверхностей (лист 2)
Радиальное биение - это разность ∆ наибольшего и наименьшего расстояний
от точек реального профиля поверхности вращения до базовой оси в сечении,
перпендикулярном базовой оси.
Обозначение допуска радиального биения
Принцип действия:
С помощью двух призм зажимаем измеряемый объект (вал); далее т.к. у нас
задний кронштейн на «ползунках», то производим настройку на длину вала. После
того как, вал у нас жестко закреплен, очень осторожно подводим измерительную
головку до соприкосновения с измеряемым объектом. С помощью маховичка производим
плавное вращение по часовой стрелки (или против). Втулки позволяют нам более
плавно и без погрешностей производить вращение. Наибольшее отклонение стрелки
измерительной головки показывает mах
величину отклонения радиального биения. Все это крепиться на плите с помощью
болтов и винтов.
2.
Методы и средства неразрушающего контроля
2.1
Рассчитать исполнительные размеры калибров для контроля шлицевого соединения с
прямобочным соединением
и описать
принцип контроля. Вычертить схему расположения полей допусков и общие виды
калибров
Шлицевые соединения используются при необходимости передачи больших
крутящих моментов, обеспечения большого сопротивления усталости, а также
обеспечения высокой точности центрирования и направления. В зависимости от
профиля зубьев шлицевые соединения делятся на прямобочные, эвольвентные и
треугольные.
Центрирование по боковым сторонам зубьев используется при передачи
знакопеременных нагрузок, больших передаточных нагрузок и при реверсивном
движении. При данном методе обеспечивается наибольшее равномерное распределение
нагрузки между зубьями, однако не обеспечивается высокая точность
центрирования.
Различают шлицевые соединения с прямым и эвольвентным
профилем зуба. Для шлицевых прямобочных соединений предусмотрено три вида
центрирования: по наружному диаметру D (рис. 4., б); по внутреннему диаметру d (рис. 4., в) и по
боковым поверхностям зубьев b (рис. 4., г). На чертежах эти соединения
показывают условным обозначением вида центрирования и полей допусков после
номинальных размеров.
Рис 4. Схемы центрирования шлицевого прямобочного соединения. (б-по D; в-по d; г-по b).
Для контроля размеров шлицевой втулки и
шлицевого вала применяют поэлементные и шлицевые комплексные калибры.
Комплексными калибрами контролируют не только размеры шлицевых валов и втулок,
но и отклонения расположения поверхностей и формы.
Шлицевый калибр - пробка с помощью
направляющих вводится в отверстие контролируемой шлицевой втулки. Втулка годна,
если калибр - пробка входит в отверстие шлицевой втулки.
Шлицевый калибр - кольцо имеет
гладкую направляющую и шлицевую части. Калибр - кольцо на контролируемый вал
надевают гладкой направляющей частью. Вал годен, если кольцо проходит по
шлицевому валу.
1. Расчет исполнительных размеров шлицевого комплексного
калибра - пробки для контроля шлицевой втулки
1.1 По ГОСТ 25347-82 определяем предельные отклонения параметров
шлицевой втулки.
d=56
;
.
Найдем
предельные размеры шлицевой втулки (мм):
мм;
мм;
мм;
мм.
По
ГОСТ 7951-80 «Калибры для контроля шлицевых прямобочных соединений» определяем
допуски и величины на исполнительные размеры шлицевого калибра-пробки:
мм,
мм, Yb=0,018мм,
мм,
мм, YD=0,015мм.
Тогда
исполнительные размеры шлицевого калибра-пробки (мм):
Наружный
диаметр:
;
Рис.
5. Поле допуска диаметра
калибра
- пробки
Внутренний
нецентрирующий диаметр:
;
Толщина
зуба:
;

=
Рис.
6. Поле допуска размера
калибра
- пробки
Рис.
7. Нецентрирующий диаметр
.
Расчет исполнительных размеров комплексного калибра - кольца для контроля
шлицевого вала
2.1 По ГОСТ 25347-82 найдем предельные отклонения параметров
шлицевого вала (в мм):
;
Найдем
предельные размеры шлицевого вала (мм):
мм;
мм
мм.
мм
По
ГОСТ 7951-80 «Калибры для контроля шлицевых прямобочных соединений» определяем
допуски и величины на исполнительные размеры шлицевого калибра-кольца:
мм,
мм, Y1b=0,018мм,
мм,
мм, Y1D=0,015мм.
Тогда
исполнительные размеры шлицевого калибра-пробки (мм):
Наружный
диаметр:
мм;
мм
мм
мм
Внутренний
диаметр:
мм;
Рис.
7. Поле допуска диаметра
калибра
- кольца
Толщина
зуба:
мм;
мм;
мм;
мм.
Рис.8.
Поле допуска диаметра
калибра
- кольца
Рис.
9. Нецентрирующий диаметр
Для
шлицевых прямобочных соединений предусмотрено три вида центрирования: по
наружному диаметру D, по внутреннему диаметру d и по
боковым поверхностям зубьев b.
Для
контроля размеров шлицевой втулки и шлицевого вала применяют калибры. Шлицевой
калибр-пробка с помощью направляющих вводится в отверстие контролируемой
шлицевой втулки. Втулка годна, если калибр-пробка входит в отверстие шлицевой
втулки.
Шлицевой
калибр-кольцо имеет гладкую направляющую и шлицевую части (лист 2).
Калибр-кольцо на контролируемый вал надевают гладкой направляющей частью. Вал
годен, если кольцо проходит по шлицевому валу.
Схемы
расположения полей допусков для шлицевых комплексных проходных калибров-пробок
и калибров-колец показаны на листе 2.
Запишем отклонения поля допуска калибра-пробки, калибра - кольца в
таблицу 12.
Таблица 12
|
H7
|
ESD =+0,03
|
h7
|
esD=0
|
|
|
EID =0
|
|
eiD=-0,03
|
|
F8
|
ESb =+0,035
|
f7
|
esb=-0,013
|
|
|
EIb =+0,013
|
|
eiD=-0,028
|
2.2 Выбрать
методы и средства контроля дефектов в деталях типа «корпус» и типа «вал»
Материал детали типа «корпус» - чугун СЧ. Виды дефектов: трещины
водородные, волосовины.
Типа «вал» сталь Ст, виды дефектов: флокены.
Таблица 13
|
Тип детали
|
Вид дефекта
|
Методы неразрушающего
контроля
|
|
Корпус
|
волосовины
|
Магнитный (5)
|
|
|
|
Вихретоковый(3)
|
|
|
трещины водородные
|
Магнитный(5)
|
|
|
|
Вихретоковый (5)
|
|
|
|
Капиллярный (5)
|
|
|
|
Тепловой(5)
|
|
|
|
Акустический (5)
|
|
|
|
Радиоволновой (5)
|
|
Вал
|
флокены
|
Тепловой (4)
|
|
|
|
Радиоволновой (4)
|
Рассмотрим Акустический и Радиоволновой методы неразрушающего контроля.
2.3
Функциональные (структурные) схемы приборов НК
2.3.1 Акустический
метод НК
Акустический НК- это вид НК, основанный на регистрации параметров упругих
волн, возбуждаемых или возникающих в контролируемом объекте.
Классификация методов
контроля
Известно много акустических методов
неразрушающего контроля, некоторые из которых применяются в нескольких
вариантах. Классификация акустических методов показана на рис. 10. Их
делят на две большие группы - активные и пассивные методы.
Активные методы основаны на излучении и
приеме упругих волн, пассивные - только на приеме волн, источником которых
служит сам контролируемый объект.
Рис.10 Классификация акустических методов
контроля
Исторически методы прохождения применяли
только для обнаружения несплошностей, меняющих параметры сквозного сигнала
вследствие образования за дефектом акустической тени. Поэтому их называли
«теневыми». Однако затем эти методы начали использовать для контроля прочности,
пористости, структуры и других параметров материала, не связанных с наличием
тени. Поэтому теневой метод - частный случай метода прохождения.
Рис. 11 Методы прохождения: а - теневой; б - временно-теневой; в
- велосиметрический; 1-генератор; 2 - излучатель; 3- объект контроля; 4-
приемник; 5- усилитель; 6 - измеритель амплитуды; 7- измеритель времени
пробега; 8 измеритель фазы
К методам прохождения относят:
· амплитудный теневой метод, основанный на регистрации
уменьшения амплитуды волны, прошедшей через контролируемый объект, вследствие
наличия в нем дефекта (рис. 11, а);
· временной теневой метод, базирующийся на регистрации
запаздывания импульса, вызванного увеличением его пути в изделии при огибании
дефекта (рис. 11,6); тип волны при этом не меняется;
• Велосиметрический метод, основанный
на регистрации изменения скорости распространения дисперсионных мод упругих волн
в зоне дефекта и применяемый при одностороннем и двустороннем доступе к
контролируемому объекту (рис. 11, в). В этом методе обычно используют
преобразователи с сухим точечным контактом. Дефекты отмечаются по изменению
фазы или увеличению времени прохождения (только в импульсном варианте) по
контролируемому изделию.
В методах отражения используют как один, так
и два преобразователя; применяют импульсное излучение. К этой подгруппе относят
следующие методы дефектоскопии.
Рис. 12 Методы отражения.a - эхо; б - эхо-зеркальный; в - дельта-метод; г -
дифракционно-временной; д - реверберационный; 1 - генератор; 2 - излучатель; 3
- объект контроля; 4 - приемник; 5 - усилитель; 6 - синхронизатор; 7 -
индикатор.
Эхо-метод (рис. 12, а) основан
на регистрации эхо-сигналов от дефекта. На экране индикатора обычно наблюдают
посланный (зондирующий) импульс /, импульс ///, отраженный от противоположной
поверхности (дна) изделия (донный сигнал) и эхо-сигнал от дефекта //. Время
прихода импульсов // и /// пропорционально глубине залегания дефекта и толщине
изделия. При совмещенной схеме контроля (рис. 12, а) один и тот же
преобразователь выполняет функции излучателя и приемника. Если эти функции
выполняют разные преобразователи, то схему называют раздельной.
Эхо-зеркальный метод основан на анализе
сигналов, испытавших зеркальное отражение от донной поверхности изделия и
дефекта, т.е. прошедших путь ABCD (рис. 12, б). Вариант
этого метода, рассчитанный на выявление вертикальных дефектов в плоскости EF, называют методом тандем.
Для его реализации при перемещении преобразователей А и D поддерживают постоянным
значение 1А + lD = 2Н tga ; для получения
зеркального отражения от невертикальных дефектов значение lA + lD варьируют.
Один из вариантов метода, называемый «косой
тандем», предусматривает расположение излучателя и приемника не в одной
плоскости (рис. 12, б, вид в плане внизу), а в разных плоскостях, но
таким образом, чтобы принимать зеркальное отражение от дефекта.
Конструкции преобразователей
Пьезоэлектрический
преобразователь (ПЭП) - устройство, предназначенное для преобразования электрической
(акустической) энергии в акустическую (электрическую). Принцип работы
преобразователя основан на использовании пьезоэлектрического эффекта.
Наиболее широкое применение в
ультразвуковой дефектоскопии получили контактные преобразователи. Конструкции
основных типов преобразователей приведены на рис. 13. Пьезопластина 1 в
контактном прямом совмещенном пьезопреобразователе (рис. 13, а) приклеена
или прижата с одной стороны к демпферу 2, с другой - к протектору 3.
Рис.13.
Конструкции пьезопреобразователей:
а - прямого; б - наклонного; в -
раздельно-совмещенного
Пьезопластину, демпфер и протектор,
склеенные между собой, называют вибратором. Вибратор размещен в корпусе 6.
С помощью выводов 7 пьезопластину соединяют с электронным блоком
дефектоскопа. Контактная жидкость (смазочный материал) 4 обеспечивает
передачу упругих колебаний ультразвуковой частоты преобразователя к
контролируемому изделию 5 и наоборот.
Прямые преобразователи предназначены для
возбуждения продольных волн. В контактных наклонных совмещенных
преобразователях (рис. 13, б) для ввода ультразвуковых колебаний под
углом к поверхности контролируемого изделия применяют призму 8. Эти
преобразователи предназначены для возбуждения в основном сдвиговых (поперечных)
и поверхностных волн, а также продольных волн, наклонных к поверхности
контролируемого объекта.
Вибратор контактных раздельно-совмещенных
преобразователей (рис. 13, в) состоит из двух призм 8 с
приклеенными к ним пьезопластинами /, которые разделены электроакустическим
экраном 9. Он служит для предотвращения прямой передачи сигналов от излучающей
пьезопластины, подключенной к генератору, к приемной пьезопластине,
подключенной к усилителю электронного блока дефектоскопа.
Пьезопластина обычно имеет толщину,
равную половине длины волны ультразвука в пьезоматериале на рабочей частоте.
Противоположные поверхности пьезопластины
покрыты металлическими (обычно серебряными) электродами для приложения
электрического поля. Во избежание пробоя область по краям пластины не
металлизируют. Формой электродов определяются работающие участки пьезопластины.
На высоких частотах (20 ... 30 МГц) присоединенная масса электродов смещает
резонансную частоту пьезопластины в область более низких частот.
Демпфер служит для ослабления
свободных колебаний пьезопластины, управления добротностью преобразователя и
защиты пьезопластины от механических повреждений. Материал и форма демпфера
должны обеспечивать достаточное затухание и отвод колебаний, излученных
пьезопластиной в материал демпфера без возвращения их к пластине. Ослабление
колебаний пьезопластины тем сильнее, чем лучше согласованы характеристические
импедансы материалов пьезопластины и демпфера.
Демпферы обычно изготавливают из
искусственных смол (эпоксидных) с добавками порошковых наполнителей с высокой
насыпной плотностью, необходимой для получения требуемого характеристического
импеданса. Для уменьшения многократных отражений демпфер выполняют в виде
конуса, либо тыльную поверхность демпфера выполняют непараллельной
пьезопластине. либо в материал демпфера вводят рассеиватели.
Протектор служит для защиты
пьезопластнны от механических повреждений и воздействия иммерсионной или
контактной жидкости, согласования материала пьезопластины с материалом
контролируемого изделия или средой, улучшения акустического контакта при
контроле контактным способом. Материал протектора должен обладать высокой износостойкостью
и высокой скоростью звука, которая определяет необходимую толщину. Последняя
обычно выбирается равной 0.1…0,5 мм. Для изготовления протекторов применяют
кварц, сапфир, бериллий, сталь, твердые сплавы, керамику, а также материалы на
основе эпоксидных смол с порошковыми наполнителями (кварцевый песок, корундовый
порошок) и т.п.
Для обеспечения стабильности акустического
контакта протектор делают из эластичного материала с большим затуханием
ультразвука и волновым сопротивлением, близким к сопротивлению контактной
жидкости, например из пленки полиуретана. Такой протектор облегает неровности
поверхности изделия и способствует устранению интерференции в слое контактной
жидкости, т.е. основной причины нестабильности контакта.
Для улучшения передачи ультразвука от пьезопластины в иммерсионную
жидкость используют четвертьволновые протекторы, обеспечивающие просветление
границы пьезопластина - жидкость.
Призму изготовляют
обычно из материала с небольшой скоростью звука (оргстекло, капролон,
поликарбонат, полиамидоимид, деклон, эпоксидные компаунды), что позволяет при
относительно небольших углах падения
получать углы преломления
до 90°. Высокое затухание ультразвука в призме обеспечивает
ослабление не вошедшей в изделие волны, которое увеличивается в результате
многократных отражений. Для улучшения этого эффекта в призме часто
предусматривается ловушка, удлиняющая путь отраженных колебаний. На пути этих
колебаний располагают зоны небольших отверстий, грани призмы выполняют
ребристыми или приклеивают к ним материалы с приблизительно одинаковым
характеристическим импедансом, но со значительно большим затуханием. вал корпус деталь устройство
Для того чтобы в изделие проходили волны только одного типа, угол
падения (наклона призмы) делают либо небольшим (при этом поперечные волны
практически не возбуждаются), либо в интервале между первым и вторым
критическим углами. В этом случае при переходе из призмы в изделие излучаемые
пьезопластиной продольные волны трансформируются в поперечные.
В раздельно-совмещенных преобразователях призма должна
удовлетворять дополнительным требованиям. Например, в толщинометрии важно,
чтобы время прохождения колебаний сквозь призму не зависело от температуры,
поэтому в этом случае призму изготовляют, например, из плавленого кварца,
имеющего малые температурные коэффициенты линейного расширения и изменения
скорости ультразвука.
Корпус служит
для обеспечения прочности конструкции, а также для экранирования от
электромагнитных помех, поэтому корпус из пластмассы металлизируют.
Электрические контакты выполняют пайкой легкоплавкими припоями, особенно на
пьезокерамических пластинах, во избежание их располяризации. Для соединения
преобразователя с электронным блоком дефектоскопа применяют максимально гибкий
кабель (микрофонный или коаксиальный). Часто для согласования с электронным
блоком дефектоскопа внутри корпуса преобразователя размещают трансформатор,
катушку индуктивности, резистор, а иногда и предварительный усилитель.
Ультразвуковой эхо-метод
Ультразвуковой
эхо-дефектоскоп.
Ультразвуковой эхо-дефектоскоп
предназначен для обнаружения несплошностей и неоднородностей в изделии,
определения их координат и размеров и характера путем излучения импульсов
ультразвуковых колебаний, приема и регистрации отраженных от неоднородностей
эхо-сигналов.
Рис. 14 Структурная схема
эхо-дефектоскопа.
Преобразователь 2 служит для преобразования
электрических колебаний в ультразвуковые, излучения УЗ-полей в изделие, приема
эхо-сигналов от отражающих поверхностей в изделии 1.
Синхронизатор 3 обеспечивает
синхронную работу узлов дефектоскопа, запуская генератор 4 импульсов
возбуждения преобразователя, глубиномер 12, а также генератор развертки 10.
Роль синхронизатора иногда выполняет генератор зондирующих импульсов.
Генератор 4 импульсов возбуждения
преобразователя вырабатывает высокочастотные электрические импульсы,
возбуждающие преобразователь. Обычно генерируются ударные экспоненциально
затухающие импульсы, хотя энергетически более рациональной их формой является
колоколообразная. В некоторых приборах регулируются амплитуда и длительность
генерируемых импульсов.
Приемно-усилительный
тракт
состоит
из усилителя высокой частоты (УВЧ) 6, детектора 7 и видеоусилителя 5. УВЧ
выполняется апериодическим (широкополосным) или резонансным. Коэффициент
усиления УВЧ во времени регулируется напряжением, подаваемым с блока 9
временной автоматической регулировки усиления (ВАРУ). На входе
(или вблизи входа) усилителя включают калибровочный аттенюатор 5 для
относительного измерения амплитуд эхо-сигналов.
Детектор или видео усилитель обычно
снабжают регулируемой отсечкой шумов, исключающей прохождение на выход дефектоскопа
сигналов небольшой амплитуды (в том числе шумов). Во многих приборах детектор
можно отключать, чтобы на экране 14 наблюдать истинную форму принимаемых
импульсов.
Блок временной
автоматической регулировки усиления (ВАРУ) уменьшает коэффициент усиления усилителя в
момент излучения кодирующего импульса, а затем восстанавливает его по
определенному закону, обеспечивающему компенсацию уменьшения амплитуд с
увеличением глубины залегания дефекта. Его также называют блоком временной
регулировки чувствительности (ВРЧ). Но многих приборах система ВАРУ приближенно
обеспечивает постоянство предельной чувствительности по глубине.
Генератор развертки 10 предназначен для
формирования напряжения развертки луча на экране 14, получения импульсов
подсвета и селектирующих импульсов (длительность развертки и селектирующего
импульса выбирают с учетом толщины контролируемого слоя).
Рис. 15 Развертка дефектоскопа
1.
Горизонтальная
развертка типа А (рис. 15, а) синхронизирована с перемещением импульса в
изделии. Отклонение луча в вертикальном направлении пропорционально амплитуде
принятого эхо-сигнала. Сигнал 1 соответствует зондирующему импульсу,
сигнал 2 - донному сигналу; между ними располагается эхо-сигнал 3 от
дефекта.
2.
Если
часть пути ультразвука проходит по неконтролируемой среде, например
иммерсионной жидкости, то начало развертки задерживается на постоянный интервал
времени или она запускается начальным сигналом 4,отраженным от
поверхности изделия (рис. 15, б). Задержанная развертка применяется
также для увеличения масштаба изображения некоторого участка экрана ЭЛТ («лупа
времени»). Штриховыми линиями изображены сигналы, которые при правильной
настройке не видимы на экране ЭЛТ. К ним относится, например, импульс 5,
соответствующий двукратному прохождению УЗК в иммерсионной жидкости.
3.
Развертка
типа В (рис. 15, в) представляет собой сечение контролируемого изделия.
Отклонение луча по вертикали пропорционально времени пробега импульса в
изделии, отклонение по горизонтали - перемещению искателя по поверхности
изделия. Принятые начальный 4 и донный 2 импульсы и эхо-сигнал 3
от дефекта управляют подсветкой луча ЭЛТ. Развертка может быть получена
только на ЭЛТ с послесвечением или на самописце.
4.
Развертка
типа С (рис. 15, г) представляет план участка изделия. Вертикальное и
горизонтальное отклонения луча соответствуют перемещению искателя в двух
направлениях по поверхности изделия. Эхо-сигналы 3 от дефектов управляют
подсветкой луча ЭЛТ. Развертка может быть получена на ЭЛТ с длительным
послесвечением.
В ряде случаев функции генератора
развертки и глубиномера совмещаются. Задержанная развертка применяется
также для увеличения масштаба изображения некоторого участка экрана («лупа
времени»).
Глубиномер 12 служит для определения
координат отражателей (дефектов) путем измерения времени пробега импульса до
отражателя и обратно. Он выполнен в виде шкалы на экране или устройства,
генерирующего вспомогательный импульс, перемещаемый по линии развертки при
повороте калиброванной шкалы, либо серию вспомогательных импульсов, разделенных
заданными интервалами. Индикатором служит электроннолучевая трубка.
Автоматический
сигнализатор дефектов 13 предназначен для подачи звукового или светового сигнала при
одновременном поступлении на каскад совпадений селектирующего сигнала и
видеосигналов, что освобождает оператора от необходимости одновременного
наблюдения за экраном дефектоскопа и перемещаемым преобразователем.
Дефектоскопы разделяют на два типа: общего
назначения и специализированные. Дефектоскопы общего назначения - это
дефектоскопы, на которые в стандартах и технических условиях не установлен
конкретный объект контроля, специализированные дефектоскопы - дефектоскопы, на
которые в стандартах и технических условиях установлен тип контролируемого изделия.
2.3.2 Радиоволновой
метод НК
Радиоволновой НК - вид НК, основанный на
регистрации изменений параметров электромагнитных волн радиодиапазона,
взаимодействующих с контролируемым объектом.
На практике наибольшее распространение
получили сверхвысокочастотные методы (СВЧ), которые имеют диапазон длин волн от
1 до 100 мм.
Взаимодействие радиоволн может носить
характер взаимодействия только падающей волны (поглощение, отражение,
преломление) или взаимодействие падающей и отраженной волн (интерференционные
процессы).
Использование радиоволн перспективно по
двум причинам:
) расширение области применения для
диэлектрических, полупроводниковых и композитных материалов;
) возможность использования особенностей
СВЧ-радиоволн:
ü диапазон СВЧ-волн
позволяет получить большой интервал мощностей генерируемых волн, что позволяет
контролировать как очень тонкие, так и очень мощные объекты;
ü СВЧ-волны получаются в
виде когерентных гармонических электромагнитных колебаний, что позволяет
обеспечить высокую чувствительность и точность контроля;
ü с помощью СВЧ-волн можно
осуществлять бесконтактный контроль;
ü СВЧ-волны могут быть
остро сфокусированы, что обеспечивает локальность контроля;
ü информация о
контролируемом объекте содержится в большом числе параметров СВЧ-сигнала;
ü СВЧ-волны обеспечивают
малую инерционность контроля, что позволяет контролировать быстропротекающие
процессы;
ü аппаратура выполняется
достаточно компактной и удобной в эксплуатации.
Классификация методов и
средств радиоволнового НК
Ι. По первичному информационному
параметру различают следующие методы данного вида контроля:
1) амплитудный;
) фазовый;
) амплитудно-фазовый;
) частотно-фазовый;
) поляризационный;
) геометрический;
) временной.
Амплитудный, фазовый, амплитудно-фазовый,
частотно-фазовый и поляризационный методы основаны на регистрации одного или
двух параметров волн.
Геометрический метод основан на регистрации
пространственного положения максимальной интенсивности радиоволнового пучка,
прошедшего через объект или отраженного от его противоположной поверхности.
Временной метод основан на регистрации времени
прохождения волны через объект.
ΙΙ.
В зависимости от
источника излучения методы разделяют на:
ü активные;
ü пассивные.
ΙΙΙ.
По расположению
датчиков относительно объектов контроля различают 3 основных варианта:
1) одностороннее расположение;
) двухстороннее расположение;
) под прямым углом оптических осей друг к
другу.
Средства дефектоскопии
С помощью радиоволновой дефектоскопии обнаруживаются
следующие виды дефектов:
− нарушения сплошности (трещины,
расслоения, непроклеи, воздушные включения);
− инородные включения (металлические и
диэлектрические с отличными от основного материала диэлектрическими
свойствами);
− структурные неоднородности (изменение
плотности или пористости).
Неоднородность любого типа дефекта вызывает деформацию
поля волн, прошедших через материал или отраженных от него.
Структурные дефекты обнаруживают, используя явления
рассеивания, дифракции и интерференции.
Чувствительность дефектоскопа определяется длиной
волны (чем меньше длина волны, тем меньший дефект он обнаруживает).
Методы и средства дефектоскопии при
контроле на отражение
На рис.15 представлены схемы типичных
амплитудно-фазовых дефектоскопов (лист 3).
Рис.15. Структурные схемы амплитудно-фазовых приборов,
работающих на «отражение». а - одноантенный вариант; б - двухантенный вариант;
1 - блок питания; 2 - источник энергии СВЧ; 3 - развязывающий элемент; 4 - узел
разделения излучаемого и принимаемого сигналов (двойной волноводный тройник,
направленный осветитель, щелевой мост и т.п.); 5 - излучающая (приемная)
антенна; 6 - детектор; 7 - индикаторный прибор; 8 - объект контроля.
Схема дефектоскопа на рис.15а использует
двойной волноводный тройник в качестве СВЧ-моста. Генератор СВЧ и детекторную
секцию можно применять местами без ущерба работоспособности схемы. Если
симметричные плечи тройника имеют одинаковую нагрузку, то отраженные СВЧ-волны
не проходят в выходное плечо тройника, мост согласован, а сигнал на выходе
детекторной секции равен 0. Баланс моста, как правило, устанавливают изменением
положений перестраиваемых элементов опорного плеча при постоянных значениях
рабочего зазора и толщины объекта на эталонном изделии или на бездефектном его
участке. Обычно тройник выполняют с высоким уровнем развязки плеч Е и Н, что и
определяет высокую чувствительность дефектоскопа, построенного по данному
принципу.
На рис.15б приведен упрощенный вариант схемы
амплитудно-фазового дефектоскопа с двумя антеннами, расположенными рядом, одна
из которых передающая, другая - приемная. Опорным сигналом здесь служит сигнал
связи между антеннами, который может регулироваться путем изменения их
относительного положения.
Из-за воздействия большого фонового сигнала, являющего
следствием отражения волн от бездефектного участка изделия, чувствительность
схемы к дефектам ниже, чем в схемах а, б (рис.15). Этот сигнал можно
уменьшить поворотом приемной антенны вокруг её оптической оси на 90˚.
Схема в этом случае будет максимально чувствительна только к таким
неоднородностям и дефектам, при отражении от которых происходит максимальный
(до 90˚) поворот плоскости поляризации волн. [7; 8]
Заключение
При выполнении курсового проекта были выбраны методы и
средства для измерения внутренних и линейных размеров деталей типа «Корпус» и
«Вал».
Для выбранных СИ были разработаны принципиальные схемы
средств измерений (таких как: измерительная машина, индикатор часового типа,
нутромер с ценой деления 0,001мм), принцип их функционирования и процесс
измерения. Для контроля радиального биения была разработана схема
измерительного устройства. Для контроля шлицевого соединения с прямобочным
профилем были рассчитаны исполнительные размеры, построены поля допусков. Для
контроля дефектов деталей были выбраны методы и средства неразрушающего
контроля: радиоволновой - для контроля трещин на корпусе и акустический - для
контроля трещин сварных на валу; разработаны функциональные схемы приборов НК.
Список
литературы
1) ГОСТ 8.051-81 «Погрешности,
допускаемые при измерении линейных размеров до 500 мм».
2) РД 50-98-86 «Выбор
универсальных средств измерений линейных размеров до 500 мм».
) Анухин В.И. «Допуски и
посадки. Выбор и расчет. Указание на чертежах»,2001.
) Берков В. И. «Технические
измерения»,1983.
5) Белкин И.М. «
Средства линейно-угловых измерений». Справочник. М.: Машиностроение, 1987. 368
с.
) ГОСТ 25347-82 «Основные
нормы взаимозаменяемости. Единая система допусков и посадок. Поля допусков и
рекомендуемые посадки».
) ГОСТ 7951-80 «Калибры для
контроля шлицевых прямобочных соединений. Допуски».
) ГОСТ 2.308-79 «ЕСКД.
Указание на чертежах допусков формы и расположения поверхностей».
) ГОСТ 24642-81 «Допуски формы
и расположения поверхностей».
) ГОСТ 23829-85 «Контроль
неразрушающий акустический. Термины и определения».
) ГОСТ 23480-79 «Контроль
неразрушающий. Методы радиоволнового вида. Общие требования».
) Неразрушающий контроль и
диагностика: Справочник. Под ред. Клюева В.В. 2-е изд., испр. и доп. - М.:
Машиностроение, 2003. 656 с., ил.
) Приборы для неразрушающего
контроля материалов и изделий. Справочник. В 2 кн. Под. ред. Клюева В.В. Кн. 2
М.: Машиностроение, 1976. 327 с.