Проект рельсовой колеи и стрелочного перевода

  • Вид работы:
    Курсовая работа (т)
  • Предмет:
    Транспорт, грузоперевозки
  • Язык:
    Русский
    ,
    Формат файла:
    MS Word
    1,83 Мб
  • Опубликовано:
    2013-02-04
Вы можете узнать стоимость помощи в написании студенческой работы.
Помощь в написании работы, которую точно примут!

Проект рельсовой колеи и стрелочного перевода

Уральский государственный университет путей сообщения












Курсовой проект

по дисциплине: Железнодорожный путь

тема: Проект рельсовой колеи и стрелочного перевода











Екатеринбург, 2011

Задание

Основные параметры, которые определены для настоящего задания при варианте 14, представлены в таблице 1.

Таблица 1- Основные параметры

№ варианта

Тип рельсов

Vб, км/ч

J0, м/с2

γ0, м/с2

R, м

14

Р50

50

0,40

0,45

660


Принятые данные о проходящих поездах приведены в таблице 2

Таблица 2 - Данные о проходящих по участку поездах

Категория поездов

Количество поездов ni,шт

Масса Qi поезда, т брутто

Средняя скорость Vi, км/ч, движения по кривой

Пассажирские

n1=6

Q1=1100

V1=70

Пригородные

n2=12

Q2=750

V2=74

Грузовые груженые

n3=20

Q3=3600

V3=63

Грузовые порожние

n4=30

Q4=1500

V4=65

Пассажирский скорый

-

-

Vmax=90

Реферат

В проекте определены основные параметры и размеры рельсовой колеи, разработан проект одиночного обыкновенного стрелочного перевода.

Для выполнения расчетных схем применилась современная система автоматического проектирования, а для расчетов программирование. Поскольку в настоящее время отсутствует утвержденная программа для полного расчета верхнего строения пути и это не входит в задачу курсового проекта, применение методов программирования ограничилось преобразованием отдельных формул для этих целей. Это может оказаться полезным шагом на пути к будущей автоматизации расчетов. Особенно для такой трудоемкой задачи как проектирование эпюры стрелочного перевода.

Принятые в соответствии с четырнадцатым вариантом исходных данных решения по стрелочному переводу отличаются от характеристик переводов типовых конструкций. Первый радиус остряка оказался равным 482,253 м, марка крестовины принята равной 1/14, радиус переводной кривой -428,669 м. длина стрелочного перевода составила 38,48 метров.

По параметрам рельсовой колеи для кривой при заданном радиусе 660 м, как и по стрелочному переводу, произведенными расчетами полностью обосновано и обеспечено выполнение требований Правил технической эксплуатации железных дорог Российской Федерации.

Введение

Железнодорожный транспорт в Российской Федерации выполняет 75% грузооборота и 40% пассажирооборота. Одним из важнейших технических средств его является железнодорожный путь. В путевом хозяйстве сосредоточенно 56% основных фондов железнодорожных дорог. Ближайшим таким показателем являются фонды вагонного хозяйства - 13%. Составная часть пути - его верхнее строение. Доля верхнего строения пути в путевом хозяйстве - 48%. На долю земляного полотна приходится 29%. Верхнее строение непосредственно воспринимает на себя все воздействия от подвижного состава и, в первую очередь, обеспечивает бесперебойную и безопасную работу. При проектировании, строительстве, ремонтах и текущее содержании пути особенно ответственно обосновываются и обеспечиваются все параметры и размеры стрелочных переводов. В данном курсовом проекте выполнены все расчеты параметров и определены геометрические характеристики этих конструкций.

В соответствии с четырнадцатым вариантом задания исходные данные для выполнения курсового проекта отличаются от принятых типовых решений. Особенно это касается расчетов при определении размеров стрелочного перевода. Его параметры и размеры не совпали с типовыми. Длина остряка, например, получилась равной 11,36 м, радиус переводной кривой - 428,669 м, а марка крестовины - 1/14. Все подобные расхождения в курсовом проекте проанализированы и объяснены.

При проектировании были использованы достижения научных и экспериментальных исследований, а так же новые информационные технологии. В частности, расчет расстояния от оси первой колесной пары до точки касания гребня колеса с рельсом при вписывании экипажа в кривую (забег колеса b1, см. рис. 1) определялся по более точной формуле, предложенной Г. М. Шахунянцем [1]. Формулы, таблицы и текст изложены с применением текстового процессора Microsoft Office Word XP, часть расчетов произведена на языке Visuаl Basic 6 [ 3].

1. Проект рельсовой колеи

В качестве экипажа, для которого определяется оптимальная и минимальная ширина колеи, принимается электровоз ВЛ-60, имеющий трехосные тележки с жесткой базой L = 4600мм, поперечные разбеги осей ή1=1,0 и ή2 = 15,5 , r колеса-62,5 см = 625 мм. В соответствии с заданием радиус кривой R=660 м.

1.1    Оптимальная ширина колеи

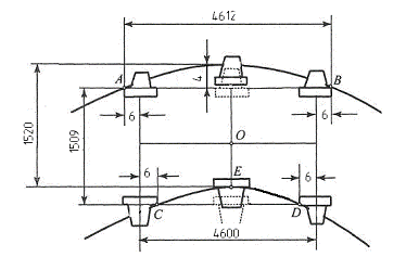
Ширина колеи при свободном вписывании определяется под условием, что центр поворота экипажа, находится на последней оси, схема свободного вписывания тележки электровоза ВЛ-60 изображена на рисунке 1.

Рисунок 1 - Схема свободного вписывания тележки электровоза ВЛ-60

При t = 10 мм, tqτ = 700 = 2,747, S1 = 1520мм расстояние от оси первой по ходу движения колесной пары до точки касания гребня с колесом по формуле предложенной Г. М. Шахунянцем [1, стр. 106]. Эта формула здесь преобразована в соответствии с правилами языка программирования VB6. Кроме того, в ней устранена ошибка, допущенная в учебном пособии под редакцией В. В. Виног-радова и А. М. Никонова [2, стр. 47] в части единиц измерения. В исходных данных для примера 2.1 в этом пособии радиус кривой представлен в метрах, что правильно и общепринято, но здесь же в формуле нет умножения этого радиуса на 1000 для приведения размера в миллиметрах. В числовом же выражении подстановка произведена в миллиметрах и лишь благодаря этой второй ошибке ответ, как говорят, сошелся. В курсовом проекте, как видно в двух следующих здесь формулах, эта, распространенная и в двух местах упомянутого учебника подобная небрежность, исправлена.

С учетом изложенного забега колеса

b1 = СInt(L1*(r+t)*tq(Т1))/(1000*R+S1/2-(r+t)*tq(Т1)) = СInt( 4600*(625+10)*2.747/(1000*660+1520/2-(625+10)*2.747)) = 12 мм

Здесь L1 = L =4600мм, Т1=τ= 700 , S1 = 1520мм при принятой схеме свободного вписывания.

Стрелка изгиба для хорд, проходящей по внутренним граням гребней колес - штриховая линия на схеме (см. рис.1), при аналогичных преобразованиях формулы

f = СInt (L1+b1)2/2000*R= СInt (4600+12)2/2000*660 = 16 мм.

При qmax = 1509мм [2, стр. 38, табл. 2.1.] находим требуемую оптимальную ширину колеи.

Sоpt = СInt (qmax+f-ή1+4) = 1509+16-1+4 =1528 мм.

В связи с тем, что полученная для свободного вписывания электровоза ВЛ-60 ширина колеи 1528 мм больше установленной нормы Правилами технической эксплуатации [6, стр. 20] ширины 1520 мм при заданном радиусе кривой 660 м, следует перейти к определению минимально допустимой ширины колеи.

1.2 Минимально допустимая ширина колеи

Схема заклиненного вписывания тележки электровоза представлена на рисунке 2.

Рисунок 2 - Схема заклиненного вписывания тележки электровоза ВЛ-60

Здесь забеги крайних колес тележки b, стрела изгиба для наружной рельсовой нити fн, минимально допустимая ширина колеи Smin в исходном варианте для ручного расчета и с учетом поправок для радиуса определяется по формулам:

b=Lrtqτ/2000R; fн = (L+2b)2/8000R; Smin = qmax+fн+4+(δmin/2)

После преобразований и подстановки соответствующих данных оказалось, что

b = CInt(L1*r*tq(T1)/2000*R) = CInt (4600*625*2,747/2000*660)=6 мм;н = CInt ((L1+2*b)2/8000*R)= CInt ((4600+2*6) 2/8000*660)=4 мм.min = CInt (qmax +fн+4+dmin /2 )= CInt (1509+4+4+7/2)=1520,5 мм = 1520 мм. m = fн; Smin = S min; dmin = δmin = 7мм

δmin = 7мм представляет собой минимальный суммарный зазор между рабочими гранями рельсов и гребнями колес в расчетной плоскости, взятый из учебного пособия [ 2. стр. 39, таб. 2.1.].

Так как минимально допустимая ширина колеи получилась равной 1520 мм, и по Правилам технической эксплуатации [5, стр. 20] она установлена при радиусе кривой 660 м равной 1520 мм, то все условия выполнимы.

.3 Возвышение наружного рельса в кривой

Любой железнодорожный экипаж имеет больше одной оси, а в пределах жесткой базы все они параллельны между собой, и поворачиваться относительно продольной оси этой базы не могут, то движение, связанное с поворотом экипажа, возможно лишь при скольжении колес по рельсам, что вызывает их повышенный износ.

Центробежная сила прижимает экипаж к наружной нити, затрудняет его поворот и тем самым увеличивает направляющую силу Н, как следствие, боковой износ наружного рельса.

Расчетная схема действующих сил для определения возвышения наружного рельса в заданной кривой представлена на рисунке 3:

Рисунок 3 - Схема действующих сил для определения возвышения наружного рельса в кривой

В отличии от известной схемы [4, стр. 113] здесь уточнены точки приложения действующих сил ТН и ТВ. Если первая воздействует на гребень колеса, а это неизбежно, например, для первой колесной пары по ходу движения, то обязательно между гребнем колеса и внутренним рельсом образуется зазор. Поэтому сила ТВ это сила трения, и поэтому она приложена к поверхности катания колеса. Минимальный же суммарный зазор δmin, должен обеспечиваться при всех допустимых видах вписывания и для всех колесных пар. Таким образом, какое - то колесо колесной пары всегда не должно касаться рельса своим гребнем, в расчетной плоскости. В данном варианте курсового проекта все колеса подавляющего числа тележек будут прижаты к наружному рельсу из-за «недовозвышения» для vср = 54 км/ч (см. рис. 3)

Исходными формулами для определения возвышения являются следующие [4, стр. 113, 116]:

Vср = √Qi*V2i/∑Qi;= 12,5*V2ср/R;n = 12.5 *V2max п/R -115;

В отличие от пособия [2] величины G и V в формуле для определения Vср здесь заменены соответственно на Qi и Vi, чтобы не повторить разногласия в данной работе, допущенные в пособии. В отличии так же от упомянутого пособия в последней формуле при обозначении возвышения добавлен индекс п. Это сделано для того, чтобы не спутать это возвышение для пассажирского поезда, следующего с максимальной скоростью Vmax п , с предыдущим h без индекса.

Производим расчет возвышения для данного курсового проекта.

Vср= CInt(Sgr((n1*Q1*V21+n2*Q2*V22+n3*Q3*V23+n4*Q4*V24)/

/(n1*Q1+n2*Q2+n3*Q3+n4*Q4)))=Sgr((6*1100*702+12*750*742+20*3600*632+30_*1500*652)/( 6*1100+12*750+20*3600+30*1500)) = 65 км/ч;

h = CInt(12,5* V2ср)/R = 12.5*652/660 = 80 мм;= Cint(12,5* V2max п/R -115)= 12.5*902/660-115 = 38мм.

В первом и во втором случаях возвышение получилось меньшим, чем предельное по ПТЭ - 150 мм [5, стр. 21]. Принимаю значение - 38 мм, т.е. значение для скорого пассажирского поезда, окончательно оставляем возвышение с округлением до 5 мм - 40 мм. Это обеспечит не превышение допускаемого непогашенного ускорения 0,7 м/с2 для пассажиров, как это рекомендуется в утвержденном пособии [2, стр. 54].

.4 Элементы переходной кривой

Круговые кривые имеют определенный радиус R и установленное возвышение h. Для обеспечения плавного перехода подвижного состава из прямой в круговую устраиваются переходные кривые. В пределах переходных кривых устраиваются отводы кривизны К, возвышения и уширения колеи, если это требуется. Схема переходной кривой показана на рисунке 4:

Рисунок 4 - Схема переходной кривой: а - изменение возвышения наружной рельсовой нити над внутренней; б - план участка пути с переходной кривой (по оси пути)

Длина переходной кривой l зависит от многих условий: принятого уклона отвода возвышений vu, скорости V, допустимой величины нарастания горизонтальных ускорений pu и т.д.

Для новых железнодорожных линий; вторых путей и внешних подъездных путей, а также при развитии станций и узлов длина переходных кривых устанавливается согласно СНиП.

На эксплуатируемых железнодорожных линиях переходные кривые не устраиваются при радиусах более 3000м, а также в случае, если разность кривизны примыкающих друг к другу круговых кривых не превышает 1/3000.

В остальных случаях длина переходной кривой устанавливается по формулам:

L0=CInt(hn/vu)=CInt(40/1,2)=33,3 м.

Величина уклона отвода возвышения vu=1,2 взята из таблицы 2.5 пособия [2] для Vmax п=90 км/ч. Полученное значение округляем до величины кратной 20 в большую сторону, т.е. принимаю L0=40 м.

Производим проверку возможности принятия такой длины по условию ограничения скорости нарастания непогашенного горизонтального ускорения:

L0>= CInt(0.32*Vmaxp)=CInt(0,32*90)=28,8 м

Условие удовлетворено. Окончательно принимаю длину отвода возвышения равную 40 м, тогда уклон отвода будет:

vu=CInt(10*hn/l)/10=CInt((10*40)/40)/10=1,0 мм/м

Это меньше рекомендуемого, т.е. скорость подъема колеса будет также меньшей, условия прохода колеса по отводу улучшаются.

1.5 Элементы для разбивки всей кривой

Элементы, которые необходимо иметь для разбивки кривой на местности, представлены на рисунке 5:

Рисунок 5 - Схема разбивки кривой методом сдвижки ее центра внутрь

Длина отвода кривизны была определена ранее и равна 40 м.

Параметр переходной кривой:

C=R* L0= 660*40=26400 м2

 

Определим угол поворота переходной кривой:

pu =CInt(L0/(2*R))= CInt(40/(2*660))=0,03030 рад

 

Проверю возможность разбивки переходной кривой по зависимостям:

tu >2*pu

Lкк=CInt(R*(tu-2*ru))=30м (длина круговой кривой задана по условию)

Угол поворота трассы получается равным:

tu= CInt(2*pu+ Lкк /R)= CInt(2*0,03030+30/660)= 0,10605 рад

Проверяю:

,10605>2*0,03030

Проверка выполняется, разбивка переходных кривых возможна.

Определяем условие применимости кубической параболы в качестве кривой для отвода кривизны:

RK≥ CInt(1.602*C^(5/9))= CInt(1.602*26400^(5/9))=371 м

>371

Условие выполняется.

Следовательно воспользуемся следующими формулами, чтобы определить по горизонтали kx и по вертикали kу:

kx=lxу= Cint(kx^3/(6*C)) =Cint(kx^3/(6*26400))

Таблица 3 - Расчет координат переходной кривой, м

кх

0

10

20

30

40

ку

0

0,006

0,051

0,170

0,404


Далее по исходным формулам определяю сдвижку круговой кривой внутрь, расстояние m:

р = CInt((L0^2\(24*R))*100)= CInt((40^2\(24*660))*100)=10 см; = L0 \ 2 = 40 \ 2 = 20 м;

По исходным формулам определяю соответственно всю длину кривой Lкр, тангенс Т, биссектрису B (русское Б программа не воспринимает) и домер D:

L= CInt(100* (2*l+R*(tu-2*pu))) / 100= CInt(100* (2*40+660*(0,10605-2*0,03030))) / 100=110.00 м = CInt(100* (m+(R+p/ 100)*tg (tu / 2) / 100= CInt(100* (20+(660+10/ 100)*tg _(0,10605 / 2))) / 100=55,05 м= CInt ((R* cos(pu) +p/(cos(tu)/2))-R)= CInt((660*0,9995+136)/0.9985)- 660)=136см= CInt(2* T- L)= CInt(2*55,05-110)=0,1 м

1.6 Число и порядок укладки укороченных рельсов в кривой

В связи с тем, что в пределах кривых внутренней рельсовой нити радиус меньше на величину S=1600 мм радиуса наружной рельсовой нити, длина внутренней нити меньше.

Для компенсации этой разности и обеспечения укладки рельсовых нитей с положением стыков по одной нормали к продольной оси пути, по внутренней нити укладывают укороченные рельсы.

В РФ приняты следующие типы укорочения К:

при длине рельса 12,5 м - K1=40 мм; K2=80 мм; K3=120 мм.

при длине рельса 25 м - K2=80 мм; K4=160 мм.

Нахожу по формуле угол наклона переходной кривой в ее конце:

Значение угла наклона переходной кривой в ее конце:

pu= CInt(l^2/(2*С))=CInt(40^2/(2*26400))=0,0303 рад

Определяю длину оставшейся части круговой кривой:

l= CInt(R*(tu-2*pu))= CInt(660*(0,10605 -2*0.0303))=30 м

В расчете для укладки в кривой радиусом 660м>500 м принимаю стандартное укорочение К=80 мм, т.е. длину укороченного рельса lур=24.92 м.

Таблица 4 - Расчет укладки укороченных рельсов

Границы элементов пути в плане

Номер рельсов

Длина рельсов, м

Расчетные укорочения элементов пути, мм

Забеги или отставания стыков, мм

Порядок укладки рельсов

Прямая

11

16,00

-

-

-

Первая переходная  кривая длиной 40м

12

9,01

1.6*((9.01^2-0) *1000 / (2*660*40)) =3

0+3=+3

нормальный


2

25,01

1.6*((34.02^2-9.01^2) *1000 / 2*660*40) =42

+3+42-80= -35

укороченный


31

5,98

1.6*((40^2 - 34.02^2) *1000 / 2*660*40)=17

35+17+59-80=-39

укороченный

Круговая кривая длиной 30м

32

19,03

1,6*(19,03/660)*1000=59




41

10,97

1,6*(10,97/660)*1000=34

-39+34 +36=+31

нормальный

Вторая переходная  кривая длиной 40м

42

14,04

1.6*((40^2-25,96^2)*1000 / (2*660*40)) =36




5

25,01

1.6*((25,96^2-0,95^2)*1000 / (2*660*40)) =26

+31+26-80=-23

укороченный


61

0,95

1.6*((0,95^2-0^2) *1000 / 2*660*40) =0

-23+0=-23

нормальный

Прямая

62

14,06

Прямая




2. Проект обыкновенного стрелочного перевода

2.1 Основные параметры стрелки

Основные параметры стрелочного перевода определяются в зависимости от условий, регламентирующих допускаемые динамические эффекты взаимодействия пути и подвижного состава при движении его по элементам стрелочного перевода, а также из геометрических условий, обеспечения взаимной увязки длин элементов стрелочного перевода и конструкций пути, устраиваемых с его участием.

Проектируемые параметры стрелочного перевода определяются последовательно для стрелки, соединительной части, крестовины, перевода в целом, его отдельных деталей. Расчетная схема определения основных параметров стрелки представлена на рисунке 6.

Рисунок 6 - Расчетная схема определения основных параметров стрелки

Проектирование стрелочного перевода выполняем для следующих условий:

·        Стрелочный перевод из рельсов типа Р50;

·        Скорость по прямому пути 90 км/ч, по боковому направлению Vmax=50км/ч;

·        Допустимое значение потери кинетической энергии при соударении колеса и остряка W0=0,225м/с;

·        Допустимое значение ускорения J0=0,40 м/с²;

·        Допустимое значение непогашенного ускорения γ0=0,45 м/с²;

2.1.1 Начальный стрелочный угол и радиусы остряка

Начальный угол остряка зависит от наибольшей скорости движения на боковой путь, допустимого угла удара, зазора, с которым колесо подходит к остряку, и допустимого центробежного ускорения в начале остряка [2. стр. 84]:

Sin βн ≤ 1/Vбmax √W²0-2δmax*j0

 

где: Vбmax = 50 км/ч, скорость движения на боковой путь;

W0= 0,225 м/с, допустимый параметр потери кинетической энергии

при ударе;

δmax = 0,036м, максимальный вероятный зазор между гребнем колеса и

рамным рельсом;0 = 0,40 м/с², допустимая величина внезапного появляющегося центробежного ускорения.

Радиус кривизны начальной части остряка, где центробежное ускорение возникает внезапно, определяется из выражения [2, стр 84]:

R`0= V²бmax/j0

а радиус остальной части остряка и переводной кривой из выражения [2, стр. 85]:

R``0= V²бmax0

где: γ0=0,45 м/с²

Для принятой расчетной скорости на боковой путь будем иметь:

R`0= V²бmax/j0= (50/3,6)²/0,40=482,253 м

R``0= V²бmax0 = (50/3,6)²/0,45=428,669 м

Sin βн = 3,6/50 √0,225²-2*0,036*0,40 = 0,0106

βн = 00 36’

Cos βн = 0,99994

.1.2 Длина и центральный угол горизонтальной строжки остряка

Горизонтальную строжку головки остряка начинают в точке касания его нерабочей грани с рабочей гранью головки рамного рельса. В этой же зоне срезают часть подошвы остряка, которая мешает его прижатию к рамному рельсу.

Длина горизонтальной строжки λυ и угол горизонтальной строжки ζυ определяем на основании выражений [2, стр 86]:

А= R`0*Sin βн

В= R`0*Cos βн

Cos ζυ = В/( R`00)

λυ = ( R`00) Sin ζυ - А

где: υ0 = 72,8м ширина головки остряка на расчетном уровне.

А = 482,253*0,0106= 5.12 м;

В = 482,253*0,99994= 482,224 м;

Cos ζυ = 482,224/(482,253+0,0700)=0,99979

ζυ= 10 09’

Sin ζυ = 0,02026

λυ = (482,253+0,0700) *0,02026 -5.12 = 4,65 м.

колея рельс стрелка шпала

2.1.3 Полный стрелочный угол и длина остряка

Длина криволинейного остряка ℓ0 определяется из выражения [2, стр 96]:

0=R`0(sinζυ-sinβн)+R(sinβ-sinζυ)

R = R''0

где ℓ0 - полная длина остряка

0 = а+L0+b

0 =0,36+9,00+2,00=11,36м

а - расстояние от острия остряка до оси первой тяги; а= 0,36м;

b - длина корневой заделки, примем длиной b =2,0 м;

L0 - расположение первой тяги L0 =900см.

Отсюда

Sinβ = (ℓ0 - R`0(sinζυ-sinβн)+R*sinζυ)/R

Подставим числовые значения:

Sinβ=(11,36-482,253*(0,02026-0,0106)+428,665*0,02026)/428,665= 0,03589

β = 20 03’

Cos β = 0.99935

Полный стрелочный угол определяются по схеме, изображенной на рисунке 7.

Рисунок 7 - Схема определения полного стрелочного угла.

.2 Основные параметры крестовины

Основные размеры крестовины определяются по схеме, изображенной на рисунке 8.

Рисунок 8 - Расчетная схема определения основных размеров крестовины.

.2.1 Угол и марка крестовины

Угол и марку крестовины можно определить по схеме, приведенной на рисунке 9.

Рисунок 9 - Расчетная схема определения угла крестовин.

В выражении [2, стр. 87] C1 - R cosα + d sin α = 0 положим d=0 и получим первое приближение для угла α и соответственно для cosα = C/R [2, стр. 87] и числа знаменателя марки (N(1)) округляем до целого числа в большую сторону.

Cosα = С1/R = R'0( cosβн - cosζυ) + R cosζυ - Sн / R;

С1 = 482,253(0.99994-0,99979) + 428,665*0,99979 - 1,52 = 427,127 м;

Cos(1)α = 0,9964

Sin(1)α = 0,0846

tq(1)α = 0,0849

N(1) = 1/tq(1)α

N(1) = 1/0.0849 = 11,8=12

Величину N(1) округляем кратно 0,5 в большую сторону

Второе приближение:

N(2) = 12,5

tq(2)α = 0,800

Cos(2)α = 0.9968

Sin(2)α = 0,0796

Третье приближение:

N(3) = 13

tq(3)α = 0,0769

Cos(3)α = 0.9970

Sin(3)α = 0,0766

Рассчитаем для N(2) и N(3) размеры прямых вставок d(2) и d(3) по формуле [2, стр. 88]:

d = (R*cosα-C1)/ sinα

d(2) = (428,665*0.9968 -427,127)/0.0796= 2,08 м;(3) = (428,665*0.9970 -427,127)/0.0766= 3,29 м

Выбираем N = 14

tqα = 0,07152

α = 40 05’

Cosα = 0.9974

Sinα = 0,07121

d = (428,665*0.9974 -427,127)/0.07121= 6,30 м.

2.2.2 Передний и задний вылеты крестовины

Крестовина состоит из передней и задней частей.

Минимальная длина этих частей определяется из условий их стыкования с примыкающими путевыми рельсами. При обычном наладочном стыке определение длины переднего вылета hmin ведется из условия, чтобы была обеспечена возможность свободного изъятия первого по отношению к математическому центру стыкового болта [2, стр89];

hmin = D+G*N,

где: D- расстояние от стыка до оси первого болта, м;

G - величина, необходимая для установки ближайших к центру крестовины стыковых болтов;

N - число марки.

Для стрелочного перевода типа Р50 значения D и G соответственно равны 0,356 и 0,283 [1, стр. 101, таб. 1.3.12].

Подставим числовые значения

hmin =0,356+0,283*14= 4,32 м.

Длина заднего вылета крестовины определяется возможностью расположения за крестовиной двух рельсов без строжки их подошвы:

pmin = (υ0+B+2ε)*N

где: υ0 - ширина головки рельса в расчетном сечении, м;

B - ширина подошвы рельса, м;

ε - запас на допуски изготовления крестовины, обеспечивающий установку примыкающих рельсов без строжки их подошв;

ε=0,005м.

Подставим числовые значения:

pmin = ( 0,070+0,132+0,005)*14= 2,90 м.

.2.3 Длина контррельсов и усовиков

Назначение контррельса - обеспечить безопасность и плавность прохождения тележки экипажа через вредное пространство крестовины. Необходимо предотвратить удар гребня колеса в острие сердечника и плавно направить гребень в соответствующий желоб крестовины. Для этого основная рабочая часть контррельса должна перекрывать вредное пространство крестовины, а ширина желоба контррельса tk-0 быть в пределах установленных допусков. Расчетная схема представлена на рисунке 10.

Рисунок 10 - Схема определения размеров контррельсов и усовиков.

Нормы содержания ширины желобов стрелочного перевода колеи 1520мм [ 2, стр. 97]:

·        У крестовине в горле tr = 68мм;

·        В прямой части усовиков ty-0 = 45мм;

·        В прямой части контррельса tк-0 = 44мм;

·        У усовиков и контррельсов: в отведенной части tк-1 = tу-1 = 68мм, на выходах tк-2 = tу-2= 90мм.

Полная длина контррельса равна ее проекции на прямое направление [ 2, стр. 98]:

хк-0=(tr+w40)N+2ек;

хк-1=(tк-1-tк-0)ctqγк-1;

где N - число марки крестовины;

w40= 40мм - ширина сердечника, где возможна полная передача

вертикального давления колеса;

хк-1, хк-2 - длина первого и второго отвода контррельса;

ек = 100мм - запас длины средней части контррельса;

хк-2 = 150мм - принято из конструктивных соображений.

Угол отвода γк-1 не должен превышать допустимого угла удара βк-у [2, стр. 98]:

Sin γк-1 ≤ sin βк-у = │Wк│/Vmax

Где Wк = 0,6 м/с- допустимое значение эффекта удара в отведенную часть контррельса;

Vmax =90 км/ч- максимальная скорость движения по прямому пути.

Подставим числовые значения

Sinβk-y = (0.6*3.6)/90 = 0.024;

Xk-0 = (0.068+0.040)*14+2*0.1 = 1.71 м;

Xk-1 = (0.068-0.044)*41,65 = 1,00 м;

к = 1.71+2(1,00+0,15) = 4,01 м.

Полная длина усовика и длины его отдельных частей [2, стр. 99]

y = h+w40*N+xy-1+xy-2;

xy-1=(ty-1-ty-0)ctq γy-1;

xy-2=xк-2=150мм;

xг= (tг-ty-0)ctq γy-0≥ tг*N

xy-0= w40*N - (xг-tг*N)≥ min xy-0 = 200мм

Углы отвода усовиков не должны превышать допустимых углов удара βу-у [2, стр. 99]:

Sin γу-0 ≤│Wу-0│/Vmax ; Sin γу-1 ≤│Wу-1│/Vmax

[Wу-0]=0,6м/с; [Wу-1]=1,1м/с

Требуется выдерживать условие ℓу<h+p.

Подставим числовые значения

xy-1 = (0.064-0.045)*41,65 = 0,833м;

ℓу = 4,32+0,04*14+0,833+0,15 = 5,11<7.22 м.

2.3 Эпюра стрелочного перевода

Эпюра стрелочного перевода марки М = 1/14 представляет собой схему укладки и разбивки, вычерченную в масштабе 1:100. На ней указаны основные размеры, необходимые для разбивки на пути, длины и порядок раскладки рельсов в увязке с раскладкой стрелочных брусьев, даны ординаты переводной кривой и ширина колеи в контрольных сечениях перевода.

.3.1 Разбивочные размеры

Определение разбивочных размеров стрелочного перевода осуществляется по схеме, приведенной на рисунке 11.

Рисунок 11 - Схема определения разбивочных размеров стрелочного перевода.

Схема определения переднего выступа рамного рельса представлена на рисунке 12.

Рисунок 12 - Схема определения переднего выступа рамного рельса.

Размер переднего вылета m1 рамного рельса определяется из условий:

1.      Накладки в стыке не должны мешать прижатию остряков к рамному рельсу.

2.      Необходимо исключить ударно- динамические воздействия в стыке и у остряка:

.        Следует обеспечить плавный отвод уширения колеи в начале остряка и наилучшую раскладку брусьев на длине m1, м. по формуле [2, стр.100]:

 

i=n

m1 = C- δ/2+∑ai-m0, м.

i=1

где C- стыковой пролет для Р50 - 440 мм;

δ - стыковой зазор δ=8мм;

ai- пролет между осями брусьев аi = 500мм;

m0 - расстоянии от начала остряка до оси первого бруса, лежащего под остряком m0 = 41мм.

Число n пролетов между переводными брусьями принимается зависимости от марки стрелочного перевода для марки 1/14 принимаем n = 5 [2, стр 100].

На основании этих данных подставим числовые значения

m1 = 0,5*(0,44-0,08)+5*0,500 = 2,68 м.

Теоретическая длина стрелочного перевода определяется проекцией расчетного контура ABCD на горизонталь [2, стр. 100].

LT = R'0 (sinζυ - sin βн )+R(sinα- sinζυ) + d cosα, м.

Подставим числовые значения

LT=482,253(0,02026-0,0106)+428,665(0.07121-0,02026)+6,30* 0.9974= 32,78 м.

Полная длина стрелочного перевода вычисляется по формуле [2, стр. 100]:

Lп = m1 +Lт +p, м.

Подставим числовые значения

Lп =2,80+32,78+2,90 = 38,48 м.

Расстояние между центром и математическим центром крестовины вычисляется по формуле [2, стр. 100]:

b0 = Sn*N, м.

Подставим числовые значения

b0 =1,52*14=21,28 м.

Расстояние от начала остряка и центром вычисляется по формуле [2, стр. 101]:

a0 = Lт - b0, м.

Подставим числовые значения

a0 =32,78-21,28=11,5 м.

Расстояние от математического центра до предельного столбика [2. стр.101]:

λ0 = (2q - Sn) * N, м.

Подставим числовые значения

λ0 = (4,10-1,52)*14 = 36,12 м.

Разбивочные размеры определяются геометрически [2, стр 101]:

b = b0 +p, м;= a0 +m1 = Ln -b, м;

λ = λ0+b0, м.

Подставим числовые значения

b =21,28+2,90=24,18 м;

a =14,12+2,80 = 16,92 м;

2.3.2 Ординаты переводной кривой

Для расчетов ординат переводной кривой начало прямоугольной системы координат располагается в точке О на рабочей грани рамного рельса против корня остряка.

Координаты начала кривой [2, стр. 102]:

x0 = 0, y0 = R'0 (cosβн - cosζv) + R (cosζv - cosβ).

Координаты конца кривой вычисляется по формуле [2, стр. 102]:

xк = R(sinα - sinβ), yк = y0 +R(cosβ - cosα) = Sп - d sinα

Другие текущие абсциссы назначаются последовательно через два метра, а соответствующие им текущие ординаты вычисляется по формуле [2, стр. 102]:

yi = y0+R(cosβ - cosψi),

где β - полный стрелочный угол;

ψi - угол в точке переводной кривой, соответствующей принятой абсциссе,

sinψi = sinβ + xi / R

Подставим числовые значения

у0= 482,253*(0,99994-0,99979)+428,669*(0,99979-0,99935)= 0,261 м;

хк = 428,669*(0,07121-0,03589) = 15,14 м;

ук = 0,261+428,669*(0,99935-0,9974) = 1,097 м;

Составим таблицу:

Таблица 5 - Определение ординат переходной кривой

Xi, мм

sinψi = sinβ + xi / R''0

cosψi

yi=y0+R''0 (cosβ-cosψi), мм

0

0,0359

0,9993

261

2000

0,0406

0,9992

325

4000

0,0452

0,9989

454

6000

0,0499

0,9987

540

8000

0,0546

0,9985

625

10000

0,0592

0,9982

754

12000

0,0639

0,9979

883

1400

0,0685

0,9976

1011

15140

0,0712

0,9975

1097

.3.3 Длина рельсов и ширина колеи

Длины рельсов, укладываемых в стрелочный перевод, определяются элементарными геометрическими расчетами.

Возможность удлинения корневой части остряков определяется по схеме на рисунке 13.

Рисунок 13 - Схема определения возможности удлинения корневой части остряков.

Длина рамного рельса равна длине прямолинейного остряка, увеличенной на длины переднего и заднего вылета

рр = m1+ ℓ0 + m2

Величина заднего вылета определяется аналогично m1 , но число брусьев принимается несколько меньше:

m2 = c/2 + ai * n+ c-δ/2

где: с - стыковой пролет для Р50 = 440мм;

ai - расстояние между брусьями ai = 500;

n - число пролетов ( 2-4);

δ - стыковой зазор обычно δ = 0.

Подставим числовые значения

m2 = 0,44/2+0,5*4+0,44= 2,66 м;

рр = 2,68+11,36+2,66 = 16,700 м.

Длину обеих рамных рельсов принимаем одинаковой и равной длине нормального рельса (12,5 или 25м). С этой целью можно, изменяя число пролетов, откорректировать длину заднего вылета m2.

Длину рельсов против крестовины принимаем равной 12,5м.

Рельсы, примыкающие к рамным рельсам и к корням остряков, обычно принимают нормальной длины, т. е. ℓ1 = ℓ3 = ℓ5 = ℓ7 = ℓn.

Отрезки рельсов должны быть длиннее и не короче 4,5м. Рубки располагать дальше от стрелок и крестовин.

Ширина колеи в характерных сечениях стрелочного перевода определяется из условий вписывания обращающегося подвижного состава. Для определения ширины колеи в любом сечении стрелки «устанавливают» каждую ость экипажа и рассчитывают минимально необходимую ширину колеи. Из всех рассчитанных значений ширины колеи принимается наибольшие.

.3.4 Раскладка шпал и брусьев

В зависимости от длины деревянные брусья делятся на группы, каждая из которых отличается от соседних на 25см ( от 3,00 до 5,50). Брусья, на которых располагается переводной механизм и закрепляются переводные тяги, называются флюгарочными. Их длина 3,25м.

В переднем вылете рамного рельса, то есть на длине m1, укладываем шпалы.

Расстояние между переводными брусьями на соединительной части принимают равной 0,95-1,00 апер - средний шпальный пролет на перегоне. Под стрелкой и крестовиной брусья укладываются с пролетами 5 - 10% меньшими, чем между шпалами.

Первоначально раскладываем брусья у всех стыков, у острия остряка, на крестовине, а так же флюгарочные. На остальной части брусья распределяются возможно равномернее. Величина стыковых пролетов С = 440мм при рельсах Р50. Пролет между флюгарочными брусьями 600мм.

Деревянные брусья располагаются перпендикулярно оси пути в пределах стрелки до центра перевода, а затем постепенно разворачиваются на 8 - 10 пролетах и укладываются перпендикулярно биссектрисе угла крестовины α.

По длине брусья располагаются так, чтобы расстояние, мм, от рабочей грани рельса до торца брусьев было не меньше, чем в пути:

= 2750-1520/2 = 615,

где 2750 - длина деревянной шпалы, мм;

- ширина колеи, мм.

Для экономии брусья принимают e = 490мм.

За крестовиной переводные брусья укладываются до тех пор, пока на двух соседних путях возникнет возможность уложить шпалы.

В конце ХХ века широко укладываются стрелочные переводы на железобетонных брусьях. Железобетонные брусья выполнены из предварительно напряженного железобетона с высокопрочной проволокой периодического профиля. У перевода Р50 марки 1/ 14, в комплект входит длиной от 3,00 до 5,25м.

Раскладку переводных брусьев производим при вычерченной в масштабе схеме стрелочного перевода, приведена на рисунке 14.

Рисунок 14 - Схема раскладки брусьев под обыкновенным переводом

Заключение

Железные дороги России имеют самую высокую интенсивность использования железнодорожного пути. Основная задача железнодорожного транспорта: максимальное удовлетворение потребностей народного хозяйства и общества в перевозке грузов и пассажиров с высоким коэффициентом, большей скоростью при обеспечении безопасности указанных перевозок.

Одним из важнейших условий безопасности движения поездов с установленными скоростями является правильное назначение норм устройства и содержания рельсовой колеи. Нормы и допуски могут быть приняты только на основе исследований в области взаимодействия пути подвижного состава.

Одной из важных характеристик является шина колеи, от которой зависят не только расходы на эксплуатацию пути и размеры подвижного состава, но и объемы земляных работ.

При определении расчетным путем возвышения учитывают не только технико - экономические соображения, но и условия комфортабельности езды пассажиров, которое выражает недопущение у них неприятных ощущений и утомленности. С величиной возвышения непосредственно связано назначение длин переходных кривых для плавного изменения центробежных сил и ускорений.

Необходимость укладки укороченных рельсов на внутреннюю рельсовую нить, прежде всего, связана с требованием расположения стыков правой и левой рельсовой нити по наугольнику.

Список использованных источников

1. Шахунянц Г. М. Железнодорожный путь. - М.: Транспорт, 1987. 3-изд. -479с.

2.      Расчеты и проектирование железнодорожного пути: Учебное пособие для студентов вузов ж. - д. Транспорт. / В. В. Виноградов, А. М. Никонов, Т. Г. Яковлева и др.; Под редакцией В. В. Виноградова и А. М. Никонова. - М.: Маршрут, 2003. - 486с.

.        Железнодорожный путь/ Т. Г. Яковлева, Н. И. Карпущенко, С. И. Клинов, Н. Н. Путря, М. П. Смирнов; Под редакцией Т. Г. Яковлевой. - М.: Транспорт, 1999. -405с.

.        Правила технической эксплуатации железных дорог Российской федерации. ЦРБ - 756 от 26.05. 2000 г. / МПС РФ. - М.: Транспорт, 2000. - 190с.

.        Низов А. С., Пяткова А. Г. Основные требования к содержанию и оформлению дипломных проектов: Методические указания. - Екатеринбург: УрГУПС, 2000. - 75 с.

6. Смольников В.Т. Проектирование рельсовой колеи: Методическое указание к выполнению первой части курсового проекта по дисциплине «железнодорожный путь» - Екатеринбург:УрГУПС,2008.-43c.

Похожие работы на - Проект рельсовой колеи и стрелочного перевода

 

Не нашли материал для своей работы?
Поможем написать уникальную работу
Без плагиата!
Без нейросетей!