|
№ л-н
|
L/2 (м)
|
(кг м)
|
(кг
м)
|
(кг м)
|
(кг м)
|
(кг м)
|
(кг м)
|
(кг м)
|
(кг м)
|
(кг м)
|
(кг м)
|
k1
|
x1 %
|
|
1
|
19,2
|
197200
|
148900
|
98700
|
72400
|
48200
|
25500
|
19750
|
12100
|
7400
|
5400
|
1,0
|
14,0
|
|
(кг)
|
(кг)
|
(кг)
|
(кг)
|
(кг)
|
(мм)
|
(мм)
|
(мм)
|
(мм)
|
α град
|
χ
|
е (м)
|
bo (м)
|
bк (м)
|
|
41000
|
26600
|
18700
|
14000
|
10200
|
450
|
410
|
464
|
1800
|
1,90
|
0,24
|
1,9
|
3,8
|
1,1
|
Выполнить:
. Определить площадь и размеры верхнего и
нижнего поясов заданного лонжерона (по сечению).
. Определить толщину стенок и шаг стоек
лонжерона (по сечению).
. Рассчитать заклепочный шов крепления
верхнего и нижнего поясов лонжерона к его стенке (между расчетными сечениями).
. Рассчитать и начертить стык пояса
лонжерона.
. Спроектировать, рассчитать и начертить
узел крепления крыла к фюзеляжу (по заданному лонжерону). Дать полные сечения и
необходимые размеры.
. Начертить лонжерон, указать все
необходимые размеры и нормали крепления. Начертить все пять расчетных сечений,
и указать необходимые размеры.
Содержание
1. Основные исходные данные
. Расчет первого лонжерона
двухлонжеронного моноблочного крыла
.1 Особенности расчета
моноблочного крыла
.2 Проектирование и расчет лонжерона
крыла
3. Расчет узла крепления крыла к
фюзеляжу
3.1 Расчет проушины узла крепления
крыла к фюзеляжу
4 Расчет стыка поясов лонжерона
Заключение
Список использованных источников
1. Основные исходные данные
Для проектирования лонжерона крыла имеем
следующие данные: вид крыла в плане, сужение крыла (рисунок 1),
Рисунок 1. Поперечное сечение крыла (профиль
крыла) (рисунок 2),
Рисунок 2
Количество лонжеронов, расстояние от носка крыла
до первого лонжерона
1 (в
% от хорды крыла), межлонжеронное расстояние
12
(в
% от хорды), угол конусности крыла α,
расстояние между расчетными сечениями крыла. Нагрузки в расчетных сечениях
крыла и материал конструкции из задания на курсовую работу.
Надо выполнить расчет лонжерона двухлонжеронного
крыла. Все параметры лонжерона определить в заданных сечениях 1-1, 2-2, 3-3,
4-4, 5-5 с известным расстоянием между ними е.
2. Расчет первого лонжерона двухлонжеронного
моноблочного крыла
.1 Особенности расчета моноблочного крыла
В моноблочном крыле значительная часть
изгибающего момента воспринимается мощными панелями крыла - верхними и нижними.
Пусть χ часть
изгибающего момента, воспринимаемая двумя лонжеронами крыла. Тогда
χ =
,
где
-
изгибающий момент в i-м сечении крыла, воспринимаемый только лонжеронами.
-
общий изгибающий момент в i-м сечении крыла.
Примем допущения:
сечение крыла схематизировано как прямоугольное
с рабочей высотой Н=0,95 средней габаритной высоты кессона. Носовая и хвостовая
части крыла в расчетах не учитываются;
считаем, что стеснение депланацией корневого
участка крыла не сказывается на работе элементов расчетных сечений.
примем -
воспринимается
только панелями крыла (верхними и нижними) и поясами лонжеронов, а Q
(поперечная или перерезывающая сила) - только стенками лонжеронов.
.2 Проектирование и расчет лонжерона крыла
Для определения линейных размеров сечений крыла
определим коэффициент уменьшения размеров в зависимости от известных нам
данных: длины полукрыла (l/2), расстояния от оси самолета до первого сечения (k1е),
расстояния между сечениями (е). Из условия
а1 =
ek1*
а2=
ek1-е*
,
тогда по признаку подобия треугольников имеем
=
.
Отношение
обозначим
как k0эф.
k0эф
=
,
где
- расстояние между
сечениями;
к1 - данное сечение;
к1-е - предыдущее сечение;
k0эф
=
=
1,1234,
примем k0эф
= 1,12.
Тогда с учетом коэффициента подобия получим
следующие размеры в сечении 1-1 лонжерона по формуле:
ai=
,2=
=
=
400,6 мм,2=
=
=365,0
мм,
с2=
=
= 413,0 мм,2=
=
= 1602,3
мм.
Расчеты
для остальных сечений аналогичны, данные занесем в таблицу 1.
Таблица
1.
|
i
|
ai(мм)
|
bi(мм)
|
ci(мм)
|
di(мм)
|
|
1
|
450,0
|
410,0
|
464,0
|
1800,0
|
|
2
|
400,6
|
365,0
|
413,0
|
1602,3
|
|
3
|
356,6
|
324,9
|
367,7
|
1426,3
|
|
4
|
317,4
|
289,2
|
327,3
|
1269,7
|
|
5
|
282,6
|
257,4
|
291,4
|
1130,2
|
Линейные размеры поперечного сечения крыла
показаны на рисунке 3.
лонжерон заклепочный крыло фюзеляж
Редуцированная площадь верхней панели вместе с
верхними поясами двух лонжеронов в i-ом сечении:
=
,
где
-
критическое напряжение пояса, котрое принимаем равным критическому напряжению
при местной потере устойчивости;
- рабочая высота
схематизированного моноблочного крыла в i-м сечени.
Для двухлонжеронного крыла
= 0,95
,
При Т =
< 9 общая
потеря устойчивости профиля затруднена, в этом случае можем принять
σк.п.=
σк,
где σк
- критическое напряжение при местной потере устойчивости.
Для нахождения критического напряжения зададимся
величиной Т для материала Д-16Т и примем Т=6,5 по графику σк
= f (Т) находим
σк =33,50
кг/мм2. На основании этих данных и данных из таблицы №1 рассчитаем
и
для
первого сечения:
= 0,95
,
= 0,95
= 419,3 мм,
=
,
=
=
14040,2 мм2,
по аналогии расчитаем для всех сечений
редуцированные площади верхних панелей вместе с верхними поясами и результаты
сведем в таблицу 2.
Таблица 2.
|
i
|
Нi(мм)
|
Fiред.в(мм2)
|
|
1
|
419,3
|
14040,2
|
|
2
|
373,2
|
11909,3
|
|
3
|
332,2
|
8868,1
|
|
4
|
295,7
|
7307,7
|
|
5
|
263,3
|
5465,3
|
расчет суммарной площади верхних поясов двух
лонжеронов в i-ом сечении:
=
= 0,24*14040,2=
3369, 6 мм2,
для двухлонжеронного крыла:
=
+
,
где
-
площадь верхнего пояса 1-го лонжерона в i-ом сечении,
- площадь верхнего
пояса 2-го лонжерона в i-ом сечении.
Площади верхних поясов лонжеронов приближенно
распределяются пропорционально высотам этих лонжеронов:
,
=
,
,
=
,
=
,
= 3370
=
1763,2 мм2
Аналогично расчитаем для оставшихся сечений.
По выбранному значению Т и величине
определяем
размеры поясов лонжерона. При этом:
δi
= k
,
где k = 0,2÷0,25,
выбираем k=0,23.
biп = Т δi,
Вi =
,
Нiп = biп
+ δi1,
где δi1=(1,3÷1,5)δi,
выберем
δi1=
1,5 δi.
Рассчитаем для первого сечения:
δ1
= 0,23
= 9,7 мм,
округляем до стандартных значений получим δ1=
10 мм.
b1п = 6,5*10 = 65 мм,
δ11=
1,45*10 = 14,5 мм,
округляем в большую сторону до 15 мм.
В1=
=
77 мм,
Нiп = 65 + 15 = 80 мм.
Расчет для остальных сечений рассчитывается по
аналогии. Округленные результаты по сечениям сведем в таблицу 3.
Таблица 3.
|
i
|
Fiв(мм2)
|
Fiв1(мм2)
|
δi(мм)
|
δi1(мм)
|
biп (мм)
|
Вi(мм)
|
Нiп (мм)
|
|
1
|
3370
|
1763
|
10
|
15
|
65
|
77
|
80
|
|
2
|
2858
|
1496
|
9
|
13
|
59
|
74
|
72
|
|
3
|
2128
|
1114
|
8
|
12
|
52
|
60
|
64
|
|
4
|
1754
|
918
|
7
|
10
|
46
|
59
|
56
|
|
5
|
1312
|
686
|
6
|
9
|
39
|
52
|
48
|
где δi
- толщина вертикальной полки пояса лонжерона в i-ом
сечении;
δi1
- толщина горизонтальной полки пояса лонжерона в i-ом
сечении;iп - высота вертикальной полки пояса лонжерона в i-ом
сечении;
Вi - ширина горизонтальной полки
пояса лонжерона в i-ом сечении;
Нiп - общая высота полки
пояса лонжерона в i-ом сечении.
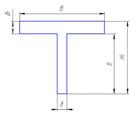
Размеры поясов лонжерона показаны на рисунке 4.
Рисунок 4
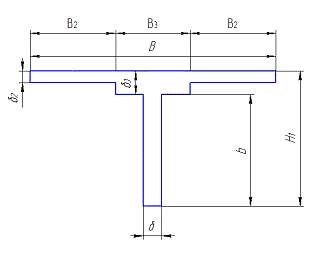
Для уменьшения напряжения на стыке полки
лонжерона и обшивки рекомендуется без изменения расчитанных площадей изменить
линейные размеры поясов лонжерона. Тогда рекомендованное сечение будет
выглядеть как на рисунке 4.1. Где В рассчитанная ширина горизонтальной полки
пояса лонжерона. А уменьшение δ1
по месту крепления обшивки крыла и соответствующего увеличения в средней части
пояса лонжерона с учетом неизменности площади найденных исходных размеров, а
именно В*
1=В*(
2+
3).
Рисунок 4.1
Тогда произведем рассчеты для построения
чертежа, а именно получим новые размеры верхней полки лонжерона. Из условия
2=
3 мм получим для любого сечения
3
=
1
-
2,
3=
15-3 =12 мм.
Из условия сохранения неизменной площади пояса,
т.е. S= const при любых значениях В и
1,
подбираем В2 и В3 что бы удовлетворить это неравенство:
В*
1
= 2В2
2
+В3*
3,
Тогда получим следующую таблицу 3.1
Таблица 3.1
|
B
|
B2
|
B3
|
δ2
|
δ3
|
S
|
|
90
|
40
|
50
|
20
|
3
|
1113
|
|
85
|
35
|
50
|
20
|
3
|
969
|
|
80
|
20
|
60
|
22
|
3
|
698
|
|
70
|
34
|
36
|
12
|
3
|
599
|
|
55
|
19
|
36
|
15
|
3
|
452
|
В3 взят с учетом крепления листов
обшивки болтами диаметром 10 мм в сечениях 1-1,2-2 и 3-3. В сечения 4-4 и 5-5
болт диаметром 6 мм.
Редуцированную площадь нижней панели вместе с
нижними поясами двух лонжеронов в i-ом сечении крыла находим по формуле
Fiред.н =
,
где
-
рабочая высота схематизированного моноблочного крыла в i-м
сечении;
= 0,9 -
коэффициент ослабления нижней панели;
- предел прочности
из справочника для Д-16Т (
40 кг/мм2).
Рассчитаем первое сечение и по аналогии последующие:
1ред.н
=
=
13065,1 мм2.
Округленные данные (
)
сведем в таблицу 4.
Таблица 4.
|
i
|
Нi
|
|
Fiред.н
|
|
1
|
419,3
|
|
13065
|
|
2
|
373,2
|
|
11082
|
|
3
|
332,2
|
|
8252
|
|
4
|
295,7
|
|
6800
|
263,3
|
|
5086
|
расчет суммарной площади нижнего пояса лонжерона
в i-ом сечении крыла Fiн:
iн
= χ Fiред.н
,
для двухлонжеронного крыла
=
+
,
где
-
площадь верхнего пояса 1-го лонжерона в i-ом сечении,
- площадь верхнего
пояса 2-го лонжерона в i-ом сечении.
Площади нижних поясов лонжеронов распределяются
пропорционально высотам этих лонжеронов:
,
=
,
,
=
.
Нижние панели и пояса лонжеронов в полете
растянуты. Поэтому значение Т для нижнего пояса берем из пределов 8÷12.
По выбранному значению Т=10 и величинам
определяем
размеры нижних поясов лонжерона.
При этом:
δi
= k
,
где k = 0,2÷0,25
в нашем случае выберем k=0,23,
biп = Т δi,
Вi =
,
Нiп = biп
+ δi,
δi1=(1,3÷1,5)
δi,
выберем δi1=
1,45 δi.
Произведем расчет для сечения 1-1:
1н
= 0,24 х 13065,1= 3135,6 мм2,
=
=
1640,7 мм2,
δ1
= 0,23
=
9,3 мм,1п = 10 х 9,3 = 93 мм,
δ11=
1,45 х 9,3 = 14 мм,
В1 =
=
57 мм,
Н1п = 90 + 9 = 99 мм.
Для остальных сечений аналогично.
Все округленные расчеты сводим в таблицу 5.
Таблица 5.
|
i
|
Fiн
(мм2)
|
Fiн1
(мм2)
|
δi
(мм)
|
δi1
(мм)
|
biп
(мм)
|
Вi
(мм)
|
Нiп
(мм)
|
|
1
|
3136
|
1641
|
9,3
|
14
|
93
|
57
|
107
|
|
2
|
2660
|
1392
|
8,6
|
12
|
86
|
53
|
98
|
|
3
|
1981
|
1036
|
7,4
|
11
|
74
|
45
|
85
|
|
4
|
1632
|
854
|
6,7
|
10
|
67
|
41
|
77
|
|
5
|
1221
|
639
|
5,8
|
8
|
58
|
36
|
66
|
Аналогично, как и для верхней полки лонжерона
произведем расчеты для нижней и полученные данные занесем в таблицу 5.1.
Таблица 5.1
|
B
|
B2
|
B3
|
δ2
|
δ3
|
S
|
|
90
|
30
|
60
|
18
|
3
|
773
|
|
90
|
30
|
60
|
12
|
3
|
656
|
|
80
|
20
|
60
|
11
|
3
|
488
|
|
70
|
34
|
36
|
6
|
3
|
402
|
|
55
|
19
|
36
|
6
|
3
|
301
|
В3 взят с учетом крепления листов
обшивки болтами диаметром 10 мм в сечениях 1-1,2-2 и 3-3. В сечениях 4-4 и 5-5
болт диаметром 6 мм.
Определение толщины стенки и
шага стоек первого лонжерона
Приведенная поперечная сила в i-ом
сечении Qiпр
(с учетом конусности лонжерона):
iпр
= Qi -
α,
где Qi
-поперечная сила в i-ом сечении,
Мiизг
- общий изгибающий момент в i-ом
сечении;
α
- угол
конусности крыла в радианах.
Поперечная сила приходящаяся на стенку1-го (Qi1)
лонжерона в i-ом сечении:
Qi1= Qiпр
.
Погонные касательные усилия, действующие на
стенку 1-го (qiст1)
лонжерона в i-ом сечении
(рисунок 5).
Рисунок 5
Погонные касательные усилия от поперечной силы Qi(qiQ)
для 1-го
лонжерона:
iQ1=
,
где
=
0,95аi
- расчетная высота 1-го лонжерона в i-ом
сечении.
Погонные касательные усилия от действия Мiкр
можно определить по следующей формуле:
qiМкр =
,
=
di
.
Погонные касательные усилия (суммарные),
действующие на стенку 1-го (qiст1) лонжерона в i-ом
сечении:
qiст1 = qiQ1+
qiМкр.
Произведем расчет для сечения 1-1, для остальных
сечений расчет по аналогии.
iпр
= 41000 -
x
0.03= 25402,8 кг,
Qi1=
25403
=
13880,4 кг,1Q1=
=
32,5 кг мм,
=
х
1800 = 794400 мм2,
qiМкр
=
=
16,05 кг мм,iст1 = 33+16 = 49 кг мм.
Все округленные расчеты сведены в таблицу 6.
Таблица 6.
|
i
|
Qiпр(кг)
|
Qi1(кг)
|
Нi1р(мм)
|
qiQ1(кг
мм)
|
Fконт(мм2)
|
qiМкр(кг
мм)
|
qiст1(кг
мм)
|
|
1
|
25403
|
13880
|
428
|
33
|
794400,0
|
16
|
49
|
|
2
|
13370
|
7306
|
381
|
19
|
629489,5
|
16
|
35
|
|
3
|
8848
|
4835
|
339
|
14
|
498812,9
|
12
|
26
|
|
4
|
5882
|
3214
|
302
|
11
|
395263,7
|
9
|
20
|
|
5
|
4129
|
2256
|
268
|
8
|
313210,4
|
9
|
17
|
Толщина стенки переднего лонжерона в i-ом
сечении:
δiст1=
,
Произведем расчеты для сечения 1-1, для
остальных сечений расчеты аналогичны:
τк
=0,3х40
= 12 кг/мм2,
δ1ст1=
=
4,1 мм.
Полученную толщину округляю до стандартной в
сторону увеличения.
Шаг стоек лонжерона в i-ом
сечении:
=
,
где
-
расчетная высота лонжерона в i-ом
сечении;
Е= 7*105 кг/см2= 7*106
Мпа = 7000 кг/мм2 ,
р
=
к
=0,3δв
.
Произведем расчеты для сечения 1-1, для
остальных сечений расчеты аналогичны:
=
=
276,2 мм.
Принимаем округления в большую сторону и запишем
в таблицу 7.
Таблица 7
|
i
|
δiст1(мм)
|
δiст1окр(мм)
|
tiст(мм)
|
|
1
|
4,1
|
4,5
|
276
|
|
2
|
2,9
|
3,0
|
174
|
|
3
|
2,2
|
2,5
|
144
|
|
4
|
1,7
|
2,0
|
114
|
|
5
|
1,4
|
1,5
|
84
|
Для сечения 5-5 из соображений облегчения
конструкции крыла и технологии производства принимаем шаг стоек равный 100 мм.
Расчет заклепочного шва
крепления стенки лонжерона к поясам
Сила, действующая на одну заклепку крепления
стенки лонжерона к поясу в i-ом
сечении;
Тiз
=
,
где
-
шаг заклепок,
=24÷40
мм в зависимости от диаметра заклепок и числа рядов;
ni
- число рядов заклепок в i-ом
сечении.
Для сечения 1-1 выберем
=33
мм, n = 3 и qст=49
кг мм из таблицы 6 и произведем расчеты:
Т1з =
=
539 кг,
По нагрузке Тiз
из справочных материалов подбираем диаметр заклепок, который равен 5 мм.
Для сечения 2-2 выберем
=
30 мм, n = 2 и qст=
35 кг мм:
Т2з =
=
525 кг,
По нагрузке dз=
5 мм.
Для сечения 3-3 выберем
=
40 мм, n = 2 и qст=
26 кг мм:
Т3з =
=
520 кг,
По нагрузке dз=
5 мм.
Для сечения 4-4 выберем
=
30 мм, n = 2 и qст=
20 кг мм:
Т4з =
=
300 кг,
По нагрузке dз=
4 мм.
Для сечения 5-5 выберем
=
30 мм, n = 2 и qст=
17 кг мм:
Т5з =
=
255 кг,
По нагрузке dз=
4 мм.
3.
Расчет узла крепления крыла к фюзеляжу
Определение нагрузок, действующих на болты узла
крепления крыла к фюзеляжу по лонжерону (рисунок 6).
Сила, действующая на болты от изгибающего
момента в корневом сечении крыла (Рм) по заданному лонжерону
Рм =
,
где
-
изгибающий момент в корневом сечении крыла, приходящийся на j-ый
лонжерон;

Рисунок 6
- расстояние между верхним и нижним болтами
узла крепления крыла к фюзеляжу:
=
,
где
,
-
изгибающие моменты в корневом сечении крыла, приходящиеся на 1-ый лонжерон.
Сила, действующая на болты узла от поперечной
силы в корневом сечении крыла:
РQ
=
,
где
-
поперечная сила в корневом сечении (1-1), приходящаяся на стенку заданного
лонжерона.
Суммарная сила, действующая на болты крепления
крыла к фюзеляжу по лонжерону определяется:
Р∑ =
,
Диаметр болтов крепления крыла к фюзеляжу по
лонжерону определяется:
d =
,
где N
- число плоскостей среза болта, N
= 2,
[τср]
= 0,6 σв.
Для материала болта 30ХГСА σв
= 120 кг/мм2.
Расчет:
М1изг.л.1 = 207200000
=
103186047 кг мм;
Рм =
= 229302,3 кг;
РQ
=
=
20500 кг;
Р∑ =
= 230216,9 кг;
d =
=
45,1 мм.
Из условия прочности выбираем диаметр болтов
равный 48 мм.
3.1 Расчет проушины узла крепления крыла к
фюзеляжу
Расчет на смятие:
σсм
=
<
[σсм],
где Fсм
- площадь смятия, определяемая по формуле:
см
= d δу,
δу
- толщина проушины узла (рисунок 7),
[σсм]
= 1,3 σв
- для болтов, установленных с гарантированным натягом, σв=120
кг/мм2 для стали 30ХГСА.
Рисунок 7.
Для расчета толщины проушины узла (δу)
необходимо, чтобы коэффициент запаса прочности по смятию (ηсм)
составил:
ηсм
=
=
0,15
0,35;
Fсм
= 48 * 36 = 1728,0 мм2;
σсм
=
=
133,2 кг/мм2,
из условия прочности по смятию имеем
σсм
1,3*120=156
кг/мм2.
Тогда коэффициент запаса прочности по смятию на
основании высчитанного σсм
составит:
ηсм
=
=
0,15.
Подбираем толщину проушины равную 36 мм, т.к. ηсм=
0,15 соответствует допуску 0,15
0,35.
Расчет на разрыв:
σразр
=
<
σв,
где Fразр
- площадь разрыва, определяемая по формуле:
Fразр
= (bу
- d) δу,
Величина bу
определяется из условия:
(bу
- d) δу
,
bу
d
,
тогда с учетом допуска выберем bу
= 115 мм и тогда площадь разрыва
разр
= (115 - 48) х 36,0 = 2412,0 мм2
σразр
=
=
95,4 кг/мм2
ηразр
=
=
0,2
0,4
ηразр
=
=
0,21.
Величина ηразр
находится в пределах 0,2
0,4. Высоту
проушины выбираем равную 115,0 мм.
Расчет на срез:
τ =
<
[τср],
где Fср
- площадь среза, определяемая по формуле:
Fср
= (tу
-
)
δу,
[τср]
= 0,6 σв
- для болтов, установленных с гарантированным натягом.
Величина tу
определяется из условия:
< Fср
,
(tу
-
)
δу
,
tу
+
,
с учетом допуска определяем tу
= 80,0 мм.
ср
= (80 -
)
х 36 = 2016 кг/мм2 ,
τ =
=
57,1 кг/мм2 ,
ηср
=
=
0,2 .
Величина ηср
входит в пределы
ηср
=
=
0,2
0,4.
Принимаю размеры проушины крепления крыла по
первом лонжерону: δу=
36,0 мм; bу=
115,0 мм; tу=80,0
мм.
Расчет крепления узла к лонжерону крыла
Крепление узла к верхнему и нижнему поясам
лонжерона выполняем для силы Рм (рисунок 6). Определяем нагрузки
действующие на болты узла крепления крыла к фюзеляжу по верхнему поясу
лонжерона:
Рм = Р1 + Р2,
где Р1 - составляющая силы Рм,
передающаяся по горизонтальной полке пояса лонжерона с площадью F1,
Р2 - составляющая силы Рм,
передающаяся по вертикальной полке пояса лонжерона с площадью F2.
Силы Р1 и Р2 определяются
Р1 = Рм
,
Р2 = Рм
,
F1
= Вi
δi1,2=
biп δi
,
F1
= 77 * 15 = 1113,2 мм2 ,
F2=
63 * 10 = 942,5 мм2 ,
Р1 = 240930
= 149046,3 кг ,
Р2 = 240930
= 80255,7 кг .
Количество болтов крепления по горизонтальной
полке верхнего пояса 1-го лонжерона определяется:
1
=
,
[Рср.
]
=
τср,
где [Рср.
]
- допускаемая срезная нагрузка для болта данного диаметра;
m1 -
количество плоскостей среза для болтов крепления по горизонтальной полке пояса
лонжерона с узлом, m1
=
1,
[τср]
= 0,6 σв
- для материала болта;
для стали 30ХГСА:
σв
= 120 кг/мм2 => [τср]
= 0,6*120 = 72 кг/мм2
Диаметр болтов принимаю равным d=10
мм:
[Рср.б] =
72
= 5654,9 кг мм,
nв1
=
=
26,4
выберем 28 болтов.
2
=
m2 -
количество плоскостей среза для болтов крепления вертикальной полки пояса
лонжерона с узлом, m2
=
2,
nв2
=
=
7,1;
принимаем n2
=
8 болтов d=10 мм для верхнего
пояса.
Количество болтов крепления со стенкой лонжерона
определяется:
n3
=
,
где m3
-
количество плоскостей среза для болтов крепления стенки лонжерона с узлом, m3
=
2,
Q1 -
поперечная сила в корневом сечении, приходящаяся на стенку 1-го лонжерона.
Получим
3
=
=
3,3;
принимаем по 4 болта d=10
мм для каждого пояса.
Необходимое количество болтов d=10
мм для крепления узла к лонжерону: n1=
28, n2=
8, n3=
4.
4.
Расчет стыка поясов лонжерона
Для стыка поясов лонжерона примем сечение 3-3 и
определим действующие силы вдоль поясов.
Вдоль пояса лонжерона действует сила
определяемая по формуле:
Р13 =
,
М3изг.л.1 = М3изг.л.
,
Р3г = Р31
,
Р3в = Р31
,
где Р3г - сила,
действующая по горизонтальной полке пояса в сечении 3-3,
Р3в - сила, действующая по
вертикальной полке пояса в сечении 3-3.
Рассчитаем стык по формулам:
М3изг.л.1 = 98700000
=
51324000 кг мм,
Р31 =
=
154497,3 кг;
F3г
= 66 * 11= 726 мм2;
F3в
= 50* 8 = 400 мм2 ;
Площади горизонтальной (F3г)
и вертикальной (F3в)
полок верхнего пояса указаны на рисунке 8.
Рисунок 8
Р3г = 154497,3
= 98878,3 кг;
Р3в = 154497,3
=
55619,0 кг.
Аналогично рассчитаем по нижнему поясу
лонжерона:
3г
= 45 * 11= 495 мм2;
F3в
= 74* 7 = 518 мм2 ;
Р3г = 154497,3
= 75495 кг,
Р3г = 154497,3
= 79003 кг
Количество болтов крепления перестыковочных
накладок по горизонтальной (nг)
и вертикальной (nв)
полкам определяем по формулам:
nг
=
,
nв
=
,
где [Рср.б.] - допускаемая нагрузка
среза для болта данного диаметра,
m3г
-
число плоскостей среза болтов крепления накладок по горизонтальной полке, m3г
=
1;
m3в
-
число плоскостей среза болтов крепления накладок по вертикальной полке, m3в
=
2 .
Для верхнего пояса:
г
=
= 17,5
принимаем количество 18 болтов диаметром 10 мм;
в
=
= 4,9
принимаем 5 болтов диаметром 10 мм .
Для нижнего пояса:
г
=
= 13,3
примем 14 болтов d=10
мм;
в
=
= 6,9
примем 7 болтов d=10
мм.
Необходимое количество болтов крепления: nг=
32, nв=
12 штук.
Заключение
По предложенным исходным данным площади и
размеры верхнего и нижнего поясов переднего лонжерона в заданных сечениях
составили с учетом уменьшение δ1
по месту крепления обшивки крыла и соответствующего увеличения в средней части
пояса лонжерона
Верхний пояс:
|
i
|
Fiв(мм2)
|
Fiв1(мм2)
|
δi(мм)
|
δi1(мм)
|
biп (мм)
|
Вi(мм)
|
Нiп (мм)
|
|
1
|
3370
|
1752
|
10
|
3
|
65
|
85
|
75
|
|
2
|
2858
|
1486
|
9
|
3
|
59
|
80
|
68
|
|
3
|
2128
|
1107
|
8
|
3
|
52
|
70
|
60
|
|
4
|
1754
|
912
|
7
|
3
|
46
|
70
|
53
|
|
5
|
1312
|
686
|
6
|
3
|
39
|
52
|
45
|
Нижний пояс:
|
i
|
Fiн (мм2)
|
Fiн1 (мм2)
|
δi
(мм)
|
δi1
(мм)
|
biп (мм)
|
Вi (мм)
|
Нiп (мм)
|
|
1
|
3136
|
1631
|
9
|
3
|
90
|
63
|
99
|
|
2
|
2660
|
1383
|
9
|
3
|
90
|
44
|
99
|
|
3
|
1981
|
1030
|
7
|
3
|
70
|
54
|
77
|
|
4
|
1632
|
849
|
7
|
3
|
70
|
36
|
77
|
|
5
|
1221
|
635
|
6
|
3
|
60
|
31
|
66
|
Толщины стенок и шаг стоек лонжерона в сечениях
составили:
|
i
|
δiст1окр(мм)
|
tiст(мм)
|
|
1
|
4,5
|
278
|
|
2
|
3,0
|
174
|
|
3
|
2,5
|
144
|
|
4
|
2,0
|
114
|
|
5
|
1,5
|
100
|
Рассчитанный заклепочный шов крепления верхнего
и нижнего поясов лонжерона к его стенке между расчетными сечениями составил:
для сечения 1-1-
=33
мм, n = 3, dз=
5 мм;
для сечения 2-2 -
=
30 мм, n = 2, dз=
5 мм;
для сечения 3-3 -
=
40 мм, n = 2, dз=
5 мм;
для сечения 4-4 -
=
30 мм, n = 2, dз=
4 мм;
для сечения 5-5 -
=
30 мм, n = 2, dз=
4 мм.
Рассчитанный стык поясов лонжерона по сечению
3-3.
Количество болтов крепления перестыковочных
накладок по горизонтальной (nг)
и вертикальной (nв)
полкам nг=
32, nв=
12 штук d=10 мм.
Спроектированный и рассчитанный узел крепления
крыла к фюзеляжу по первому лонжерону имеет следующие размеры: толщина проушины
узла равно 38,0 мм; высота проушины - 115,0 мм; расстояние от центра болта до
края узла - 79,0 мм.
После выполнения необходимых расчетов выполнил
чертежи, которые прикладываются на трех листах формата А-1.
Список использованных источников
1.
С.К.
Кириакиди, А.Н. Демешко Методические указания к выполнению курсовой работы по
курсу "Конструирование детали и узлов самолета" "Расчет
лонжеронов моноблочного крыла самолета" для студентов специальности 130100
"Самолёто- и вертолетостроение" дневной и вечерней форм обучения №
87-96// ВГТУ, Воронеж, 1996г.;
2.
Справочная
книга по расчету и проектированию конструкций/ М.В. Астахов, А.В. Караваев,
С.Я. Макаров, Я.Я. Суздальцев; под ред. Е.Л. Веллер - М.: Типография
Оборонгиза, 1954.- 700 с.
3.
Е.С.
Войт проектирование конструкций самолётов: учебник для студентов вузов,
обучающихся по специальности "Самолётостроение" / Е.С. Войт, А.И.
Ендогур и др. - М.: Машиностроение, 1987. - 416 с.
4.
Г.И.
Житомирский Конструкция самолетов: Учебник для студентов авиационных
специальностей ВУЗов - М.: Машиностроение, 1991. - 400 с.: ил.