Тепловой расчет аппарата с перфорированным корпусом
Содержание
Введение
. Анализ технического задания
. Выбор системы охлаждения
. Расчет теплового режима блока
. Выбор конструкции и расчет параметров радиатора
.1 Эффективный коэффициент теплоотдачи радиатора
.2 Выбор радиатора
.3 Расчет параметров радиатора
Заключение
Список литературы
Введение
Большинство радиотехнических устройств, потребляя от источников питания
мощность, измеряемую десятками, а иногда и сотнями ватт, отдают полезной
нагрузке от десятых долей до единиц ватт. Остальная электрическая энергия,
подводимая к аппарату, превращаясь в тепловую, выделяется внутри аппарата.
Температура нагрева аппарата оказывается выше температуры окружающей среды, в
результате чего происходит процесс отдачи теплоты в окружающее пространство.
Этот процесс идет тем интенсивнее, чем больше разность температур аппарата и
окружающей среды. Специалисты в области создания новых радиоэлектронных
аппаратов знают, что расчеты теплового режима аппаратов столь же необходимы,
как и расчеты, связанные с функциональным назначением их. Интуитивные методы
проектирования РЭС и в частности реализация нормального теплового режима
складывались годами. Такой подход в настоящее время оказывается не в состоянии
обеспечить выбор в исключительно сжатые сроки безошибочных, близких к оптимальным
решений. Известно, что надежность элементов радиоэлектронной аппаратуры сильно
зависит от температуры окружающей среды. Для каждого типа элемента в
технических условиях указывается предельная температура, при превышении которой
элемент нельзя эксплуатировать. Поэтому одна из важнейших задач конструктора
радиоэлектронной аппаратуры состоит в том, чтобы обеспечить правильные тепловые
режимы для каждого элемента. Целью данной курсовой работы является получение
навыков теплового расчета на примере аппарата с перфорированным корпусом.
1. Анализ технического задания
Исходя из данных, указанных в техническом задании, можно сказать, что
мощность, выделяющаяся в блоке, составляет 34 Вт. Рассеиваемая мощность
оказывает влияние на выбор способа охлаждения.
Температура окружающей среды (Тс), равная 323 К, является средней и будет
незначительно влиять на тепловой режим блока.
Давление окружающей среды и нагретой зоны, отличное от нормального,
оказывает влияние на перегрев корпуса. В соответствии с техническим заданием,
давление окружающей среды Н1 равно 0,05 МПа, что не является нормальным
атмосферным давлением. Исходя из этого коэффициент, учитывающий давление
воздуха, Кн1 = 1,2 (рисунок 1.1).
Рисунок
1.1 - Зависимость
от давления окружающей среды: а)
; б)
.
Коэффициент
заполнения Кз влияет на величину воздушного зазора. В соответствии с
техническим заданием величина коэффициента заполнения Кз= 0,31.
Мощности, рассеиваемые элементами:
первый транзистор КТ605 - 1.2 Вт;
второй транзистор КТ605 - 1.3 Вт;
третий транзистор КТ605 - 1.8 Вт.
Анализируя эти данные, можно сделать вывод, что мощности, выделяемые на
транзисторах не являются высокими и не достигают номинальной мощности
транзисторов, которая равна 10 Вт. Уже на этой стадии можно сделать вывод о
том, что транзисторы будут работать в нормальном тепловом режиме и
дополнительное охлаждение не требуется. Но так, как по условию технического
задания нужно рассчитать радиатор для наиболее теплонагруженных элементов, то
расчет проведем для транзистора, на котором выделяется наибольшая мощность.
Транзистор КТ605 имеет прямоугольную форму с площадью основания 85,8 мм2
(рисунок 1.2). Для него критической температурой p-n перехода является 125 °С,
а критической температурой корпуса 100 °С .
Рисунок 1.2 - Транзистор КТ-605
Проанализировав исходные данные можно сделать вывод, что их достаточно
для теплового расчета блока.
2. Выбор системы охлаждения
Способ охлаждения во многом определяет конструкцию радиоэлектронной
аппаратуры (РЭА), поэтому даже на ранней стадии проектирования, то есть на
стадии технического предложения или эскизного проекта, необходимо выбрать
систему охлаждения РЭА. Для предварительной оценки и выбора способа охлаждения,
необходимо определить два основных показателя /1, стр.119/.
Первый показатель - перегрев относительно окружающей среды Tc корпуса наименее теплостойкого элемента,
для которого допустимая температура имеет минимальное значение. Этот показатель
определяется по формуле
υс = Ti min - Tc (2.1)
где Ti min - допустимая температура корпуса наименее
теплостойкого элемента;
Тс - температура окружающей среды (задана в техническом задании).
Так как все элементы по условию технического задания одинаковы, но на них
выделяются разные мощности, то наиболее большое тепловыделение будет у третьего
транзистора. Для этих элементов минимальное значение допустимой температуры
равно T min = 373 К.
Подставляя значение Тс = 323 К и выбранное минимальное значение
допустимой температуры T min = 373 К в формулу (2.1), получим
υс = 373 - 323 = 50 К
Второй показатель q
равен плотности теплового потока, проходящего через условную площадь
поверхности Ап теплообмена
q = Фkн1/Ап (2.2)
где Ф - суммарная мощность, рассеиваемая в блоке;
kн1 -
коэффициент, учитывающий давление воздуха;
Ап - условная площадь поверхности теплообмена.
Условная площадь поверхности теплообмена Ап определяется по следующей
формуле
Ап = 2 [L1 L2 + (L1 + L2)L3 Кз] (2.3)
где L1, L2, L3 -
горизонтальные и вертикальные размеры блока, указанные в техническом задании, в
метрах;
Кз - коэффициент заполнения.
В данном случае имеем значения: L1 = 0,34 м, L2 = 0,17 м, L3 = 0,1 м, Кз = 0,31.
Подставляя эти значения в формулу (2.3), получим
Ап = 2Ч[0,34Ч0,17 + (0,34 + 0,17)Ч0,1Ч0,31] = 0,15 м2
Зная, что мощность составляет Ф = 34 Вт, kн1 = 1,2 при Н1= 0,05 МПа и Ап = 0.15 м2, по формуле (2.2)
рассчитаем второй показатель и получим
q =
34Ч1,2 / 0,15 = 272 Вт/м2
lg q = 2,4 (2.4)
Полученные в результате расчетов показатели υс = 50 К и lg q = 2,4, являются координатами точки.
Рисунок 2 - Области целесообразного применения различных способов
охлаждения.
Где 1 - свободное воздушное; 2 - свободное и принудительное воздушное; 3
- принудительное воздушное; 4 - принудительное воздушное и жидкостное; 5 -
принудительное испарительное; 6 - принудительное жидкостное и свободное
испарительное; 7 - принудительное жидкостное, свободное и принудительное
испарительное; 8 - свободное принудительное и свободное испарительное; 9 -
свободное и принудительное испарительное.
Из рисунка 2 получим, что данная точка попадает на границу области 1 и 2.
Таким образом, возможно применение как свободного, так и принудительного
охлаждения. Остановимся на выборе свободного воздушного охлаждения.
Рисунок 3 - Вероятностные кривые для РЭА в перфорированном корпусе при
свободном воздушном охлаждении
Из рисунка 3 находим вероятность нормального охлаждения, для выбранного
способа охлаждения. Из графика находим что вероятность р=0,8. Следовательно,
подобный способ охлаждения может быть выбран, но следует уделить внимание
анализу теплового режима в дальнейшем.
3. Расчет теплового режима блока
Так, как для РЭА выбран перфорированный корпус с расположением перфорации
на задней части крышки корпуса, то все расчеты произведем для этого типа.
Исходные данные для расчета: Р = 34 Вт, Рэл1 = 1,2 Вт, Рэл2 = 1,3 Вт,
Рэл3 = 1,8 Вт, l1 =
0,34 м, l2 = 0,17 м, l3 = 0,1 м, Sэл1 =
Sэл2 = Sэл3 = 85,8Ч10-3 м2,
Кз = 0,31, Тс = 323 К, Н1 = Н2 = 0,05 МПа, n = 100, d =
6Ч10-3 м.
) Определяем поверхность корпуса блока по формуле (3.1)
(3.1)
2) Определяем условную поверхность нагретой зоны (3.2)
) Определяем удельную мощность корпуса блока (3.3)
радиатор теплоотдача перегрев мощность
(3.3)
) Определяем удельную мощность нагретой зоны (3.4)
(3.4)
) Находятся
коэффициенты
и
в
зависимости от удельной мощности корпуса блока и удельной мощности нагретой
зоны (рисунок 3.1 и 3.2)
Рисунок 3.1 - Зависимость перегрева корпуса от удельной мощности
Рисунок 3.2 - Зависимость перегрева нагретой зоны от удельной мощности
рассеивания
Из
графиков находим, что 
.
) Находятся
коэффициенты
и
в
зависимости от давления вне и внутри корпуса блока -
,
(рисунок
3.3 и 3.4)
Рисунок
3.3 - Зависимость
от давления окружающей среды: а)
; б)
.
Рисунок
3.4 - Зависимость
от давления среды внутри аппарата: а)
; б)
.
Из
графиков находим, что 
7) Рассчитывается площадь перфорационных отверстий.
Для
круглых отверстий
(3.5)
где
- диаметр отверстия.
8) Рассчитывается коэффициент перфораций (3.6)
(3.6)
) Находится
коэффициент
в зависимости от перфораций (рисунок 3.5)
Рисунок
3.5 - Зависимость
от коэффициента перфораций
Из
рисунка находим, что
10) Определяется перегрев корпуса блока (3.7)
(3.7)
11) Определяется перегрев нагретой зоны (3.8)
(3.8)
12) Определяется средний перегрев воздуха в блоке (3.9)
(3.9)
13) Рассчитываются удельная мощность элемента, перегрев поверхности
элемента, перегрев окружающей элемент среды по (3.10), (3.11), (3.12)
(3.10)
(3.11)
(3.12)
14) Находятся температуры корпуса блока, нагретой зоны, поверхности
элемента, воздуха в блоке, окружающей элемент среды по (3.13), (3.14), (3.15),
(3.16), (3.17).
(3.13)
(3.14)
(3.15)
(3.16)
(3.17)






Таким
образом, по результатам проведенных расчетов можно сделать вывод, что
дополнительный отвод тепла от элементов, то есть применение радиатора, не
требуется. Так как максимальный перегрев элемента составляет 12,6 °С при
температуре окружающей среды 50 °С. Это говорит о том, что все транзисторы
работают в нормальном тепловом режиме. В то же время учитывая условия технического
задания проведем расчет радиатора.
4.
Выбор конструкции и расчет параметров радиатора
Для
системы воздушного охлаждения широкое применение получили радиаторы, которые
различаются по виду развитой площади поверхности, а именно: пластинчатые,
ребристые, игольчато-штыревые, типа «краб», жалюзийные, петельно-проволочные.
Исследования
теплообмена радиаторов различного типа позволили построить приближенную
зависимость среднего перегрева us = ts-tc основания площадью A
от удельной нагрузки q = Ф/A (A=L1L2, A=pD2/4) при свободной
и вынужденной вентиляции. Этот график приведен в приложении Б.5 /1/ и позволяет
остановиться на том или ином типе радиатора, если заданы поверхностная
плотность теплового потока q и допустимый перегрев us основания.
Для
характеристики теплообменных свойств радиатора используют следующие параметры:
эффективный коэффициент теплоотдачи aэф, тепловую
проводимость sS, тепловое сопротивление RS. Эти параметры связаны со средним перегревом us основания и рассеиваемым потоком Ф зависимостями
aэфA = så =
R-1å , A = L1L2 , A = pD2/4 ,
Ф = såus
= R-1åus = aэф us A, (4.1)
где
L1, L2 - размеры основания прямоугольного радиатора;- диаметр круглого
основания.
Формула
(4.1) справедлива для радиатора любого из рассмотренных выше типов; вся
сложность процессов переноса теплоты и конструктивные особенности сосредоточены
здесь в одной величине - эффективном коэффициенте теплоотдачи. Он может быть
определен экспериментально или расчетным путем. В первом случае в основу
положена зависимость (4.1), позволяющая по найденным из опыта значениям Ф и us определить aэф . В приложении Б.5 /1/ приведены полученные таким
способом зависимости для различных типов выпускаемых промышленностью
радиаторов. С помощью этих графиков можно подобрать радиатор, средняя
температура основания которого не превышает заданной величины.
Рассмотрим
теперь на примере пластинчатых, ребристых и игольчато-штыревых конструкций
радиаторов расчетный метод определения параметров aэф, sS или RS. Необходимость анализа процесса
теплообмена радиаторов связана с непрерывным изменением выпускаемых
промышленностью типоразмеров радиаторов. Представим тепловую модель одиночного
ребра или штыря в виде стержня произвольного сечения f с периметром U и длиной
h, находящегося в среде с температурой tc и коэффициентом теплоотдачи с боковой
поверхности a. Перегрев хi торца стержня i, в который входит поток
Фi определяется по формуле
ui = [Фi/(lfb)]ctgbh`,b2 = aU/(lf),h`= h + f/U (4.2)
Тепловое
сопротивление Ri одиночного стержня на основании этой зависимости
Ri = sI-1 = vi / Фi =
ctgbh`/ (lfb) (4.3)
Общая
проводимость sSр оребренной части радиатора равна сумме проводимостей
si всех N ребер
såр =
= Nsi (4.4)
Если
проводимость от неоребренной части радиатора равна sHр, то общая проводимость радиатора
så = sнр + Nlfbthbh` (4.5)
Параметр
b содержит коэффициент теплоотдачи боковой поверхности ребра или штыря, который
определяется из соответствующих критериальных уравнений. В частности, для
вынужденной конвекции воздушной среды может быть рекомендована формула
=
aL/lв = 0,21 Re0,8 , Nu = aL/lв , Re = upL/vв
(4.6)
где
lв , nв - теплопроводность и
кинематическая вязкость воздуха при средних значениях температур;- определяющий
размер для данного вида оребрения;
up- расчетная
скорость движения воздуха для данного вида оребрения.
Особенности
теплообмена радиатора учтены выборе параметров L и up, которые равны для ребристых поверхностей up = 1,25u, L = L1 , для игольчато-штыревых радиаторов
=
d, up = uSш/( Sш - d)
где
u- средняя скорость движения воздуха; Sш - шаг
оребрения; d - диаметр штыря.
.2
Выбор радиатора
На
рисунке 4.1 схематически изображен радиатор 1 с закрепленным на нем прибором 2,
внутри которого имеются источники мощностью Ф, разогревающие рабочую область
прибора и его корпус до температур tр и tк; в месте крепления прибора к
радиатору температура основания радиатора tи , а средняя температура основания
радиатора ts.
Приведем
исходную информацию, которая должна быть при проектировании или выборе
радиатора: предельно допустимая температура рабочей области прибора (tр)доп или
его корпуса (tк)доп; рассеваемая прибором мощность Ф; температура tс окружающей
среды; внутреннее тепловое сопротивление Rвн прибора между рабочей областью и
корпусом; способ крепления прибора к радиатору, который характеризуется
тепловым сопротивлением Rк контакта. Проектируемый радиатор должен
удовлетворять некоторым дополнительным требованиям: иметь малую массу и
габариты, выполнять свои функции при наименьшем расходе воздуха.

Рисунок
4.1 - Температурное поле радиатора и прибора
На
рисунке 4.1 представлена схема соединения тепловых сопротивлений между рабочей
областью и окружающей средой, из которой следует:
tp - tc =
(tp - tk)+(tk - tи)+(tи - tc), (4.7)
tи - tc =
(tp - tc) - Ф(Rвн + Rk)
Введем
безразмерную величину β, связывающую среднюю температуру ts основания
радиатора и температуру tи в месте крепления прибора к радиатору
b = (tи -
tc)/(ts - tc) = f(B,
) (4.8)
Она
зависит, как показано в приложении Б.2 /1/, от двух чисел подобия:
=
(a1 + a2)A / (ld) и
, (4.9)
где
a1 и a2 - коэффициенты теплоотдачи с
одной и другой сторон радиатора;, Aи - площади оснований радиатора и прибора;
d - толщина основания
радиатора;
l - теплопроводность
материала радиатора.
Функциональная
зависимость (4.8) может быть найдена для любого положения источника на
радиаторе и любых значений его размеров.
ts - tc = [(tp - tc) - Ф(Rвн
-RK)]/b (4.10)
Все
параметры, входящие в квадратные скобки формулы (4.10), заданы, а параметры (ts
- tс) и b неизвестны. Дальнейший подбор радиатора может быть
осуществлен с помощью формул (4.1), (4.8) и графиков, представленных на
рисунках Б.8 - Б.12 /1/ на основе метода последовательных приближений. В первом
приближении задают значение b1 = 1,2 и по формуле (4.10)
определяют (ts - tc), затем в первом приближении задают площадь Aр основания
радиатора и по графикам рисунок Б.12 /1/ подбирают вид оребрения и характер
теплообмена (свободная или вынужденная конвекция). Зная Ф, Aр и (ts - tc), по
формуле (4.3) находят в первом приближении эффективный коэффициент теплоотдачи aэф.
По
графикам, представленным на рисунке Б.8 - Б.11 /1/, уточняют геометрические
размеры параметры радиатора, после чего переходят ко второму приближению
расчетов, а именно: находят безразмерные числа B = aэф Ap / (ld) и по графику рисунок Б.3 /1/ определяют bII и уточняют по формуле (4.10) значение (ts - tс).
.3
Расчет параметров радиатора
Необходимо
подобрать радиатор для охлаждения транзистора KT605, рассеивающего мощность Ф =
1,8 Вт и находящегося внутри блока. Контакт транзистора с радиатором
осуществлен по площади Aи = 0,085 м2; внутреннее тепловое сопротивление прибора
Rвн = 40 °С/Вт, тепловое сопротивление контакта Rк = 1,2 °С/Вт, допустимая
температура коллекторного перехода в транзисторе tр доп = 125 °С; условия теплообмена
- свободная конвекция, температура воздуха в блоке tс = 50 °С.
По
формуле (4.7) определяем температуру tи в месте крепления транзистора
tи - tc = (125 -
50) - 1,8Ч(40 +1,2) = 0,84 °С.
В
первом приближении принимаем bI = 1,2 и находим
-
tc = 
= 0,7 К
Задаем
из дополнительных соображений в первом приближении площадь A основания; пусть A
= 0,17
0,1 =
0,02 м2. Тогда плотность теплового потока
=

Вт/м2.
По
графику, приведенному на рисунке Б.12 /1/ для ts - tс = 0,7 К и q = 90 Вт/м2,
определяем возможный тип радиатора в условиях свободной конвекции.
Как
следует из графиков, необходимо выбрать пластичный радиатор при свободной
конвекции.
По
формуле (4.1) определяем коэффициент эффективной теплоотдачи, необходимый для
обеспечения заданного теплового режима
Вт/(м2∙К)
По
графикам, представленным на рисунке Б.8 /1/, следует выбрать пластинчатый
радиатор с L1=40 мм., L2=40мм.
Находим
по формуле (4.9) второе приближение bII, полагая aэф = a1 + a2, а также выбирая материал
радиатора, например дюралюминия l = 170 Вт/(мЧК) (см.
таблицу А.1 /1/)
B = 
= 0,75

По
графику представленному на рисунке 4.2 находим bII.
Рисунок
4.2 - Зависимость
Полученное
значение βII =
1.
Уточняем
перегрев, рассчитанный при bI = 1,2 для значения βII =
1

К
Уточняем
размер основания и тип радиатора. Согласно графику, приведенному на рисунке
Б.12 /1/, при 
и q=90
Вт/м2 тип радиатора остается прежним.
Находим
по прежней схеме новое значение βIII = 1, то есть
дальнейшие уточнения проводить не имеет смысла, так как βII = βIII.
Окончательно
останавливаемся на радиаторе пластинчатого типа из дюралюминия с площадью
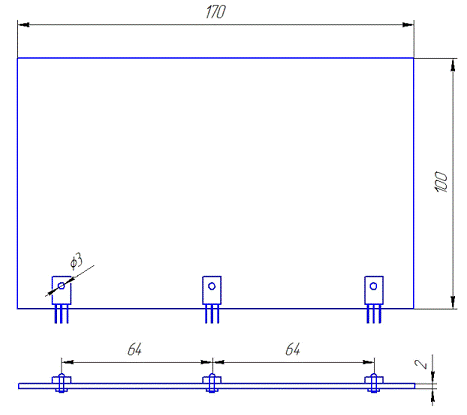
основания А = 0,02 м2 (L1 = 0,17, L2 = 0,1 мм) и d = 0,002 м.
Эскиз радиатора приведен на рисунке
Рисунок
4.2 - Эскиз радиатора
Конструктивно
радиатор выполнен в виде задней стенки корпуса блока, на нем закреплены все 3
транзистора.
Заключение
Список литературы
1. Дульнев Г.Н. Тепло- и массообмен в
радиоэлектронной аппаратуре.- М.:Высш. шк., 1984-274 с.
2. Полупроводниковые приборы:
Транзисторы. Справочник / В.А. Аронов, А.В. Баюков, А.А. Зайцев и др. Под ред.
Н.И. Горюнова. - М.: Энергоиздат, 1982.-904 с., ил.