|
Вихідні
дані
|
|
Кс,
В/град
|
КУ
|
КМ
|
КГ
|
ТГ,
с
|
КДВ,
град/ (В×с)
|
ТДВ,
с
|
КР
|
R1,МОм
|
R2,
МОм
|
С, мкФ
|
aВХ, град
|
|
80
|
10
|
7
|
10
|
0,015
|
2,0
|
0,02
|
1,0
|
0,5
|
1,0
|
sin t
|
Рис. 1.3 Послідовно коректуючий пристрій
Передатна функція ланцюга наведена нижче:
де
звідси
1.4
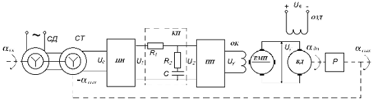
Структурна схема системи. Передатні функції розімкненої та замкненої систем
Для більшої детальності, як працює даний пристрій
і як взаємодіють його частини, побудуємо структурну схему спостерігаючої
системи. Відображаємо основні блоки та зв’язки між ними.
Структурна схема спостерігаючої системи наведена
на рис 1.4.
Рис.1.4 Структурна схема дистанційної силової
спостерігаючої системи
Підставимо передатні функції там отримаємо схему
в повному вигляді (рис.1.5).
Рис. 1.5 Структурна схема системи в розгорнутому
вигляді
Знайдемо передатні функції замкненої та
розімкненої системи:
де
- передатна функція прямого каналу,
- передатна функція замкненої системи.
Отже передатна функція замкненої системи спостерігаючої
системи матиме вигляд:
Після підстановки коефіцієнтів та алгебраїчних операцій
приведемо передатну функцію до наступного вигляду, розрахунки виконаємо за
допомогою програми MatLab:
function:
s + 112
----------------------------------------------
.00045 s4 + 0.0528 s3 + 1.535 s2 + 57 s + 112
Передатна функція системи за похибкою наведена нижче:
,
звідси
.
2.
Дослідження стійкості системи
2.1
Дослідження системи за коренями характеристичного рівняння
Стійкість - це здатність системи повертатися в
стан рівноваги після зникнення зовнішніх сил, котрі вивели її з цього стану.
Для стійкості системи необхідно, щоб корені
характеристичного поліному знаходилися в лівій півплощини комплексної площини.
Запишемо характеристичний поліном:
Розв’яжемо дане рівняння, скориставшись програмою MatLab,
та побудуємо корені поліному. Отже корені рівняння дорівнюють:
=- 95.1890- 10.0359 +34.0720i- 10.0359 - 34.0720i- 2.0725
Рис. 2.1 Кореневий годограф
Всі корені поліному знаходяться в лівій півплощині, отже
система стійка. Дослідимо дистанційну силову спостерігаючу систему на стійкість
іншими методами аналізу.
2.2
За критерієм Гурвіца
Суть критерію Гурвіца полягає в тому, що з коефіцієнтів
характеристичного рівняння будують однойменний головний визначник за наступним
правилом: по головній діагоналі визначника зліва направо записують усі
коефіцієнти характеристичного рівняння від
до
в порядку зростання індексів.
Стовпці вгору від головної діагоналі доповнюють
коефіцієнтами характеристичного рівняння з послідовно зростаючими індексами, а
стовпці вниз - коефіцієнтами з послідовно спадаючими індексами. На місце
коефіцієнтів з індексами більше n (n - порядок характеристичного
рівняння) і менше нуля проставляють нулі.
Відкреслюючи в головному визначнику Гурвіца, діагональні
мінори, одержуємо визначники Гурвіца нижчого порядку.
…
Для стійкої системи визначник повинен бути додатнім, для
рівнянь першого і другого порядку - це є обов’язкова і достатня умова
стійкості. Для третьої і більше необхідною, але не достатньою. Так для третьої
степені додатковою умовою є: добуток середніх коефіцієнтів повинен бути більшим
за добуток крайніх (
).
Побудуємо визначник Гурвіца для дистанційно силової
спостерігаючої системи:
;
Для рівняння четвертого порядку необхідно, щоб виконувалась
умова:
Визначники задовольняють всім вимогам критерію Гурвіца,
отже система стійка.
Аналіз за критерієм Гурвіца в MatLab:
Алгоритм програми:
=4.5e-004;=0.528;=1.535;=57;=112;=
[a1 a3 0 0;a0 a2 a4 0;0 a1 a3 0;0 a0 a2 a4]=a1= [a1 a3;a0 a2];=det (d2)= [a1 a3
0;a0 a2 a4;0 a1 a3];=det (d3)>k2 %додаткова умова стійкості=a1*a2=a0*a3=det
(delta)* (a1*a2-a0*a3) - a4* (a1) 2>0
Результат
=
=0.0528=4
.0554=2.8454=0.0810=0.0256>k2=318.6902=2.8454 >0
2.3
За критерієм Найквіста
Критерій Найквіста: якщо система автоматичного
керування стійка в розімкненому стані, то для її стійкості в замкненому стані
необхідно і достатньо, щоб АФЧХ розімкненої системи W (jw) при
зміні w від нуля до нескінченності не охоплювала точку з координатами (-1; j0)
комплексної площини.
Крім того степінь чисельника не повинна бути більшою за
степінь чисельника,
.
При підстановки
отримаємо частотну передатну функцію розімкненої системи:
(1)
Для того, що система була стійкою необхідно, щоб корені
рівняння
(2)
знаходились в лівій півплощині комплексної площини.
Введемо додаткову функцію:
де чисельник:
являє собою характеристичний поліном системи.
Зробимо підстановку
і знайдемо комплекс:
(3)
Змінюючи частоту від - ∞ до +∞, отримаємо
амплітудно-фазову характеристику
на комплексній площині.
Побудуємо діаграму Найквіста за допомогою програми MatLab:
Рис.2.2 Кореневий годограф Найквіста
Розглянемо результуючий кут повороту вектора G1
(jω)
при зміні частоти від - ∞ до +∞. Цей кут є зміною аргументу, (3)
який за правилом ділення комплексних чисел дорівнює різниці аргументів
чисельника
і знаменника
,:
.
Чисельник (3) є характеристичним комплексом. Якщо всі
корені характеристичного D (jω) рівняння лежать в лівій
півплощині, то при зміні частоти від - ∞ до +∞ аргумент зміниться
на величину
, де n - міра характеристичного
полінома.
Знаменник (3) є комплексом тієї ж міри n, причому по
припущенню всі корені (2) лежать в лівій півплощині. Тому результуючий кут
повороту вектора Q (jω) при зміні частоти від - ∞ до +∞
буде рівний
.
Звідси витікає, що в розглянутому випадку результуючий кут
повороту вектора G1 (jω) дорівнюватиме нулю:
. Це означає, що для стійкої замкнутої
системи годограф вектора G1 (jω) не повинен охоплювати початок
координат.
Частотна передатна функція Gроз (jω)
відрізняється від допоміжної функції G1 (jω)
на одиницю. Тому можна будувати АФЧХ розімкненої системи з виразу (1), що
простіше. Але в цьому випадку АФЧХ не повинна охоплювати точку з координатами
(-1, jω).
Це є достатньою і необхідною умовою того, щоб замкнута система була стійкою.
З мал.2.2 видно що крива АФЧХ не охоплює точку (-1, jω),
а отже система стійка.
2.4
За критерієм стійкості А.В. Михайлова
У критерії Михайлова в якості визначальної
використовується крива, яку описує кінець вектора:
при зміні ω від
до
.
Нехай характеристичний поліном системи:
Після підстановки
одержуємо:
де
(n - парне).
Зображення в площині координат
і
при різних значеннях частоти дає криву Михайлова. Оскільки до
складу
входять лише парні степені ω,
то крива симетрична щодо вісі
.
Відповідно до основної теореми алгебри всякий багаточлен n
- го степеня може бути зображений у вигляді добутку двочленів:
де
- корені рівняння
.
Розглянемо площину комплексної змінної p. Нехай всі
корені
знаходяться ліворуч від уявної вісі.
Розглянемо, як зміниться аргумент вектора
, якщо ω змінюється від - ∞ до +∞.
можна представити як добуток співмножників
. Тому зміна аргументу
буде дорівнювати сумі змін аргументів
кожного зі співмножників.
Якщо всі корені
знаходяться ліворуч від уявної вісі, то зміна аргументу кожного
із співмножників
при зміні ω від - ∞ до +∞ буде
дорівнює π
(будемо вважати додатнім напрямок обертання вектора
проти годинникової стрілки), а повна
зміна аргументу
буде дорівнювати
, де n - вища степінь багаточлена.
Якщо всі корені знаходяться праворуч від уявної вісі, то
зміна аргументу кожного співмножника
при зміні ω від - ∞ до +∞ буде
дорівнювати
(вектор
робить поворот за годинниковою стрілкою), а повна зміна аргументу
буде дорівнювати
.
Нехай праворуч від уявної вісі знаходиться
коренів. Отже, ліворуч їх буде
. Зміна ω від - ∞ до +∞
викликає повну зміну аргументу
на величину:
Таким чином, про стійкість системи можна судити по
збільшенню аргументу
. Так як крива
являє собою симетричну криву щодо вісі
абсцис, то можна змінювати ω від - ∞ до +∞. Внаслідок
симетрії кривої повна зміна аргументу
буде дорівнювати
.
Сформулюємо критерій стійкості Михайлова: для того щоби
лінійна система автоматичного керування, що має характеристичне рівняння n-го
порядку, була стійкою, необхідно і достатньо, щоби при зміні ω
від - ∞ до +∞. повна зміна аргументу вектора
повинна дорівнювати
, де n - степінь характеристичного
рівняння.
Іншими словами, крива Михайлова повинна бути розташована
так, щоб послідовно перетинати n квадрантів.
На рис.2.3 а зображені криві Михайлова для стійких систем
від першого до п’ятого порядків. Криву Михайлова для стійкої системи називають
правильною.
На рис. 2.3 б, в показані криві Михайлова для стійкої і
нестійкої систем четвертого порядку.
Рис.2.3
При виводі критерію Михайлова не розглядалося розташування
хоча б одного кореня на уявній вісі. Якщо вектор
має множник
(рис.2.4 а) чи
(рис.2.4 б) а, отже, обертається в нуль
на початку координат і в спряжених точках
. Аргумент нульового вектора невизначений. Для того щоб внести
визначеність, умовимося при русі точки уздовж уявної вісі
обходити всі корені, що знаходяться на
ній, праворуч по дузі окружності нескінченно малого радіуса. Таким чином,
корені на уявній вісі як би зараховують до коренів лівої півплощини з
нескінченно малою від’ємною дійсною частиною. Формулювання критерію
зберігається і при розташуванні коренів на уявній вісі. Наявність коренів на
уявній вісі відповідає тому факту, що система знаходиться на границі стійкості
і крива Михайлова проходить через початок координат.
Таким чином, якщо крива
проходить близько до початку координат, можна говорити, що система
знаходиться поблизу границі стійкості, тобто судити про степінь стійкості. Для
нестійкої системи також можливе проходження кривої через нуль, але в цьому
випадку нескінченно мала деформація істотно не змінює розташування кривої.
Запишемо рівняння
і
для дистанційної силової спостерігаючої
системи, користуючись знаменником передатної функції замкненої системи:
З наведених вище рівнянь побудуємо годограф Михайлова.
Рис. 2.5 Годограф Михайлова
Крива проходить послідовно всі чотири квадранти, отже
система стійка.
2.5
ЛЧХ та ФЧХ розімкненої системи. Запаси стійкості за амплітудою та фазою
Логарифмічна амплітудно-фазова частотна характеристика
(ЛАФЧХ) - представлення частотного відгуку лінійної стаціонарної системи
<#"599821.files/image106.gif">
Рис.2.6 ЛАХ та ЛФХ
З графіків визначимо запас по амплітуді та запас по фазі.
- запас стійкості по фазі,
- запас стійкості по амплітуді.
2.6
Збільшення запасу стійкості на 5° за рахунок послідовного
коригуючого пристрою
Побудуємо структурну схему дистанційної силової
спостерігаючої системи доповнену корегуючим пристроєм
Рис.2.7 Структурна схема система доповнена
корегуючим пристроєм
Визначимо, яким треба подати значення К, щоб
запаси стійкості задовольняли умові.

отже
.
Побудуємо графіки там перевіримо на правильність
твердження.
Рис. 2.7 ЛАХ та ЛФХ з урахуванням коректувального пристрою
2.7
Навести та проаналізувати графік перехідного процесу та знайти основні
показники якості перехідного процесу
Перехідний процес - в теорії систем представляє
реакцію динамічної системи на прикладену до неї зовнішню дію з моменту прикладання
цієї дії до деякого сталого значення в часовій області. Вивчення перехідних
процесів - важливий крок в процесі аналізу динамічних властивостей і якості
даної системи. Прикладами зовнішньої дії можуть бути дельта-імпульс, стрибок
або синусоїда.
Оцінку запасу стійкості і швидкодії можна
визначити по виду кривої перехідного процесу в системі автоматичного
регулювання при деякій типовій вхідній дії, яка може бути як задаваючою, так і
збурюваною. Як типова вхідна дія розглядається зазвичай одиничний стрибок. У
цьому випадку крива перехідного процесу для регульованої величини буде
перехідною характеристикою системи. Вона може будуватися для регульованої
величини або для похибки.
Схильність системи до коливань, а отже, і запас
стійкості можуть бути охарактеризовані максимальним значенням регульованої
величини або так званим перерегулюванням.
де
є стале значення регульованої величини
після завершення перехідного процесу.
Допустиме значення перерегулювання для тієї або іншої
системи автоматичного регулювання може бути встановлене на підставі досвіду
експлуатації подібних систем. В більшості випадків вважається, що запас
стійкості є достатнім, якщо величина перерегулювання не перевищує
. Проте в деяких випадках вимагається, щоб
перехідною процес протікав взагалі без перерегулювання, тобто був монотонним; у
ряді інших випадків може допускатися перерегулювання
. Швидкодія системи може визначаться по
тривалості перехідного процесу. Тривалість перехідного процесу визначається як
час, що протікає від моменту подання на вхід одиничного стрибка до моменту,
після якого має місце нерівність:
де
- задана мала постійна величина, що є
зазвичай допустимою помилкою. Величина
в окремому випадку може дорівнювати нулю.
За допомогою програми MatLab побудуємо графік перехідного
процесу.
Рис.3.5 Графік перехідного процесу
Знайдемо значення перерегулювання.
Час перехідного процесу знайдемо з графіку.
3.
Визначення похибок системи: статичної, за швидкістю
Як типовий режим розглядається сталий стан при
постійних значеннях задаваючих і збурюючих дій. Похибка системи в цьому випадку
називається статичною. Величина похибки може бути знайдена із загального
виразу:
(*)
для цього необхідно покласти
. Далі необхідно врахувати діючі на
систему збурення. У загальному випадку їх може бути декілька:
і т.д. Тоді в правій частині (*)
з’явиться декілька доданків, визначених наявними збуреннями.
У нерухомому стані необхідно покласти
і т.д. Потім можна використати зображення функції по Лапласу або
Карсона-Хевисайда. Використовуємо, наприклад, зображення Карсона-Хевисайда.
Тоді зображення постійної величини дорівнює їй самій, тобто
і т.д. Далі необхідно скористатися
теоремою граничного переходу і набути сталого значення похибки (статичну
похибку):
де l - число діючих на систему збурень, а
Цей вираз може бути отриманий з операторного рівняння
,
якщо оператора диференціювання
покласти рівним нулю.
Знайдемо статичну похибку дистанційної силової
спостерігаючої системи:
Так як, в нашій системі присутній астатизм першого порядку,
то статична похибка по координаті буде відсутня. Переконаємось в цьому.
Покладемо, що
, тоді:
Звідси видно, що похибка по куту
дорівнює нулю, що й треба було довести.
Дослідження, що наведене вище розглядалось. Коли вхідна дія
постійна, тобто кут
, тепер проаналізуємо похибку, якщо
, як і наведено в завданні, тоді похибка
матиме вигляд:
де
- значення передатної функції за похибкою
при постійній частоті ω (в нашому випадку ω=1), а - амплітуда коливань (а=1),
звідси розрахуємо похибку, підставивши, що
:
Отже з проведених розрахунків було визначено, що статична
похибка по координаті відсутня при постійній вхідній дії (
), але якщо
, то має місце статична похибка, що дорівнує
.
3.1
Зменшення вказаних похибок на 5%. Оцінка зміни стійкості та якості перехідного
процесу
Так як, з отриманих вище розрахунків проведених розрахунків
було визначено, що статична похибка по координаті відсутня при постійній
вхідній дії (
), але якщо
, то має місце статична похибка, що дорівнює
, надалі працюватимемо зі статичною
похибкою, якщо
. Для зменшення вказаної похибки
застосуємо підсилювач в пряму ланку як зображено на рис.3.2.
Рис. 3.2 Структурна схема з ланкою підсилення
Звідси передатна функція набуде наступного
вигляду:
Можна вважати, що в першому випадку (без корегуючої ланки) К=1,
тоді враховуючи дані отримані в пункті 3.1 знайдемо, яким повинно бути значення
К, щоб похибка зменшилась на 5%. Складемо пропорцію та знайдемо К:
, тоді
Звідси
Отже, щоб зменшити статичну похибку за швидкістю необхідно
додати ланку підсилення, з коефіцієнтом підсилення
Оцінимо стійкість та якість перехідного процесу системи з
урахуванням ланки підсилення.=0.95
Передатна функція розімкненої системи:function:
.2 s + 106.4
--------------------------------------
.00045 s4 + 0.0528 s3 + 1.535 s2 + s
function:
.2 s + 106.4
-----------------------------------------------
.00045 s4 + 0.0528 s3 + 1.535 s2 + 57 s + 112= 95.1890
.0359 +34.0720i
.0359 - 34.0720i
.0725
Передатна функція замкненої системиfunction:
.00045 s4 + 0.0528 s3 + 1.535 s2 + 114 s + 224
------------------------------------------------
.00045 s4 + 0.0528 s3 + 1.535 s2 + 57 s + 112
function:
.0004275 s4 + 0.05016 s3 + 1.458 s2 + 108.3 s + 212.8
-------------------------------------------------------
.00045 s4 + 0.0528 s3 + 1.535 s2 + 57 s + 112
Рис.3.3 ЛАХ ЛФХ з ланкою підсилення

Знайдемо значення перерегулювання.
Час перехідного процесу знайдемо з графіку.
Отже з отриманих результатів видно, що введення в ланку
прямого ходу корегуючого пристрою призвело до підвищення запасу по фазі та
амплітуді (
,
), зменшення значення перерегулювання
, проте збільшився час перехідного процесу
(
).
Висновок
Автоматичне керування в техніці, сукупність дій,
спрямованих на підтримку або поліпшення функціонування керованого об’єкту без
безпосередньої участі людини відповідно до заданої мети керування. Автоматичне
керування широко застосовується в багатьох технічних і біотехнічних системах
для виконання операцій, не здійсненних людиною у зв’язку з необхідністю
переробки великої кількості інформації в обмежений час, для підвищення
продуктивності праці, якості і точності регулювання, звільнення людини від
керування системами, що функціонують в умовах відносної недоступності або
небезпечних для здоров’я. Мета керування тим або іншим чином зв’язується із
зміною в часі регульованої (керованою) величини - вихідної величини керованого
об’єкту. Для здійснення мети керування, з урахуванням особливостей керованих
об’єктів різної природи і специфіки окремих класів систем, організовується дія
на органи керування об’єктом - керуючі дії.
В даному випадку пропонувалась дистанційна силова
спостерігаюча система, яку необхідно було проаналізувати на стійкість та
визначити параметрів якості систем. Було запропоновано декілька методів
дослідження стійкості системи, а саме критерій кореневого годографу, критерії
Найквіста, Гурвіца та Михайлова. Також застосовувався метод побудови ЛАХ/ЛФХ. З
отриманих результатів визначили, що дистанційна силова спостерігаюча системи
стійка за всіма критеріями. При дослідженні стійкості методом ЛАХ/ЛФХ, були
визначені параметри системи, такі запас стійкості по амплітуді (
) та запас стійкості по фазі (
). Також згідно з технічним завданням
необхідно було збільшити ці параметри на 5°, цього вдалося досягнути
шляхом додавання до прямого каналу корегуючого пристрою з коефіцієнтом рівним
. Також в роботі проводились дослідження
перехідної характеристики даної системи. Були визначені основні параметри
системи перерегулювання (
) та час перехідного процесу (
).
Виконано дослідження на точність системи. А саме було
визначено, що система має астатизм першого порядку при постійній вхідній дії (
), але якщо
, то має місце статична похибка, що дорівнює
. Пропонувалося зменшення цієї похибки на
5% шляхом додавання корегуючого пристрою в ланку прямого ходу к коефіцієнтом
. Це призвело до підвищення запасу по фазі
та амплітуді (
,
), зменшення значення перерегулювання
, проте збільшився час перехідного процесу
(
).
Отже можна зробити висновок, що система задовольняє
технічним умовам, по стійкості то точності та якості перехідного процесу.
Література
1. Бисекерский В.А. "Теория систем автоматического
регулирования"
2. Подлесный Н.И., Рубанов В.Г.: "Элементы систем
автоматического управления и контроля".
. Лукас В. А.: "Теория автоматического
управления"
. Первозванский А. А.: "Курс автоматического управления"
. Ципкин Я.З.: "Основы теории автоматических
систем"
. Воронов А.А., Титов В.К., Новоградов Б. Н.: "Основы
теории автоматического регулирования и управления"
. Косарев В.П., Королёв А. Ю.: "Экономическая
информатика и вычислительная техника", М.: Финансы и статистика, 1996 -
336с