Розробка конфігурації і програмного забезпечення системи автоматичного керування процесу сушіння у виробництві солоду

  • Вид работы:
    Курсовая работа (т)
  • Предмет:
    Информационное обеспечение, программирование
  • Язык:
    Украинский
    ,
    Формат файла:
    MS Word
    84,41 Кб
  • Опубликовано:
    2014-11-28
Вы можете узнать стоимость помощи в написании студенческой работы.
Помощь в написании работы, которую точно примут!

Розробка конфігурації і програмного забезпечення системи автоматичного керування процесу сушіння у виробництві солоду

Вступ

автоматичний перетворювач мікропроцесорний

Виробництво пива - надзвичайно складний і досить тривалий біотехнологічний процес. На першому етапі зерно замочують, пророщують і піддають термічній обробці з метою перетворення його у солод, збагачений активними ферментами. Потім із подрібненого солоду в результаті ферментативних перетворень крохмалю та білків одержують пивне сусло, яке за допомогою дріжджів та їхніх ферментів зброджують на пиво.

Пиво - це слабоалкогольний пінистий напій, одержаний із пророслих і непророслих зернових культур спиртовим зброджуванням охмеленого сусла пивними дріжджами. Воно не тільки вгамовує спрагу, а й підвищує тонус організму, поліпшує обмін речовин та засвоюваність їжі. Маючи певну харчову цінність, пиво слід розглядати як невід'ємну добавку до харчування.

Пиво являє собою досить складну систему органічних і неорганічних кристалоїдів і колоїдів у слабкому водно-спиртовому розчині. До його складу входять більш як 400 сполук, що визначають високу якість і необхідність для людини цього продукту.

Сушіння є процесом спільного тепло- і масо переносу. Рівняння матеріального і теплового балансу являють собою диференціальні рівняння в частинних похідних. Усі параметри, що характеризують плин процесу, значно розподілені по двох незалежних перемінних - як за часом, так і по висоті шаруючи, вони мають властивість не стаціонарності, а також особливі труднощі викликають визначення математичних залежностей, прямо єднальні режимні параметри з керуючими впливами. Задачу ускладнює також неможливість у більшості випадків безпосереднього виміру основних характеристик тепло- і масо переносу, труднощі визначення внутрішніх параметрів і теплообмінних і масо обмінних властивостей зернової маси (або одиничного елемента), таких, наприклад, як коефіцієнти теплообміну, масообміну, теплопередачі, дифузії, термоградієнтні коефіцієнти, температуропровідність, потенціали переносу тепла і вологи й ін. Усі ці параметри також змінюються як з часом, так і по товщині шаруючи, тому з метою спрощення рішення ряду оптимізаційних задач їх усереднюють, що веде до втрати якості моделювання, нагромадженню погрішності. Складність математичного опису динаміки процесу, відсутність засобів виміру параметрів у конкретних крапках, неможливість проведення якісного експерименту на промислових установках є причиною застосування для розрахунків спрощених математичних моделей. Так, наприклад, широко розповсюджений підхід до щільного високого шару як сукупності елементарних шарів, коли фактично об'єкт із розподіленими параметрами розглядається як сукупність об'єктів із зосередженими параметрами. Слід зазначити, що правомочність такого підходу необхідно щораз обґрунтовувати математично. При використанні традиційних методів оптимізації не визначаються граничні можливості процесів, зіставлення з якими дозволяє оцінити способи, що застосовуються в дійсний момент, керування, а також можливість і доцільність їхнього подальшого поліпшення. У той же час сформувався і знаходить усе більш широке застосування порівняно новий підхід, називаний термодинамічним. Використання його для рішення задач оптимального керування процесами спільного тепло- і масопереносу являє собою альтернативу класичним методам оптимізації, особливо у випадках, коли застосування цих методів важко.

При проектуванні автоматизації вертикальної сушильної установки варто передбачати:

контроль і автоматичне регулювання температури повітря на вході у верхню і нижню зони,

контроль температури теплоносія в припливних камерах,

керування процесом ворошіння солоду і механізмами розрівнювання і пересипання.

При виборі способу перетворення інформації, склад і комплектності технічних засобів автоматизації варто керуватися засадами:

надійності і точності працездатності в конкретних умовах,

зручності обслуговування й експлуатації, економічній доцільності.

1. Опис технологічного процесу

У вертикальних сушарках солод знаходиться між двома вертикально розташованими гратами в шарі шириною близько 20 см і продувається поперемінно з одного і з іншого боку теплим повітрям (рис. 1).


Такий шар солоду називають продуктової шахтою або секцією. В залежності від величини сушарки від 3 до 12 таких солодових шахт відокремлюють один від одного повітряними шахтами шириною близько 80 см. міжповерхових перекриттів сушарка ділиться по висоті на 2 або 3 яруси, завдяки чому в повітряних шахтах виходять проходи. Продуктові шахти діляться на яруси на тій же висоті, що і повітряні. При відкриванні заслінок солод під дією сили тяжіння падає на нижче лежачу грати або в транспортний пристрій для видалення.

У вертикальній сушарці солод опускається з одного ярусу на інший під дією сили тяжіння, солод не ворушать.

Так як у вертикальних сушарках добре використовується сушильне простір, їх відносять до сушарок високої продуктивності. Опалення вертикальних сушарок здійснюється так само, як і горизонтальних: гаряче повітря пронизує шар солоду, надходячи через повітряні форсунки, розташовані в підлогах повітряних шахтних проходів.

Енергоспоживання вертикальних сушарок становить близько 1,2 млн. кДж / кг солоду, що дуже багато, тому дані системи в даний час майже не застосовуються.

Процес сушіння.

У процес сушіння свіжо пророслий солод нагрівають до температури висушування, підтримуваної протягом 3-8 годин, проте нагрів повинен вестися дуже обережно і з урахуванням досягнутого зменшення вологості. Інакше

крохмаль солоду клейстеризуєтся, і виходить склоподібний солод;

в процесі сушіння можуть утворитися продукти розщеплення.

Тому процес сушіння регулюють в залежності від виду солоду. Для кращого з'ясування відмінностей нижче наводяться основні вимоги до виробництва світлого і темного солоду.

Рис. 2. Схема підв'ялювання і сушки для світлого солоду на одноярусної сушарці високої продуктивності (по Нарцису):

1 - температура під гратами; 2 - температура над гратами;

- вологість відводиться повітря; D - прорив.

У зв'язку з цим розрізняють три стадії сушки.

Стадія підв'ялювання свіжо пророслого солоду повільно знижується до 12-14%, причому температура в нижньому шарі солоду не повинна перевищувати 55°С. Більш низькі температури підв'ялювання і більш тривалий підв’ялювання при помірних температурах дають більше продуктів розщеплення жирів в сухому солоді і велику стійкість смаку [151].

В кінці цього періоду крива вологості відводиться повітря (рис. 1, 3) перетинається з кривою температури над гратами (2).

Точка перетину кривих (D) називається проривом і позначає кінець стадії підв'ялювання.

Стадія нагріву.

На стадії нагріву відбувається повільне підвищення температури солоду до температури підсушки при одночасному зниженні вологості приблизно до 5%. Процес підсушки - це підтримання температури підсушки протягом 3-5 годин. (Найчастіше цю стадію розглядають як другу складову частину стадії нагріву.)

Виробництво світлого солоду (пільзенського типу).

При виробництві цього солоду використовуються ячмені з низьким вмістом білків (до 11%); ступінь замочування підтримується на невисокому рівні (42-44%); процеси розщеплення просуваються не дуже глибоко (максимальна температура - 17-18° С, невисока ступінь розчинення, листок зародка складає 2/3 довжини зерна, корінець зародка - 1,5 довжини зерна).

В першій половині процесу при невисоких температурах (І 55°С) вологість знижується до 8-10%, завдяки сильній тязі вентиляторів, так що ферменти не здатні далі вести розщеплення екстрактивних речовин; температура підсушки для світлого солоду становить 80-85°С. Більш високі температури підсушки дають завжди більше попередників компонентів старіння пива, але розщеплення ДМС-П вимагає певного термічного впливу.

Контроль температури в 3-х точках (угорі посередині, внизу) виконують термометрами, які повинні розташовуватися на постійній відстані від решітки. Хоча висушують матеріал не ворушать, солод, як правило, висушується рівномірно, оскільки сушка відбувається на решітці знизу вгору; випаровується при цьому волога підтримує температуру верхніх зволожених шарів солоду на більш низькому рівні і перешкоджає таким чином появі склоподібного солоду. У першій стадії процесу сушіння температура у верхній частині ярусу помітно нижче, ніж у нижній частині ярусу, і вона піднімається лише після досягнення точки прориву.

Виробництво темного солоду (мюнхенського типу).

При виробництві темного мюнхенського солоду застосовуються багаті білком ячмені, ступінь замочування підтримують на високому рівні (44-47%), ферменти працюють інтенсивно і утворюють при пророщування велике число продуктів розщеплення (максимальна температура 20-25° С), достатня розчинення, листок зародка - 3/4 довжини зерна, корінець зародка - 2 довжини зерна).

Протягом першої половини процесу сушіння вологість завдяки зменшенню тяги знижується лише на 20%, і тому ферменти мають сприятливу можливість для продовження освіти продуктів розщеплення екстрактивних речовин. Цей процес називають підв'ялювання. Температура підв'ялювання для темного солоду - 105°С.

Вивантаження солоду з сушарки

Після завершення сушки сушарку слід спорожнити по можливості швидко, щоб можна було її знову завантажити.

Для вивантаження висушеного солоду:

- в більш старих конструкціях його зрушують механічної лопатою;

- в сушарках з перекидним гратами - шляхом її перекидання;

в сушарках з розвантажувальним пристроєм солод зрушують в розташований з бічної сторони солодовий бункер.

Контроль за процесом сушіння

Правильність організації робіт по сушці залежить від постійного контролю наступних факторів:

температури в солоді, над і під ним, температури зовнішнього повітря, а також подається і оборотного повітря;

вологості повітря в шарах солоду;

часу роботи зрушувача;

часу роботи вентилятора;

положення заслінок для свіжого та оборотного повітря, і інші.

Контроль за всіма зазначеними факторами піддається програмуванню і в сучасних установках здійснюється автоматично. Так як завантаження і вивантаження сушарки також можуть бути автоматизовані, то все більшого значення в даний час набуває робота за пультом управління і монітором комп'ютера. Для обслуговуючого персоналу солодового заводу все більшого значення набуває знання взаємозв'язків всіх процесів, що відбуваються.

Отже технологічною метою сушки пивоварного солоду є:

придушення фізіологічних і ферментативних процесів в зерні;

зниження вологості солоду до 3-4% для забезпечення його тривалого зберігання і транспортування;

теплова обробка, в результаті якої солод набуває специфічних органолептичних показників (смак, колір і аромат);

додання крихкості і ламкості солодовим паросткам.

При організації процесу сушки необхідно забезпечити:

завантаження і рівномірний розподіл свіжо пророслого солоду в сушарці;

підготовку сушильного агента (нагрів повітря);

підведення гарячого повітря до об'єкту сушки;

усунення нерівномірності висушування солоду;

рекуперація теплової енергії;

охолоджування свіжо висушеного солоду;

вивантаження висушеного солоду з сушарки.

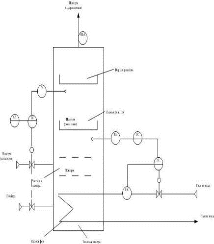
Сушка солоду проводиться в горизонтальних двоярусних або в триярусних сушарках з примусовою тягою. Найбільшого поширення набула двох'ярусна горизонтальна сушарка з повітряним обігрівом, зображена на рис. 3

. витяжна труба; 2 - вентилятор; 3 - парасолька; 4 - верхні грати; 5 - канали для додаткової подачі холодного повітря; 6 - нижні грати; 7 - паросткова камера; 8 - клапани для теплого повітря; 9 - холодна стеля; 10 - теплова камера; 11 - шахта для введення свіжого повітря; 12 - повітряна камера; 13 - клапани для свіжого повітря.

Рис. 3 Горизонтальна двоярусна сушарка для солоду

Сушарка є прямокутною або квадратною високою будівлею. У нижньому поверсі знаходиться сушильна піч, в другому поверсі - теплова камера 10, в якій розташовуються жарові труби. У підлозі теплової камери 10 влаштовані круглі отвори (повітряні канали); у стінах камери є канали для доступу зовнішнього холодного повітря. У третьому поверсі розташована паросткова камера 7, в якій тепле повітря змішується з холодним; завдяки цьому можна регулювати температуру повітря. У підлозі камери 7 встановлені короткі сталеві труби для проходу повітря, закриті ковпаками, що запобігають попаданню солодових паростків в теплову камеру.

Над камерою 7 (у четвертому поверсі) встановлені нижні грати, а над нею (у п'ятому поверсі) - верхні грати. Сушарка закінчується зведенням, з найбільш високої точки якого піднімається витяжна труба для видалення вологого повітря. Для збільшення тяги в трубі в неї вводиться димар від топки. З цією ж метою у витяжній трубі встановлений вентилятор. Під витяжною трубою підвішена на противагах парасолька, яка запобігає попаданню атмосферних опадів на верхні грати і призначена для регулювання тяги.

У двохярусних сушарках режими сушіння солоду наступні.

Для одержання світлого солоду в сучасних двох'ярусних сушарках зі штучною тягою сушіння в залежності від продуктивності вентиляторів може проводитися при товщині шаруючи до 30 см, що відповідає завантаженню 70 кг сухого солоду на 1 м2 сита. Завантаження уточнюється з розрахунку зниження вологості за 12 годин з 43-45% до 10-12%.

З обліком термостабільності крохмалю і білків режим сушіння повинний бути таким, щоб температура солоду при вологості більше 12% не перевищувала 40°С. При підвищенні температури солод може ставати склоподібним. Вентилятор включають відразу після закінчення завантаження свіжо пророслого солоду на повну продуктивність.

Режим сушіння на верхньому ярусі наступний:

перша стадія - зниження вологості з початкової до 30% за 6 год при температурі повітря, подаваного під верхнє сито, 35-40°С;

друга стадія - підсушування з ЗО до 10% при температурі під верхнім ситом 50-60°С.

На нижньому ярусі солод збезводнюється до 3,5-4%.

По-новому вирішується проблема зрушень солоду. Якщо раніш вважалося, що багаторазове зрушення необхідне для вирівнювання матеріалу, що просихає, у процесі сушіння, то тепер з'ясувалося, що в результаті перемішування шарів під час зрушення при високій вологості солоду процес сушіння сповільнюється. Тому зрушення верхнього ярусу рекомендується проводити в 3-4 проходи зрушувана на початку процесу й у 1-2 проходу незадовго до перевантаження солоду. Зрушення нижнього ярусу також рекомендується проводити в основному при завершенні, сушіння. Після кожного проходу зрушувана необхідно проводити розрівнювання шару солоду для забезпечення рівномірного проходження повітря через солод.

Для одержання темного солоду процес підсушування здійснюють у три стадії.

Тривалість першої стадії 12-14 год. Вологість солоду знижується з 45 до 20-25%. Температура повітря 35-40°С, швидкість його невелика щоб уникнути швидкого зневоднювання солоду. Ворошіння проводиться кожні 2 год.

Під час другої стадії (близько 10 год) температура повітря піднімається до 55-60°С. Для збереження незмінної вологості в цій стадії швидкість повітря знижується до мінімуму, що забезпечується поступовим закриттям жалюзі (шиберів) між нижнім і верхнім ярусами. Ворошіння роблять щогодини.

Дуже важливо, щоб наприкінці цієї стадії солод мав вологість 20-23% щоб уникнути утворення ароматизируючих речовин і пігментів. Крім того, неприпустиме переміщення солоду з високою вологістю на нижній ярус, де висока температура негативно позначається на амилолітичній активності солоду.

Третя стадія підсушування, здійснювана на нижньому ярусі, триває 12 год. Вологість солоду знижується до 10% при температурі солоду близько 50°С. Зрухування солоду здійснюється кожні 2 год.

Після підсушування загальною тривалістю З6год починається власне сушіння. Протягом 6-7 год температуру солоду піднімають до 70°С, а вологість знижують до 5-6%. Потім шляхом закриття шиберів температуру швидко піднімають до 100°С. Зрушення вздійснюється щогодини з наступним вирівнюванням шарів.

Потім сушіння проводять ще 4-5 год при температурі солоду 102-105°С, а повітря під верхніми ґратами не більш 75°С. Протягом цього терміну вологість рівномірно знижують до 1,5-2%. Зрухування солоду здійснюється кожні 0,5 год.


Рис. 4. Спрошена ФСА горизонтальної двоярусної сушарки для солоду.

2. Вибір первинних вимірювальних перетворювачів та виконавчих механізмів

1. Контур регулювання витрати сушильного агента з корекцією по температурі солоду на нижній решітці.

Температура вимірюється за допомогою платинового термометра опору ТСПУ-1293, НСХ 100П, діапазон вимірювання -50 +100°С, клас допуску В, на виході уніфікований струмовий сигнал 4-20 мА, який поступає на аналоговий вхід блоку контролера мікропроцесорного регулятора Реміконт Р-130, що забезпечує регулювання температури досушування солоду.

Витрата вимірюється за допомогою діафрагми ДК6-50, Ду=50, Ру=0,6МПа та перетворювача різниці тисків САПФИР-22ДД 2410, діапазон вимірювання 0-2,5кПа, похибка: 6=±0.5%, на виході уніфікований струмовий сигнал 4-20 мА, який поступає на аналоговий вхід мікропроцесорного регулятора.

Керуючий сигнал з регулятора надходить через електропневматичний перетворювач Samson і/р 6116 з вихідним сигналом 0.2-1 бар на регулюючий клапан 8 атзоп 241-1 Dу= 50, умовний тиск Ру=0.6 мПа, температура: від-20°С до +220°С встановлений на трубопроводі.

. Контур регулювання температури солоду на верхній решітці.

Температура вимірюється за допомогою платинового термометра опору

ТСПУ-1293, НСХ 100П, діапазон вимірювання -50 +100°С, клас допуску В, на виході уніфікований струмовий сигнал 4-20 мА, який поступає на аналоговий вхід блоку контролера мікропроцесорного регулятора Реміконт Р-130, що забезпечує регулювання температури по наперед заданій програмі.

Керуючий сигнал з регулятора надходить через електропневматичний перетворювач 8 ашзоп і/р з вихідним сигналом 0.2-1 бар на регулюючий клапан Samson 241-1 Dу = 50 мм, умовний тиск Ру=0.6 мПа, температура: від-20°С до +220°С встановлений на лінії подачі основного та додаткового повітря.

3. Вибір мікропроцесорних засобів автоматизації

Регулююча модель Реміконта Р-130 дозволяє вести локальне, каскадне, програмне і супервізорное регулювання. Архітектура цієї моделі дає можливість автоматично чи вручну включати, відключати, переключати і реконфігурувати контури регулювання. Причому всі ці операції виконуються безударно незалежно від складності структури системи керування. У поєднанні з обробкою дискретних сигналів ця модель дозволяє виконувати також логічні перетворення сигналів і виробляти не тільки аналогові чи імпульсні, але і дискретні команди керування.

Логічна модель Реміконта Р-130 формує логічну програму крокового керування аналізом умов виконання кожного кроку, задання контрольного часу на кожному кроці, керує умовним чи безумовним переходом програми до заданого кроку. У поєднанні з обробкою аналогових сигналів ця модель дозволяє виконувати також різноманітні функціональні перетворення аналогових сигналів і виробляти не тільки дискретні, але і аналогові керуючі сигнали.

Усі моделі Реміконта Р-130 містять засоби оперативного керування, розташовані на лицевій панелі контролера, що дозволяють вручну змінювати режими роботи, встановлювати завдання, керувати ходом виконання програми, вручну керувати виконавчими пристроями, контролювати сигнали і здійснювати індикацію помилок.

Стандартні аналогові і дискретні давачі і виконавчі пристрої підключаються до Реміконту Р 130 за допомогою індивідуальних кабельних зв'язків. У середині контролера сигнали обробляються в цифровій формі.

Реміконта Р-130 можуть об’єднуватися в локальну керуючу мережу - «Транзит» кільцевої конфігурації. Для такого об'єднання ніяких додаткових пристроїв не потрібно. В одну мережу можуть включатися як однакові, так і різні моделі контролерів. Через мережу контролери можуть обмінюватися інформацією в цифровій формі по витій парі проводів. За допомогою шлюзу, котрий входить до складу Реміконта Р-130, мережа «Транзит» може взаємодіяти з будь-яким зовнішнім абонентом (наприклад, ЕОМ), що має інтерфейс ИРПС чи RS-232С.

Реміконт Р-130 - програмований пристрій, але для роботи з ним не потрібні програмісти. Процес програмування зводиться до того, що за допомогою послідовного натискання декількох клавіш з бібліотеки, що зашита в постійній пам'яті, викликаються потрібні алгоритми. Ці алгоритми об’єднуються в систему заданої конфігурації і в них встановлюються необхідні параметри настроювання.

За допомогою вбудованої батареї при відключенні живлення запрограмована інформація зберігається. Запрограмована інформація може бути записана в ППЗУ.

Реміконт Р-130 являє собою комплекс технічних засобів. У його склад входить центральний мікропроцесорний блок контролера і ряд додаткових блоків. Центральний блок перетворює аналогову і дискретну інформацію в цифрову форму, веде обробку цифрової інформації і виробляє керуючі дії. Додаткові блоки використовуються для попереднього підсилення сигналів термопар і термометрів опору, формування дискретних вихідних сигналів напругою 220 В, організації зовнішніх переключень і блокувань і т. п.

Реміконт Р-130 є проектно - компонованим виробом. Його склад і ряд параметрів визначаються споживачем і вказуються в замовленні. В Реміконт Р - 130 вбудовані засоби самодіагностики, сигналізації і ідентифікації несправностей, у тому числі при відмові апаратури, виході сигналів за допустимі границі, збої в ОЗП, порушенні обміну в кільцевий мережі і т. п. Для дистанційної передачі інформації про відмову передбачені спеціальні дискретні виходи.

У регулюючій моделі Реміконта Р-130 передбачено:

1. До 4 незалежних контурів регулювання, кожний з який може бути локальним чи каскадним, з аналоговим чи імпульсним виходом, з ручним, програмним (в тому числі багатопрограмним) чи супервізорним задавачем;

2. Різноманітна комбінація (по замовленню) аналогових і дискретних входів - виходів (всього ЗО модифікацій);

. 76 зашитих у ПЗП алгоритмів неперервної і дискретної обробки інформації, включаючи алгоритми ПІД-регулювання, математичних, динамічних, нелінійних, аналого - дискретних і логічних перетворень;

. До 99 алгоритмічних блоків (алгоблоків) з вільним їх заповненням будь - якими алгоритмами з бібліотеки і вільним конфігуруванням між собою і з входами - виходами контролера;

5. Ручна установка чи автопідстроювання будь-яких коефіцієнтів у будь-яких алгоритмах;

. Безударна зміна режимів керування і безударне включення, відключення, переключання і реконфігурація контурів регулювання будь-якого ступеня складності;

7. Формування декількох (до 40) програм з можливістю оперативного вибору потрібної програми і її однократного, багаторазового чи циклічного виконання;

8. Оперативне керування контурами регулювання за допомогою 12 клавіш, 2 чотирьохрозрядних цифрових індикаторів і набору світлодіодів, що дозволяють змінювати режими, встановлювати завдання, керувати виконавчими механізмами, контролювати сигнали, здійснювати індикацію аварійних ситуацій. При програмному регулюванні засоби оперативного керування дозволяють вибирати необхідну програму, запускати, зупиняти і скидати програму, переходити до наступної ділянки програми, а також контролювати хід виконання програми;

9. Об'єднання до 15 контролерів у локальну керуючу мережу «Транзит», у яку можуть включатися також і інші моделі контролерів.

Опис пристроїв Реміконт Р-130, використаних у роботі:

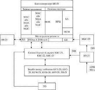
. Блок контролера БК-21 є основним блоком Реміконта Р-130 і здійснює прийом аналогових і дискретних сигналів, формування необхідних керуючих дій, вивід аналогових і дискретних сигналів, контроль параметрів на вбудованих цифрових індикаторах і здійснення функцій оперативного керування за допомогою вбудованих на передній панелі клавіш.

В основну частину БК-21 входять:

- модуль контролю і програмування (МПК);

- модуль процесора (ПРЦ), який безпосередньо зв’язаний з батареєю акумуляторів (БА);

- модуль стабілізованої напруги (МСН), який забезпечує живленням блок - контролер і пульт настроювання ПН-1.

В змінну частину БК-21 входять:

- блоки ПЗО гр. А і ПЗО гр. Б - пристрої зв’язку з об’єктом (тип пристрою зв’язку з об’єктом визначається замовником), які можуть бути трьох типів:

- модуль аналогових сигналів (МАС): 8 анал. вх - 2 анал. вих;

- модуль аналогових і дискретних сигналів (МДС): 5модифікацій (вх.-вих.: 4-12, 8-8, 12-4, 16-0, 0-16);

модуль дискретних і аналогових сигналів (МДА): 8 анал. вх - 2 імп.вих.

2. Пульт настройки оператора ПН-21 призначений для програмування блоку контролера і контролю настроювальних параметрів. Пульт підключається до блоку БК -21 за допомогою розняття.

. Блок живлення БП-21 (формує два вихідні канали по 24 В) призначений для живлення блоку БК-21 і допоміжних блоків (БУС-20, БПР-20) і для організації інтерфейсних зв'язків контролерів у локальній мережі «Транзит» (для цього він має інтерфейсний вхід і вихід).

4. Блок підсилювачів сигналів термометрів опору БУС-20 служить для

перетворення сигналів двох термометрів опору (або інших резистивних давачів)

в сигнал 0-5тА для введення в блок БК-21; забезпечує живлення давачів стабілізованою постійною напругою; забезпечує корекцію нуля і діапазону вихідного сигналу.

5. Блок підсилювачів потужності БУМ-20 призначений для підсилення чотирьох дискретних сигналів за допомогою 4-ох силових герконових реле, нормально відкриті контакти яких можуть комутувати напругу до 220 В при струмі 2А. Потужність комутації порядку 500 Вт. Цей блок, як правило, застосовують в схемах захисту, блокування і керування елементами автоматики типу соленоїдів, відсічних клапанів і т. п.

Рис. 5. Архітектура мікропроцесорного контролера «Реміконт Р-130»

. До складу Реміконта Р-130 входять три види клємно-блочних з'єднувачів КБС, що представляють собою відрізок кабелю, з однієї сторони якого припаяна клемна колодка, а з іншого - вилка розняття РП15-9Ш. Кабель зв'язує між собою однойменні лінії клемної колодки і розняття.

КБС-22 має колодку на 24 клеми (24-а клема вільна) і розняття РП15-23Ш на 23 контакти.

КБС-23 відрізняється від КБС-22 лише тим, що на клемній колодці розпаяні (вбудовані) нормуючі резистори, необхідні для підключення вхідних аналогових сигналів. За допомогою перемичок для кожного з 8 входів індивідуально вибирається один із трьох вхідних сигналів: 0-5, 0 (4) - 20 мА, 0-10 В.О Для верхнього значення 20 мА нижнє значення 0 або 4 мА вибирається програмно за допомогою алгоритму аналогового введення.

7. Невикористання КБС -23 вимагає застосування нормуючих резисторів РН-21, які встановлюють на промклемнику, для перетворення уніфікованих сигналів у сигнали, які сприймає БК-21.

8. Міжблочний з'єднувач МБС-20 призначений для організації з'єднання БК-21 із БП-21. Це відрізок кабелю з двох боків якого є розняття типу РП15-9Ш (розняття має дев’ять пінів: два для прийому і два для передачі інформації).

4. Розробка блок-схеми системи автоматичного керування

Рис. 8. Блок схема системи автоматичного регулювання процесом сушіння у виробництві пива

Рпсн - витрата повітря під нижню решітку; Тпсн - температура під нижньою решіткою; Тпсв - температура під нижньою решіткою.

5. Розробка програми функціонування вибраних засобів автоматизації

Віртуальна структура (не явна), описує інформаційну організацію контролера і представляє властивості контролера як ланки системи керування. В Реміконті Р-130 частина віртуальної структури реалізована апаратно, а частина - програмно.

Контролер запрацює тільки тоді, коли в алгоблок в процесі технологічного програмування буде записаний який-небудь алгоритм з бібліотеки алгоритмів. В кожний алгоблок можна внести тільки один алгоритм з бібліотеки алгоритмів, яка відноситься до даної моделі контролера.

Бібліотека алгоритмів - це перелік алгоритмів керування, які в процесі настройки контролера заносяться в алгоблоки. Алгоритми дозволяють вирішувати задачі автоматичного регулювання, задачі логіко-програмного керування, виконують статичні, математичні, логічні і аналого-дискретні перетворення сигналів.

Якщо взяти загальний випадок, то алгоритм складається з функціонального ядра і має свої входи і виходи. Алгоритм має дві групи входів: сигнальні, які виконують функцію алгоритму, і настроювальні, які керують параметрами настройки. Ці входи - рівноправні, тобто, мають однакові можливості конфігурування. Вихід - це результат обробки вхідних сигналів. Кожний вид алгоритму може мати свою кількість входів і виходів, але максимальне число входів - 99, а виходів - 24. Входи, як сигнальні, так і настроювальні мають нумерацію від 01 до 99, а виходи від 01 до 24.

Входи алгоритму можуть бути явними (ті які довільно конфігуруються) і деякі алгоритми (алгоритми вводу-виводу, прийому-передачі, оперативного керування) мають неявні входи-виходи (спеціального призначення, які не конфігуруються, а автоматично з’єднуються з апаратурою, яку має обслуговувати даний алгоритм).

Кожний алгоритм має свій бібліотечний номер, під яким він зберігається в бібліотеці. Алгоритм викликається з бібліотеки за двох значним десятковим кодом. Алгоритм може мати модифікатор, який задає додаткові властивості алгоритму. Модифікатор задає число однотипних операцій, які виконує один алгоритм. Може задавати набір певних параметрів. Деякі алгоритми модифікатора не мають.

Ті алгоритми, робота яких зв’язана з часом, мають масштаб часу (регулювання, програмований задавач, таймер і т. п.). І модифікатор і масштаб часу розширюють можливості алгоритмів. Деякі алгоритми з однаковим номером, але розміщений в різні алгоблоки можуть мати свій модифікатор і масштаб часу.

Програму функціонування розроблюємо двох контурів регулювання:

температури під верхніми гратами - програмне підняття температури;

витрати повітря під нижні грати, з корекцією по температурі.

Уніфікований струмовий сигнал 0-5мА від ПВП поступає на вхід аналоговий групи А (ВАА). Вихід цього алгоритму з’єднується з входом (02) алгоритму РАН, що реалізує аналогове регулювання.

Алгоритм ЗДН формує завдання для алгоритму РАН, тобто вихід ЗДН (01) заводиться на вхід алгоритму РАН (01).

Вихідний сигнал алгоритму РАН (01) поступає на вхід (01) алгоритму РУЧ. Для оперативного контролю за контуром та для зв’язку з панеллю контролера використано алгоритм ОКО.

Алгоритм РАН - регулювання аналогове, формує ПІ - закон регулювання і має такі настроювальні параметри:

Км - коефіцієнт масштабування;

Тф - стала часу фільтра;

АХ - зона нечутливості;

Кп - коефіцієнт пропорційності;

Ті - стала часу інтегрування;

Тм - час повного ходу ВМ.

Сигнал завдання для алгоритму РАН формує алгоритм ЗДН. На вхід алгоритму ЗДН (04) надходить сигнал від входу Хздн (01), алгоритму оперативного контролю ОКО, що дозволяє за допомогою клавіш лицевої панелі контролера змінювати режим керування, режим завдання, змінювати вихідний сигнал регулятора в режимі ручного керування, а також можливість контролювати сигнал завдання, розузгодження, вхідний та вихідний сигнал.

Номер алгоблоку ОКО вказує на номер контуру. Номер алгоритму ОКО в бібліотеці - 01. Алгоритм використовується у випадках коли необхідно керувати контуром регулювання з лицевої панелі контролера. Алгоритм дозволяє за допомогою клавіш лицевої панелі змінювати режим керування, режим завдання, керувати програмним задавачем, змінювати вихідний сигнал регулятора, сигнал завдання, а також контролювати сигнали завдання, розузгодження, вхідний і вихідний сигнали, параметри програмного задавача.

Позначення входів алгоритму ОКО:

01 (Хздн) - сигнал завдання;

02 (Хв) - вхдний сигнал;

03 (W0) - 0% в технічних одиницях;

04 (W100) - 100% в технічних одиницях;

05 (Хе) - сигнал розузгодження;

06 (Хруч) - сигнал ручного керування;

07 (Хвр) - вихідний сигнал ругулятора;

- 08 (Z) - будь-який вибраний сигнал;

09 (Nz) - тип сигналу на вході Z;

10 (Nok) - помилка контуру;

11 (Хздл) - сигнал завдання в локальному режимі;

12 (Хвхл) - вхідний сигнал допоміжного регулятора;

13 (W0 л) - 0% в технічних одиницях для допоміжного регулятора;

14 (W100 л) - 100% в технічних одиницях для допоміжного регулятора в локальному режимі;

15 (ХЕЛ) - сигнал розузгодження для допоміжного регулятора.

Програмний задавач ПРЗ формує кусочно-лінійну функцію апроксимації за часом, що складається з декількох (до 47) відрізків. Для кожного відрізка задається його тривалість у часі і кінцевій ординаті. Передбачено можливість пускати, зупиняти і скидати програму. Програма може виконуватися задане число раз.

Алгоритм використовується при програмному регулюванні в сполученні з алгоритмом завдання ЗДН.

У стані скидання сигнал Y на виході алгоритму має початкове значення Y0=ХQ). Після пуску сигнал Y починає змінюватися відповідно до заданої програми. Параметри Xj і Тj на входах настроювання задають відповідно кінцеві ординати і тривалість окремих ділянок програми. Якщо вихід Y з'єднаний з одним із входів Хпр алгоритму завдання ЗДН, то пускати, зупиняти

і        скидати програму можна за допомогою клавіш лицьової панелі. Крім того, незалежно від зв'язку з алгоритмом ЗДН, алгоритм ПРЗ переводиться в стан «пуск», «стоп», «скидання» за допомогою дискретних сигналів відповідно Сп, Сcт і Ссб, що надходять на вхід алгоритму. При цьому команди «пуск» і «стоп» діють по передньому фронті (тобто при переході сигналу зі стану лог. О у лог. 1). Сигнал «скидання» є пріоритетним, тобто при наявності лог. 1 на вході «скидання» алгоритм переходить у стан «скидання» і не може бути переведений в інші стани ні за допомогою лицьової панелі, ні за допомогою дискретних команд на вході алгоритму. Однак, якщо алгоритм був переведений у стан «скидання» за допомогою лицьової панелі, воно може бути пущений дискретною командою «пуск» на вході алгоритму. Якщо команди «пуск» і «стоп» прийшли на вхід алгоритму одночасно, то виконується команда «стоп».

Опис програми функціонування регулятора витрати теплого повітря під нижні грати.

В даній програмі реалізоване регулювання витрати теплого повітря під нижні грати з корекцією по температурі під ними. Уніфіковані струмові сигнали подаються на вхід алгоритму ВАА (010707) від нормуючих перетворювачів.

З виходу 01 алгоритму ВАА (010707) сигнал про значення вирати повітря під нижні грати йде на вхід 02 (Хвх) алгоритму РАН2 (06 20 00) і на вхід 02 (Хвх) алгоритму ОКО (14 115).). З виходу 02 алгоритму ВАА на вхід 04 (ХВН) алгоритму ЗДН (03 24 00) поступає сигнал зовнішнього завдання, котрий в свою чергу йде на вхід 01 (ХЗДН) алгоритму РАН2 (06 20 00) і на вхід 01 (ХЗДН) алгоритму ОКО (ОН 115). Також на вхід 03 (Хвр) ОКО (ОН 115).

Сигнал про значення температури під нижніми гратами 3 виходу 02 алгоритму ВАА (010707) сигнал йде на вхід 02 (Хвх) алгоритму РАН1 (04 20 00). Також на аналоговий регулятор поступає сигнал завдання від алгоритму ЗДН (03 24 00). Вихід алгоритму РАН (04 20 00) через ЗДЛ (05 25) подається на вхід Хздн, л РАН2 (06 2 00).

Вихідний сигнал Y(01) з алгоритму РАН2 приходить на вхід 01 (Хк) блоку РУЧ (09 26) і далі поступає на вхід Х1 алгоритму ПЕР (010 57 02). Дискретний сигнал перемикання з ручного керування на автоматичне і навпаки приходить на вхід алгоритму ВДБ (02 10 02) від БРУ-7. З виходу алгоритму ВДБ(021002) дискретний сигнал приходить на вхід 02 (з інверсією) і 04 алгоритму ПЕР (10 57 02).

З виходу Y ПЕР (010 57 02) керуючий сигнал проступає на вхід алгоритму ОКО (014 107) і АВА (017 11 01), де формується аналоговий сигнал, що подається на вхід регулюючого клапана Samson 241-1, що оснащений електропневматичним перетворювачем.

Опис програми функціонування регулятора температури під верхніми гратами.

В даній програмі реалізоване аналогове програмне регулювання температури в сушці солоду під верхніми гратами.

Уніфікований струмовий сигнал про значення температури в сушці солоду під верхніми гратами приходять на вхід 04 алгоритму ВАА (010707) від нормуючого перетворювача БУС-20. З виходу 04 алгоритму ВАА (010707) сигнал йде на вхід 02 (Хвх) алгоритму РАНЗ (08 20 00). Також на аналоговий регулятор поступає сигнал завдання від алгоритму ЗДН (07 25 00), що отримує сигнал від програмного задавача ПРЗ (13 27 00) і зовнішнього завдання з виходу 05 алгоритму ВАА (010707), яким визначається початкова температура нагріву. Вихід алгоритму РАНЗ (08 20 00) через ЗДЛ (05 25) подається на вхід Х(К) алгоритму РУЧ (11 26). Вихідний сигнал Y(01) з алгоритму РАНЗ приходить на вхід СІ(01) алгоритму ПЕР (12 57 02). На вхід С2 ПЕР (12 57 02) від БРУ про вибраний режим керування, який йде також на алгоритм ОКО (15 107). З виходу Y ПЕР (12 57 02) керуючий сигнал проступає на вхід алгоритму ОКО (15 107) і АВА (017 11 01), де формується аналоговий сигнал, що подається на вхід регулюючого клапана Samson 241-1, що оснащений електропневматичним перетворювачем.

6. Розробка принципових електричних схем зовнішніх з’єднань мікропроцесорних засобів

БК-21-15 - блок контролера Реміконт Р-130.

БУС-20 - нормуючий перетворювач сигналу термометра опорового;

«Сапфір 22ДД» тензорезисторний перетворювач різниці тисків;

КБС-21 - (клемно-блочний з’єднувач) відрізок кабелю з одного боку якого є вилка розняття РП15-09Ш, а з другого - клемна колодка на 8 клем під гвинт. Використовується для приєднання до блоку БП-21.

КБС-22 - (клемно-блочний з’єднувач) відрізок кабелю, з одного боку якого є вилка розняття РП15-23Ш, а з другого - клемна колодка на 24 клеми під гвинт. КБС - 22 у даній схемі приєднується до ПЗО групи Б і до блоку перемикань БПР-20.

КБС-23 - (клемно-блочний з’єднувач) відрізок кабелю, з одного боку якого є вилка розняття РП15-23Ш, а з другого - клемна колодка на 24 клеми під гвинт. На відміну від КБС-22 має вбудовані нормуючі резистори. КБС - 23 у даній схемі приєднується до ПЗО групи А - кола входу-виходу типу 1 (МАС).

МБС-20 - (міжблочний з’єднувач) використовується для зв’язку блока живлення з блоком контролера. Конструктивно це є відрізок кабелю з двох боків якого є вилка розняття РП15-09Ш.

БП-21 - блок живлення, який працює від мережі 220 В і формує два вихідні канали по 24 В, не стабілізовані.

До складу БК-21-15 входить ПЗО гр. А (МАС типу 1), який має 8 аналогових входів, 2 аналогові виходи і ПЗО гр. Б, котрий має 8 дискретних входи і дискретних виходів. Блок контролера живиться від блоку живлення БП-21 через міжблочний з’єднувач МБС-20.

Вхідні сигнали від перетворювачів, БРУ і зовнішніх задавачів приходять на вхід блок-контролера БК-21-15 через кабелі КБС-23 (на ПЗО гр. А) і КБС-22 (на ПЗО гр. Б).

Струмові сигнали від перетворювачів БУС-20, поступають на клеми КБС-23 (ПЗО гр. А - МАС тип 1) відповідно. В КБС-23 вмонтовано нормуючі резистори, котрі призначені для перетворення струмових сигналів 0-5, 0-20, 4-20 мА і сигналу по напрузі 0-10В у вхідний сигнал контролера 0-2В. Також на клеми КБС-23 від блоків ручного управління БРУ-7 приходить сигнал про значення завдання. Вихідний аналоговий сигнал з КБС-23 (ПЗО гр. А - МАС тип 1) поступає на клеми 21 і 24 БРУ-7, звідки аналоговий сигнал подається на вхід регулюючого клапана Samson 241-1, що оснащений електропневматичним перетворювачем.

Висновки та рекомендації

В курсовому проекті розроблено конфігурацію і програмне забезпечення системи автоматичного керування вертикальною двохярусною сушаркою для сушіння солоду, розроблено принципову електричну схему підключень БК21 - 15.

Запропонована схема забезпечить:

- контроль і автоматичне регулювання температури повітря на вході у верхню і нижню зони;

контроль температури теплоносія в припливних камерах.

Список літератури

1. Балашов В.Е., Федоренко Б.Н. Технологическое оборудование предприятий пивоваренного и безалкогольного производств. - М.: Колос, 1994.

2. Ермолаева Г.А., Колчева P.A. Технология и оборудование производства пива и безалкогольных напитков: Учеб. для. нач. проф. образования. - М.:

ИРПО; Изд. Центр «Академия», 2004.

3. Кунце В., Мит. Г. Технология солода и пива. - Спб.: Профессия, 2000

4. Меледина Т.В. Сырье и вспомогательные материалы в пивоварении. - Спб.: Профессия, 2005.

5. Нарцисс JI. Технология солодоращения. - Спб.: Профессия, 2007.

6. Тихомиров В.Г. Технология пивоваренного и безалкогольного производств. - М.: Колос, 1998.

7. Булгаков Н.И. Биохимия солода и пива. М.: Пищевая промышленность.

1976.

8. Калунянц К.А., Яровенко B.JI. Колчева P.A. Химия солода и пива. М.: Агропромиздат. 1990.

9. Кунце В., Мий Г. Технология солода и пива. Санкт-Петербург: Профессия. 2003.

10. Мальцев П.М. Химико-технологический контроль производства солода. М.: Пищевая промышленность. 1976.

11. Федоренко Б.Н. Инженерия пивоваренного солода. Санкт-Петербург: Профессия. 2004.

12. Харчова хімія під редакцією Нечаева.

13. Машины и аппараты пищевых производств. В 2 кн. Кн. 1: Учеб.для вузов/ С.Т. Антипов, И.Т. Кретов, А.Н. Остриков и др.; Под ред. Акад. РАСХН В.А, Панфилова. - М.: Высш. шк., 2001. - 703 с.: ил.

14. Машины и аппараты пищевых производств. В 2 кн. Кн. 2: Учеб.для вузов/ С.Т. Антипов, И.Т. Кретов, А.Н. Остриков и др.; Под ред. Акад. РАСХН В.А, Панфилова. - М.: Высш. шк., 2001. - 680 с.: ил.

Похожие работы на - Розробка конфігурації і програмного забезпечення системи автоматичного керування процесу сушіння у виробництві солоду

 

Не нашли материал для своей работы?
Поможем написать уникальную работу
Без плагиата!
Без нейросетей!