Разработка электронного усилителя на транзисторах
Министерство образования республики
Беларусь
Учреждение образования
“Брестский государственный
технический университет”
Кафедра АТП и П
ПОЯСНИТЕЛЬНАЯ ЗАПИСКА
по курсовой работе
по дисциплине «Электроника» на тему:
«Разработка электронного усилителя на
транзисторах»
Руководитель:
Смаль А.С.
Выполнил:
студент группы АТП-10
Муха Ю. Н.
Брест 2012
Содержание
1. Обзор
литературы по теме
.1 Общая
характеристика ЭУ
.2
Классификация ЭУ
.3 Реализация
усилительных каскадов на транзисторах
.4 Многокаскадные
усилители
.5 Структура
источника питания
. Описание
электрической схемы выбранного устройства
.1 Расчёт и
выбор элементов схемы
.2 Расчет
источника питания
. Методика
испытаний электронного устройства
Заключение
Список
литературы
Реферат
Курсовая работа содержит страниц, 13 рисунков, 2 таблицы, 4 источника.
КЛЮЧЕВЫЕ СЛОВА: электронный усилитель (ЭУ), биполярный транзистор,
амплитудно-частотная характеристика, источник питания, стабилизатор напряжения.
Разработан электронный усилитель с полосой рабочих частот 300Гц -50кГц.
Проведено макетирование и испытание электронного усилителя (методика испытаний
прилагается). Разработан стабилизированный источник электропитания. Разработаны
печатные платы для электронного усилителя и стабилизированного источника
электропитания.
Курсовая работа выполнена с использованием текстового редактора Microsoft
Office Word 2003, схемы электрические принципиальные выполнены с помощью
Microsoft Office Visio 2007. Исследование параметров и характеристик
электронного усилителя проводилось с помощью Micro-Cap 7.1.0.
1. Обзор литературы
.1 Общая характеристика ЭУ
Электронным усилителем называют устройство, предназначенное для повышения
мощности входного электрического сигнала до номинального значения,
обеспечивающего нормальное функционирование узла, устройства или электронной
системы. Усиление маломощного входного сигнала достигается за счет
использования энергии внешнего источника питания значительно большей мощности.
Входной сигнал является как бы шаблоном в соответствии с которым регулируется
поступление энергии от источника к потребителю усиленного сигнала.
Коэффициент передачи есть отношение выходного сигнала ко входному. В
частном случае, когда входное и выходное значение сигнала являются однородным,
нет искажений и фазовых сдвигов, коэффициент передачи называют коэффициентом
усиления. Существуют:
· коэффициент усиления по напряжению:
Где
,
-
амплитудные или действующие значения выходного и входного напряжения
соответственно,
· коэффициент усиления по току:
Где
,
- амплитудные или действующие значения выходного и
входного токов соответственно,
· коэффициент усиления по мощности:
· коэффициент полезного действия:
В ряде случаев коэффициенты усиления выражают в логарифмических единицах
- децибелах [дБ]
Фазочастотная характеристика - зависимость угла сдвига фазы между входным
выходным напряжением от частоты, или фаза коэффициента передачи.
Переходная характеристика - зависимость от времени выходного напряжения
усилителя, на вход которого подан мгновенный скачок напряжения.
Амплитудная характеристика усилителя - зависимость амплитуды выходного напряжения
сигнала от амплитуды напряжения сигнала на входе.
Амплитудно-частотная характеристика - зависимость коэффициента усиления
напряжения от частоты. Элементами АХЧ являются номинальный диапазон
воспроизводимых частот и ее неравномерность в этом диапазоне.
Предельная чувствительность - минимальная величина сигнала на входе,
которая превышает приведенные ко входу собственные шумы усилителя.
Неравномерность АЧХ - отношение наибольшего и наименьшего коэффициентов
усиления напряжения в заданном диапазоне частот.
Диапазон воспроизводимых частот - диапазон частот, в пределах которого
неравномерность АЧХ не превышает заданной.
Входное сопротивление - сопротивление входа усилителя для переменного
тока. Обычно нормируют активную составляющую входного сопротивления и входную
емкость.
Выходное сопротивление - сопротивление выхода усилителя для переменного
тока.
Нелинейные искажения обусловлены нелинейностью вольт-амперных
характеристик транзисторов и характеристик намагничивания магнитопроводов
трансформаторов. Эти искажения проявляются в виде новых компонентов спектра
частот, отсутствующих во входном сигнале.
Коэффициент полезного действия - характеризуется отношением выходной
мощности сигнала к мощности, затрачиваемой источником питания на
функционирование усилителя.
Коэффициент гармоник - отношение средней квадратической суммы высших
гармоник к средней квадратической сумме всех гармоник сигнала.
Динамические искажения - особый вид искажений, которые проявляются в
транзисторных усилителях, охваченных глубокой отрицательной обратной связью.
Эти искажения обусловлены перегрузкой каскадов усилителя вследствие
запаздывания напряжения ООС по отношению к напряжению входного сигнала.
Динамические искажения зависят, в частности, от скорости нарастания выходного
сигнала, которую можно определить по переходной характеристике усилителя.
Динамические искажения можно разделить на гармонические и
интермодуляционные. При гармонических динамических искажениях изменяется форма
синусоидального сигнала, если его амплитуда и частота превышают критические
значения, определяемые максимальной скоростью нарастания выходного напряжения.
Интермодуляционные динамические искажения возникают при тех же условиях, если
усиливается сложный сигнал. Помехи в усилителях обусловлены собственными шумами,
фоном (пульсации питающих напряжений) и наводками.
Выходная мощность - мощность на выходе усилителя при работе на расчетную
нагрузку и заданном коэффициенте гармоник или нелинейных искажений.
Максимальная выходная мощность - выходная электрическая мощность, при
которой ограничение по максимуму выходного сигнала увеличивает коэффициент
гармоник по напряжению до 10%.
Уровень фона - отношение среднего квадратичного напряжения суммы
составляющих фона (гармоник частоты питающей сети) к выходному напряжению при номинальной
мощности. Аналогично оценивают и уровень наводок.
Уровень собственных шумов усилителя - отношение среднего квадратичного
напряжения шумов (в заданной полосе частот) на выходе усилителя к напряжению,
соответствующему номинальной мощности. Уровень шумов принято выражать в
децибелах.
1.2 Классификация ЭУ
электронный усилитель транзисторный каскад
Аналоговые усилители и цифровые
усилители
· В аналоговых усилителях аналоговый входной сигнал без
цифрового преобразования усиливается аналоговыми усилительными каскадами.
Выходной аналоговый сигнал без цифрового преобразования подаётся на аналоговую
нагрузку.
Рис 1. Каскад с общим истоком
Каскад управляется входным напряжением, которое изменяет ток транзистора.
Последовательно с ним включен резистор Rс. Изменение тока через этот резистор
приводит к изменению падения напряжения на нём, которое во много раз больше
входного сигнала.
Активный элемент (полевой транзистор) работает в режиме А. Необходимое
смещение обеспечивается за счет падения напряжения на резисторе Rи.
Каскад с общим стоком. Достаточно часто применяются каскады с общим
стоком, которые обычно называют истоковыми повторителями. (Рис.2). В отличие от
каскада с общим истоком они имеют коэффициент усиления по напряжению меньше
единицы, повышенное входное и низкое выходное сопротивления. У каскадов этого
типа имеется 100%-ная последовательная ОС по напряжению, поэтому они
обеспечивают хорошую стабильность коэффициента передачи.
Напряжение смещения Uзио, обеспечивающее необходимый статический режим
работы, определяется падением напряжения на резисторе Rи.
Рис.2. Каскад с общим стоком
Включение ПТ с общим затвором (Рис.3)применяется редко, поскольку входное
сопротивление мало, а усиление мощности меньше, чем при использовании БТ с ОЭ.
Коэффициент усиления тока меньше единицы.
Рис 3. Каскад с общим стоком
Недостатки схемы: большое остаточное напряжение на стоке (8…12 В) и
соответственно большое внутренне сопротивление.
Достоинства: коэффициент усиления по напряжению, меньший единицы,
повышенное входное и низкое выходное сопротивления, у каскадов этого типа
имеется 100%-ная последовательная ОС по току, поэтому они обеспечивают хорошую
стабильность коэффициента передачи.
Рис.4. Каскад с общим эмиттером
Включение транзистора с общим эмиттером (Рис.4) позволяет получить
усиление, как тока, так и напряжения сигнала. Коэффициент усиления мощности при
таком включении наибольший, однако, он сильно изменяется при изменении режима
транзистора, температуры и замене экземпляров транзисторов. Входное
сопротивление транзистора при включении с ОЭ значительно выше, чем при
включении с ОБ, и находится в пределах от нескольких ом (для транзисторов
большой мощности) до тысяч ом (для транзисторов малой мощности). При увеличении
сопротивления нагрузки входное сопротивление уменьшается. Выходное
сопротивление транзистора меньше, чем при включении с ОБ, и уменьшается при
увеличении внутреннего сопротивления источника сигнала. Коэффициент гармоник
при включении транзистора с ОЭ больше, чем при других включениях. Однако такое
включение применяется наиболее широко, так как позволяет получить наибольшее
усиление мощности (напряжения при заданном сопротивлении нагрузки).
Усилительный каскад на биполярном транзисторе с общей базой
Усилительные каскады с общей базой используются реже, чем каскады с общим
эмиттером и общим коллектором.
Рис.5. Каскад с общей базой
Включение транзистора с общей базой позволяет получить усиление только
напряжения. Коэффициент усиления тока при таком включении меньше единицы и мало
изменяется при изменении режима работы, температуры и замене экземпляров
транзисторов. Коэффициент усиления мощности сравнительно невелик, однако при
замене экземпляров транзисторов их старении и изменении температуры изменяется
значительно меньше, чем при других включениях транзистора. Также схема с ОБ
используется в усилителях, где необходимо достичь довольно высокой частоты
пропускания транзистора.
Входное сопротивление транзистора при включении с ОБ значительно меньше
чем при других включениях, и находится в пределах от десятых долей ома (для
транзисторов большой мощности) до десятков ом (для транзисторов малой
мощности).
При увеличении сопротивления нагрузки входное сопротивление возрастает.
Выходное сопротивление при включении с ОБ больше, чем при других включениях, и
растет при увеличении внутреннего сопротивления источника сигнала. Коэффициент
гармоник при включении транзистора с ОБ обычно не превышает нескольких
процентов даже при полном использовании транзистора.
Усилительный каскад на биполярном транзисторе с общим коллектором.
Усилительные каскады с общим коллектором больше известны как эмиттерные
повторители. По своим основным характеристикам они близки к истоковым
повторителям.
Рис.6. Каскад с общим коллектором
Частный
случай повторителей напряжения на основе биполярного транзистора.
Характеризуется высоким усилением по току и коэффициентом передачи по
напряжению, близким к единице. При этом входное сопротивление относительно
велико (однако оно меньше, чем входное сопротивление истокового повторителя
<#"599447.files/image016.jpg">
Рис.7
На рис.7 показана схема трехкаскадного усилителя с
конденсаторной развязкой между каскадами. Режим по постоянному току у каждого
каскада свой. Входной переменный сигнал проходит от каскада к каскаду через
разделительные конденсаторы.
1.5 Структура источника питания
Обычно для питания электронной аппаратуры требуется постоянное
стабилизированное напряжение с низким уровнем пульсаций. Поэтому практически
любое электронное устройство содержит источник вторичного электропитания
(ИВЭП). Основной задачей ИВЭП является преобразование энергии первичного
источника в выходное напряжение с заданными параметрами.
Рис.8
Структурная схема источника вторичного электропитания Рис. 8 .
Чаще всего в качестве первичного используется напряжение однофазной или
трёхфазной сети переменного тока. В этом случае ИВЭП имеет структуру,
показанную на рисунке 2.12. Он состоит из силового трансформатора Тр, вентильного
блока ВБ (выпрямителя), сглаживающего фильтра CФ и стабилизатора Ст.
Силовой трансформатор преобразует напряжение сети Uс в выходное
переменное напряжение необходимой величины и обеспечивает гальваническую
развязку от сети. Вентильный блок обеспечивает однонаправленное протекание тока
в нагрузке (выпрямляет переменное напряжение). Сглаживающий фильтр уменьшает
пульсации выпрямленного напряжения до требуемого уровня. Стабилизатор
поддерживает неизменным напряжение на нагрузочном устройстве при изменениях
напряжения сети или сопротивления нагрузки Rн.
2. Описание электрической схемы выбранного устройства
Схема усилителя
По заданию имеем небольшое (600 Ом) входное сопротивление генератора и
небольшое сопротивление нагрузки (1кОм), поэтому усилитель будем строить на
биполярном транзисторе (по схеме с общим эмиттером). Чтобы обеспечить
необходимый коэффициент усиления по току добавим второй усилительный каскад на
биполярном транзисторе и включим его по схеме с общим коллектором(рис.1).
Рис.9. Двухкаскадный усилитель на биполярных транзисторах.
Резисторы R1, R2 необходимы для задания начального
режима работы транзистора;и R3 - управляемый делитель напряжения;и С2-
разделительные конденсаторы;, VT1 - управляемый делитель напряжения;,R4 -
задают начальный режим работы транзистора;,R8 - обеспечивают эмиттерную
стабилизацию;
С3- предотвращает проникновение постоянной составляющей сигнала на выход;
С4 - шунтирующий конденсатор:
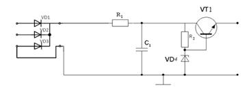
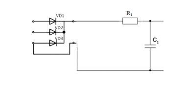
Схема источника питания
Схема источника питания будет иметь следующий вид (рис.2):
Рис. 10. Источник питания
Источник питания (Рис.10) состоит из трансформатора, однофазного
мостового выпрямителя, фильтрующего устройства (R-образного RC-фильтра) и
стабилизатора напряжения (параметрический стабилизатор последовательного типа).
2.1 Расчёт и выбор элементов схемы
Расчет электронного транзисторного усилителя.
Исходные данные:
;
;
;
;
;
.
Исходя
из заданных параметров в качестве схемы электронного усилителя возьмем
двухкаскадную схему, первый каскад на биполярном транзисторе с ОК, второй на
биполярном с ОЭ.
Резисторы
будем выбирать из ряда Е24 с допустимым отклонением
%.
Амплитудное значение выходного напряжения и тока:
Расчет
будем производить с выходного каскада
Для
выбора транзистора необходимо рассчитать некоторые величины.
Напряжение
питания, принимаем
По
току коллектора и мощности Рк выбираем транзистор. Для хорошей работы
транзистора его рабочий ток коллектора должен быть на порядок выше.
Для
данной схемы (ОК) возьмем транзистор КТ603Б.
Параметры:
Рассчитаем
величину сопротивления резисторов RК, RЭ, R3 ,
R4 а также ёмкость конденсаторов C3 и C4.
,
,
, 
Проведем
расчет второго каскада (ОЭ).
По
найденным параметрам выбираем транзистор КТ801А.
Найдём
ток базы и делителя:
Найдём
сопротивления
,
,
, и ёмкости конденсаторов
,
.
Мощности
резисторов меньше чем 125 мВ, поэтому выбираем их типа МЛТ-0,125Вт
Выбираем
резисторы:
R1
-МЛТ-0,125Вт-9.1 кОм
5%;
-МЛТ-0,125Вт-15
кОм
5%;
-МЛТ-2Вт-360
Ом
5%;
-МЛТ-0,5Вт-100
Ом
5%;
э*
-МЛТ-0,5Вт-680 Ом
5%;
э1
-МЛТ-0,25Вт-3.9 Ом
5%.
э2
-МЛТ-1Вт 18 Ом
5%.
к
-МЛТ-2Вт-43 Ом
5%.
Выбираем
конденсаторы:
:
K50-3Б-50B-10мкФ + 10%;
:
К53-1-30B-33мкФ+ 20%;
: AO109
-25В-100мкФ
10%.
:
Fuhjyyu-200В-220 мкФ + 10%;
Выбираем
транзисторы:
VT1:
КТ603Б (биполярный транзистор);: КТ801A (биполярный транзистор).
2.2
Расчет источника питания
Рассчитаем
стабилизатор напряжения. По
техническому заданию стабилизатор однокаскадный параметрический
последовательного типа.
Uн=Uвых=Uпит=27В,
Так
как нагрузкой для стабилизатора будет являться усилительный каскад, то
вых min=87,3мАвых max=510мА
Найдём
коэффициенты
и 
,
.
Определим входное напряжение:
Выбираем
стабилитрон 2С530А, у которогост min=1 мА, Iст max=27 мА,
Iст=5мА (при
)
Выберем
транзистор КТ3102Е, у которого21Э=400
(UКЭmax=50В)>(Uвхmax-Uвых=44-27=17В)
Найдём
ток базы:
Резистор
RБ должен удовлетворять следующим требованиям:
Таким
образом, выберем RБ=1,5кОм и пересчитаем для него Iст min
и Iст max
Т.к.
условия
и
выполняется,
то можно сделать вывод, что стабилитрон и транзистор выбраны правильно.
Коэффициент
стабилизации:
,
Найдём
(КПД)
Расчёт
фильтра и вентильного блока
рис.11
Табл.1
|
Рис.1 б
|
RC
|
1,41BUн
|
0,5Iн
|
0,5DIн
|
0,5FIн
|
0,707DIн
|
0,707BDPн
|
0,707DIн/пт
|
0,67
|
2fс
|
3,5
|
|
RL
|
1,57Uн
|
0,5Iн
|
0,707Iн
|
Iн
|
1,11Uн
|
Iн
|
1,11Pн
|
1,11Iн/пт
|
|
|
5,1
|
В Таблице 1: Uн, Iн - средние значения
выпрямленного напряжения и тока на нагрузке; fс - частота питающей
сети; Uобр max - максимальное обратное напряжение на диодах; Iпр
ср -среднее, Iпр д - действующее и Iпр max -
максимальное (амплитудное) значения прямого тока на диодах; действующие
значения U2 д - напряжения и I2 д - тока вторичной
обмотки трансформатора; Р2 - минимальная требуемая мощность
вторичной обмотки трансформатора; fп - частота и Кп -
коэффициент пульсаций на выходе выпрямителя (на входе фильтра); kr -
коэффициент для расчета активного сопротивления вторичной обмотки
трансформатора rТр; пт = U1 д/U2 д
= w1/w2 - коэффициент трансформации, U1 д и U2
д - действующие значения напряжения в первичной и вторичной обмотках трансформатора,
w1 и w2 число витков первичной и вторичной обмоток;
коэффициенты B, D, F, H определяются либо по графикам, приведенным в
справочниках, либо по приближенным формулам
По техническому(Рис.11) заданию: резистивно-ёмкостной Г-образный; Кп=1,8%
, fс =200Гц.
Uн=Uвых=Uпит=27В
Коэффициент
сглаживания
.
Сопротивление
нагрузки
,
Расчет
вентильного блока
рис.12
Рассчитаем
коэффициенты A, B, D, F, Н по уравнениям:
Находим
коэффициент А:
Найдём
активное сопротивление вторичной обмотки трансформатора:
где:
;
;
;
;
;
.
Подставляя
все найденные значения, найдём сопротивление фазы выпрямителя:
Теперь
можно найти коэффициент A:
,
(1)
;(2)
|
;(3) (4)
|
|
Подставляя коэффициент А, в выше указанные уравнения, получим:
(A)=
=348
Зная
все необходимые коэффициенты для расчётов параметров (приведённых в таблице 1),
мы можем выбрать диоды.
Режим
работы диодов:
Параметры
вторичной обмотки транзистора:
Коэффициент
трансформации:
Действующий
ток первичной обмотки:
По
найденным данным, режима работы диодов, выбираем диоды КД229Е(
;
).
Выбираем
резистор:
: МЛТ-0,60Вт-390Ом
5%
Выбираем
диоды: VD1-VD3:КД229Е
Методика
испытаний электронного устройства
1) Измеряли падения напряжения и сверяли их с теоретическими значениями,
полученными при расчетах и в программе MicroCap.
2) Подключили разработанную схему (Рис.13) к источнику питания, генератору и
осциллографу и получили на экране осциллографа следующие характеристики на
разных частотах(300Гц,3000Гц,50000Гц).
Проверяем работу каскада на нижней граничной частоте 300Гц. Должны
получить коэффициент усиления равный 2,64 по заданию. На практике получил
коэффициент усиления равный 2,47.

где G - генератор;
ИП - источник питания;
Проверяем работу каскада на нижней граничной частоте 3800Гц. Должны
получить коэффициент усиления равный 2,64 по заданию. На практике получил
коэффициент усиления равный 2,65.
Проверяем работу каскада на нижней граничной частоте 50000Гц. Должны
получить коэффициент усиления равный 2,64 по заданию. На практике получил
коэффициент усиления равный 2,71.
На низкой частоте выходное напряжение удовлетворяет рассчитанному
значению и сдвиг по фазе не 1800 .На среднее частоте так же
удовлетворяет рассчитанному значению, но сдвиг по фазе уже почти 1800.
На высокой частоте значение выходного напряжения выше расчётного (большой
коэффициент по напряжению), но за то сдвиг по фазе 1800. Т.е. с
увеличением частоты коэффициент усиления по напряжению растет.
Заключение
В данной курсовой работе была рассмотрена методика разработки электронных
устройств, рассмотрены основные принципы построения усилительных каскадов.
Согласно техническому заданию была выбран и рассчитан электронный транзисторный
усилитель.
Если возникнет необходимость изготовления и использования разработанного
усилителя, курсовая работа содержит компоновочный эскиз, чертеж печатной платы
и схему испытаний.
Список используемой литературы
1. Полупроводниковые
приборы / В.И. Галкин, А.Л. Булычев, В.А. Прохоренко - Беларусь, 1979.
. Электроника
/ В.Г. Гусев, Ю.М. Гусев - Москва «Высшая школа», 1991.
. Справочник
по электрическим конденсаторам / М. Н. Дьяконов, В. И. Карабанов - Москва
«Радио и связь», 1983 .
. Резисторы,
конденсаторы, трансформаторы, дроссели, коммутационные устройства, РЭА / Акимов
Н.Н. - Минск «Беларусь», 1994.