Разработка диспетчерской системы контроля и управления технологическим объектом

  • Вид работы:
    Курсовая работа (т)
  • Предмет:
    Информатика, ВТ, телекоммуникации
  • Язык:
    Русский
    ,
    Формат файла:
    MS Word
    370,58 Кб
  • Опубликовано:
    2013-02-05
Вы можете узнать стоимость помощи в написании студенческой работы.
Помощь в написании работы, которую точно примут!

Разработка диспетчерской системы контроля и управления технологическим объектом

Министерство образования и науки Республики Казахстан

Карагандинский государственный технический университет

Кафедра "АПП"








Пояснительная записка

к курсовому проекту

Тема: "Разработка диспетчерской системы контроля и управления технологическим объектом"


Руководитель СмагуловаК.К.

Нугербекова А.М

Содержание

Введение

. Цель работы

2. Техническое задание

. Вид кодированного сигнала

. Состав устройства

5. Проектирование устройств

.1 Проектирование шифратора

.2 Проектирование дешифратора

.3 Проектирование кодопреобразователя

Заключение

Список использованной литературы

Введение

Цифровые устройства это устройства, в которых величины принимают два значения: ноль и единица.

Шифратором называется комбинационное логическое устройство, преобразующее входной унитарный код в выходной позиционный, то есть он преобразует десятичный код в двоичный. Шифратор предназначен для понижения разрядности выходного кода

Дешифратор - логическая схема с несколькими входами и с несколькими выходами, которая преобразует кодированные входные сигналы в кодированные выходные сигналы, причем входные и выходные коды различны. Входной код обычно имеет меньшее число разрядов, чем выходной код, и между входными и выходными кодовыми словами имеется взаимно-однозначное соотношение. При взаимно-однозначном значении каждое входное входовое слово порождает отличное от других выходное кодовое слово.

Кодопреоброзователь - цифровой узел, предназначен для преобразования одного кода в другой код. Например, на вход кодопреобразователя, имеющий n входов, подаётся двоичный код, а с выхода кодопреобразователя, имеющий m выходов снимается двоично-десятичный код

Все эти устройства построены на комбинационной логики.

1. Цель работы

Модернизация существующей системы управления и контроля на современной электронной базе.

Назначение: разрабатываемая система управления (далее по тексту СУ) предназначена для управления технологическим оборудованием на значительном удалении от пункта управления (далее по тексту ПУ). Управление осуществляется с помощью 10-ти кнопок находящихся на ПУ, дешифрация сигнала управления осуществляется блоком дешифратора, который подключает соответствующий исполнительный механизм. Индикация сработавшего исполнительного механизма осуществляется платой кодопреобразователя в виде десятичной цифры 7-ми сегментного кода.

2. Техническое задание

Разработать систему диспетчерского контроля и управления исполнительными механизмами технологической установки с индикацией номера сработавшего устройства.

Количество объектов управления: 10.

Способ индикации: десятичная цифра на 7-ми сегментном индикаторе.

Вид выходного сигнала управления: "сухой" контакт.

3. Вид кодированного сигнала

Кодированный сигнал представлен в следующем виде:

D4

D3

D2

D1

D0

0

0

1

1

1

1

1

1

1

1

1

0

2

1

1

1

0

1

3

0

1

1

0

0

4

1

1

0

1

1

5

1

0

1

0

0

6

0

0

0

1

1

7

1

0

0

1

0

8

1

0

0

0

1

9

0

0

0

0

0


4. Состав устройства

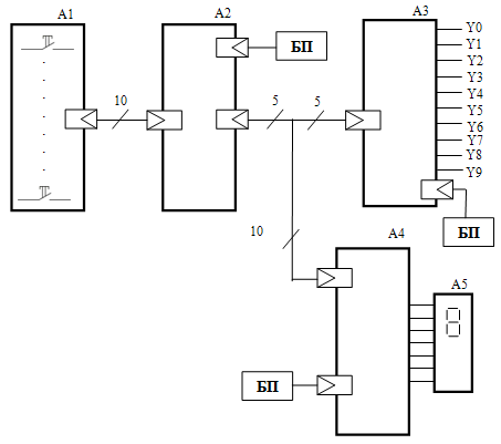
Функциональная схема устройства представлена на рисунке 1.

Рисунок 1 - Функциональная схема устройства.

A1 - Наборное поле (представлено в приложении Б);

A2 - Шифратор;

A3 - Дешифратор;

A4 - Кодопреобразователь;

A5 - Семисегментный индекатор;

Y0 … Y9 - Сигналы управления исполнительными механизмами.

БП - Блок питания.

Общая принципиальная схема приведена в приложении А.

5. Проектирование устройств

.1 Проектирование шифратора

Первый этап: построение таблицы истинности шифратора (таблица 1).

Таблица 1.

Цифра

Входы

Выходы


X9

X8

X7

X6

X5

X4

X3

X2

X1

X0

A

B

C

D

E

0

0

0

0

0

0

0

0

0

0

1

0

1

1

1

1

1

0

0

0

0

0

0

0

0

1

0

1

1

1

1

0

2

0

0

0

0

0

0

0

1

0

0

1

1

1

0

1

3

0

0

0

0

0

0

1

0

0

0

0

1

1

0

0

4

0

0

0

0

0

1

0

0

0

0

1

1

0

1

1

5

0

0

0

0

1

0

0

0

0

0

1

0

1

0

0

6

0

0

0

1

0

0

0

0

0

0

0

0

0

1

1

7

0

0

1

0

0

0

0

0

0

0

1

0

0

1

0

8

0

1

0

0

0

0

0

0

0

0

1

0

0

0

1

9

1

0

0

0

0

0

0

0

0

0

0

0

0

0

0


Второй этап: вывод формул, выражающих выходные переменные через входные.

A=X1+X2+X4+X5+Х7+Х8;

B=X0+X1+X2+X3+X4;

C= X0+X1+X2+X3+X5;

D=X0+X1+X4+X6+X7;

E=X0+X2+X4+X6+X8.

Третий этап: преобразуем данные элементы по закону Де Моргана.

A=;

B=;

С=;

D=;

E=.

Четвёртый этап: по полученным результатам проектируем схему шифратора (приложение В).

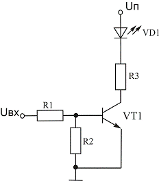
Пятый этап: расчет транзисторного ключа на выходе сигнала из шифратора (рисунок 2).

Рисунок 2 - Транзисторный ключ в шифраторе.

Выбираем транзистор КТ3102Б исходя из того, что его характеристики , , .Зная, что Iк=1мА и Uп=10B, рассчитываем R3 по формуле: Ом, а мощность рассчитываем по формуле: Вт.

Выбираем в соответствии с рядом Е24 наминал резистора R3 10 кОм, мощностью 0,125 Вт.

Теперь рассчитываем номинал резистора R1 по формуле: , а А и Ом, а мощность рассчитываем по формуле: Вт.

Выбираем в соответствии с рядом Е24 номинал резистора R1 91 кОм, мощностью 0,125 Вт.

Резистор R2 для привязки номиналом 10 кОм.

.2 Проектирование дешифратора

Первый этап: Проектирования дешифратора начинается с построения таблицы истинности (таблица 2).

Таблица 2.

Цифрa

Входы

Выходы


A

B

C

D

E

Y9

Y8

Y7

Y6

Y5

Y4

Y3

Y2

Y1

Y0

0

0

1

1

1

1

0

0

0

0

0

0

0

0

1

1

1

1

1

1

0

0

0

0

0

0

0

0

0

1

0

2

1

1

1

0

1

0

0

0

0

0

0

0

1

0

0

3

0

1

1

0

0

0

0

0

0

0

0

1

0

0

0

4

1

1

0

1

1

0

0

0

0

0

1

0

0

0

0

5

1

0

1

0

0

0

0

0

0

1

0

0

0

0

0

6

0

0

0

1

1

0

0

0

1

0

0

0

0

0

0

7

1

0

0

1

0

0

0

1

0

0

0

0

0

0

0

8

1

0

0

0

1

0

1

0

0

0

0

0

0

0

0

9

0

0

0

0

0

1

0

0

0

0

0

0

0

0

0


Второй этап: вывод формул, выражающих выходные переменные через входные.

Так как схема сложная, то проведем минимизацию для упрощения схемы. Минимизация производится с помощью матриц Карно. Создадим блоки.

Рисунок 3 - Вспомогательная матрица Карно для схемы дешифратора.

Рисунок 4 - Матрицы Карно для схемы дешифратора

Из полученных матриц теперь выводим формулы:


Третий этап: Пользуясь полученными результатами проектируем схему (приложение Г).

Четвёртый этап: расчет транзисторного ключа для включения реле в дешифраторе (рисунок 5).

Рисунок 5 - Транзисторный ключ в дешифраторе.

Выбираем реле РП24 исходя из того, что его характеристики Iвк=100мА, Uвк=24В. Так же выбираем диод КД208А исходя из того, что его характеристики I=1A, Uп=200В. Выбираем транзистор КТ972А исходя из того, что его характеристики ,, . Зная, что Iк=100мА, то рассчитываем сопротивление резистора R1 по формуле:

, .

Мощность рассчитываем по формуле:

мВт.

Выбираем в соответствии с рядом Е24 номинал резистора R1 6,2 кОм, мощностью 0,125 Вт.

Резистор R2 для привязки номиналом 1 кОм.

5.3 Проектирование кодопреобразователя

модернизация транзисторный шифратор кодопреобразователь

Первый этап: Проектирования кодопреобразователя начинается с построения таблицы истинности (таблица 3).

Таблица 3.

Цифрa

Входы

Выходы


A

B

C

D

E

Y6

Y5

Y4

Y3

Y2

Y1

Y0

0

0

1

1

1

1

0

0

0

0

1

0

1

1

1

1

1

1

0

0

0

0

1

1

0

0

2

1

1

1

0

1

0

0

1

1

0

1

0

3

0

1

1

0

0

0

1

1

0

0

1

0

4

1

1

0

1

1

1

1

0

0

0

1

1

5

1

0

1

0

0

1

0

0

1

1

1

1

6

0

0

0

1

1

1

0

1

1

0

1

1

7

1

0

0

1

0

1

1

1

0

0

0

0

8

1

0

0

0

1

1

0

0

0

0

1

1

9

0

0

0

0

0

1

1

0

1

0

1

1


Следующим этапом проектирования является получение минимизированных выражений. Используя данные таблицы 3, построим 8 матриц Карно - одна вспомогательная - "Цифры" и семь для выходных переменных (рисунок 6-7).

Рисунок 6 - Вспомогательная матрица Карно для кодопреобразователя.

Рисунок 7 - Матрицы Карно для кодопреобразователя.

По матрицам рисунка 8 получены следующие выражения:


Третий этап: пользуясь полученными результатами проектируем схему (приложение Д).

Четвертый этап: расчет транзисторного ключа на выходе сигнала кодопреобразователя (рисунок 8).

Рисунок 8 - Транзисторный ключ на выходе сигнала кодопреобразователя.

Выбираем транзистор КТ3102Б исходя из того, что его характеристики , , . Зная, что Iк=10мА и Uп=10B, рассчитываем R1:

, ,

Ом,

Мощность рассчитываем по формуле:

Вт.

Выбираем в соответствии с рядом Е24 номинал резистора R1 1,8 кОм,

мощностью 0,125 Вт.

Рассчитываем R3:

Ом,

Мощность рассчитываем по формуле: Вт.

Выбираем в соответствии с рядом Е24 номинал резистора R3 750 Ом, мощностью 0,125 Вт. Резистор R2 для привязки номиналом 10 кОм.

Заключение

В процессе разработки курсового проекта я разработала следующие цифровые устройства: шифратор, дешифратор и кодопреобразователь. Научилась логически мыслить. Воспользовалась матрицами Карно при проведении минимизации логических функций. Научилась строить схемы. Разработала микросхемы цифровых устройств. Применила световую индикацию при разработке кодопреобразователя.

Список используемой литературы

.        Шило В.Л. Популярные логические микросхемы. Справочник. Москва. Радио и связь. 1987.

.        Боровский В.П. Справочник по схемотехнике для радиолюбителей. Киев. Техника. 1987.

.        Степаненко И.П. Основы микроэлектроники. Москва. Сов. радио, 1980.

Похожие работы на - Разработка диспетчерской системы контроля и управления технологическим объектом

 

Не нашли материал для своей работы?
Поможем написать уникальную работу
Без плагиата!
Без нейросетей!