Системи управління промисловим роботом на базі IBM-сумісного персонального комп’ютера

  • Вид работы:
    Дипломная (ВКР)
  • Предмет:
    Информационное обеспечение, программирование
  • Язык:
    Украинский
    ,
    Формат файла:
    MS Word
    2,43 Мб
  • Опубликовано:
    2012-09-22
Вы можете узнать стоимость помощи в написании студенческой работы.
Помощь в написании работы, которую точно примут!

Системи управління промисловим роботом на базі IBM-сумісного персонального комп’ютера

Міністерство освіти і науки України

Криворізький інститут

Кременчуцького університету економіки, інформаційних технологій і управління

Кафедра технічної кібернетики


ДИПЛОМНА РОБОТА

Зі спеціальності

.091402 Гнучкі комп'ютеризовані системи та робототехніка

ПОЯСНЮВАЛЬНА ЗАПИСКА

Системи управління промисловим роботом на базі IBM-сумісного персонального комп’ютера

Студента групи ГКС - 05з

Прохорова Михайла Валерійовича

Керівник роботи

доц., к.т.н. Лукашенко Йосип Михайлович

Консультанти:

з спеціальної частини доц., к.т.н. Іванов І.Г.

з програмної частини доц., к.т.н Вдовиченко І.Н.

з економічної частини доц., к.е.н. Тимко Є.В.

з охорони праці доц., к.т.н. Климович Г.Б.

нормо контроль ст. викл. Захарова Г. Б.

Завідувач кафедри ТК доц., к.т.н. Старіков О.М.

Кривий Ріг 2010р.

Міністерство освіти і науки України

Криворізький інститут

Кременчуцького університету економіки, інформаційних технологій і управління

Кафедра Технічної кібернетики

Спеціальність 7.091402 Гнучкі комп’ютеризовані системи та робототехніка

ЗАТВЕРДЖУЮ

Зав. кафедрою доц., к.т.н. Старіков О.М.

_______________________

" 1 " листопада 2009 р.

ЗАВДАННЯ

на дипломну роботу студента

Прохорова Михайла Валерійовича

. Тема роботи: Система управління промисловим роботом на базі IBM-сумісного персонального комп’ютера затверджена наказом по інституту від " 29 " жовтня 2009р. №         73С-01

. Термін здачі студентом закінченої роботи 25.05.10. _

. Вхідні дані до роботи: Вимоги до кінцевої розробки, лабораторна установка на базі ПР «Електроніка НЦ ТМ01»

4. Зміст розрахунково-пояснювальної записки (перелік питань, що підлягають розробці): Постановка завдання; Теоретичні дослідження особливостей застосування роботів та маніпуляторів; Устрій і робота ПР «Електроніка НЦ ТМ-01», та його складових; Практична реалізація системи управління промисловим роботом на базі IBM-сумісного персонального комп’ютера; Економічне обґрунтування доцільності розробки системи управління промисловім роботом на базі IBM-сумісного персонального комп’ютера; Охорона праці.

5. Перелік графічного матеріалу (з точними вказівками обов'язкових креслень)

. Порівняльна оцінка можливостей людини й різних машин

. Структурно функціональна схема взаємодії систем робота

.Склад і схема складання мікропроцесорної керуючої обчислювальної системи на базі «Електроніка 60М»

. Блок схема системи управління

. Принципова схема блоку сполучення ПК з ПР «Електроніка НЦ ТМ 01»

. Специфікація блоку сполучення

6. Консультанти з роботи, з вказівками розділів роботи, що належать до них

Розділ

Консультант

Підпис, дата



Завдання видав

Завдання прийняв

Спеціальна частина

Іванов І.Г.



Програмна частина

Вдовиченко І.Н.



Економічна частина

Тимко Є.В.



Охорона праці

Климович Г.Б.




. Дата видачі завдання 01.11.09 р.

КАЛЕНДАРНИЙ ПЛАН

№ п/п

Найменування етапів дипломної роботи

Термін виконання етапів роботи

Примітки

1.

Отримання завдання на дипломну роботу

01.11.09


2.

Огляд існуючих рішень

20.02.10


3.

Обґрунтування вибраного рішення

13.03.10


4.

Програмна частина (постановка задачі, створення програмного забезпечення, опис алгоритму рішення задачі, проектування та опис інтерфейсу користувача, опис програми)

28.04.10


5.

Оформлення пояснювальної записки

06.05.10


6.

Оформлення графічної документації

14.05.10


7.

Оформлення електронних додатків до диплому

20.05.10


8.

Представлення дипломної роботи до захисту

25.05.10



Анотація

Метою даної дипломної роботи є проектування та розробка системи управління промисловим роботом «Електроніка НЦ ТМ-01» на базі IBM - сумісного персонального комп’ютера. На базі промислового робота «Електроніка НЦ ТМ-01» реалізована лабораторна установка, яка призначена для більш наглядного вивчення роботи та конструкції роботів.

Лабораторна установка призначена для впровадження у навчальний процес для студентів спеціальності “Гнучкі комп’ютеризовані системи та робототехніка”.

Аннотация

Целью данной дипломной работы является проектирование и разработка системы управления промышленным роботом «Электроника НЦ ТМ-01» на базе IBM - совместимого персонального компьютера. На базе промышленного робота «Электроника НЦ ТМ-01» реализована лабораторная установка, которая предназначена для более наглядного изучения работы и конструкции роботов.

Лабораторная установка предназначена для внедрения в учебный процесс для студентов специальности “Гибкие компьютеризированные системы и робототехника”.

summary

purpose of the given degree work is designing and management system engineering by industrial robot "Электроника НЦ ТМ-01" on the basis of IBM - the compatible personal computer. On the basis of industrial robot "Электроника НЦ ТМ-01" laboratory installation, which intended for more evident studying of work and a design of robots is realized.installation is intended for introduction in educational process for students of a specialty “Flexible computer-controlled systems”.6, schemes and drawings 19, tables 9, bibliographic references 31, total amount - 103.

ВСТУП

В останній час на території нашої держави склалася тенденція автоматизації та роботизації виробничих процесів, за для досягнення кращої якості та більшої кількості продукції. Майже на кожному підприємстві, що займається виробництвом, існує автоматизована лінія виробництва, або ж хоча б верстат з програмним управлінням (ПК, ЧПУ).

Об'єктивною причиною виникнення й розвитку сучасної робототехніки з'явилася історична потреба виробництва в гнучкій автоматизації з усуненням людини з особистої участі в машинному виробництві й недостатність для цієї мети традиційних засобів автоматизації. Тому завданням робототехніки поряд зі створенням власне засобів робототехніки є розробка заснованих на них систем і комплексів різного призначення. Системи й комплекси, автоматизовані за допомогою роботів, прийнято називати роботизованими. Роботизовані системи, у яких роботи виконують основні технологічні операції, називаються робототехнічними.

Оскільки наш ВНЗ випускає спеціалістів які повинні вміти керувати та обслуговувати різновиди робототехніки, які беруть участь в автоматизованих процесах виробництва, йому потрібна лабораторно-практична база, за допомогою якої студенти могли більш досконало вивчати предмет.

Основою моєї дипломної роботи є промисловий робот «Електроніка НЦ ТМ-01», який був розроблений для завантаження й вивантаження деталей при роботі на токарному верстаті. Даний робот має п’ять ступенів рухливості, які приводяться в рух за допомогою електромеханіки та електропневматичних розподільників. Мені необхідно спроектувати та розробити систему управління даним промисловим роботом на основі IBM - сумісного ПК. Дана дипломна робота спрямована на покращення рівня підготовки студентів, оскільки саме на таких лабораторних установках можливо на живо відпрацьовувати основні навики обслуговування робототехніки даного різновиду.

1.  ПОСТАНОВКА ЗАВДАННЯ

1.1     Найменування та область застосування

Найменування розробки: Система управління промисловим роботом «Електроніка НЦ ТМ-01» на базі IBM - сумісного ПК. Лабораторна установка на базі даного промислового робота може бути впроваджена в Криворізькому інституті КУЕІТУ для застосування у навчальному процесі по спеціальності “Гнучкі комп’ютеризовані системи та робототехніка”.

1.2     Підстава для створення

Підставою для розробки є наказ № 73С-01 від 29 жовтня 2009 р. по Криворізькому інституту КУЕІТУ.

Початок робіт: 01.11.09. Закінчення робіт: 25.05.10.

1.3 Характеристика розробленої системи управління та промислового робота «Електроніка НЦ ТМ-01»

Система управління промисловим роботом «Електроніка НЦ ТМ-01» була розроблена на базі IBM - сумісного персонального комп’ютера. Зв'язок між промисловим роботом і комп’ютером, встановлюється через спеціально спроектований електронний блок сполучення, який є невід’ємною частиною системи управління. Керування роботом виконується за допомогою спеціально розробленої програми, сигнали управління якої потрапляють в блок сполучення через паралельний порт - Centronic.

До складу системи управління входять:

·  IBM - сумісний персональний комп’ютер;

·        програмне забезпечення;

·        блок (плата) сполучення;

·        з’єднувальні кабелі;

Основні характеристики промислового роботу «Електроніка НЦ ТМ-01»

·  Робот "Електроніка НЦ ТМ-01" призначений для обслуговування металорізальних токарських верстатів, а саме для завантаження й вивантаження деталей типу тіл обертання діаметром до 150мм, висотою до 150 мм при виробництві виробів електронної промисловості.

·        Робот "Електроніка НЦ ТМ-01" забезпечує поворот схватів у горизонтальній площині на кут 90°.

·        Система керування забезпечує елементи адаптації робота "Електроніка НЦ ТМ-01" до зовнішнього середовища.

·        Робот "Електроніка НЦ ТМ-01" забезпечує притиск заготівлі до торця кулачків патрона верстата.

·  Робот "Електроніка НЦ ТМ-01" забезпечує блокування роботи при наїзді на перешкоду.

·        Робот "Електроніка НЦ ТМ-01" забезпечує безперервне завантаження й вивантаження деталей на металорізальному верстаті протягом 8 годин. Допускаються зупинки маніпулятора, індицюйовані на екрані дисплея, викликані спрацьовуванням системи самозахисту, якщо тривалість руху забезпечується натисканням клавіші дисплея й перемиканням тумблера «+5В» комірки стабілізації.

·  Робот "Електроніка НЦ ТМ-01" виготовлений у виконанні УХЛ,
 категорії 4.2 за ДСТ 15150-69.

·  Категорія ремонтної складності робота "Електроніка НЦ ТМ-01":

- Механічної частини - 8;

Електричної частини - 10.

1.4 Мета й призначення

Метою даної дипломної роботи було створення системи управління лабораторної установки яка може емітувати виробничі процеси близькі до справжніх процесів на виробництві, та завдяки цьому краще вивчити та застосувати на практиці теоретичні знання з предмету «Робототехніка та мехатроніка».

1.5 Загальні вимоги до розробки

Вимоги до лабораторної установки:

·  Виконання лабораторної установки з гідно технічного опису робота "Електроніка НЦ ТМ-01"

·  Робот "Електроніка НЦ ТМ-01" повинен експлуатуватися в приміщенні категорії 3 по ДСТУ 11 6В.005.022.

·        Для експлуатації робота "Електроніка НЦ ТМ-01" потрібно стиснене повітря за ДСТУ 17433-80 під тиском (3,4-5,98) *105 Па (3,5-6 кг/см2).

·        Живлення робота "Електроніка НЦ ТМ-01" здійснюється від однофазної мережі змінного струму напругою 220 В, частоти 50 Гц.

1.6 Джерела розробки

Джерелами розробки дипломної роботи є:

·  довідкова література;

·        наукова література;

·        технічна документація;

2. ТЕОРЕТИЧНІ ДОСЛІДЖЕННЯ ОСОБЛИВОСТЕЙ ЗАСТОСУВАННЯ РОБОТІВ ТА МАНІПУЛЯТОРІВ


2.1 Основні поняття

Для визначення основного поняття "робот" варто усвідомити головні критерії оцінки його можливостей, тому що робот за своєю концепцією виник як пристрій, покликаний замінити працю людини в найрізноманітніших видах і сферах. Оцінка його можливостей повинна виходити із трьох категорій здібностей, властивій живій істоті, зокрема людині, - фізичних, функціональних й інтелектуальних. Якщо тепер ці критерії для наочності відкласти по трьох осях прямокутних координат (рис. 2.1), то одержимо умовний тривимірний простір живої істоти, де по осі X відкладені фізичні можливості, що включають силу, швидкість, продуктивність, стабільність характеристик, надійність, довговічність і т.д.; по осі Y - функціональні здібності, що характеризують можливість переміщення в просторі, орієнтацію, універсальність і т.д.; по осі Z - рівень інтелекту, що включає пам'ять, логіку, здібність до адаптації, навчанню й т.п.

Рис 2.1. Порівняльна оцінка можливостей людини й різних машин: 1 - людина, 2 - робот, 3 - вантажопідйомна машина, 4 - інформаційна машина

Як видно, робот - це тривимірна машина, що має три виміри, що відповідають простору живої істоти. Обчислювальні й інші інформаційні машини, а також машини вантажопідйомного, будівельного, транспортного виду двовимірні. Стаціонарні машини загального застосування, що існували дотепер, можна вважати одномірними, що мають тільки фізичні можливості. Як же визначається поняття "робот" ?

У широкому розумінні робот може бути визначений як технічна система, здатна заміщати людини або допомагати йому у виконанні різних завдань. Однак і дотепер відсутній строге й загальноприйняте формулювання Різні джерела дають різне тлумачення цього поняття. Велика радянська енциклопедія визначає робот як "машину з антропоморфним (людиноподібним) поведінкою, що частково або повністю виконує функції людини (іноді тварини) при взаємодії з навколишнім світом", а Енциклопедія кібернетики - як "систему, оснащену датчиками, що сприймають інформацію про навколишнє середовище, виконавчими механізмами, що впливають на об'єкти навколишнього середовища, здатну цілеспрямовано поводитися в обстановці, що змінюється. Від інших систем, призначених для обробки вступник ззовні інформації й одержання керуючих впливів (наприклад, систем автоматичного керування технологічними процесами), роботів відрізняє антропоморфізм ...".

Варто привести ще одне визначення поняття "робот", отримане шляхом статистичного аналізу відповіді на питання: "Що таке робот, чим він відрізняється від машин й автоматичних систем?", що задавався 156 експертам, що спеціалізуються в різних галузях науки й техніки. Результатом експертизи з'явилося наступне визначення: "Робот являє собою рухливу компактну систему, відмітними ознаками якої є чутливі елементи, маніпулятори й, саме головне, деяка ступінь штучного інтелекту. При цьому штучний інтелект ототожнюється головним чином зі здатністю до навчання й відповідно до зміни поводження".

При всій численності й розмаїтості формулювань спробуємо виділити закладені в них найбільш характерні відмітні ознаки роботів, до яких, мабуть, варто віднести:

1)  автономність, під якою розуміється здатність самостійного виконання дій або виробничих операцій, керуючись лише із програмним алгоритмом або із цільовою командою й умовами, що змінюються, зовнішнього середовища;

2)  універсальність, що розуміє як здатність виконувати всілякі дії або виробничі операції й легко переходити з одного виду дій на іншій;

3)  автоматичність, тобто здатність виконувати досить складні й завершені дії або виробничі цикли без безпосереднього втручання людини-оператора;

4)  антропоморфізм, що розуміє в широкому змісті як наділення робота здатностями, властивій людині; фізичними (силовими), функціональними (руховими) і інтелектуальними (розумовими), У вузькому змісті під антропоморфізмом розуміється зовнішня подібність робота з людиною, що зовсім необов'язково й може використатися лише в спеціальних цілях;

5)  адаптивність, тобто здатність до цілеспрямованої зміни свого поводження під впливом змін зовнішніх умов і до навчання в процесі взаємодії із зовнішнім середовищем (гнучкість). Здатність до адаптації й навчання реалізується шляхом наділення робота тими або іншими засобами зворотного зв'язку: дотиком, зором, слухом, нюхом, запам'ятовуванням і т.п.

Виділені в найбільш загальному виді без зайвої деталізації ці п'ять відмітних ознак досить повно визначають здатності й можливості робота як технічної системи. При цьому три перших є зовсім невід'ємними ознаками будь-якого робота, а два наступних - четвертий і п'ятий - тією чи іншою мірою можуть бути властиві найбільш досконалим роботам. У такий спосіб може бути дане досить загальне й стисле визначення класу машин, іменованих роботами.

Робот - це автономно функціонуюча універсальна автоматична машина, призначена для відтворення фізичних, рухових і розумових функцій людини, наділена здатністю до адаптації й навчання в процесі активної взаємодії з навколишнім середовищем.

Робот - гарний приклад того, як сума раніше відомих складових частин (маніпуляторів, ЕОМ, сенсорики) дає нову якість принципово новий тип технічного пристрою, що володіє в досить розвиненому варіанті штучним інтелектом, штучними органами почуттів (сенсорика), здатністю сприймати навколишнє середовище й активно впливати на неї, навчаючись й удосконалюючись у ході цього процесу Роботів, а тим більше промислових, повністю відповідному вищенаведеному визначенню, поки ще немає; широко застосовувані роботи не мають пристрої типу органів почуттів людини й здатністю мислити, а подібні розробки поки не вийшли зі стін наукових лабораторій і не одержали широкого застосування. Однак наука й техніка роблять упевнені кроки по шляху рішення однієї з фундаментальних проблем робототехніки - створення роботів що почувають і мислять.

2.2 Склад і структура робота

Робот, активно взаємодіючий з навколишнім середовищем, у загальному виді повинен містити наступні системи: керуючу, інформаційно-вимірювальну (сенсорну), систему зв'язку, виконавчу (моторну). Схема взаємодії систем робота представлена на рис. 2.2


Керуюча, або інтелектуальна система - це "мозок" робота, що служить для виробітку законів керування механізмами виконавчої системи на основі закладеної програми з урахуванням сигналів зворотного зв'язку від сенсорної системи. Важливою функцією цієї системи є розпізнавання ситуацій і моделювання середовища функціонування робота, планування дій і прийняття цілеспрямованих рішень, програмування й оптимізація рухів, а також організація спілкування робота з людиною й взаємодіючими пристроями на тій або іншій мові. Керуючі системи роботів реалізуються на базі пневматичних або електричних логічних елементів, аналогових і цифрових систем, а в найбільш зробленому варіанті - на основі ЕОМ або мікропроцесорів, що містять широкий набір вхідних (аналого-цифрових) і вихідних (цифро-аналогових) перетворювачів й інтерфейсних каналів зв'язку, число яких може коливатися від декількох десятків до декількох тисяч. По цих каналах, як по нервових волокнах, передаються безперервні (аналогові) і дискретні (цифрові) сигнали. Інтелектуальні й адаптивні можливості робота визначаються головним чином алгоритмічним і програмним забезпеченням керуючої системи.

Інформаційно-вимірювальна, або сенсорна система - це штучні органи почуттів робота, призначені для сприйняття й перетворення інформації про стан зовнішнього середовища й самого робота. Як елементи сенсорної системи використаються телевізійні й оптико-електронні пристрої, лазерні й ультразвукові далекоміри, акустичні датчики й гідролокатори, тактильні, контактні й індукційні датчики, а також датчики положення, швидкості, сил і моментів, потенціометри, тахометри, акселерометри й т.п.

Система зв'язку - це "мова" робота, що служить для передачі сигналів інформації між системами робота, а також для організації обміну інформацією між роботом і людиною або іншими роботами й пристроями з метою здійснення діалогу, формулювання завдань роботові, контролю за функціонуванням його систем, діагностики несправностей, регламентної перевірки й т.п. Інформація від людини надходить звичайно через пристрій уведення або пульт керування шляхом фізичного впливу (натискання кнопки або клавіші, ключа телеграфного апарата й т.п.). Останнім часом усе ширше починає застосовуватися мовне спілкування, а також уведення інформації за допомогою біопотенціалів (біоуправління). Інформація від робота до людини надходить, як правило, у формі світлових і звукових сигналів, а носіями цієї інформації є різного роду табло, цифрові індикатори, дисплеї, телекамери й т.п. Результати лабораторних досліджень дають підстави думати, що в найближчому майбутньому стане можливим мовне спілкування з роботом на природній людській мові.

Сукупність керуючої, інформаційно-вимірювальної й системи зв'язку утворить інформаційно-керуючу систему робота, що забезпечує обробку й передачу інформації й безпосереднє керування приводами й механізмами виконавчої системи з метою організації активної взаємодії робота з навколишнім середовищем і виконання завдань, сформульованих людиною.

Виконавча, або моторна система - це пристрої, призначені для безпосереднього впливу на об'єкти навколишнього середовища або взаємодії з ними відповідно до керуючих сигналів, які формуються інформаційно-вимірювальною системою або безпосередньо оператором. Як елементи моторної системи використаються приводи (двигуни), передаточні пристрої (передачі), пов'язані з ними механічні руки (маніпулятори), механічні ноги (педикулятори), різні технологічні інструменти, графобудівники, візки з колісним, гусеничним й іншими шасі й ін.

2.3 Покоління роботів

Роботи першого покоління - це роботи із програмним керуванням (ПР - програмні роботи), призначені для виконання певної, жорстоко запрограмованої послідовності операцій, які диктуються відповідним технологічним процесом. Керування такими роботами здійснюється по заздалегідь заданій програмі, а виходить, при строго певних і незмінних умовах експлуатації. Простота формування й зміни програми, тобто можливість перенавчання, зробила таких роботів досить універсальними.

Однак функціональні можливості роботів першого покоління істотно обмежені малими можливостями інформаційно-вимірювальної й недостатньою досконалістю керуючих систем, у результаті чого здатність до сприйняття зовнішнього миру й формуванню його моделі в програмних роботів практично відсутній. Такі роботи не можуть функціонувати самостійно: будь-яке відхилення від заздалегідь певних і заданих програмою умов веде до збою й зупинки, а в найбільш важких випадках - до аварії й виходу робота з ладу. В останні роки в цій групі стали виділяти більш розвинутий варіант, названий півтора покоління, оснащений деяким набором елементів чуття.

До роботів першого покоління відноситься переважна більшість сучасних експлуатованих промислових роботів, за допомогою яких здійснюється установка, зняття, транспортування виробів, механічна й термічна обробка, найпростіші складальні операції, зварювання, штампування, пресування, кування, лиття під тиском, фарбування й обробка й т.п. Вони добре справляються з обслуговуванням металорізального устаткування (зокрема, верстатів зі ЧПУ й обробних центрів), печей, пресів, технологічних ліній, ливарних машин і ін., однак затрудняються виконувати більш складні виробничі операції (наприклад, складальні, монтажні), що не піддаються твердої регламентації процесу, тому що роботи першого покоління принципово не можуть функціонувати автономно в не детермінованій обстановці.

Успішне функціонування роботів із програмним керуванням можливо лише при чітко певних умовах, створення яких вимагає введення спеціального технологічного устаткування, вартість якого часто перевищує вартість самого робота. Це ускладнює й здорожує роботизацію виробництва й інших сфер діяльності людини, робить її менш гнучкою, тому необхідні більш досконалі роботи, що володіють значно більше розвиненим апаратом «почуттів», більшою інформаційною потужністю, здатністю до адаптації й самонавчання, тобто роботи другого покоління.

Роботи другого покоління - це «чуттєві» роботи, призначені для роботи з неорієнтованими об'єктами довільної форми, здійснення складальних і монтажних операцій, збору інформації про зовнішнє середовище. Вони відрізняються, по-перше, істотно більшим набором і досконалістю як зовнішніх сенсорних датчиків (телевізійні, оптичні, тактильні, локаційні й т.п.), так і внутрішніх (датчики положень "руки" або "ноги" відносно "тіла" робота, датчики зусиль і моментів і т.п.) і, по-друге, більше складною системою керування, що вимагає для своєї реалізації керуючої ЕОМ. Невід'ємною частиною роботів другого покоління є їх алгоритмічне й програмне забезпечення, призначене для обробки сенсорної інформації й виробітку керуючих впливів.

Технічні органи почуттів , що входять в інформаційно-вимірювальну систему роботів другого покоління, служать джерелом зворотних зв'язків для керуючої системи; остання, обробляючи отриману інформацію, формує закон керування виконавчими механізмами з урахуванням фактичної обстановки. Таким чином, «чуттєві» роботи при відповідному апаратному, алгоритмічному й програмному забезпеченні здатні розпізнавати "ситуації" й автоматично пристосовуватися (адаптуватися) до заздалегідь не певних й умов, що змінюються, експлуатації, тобто ставати адаптивними роботами, при цьому їхні функціональні можливості можуть бути істотно розширені шляхом нарощування програм обробки сенсорної інформації й адаптивного керування.

Можливості роботів другого покоління, оснащених значним числом датчиків зовнішньої й внутрішньої інформації й потужної керуючої ЕОМ з розвиненим програмним забезпеченням, значно перевершують можливості роботів першого покоління. Завдяки здатності "розпізнавати" зовнішню обстановку, аналізувати сенсорну інформацію й пристосовуватися до умов, що змінюються, експлуатації, «чуттєві» роботи можуть взаємодіяти з неорієнтованими об'єктами в неупорядкованій обстановці, а виходить, виконувати дослідницькі роботи, складальні й монтажні операції, збирати інформацію про навколишнє оточення й т.п.

Роботи третього покоління - це так називані інтелектуальні, або розумні, роботи, призначені не тільки й не стільки для відтворення фізичних і рухових функцій людини, скільки для автоматизації його інтелектуальної діяльності, тобто для рішення інтелектуальних завдань. Вони принципово відрізняються від роботів другого покоління складністю функцій і досконалістю керуючої системи, що включає в себе елементи штучного інтелекту.

Тут доречно звернутися до поняття штучного інтелекту. По визначенню відомого вченого-кібернетика професора А.В. Тимофєєва, під інтелектом розуміється здатність мозку вирішувати (інтелектуальні) завдання шляхом придбання, запам'ятовування й цілеспрямованого перетворення знань у процесі навчання на досвіді й адаптації до різноманітних обставин. При цьому під інтелектуальними розуміються завдання, пов'язані з відшуканням алгоритму рішення цілого класу завдань певного типу. Діяльність же мозку, що володіє інтелектом, спрямовану на рішення інтелектуальних завдань, будемо називати мисленням, або інтелектуальною діяльністю.

У процесі рішення інтелектуальних завдань проявляються такі характерні риси інтелекту, як здатність до аналізу й узагальнення, навчанню й нагромадженню досвіду (знань і навичок), адаптації до умов, що змінюються, у процесі інтелектуальної діяльності. Завдяки цим якостям інтелекту, "мозок" може вирішувати різноманітні завдання, а також легко перебудовуватися з одного завдання на іншу, будучи універсальним засобом рішення широкого кола завдань (у тому числі неформалізованих), для яких немає стандартних, заздалегідь певних методів рішень.

Виникає принципове питання: чи можна моделювати інтелектуальну діяльність, або, іншими словами, створити штучний інтелект? Сучасна наука ствердно відповідає на це питання. Безсумнівно, що обчислювальні машини й роботи в принципі можуть мати основні риси інтелекту. Більше того, сучасні найбільш ЕОМ і роботи в сукупності з їх алгоритмічним і програмним забезпеченням уже володіють, принаймні, частково, цими рисами. Про подібні системи говорять, що вони містять елементи штучного інтелекту. У самому загальному виді штучний інтелект - це сукупність машинних автоматичних методів і засобів цілеспрямованої переробки інформації (знань) відповідно до придбаного в процесі навчання й адаптації досвідом при рішенні різноманітних інтелектуальних завдань.

Штучний інтелект робота можна трактувати як алгоритмічне й програмне забезпечення його інформаційно-керуючої системи, що володіє здатністю моделювати (відображати) навколишнє середовище й вирішувати широкий клас інтелектуальних завдань за допомогою навчання на власному досвіді й адаптації до умов, що змінюються, функціонування. У загальному виді інтелектуальний робот здатний розуміти природну мову й вести діалог з людиною, створювати в собі модель зовнішнього середовища, розпізнавати й аналізувати образи й ситуації, формувати поняття, планувати поводження, на підставі чого будувати програмні рухи виконавчої системи й здійснювати їхнє відпрацьовування в умовах неповної інформованості.

2.4 Класифікація роботів

Роботи можуть класифікуватися по ряду всіляких ознак. Найбільш загальні змістовними є класифікації по 1) призначенню й розв'язуваному класу завдань, 2) особливостям керування, 3) технологічним ознакам. Відомим ученим А.Е. Кобрінським запропонована також загальна класифікація роботів, що поєднує різні класифікаційні ознаки.

2.4.1 Класифікація по призначенню й розв'язуваному класу задач

Оскільки з розвитком робототехніки неминуче формування нових поколінь роботів і впровадження їх у нові області й сфери, класифікація по призначенню й розв'язуваному класу завдань не є завершеної й у відомій мері характеризує шлях розвитку роботів, а тому може бути названа також "еволюційної" (мал. 2.5). По призначенню й розв'язуваному класу завдань роботи всіх поколінь можуть бути розділені на дві більші групи: виробничі й дослідницькі.

Виробничі роботи призначені для виконання важкої, монотонного, шкідливого й небезпечної для здоров'я людей фізичної роботи, а також окремих видів трудомістких, напружених і стомлюючих розумових робіт (проектування, інформаційне забезпечення, керування).

Промислові роботи, що одержали найбільший розвиток у цей час, призначені для автоматизації основних і допоміжних операцій у різних галузях промисловості - машинобудуванні й приладобудуванні, гірничодобувної, нафтохімічної, металургійної, атомної й ряді ін. Промислові роботи, у свою чергу, підрозділяються на три групи по виробничо-технологічних ознаках: виробничі, або технологічні, що виконують основні операції технологічних процесів; підйомно-транспортні, або допоміжні, що виконують допоміжні дії типу "взяти - перенести - покласти"; універсальні, що виконують різні (і основні, і допоміжні) операції.

По спеціалізації промислові роботи підрозділяються на спеціальні, виконуючі строго певні технологічні операції або обслуговуючі конкретні моделі технологічного устаткування; спеціалізовані, або цільові, призначені для виконання технологічних операцій одного виду (зварювання, зборка, фарбування й т.п.) або для обслуговування певної групи моделей технологічного встаткування, об'єднаних сукупністю маніпуляційних дій; універсальні, або багатоцільові, призначені для виконання як основних, так і допоміжних технологічних операцій різних видів і з різними групами моделей технологічного встаткування.

Тому що сучасне будівництво по ступені й стилю механізації наближається до промисловості, будівельні роботи можуть бути включені в цю групу. Вони призначені для автоматизації будівельного виробництва, якому властива величезна кількість ручних операцій, як допоміжних, так й основних.

На сьогоднішній час у будівельному виробництві знаходять застосування різні маніпулятори з керуванням оператором, а також промислові роботи для виробництва будівельних матеріалів. Створення роботів для виконання основних будівельних операцій, наприклад, монтажу будинків і споруджень - справа майбутнього й вимагає, очевидно, кардинального перегляду будівельних технологій. У всякому разі при розробці й створенні таких роботів прийде перебороти ряд труднощів, зокрема, вирішити проблеми забезпечення більших вантажопідйомностей та оснащення роботів досконалими системами чуття й адаптації в умовах украй неорганізованого середовища їхнього функціонування.

Сільськогосподарські роботи призначені для автоматизації трудомістких і монотонних процесів у сільськогосподарському виробництві, що традиційно вимагає значних витрат праці. Крім операції доїння, найбільш автоматизованої в останні роки, стає можливим створення спеціальних транспортно-технологічних засобів, наприклад, тракторів, керованих без водіїв і використовуваних для сівби, оранки, внесення добрив, обприскування посівів, і т.д.

Транспортні роботи призначені для автоматизованого транспортування об'єктів, а також для керування різними транспортними системами. Дослідження й розробки по створенню транспортних роботів інтенсивно ведуться в усім світі.

При цьому виділяються чотири принципово різних типи - наземні, повітроплавні, водоплавні й підземні. Теорія й практика трьох останніх типів не досягли ще в цілому того рівня, щоб говорити про їх сьогодні як про загальну реальність. Практичний розвиток одержали нині наземні транспортні роботи, які можуть бути колісними, крокуючими й гусеничними.

Найбільший розвиток і поширення в цей час одержали колісні транспортні роботи, використовувані досить широко в промислових автоматизованих транспортно-складських системах і гнучких автоматизованих виробництвах у вигляді мобільних автоматичних кранів, автоматичних керованих візків, робокарів й ін., що оснащують у багатьох випадках різними маніпуляційними пристроями. У найпростішому виді такі роботи їздять по рейках або по маршруті над кабелем, прокладеним під поверхнею підлоги Генератор частоти, подаючи струм по кабелі, створює магнітне поле, що вловлює двома датчиками прийомного пристрою візка, що направляють її по необхідному маршруті. Навіть такі прості системи дозволяє включати маршрути з декількома галузями й петлями за допомогою використання різних частот для кожного шляху. У більше складному варіанті візок обладнається автономної керуючої ЕОМ і засобами чуття.

Роботи спеціального призначення служать для виконання різного виду ремонтних, відбудовних і рятувальних робіт в екстремальних умовах і ситуаціях, а також попередження аварій, стихійних лих і ліквідації їхніх наслідків. Розробка таких роботів спрямована на рішення важливих проблем безпеки й схоронності людини й середовища його перебування, а тому є не тільки вкрай актуальної, але й шляхетним завданням.

Сфери конкретного застосування спеціальних роботів досить різноманітні - це профілактичні, ремонтні й рятувальні роботи в екстремальних умовах (наприклад, на ядерних реакторах АЕС, надводних і підводних судів, підприємств); знезаражування приміщень, споруджень і місцевості від радіоактивних, хімічних, біологічних й інших викидів; знешкодження різних вибухових пристроїв; пошук і порятунок людей при аваріях і стихійних лихах; боротьба з пожежами, активний контроль і попередження людей про стихійні лиха й аварії, ліквідація їхніх наслідків; боротьба з тероризмом й організованою злочинністю; несення активної патрульної служби й багато чого іншого.

Відомо, що для ліквідації наслідків аварії на Чорнобильської АЕС минулому розроблені й використані робото технічні пристрої як у вигляді радіокерувальних бульдозерів, так і спеціальних роботів для знезаражування прилягаючої місцевості, даху і будинку аварійного блоку АЕС. І хоча терміновість замовлення й стислі строки розробки не дозволили створити досконалі конструкції, проте роботи зіграли свою роль.

Несподівані області застосування спеціальних роботів відкриваються у зв'язку з винаходом японських учених, що дозволяють аналізувати й кодувати запахи. Під керівництвом професора Токійського інституту технології Тоєсакі Моріцумі створений робот, здатний розпізнавати запахи, що відкриває багатообіцяючі можливості використання таких розробок у харчовій промисловості, косметиці, парфумерії, медицині, митній і розшукній справі.

Як бачимо, сфери застосування спеціальних роботів досить різноманітні, і науковий пошук у цьому напрямку триває досить інтенсивно.

Побутові роботи призначені для автоматизації різних операцій як безпосередньо в побуті людини, так й у сфері обслуговування. Ці роботи покликані реалізувати найважливіше соціальне завдання суспільства - вивільнення часу людини для духовного життя.. Створення побутових роботів - досить складне наукове й інженерне завдання, тому що тут необхідні гнучкі універсальні системи, тобто чуттєві роботи з елементами інтелекту, здатні самостійно виконувати різні на перший погляд прості роботи - готування їжі, миття посуду, прибирання приміщень, шиття й ремонт одягу, догляд за дітьми, навчання різним навичкам, розвага людей й ін., але що зовсім не піддаються твердої регламентації.

В останні роки все більше застосування знаходять робото технічні пристрою для розваг і забав. З одного боку, вони мають чисто прикладне значення, користуючись всі зростаючим попитом не тільки в дітей, але й дорослих, з іншого боку - допомагають дослідникам виходити на нові рішення, вигострювати оригінальні розробки в ході створення різноманітних "забавних" моделей. Широку популярність одержали, наприклад, різні шахові автомати. Цікавий робот по імені "Кубот", створений американським ученим Беттлом для ігор у «кубика-рубика». Визначивши, у якому стані перебувають грані куба, робот, використовуючи спеціальний алгоритм, закладений у його пам'ять, за допомогою рук-маніпуляторів виконує необхідні рухи доти, поки не поверне кожної грані один колір. При цьому навіть на самий заплутаний варіант він затрачає не більше 3 хвилин.

Однієї з найбільш привабливих і шляхетних сфер додатка побутових роботів є надання допомоги інвалідам. Прикладом такої розробки є дослідження, проведене в Токійському університеті, де створюють "двурукого" робота-няню, здатного виконувати цілий набір завдань - від зняття слухавки до накривання стола.

Інший японський проект, розроблювальний з 1977 р. у лабораторії механіки (м. Цукуба), ставить метою створення робота-поводиря для втративших зір. колісний робот, Що Рухається, "Мелдог", посилаючи ультразвукові імпульси, виявляє й пізнає перешкоди на своєму шляху, а бортовий комп'ютер порівнює отриману інформацію із закладеної в пам'яті топографічною картою даного району. Таким чином, робот, одержуючи подання про те, що відбувається в найближчому оточенні, здатний помітити, наприклад, що рухається автомобіль або інший транспортний засіб поблизу перехрестя, що має намір перейти сліпий. Крім того, робот оснащений оптичним датчиком для збору інформації про орієнтири, що зустрічаються на його шляху, і передачі для аналізу в комп'ютер. "Мелдог" управляє власником через електричний сполучний шнур, а електричні імпульси, що посилають роботом, надходять на електроди пульта керування, з якими контактують пальці людини. Імпульси посилають у відповідності зі спеціальним кодом, освоївши який сліпий слідує правильним шляхом, уникаючи небезпечних зіткнень.

У клініці університету японського міста Кобе як асистент лікаря-фізіотерапевта "трудиться" робот, допомагаючи здійснювати програму відновлення в пацієнтів функцій ушкоджених і хворих суглобів і м'язів. При проведенні лікувальної гімнастики для ушкодженої кінцівки робот використає свою гнучку й рухливу "руку", за допомогою якої виконує спеціальні вправи суглоба й порівнює результати з попередньо закладеної в його пам'ять програмою лікувального тренування, видаючи результати на екран дисплея. Особливо підкуповує хворих "товариськість" робота, що задає темп і веде лік вправам. На рішення, здавалося б, зовсім фантастичного завдання мобілізовані кращі сили ряду університетів Японії, а також потужних корпорацій "Hitachi", "Sumitomo Donki" й ін. по створенню мікроскопічного робота-хірурга, здатного самостійно пересуватися по внутрішніх каналах людського організму, що вміє відшукувати уражені ділянки, видаляти ракові клітки й робити інші складні операції. "Якщо такий мікро робот буде створений, те це може викликати дійсну революцію в медицині", - вважає один з розроблювачів програми професор Токійського університету Івао Фудзімаса.

Подальше вдосконалювання й повсякденне використання побутових роботів перебувають у прямої залежності від успіхів в області розробки систем штучного інтелекту.

Роботи-проектувальники призначені для автоматичного розрахунку й проектування машин і споруджень, розробки технологічних процесів, систем керування, інформаційного забезпечення й т.п. У цей час вони існують лише у вигляді окремих систем автоматизованого проектування (САПР), ще далеких від досконалості, але інтенсивно розвиваються.

Проблема роботизованного проектування (проектування за допомогою роботів) стає особливо актуальної у зв'язку з розробкою й створенням гнучких виробничих систем, що складаються з декількох роботизованних модулів й утримуючих настільки багато змінних, що людині-проектувальникові стає не під силу погодити їх між собою. Ідеальним інструментом для рішення таких завдань проектування стає моделювання на комп'ютері за допомогою роботів. Прикладом такого робота-проектувальника може служити система "GRASP" (Graphical Robot Application Simulation Package - пакет програм для графічного моделювання робіт за допомогою робота), створена в Ноттінгемскому університеті (Великобританія). Шляхом аналізу й оцінки великого масиву вихідних даних і параметрів система дозволяє усунути протиріччя й забезпечити оптимальне планування робочого встаткування роботизованного модуля ГПС із видачею графічного зображення.

Подальший розвиток роботизованного проектування в гнучких автоматизованих виробництвах припускає оснащення їхніми системами, позначуваними по міжнародній термінології: CAD (Computer - aided Design - комп'ютерна система проектування) аналог вітчизняної системи автоматизованого проектування; САМ (Computer - aided Manufacturing - комп'ютерна система виробництва) - аналог вітчизняної автоматизованої системи керування технічними процесами (АСУТП); CAI (Computer - aided Inspection - комп'ютерна система контролю).

У таких єдиних інтегрованих системах CAD-CAM-CAI, або те ж що CAD-МАТ (МАТ - Manufacturing and Testing - виготовлення й контроль) роботам-проектувальникам приділяється важлива роль.

Дослідницькі роботи - це роботи, призначені для пошуку, збору, переробки й передачі інформації про досліджувані об'єкти. Такими об'єктами можуть бути важкодоступні, а також недоступні для людини сфери - космічний простір, океанські глибини, надра Землі, екстремальні лабораторні умови й т.п. - або області, де потрібні виявлення, переробка й аналіз величезних кількостей інформації, наприклад, інформаційний пошук і розвідка, мистецтво й література.

2.4.2 Класифікація по особливостях управління

По методу керування або ступеня особистої участі людини в керуванні, роботи підрозділяються на три класи (рис. 2.3): біотехнічні, інтерактивні й автоматичні. Біотехнічні роботи функціонують тільки з особистою участю людини-оператора, що фактично бере на себе керування виконавчими механізмами. Залежно від способу реалізації біотехнічного керування (за допомогою механізму, що задає, кнопкового або клавішного пульта, біоімпульсів, або перетворюючої ЕОМ) можна виділити дистанційно керовані роботи, що копіюють, командною, керованою людиною з пульта керування, екзоскелетони (кіборги) і напівавтоматичні роботи.

Біотехнічне керування може використатися також в інтерактивних й автоматичних системах епізодично в режимі навчання робота або в аварійних ситуаціях, при виконанні окремих відповідальних операцій, які за якимись причинами неможливо зробити автоматично. Якщо ручне керування виконується безупинно, то робот губить один з головних ознак - автоматичність й, власне кажучи, вироджується в ту або іншу машину - маніпулятор; автокар, вантажопідйомний кран і т.п.

Рис. 2.3 Класифікація роботів по методу управління.

Роботи, що копіюють, мають керуючий орган, що кінематично зв'язаний у певному масштабі з виконавчим, а переміщення людиною-оператором органа, що задає, повністю копіюється виконавчим з обліком геометричного й силового масштабів.

Маніпулятори, що копіюють, знаходять застосування вже понад 30 років для виконання різних робіт у зона підвищеної небезпеки (наприклад, на атомних електростанціях) з вантажами, що досягають значних мас. Наприклад, фірмою "General Electric" розроблений маніпулятор, що копіює, із шістьома ступенями волі, здатний переносити вантажі масою до 2720 кг. Однак в останні роки маніпулятори, що копіюють, поступаються місцем більше досконалим пристроям - напівавтоматичним, а також інтерактивним.

Командні роботи управляються оператором за допомогою кнопок, клавіш або рукояток окремо по кожній зі ступенів рухливості; при цьому рух робочого органа не зв'язано кінематичено із пристроєм, що задає, а на пули керування надходить інформація про середовище функціонування робота. Так, за допомогою одного перемикача можна змусити "руку" рухатися вперед або назад; іншого регулювати швидкість руху; третього - задавати положення схвату й т.д. Очевидно, що цей спосіб непридатний для робіт, де потрібна висока точність рухів.

Екзоскелетони - це антропоморфні конструкції, звичайно, що надягають на тіло людини й керовані їм, значно розширювальні його фізичні й рухові можливості. До таких пристроїв можна віднести також механічні протези й штучні кінцівки, у тому числі з біоуправлінням (від біострумів мозку), для відшкодування фізичних і рухових функцій інвалідів з покаліченими або відсутніми кінцівками.

Напівавтоматичні роботи, крім системи, що задає, у вигляді рукоятки, що управляє декількома ступенями рухливості, мають малу ЕОМ або спеціальний обчислювач, які перетворять сигнали з рукоятки в сигнали, що управляють рухами виконавчих органів. Цей метод керування переважніше, ніж командний, тому що забезпечує виконання погоджених рухів під контролем комп'ютера.

Інтерактивні роботи на відміну від біотехнічних мають пристрою пам'яті для автоматичного виконання окремих дій і можуть управлятися поперемінно оператором або автоматично. Залежно від форми участі оператор-оператора людини-оператора інтерактивне керування може бути трьох видів: 1) автоматизоване, коли відбувається чергування в часі автоматичних режимів керування з біотехнічними; 2) супер-візорне, коли всі частини заданого циклу операцій виконуються роботом поетапно, але перехід від одного етапу до наступного здійснюється після подачі оператором відповідної цілеспрямованої команди; 3) діалогові, що припускають різноманітні форми спілкування оператора з роботом під час виконання завдання на мовах будь-якого рівня, аж до подачі команд голосом, текстом і т.п. Велике число біотехнічних й інтерактивних роботів управляються оператором на відстані, найчастіше досить значному, тобто ставляться за цією ознакою до дистанційно керованих, або телекерованим апаратам. Вони використаються головним чином там, де перебування людей сполучене з небезпекою або просто неможливо: у деяких галузях промисловості (наприклад, на атомних станціях), військовій справі, наукових дослідженнях (космос, підводні глибини й т.д.)

Найважливішим компонентом телекерованих систем є лінія зв'язку - провідна, радіо, оптична або волоконно-оптична - між оператором і роботом, тому перспектива розвитку й удосконалювання телекерованих роботів у значній мірі залежить від рішення проблем передачі інформації на відстані. При цьому має бути розробити методи не тільки швидкої, але й ефективної передачі інформації. Нині рішення цієї проблеми перебуває в центрі уваги дослідників, зокрема, у США й у нашій країні розробка необхідних систем передачі інформації зв'язана насамперед з перспективами використання телекерованих роботів для освоєння космосу.

І, нарешті, найбільш досконалий клас роботів - роботи з автоматичним керуванням можуть повністю або частково функціонувати без участі оператора. До них ставляться автооператори й автономні роботи.

Автооператори - не програмувальні автоматичні маніпулятори, тобто пристрої, що виконують цикл нескладних дій по жорстко заданій, незмінній програмі, до роботів ставляться досить умовно (автомати-маніпулятори). Вони знаходять застосування головним чином у промисловому виробництві для автоматизації процесів лиття, штампування, механічної обробки й ін.

Автономні роботи можуть функціонувати цілком самостійно без особистої участі в їхньому управлінні людини-оператора. Як правило, це «чуттєві» роботи з елементами штучного інтелекту (див. космічні й підводні роботи).

Досвід виконання дослідницьких програм показав, що автономні роботи для більше ефективного функціонування повинні наділятися також елементами інтерактивного дистанційного керування, що дозволяє якщо буде потреба переходити від автономного режиму керування на режим по командах оператора. Такі апарати названі гібридними роботами. Вони діють подібно сторожовим собакам, що виконують більшу частину своїх обов'язків самостійно, покладаючись лише на органи почуттів й інстинкти, але при цьому вони постійно залишаються в підпорядкуванні хазяїна-людини, що у потрібні моменти може віддавати накази координаційного характеру.

Гібридні системи керування роботами особливо перспективні для досліджень космосу й підводних глибин. Комбінація людина-машина має більшу надійність, чим кожний із цих компонентів окремо. Доцільно організувати спільну роботу декількох людей, наділених високими інтелектуальними здібностями, з безліччю машин, що мають середній "рівень інтелекту".

Однієї зі своєрідних областей діяльності людини, де вже використаються телекеровані гібридні роботи, - військова справа. Ведуться інтенсивні роботи зі створення автономних роботів, які знайдуть застосування на поле бою, а також в операціях за лінією фронту, наприклад, у розвідці. Особливий вид діяльності, де автономні й гібридні роботи досить ефективні, - пошук і знешкодження бомб.

В області виробництва телекерованих апаратів для знешкодження бомб лідирує лондонська фірма "Морфакс", з 1975 р. випускаючий телекерований пристрій "Уілбарроу" (рис. 2.4). Апарат переміщається за допомогою гусеничного ходу, маючи здатність переборювати сходи й розвертатися у вузьких місцях, оснащений телевізійною камерою, дробовою рушницею для виводу з ладу детонатора, а також різноманітними вантажопідйомними й захватними пристроями. Інші відомі пристрої британських форм, подібні до апарата "Уілбарроу", - роботи "Хантер" (мисливець) і "Хардіан" (охоронець) перебували під час проведення Олімпійських ігор 1984 р. у Лос-Анджелесі на випадок виявлення бомб. Вище згадувалось також про досить досконалий автономний телекерований (гібридний) робот "Odex-1" каліфорнійської фірми "Odetics", призначеної для військових цілей.

За принципом керування роботи можна підрозділити на види, у цілому відповідним трьом поколінням роботів: жорстко програмовані (програмні), адаптивні (чуттєві) і гнучко програмовані (інтелектуальні).

Жорстко програмовані - це такі роботи, програма дій яких містить повний набір інформації, що не змінюється в процесі роботи, незважаючи на зміну зовнішніх умов. Адаптивні роботи мають сенсорне забезпечення, що дозволяє коректувати програмні дії відповідно до одержуваної інформації про зовнішнє середовище й стан самого робота, тобто пристосовувати свої дії до зміни зовнішніх умов. Гнучко програмовані роботи здатні повністю формувати програму своїх дій на основі поставленої мети й одержуваної інформації про навколишнє середовище.

Рис.2.4 Телекерований рухливий робот "Уілбарроу"

2.4.3 Загальна класифікація роботів

Відповідно до загальної класифікації, запропонованої відомим ученим і фахівцем в області робототехніки професором А.Е Кобринським й об'єднуючу різну ознаки (табл. 2.1), всі роботи розділені на п'ять класів, у кожному з яких, за винятком класу А, виділено по трьох типу, що мають, у свою чергу, по трьох різновиду. У відношенні маніпуляційних роботів (клас А) дана класифікація, власне кажучи, відповідає розглянутим раніше, але вимагає пояснень у частині інших класів.

До типу Б.І віднесені стопо-ходячі апарати, що пересуваються , автоматично за допомогою штучних ніг, як, наприклад, розглянутий вище телекерований автономний робот "Odex-1". Роботи, що пересуваються автоматично, але за допомогою будь-яких інших рушіїв (колісних, гусеничних, гребних й ін.) віднесені до типу Б.ІІ; характерні представники таких роботів - гусеничний "Уілбарроу".

Таблиця 2.1 Загальна класифікація роботів

Клас

Тип

Різновид

Маніпуляційні

1. Автоматичні

1. Програмні (1-е покоління) 2. Адаптивні (2-е покоління) 3. Інтелектуальні (3-е покоління)


2. Біотехнічні

1. Командні 2. Що копіюють 3. Напівавтоматичні


3. Інтерактивні

1. Автоматизовані 2. Супервізорові 3. Діалогові

Мобільні

1. Крокуючі

1. Програмні 2. Біотехнічні 3. Інтелектуальні


2. Саморушні

1. Програмні 2. Адаптивні 3. Інтелектуальні


3. Екзоскелетони

1. Відкриті 2. Скафандрові 3. Стрибучі

Інформаційні

1. Дослідники

1. Безперервні 2. Нагромаджуючі 3. Адаптивні


2. Шукачі

1. Контактні 2. Дистанційно-пасивні 3. Дистанційно-активні


3. Визначники

1. Контактні 2. Дистанційно-пасивні 3. Дистанційно-активні

Творчо-гральні

1. Проектувальники

1. Програмні 2. Інтерактивні 3. Інтелектуальні


2. Ігрові

1. Позиційні ігри 2. Динамічні ігри 3. Визначники ефективності систем і заходів


3. Композиційні

1. Автоматичний перекладач 2. Референт, касир, бібліограф 3. Композитор, поет

Комплексні

-

-


У цей клас уведені екзоскелетони (тип Б. IІІ), саморушні робото-технічні пристрої, що надягають на тіло людини або функціонуючі разом з ним у безпосередньому контакті й фізичні можливості, що істотно збільшують його. Якщо такий пристрій виконується у вигляді геометричної конструкції, що утворить автономний простір життєзабезпечення (космос, підводні глибини й т.д.), то воно ставиться зі скафандровим (Б. III. 2).

Апарати, призначені для подолання перешкод, виділені " в окремий різновид - "стрибучих" (Б. III. 3).

Клас В - інформаційні роботи, призначені для пошуку й виявлення інформації про навколишнє середовище, різні явища й об'єкти, її вивчення, систематизації й подання в обробленому виді.

Роботи типу В. I - дослідники властивостей середовища й об'єктів, недоступних для безпосереднього вивчення людиною. Різновиду роботів цього типу, безперервні дослідники (B.I.I), видають інформацію постійно, без спеціальних на те команд, а нагромаджуючі - у міру необхідності по виклику оператора, запам'ятовуючи інформацію в проміжках між сеансами передачі й накопичуючи її в пам'яті. Роботи виду В. 1.3 адаптують своє поводження в процесі дослідження згідно встановленим параметрам і властивостям досліджуваного середовища й об'єктів.

Роботи-шукачі (тип В. II) призначені для пошуку й вивчення об'єктів (предметів) із заданими параметрами й властивостями різними способами: контактним (наприклад, обмацуванням) (В. II. 1) або дистанційним при відсутності (В. II. 2) або наявності (В. II. 3) власного випромінювання. Так, якщо дистанційний робот-шукач оснащені системою штучного зору, то він ставиться до пасивного (В. II. 2), а якщо постачено радіолокаційною системою - до активного різновиду (В. II. 3) робота.

І, нарешті, останній тип класу В - роботів-визначники, які служать для визначення й вивчення об'єктів з невідомими властивостями.

Роботи, що входять у клас Г, призначені насамперед для рішення інтелектуальних завдань, залежно від характеру яких вони підрозділяються на роботи-проектувальники (Г.1), ігрові - для творчості й забав (Г. II) і композиційні роботи (Г. Ill) для створення того або іншого інтелектуального продукту (переклад текстів, аналіз і систематизація мовної й текстової інформації, музична композиція, живопис, віршування й ін.). У більшості творчо-ігрові роботів повинні бути наділені зробленими інформаційно-керуючими системами й штучним інтелектом.

В останній клас Д включені робототехнічні пристрої, що поєднують у собі ті або інші ознаки й властивості інших класів, наприклад, рухливий робот з маніпулятором, призначений для дослідження океанських глибин.

У розглянутій загальній класифікації зроблена спроба охопити практично всі види роботів як існуючих, так і наукових розробок, що перебувають у стадії. Однак труднощі введення всіляких робототехнічних пристроїв у рамках твердої класифікаційної схеми породила її недоліки. Так, поділ на класи А, У и Г досить чітко відповідає поділу роботів по призначенню й розв'язуваному виду завдань, але клас Б випадає зі стрункої схеми, тому що більше відповідає ознаці конструктивного виконання, а не призначення. У результаті деякі класи й типи перетинаються, тобто ті самі роботи можуть бути віднесені до різних класів, у той час як інші погано вписуються в схему (наприклад, деякі спеціальні й побутові роботи). Очевидно, цим і викликана поява класу Д, у деякому змісті виправляюче положення, але включеного досить штучно й не одержало розкриття у класифікації.

У різновидах класу Г - II й III представлені не узагальнені види, а конкретні роботи-виконавці певних функцій, що порушує системність класифікації. Мабуть, умістніше тут було б установити для всіх типів творчо-ігрових роботів три різновиди (як і для роботів-проектувальників): програмні, інтерактивні, інтелектуальні.

Проте загальна класифікація роботів становить безсумнівний інтерес, відкриває напрямку подальшої систематизації й класифікування роботів і робототехнічних пристроїв.

персональний комп’ютер робот

3. УСТРІЙ І ФУНКЦІОНУВАННЯ РОБОТА «ЕЛЕКТРОНІКА НЦ ТМ - 01», ТА ЙОГО СКЛАДОВИХ

3.1    Устрій і функціонування робота «Електроніка НЦ ТМ - 01»

Роботи "Електроніка НЦ ТМ-01" складаються з маніпулятора електромеханічного і системи керування 5 (див. додаток А).

Маніпулятор електромеханічний має п'ять ступенів рухливості й два схвати, розташованих в одній площині під кутом 90° один до одного, один настроюється на захвата заготовки, інший на захват деталі.

Приводи по всіх ступенях рухливості електромеханічні, привод схвату пневматичний.

Система керування виконана на базі ЕОМ «Електроніка 60М» для виконання дем1.053,002, дем1.053.002-01

Система керування виконань постачена дисплеєм символьним 15 ИЭ-002 або дисплеєм 15ИЭ-00-013.

Система керування виконань постачена пристроєм послідовного обміну для зв'язку з керуючими пристроями вищого рівня.

Система керування запрограмована на стандартний цикл маніпулювання деталями, уводяться тільки змінні дані, що характеризують нову партію деталей: тип касети, число позицій у ряді касети, число деталей у касеті.

Інформація про партії деталей, що надійшли на обробку вводиться із клавіатури дисплея, або надходить у систему керування через пристрій керування від системи керування вищого рівня.

Програмне забезпечення роботів "Електроніка НЦ ТМ-01" забезпечує самонавчання по першій деталі, "дожим" заготовки в патрон верстата й припинення руху при наїзді на перешкоду.

3.2   
Устрій і функціонування складових частин робота «Електроніка НЦ ТМ - 01»

Маніпулятор електромеханічний демз. Загальний вид маніпулятора електромеханічного наведений на малюнку (додаток Б).

Конструктивно маніпулятор електромеханічний складається з наступних вузлів:

·    механізму горизонтального переміщення по осі X (див. додаток Б);

·        механізму повороту (див. додаток Б);

·        механізму горизонтального переміщення по осі У (див. додаток Б);

·        механізму підйому по осі Z демз.778.028 2 (див. додаток Б);

·    механізму захвата деталі демз.726.029 3 (див. додаток Б);

Механізм горизонтального переміщення по осі X (див. додаток Б);

·    координата переміщення -X;

·        позначення механізму -А;

·        виконавчий орган - два двигуни постійного струму, з напругою живлення 27В - ДП 32-4-3-37-1М3682-Р09 ТУ 16-515.261-61;

·        режим роботи - реверсивний;

·        керування забезпечує два рівні швидкості;

·    гальмування: динамічне, забезпечуване ключем релейним, статичне забезпечуване двома фрикційними електромагнітними гальмами ( див. додаток Б);

·    датчики:

- датчик початкового положення 2 позначення άН;

датчик кінцевого положення 3 позначення άК;

імпульсний датчик шляху 4, позначення - З* дискретність - 0,4 мм/імпульс.

Механізм горизонтального переміщення 1 служить підставою робота й складається з корпуса, у якому закріплені циліндричні напрямні для переміщення каретки 5.

Переміщення каретки 5 здійснюється від привода 6 через зубчасту передачу й кулевинтову пару 7.

Гайка 8 служить для відключення гальма. (Перебуває в ЗИПе).

Механізм повороту

·  координата переміщення - У

·  позначення механізму - В

·        виконавчий орган - двигун постійного струму ДП40-10-3-27-1М3681-Р09 ТУ16-515.261-81, напруга живлення 27 В

·        режим роботи реверсивний

·        гальмування: динамічне, забезпечуване ключем релейним., статичне - висувним фіксатором

·        датчики: датчик початкового положення - 10 , позначення - ?н

датчик кінцевого положення - 11, позначення - βк

Механізм повороту закріплений на каретці 5 механізму горизонтального переміщення 1 і складається з корпуса, на якому закріплений привод 12, конічна зубчаста передача 13, 14, водило 15 і мальтійський хрест 16, на мальтійському хресті встановлена стакан 17. Обертання водила 15 здійснюється від привода 12 через конічну передачу. Для фіксації мальтійського хреста в крайніх положеннях використається висувний фіксатор, керований кулачком, кінематично жорстко пов'язаним з водилом 15.

Механізм горизонтального переміщення по осі У - 18

·  координата переміщення - У

·        позначення механізму - С

·        виконавчі орган - два двигуни постійного типу ДП 40-10-3-27-ІМ368І-Р09 ТУ16-515.261-8, напруга живлення 27В.

·        режим роботи - реверсивний

·        керування забезпечує два рівні швидкості

·  гальмування: динамічне, забезпечуване ключем релейним, статичне забезпечуване двома фрикційними електромагнітними гальмами

·  атчики:

- датчики початкового положення 19, позначення - Сн;

датчик кінцевого положення 20, позначення - Ск;

імпульсний датчик шляху 21, позначення - З*, - дискретність ,04 мм/імпульс.

Механізм горизонтального переміщення 18 закріплений на верхньому фланці стакану 17 механізм повороту 9 і складається з корпуса 22, у якому розташований повзун 23 з напрямними.

Напрямні переміщаються на шарикопідшипниках, розташованих у корпуси 22.

Верхнє й два бічних підшипники змонтовані на ексцентрикових парах для усунення люфтів між повзуном й опорами кочення.

Переміщення повзуна здійснюється від привода 24 через зубчасту передачу 25 і кулевинтову пари 26.

Гайка 27 служить для відключення гальма (перебуває в ЗИПе).

Механізм підйому по осі Z

координата переміщення - Z

позначення механізму - Д

виконавчий орган - два двигуни постійного струму типу ДП 40-10-3-27-ІМ3682-Р09 ТУ16-5151.261-81, напруга живлення 27В.

режим роботи - реверсивний

керування забезпечує два рівні швидкості

гальмування динамічне, забезпечуване ключем релейним, статичне забезпечуване двома фрикційними електромагнітними гальмами.

датчики: - датчик вихідного положення 29 позначення - dн;

імпульсний датчик шляху позначення - d*; дискретність 0,4 мм/імпульс.

Механізм підйому 28 закріплений на передньому кінці повзуна 23 механізму горизонтального переміщення 18 і складається з корпуса 31 циліндричної форми, у якому розташована штанга 32, що переміщається в кульковій втулці 33, закріпленої на нижньому кінці механізму підйому.

Вертикальне переміщення штанга здійснюється від привода 34 через зубчасту передачу 35 і кулевинтову пари 36.

Гайка 37 служить для механічного відключення гальма (перебуває в ЗИПе).

Механізм захвату деталі, загальний вид якого наведений на мал. 4, складається із двох схватів 1,2 і пристрою ротації схватів 3.

Пристрій ротації схватів 3(див. додаток В).

позначення механізму - Е

виконавчий орган - пневмоциліндр 4, керований розподільником електропневматичним, напруга 24 В.

швидкість повороту регулюється дроселем 6,

датчики: - датчик початкового положення 7 позначення - ен;

датчик кінцевого положення 8 дЕМЗ.850. 095 позначення - ек;

Схват 1 (див. додаток В),

позначення F

виконавчий орган - пневмоциліндр 9, керований розподілом електропневматичним 38 (мдодаток Б) демз.856.335 напругою 24 В.

Схват 2 (див. додаток В)

позначення - G

виконавчий орган - пневмоциліндр, керований розподільником електропневматичним 39 (мал. 2) напругою 24 В.

датчики, позначення - gн.

Механізм захвату деталі закріплений на нижньому кінці штанги 32 (див. додаток Б) механізму підйому 28 (див. додаток Б) і складається із двох схватів 1,2 (див. додаток В), розташованих під кутом 900 а рухливому корпусі 11. Ротація рухливого корпуса 11 відбувається навколо осі, розташованої під кутом 450 до вертикальної осі штанги 32 (див. додаток Б). Кут ротації схватів регулюється рухливими упорами 12, 13 (див. додаток В), які контряться після регулювання гвинтами 14, 15.

Механізм захвату деталі постачений пристроєм обдуву 41 (див. додаток Б), призначеним для видалення стружки з патрона верстата й схватів робота. Стиснене повітря, що входить із трьох трубок-сопів 42, направляють у потрібну зону, згинаючи трубки - сопла.

Швидкість повороту схватів регулюється дроселями 6 (див. мал. 4).

Ротація здійснюється пневмоциліндром 4, 16 через зубчасту рейку 17 і зубчасте колесо 18.

Кожен схват 1,2 постачений трьома рухливими кулачками 19, закріпленими на повзунах 20 із зубчастими рейками.

Переміщення кулачків 19 здійснюється від пневмоциліндра 9, шток якого через черв'яка 21 і черв'ячне колесо 22 пов'язаний із зубчастими рейками повзуна 20.

Пневморозподільники 39 (див. додаток Б) розташовані в корпусі механізму повороту 9 (див. додаток Б).

Гвинти 23 (див. додаток В) служать для настроювання кулачків 19 схватів 1,2 на заданий діаметр.

3.3    Устрій і функціонування блоку підготовки повітря

Блок підготовки повітря, загальний вид якого представлений на рис.3.1, призначений для очищення, насичення парами масла й регулювання тиску вступник з магістралі стисненого повітря. Для очищення повітря застосовується фільтр - вологовиділювач 1. Для насичення стисненого повітря маслом застосовується маслянка 2. Для регулювання тиску стисненого повітря застосовується регулятор тиску 3. Для візуального спостереження за величиною тиску стисненого повітря служить манометр 4. Для подачі стисненого повітря в пристрій обдуву 41 (див. додаток Б) застосовуються два пнемо-розподільники 5 (див. рис.3.1). Розподільники обдуву при необхідності підключають до система керування верстата. Вся пнемо-апаратура змонтована на металевому каркасі й з'єднана між собою трубопроводами.

Рис.3.1 Блок підготовки повітря

3.4 Блок керування

Блок керування який зображений на рис. 3.2, складається:

блоку керування

комірки стабілізації

комірки інвертування

ключів релейних

комірки підсилювачів

панелей

Блок трансформаторів призначений для подачі сіткової напруги на промисловий робот при приєднанні роз’єму ХТ1 блоку до мережі. При включенні вимикача автоматичного 17, подається напруга на пускач схеми захисту й запалюється лампа МЕРЕЖА - 16. Кнопкою РОБОТА - 18 подається напругу постійного струму 15 В и 27 В на схему керування. Тумблером на комірки стабілізації подається напруга 5В постійного струму на схему керування й загоряється лампа +5В МЕРЕЖА.

Комірка стабілізації призначена для подачі стабілізованої напруги 5В постійного струму на схему керування.

Комірки інвертування виконані на мікросхему серії ДО155 і призначені для інвертування інформаційних сигналів у системі керування. Комірка має 22 незалежних канали.

Рис.3.2 Блок керування

Ключі релейні призначені для комутації двигунів постійного струму напругою 27В, потужністю до 48 Вт із динамічним гальмуванням. На виході ключа релейного подаються сигнали TTL - логіки серії К155, на виході - контакти реле типу РЭС - 6.

Комірки підсилювачів призначені для комутації керуючих ланцюгів напругою 24В постійного струму, потужністю не більше 20 Вт. Осередок має 8 незалежних підсилювачів постійного струму, останній каскад яких виконаний на транзисторах з відкритим колектором. На лицьовій панелі є індикація роботи кожного підсилювача, виконана на світлодіодах.

Індикація інформаційних і керуючих сигналів на лицьовій панелі блоку керування наведена в таблиці 3.1-3.2.

Таблиця 3.1 Індикація інформаційних і керуючих сигналів на лицьовій панелі блоку керування

№ позиції

Світлодіод

Найменування керуючих сигналів

Комірка 13

1

Схват заготівлі затиснути


2

Схват заготівлі розтиснути


3

Схват деталі затиснути


4

Схват заготівлі розтиснути


5

Ротація схватів (деталь горизонтальна) Е0


6

Ротація схватів (деталь вертикальна) ЕП

Комірка 15

1

Команда верстату «деталь затиснути»


2

Команда верстату «деталь розтиснути»


3

Команда верстату «пуск програми»


4

Команда верстату «пуск шпинделя»


5

Відповідь верстата


Відлік умовного № світлодіоду на лицьовій панелі вести ліворуч зверху.

При експлуатації блоку керування дем3.857.891 необхідно користуватися документацією на відповідну модифікацію використання блоку.

Модифікації блоку керування по вхідних і вихідних електричних параметрах ідентичні.

Таблиця 3.2 Індикація інформаційних і керуючих сигналів на лицьовій панелі блоку керування

№ позиції

Світлодіод

Найменування інформаційних сигналів

 

Комірка 8

1

Датчик ан

 


2

Датчик ак

 


3

Датчик а* (рахунковий)

 


4

Датчик сн

 


5

Датчик ск

 


6

Датчик з* (рахунковий)

 


7

Датчик dн

 


8

Датчик d* (рахунковий)

 


9

Датчик вн

 


10

Датчик вл

 


15

Датчик ен

 


16

Датчик ек

 


19

Сигнал від верстата «патрон затиснутий»

 


20

Сигнал від верстата «патрон розціплений»

 


21

Сигнал від верстата «кінець обробки»

 

Комірка 9

1

Dп (м-м Д униз)

 


2

Dо (м-м Д нагору)

 


3

Cп (м-м Із уперед)

 


4

Cо (м-м назад)

 


5

Aп (м-м А вліво)

 


6

Aо (м-м А вправо)

 

Комірка 12

1

Схват заготівлі затиснути

 


2

Схват заготівлі розтиснути

 


3

Схват деталі затиснути

 


4

Схват заготівлі розтиснути

 


5

Ротація схватів (деталь горизонтальна) Е0

 


6

Ротація схватів (деталь вертикальна) Еп

 

Комірка 15

1

Команда верстату «деталь затиснути»

 


2

Команда верстату «деталь розтиснути»

 


3

Команда верстату «пуск програми»

 


4

Команда верстату «пуск шпинделя»

 


5

Відповідь верстата

 

№ позиції

Світлодіод

Найменування інформаційних сигналів

Комірка 11

1

Переключення швидкості А


2

Переключення швидкості З


3

Переключення швидкості Д

Комірка 1

1

Ап (механізм А вліво)


2

Ао (механізм А вправо)


3

Вп (механізм У к верстату)


4

В (механізм У від верстата)

Комірка 2

1

Сп (механізм Із уперед)


2

З (механізм із назад)

Комірка 3

1

Dп (механізм Д униз, 1 двигун)


2

Dо (механізм Д нагору, 1 двигун)


3

Dп (механізм Д униз, 2 двигун)


4

Dо (механізм Д нагору, 2 двигун)


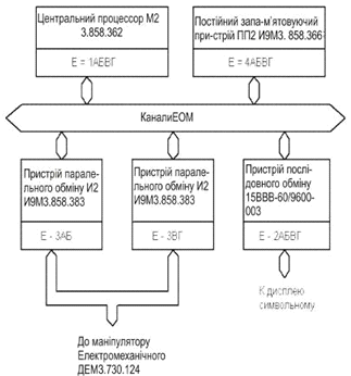
Рис.3.3 Склад і схема складання мікропроцесорної керуючої обчислювальної системи на базі «Електроніка 60М» 15ВМ-16-012

Рис.3.4 Склад і схема мікропроцесорної керуючої обчислювальної системи на базі ЕОМ «Електроніка НМС 111001»

Плата паралельного обміну И2, розміщена в панелі субблоку ЕОМ на посадковому місці Е-3АБ, установлюється без зміни заводського стану перемичок.

Плата паралельного обміну И2, розміщена в панелі субблоку ЕОМ на посадковому місці Е-3ВГ, встановлюється з попередньою зміною заводського стану перемичок: адреса вхідного буфера 167764. Адреса вихідного буфера 167762.

Таблиця 3.3 Сигнали обміну ЕОМ з верстатом

Призначення сигналів

Виходи з ЕОМ

Вхід на ЕОМ


Еr

Eo

ек

Стоп у початковому положенні (вихідне положення

0

1

1

0


Таблиця 3.4 Сигнали обміну ЕОМ з маніпулятором

Призначення сигналів

Виходи з ЕОМ

Входи на ЕОМ


Fп(Gп)

Fо(Gо)

fп(gп)

Захват заготовки (деталі)

1

0

1

Заготовка (деталь) захоплена

1

0

0

Розхват заготовки (деталі)

0

1

0

Заготівля (деталь) розхвачена

0

1

1


Вихідне положення робота в точці А.

Траєкторія (Т) базового циклу алгоритму захвату заготовки являє собою послідовність переміщень по осі Х - Тав, по осі В - Твс, опускання по осі Z - Тcd, захват заготовки з касети, підйом по осі Z - Тcd, ротація механізму схватів, Z - Тcd опускання по осі залишення готове деталі, підйом по осі Z - Тcd, по осі В - Тсв, по осі Х - Тва. Далі з вихідного положення в точці А робот переміщається до патрона верстата.

Для обходу передньої бабки верстата робот переміщається по осі В - Тас, далі повертається на 900, одночасно роблячи ротацію схватів для того, щоб вісь схвату, що захоплює заготівлю, була горизонтальна, опускається по осі Z - Tpн для того, щоб вісь схвату з віссю патрона. Далі переміщається по осі Х- Тнк до патрона верстата, бере готову деталь, відходить по осі Х - Ткн робить ротацію схватів для того, щоб вісь заготівлі була горизонтальної, переміщається по осі Х - Ткн, залишає заготівлю в патроні верстата, по осі Х - Ткн, піднімається по осі Z - Tнf робить ротацію схватів, повертається від патрона верстата Тfe і по осі Теа доходить до вихідного положення.

Базовий цикл переміщень кінцевої ланки має дві модифікації для деталей висотою до 70 мм модифікація 0, для деталей висотою вище 70 мм модифікація 1.

Таблиця 3.5

Алгоритм переміщень виконавчих механізмів промислового робота


Униз до заготовки

Переміщення механізму (вертикального переміщення)


Вгору до вихідного положення

Над касетою

захват

Заготовки

відпускання

Заготовки

захват

Деталі

відпускання

Деталі

Униз до осі патрона верстата

Переміщення механізму D (вертикального переміщення )у зоні патрона верстата

Нагору до вихідного положення


An(j)

Уліво до j-го ряду

Переміщення механізму (горизонтального переміщення по осі Х) у зоні касети

Aо(j)

Вправо до вихідного положення


Уліво до патрона верстата

Переміщення механізму А (горизонтального переміщення по осі Х) у зоні патрона верстата

Вправо до вихідного положення


Bn

Переміщення механізму ротації схватів.

Механізм повороту В

Поворот у вихідне положення


Cn (i)

Уперед по i-ої позиції в ряді

Переміщення механізму З (горизонтального переміщення по осі В) у зоні касети

C`n

Уперед на 2h мм

Переміщення механізму З (горизонтального переміщення по осі В) у зоні касети

C`о

Назад до вихідного стану


Ротація, після якої схват заготівлі горизонтально

Переміщення механізму ротації схватів.

Ротація, після якої схват заготівлі вертикально



Умовні позначки операцій циклу:

Де j-число рядів у касетічисло позицій у рядівисота заготівлі

Команди обміну з УЧПУ верстата- патрон затиснути- патрон затиснутий- патрон розтиснути- патрон розціплений- пуск програми- обробка кінчена- табло на екрані дисплея.

4. ПРАКТИЧНА РЕАЛІЗАЦІЯ СИСТЕМИ УПРАВЛІННЯ

Система управління промисловим роботом «Електроніка НЦ ТМ-01» була розроблена на базі IBM - сумісного персонального комп’ютера. Зв'язок між промисловим роботом і комп’ютером, встановлюється через спеціально спроектований електронний блок суміжності, який є невід’ємною частиною системи управління. Керування роботом виконується за допомогою спеціально розробленої програми, сигнали управління якої потрапляють в блок суміжності через паралельний порт - Centronic.

4.1 Блок схема системи управління

Блок схема системи управління приведена нижче на малюнку рис 4.1. Система управління складається з наступних елементів:

·    IBM - сумісний персональний комп’ютер - є головним елементом системи управління, команди з якого подаються через паралельний порт LPT на вісім елементів гальванічної розв’язки каналу команд. Паралельній порт має п’ять входів, на чотири з яких подаються сигнали з датчиків робота.

·    Монітор - виконує функцію відображення інтерфейсу програмного забезпечення системи управління.

·        Органи управління - периферійні пристрої - клавіатура та мишка.

·        Елементи гальванічної розв’язки каналу команд та каналу датчиків - виконують функції гальванічної розв’язки комп’ютера з роботом.

·        Декодер команд - виконує функції декодування команд комп’ютера, перетворюючи їх з двійкового у десятковий код.

·        Інвертор сигналів - виконує функції інвертування сигналів декодеру команд, а також команди зміни швидкості руху механізмів - А, С, D.

Рис 4.1 Блок схема системи управління

·        Селектор-мультиплексор - виконує функції вибору необхідного каналу з сигналами з датчиків. Селектор-мультиплексор по команді з комп’ютера вмикає один з чотирьох каналів. В одному каналі міститься чотири лінії передачі даних з датчиків роботу, тобто комп’ютер одночасно може контролювати стан тільки чотирьох датчиків.

Всього на маніпулятор подається 15 команд, 5 команд подається на токарний верстат. Всього необхідно контролювати 12 датчиків маніпулятора, з яких від 1 до 3 максимум необхідно контролювати одночасно під час виконання конкретної команди, інші у цей час можна залишати без контролю. Також на систему управління подаються сигнали з 3-х датчиків токарного верстата.

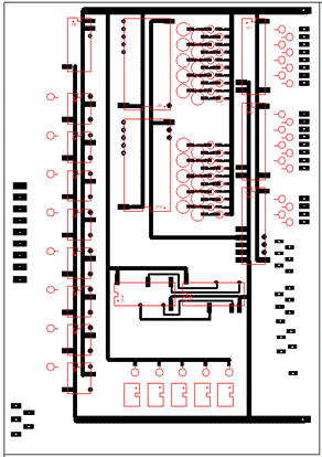
4.2 Проектування та виготовлення блоку сполучення

Для того, щоб система управління на базі IBM - сумісного ПК могла функціонувати і керувати ПР «Електроніка НЦ ТМ - 01», необхідно було спроектувати та виготовити спеціальний пристрій, за допомогою якого встановлювався б зв'язок між ними. Завданням цього пристрою є декодування та передача команд роботу, які виробляє комп’ютер. Також у функції цього блоку входить передача сигналів необхідних комп’ютеру для слідкування за переміщеннями усіх механізмів робота, які надходять з його датчиків. Блок сполучення також виконує функцію гальванічної розв’язки між комп’ютером та роботом.

4.2.1 Проектування принципової схеми блоку сполучення

Перед тим як розпочати опис принципової схеми блоку сполучення, розглянемо устрій паралельного порту комп’ютера.

Порт Centronic, або паралельний - це промисловий стандарт для з’єднання принтера з комп’ютером. Комп’ютер має принаймні один такий порт, вбудований в материнську плату, або представляє собою окрему інтерфейсну карту вводу/виводу.

Роз’єм порту комп’ютера представляє собою 25-контактну розетку D - типу (рис 4.2) Призначення контактів роз’єму представлено в таблиці 4.1

Рис 4.2 Роз’єм паралельного порту комп’ютера

Таблиця 4.1 Призначення контактів роз’єму паралельного порту

Номери контактів на роз’їмі

Напрям відносно ПК

Найменування

Призначення

1

Вихід

STROBE

Строб даних

2

Вихід

DB0

Біт даних 0

3

Вихід

DB1

Біт даних 1

4

Вихід

DB2

Біт даних 2

5

Вихід

DB3

Біт даних 3

6

Вихід

DB4

Біт даних 4

7

Вихід

DB5

Біт даних 5

8

Вихід

DB6

Біт даних 6

9

Вихід

DB7

Біт даних 7

10

Вхід

ACK

Готовність принтера

11

Вхід

BUSY

Підтвердження зайнятості принтера

12

Вхід

PE

13

Вхід

SLCT

Принтер підключений до лінії

14

Вихід

LF/CR

Автоматичний перехід строки після повернення коретки

15

Вхід

ERROR

Помилка у принтері

16

Вихід

INITIALIZE

Установка стандартних параметрів

17

Вихід

SLIN

Вибір принтера

18-25


GND

З’єднання з землею


Ми будемо використовувати слідуючи контакти роз’єму: 2-9 контакти для вихідних даних (посилання команд) і 10-13, 15 контакти для вхідних даних (для прийому сигналів з датчиків) та 18-25 земля.

Розглянемо принципову схему блоку сполучення (див. принципову схему)

Сигнал управління у вигляді 8 біт даних з контактів 2-9 роз’єму Х1 паралельного порту, потрапляють через обмежувальні резистори R1-R8 на оптрони U1-U8 відповідно. Кожна оптопара виконує роль гальванічної розв’язки і містить в середині світло випромінюючий діод та логічний елемент «Ні». У виключеному стані світло випромінюючого діода, на виході логічного елемента оптрона присутня логічна одиниця, і навпаки логічний нуль у випадку включення діода. Тобто у разі відсутності сигналу управління на контактах паралельного порту на виходах усіх оптопар присутня логічна 1. Перші 4 біти призначені виключно для задавання однієї необхідної команди з 19 можливих. Це 4-х бітне двійкове число далі інвертуються логічними елементами DD1.1 - DD1.4 для того, щоб воно співпадало з числом на паралельному порті.

Далі цей чотиризначний двійковий код команди подається на два двійково-десяткові дешифратори DD2 і DD3, входи яких паралельно з’єднані. Завданням цих дешифраторів є перетворення чотиризначного двійкового коду у десятковий, який ми отримуємо на їх виході. Нижче на малюнку приведено призначення виводів, цокольовка та таблиця істинності дешифраторів DD2 і DD3, що пояснює їх принцип дії (рис. 4.3). В схемі використовується два дешифратори тому, що необхідно декодувати 19 команд, в той час як один дешифратор може декодувати 16 чисел. Коли необхідно декодувати числа які лишились, вмикається другий дешифратор. Якщо поглянути на принципову схему (див. принципову схему ), то ми побачимо, що перший дешифратор DD2 декодує з 0 по 10 команди (нуль не використовується - це команда «стоп»), а DD3 декодує вже всі останні команди. Такий розподіл зумовлений лише зручністю монтажу мікросхем на платі.

Перемикання дешифраторів виконується програмно за допомогою п’ятого біту двійкового коду команди, який знімається з U5 і подається на з’єднані паралельно виводи 18, 19 дешифратора DD3, і через інвертор DD1.5 на ті ж самі виводи дешифратора DD2. Якщо на виході U5 знаходиться сигнал низького рівня (логічний 0), то вмикається дешифратор DD3, а якщо сигнал високого рівня (логічна 1), то вмикається дешифратор DD2.


 

Рис. 4.3 Двійково-десятковий дешифратор К155ИД3

Оскільки дешифратори DD2 і DD3 мають інверсні виходи, ми отримуємо інвертований сигнал на виході, який нам не підходить. Тому його необхідно знову інвертувати. Цю функцію виконують 8 - розрядні адресні регістри DD6 - DD8 з інверсними виходами, які працюють в режимі шинного формувача. Нижче на малюнку приведено цокольовку та призначення виводів мікросхем DD6 - DD8 (рис. 4.4, табл. 4.2). Для того, щоб мікросхеми DD6 - DD8 працювали в режимі інверторів необхідно на 11 вивід подати +5В, а 9 з’єднати з загальним проводом.

Рис. 4.4 КР580ИР83

Таблиця 4.2 Призначення виводів мікросхеми КР580ИР83

Вивід

Найменування виводу

Тип виводу

Функціональне призначення виводу

1-8

D0-D7

Вхід

Інформаційна шина

9

OE

Вхід

Дозвіл передачі(керування 3-ма станами)

10

GND

-

Загальний

11

STB

Вхід

Стробуючий сигнал

12-19

Q7-Q0

Вихід

Інформаційна шина

20

Ucc

-

Живлення +5В


Далі інвертовані сигнали команд управління потрапляють через роз’єм «механізмів» - Х2 в блок управління ПР «Електроніка НЦ ТМ - 01». Елементи HL1 - HL20 та R14 - R33 виконують функції індикації ввімкнення команд.

Шостий біт двійкового коду команди управління, який знімається з оптопари U6 - використовується для вибору однієї з двох швидкостей переміщення механізмів А, С і D. Цей сигнал інвертується мікросхемою DD8, після чого потрапляє на роз’єм «механізмів» - Х2. Якщо на виході U6 знаходиться сигнал низького рівня (логічний 0), то вмикається низька швидкість, а якщо сигнал високого рівня (логічна 1), то вмикається підвищена швидкість переміщення.

Сигнали з датчиків робота та токарного верстата приходять на роз’єм «датчиків» Х3, з якого далі потрапляють на входи мікросхем DD4 і DD5.

Ці мікросхеми представляють собою - чотири розрядний селектор-мультиплексор 1 із 2, без інверсії вхідної інформації і з трьома станами виходів. Нижче на малюнку приведено призначення виводів, цокольовка та таблиця істинності мікросхем DD4 і DD5, що пояснює їх принцип дії (рис. 4.5).


Рис. 4.5 К555КП11

При високому рівні на виводі управління третім станом W виходи переводяться у високоімпедансний стан, а при низькому рівні напруги - на виходи Y передається інформація з відповідних входів A/B, відповідно до стану вивода V.

Останніми двома бітами двійкового коду команди управління, які знімаються з оптопар U7 і U8, програмно обирається один мультиплексор з двох, та один канал з чотирьох можливих. Сигнал з U8 подається на вивід 1 мультиплексорів DD4 і DD5. Сигнал з U7 подається на вивід 15 DD5, а також після інвертування на DD8 подається на вивід 15 DD4. Необхідний мультиплексор і один з двох його каналів вмикається комбінацією сигналів на виводах W і V, відповідно до таблиці істинності приведеної на рис. 4.5

Виходи обох мультиплексорів з’єднані паралельно і підключаються до чотирьох оптотранзисторів U10 - U13 відповідно. Оптотранзистори виконують функції гальванічної розв’язки, та працюють у ключовому режимі. Колектори оптотранзисторів підключаються відповідно до 10 - 13 і 15 контактів Х1 паралельного порту ПК.

4.2.2 Проектування та виготовлення електронної плати блоку сполучення

Електронна плата блоку сполучення була виготовлена з двостороннього фальгованого міддю склотекстоліту, товщиною 1,5 мм. Малюнок доріжок і розташування усіх компонентів було розроблено за допомогою програми - Sprint-layout - версія 3.0. Малюнок доріжок плати наносився на склотекстоліт термічним способом. Спочатку малюнок лати був роздрукований на папері за допомогою лазерного принтера, а потім за допомогою утюга перенесений на склотекстоліт. Після чого плата була витравлена у розчині хлорного заліза. Всі мікросхеми встановлені на спеціальні панелі, для подальшої їх зручної і швидкої заміни у разі їх виходу із ладу.

Зовнішній вигляд внутрішньої сторони плати приведений на рис. 4.6, а вигляд лицьової сторони плати приведений на рис. 4.7.

Рис. 4.6 Зовнішній вигляд внутрішньої сторони плати сполучення

Рис. 4.7 Зовнішній вигляд лицьової сторони плати сполучення

Зовнішній вигляд готового блоку сполучення приведений на рис. 4.8, та зовнішній вигляд роз’ємів блоку сполучення на рис. 4.9.

Рис. 4.8 Зовнішній вигляд готового блоку сполучення

Рис. 4.9 Зовнішній вигляд роз’ємів блоку сполучення

4.3 Розробка програми управління

Програма управління була розроблена в програмному середовищі Delphi 7.0- одна з найпотужніших систем, що дозволяють на найсучаснішому рівні створювати як окремі прикладні програми Windows, так і розгалужені комплекси, призначені для роботи в корпоративних мережах і в Інтернет. Візуальне програмування дозволило звести проектування призначеного для користувача інтерфейсу до простих і наочних процедур, які дають можливість за хвилини або годинник зробити те, на що раніше витрачали місяці роботи.

Оскільки в операційній системі Windows XP неможливо працювати з паралельним портом напряму, тому в програмі управління було використано драйвер - LPTWDMIO.sys. Драйвер LPTWDMIO.sys надає користувацьким програмам можливість керувати паралельними портами ПК. Звертання до драйвера з програми виконується через функцію DeviceIoControl( ). Драйвер підтримує два види операцій - зчитування з порту й запис у порт. За одне звернення до драйвера можливі декілька (від однієї і більше) акцій введення (виведення) даних в (із) регістрів порту. Це дозволяє легко реалізувати складні протоколи управління зовнішніми приладами. Драйвер може працювати на наступних платформах: Windows 98, Windows Me, Windows NT4, Windows 2000 Prof., Windows XP Home Edition, Windows XP Prof..

Зовнішній вигляд форми програми і використаних компонентів у програмі показано на рис. 4.10

Рис. 4.10 Зовнішній вигляд форми програми

Зовнішній вигляд робочої програми приведений на рис 4.11

Рис. 4.11 Зовнішній вигляд робочої програми

Програмний лістинг програми:

Unit1;, Messages, SysUtils, Classes, Graphics, Controls, Forms, Dialogs, LPTIO,, StdCtrls, Buttons;= class(TForm): TPanel;: TComboBox;: TLabel;: TPanel;: TBitBtn;: TBitBtn;: TBitBtn;: TBitBtn;: TBitBtn;: TBitBtn;

: TBitBtn;: TBitBtn;: TBitBtn;: TBitBtn;: TBitBtn;: TBitBtn;: TBitBtn;: TBitBtn;: TBitBtn;: TBitBtn;: TBitBtn;: TBitBtn;: TRadioGroup;: TTimer;: TTimer;: TTimer;: TTimer;: TTimer;: TTimer;: TTimer;: TTimer;: TTimer;: TPanel;: TPanel;: TPanel;: TEdit;: TLabel;: TLabel;: TEdit;: TEdit;: TLabel;: TLabel;: TLabel;: TLabel;: TLabel;: TLabel;: TLabel;: TBevel;: TBevel;: TBevel;: TTimer;

FormCreate(Sender: TObject);FormDestroy(Sender: TObject);BitBtn1MouseDown(Sender: TObject; Button: TMouseButton;: TShiftState; X, Y: Integer);BitBtn1MouseUp(Sender: TObject; Button: TMouseButton;: TShiftState; X, Y: Integer);RadioGroup1Click(Sender: TObject);BitBtn2MouseDown(Sender: TObject; Button: TMouseButton;: TShiftState; X, Y: Integer);BitBtn2MouseUp(Sender: TObject; Button: TMouseButton;: TShiftState; X, Y: Integer);BitBtn3MouseDown(Sender: TObject; Button: TMouseButton;: TShiftState; X, Y: Integer);BitBtn3MouseUp(Sender: TObject; Button: TMouseButton;: TShiftState; X, Y: Integer);BitBtn4MouseDown(Sender: TObject; Button: TMouseButton;: TShiftState; X, Y: Integer);BitBtn4MouseUp(Sender: TObject; Button: TMouseButton;: TShiftState; X, Y: Integer);BitBtn5MouseDown(Sender: TObject; Button: TMouseButton;: TShiftState; X, Y: Integer);BitBtn5MouseUp(Sender: TObject; Button: TMouseButton;: TShiftState; X, Y: Integer);BitBtn6MouseDown(Sender: TObject; Button: TMouseButton;

: TShiftState; X, Y: Integer);BitBtn6MouseUp(Sender: TObject; Button: TMouseButton;: TShiftState; X, Y: Integer);BitBtn7MouseDown(Sender: TObject; Button: TMouseButton;: TShiftState; X, Y: Integer);BitBtn7MouseUp(Sender: TObject; Button: TMouseButton;: TShiftState; X, Y: Integer);BitBtn8MouseDown(Sender: TObject; Button: TMouseButton;: TShiftState; X, Y: Integer);BitBtn8MouseUp(Sender: TObject; Button: TMouseButton;: TShiftState; X, Y: Integer);BitBtn18Click(Sender: TObject);Timer1Timer(Sender: TObject);Timer2Timer(Sender: TObject);Timer3Timer(Sender: TObject);Timer4Timer(Sender: TObject);Timer5Timer(Sender: TObject);Timer6Timer(Sender: TObject);Timer7Timer(Sender: TObject);BitBtn9MouseDown(Sender: TObject; Button: TMouseButton;: TShiftState; X, Y: Integer);BitBtn9MouseUp(Sender: TObject; Button: TMouseButton;: TShiftState; X, Y: Integer);BitBtn10MouseDown(Sender: TObject; Button: TMouseButton;: TShiftState; X, Y: Integer);BitBtn10MouseUp(Sender: TObject; Button: TMouseButton;: TShiftState; X, Y: Integer);Timer8Timer(Sender: TObject);Timer9Timer(Sender: TObject);BitBtn11MouseDown(Sender: TObject; Button: TMouseButton;: TShiftState; X, Y: Integer);BitBtn13MouseDown(Sender: TObject; Button: TMouseButton;: TShiftState; X, Y: Integer);BitBtn13MouseUp(Sender: TObject; Button: TMouseButton;: TShiftState; X, Y: Integer);BitBtn14MouseDown(Sender: TObject; Button: TMouseButton;: TShiftState; X, Y: Integer);BitBtn14MouseUp(Sender: TObject; Button: TMouseButton;: TShiftState; X, Y: Integer);BitBtn11MouseUp(Sender: TObject; Button: TMouseButton;: TShiftState; X, Y: Integer);BitBtn12MouseDown(Sender: TObject; Button: TMouseButton;: TShiftState; X, Y: Integer);BitBtn12MouseUp(Sender: TObject; Button: TMouseButton;

: TShiftState; X, Y: Integer);FormShow(Sender: TObject);Timer10Timer(Sender: TObject);BitBtn17Click(Sender: TObject);

{ Private declarations }: TLptPortConnection;

{ Public declarations }GetCurrentPort : byte; // Читает список ComboBox1 и возвращает соответствующий номер порта

// function GetCurrentRegister : byte; // Читает список ComboBox2 и возвращает соответствующий номер регистра

/*********************PIN*****************************************

function Pin2 : boolean;Pin3 : boolean ;Pin4 : boolean ;Pin5 : boolean ;Pin6 : boolean ;Pin7 : boolean ;Pin8 : boolean ;Pin9 : boolean ;Pin1 : boolean ;Pin14 : boolean ;Pin16 : boolean ;Pin17 : boolean ;InMode : boolean ;Pin11 : boolean ;Pin10 : boolean ;Pin12 : boolean ;Pin13 : boolean ;Pin15 : boolean ;

//****************************************************************

{----------------Встроены команды Pin клавиатуры-------------------------------}

procedure ButtonPin2;ButtonPin3;ButtonPin4;ButtonPin5;ButtonPin6;ButtonPin7;ButtonPin8;ButtonPin9;

ButtonPin1;ButtonPin14;ButtonPin16;ButtonPin17;InOut; //-- EPP: вход / выход переключатель

//****************************************************************

end;: TForm1;

{$R *.DFM}TForm1.FormCreate(Sender: TObject);msg : AnsiString;:= TLptPortConnection.Create;not Lpt.Ready then{ объект не готов -- покажем код ошибки }:= 'Ошибка при создании объекта Lpt, драйвер ERROR, код = ' + IntToStr(GetLastError());.MessageBox(PChar(msg),'ERROR',MB_OK);.Terminate; // выход;

// Проверим наличие портов и заполним их список в ComboBox-e.Items.Clear;.Text := '';Lpt.IsPortPresent(LPT1) then ComboBox1.Items.Add('$3BC');Lpt.IsPortPresent(LPT2) then ComboBox1.Items.Add('$378');Lpt.IsPortPresent(LPT3) then ComboBox1.Items.Add('$278');0<>ComboBox1.Items.Count then ComboBox1.ItemIndex := 0; end;TForm1.FormDestroy(Sender: TObject); // Обработчик разрушения.Destroy;

{ Здесь разместите все таймеры, которые должны быть отключены };TForm1.GetCurrentPort : byte; // Читает список ComboBox1 и возвращает соответствующий номер порта'$3BC' = ComboBox1.Text then:=LPT1'$378' = ComboBox1.Text then:=LPT2 else

:=LPT3; end;

{--------------- Регистр данных -------------------}TForm1.Pin2 : boolean ;: boolean;:= true;:= d and (1 = (1 and Lpt.ReadPort( (GetCurrentPort) ,0))) ;:= d; end;TForm1.Pin3 : boolean ;: boolean;:= true;:= d and (2 = (2 and Lpt.ReadPort(GetCurrentPort,0))) ;:= d; end;TForm1.Pin4 : boolean ;: boolean;:= true;:= d and (4 = (4 and Lpt.ReadPort(GetCurrentPort,0))) ;:= d; end;TForm1.Pin5 : boolean ;: boolean;:= true;:= d and (8 = (8 and Lpt.ReadPort(GetCurrentPort,0))) ;:= d; end;TForm1.Pin6 : boolean ;: boolean;:= true;:= d and (16 = (16 and Lpt.ReadPort(GetCurrentPort,0))) ;:= d; end;TForm1.Pin7 : boolean ;: boolean;:= true;:= d and (32 = (32 and Lpt.ReadPort(GetCurrentPort,0))) ;:= d; end;

TForm1.Pin8 : boolean ;: boolean;:= true;:= d and (64 = (64 and Lpt.ReadPort(GetCurrentPort,0))) ;:= d; end;TForm1.Pin9 : boolean ;: boolean;:= true;:= d and (128 = (128 and Lpt.ReadPort(GetCurrentPort,0))) ;:= d; end;

{--------------- Регистр управления -------------------}TForm1.Pin1 : boolean ;: boolean;:= true;:= d xor (STROBE = (STROBE and Lpt.ReadPort(GetCurrentPort,2))) ;:= d; end;TForm1.Pin14 : boolean ;: boolean;:= true;:= d xor (AUTOFEED = (AUTOFEED and Lpt.ReadPort(GetCurrentPort,2))) ;:= d; end;TForm1.Pin16 : boolean ;: boolean;:= true;:= d and (INIT = (INIT and Lpt.ReadPort(GetCurrentPort,2))) ;:= d; end;TForm1.Pin17 : boolean ;: boolean;:= true;:= d xor (SELECTIN = (SELECTIN and Lpt.ReadPort(GetCurrentPort,2))) ;:= d; end;

{--------------- (EPP): На вход = true, выход = false -----------}TForm1.InMode : boolean ; //-- вход = true, выход = false: boolean;:= true;:= d and (DIRECTION = (DIRECTION and Lpt.ReadPort(GetCurrentPort,2))) ; //-- 32 (бит 5) он же DIRECTIONLpt.IsPortBidirectional(GetCurrentPort)= true then InMode := d else InMode := false;end;

{--------------- Регистр состояния (входы) ----------------------}TForm1.Pin11 : boolean ;: boolean;:= true;:= d xor(BUSY = (BUSY and Lpt.ReadPort(GetCurrentPort,1))) ;:= d; end;TForm1.Pin10 : boolean ;: boolean;:= true;:= d and(ACK = (ACK and Lpt.ReadPort(GetCurrentPort,1))) ;:= d; end;TForm1.Pin12 : boolean ;: boolean;:= true;:= d and(PAPEREND = (PAPEREND and Lpt.ReadPort(GetCurrentPort,1))) ;:= d; end;TForm1.Pin13 : boolean ;: boolean;:= true;:= d and(SELECT = (SELECT and Lpt.ReadPort(GetCurrentPort,1))) ;:= d; end;TForm1.Pin15 : boolean ;: boolean;

:= true;:= d and(ERROR = (ERROR and Lpt.ReadPort(GetCurrentPort,1))) ;:= d; end;

//-----------------------Команды Pin клавиатуры---------------------------------

{ ----------- регистр данных ----------------- }TForm1.ButtonPin2;.WritePort (GetCurrentPort,0,(1 xor Lpt.ReadPort( (GetCurrentPort) ,0) )); end;TForm1.ButtonPin3;.WritePort (GetCurrentPort,0,(2 xor Lpt.ReadPort( (GetCurrentPort) ,0) )); end;TForm1.ButtonPin4;.WritePort (GetCurrentPort,0,(4 xor Lpt.ReadPort( (GetCurrentPort) ,0) )); end;TForm1.ButtonPin5;.WritePort (GetCurrentPort,0,(8 xor Lpt.ReadPort( (GetCurrentPort) ,0) )); end;TForm1.ButtonPin6;.WritePort (GetCurrentPort,0,(16 xor Lpt.ReadPort( (GetCurrentPort) ,0) )); end;TForm1.ButtonPin7;.WritePort (GetCurrentPort,0,(32 xor Lpt.ReadPort( (GetCurrentPort) ,0) )); end;TForm1.ButtonPin8;.WritePort (GetCurrentPort,0,(64 xor Lpt.ReadPort( (GetCurrentPort) ,0) ));end;TForm1.ButtonPin9;.WritePort (GetCurrentPort,0,(128 xor Lpt.ReadPort( (GetCurrentPort) ,0) )); end;

{ -------------- регистр контроля ----------------- }TForm1.ButtonPin1;.WritePort (GetCurrentPort,2,(1 xor Lpt.ReadPort( (GetCurrentPort) ,2) )); end;TForm1.ButtonPin14;

.WritePort (GetCurrentPort,2,(2 xor Lpt.ReadPort( (GetCurrentPort) ,2) )); end;TForm1.ButtonPin16;.WritePort (GetCurrentPort,2,(4 xor Lpt.ReadPort( (GetCurrentPort) ,2) )); end;TForm1.ButtonPin17;.WritePort (GetCurrentPort,2,(8 xor Lpt.ReadPort( (GetCurrentPort) ,2) )); end;TForm1.InOut; //--- переключ. направления в реж. EPP вход / выходLpt.IsPortBidirectional(GetCurrentPort)= true then.WritePort(GetCurrentPort,2, (DIRECTION xor Lpt.ReadPort(GetCurrentPort,2))) ; //-- 32 (бит 5 )else(Handle,PChar('Данный порт не является активным в EPP режиме. Для активации войдите в Bios, раздел INTEGRATED PERIPHERALS или др., найдите строку PARALLEL PORT MODE: измените режим работы порта на EPP или SPP/EPP.'),('Не доступен EPP режим '),MB_ICONINFORMATION + MB_OK +MB_DEFBUTTON2); end;TForm1.BitBtn1MouseDown(Sender: TObject; Button: TMouseButton;: TShiftState; X, Y: Integer);.Enabled:=true;RadioGroup1.ItemIndex = 0 then.WritePort (GetCurrentPort,0,129) else.WritePort (GetCurrentPort,0,161); end;TForm1.BitBtn1MouseUp(Sender: TObject; Button: TMouseButton;: TShiftState; X, Y: Integer);RadioGroup1.ItemIndex = 0 then.WritePort (GetCurrentPort,0,128) else.WritePort (GetCurrentPort,0,160);.Enabled:=false; end;TForm1.RadioGroup1Click(Sender: TObject);RadioGroup1.ItemIndex = 0 then.WritePort (GetCurrentPort,0,0) else

.WritePort (GetCurrentPort,0,32); end;TForm1.BitBtn2MouseDown(Sender: TObject; Button: TMouseButton;: TShiftState; X, Y: Integer);.Enabled:=true;RadioGroup1.ItemIndex = 0 then.WritePort (GetCurrentPort,0,130) else.WritePort (GetCurrentPort,0,162); end;TForm1.BitBtn2MouseUp(Sender: TObject; Button: TMouseButton;: TShiftState; X, Y: Integer);RadioGroup1.ItemIndex = 0 then.WritePort (GetCurrentPort,0,128) else.WritePort (GetCurrentPort,0,160);.Enabled:=false; end;TForm1.BitBtn3MouseDown(Sender: TObject; Button: TMouseButton;: TShiftState; X, Y: Integer);.Enabled:=true;RadioGroup1.ItemIndex = 0 then.WritePort (GetCurrentPort,0,67) else.WritePort (GetCurrentPort,0,99); end;TForm1.BitBtn3MouseUp(Sender: TObject; Button: TMouseButton;: TShiftState; X, Y: Integer);RadioGroup1.ItemIndex = 0 then.WritePort (GetCurrentPort,0,64) else.WritePort (GetCurrentPort,0,96);.Enabled:=false; end;TForm1.BitBtn4MouseDown(Sender: TObject; Button: TMouseButton;: TShiftState; X, Y: Integer);.Enabled:=true;RadioGroup1.ItemIndex = 0 then.WritePort (GetCurrentPort,0,68) else.WritePort (GetCurrentPort,0,100); end;TForm1.BitBtn4MouseUp(Sender: TObject; Button: TMouseButton;: TShiftState; X, Y: Integer);

RadioGroup1.ItemIndex = 0 then.WritePort (GetCurrentPort,0,64) else.WritePort (GetCurrentPort,0,96);.Enabled:=false; end;TForm1.BitBtn5MouseDown(Sender: TObject; Button: TMouseButton;: TShiftState; X, Y: Integer);.Enabled:=true;RadioGroup1.ItemIndex = 0 then.WritePort (GetCurrentPort,0,5) else.WritePort (GetCurrentPort,0,37); end;TForm1.BitBtn5MouseUp(Sender: TObject; Button: TMouseButton;: TShiftState; X, Y: Integer);RadioGroup1.ItemIndex = 0 then.WritePort (GetCurrentPort,0,0) else.WritePort (GetCurrentPort,0,32);.Enabled:=false; end;TForm1.BitBtn6MouseDown(Sender: TObject; Button: TMouseButton;: TShiftState; X, Y: Integer);.Enabled:=true;RadioGroup1.ItemIndex = 0 then.WritePort (GetCurrentPort,0,6) else.WritePort (GetCurrentPort,0,38); end;TForm1.BitBtn6MouseUp(Sender: TObject; Button: TMouseButton;: TShiftState; X, Y: Integer);RadioGroup1.ItemIndex = 0 then.WritePort (GetCurrentPort,0,0) else.WritePort (GetCurrentPort,0,32);.Enabled:=false; end;TForm1.BitBtn7MouseDown(Sender: TObject; Button: TMouseButton;: TShiftState; X, Y: Integer);.Enabled:=true;RadioGroup1.ItemIndex = 0 then.WritePort (GetCurrentPort,0,7) else

.WritePort (GetCurrentPort,0,39); end;TForm1.BitBtn7MouseUp(Sender: TObject; Button: TMouseButton;: TShiftState; X, Y: Integer);RadioGroup1.ItemIndex = 0 then.WritePort (GetCurrentPort,0,0) else.WritePort (GetCurrentPort,0,32);.Enabled:=false; end;TForm1.BitBtn8MouseDown(Sender: TObject; Button: TMouseButton;: TShiftState; X, Y: Integer);.Enabled:=true;RadioGroup1.ItemIndex = 0 then.WritePort (GetCurrentPort,0,8) else.WritePort (GetCurrentPort,0,40); end;TForm1.BitBtn8MouseUp(Sender: TObject; Button: TMouseButton;: TShiftState; X, Y: Integer);RadioGroup1.ItemIndex = 0 then.WritePort (GetCurrentPort,0,0) else.WritePort (GetCurrentPort,0,32);.Enabled:=false; end;TForm1.BitBtn18Click(Sender: TObject);RadioGroup1.ItemIndex = 0 then.WritePort (GetCurrentPort,0,0) else.WritePort (GetCurrentPort,0,32); end;TForm1.Timer1Timer(Sender: TObject);Pin12 = true thenRadioGroup1.ItemIndex = 0 then.WritePort (GetCurrentPort,0,128) else.WritePort (GetCurrentPort,0,160);.Enabled:=false;.Enabled:=false;.Enabled:=true;else.Enabled:=true;Edit1.Tag = 0 then

Pin15 = false then Edit1.Text := IntToStr(StrToInt(Edit1.Text)-1);.Caption:= FloatToStr(StrToFloat(Edit1.Text)*0.834);.Tag :=1; end;Pin15 = true then Edit1.Tag := 0; end;TForm1.Timer2Timer(Sender: TObject);Pin13 = true thenRadioGroup1.ItemIndex = 0 then.WritePort (GetCurrentPort,0,128) else.WritePort (GetCurrentPort,0,160);.Enabled:=false;.Enabled:=false;.Enabled:=true;else.Enabled:=true;Edit1.Tag = 0 thenPin15 = false then Edit1.Text := IntToStr(StrToInt(Edit1.Text)+1);.Caption:= FloatToStr(StrToFloat(Edit1.Text)*0.834);.Tag :=1; end;Pin15 = true then Edit1.Tag := 0; end;TForm1.Timer3Timer(Sender: TObject);Pin12 = true thenRadioGroup1.ItemIndex = 0 then.WritePort (GetCurrentPort,0,64) else.WritePort (GetCurrentPort,0,96);.Enabled:=false;.Enabled:=false;.Enabled:=true;else.Enabled:=true;Edit2.Tag = 0 thenPin15 = false then Edit2.Text := IntToStr(StrToInt(Edit2.Text)+1);.Caption:= FloatToStr(StrToFloat(Edit2.Text)*1.41);.Tag :=1;;Pin15 = true then Edit2.Tag := 0; end;TForm1.Timer4Timer(Sender: TObject);Pin13 = true then

RadioGroup1.ItemIndex = 0 then.WritePort (GetCurrentPort,0,64) else.WritePort (GetCurrentPort,0,96);.Enabled:=false;.Enabled:=false;.Enabled:=true;else.Enabled:=true;Edit2.Tag = 0 thenPin15 = false then Edit2.Text := IntToStr(StrToInt(Edit2.Text)-1);.Caption:= FloatToStr(StrToFloat(Edit2.Text)*1.41);.Tag :=1;;Pin15 = true then Edit2.Tag := 0; end;TForm1.Timer5Timer(Sender: TObject);Pin15 = true thenRadioGroup1.ItemIndex = 0 then.WritePort (GetCurrentPort,0,0) else.WritePort (GetCurrentPort,0,32);.Enabled:=false;.Enabled:=false;.Enabled:=true;else.Enabled:=true;Edit3.Tag = 0 thenPin13 = false then Edit3.Text := IntToStr(StrToInt(Edit3.Text)-1);.Caption:= FloatToStr(StrToFloat(Edit3.Text)*0.4);.Tag:=1;;Pin13 = true then Edit3.Tag := 0; end;TForm1.Timer6Timer(Sender: TObject);Pin10 = true thenRadioGroup1.ItemIndex = 0 then.WritePort (GetCurrentPort,0,0) else.WritePort (GetCurrentPort,0,32);.Enabled:=false;.Enabled:=false;

.Enabled:=true;else.Enabled:=true; end;TForm1.Timer7Timer(Sender: TObject);Pin12 = true thenRadioGroup1.ItemIndex = 0 then.WritePort (GetCurrentPort,0,0) else.WritePort (GetCurrentPort,0,32);.Enabled:=false;.Enabled:=false;.Enabled:=true;else.Enabled:=true; end;TForm1.BitBtn9MouseDown(Sender: TObject; Button: TMouseButton;: TShiftState; X, Y: Integer);.Enabled:=true;RadioGroup1.ItemIndex = 0 then.WritePort (GetCurrentPort,0,201) else.WritePort (GetCurrentPort,0,233); end;TForm1.BitBtn9MouseUp(Sender: TObject; Button: TMouseButton;: TShiftState; X, Y: Integer);RadioGroup1.ItemIndex = 0 then.WritePort (GetCurrentPort,0,192) else.WritePort (GetCurrentPort,0,224);.Enabled:=false; end;TForm1.BitBtn10MouseDown(Sender: TObject; Button: TMouseButton;: TShiftState; X, Y: Integer);.Enabled:=true;RadioGroup1.ItemIndex = 0 then.WritePort (GetCurrentPort,0,202) else.WritePort (GetCurrentPort,0,234); end;TForm1.BitBtn10MouseUp(Sender: TObject; Button: TMouseButton;: TShiftState; X, Y: Integer);RadioGroup1.ItemIndex = 0 then

.WritePort (GetCurrentPort,0,192) else.WritePort (GetCurrentPort,0,224);.Enabled:=false; end;TForm1.Timer8Timer(Sender: TObject);Pin15 = true thenRadioGroup1.ItemIndex = 0 then.WritePort (GetCurrentPort,0,192) else.WritePort (GetCurrentPort,0,224);.Enabled:=false;.Enabled:=false;.Enabled:=true;else.Enabled:=true; end;TForm1.Timer9Timer(Sender: TObject);Pin13 = true thenRadioGroup1.ItemIndex = 0 then.WritePort (GetCurrentPort,0,192) else.WritePort (GetCurrentPort,0,224);.Enabled:=false;.Enabled:=false;.Enabled:=true;else.Enabled:=true; end;TForm1.BitBtn11MouseDown(Sender: TObject; Button: TMouseButton;: TShiftState; X, Y: Integer);RadioGroup1.ItemIndex = 0 then.WritePort (GetCurrentPort,0,210) else.WritePort (GetCurrentPort,0,242); end;TForm1.BitBtn13MouseDown(Sender: TObject; Button: TMouseButton;: TShiftState; X, Y: Integer);RadioGroup1.ItemIndex = 0 then.WritePort (GetCurrentPort,0,208) else.WritePort (GetCurrentPort,0,240); end;TForm1.BitBtn13MouseUp(Sender: TObject; Button: TMouseButton;: TShiftState; X, Y: Integer);

RadioGroup1.ItemIndex = 0 then.WritePort (GetCurrentPort,0,192) else.WritePort (GetCurrentPort,0,224); end;TForm1.BitBtn14MouseDown(Sender: TObject; Button: TMouseButton;: TShiftState; X, Y: Integer);RadioGroup1.ItemIndex = 0 then.WritePort (GetCurrentPort,0,209) else.WritePort (GetCurrentPort,0,241); end;TForm1.BitBtn14MouseUp(Sender: TObject; Button: TMouseButton;: TShiftState; X, Y: Integer);RadioGroup1.ItemIndex = 0 then.WritePort (GetCurrentPort,0,192) else.WritePort (GetCurrentPort,0,224); end;TForm1.BitBtn11MouseUp(Sender: TObject; Button: TMouseButton;: TShiftState; X, Y: Integer);RadioGroup1.ItemIndex = 0 then.WritePort (GetCurrentPort,0,192) else.WritePort (GetCurrentPort,0,224); end;TForm1.BitBtn12MouseDown(Sender: TObject; Button: TMouseButton;: TShiftState; X, Y: Integer);RadioGroup1.ItemIndex = 0 then.WritePort (GetCurrentPort,0,211) else.WritePort (GetCurrentPort,0,243); end;TForm1.BitBtn12MouseUp(Sender: TObject; Button: TMouseButton;: TShiftState; X, Y: Integer);RadioGroup1.ItemIndex = 0 then.WritePort (GetCurrentPort,0,192) else.WritePort (GetCurrentPort,0,224); end;TForm1.FormShow(Sender: TObject);.WritePort (GetCurrentPort,0,0); end;TForm1.Timer10Timer(Sender: TObject);

Edit3.Tag = 0 thenPin13 = true then Edit3.Text := IntToStr(StrToInt(Edit3.Text)+1);.Caption:= FloatToStr(StrToFloat(Edit3.Text)*0.4);.Tag:=1;;Pin13 = false then Edit3.Tag:= 0; end;TForm1.BitBtn17Click(Sender: TObject);.Text:=IntToStr(0);.Tag:=0;.Caption:=FloatToStr(StrToFloat(Edit1.Text));.Text:=IntToStr(0);;.Tag:=0;.Caption:=FloatToStr(StrToFloat(Edit2.Text));.Text:=IntToStr(0);;.Tag:=0;.Caption:=FloatToStr(StrToFloat(Edit3.Text)); end;.

5. ЕКОНОМІЧНЕ ОБГРУНТУВАННЯ ДОЦІЛЬНОСТІ РОЗРОБКИ СИСТЕМИ УПРАВЛІННЯ

5.1 Організаційно-економічна частина

Метою написання даного розділу є розрахунок витрат на виробництво системи управління за курсом «Робототехніка та механотроніка». Даний лабораторний комплекс буде розміщений у лабораторії схемотехніки Криворізького інституту КУЕІТУ.

Необхідні для розробки системи управління засоби: осцилограф, паяльні установки й набір системотехнічних інструментів.

Розроблена установка дозволяє студентам третіх і четвертих курсів денної й заочної форми навчання наочно вивчати принцип роботи маніпуляторів і методи керування ними. Лабораторна установка призначена для наочного спостереження за сигналами керування й сигналами зворотного зв'язку, а також наочного вивчення побудови роботів.

5.2 Розрахунок собівартості системи управління


Економічна доцільність розробки полягає в економії засобів і трудозатрат у порівнянні з аналогічною лабораторною установкою, купленої в готовому вигляді.

Таблиця 5.1 Витрати та видаткові матеріали

Назва елемента

Кількість

Ціна за шт., грн..

Сума

IBM - сумісний ПК

1 шт.

700,00

700,00

Фальгований склотекстоліт - двосторонній

1 шт.

10,00

10,00

Резистор МЛТ - 0,125 - 330Ом ±10%

33 шт.

0,30

9,90

Діод світло випромінюючий АЛ310А

20 шт.

1,50

30,00

Оптрон К293ЛП1

8 шт.

2,00

16,00

Оптрон PC817

5 шт.

2,00

10,00

Мікросхема К155ЛН1

1 шт.

2,00

2,00

Мікросхема К155ИД3

2 шт.

5,00

10,00

Мікросхема К555КП11

2 шт.

4,00

8,00

Мікросхема КР580ИР83

3 шт.

6,00

18,00

Розетка ОНЦ - РГ - 09 - 32/30 - Р1

1 шт.

10,00

10,00

Вилка ОНЦ - РГ - 09 - 32/30 - В1

1 шт.

10,00

10,00

25-контактная вилка D-типа

1 шт.

10,00

10,00

Провід мідний багатожильній

30 м

0,50

15,00

Загальна вартість

858,90


Заробітна плата розроблювача:

чоловік - 2 місяці = 2*2000 грн.=4000 грн.

Нарахування на соціальну страховку:

·  пенсійний фонд - 33,2%

·        соціальна страховка - 1,5%

·        на безробіття - 1,3%

·        соціальна страховка на випадок нещасних випадків на виробництві або проф. захворювання - 1%

Разом: 37%

Нарахована заробітна плата: 0,37*4000+4000=5480 грн.

Амортизація обладнання:

Осцилограф С1-65 - 1200 грн.

Строк роботи обладнання 5 років. Виходячи із цього

А = 1200/(5*12) = 20,00 грн./місяць

Разом: 20,00*2 = 40,00 грн.

Електроенергія - 0,2435 грн/квт.

Нормативне споживання електроенергії осцилографом - 120 Вт/ч або 0,12 квт/ч, паяльною установкою - 350 Вт/ч або 0,35 квт/ч, ПР « ЕЛЕКТРОНІКА НЦ ТМ-01» - 700 Вт/ч або 0,7квт/ч, компресор - 1500 Вт/ч або 1,5квт/ч, персональним комп’ютером - 250 Вт/ч або 0,25 квт/ч. Вартість 1 квт електроенергії для підприємства 24,35 копійок або 0,2435 грн.

Е=N*B*tе

Де N- споживана об'єктом потужність від мережі (квт/година)э- тариф на електроенергію.регламентований час роботи об'єкта в плині місяця, г/міс.

В = кількість робочих днів у місяці по 8 годин = 20*8 = 160(годин).

Е = (0,12+0,35+0,7+1,5+0,25)*160*0,2435 = 113,77 грн./міс.

Витрати на транспортні перевезення 120,00 грн.

У такий спосіб собівартість лабораторної установки складає - 858,90+5480+40,00+113,77*2+120,00 = 6726,44 грн.

6. ОХОРОНА ПРАЦІ

Охорона праці - це система законодавчих актів, соціально-економічних, організаційних і лікувально-профілактичних заходів і засобів, що забезпечують безпеку, збереження здоров'я і працездатності людини в процесі праці.

Законодавство України про охорону праці складається із загальних законів України та спеціальних законодавчих актів. Загальними законами України, що визначають основні положення з охорони праці є Конституція України, Закон України «Про охорону праці», Кодекс законів про працю (КЗпП), Закон України «Про загальнообов'язкове державне соціальне страхування від нещасного випадку на виробництві та професійного захворювання, які спричинили втрату працездатності»

Крім загальних законів України, правові відносини у сфері охорони праці регулюються спеціальними законодавчими актами, указами і розпорядженнями Президента України, рішеннями уряду України, нормативними актами міністерств та інших центральних органів державної виконавчої влади. Сьогодні проводиться значна робота з питань вдосконалення законодавчої бази з питань охорони праці, адаптації українського законодавства з охорони праці до вимог Європейського Союзу.

Закон України «Про охорону праці» визначає основні положення щодо реалізації конституційного права громадян на охорону їх життя і здоров'я в процесі трудової діяльності, регулює за участю відповідних державних органів відносини між власником підприємства, установи і організації або уповноваженим ним органом і працівником з питань безпеки, гігієни праці та виробничого середовища і встановлює єдиний порядок організації охорони праці в Україні.

Кодекс законів про працю України регулює трудові відносини всіх працівників, сприяючи зростанню продуктивності праці, поліпшенню якості роботи, підвищенню ефективності суспільного виробництва і піднесенню на цій основі матеріального і культурного рівня життя трудящих, зміцненню трудової дисципліни і поступовому перетворенню праці на благо суспільства в першу життєву потребу кожної працездатної людини.

Основні вимоги гігієни та санітарії відображені в законі України «Про забезпечення санітарного та епідемічного благополуччя населення». Параметри мікроклімату на робочих місцях регламентовані ГОСТ 12.1.005-88 та ДСН 3.3.6.042-99, а норми штучного та природного освітлення визначені будівельними нормами та правилами СНиП ІІ-4-79/85.

Пожежна безпека визначена законом України «Про пожежну безпеку» та «Правилами про пожежну безпеку в Україні». Забезпечення пожежної безпеки є невід'ємною частиною державної діяльності щодо охорони життя та здоров'я людей, національного багатства і навколишнього природного середовища. Закон України «Про пожежну безпеку» визначає загальні правові, економічні та соціальні основи забезпечення пожежної безпеки на території України, регулює відносини державних органів, юридичних і фізичних осіб у цій галузі незалежно від виду їх діяльності та форм власності.

6.1 Аналіз небезпечних та шкідливих факторів у лабораторії електроніки та мікросхемотехніки


Фактори виробничого середовища впливають на функціональний стан і працездатність людини.

При роботі в лабораторії на людину можуть впливати такі фактори:

Фізичні:

-  підвищений рівень шуму на робочому місці;

-       можливість ураження електричним струмом;

-       не належна освітленість робочої зони;

-       підвищений рівень іонізуючих випромінювань у робочій зоні;

-       підвищений рівень статичної електрики;

Психофізіологічні:

-  фізичні перевантаження (статичні й динамічні);

-       нервово-психічні перевантаження (розумова напруга й перенапруга, монотонність праці, емоційні перевантаження, стомлення, емоційний стрес, емоційне перевантаження).

Той самий небезпечний і шкідливий виробничий фактор по природі своєї дії може відноситися одночасно до різних груп, перерахованих вище.

Відповідно діючим нормативним документам (СН 512-78 та ДСанПіН 3.3.2.007-98) площа приміщення 13,0 м²; об’єм - 20 м³. Стіна, стеля, підлога приміщення виготовляються з матеріалів, дозволених для оформлення приміщень санітарно-епідеміологічним наглядом. Підлога приміщення вкрита діелектричним килимком, випробуваним на електричну міцність.

Висота робочої поверхні столу для оператора ПЕОМ - 690 мм, ширина повинна забезпечувати можливість виконання операцій в зоні досягнення моторного ходу; висота столу 725 мм, ширина 800 мм, глибина 900 мм. Простір для ніг: висота 600 мм, ширина 500 мм, глибина на рівні колін 500 мм, на рівні витягнутої ноги 650мм.

Ширина й глибина сидіння 400 мм, висота поверхні сидіння 450 мм, кут нахилу поверхні від 15º вперед до 5º назад. Поверхня сидіння плоска, передній край закруглений.

Мікроклімат виробничих приміщень і стан повітряної середи в робочій зоні - головні чинники, які визначають умови праці. Основні параметри мікрокліматичних умов - температура, вологість, швидкість руху повітря і барометричний тиск впливають на теплообмін і загальний стан організму людини.

На організм людини і обладнання лабораторії великий вплив виявляє відносна вологість. При відносній вологості повітря більш 75-80% знижується опір ізоляції, змінюються робочі характеристики елементів, зростає інтенсивність відмов елементів обладнання що знаходиться у лабораторії. Швидкість руху повітря і запиленість повітряного середовища виявляють вплив на функціональну діяльність людини і роботу приладів лабораторії.

Одним з найважливіших фізіологічних механізмів організму є терморегуляція, що залежить від мікрокліматичних умов навколишньої середи. Терморегуляція підтримує тепловий баланс організму людини при різноманітних метеорологічних умовах і тяжкості роботи, що виконується за рахунок звуження або розширення поверхні кровоносних судин і відповідної роботи потових залоз.

Несприятливий мікроклімат в процесі роботи викликає недомагання і втому організму, порушує нервову і розумову діяльність, сприяє зниженню спостережливості і швидкості реакції.

При роботі у лабораторії людина наражається на шумовий вплив з боку багатьох джерел, наприклад, шум викликаний роботою електроприводів, вентиляторів і кондиціонерів (до 70 дБ).

Діючи на слуховий аналізатор, шум змінює функціональний стан багатьох систем органів людини внаслідок взаємодії між ними через центральну нервову систему. Це впливає на органи зору людини, вестибулярний апарат і рухові функції, а також призводить до зниження мускульної дієздатності. При роботі в умовах шуму спостерігається підвищена втомлюваність і зниження дієздатності, погіршується увага і мовна комутація, створюються передумови до помилкових дій працюючих.

Небезпечний і шкідливий вплив на людей здійснюють електричний струм, електричні дуги, електромагнітні поля, що проявляються у вигляді електротравм і професійних захворювань. Ступінь небезпечного й шкідливого впливів на людину електричного струму, електричної дуги, електромагнітних полів залежить від: роду й величини напруги й струму; частоти електричного струму; шляхи проходження струму через тіло людини; тривалості впливу на організм людини; умов зовнішнього середовища.

Електронно-променеві трубки, які працюють при напрузі понад 6 кВ є джерелами „м’якого” рентгенівського випромінювання. При напрузі понад 10 кВ рентгенівське випромінювання виходить за межі скляного балону і розсіюється в навколишньому просторі виробничого приміщення.

Шкідливий вплив рентгенівських променів зв’язаний з тим, що, проходячи через біологічну тканину, вони викликають в тканині іонізацію молекул тканинної речовини, що може призвести до порушення міжмолекулярних зв’язків, що в свою чергу, призводить до порушення нормальної течії біохімічних процесів і обміну речовин.

Освітлення робочого місця - найважливіший фактор створення нормальних умов праці. Освітленню варто приділяти особливу увагу, тому що при роботі з приборами найбільшу напругу одержують очі.

Недостатнє освітлення робочих місць - одна з причин низької продуктивності праці. В цьому випадку очі працюючого сильно напружені, важко розрізняють предмети, у людини знижується темп і якість роботи, погіршується загальний стан.

6.2 Організаційні і технічні заходи по зменшенню рівня шкідливих виробничих чинників на робочому місці у лабораторії електроніки та мікросхемо техніки

 

Одна з найважливіших задач охорони праці - забезпечення безпеки працюючих, тобто забезпечення такого стану умов праці, при якому виключено дію на працюючих небезпечних і шкідливих виробничих чинників.

На сьогоднішній день основним засобом захисту від електромагнітних випромінювань, що застосовуються в обчислювальній техніці є екранування джерел випромінювання. Сьогодні всі осцилографи та інші види приладів, що випускаються, а також блоки живлення мають корпус, виконаний зі спеціального матеріалу, що практично повністю затримує проходження електромагнітного випромінювання. Застосовуються також спеціальні екрани, що зменшують ступінь впливу електромагнітних і рентгенівських променів на оператора.

Для зниження електромагнітного впливу на людину-оператора використовуються також раціональні режими роботи, при яких норма роботи з приладами у лабораторії не повинна перевищувати 50 % робочого часу.

Захист від небезпечних впливів електричного струму при експлуатації обчислювальних комплексів забезпечені:

― розрахунок і застосування захисного заземлення або обнуління;

Для забезпечення норм заземлення зробимо розрахунок захисного заземлення лабораторії.

Вихідні дані:

U = 220 В - напруга живлення.

ґрунт суглинок

захисне заземлення виконується за допомогою труб довгої l = 300 см і діаметром d = 5 см, розміщених у ряд;

відстань між трубами а = l,

ширина сполучної залізної смуги b = 4 см;

заглиблення смуги h = 80 см;

площа перетину смуги 200 мм2.

коефіцієнт сезонності для робочого заземлення ηс1 = 1,2;

коефіцієнт сезонності для захисного заземлення ηс 2 = 1

Захисне заземлення. Для захисту від небезпеки при переході напруги 220 В на металеві конструктивні частини обладнання при нормальних умовах, що не перебувають під напругою, улаштовується захисне заземлення. Опір розтіканню струму захисного заземлення повинне бути не більше Rз = 4 Ом.

Опір розтіканню струму труби становить:т=(ρ/2πl)ln(4l/d)=(1*104 / 2*3.14*300)ln(4*300 / 5) = 25 Ом

а з урахуванням коефіцієнта сезонності воно буде дорівнює'т= RтКс1=25*1,2 = 30 Ом

Із цієї умови визначається число труб захисного заземлюючого пристрою’т= Rтηс1=25*1,2 = 30 Ом

При умовному числі труб 6,25 і відношенні а/l = l/l = 1 коефіцієнт взаємного екранування труб за графіком дорівнює η” е.т = 0,62.

Дійсне число труб захисного заземлення=6,25/0,62≈10 шт.

Довжина сполучної смуги дорівнює=1.05*an=1.05*3*10≈32 м.

Опір розтіканню струму сполучної смуги дорівнює

R’n2=( ρ /2πl)ln(2l2n2/bh)= (1*104 / 2*3.14*3200)ln(2*32002/4*80) ≈ 5,2 Ом

А з урахуванням коефіцієнта сезонності воно становить

Rn2= R’n2ηс2=5,2*1= 5,2 Ом

Коефіцієнт взаємного екранування сполучної смуги η”э.п=0,62.

Опір розтіканню струму всього пристрою захисного заземлення дорівнюєз2=1 / (η”э.п/ Rn3)+ (nη”э.т/ Rт)=1/(0,62/5,2)+(10*0,62/25) ≈ 2,7 Ом

Отриманий опір розтіканню струму всього заземлюючого пристрою Rз2=2,8 Ом при припустимому опорі Rз=4 Ом дозволяє трохи зменшити число труб і тим самим знизити витрати на заземлюючий пристрій:

― ізоляцією струмопровідних частин;

― дотриманням умов безпеки при встановленні і заміні агрегатів;

― надійним контактним сполученням з урахуванням перепаду кліматичних параметрів.

На робочих місцях всі металеві та електропровідні неметалеві обладнання заземлені.

Для усунення причин утворення статичного заряду застосовуються провідні матеріали для покриття підлоги, панелей, робочих столів, стільців. Для зниження ступеня електризації і підвищення провідності діелектричних поверхонь підтримується відносна вологість повітря на рівні максимально допустимого значення.

Шум і вібрація є одними з розповсюджених факторів зовнішнього середовища, що несприятливо впливають на організм людини. Люди, що працюють в умовах підвищеного шуму, скаржаться на швидку стомлюваність, головний біль, безсоння. У людини знижується гострота зору й слуху, підвищується кров'яний тиск, послабляється увага, погіршується пам'ять. Вібрація, у свою чергу, впливає на центральну нервову систему, на вестибулярний апарат, негативно діє на встаткування. Все це приводить до значного зниження продуктивності праці, росту кількості помилок у роботі, зменшенню терміну служби встаткування.

У приміщеннях операторів ЕОМ рівень шуму не повинен перевищувати 65 дба. На робочих місцях у приміщеннях для розміщення гучних агрегатів обчислювальних машин (АЦПУ, принтери й т.д.) рівень шуму не повинен перевищувати 75 дба.

Стіни й стелі виробничих приміщень, де встановлені ЕОМ й ін. устаткування, що є джерелом шумостворення, облицьовані звуковбирним матеріалом з максимальним коефіцієнтом звукопоглинання в області частот 63-8000 Гц, незалежно від кількості одиниць установленого встаткування.

Зниження шуму в джерелі випромінювання можна забезпечити застосуванням пружних прокладок між підставою машини, приладу й опорною поверхнею. Як прокладки використаються гума, повсть, пробка, різної конструкції амортизатори. Під настільні шумливі апарати можна підкладати м'які коврики із синтетичних матеріалів, а під ніжки столів, на яких вони встановлені, - прокладки з м'якої гуми, повсті, товщиною 6 - 8 мм. Кріплення прокладок можливо шляхом приклейки їх до опорних частин. Можливо також застосування звукоізолюючих кожухів, які не заважають технологічному процесу. Не менш важливим для зниження шуму в процесі експлуатації є питання правильного й своєчасного регулювання, змазування й заміни механічних вузлів шумливого встаткування. Раціональне планування приміщення, розміщення обладнання в лабораторії є важливим чинником, що дозволяє знизити шум при існуючому обладнанні. Зниження рівня шуму, що проникає у виробниче приміщення ззовні, може бути досягнуто збільшенням звукоізоляції конструкцій, що обгороджують, ущільненням по периметру притворів вікон, дверей. У такий спосіб для зниження шуму створюваного на робочих місцях внутрішніми джерелами, а також шуму, що проникає з поза треба :

·   послабити шум самих джерел (застосування екранів, звукоізолюючих кожухів);

·        знизити ефект сумарного впливу відбитих звукових хвиль (звуковбирні поверхні конструкцій);

·        застосовувати раціональне розташування встаткування;

·        використати архітектурно-планувальні й технологічні рішення ізоляцій джерел шуму.

Для створення нормальних умов роботи програмістів і операторів ПЕОМ в машинному залі використовується система кондиціювання, що забезпечує необхідні оптимальні мікрокліматичні параметри і чистоту повітря.

В холодні періоди року температура повітря, швидкість його руху і відносна вологість повітря відповідно складають: 22-24 С°; 0,1 м/с; 40-60%; в теплі періоди року температура повітря - 23-25 Сº; відносна вологість 40-60 %; швидкість руху повітря - 0,1 м/с.

При технічній експлуатації апаратури, в якій напруга вище 15 кВ, використовують засоби захисту для відвертання рентгенівського опромінення операторів і інженерно-технічних робітників, бо при такій напрузі рентгенівське випромінювання розсіюється в навколишньому просторі виробничого приміщення.

Засобами захисту від „м’якого” рентгенівського випромінювання є застосування поляризаційних екранів, а також використання в роботі моніторів, що мають біо-керамічне покриття і низький рівень радіації. В якості засобів захисту від чинності м’яких рентгенівських променів застосовуються екрани з сталевого листа (0,5-1 мм) або алюмінію (3 мм), спеціальної гуми. Для відвертання розсіювання рентгенівського випромінювання по виробничому приміщенню встановлюють захисні огорожі з різноманітних захисних матеріалів, наприклад, свинцю або бетону.

При правильно розрахованому і виконаному освітленні очі працюючого за комп’ютером протягом тривалого часу зберігають здатність добре розрізняти предмети не втомлюючись. Це сприяє зниженню професійного захворювання очей, підвищується працездатність.

Штучне освітлення в лабораторії реалізується системою загального рівномірного освітлення.

У виробничих і адміністративно-суспільних приміщеннях, у випадках переважної роботи з документами, допускається застосування системи комбінованого освітлення (до загального освітлення додатково встановлюються світильники місцевого освітлення, призначені для освітлення зони розташування документів).

Освітленість на поверхні стола в зоні розміщення робочого документа повинна бути 300 - 500 лк, також допускається установка світильників місцевого освітлення для підсвічування документів, але з такою умовою, щоб воно не створювало відблисків на поверхні екрана й не збільшувало освітленість екрана більш ніж на 300 лк.

Як джерела світла при штучному висвітленні повинні застосовуватися переважно люмінесцентні лампи типу ЛБ. Допускається застосування ламп накалювання у світильниках місцевого освітлення.

Для розрахунку штучного освітлення найчастіше використовують метод світлового потоку. Розрахунок за даним способом зводитися до визначення необхідної кількості світильників N для установки в приміщеннях, що визначається по формулі

Світловий потік (лм) однієї лампи або групи люмінесцентних ламп одного світильника:

де Ен=1000лк - нормована мінімальна освітленість по СНиП 23-05-95;=48м2 - площа освітлюваного приміщення;=1,2 - коефіцієнт нерівномірності висвітлення;з=1,8- коефіцієнт запасу, що залежить від виду технологічного процесу й типу застосовуваних джерел світла;=10 - число світильників у приміщенні;

ηі=i - коефіцієнт використання світлового потоку.

Коефіцієнт використання світлового потоку, що дав назву методу розрахунку, визначають по СНиП 23-05-95 залежно від типу світильника, відбивні здатності стін і стелі, розмірів приміщення, обумовлених індексом приміщення


де А=12м- довжина приміщення в плані

В=4м- ширина приміщення в плані;=2.5м - висота підвісу світильників над робочою поверхнею.= 48/(2.5(12+4))=1.2

Фк=1000*48*1.2*1.8/(20*1.2)=4320лм

По отриманому в результаті розрахунку світловому потоку за ДСТУ 2239-79 і ДСТУ 6825-91 вибираємо найближчу стандартну лампу й визначають необхідну електричну потужність. При виборі лампи допускається відхилення світлового потоку від розрахункового в межах 10...20 %.

Тип лампи ЛБ-58-7(58Вт)

За результатами проведених розрахунків можна зробити висновок про те, що небезпечні і шкідливі виробничі чинники, діючи в робочій зоні, знаходяться в межах допустимих норм і їх вплив на організм працюючих не приносить істотної шкоди здоров’ю.

6.3 Пожежна безпека


В системі заходів, направлених на охорону державної і особистої власності громадян, відвертання впливу на людей небезпечних чинників пожежі і вибуху, питання пожежної і вибухової безпеки займають важливе місце.

По класифікації по пожежній небезпеці лабораторія електроніки та мікросхемотехніки відносяться до категорії В (відповідно до СНиП 2.09.02-85), що характеризуються наявністю твердих горючих і тяжко горючих речовин і матеріалів, а також легкозаймистих матеріалів.

Виникнення пожежі в лабораторіях найбільше ймовірно із причин несправності електроустаткування, до яких ставляться: іскріння в місцях сполуки електропроводки, короткі замикання в ланцюги, перевантаження проводів й обмоток трансформаторів, перегрів джерел безперебійного харчування й інші фактори. Тому підключення до мережі необхідно робити через розподільні щити, що дозволяють робити автоматичне відключення навантаження при аварії.

Надійна робота окремих елементів й електронних схем у цілому забезпечується тільки в певних інтервалах температури, вологості й при заданих електричних параметрах. При відхиленні реальних умов експлуатації від розрахункових, також можуть виникнути вогненебезпечні ситуації.

Для гасіння пожеж на початкових стадіях широко застосовуються вогнегасники. По виду використовуваної вогнегасимої речовини вогнегасники підрозділяються на наступні основні групи:

-  пінні вогнегасники, застосовуються для гасіння палаючих рідин, різних матеріалів, конструктивних елементів й устаткування, крім електроустаткування, що перебуває під напругою;

-       газові вогнегасники застосовуються для гасіння рідких і твердих речовин, а також електроустановок, що перебувають під напругою.

У лабораторіях в основному використаються вуглекислотні вогнегасники, достоїнством яких є висока ефективність гасіння пожежі, схоронність електронного встаткування, діелектричні властивості вуглекислого газу, що дозволяє використати ці вогнегасники навіть у тому випадку, коли не вдається знеструмити електроустановку відразу.

Оскільки при загоряннях електроприлади можуть перебувати під напругою, то використати воду й піну для гасіння пожежі неприпустимо, оскільки це може привести до електричних травм. Іншою причиною, по якій небажане використання води, є те, що на деякі елементи неприпустиме влучення вологи. Тому для гасіння пожеж у розглянутому приміщенні можна використати або порошкові сполуки, або установки вуглекислотного гасіння. Але оскільки останні призначені тільки для гасіння невеликих вогнищ загоряння, то область їхнього застосування обмежена. Тому для гасіння пожеж у цьому випадку застосовуються порошкові сполуки, тому що вони мають наступні властивості: діелектрики, практично не токсичні, не роблять корозійного впливу на метали, не руйнують діелектричні лаки.

Для профілактики пожежної безпеки організується навчання виробничого персоналу (обов'язковий інструктаж із правил пожежної безпеки не рідше одного разу в рік), видання необхідних інструкцій з доведенням їх до кожного працівника установи, випуск і вивіска плакатів із правилами пожежної безпеки й правилами поведінки при пожежі. Також необхідна наявність планів, що інформують людей про розташування аварійних виходів з будинку у випадку виникнення пожежі, плану евакуації людей в аварійних ситуаціях.

ВИСНОВКИ

Поряд із впровадженням у діюче виробництво роботи відкривають широкі перспективи для створення принципово нових технологічних процесів, не пов'язаних з досить обтяжними обмеженнями, що накладають особистою участю в них людини. При цьому маються на увазі як дійсно дуже обмежені фізичні можливості людини (по вантажопідйомності, швидкодії, точності, повторюваності й т.п.), так і необхідна для нього комфортність умов праці (якість атмосфери, відсутність шкідливих зовнішніх впливів і т.д.). Сьогодні особиста участь людини в технологічному процесі найчастіше є серйозною перешкодою для подальшої інтенсифікації виробництва й створення відповідних нових технологій.

Роботи одержали найбільше поширення в промисловості й, насамперед, у машинобудуванні. Призначені для цієї мети роботи називають промисловими роботами (ПР). Не менш широкі перспективи мають роботи в гірничодобувній промисловості, металургії й нафтовій промисловості (обслуговування бурильних установок, монтажні й ремонтні роботи), у будівництві (монтажні, оздоблювальні, транспортні роботи), у легкій, харчовій, рибній промисловості.

В дипломній роботі був розглянутий промисловий робот «Електроніка НЦ ТМ-01», який був розроблений завантаження й вивантаження деталей при роботі на токарному верстаті. Даний робот має п’ять ступенів рухливості, які приводяться в рух за допомогою електромеханіки та електропневматичних розподільників. На його базі й розроблена система управління лабораторної установки, яка спрямована на підсилення практичних знань студентів з робототехніки та механотроніки. За допомогою лабораторної установки студенти мають можливість вивчення конструкції промислового роботу, принципу його функціонування, а також розглянути та застосувати різні види програмування роботу і методи його управління.

СПИСОК ЛІТЕРАТУРИ

1.     Белянин П. Н. Промышленные роботы. М., «Машиностроение», 1975. 400 с.

2.       Брага Н. Создание роботов в домашних условиях; пер. с англ. Е. А. Добролежина. - М. : НТ Пресс, 2007. - 368 с.: ил.

.        Вадим Мацкевич, Занимательная анатомия роботов, издательство «радио и связь», 1988.

.        Игловский И. Г., Владимиров Г. В., Справочник по слаботочным электрическим реле. - 3-е издание изд., пере раб. и доп. - Л.: Энергоатомиздат. Ленингр. отд-ние, 1990. - 560 с.: ил.

.        Источники электропитания радиоэлектронной аппаратуры: Справочник / Г. С. Найтвельт, К. Б. Майзель, Ч. И. Хусаинов и др.; Под ред. Г. С. Найвельта. - М.: Радио и связь, 1985. - 576 с., ил.

.        Куафе Ф. Взаимодействие робота с внешней средой: Пер. с франц. - М.: Мир, 1985 - 285 с, ил.

.        М.Л.Жмылевская, Б. В. Гришин. Мобильные и подвижные роботы, используемые в не машиностроительных отраслях: - М., ВНИИ-ТЭМР, 1991 - 280 с.

.        Накако Э. Введение в робототехнику: Пер. о япон. 1988. - 334 с, ил.

.        Предко М. 123 эксперимента по робототехнике / М. Предко ; пер. с англ. В. П. Попова. - М.: НТ Пресс, 2007. 544 с: ил.

.        Применение интегральных микросхем в электронной и вычислительной технике: Справочник/ Р. В. Данилов, С. А. Ельцова, Ю. П. Иванов и ДР.; Под ред.. Б. Н. Файзулаева, Б. В. Карабина. - М.: Радио и связь, 1986. - 384 с.: ил.

.        Проектирование и разработка промышленных роботов С. С. Аншин, А. В. Бабич, А. Г. Баранов и др.; Под общ. ред. Я- А. Шифрина, П. Н. Белянина. М.: Машиностроение, 1989. -272 с: ил.

.        Промышленная робототехника/А. В. Бабич, А. Г. Баранов, И. В. Калабин и др. Под ред. Я. А. Шифрина - М.: Машиностроение, 1982 - 415 с, ил.

.        Справочник по интегральным микросхемам/ Б. В. Тарабрин, С. В. Якубовский, Н. А. Барканов и др.; Под редакцией Б. В. Тарабрина. - 2-е изд., пере раб. и доп. - М.: Энергия, 1981. - 816с., ил.

.        Тимофеев А. В. Адаптивные робототехнические комплексы - Л.: Машиностроение. Ленингр. отделение, 1988. - 332 с: ил.

.        Фу К., Гонсалес Р., Ли К. Робототехника: Пер. с англ.- М.: Мир, 1989.- 624 с, ил.

.        Хорн Б. К. П. Зрение роботов: Пер. с англ. - М.: Мир, 1989. - 487 с

.        Шахинпур М. Курс робототехники. Пер. с англ.- М.: Мир, 1990. - 527 с

.        Шовкопляс Б. В. Микропроцессорные структуры. Инженерные решения: Справочник - 2-е изд. Перераб. и доп. - М.: Радио и связь, 1990. - 512с.: ил.

.        «Электроника НЦ ТМ-01» БЛОК УПРАВЛЕНИЯ ДЕМ 3.857.891-05 Альбом №7 Предприятие п-я А-7842 г. Воткинск 1985г.

.        «Электроника НЦ ТМ-01» ДЕМ 1.053.002 Альбом №1 Предприятие п-я А-7842 г. Воткинск 1985г.

.        «Электроника НЦ ТМ-01» МАНИПУЛЯТОР ЭЛЕКТРОМЕХАНИ-ЧЕСКИЙ Альбом №2 Предприятие п-я А-7842 г. Воткинск 1985г.

.        «Электроника НЦ ТМ-01» МЕХАНИЗМ ГОРИЗОНТАЛЬНОГО ПЕРЕМЕЩЕНИЯ Альбом №4 Предприятие п-я А-7842 г. Воткинск 1985г.

.        «Электроника НЦ ТМ-01» МЕХАНИЗМ ЗАХВАТА МЕХАНИЗМ ПОДЪЕМА ПРИВОД Альбом №3 Предприятие п-я А-7842 г. Воткинск 1985г.

.        «Электроника НЦ ТМ-01» МЕХАНИЗМ ПОВОРОТА Альбом №5 Предприятие п-я А-7842 г. Воткинск 1985г.

.        «Электроника НЦ ТМ-01» ПУЛЬТ УПРАВЛЕНИЯ БЛОК УПРАВЛЕНИЯ Альбом №6 Предприятие п-я А-7842 г. Воткинск 1985г.

.        «Электроника НЦ ТМ-01» УСТРОЙСТВО ПАРАЛЕЛЬНОГО ОБМЕНА Альбом №8 Предприятие п-я А-7842 г. Воткинск 1985г.

.        «Электроника НЦ ТМ-01» УСТРОЙСТВО ПОСЛЕДОВАТЕЛЬНОГО ПАРАЛЕЛЬНОГО ОБМЕНА Альбом №9 Предприятие п-я А-7842 г. Воткинск 1985г.

.        Юрєвич К. И. Основы робототехники. - 2-е изд., перераб. и доп. - СПб.: БХВ - Петербург, 2005. - 416 с: ил.

.        Янг Дж. Ф. Робототехника: Пер. с англ./Ред. М. Б. Игнатьев. - Л.: Машиностроение. Ленингр. отд-ние, 1979. - 300 с, ил.

Похожие работы на - Системи управління промисловим роботом на базі IBM-сумісного персонального комп’ютера

 

Не нашли материал для своей работы?
Поможем написать уникальную работу
Без плагиата!
Без нейросетей!