Информационная безопасность фирмы, занимающейся производством мебели
Информационная безопасность фирмы,
занимающейся производством мебели
Содержание
Введение
.
Анализ объекта защиты
.1
Характеристика предприятия и его деятельности
.2
Организационная структура управления предприятием
.3
Структурно-функциональная диаграмма организации бизнеса «КАК ЕСТЬ»
.4
Описание помещения компании
.5
Описание активов
.6
Перечень сведений, составляющих коммерческую (служебную) тайну
.7
Программная и техническая архитектура ИС на предприятии, использование их
функциональных возможностей. Обеспечение информационной безопасности
.
Разработка комплекса защитных мероприятий
.1
Разработка комплекса организационно - методологических методов для защиты
информации
.2
Система контроля и управления доступом на объект
.3
Система видеонаблюдения
.4
Система охранно-пожарной сигнализации. Основные характеристики
.5
Система противодействия экономическому шпионажу
.6
Комплекс защиты корпоративной сети
.
Описание проекта по защите информации
.1
Разработка и описание проекта защиты информации, плана-графика автоматизации и
сетевой модели задач
.2
Оценка стоимостных параметров проекта защиты информации
Заключение
Библиографический
список
Введение
В настоящее время в условиях сильной конкуренции многие компании
используют в борьбе за первенство методы промышленного шпионажа, пытаются
нарушить функционирование корпоративной сети конкурентов, устанавливают
слежение за руководящим составом предприятий. Поэтому в настоящее время
проблема информационной безопасности предприятия актуальна.
Целью работы является обеспечение нормального функционирования
предприятия по производству мебели путем обеспечения информационной
безопасности от возможных деструктивных воздействий.
Исходя из целей, сформулированы задачи проекта:
. Изучение деятельности предприятия «Первая мебельная компания»;
2. Описание бизнес-процессов предприятия;
. Выявить перечень сведений, потеря которых может принести
значительный ущерб предприятию;
. Описать возможные угрозы ИБ предприятия;
. Определить методы ми средства обеспечения ИБ на данном
предприятии.
В первой главе дается анализ объекта защиты, включающий в себя
характеристику деятельности предприятия, описание организационной структуры
предприятия, описание структуры локальной сети предприятия, перечня
программного и аппаратного обеспечения. Определен перечень сведений
представляющих особую ценность для предприятия.
Во второй главе осуществляется разработка комплекса мероприятий по
обеспечению ИБ, включает в себя решения: по организационным методам обеспечения
безопасности, по системе КУД, по системе видеонаблюдения, по системе
пожарно-охранной сигнализации, а также комплекса защиты корпоративной сети
предприятия.
В заключительной главе дается описание проекта по защите информации:
разработка план-графика внедрения и стоимость системы.
1. Анализ
объекта защиты
.1
Характеристика предприятия и его деятельности
Первая мебельная фабрика - ведущее предприятие мебельной отрасли. Год от
года компания перелистывает календарь своих достижений последних лет. История
фабрики насчитывает 6 десятилетий.
В 2005 году фабрика отметила свой юбилей. Фабрика создана в сентябре 1945
года. При рождении она получила название «Мебельная Фабрика № 1». В этой дате
заключен глубокий смысл и даже, можно сказать, нынешний престиж предприятия.
Первое мебельное предприятие города начало работать всего через 3 месяца
после окончания войны. Промышленность вставала на мирные рельсы, и фабрика
имела большой ассортимент мебели разного назначения и уровня исполнения - от
простых табуреток до раздвижных столов и буфетов. Здесь первыми в городе
освоили производство деревянных кроватей.
В 1956 году, в связи с экономическими новациями в государстве, фабрику
передали в подчинение Управлению местной промышленности и в качестве
обязательного ассортимента определили изготовление комплектующих деталей из
фанеры для других предприятий.
Фабрика утратила свое «мебельное лицо» и стала называться
«Древтехдеталь», а незатейливая мебель вроде тумбочек для больниц, игровых
столов для яслей-садов составляла лишь незначительную часть её продукции.
Новая эра производства наступила на фабрике в 1993 году, когда
предприятие было реорганизовано в акционерное общество и вернуло себе
историческое название «Первая мебельная фабрика». В кратчайшие сроки была
проведена полная замена видов выпускаемой продукции, и сегодня в активе фабрики
отличная мебель для кухни, прихожей, офиса, гостиниц. Коллекция постоянно
обновляется. Достигнут высокий уровень культуры производства.
В декабре 1996 года фабрика вступила в Союз мебельщиков - добровольное
некоммерческое объединение единомышленников. Генеральный директор А.Н. Шестаков
единогласно был избран Президентом Союза. Безусловно, это служит подтверждением
высокого статуса не только самого Александра Шестакова, но и руководимого им
предприятия. Можно с уверенностью утверждать, что Первая мебельная служит
моделью развития предприятия при безошибочно выбранных приоритетах. Фабрика
активно участвует в конкурсах и мебельных выставках, завоевывая при этом
призовые места и всевозможные награды.
В 1998 году введена в строй новая гибкая автоматизированная линия по
производству Фасадов из МДФ различной конфигурации, облицованной декоративными
ПВХ-пленками с широким спектром цветовой гаммы. Теперь «Первая мебельная
фабрика» не только сама не зависит от зарубежных поставщиков, но может
обеспечивать великолепными мебельными фасадами из МДФ как отечественных, так и
зарубежных производителей мебели.
В январе 1999 года фабрика первой из Санкт-Петербургских производителей
мебели участвовала в международной мебельный выставке в Кельне, где выступала
на равных с ведущими европейскими фирмами в составе экспозиции Гильдии
мебельщиков. С тех пор фабрика неоднократно участвовала в этом всемирном
форуме. Об удаче дебюта свидетельствует тот факт, что вся выставочная продукция
была раскуплена на месте.
В течение последних лет продукция фабрики была удостоена дипломами в
различных номинациях на российских мебельных выставках, в том числе дипломами
Министерства экономики РФ за лучшую российскую мебель.
год. Налажен выпуск фасадов из массива твердолиственных пород, а также
столешниц для рабочих поверхностей кухонной мебели и настенного покрытия.
год. Фабрика освоила выпуск погонажных изделий различной конфигурации. В
этом же году «Первая мебельная фабрика» явилась инициатором и главным инвестором
строительства крупнейшего мебельного центра Санкт-Петербурга - «Мебель-Сити».
год. Сдана вторая очередь ТК «Мебель-Сити», в 2003 - третья очередь.
В 2004 году введён в строй новый производственный комплекс фабрики в
Северо-Западной промышленной зоне Санкт-Петербурга.
Начато строительство торговых комплексов «Мебель-Сити-2»,
«Мебель-Сити-3», «Гарден-Сити».
В 2005 году сдана 1-я очередь ТК «Мебель-Сити-2»,
В 2006 году открыт в Лахте ТК «Гарден-Сити».
В 2007 году сдана 2-я очередь ТК «Мебель-Сити-2», продолжается
строительство ТК «Мебель Сити-3» и новой очереди производственного комплекса
фабрики.
В 2008 году продолжается строительство новой очереди производственного
комплекса «Первой мебельной фабрики» и ТЦ «МЕБЕЛЬ-СИТИ Москва».
В 2009 году идет подготовка к сдаче московского проекта и запуску новых
производственных площадей фабрики.
Фабрика ведет неуклонный курс на модернизацию процессов производства.
Завершено строительство и осуществлен запуск суперсовременного
производственного комплекса в Северо-Западной промышленной зоне
Санкт-Петербурга.
Разработку технологий для нового предприятия осуществила всемирно
известная немецкая консалтинговая фирма «Schuler Business Solutions».
Внедрение новых технологий повысило качественные характеристики мебели до
уровня европейских стандартов.
Вся продукция на «Первой мебельной фабрике» изготавливается из
высококачественных материалов. Прежде чем попасть на склад, все детали
подвергаются сложному технологическому процессу и проходят многоступенчатую
обработку.
«Первая мебельная фабрика» ведет неуклонный курс на модернизацию
процессов производства. Завершено строительство и осуществлен запуск
суперсовременного производственного комплекса в Северо-Западной промышленной
зоне Санкт-Петербурга. Разработку технологий для нового предприятия осуществила
всемирно известная немецкая консалтинговая фирма «Schuler Business Solutions».
Внедрение новых технологий повысило качественные характеристики мебели до
уровня европейских стандартов.
Одновременно с установкой современного конвейера на Первой мебельной
фабрике была произведена полная автоматизация процессов производства - теперь
данные прямо из салонов, в которых стоит программа трехмерного визуального
проектирования кухонь, поступают на автоматизированные обрабатывающие
комплексы. Готовые детали отправляются на предсборку, а оттуда на погрузочные
линии. Продукция грузится прямо в автомашины без использования лифтов и
дополнительных перегрузок.
В результате улучшается качество доставки, а, значит, и качество готовой
продукции. При производстве мебели мы используем петли австрийской фирмы Blum -
лидера европейского рынка производителей мебельных петель, дающего пожизненную
гарантию на безотказную работу в течение всего срока эксплуатации мебели.
Таблица
|
№
|
Наименование характеристики
|
Значение показателя на
определённую дату либо за период
|
|
1
|
Производство мебели
|
100 млн руб./год
|
|
2
|
Ремонт мебели
|
30 млн руб./год
|
|
3
|
Производство комплектующих
|
80 млн руб./год
|
1.2
Организационная структура управления предприятием
Схема организационной структуры представлена на рис. 1.1
Рис. 1.1 - Схема организационной структуры
Из схемы видно, что компания состоит из шести отделов:
1. Информационно-технический отдел - занимается установкой и
обслуживанием всего парка техник компании (компьютеры, станки, телефонное
оборудование, коммутационное оборудование, периферийное оборудование);
2. Отдел снабжения - отвечает за инвентаризацию имущества, за
снабжение отделов, в ведении отдела находятся складские помещения компании;
. Отдел продаж - занимается работой с клиентами компании,
оформлением заказов, поиском новых рынков сбыта;
. Отдел рекламы - занимается продвижением товара, исследованием
рынка, проведением маркетинговых акций;
. Производственный отдел - занимается производством продукции (как
конечной мебели, так и комплектующих), а также ремонтом мебели;
. Отдел безопасности - отвечает за безопасность компании
(сохранение коммерческой и служебной тайны).
1.3
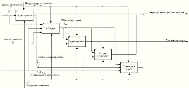
Структурно-функциональная диаграмма организации бизнеса «КАК ЕСТЬ»
Структурно-функциональная диаграмма организации компании представлена на
рис. 1.2 - 1.3.
Рис. 1.2 - Структурно-функциональная диаграмма организации компании
Рис. 1.2 - Структурно-функциональная диаграмма декомпозиции организации
компании
Как видно из рисунков входными потоками компании являются:
1. Заказы от клиентов - заказы на мебель, на комплектующие, на ремонт и
реставрацию мебели, данная информация попадает сотрудникам отдела продаж, а
также сотрудникам информационно-технического отдела для дополнения справочной
информации в БД клиентов;
2. Отзывы клиентов - отзывы клиентов о продукции, результаты
проведения маркетинговых исследований по выявлению потребностей клиентов,
данная информация поступает в отдел рекламы для обобщения и формирования
требований к новым моделям и изменениях в уже имеющихся моделях;
. Информация о материалах - новые виды материалов для производства
мебели, результаты мониторинга цен заказываемых материалов, а также информация
о наличии необходимых материалов у поставщиков, данная информация поступает в
отдел снабжения для формирования заявки на приобретение необходимых материалов,
в производственный отдел для выбора новых материалов для производства мебели, а
также в ИТ отдел для пополнения справочной информации о наименовании материалов
на складе;
Выходными потоками системы являются:
1. Перечень имеющейся продукции - информация для клиентов компании о
моделях мебели имеющейся на складе и о производимой продукции;
2. Программы, акции - выгодные предложения для клиентов,
разработанные отделом рекламы промо-акции для привлечения новых клиентов.
Управление распределением информационных потоков осуществляется
сотрудниками компании. Все сотрудники действуют согласно должностным
инструкциям.
Справочная информация, содержащаяся в БД доступна сотрудникам других
отделов. Формированием справочной информации занимается ИТ отдел компании.
1.4 Описание
помещения компании
План помещения компании представлен на рис. 1.3.
Рис. 1.3 - План помещения компании
Компания занимает одноэтажное здание, содержит 11 помещений:
. Каб. 1 - отдел безопасности;
2. Каб. 2 - отдел рекламы;
. Каб. 3 - ИТ отдел;
. Каб. 4 - отдел продаж;
. Каб. 5 - санузел;
. Каб. 6 - отдел снабжения комната персонала;
. Каб. 7 - кабинет директора и зал совещаний;
. Каб. 8 - отдел снабжения склад;
. Каб. 10 - производственный отдел цех;
. Каб. 11 - производственный отдел комната персонала.
Двери - входные двери - 3 шт. металлические; внутренние двери - 10 шт.
деревянные. Все двери оборудованы электронными замками со считывающими
устройствами для бесконтактных карт.
Окна - 5 шт. трехкамерные стеклопакеты, с внешней стороны решетка.
Стены здания - внешняя стена - 1 метр толщиной, кирпичная кладка;
внутренняя стена (несущая) - 0.5 метров толщиной, кирпичная кладка.
План прилегающей территории представлен на рис. 1.4.
Рис. 1.4 - План прилегающей территории
Как видно из рисунка территория завода окружена забором, на территорию
завода есть два въезда (КПП1 и КПП2). На территории завода находится помещение
завода и две автостоянки: для личного транспорта сотрудников завода и
служебного транспорта.
Система сигнализации - абонентская, коммутационная станция находится у
дежурного. Сигналы поступают с датчиков. Датчики установлены на всех дверях и
окнах, в каждой комнате. При уходе с работы помещения сдаются под охрану
сотрудниками отделов.
Система вентиляции - в помещениях производственного отдела используется
местная вытяжная вентиляция с искусственным побуждением (пылеуловители), так
как в помещениях большой уровень пыли. В остальных помещениях используется
местная вентиляция с естественным побуждением. Вентиляция в помещениях
бесканальная, вентиляторы установлены в стенах.
Система отопления - водяное центральное отопление от ТЭЦ. В каждом
помещении проходят трубы центрального отопления, к ним присоединены чугунные
радиаторы.
Система заземления - питающая сеть системы имеет точку, непосредственно
связанную с землей, а открытые проводящие части электроустановки присоединены к
заземлителю, электрически независимому от заземлителя источника питания. Точка
заземления находится на территории завода и не выходит за пределы забора.
Система электропитания здания строится по следующей схеме. Подведенный к
зданию от районной силовой подстанции кабель подключен к распределительному
щиту. В качестве электрического щита применен настенный электрический шкаф АВВ,
выполненный из металла. Шкаф укомплектован низковольтным автоматическим
выключателем Schneider Electric (Merlin Gerin). От щита силовой кабель
разводится по группам электропитания. Существует несколько типов групп:
средства вычислительной техники, бытовые электроприборы, осветительное
оборудование. Разводка силового кабеля по группам потребителей от щита
выполнялась в пластиковом кабельном канале (коробе) Legrand. Через каждые пять
метров он пересекается с лотками распределительного уровня. По ним отводится
отдельная группа кабелей электропитания и слаботочных кабелей к рабочим местам.
Для оптимального использования внутреннего лоточного пространства, силовые и
слаботочные кабели распределительного уровня монтировались в один лоток.
Разводка кабеля к розеточным группам и осветительному оборудованию
производилась в лотках распределительного уровня от распаечных коробок. От
лотка распределительного уровня силовой кабель в пластиковом кабельном канале
(коробе) опускается к рабочим местам.
1.5 Описание
активов
Опись активов предприятия представлена в таблице 1.1
Таблица 1.1 Опись активов предприятия
|
№
|
Наименование
|
Пользователь
|
Место нахождения
|
Важность
|
|
информационные активы
|
|
1
|
Список контрагентов
|
Отдел продаж
|
Сейф 1
|
высокая
|
|
2
|
Персональные данные сотрудников
|
Отдел безопасности
|
Сейф 2
|
высокая
|
|
3
|
Документация предприятия
|
Директор
|
Сейф 3
|
высокая
|
|
4
|
Документация технологии
производства
|
Производственный отдел
|
Сейф 4
|
средняя
|
|
активы программного
обеспечения
|
|
5
|
Лицензионное программное
обеспечение
|
ИТ отдел
|
Сейф 5
|
низкая
|
|
6
|
Файл учетных записей
пользователей сети
|
ИТ отдел
|
Сейф 5
|
средняя
|
|
физические активы
|
|
7
|
Компьютеры
|
Все отделы
|
кабинеты
|
низкая
|
|
8
|
Телефонные аппараты
|
Все отделы
|
кабинеты
|
низкая
|
|
9
|
Станки
|
Производственный отдел,
отдел снабжения
|
Каб. 8, каб. 10
|
низкая
|
|
услуги
|
|
10
|
Отопление
|
Все отделы
|
кабинеты
|
низкая
|
|
11
|
Освещение
|
Все отделы
|
кабинеты
|
низкая
|
|
12
|
Энергоснабжение
|
Все отделы
|
кабинеты
|
низкая
|
|
13
|
Связь
|
Все отделы
|
кабинеты
|
низкая
|
1.6 Перечень сведений, составляющих коммерческую (служебную) тайну
Перечень сведений, составляющих коммерческую тайну предприятия
представлена в таблице 1.2
Таблица 1.2 Перечень сведений
|
№
|
Наименование
|
Ущерб
|
Затраты
|
|
отдел продаж
|
|
1
|
Список контрагентов
|
100 млн руб./год
|
500 тыс. руб./год
|
|
отдел рекламы
|
|
2
|
Результаты маркетинговых
исследований
|
50 млн руб./год
|
1 млн руб./год
|
|
3
|
Политика продвижения товара
|
10 млн руб./год
|
5 млн руб./год
|
|
производственный отдел
|
|
4
|
Модели
|
40 млн руб./год
|
3 млн руб./год
|
|
5
|
Технология производства
|
80 млн руб./год
|
6 млн руб./год
|
|
отдел снабжения
|
|
6
|
Опись склада
|
40 млн руб./год
|
500 тыс. руб./год
|
|
информационно-технический
отдел
|
|
7
|
Учетные записи системы
|
60 млн руб./год
|
1 млн руб./год
|
|
отдел безопасности
|
|
8
|
Персональные данные
сотрудников
|
20 млн руб./год
|
500 тыс. руб./год
|
1.7
Программная и техническая архитектура ИС на предприятии, использование их
функциональных возможностей. Обеспечение информационной безопасности
тайна информация безопасность сеть
Схема локальной сети представлена на рис. 1.5
Схема программно-технической архитектуры представлена на рисунке 1.6.
Рис. 1.5 - Схема локальной сети
Рис. 1.6 - Схема программно-технической архитектуры
Как видно из рисунка рабочие станции объединены в локальную сеть через
свитч. На каждой рабочей станции стоит клиентское приложение для работы с БД
для получения справочной информации. БД установлена на сервере по управлением
СУБД MySQL. Через маршрутизатор осуществляется
доступ к сети интернет.
Спецификация оборудования:
1. Маршрутизатор CISCO
3640 (1 шт.)
|
Процессор
|
100-MHz IDT R4700 RISC
|
|
Flash-память
|
От 4 до 32-MB
|
|
Оперативная память
|
От 16 до 128-MB DRAM
|
|
Слоты для модулей
|
4
|
|
Консольный и AUX порты (до
115.2 Kbps)
|
Да
|
|
Монтируется на стену или в
RACK
|
Да
|
|
Сдвоенные слоты Type II
PCMCIA
|
Да
|
2. Рабочие станции DEPO Neos 230 W7_P/C450/1x1GDDR800/T80G/KB/Mo/CARE3
(16 шт.)
|
Процессор
|
Celeron
Processor 450 (2.2 GHz, 512K, 800 MHz)
|
|
Оперативная память
|
1 GB DDR2-800
|
|
Жесткий диск
|
100 GB SATA (7200 rpm)
|
|
Видеокарта
|
256 MB
|
|
Сетевая карта
|
Gigabit Ethernet
10/100/1000Base-TX
|
|
Клавиатура
|
Depo KWD-820
PS/2
|
|
Мышь
|
Depo mouse PS/2
Black
|
|
Блок питания
|
300 Вт
|
3. Сервер Xeon® 5500 (Nehalem) (1 шт.)
· Два четырехядерных процессора Intel® Xeon® 5500 (Nehalem)
· Поддержка технологии Hyper-threading - до 16-ти одновременных
вычислительных потоков
· Технология Turbo boost - повышение частоты процессора при
пиковой нагрузке
· Энергосберегающие режимы - снижение энергопотребления на 50%
в «холостом» режиме
· 32 GB памяти DDR3 1066/1333MHz, интегрированный в процессор
контроллер памяти
· Дисковая подсистема SAS или SATA, до 6-ти жестких дисков с
горячей заменой
· Возможность полного удаленного управления
· Резервирование по питанию с возможностью горячей замены
4. Принтер Brother HL-2170WR (8 шт.)
|
Тип принтера
|
лазерный
|
|
Цветность
|
монохромный
|
|
Разрешение
|
2400x600 dpi
|
|
Скорость печати (ч/б)
|
22 стр./мин.
|
|
Время выхода первой
страницы
|
Менее 10 секунд
|
|
Процессор
|
|
Процессор
|
181 МГц
|
|
Память
|
|
Память
|
32 Мб
|
|
Расходные материалы
|
|
Формат бумаги
|
A4
|
|
Плотность печатных
носителей
|
60-163 г/м2
|
|
Расходные материалы
|
Картриджи Brother: TN-2135/TN-2175. Фотобарабан DR-2175
|
|
Способы подключения и
соединения
|
|
Интерфейс
|
USB 2.0; RJ-45; WiFi
|
|
Управление бумагой
|
|
Емкость подающего лотка
|
250 л
|
|
Размеры и вес
|
|
Размеры
|
368x170x361 мм
|
|
Вес
|
6.8 кг
|
5. Сканер HP ScanJet G4010 (6 шт.)
· Тип сканирования: планшетный
· Разрешение при сканировании: до 4800 х 9600 dpi
· Скорость сканирования: 8,5 с
· Формат оригинала: макс. 21.6 x 31.1 см
· Габариты: 303 x 508 x 98 мм
· Вес: 4.4 кг
Программное обеспечение:
1. Windows 7 Professional RUS
2. Сервер Appache 1.3.41
. MySQL 5.0
2. Разработка
комплекса защитных мероприятий
.1 Разработка
комплекса организационно - методологических методов для защиты информации
Список документации по обеспечению ЗИ представлен в таблице 1.3
Таблица 1.3 Список документации
|
№
|
Наименование
|
Назначение
|
|
1
|
Инструкция о порядке
доступа автотранспорта на территорию предприятия
|
Инструкция для сотрудников
отдела безопасности на КПП
|
|
2
|
Инструкция о порядке
действий в случае срабатывания охранной сигнализации
|
Инструкция для сотрудников
отдела безопасности - дежурному
|
|
3
|
Инструкция о порядке
действий в случае срабатывания пожарной сигнализации
|
Инструкция для сотрудников
отдела безопасности - дежурному
|
|
4
|
Инструкция о порядке
действий в случае вирусной атаки на сервер предприятия
|
Инструкция для сотрудников
ИТ отдела - дежурному
|
|
5
|
Регламент проведения
периодической и экстренной смены учетных записей пользователей
|
Инструкция для сотрудников
ИТ отдела - инженерам
|
|
6
|
Инструкция по эксплуатации
системы видеонаблюдения
|
Инструкция для сотрудников
ИТ отдела и отдела безопасности
|
|
7
|
Инструкция по эксплуатации
системы КУД
|
Инструкция для сотрудников
ИТ отдела и отдела безопасности
|
2.2 Система
контроля и управления доступом на объект
Выбор и установка СКУД осуществлялась в соответствии с требованиями ГОСТ
Р 51241-98.
На предприятии установлена СКУД «Кронверк». Считыватели бесконтактных
карт доступа производства ЗАО «Системы контроля доступа». Преимущества:
1. современным дизайном;
2. низким энергопотреблением;
. влагозащищенностью;
. широким диапазонам рабочих температур (-40С .. +50С);
Считыватели изготавливаются серийно на современном высокотехнологичном оборудовании,
в связи с чем, имеют невысокую стоимость.
Из имеющегося модельного ряда считывателей был выбран - считыватель
бесконтактных карт формата EmMarin СКД-ЕМ-02. Модель СКД-ЕМ-02 имеет
увеличенную дальность считывания карт доступа - 10-15 см., что выгодно отличает
ее от других считывателей. Считыватель залит компаундом, что дает возможность
установки его вне помещений.
Характеристики:
1. Чтение карт формата EmMarin;
2. Дальность считывания: 10-15 см;
. Выходной интерфейс: Wiegand 26/40, Dallas(iButton);
4. Напряжение питания - 9-18 В;
. Габаритные размеры считывателя - 101X55X24 мм;
. Масса считывателя - 100 г;
. Удаленность считывателя от контроллера - 25 м;
. Диапазон рабочих температур от -40 до +50С.
Бесконтактных карты доступа и оформление карт доступа
Наиболее широко используются стандартные бесконтактные карты доступа,
которые могут быть оформлены в виде пропусков с помощью специальных
паучей-наклеек. Данный способ оформления удобен тем, что при увольнении
сотрудника пауч удаляется, и карта может быть выдана следующему сотруднику.
Оформление бесконтактных карт доступа в СКУД «Кронверк» производится при
помощи модуля программного обеспечения «Оформление пропусков», входящего в
комплект стандартной поставки базового программного обеспечения «Кронверк». С
помощью этого программного модуля возможно создание образа пропуска (фон,
расположение, логотип предприятия) и печать фотографии, личных и других данных
сотрудников из имеющейся базы данных СКУД «Кронверк». После распечатывания на
обычной бумаге (для цветных изображений желательно применение лазерных или
высококачественных струйных принтеров) пропуска вырезаются, вставляются в
карман пауча и запаиваются в ламинаторе. Для наклейки на карту доступа, на
готовом пауче удаляется защитный слой и производится прижим пауча к
бесконтактной карте доступа.
При необходимости высококачественного полноцветного оформления
бесконтактных карт доступа применяются карты доступа банковского формата, т.н.
«тонкие», или специальные пластиковые наклейки.
Печать на тонких картах или пластиковых наклейках возможна с помощью
специализированных термопринтеров, которые могут различаться по
производительности.
Если при увольнении сотрудника наклейка-пауч с его личными данными может
быть удалена, то при прямой печати на карте изображение удалить невозможно, и
карта уже не подлежит выдаче другому сотруднику.
Данный способ оформления рекомендуется применять для карт выдаваемых
руководителям или персоналу, работающему со сторонними организациями.
Для организации транспортных проходных представляет интерес активная
метка Vehicle ID Tag производства компании HID. Вместе со считывателем МХ5375
она обеспечивает дальность считывания до 2-х м.
СКУД «Кронверк» позволяет одновременное применение в рамках одной системы
как активной метки для проезда транспорта, так и более дешевых карт других
форматов (например, карт формата EmMarin) для использования на обычных
проходных для сотрудников.
Считыватели информации установлены на каждой двери компании, при этом
вход в помещение завода разрешен всем сотрудникам компании, а в кабинеты
отделов только сотрудникам этих отделов и директору. У каждого сотрудника на
шее висит карта БСК с фотографией, ФИО сотрудника и должности. Информация о
прошедших через ту или иную дверь сотрудников попадают в журнал событий и
отображаются на АРМ-сотрудника безопасности. На второй АРМ отдела безопасности
попадает информация с камер наблюдения.
Требования к СКУД
По функциональному назначению - устройства, преграждающие управляемые
(УПУ) в составе преграждающих конструкций и исполнительных устройств.
По виду перекрытия проема прохода УПУ - с полным перекрытием (сплошные
двери, ворота).
По способу управления - с полным управлением.
По способу управления системы КУД - централизованные (сетевые) -для
управления УПУ с обменом информацией с центральным пультом и контролем и
управлением системой со стороны оператора.
По количеству контролируемых точек доступа - малой емкости (менее 16
точек).
По функциональным характеристикам - системы с расширенными функциями.
По виду объектов контроля системы КУД - для контроля доступа физических
объектов.
По устойчивости к НСД - повышенной.
По устойчивости к разрушающим воздействиям - устойчивости к взлому.
Требования к функциональным характеристикам КУД с управлением:
1. регистрацию и протоколирование тревожных и текущих событий;
2. приоритетное отображение тревожных событий;
. управление работой УПУ в точках доступа по командам оператора;
. задание временных режимов действия идентификаторов в точках
доступа «окна времени» и уровней доступа;
. защиту технических и программных средств от несанкционированного
доступа к элементам управления, установки режимов и к информации;
. автоматический контроль исправности средств, входящих в систему,
и линий передачи информации;
. возможность автономной работы контроллеров системы с сохранением
контроллерами основных функций при отказе связи с пунктом централизованного
управления;
. установку режима свободного доступа с пункта управления при
аварийных ситуациях и чрезвычайных происшествиях (пожар, землетрясение, взрыв и
т.п.);
. блокировку прохода по точкам доступа командой с пункта
управления в случае нападения;
. возможность подключения дополнительных средств специального
контроля, средств досмотра.
2.3 Система
видеонаблюдения

Рис. 1.7 - Схема расположение камер системы видеонаблюдения на
прилегающей к зданию территории
Рис. 1.7 - Схема расположение камер системы видеонаблюдения внутри здания
Проектирование системы видеонаблюдения осуществлялось в соответствии с
требованиями ГОСТ Р 51558-2000. Система видеонаблюдения включает в себя 15
камер видеонаблюдения, расположение представлено на рис. 1.7-1.8.
Выбраны купольные камеры FlexiDomeVF VDC-345.
Характеристика:
1. Компактный, ударопрочный корпус (FlexiDomeXT+);
2. Превосходное качество видео в любых ситуациях;
. Разрешение 540/570 ТВЛ (цветные / ч-б модели);
. Питание постоянным или переменным током;
. Регулировка на 90° по вертикали;
. Удаленная настройка камеры через коаксиальный кабель.
Требуемые сцена и угол обзора камеры легко настраиваются при помощи
поворотно-наклонного механизма. Камеру можно поворачивать на 360° по
горизонтали и более чем на 90° по вертикали, что позволяет точно выбрать угол
установки. С помощью различных монтажных элементов камеру можно устанавливать
на стене, потолке, в углу.
Требования к системе видеонаблюдения
Функциональные характеристики:
1. телевизионный анализ изображений с помощью одной или нескольких ТК;
2. синтез телевизионных изображений, полученных от всех ТК;
. сопровождение цели;
. приоритетное отображение тревожных событий;
. сигнализация о несанкционированных действиях.
Система видеонаблюдения на предприятии «Первой мебельной компании»
относится к группе систем видеонаблюдения с расширенными функциями и
удовлетворяет требованиям, представленным в таблице 1.4.
Таблица 1.4 Требования к системам видеонаблюдения
|
Передача сигналов
|
+
|
|
Запись изображений в
следующих режимах:
|
|
- Режим длительного времени
записи
|
+
|
|
- Режим записи в реальном
времени
|
+
|
|
Автоматическое переключение
из режима длительного времени записи в режим записи в реальном времени при
получении извещения о тревоге и обратно в режим длительного времени записи по
истечении заданного времени.
|
+
|
|
Наличие аудиоканала
|
+
|
|
Одновременная запись на
один видеонакопитель изображений или изображений и звука2) от
нескольких ТК
|
+
|
|
Одновременная запись текущего
изображения или изображения и звука и воспроизведение ранее записанных
изображений или изображений и звука2)
|
+
|
|
Откат видеограмм
(видеофонограмм)
|
+
|
|
Вывод стоп-кадра на
отдельный видеомонитор без остановки записи
|
|
- вручную оператором
|
+
|
|
- автоматически при
переходе системы в состояние тревоги
|
+
|
|
Управление и коммутация
видеосигналов
|
|
Наличие энергонезависимой
памяти для хранения установленных параметров при пропадании напряжения
питания
|
+
|
|
Организация нескольких
пунктов автономной охраны
|
+
|
|
Передача информации на
устройства сбора информации или ЭВМ
|
+
|
|
Автоматическое
сопровождение цели
|
+
|
|
Управление фокусным
расстоянием объектива и диафрагмой (электронным затвором)
|
|
- ручное
|
+
|
|
- автоматическое
|
+
|
|
Компенсация:
|
|
- прямых засветок объектива
|
+
|
|
- засветок цели сзади
|
+
|
|
Автоматический контроль
работоспособности ТС СОТ и линий передачи информации с выдачей сигнала
«авария» или «тревога» при неисправном состоянии системы
|
+
|
|
Резервирование
электропитания СОТ
|
+
|
|
Переключение из состояния
наблюдения в состояние охраны:
|
|
|
- ручное
|
+
|
|
- автоматическое
программируемое
|
+
|
|
Вывод на экран
видеомонитора служебной информации
|
+
|
|
Состояние наблюдения
|
|
- текущее время
|
+
|
|
- текущая дата
|
+
|
|
- номер и/или имя
телекамеры
|
+
|
|
- режим записи
|
+
|
|
Состояние охраны
|
|
-дата и время перехода
системы в состояние тревоги
|
+
|
|
-текстовые указания
оператору и план зоны, в которой произошло тревожное событие5)
|
+
|
|
-планы охраняемых зон
|
+
|
2.4 Система
охранно-пожарной сигнализации
Система охранно-пожарной сигнализации представлена совокупностью
датчиков-извещателей и панели управления. Схема размещения датчиков и панели
управления представлена на рис. 1.9
Рис. 1.9 - Схема размещения датчиков и панели управления
На схеме квадратом желтого цвета обозначена панель управления, кругами
красного цвета датчики пожарной сигнализации, кругами синего цвета датчики
охранной сигнализации.
Панель управления UEZ 2000 (Bosch) используется для объектов средней
величины (площадью от 6.000 до 12.000 м2, в зависимости от модели).
Подключение периферийных элементов осуществляется через локальную систему
безопасности LSN. Возможности технологии LSN допускают установку в одних
кольцах\линиях как элементов охранной, так и элементов пожарной сигнализации.
Дополнительно, с помощью специальной технологии (SRT) могут быть объединены в
единую систему до 6 станций UEZ 2000 LSN.
Основные
характеристики
1. На основе базовой модели можно реализовать функции как охранной
сигнализации, так и пожарной сигнализации.
2. Возможно произвольное комбинирование LSN-элементов любых типов
на одной станции и пульте управления.
. При использовании кольцевой топологии, система сохраняется
полную работоспособность при коротком замыкании или разрыве кольца.
. Подключение 8 колец или 16 линий (т.н. «тупиковых ветвей»).
. Подключение до 508-и LSN-элементов.
. Автоматическое управление.
. Защита от ложных срабатываний: программируемая задержка подачи
сигнала тревоги; программируемая зависимость двух датчиков или двух групп
датчиков (для пожарной сигнализации).
. Автоматическая подача запроса о сервисе при загрязнении
датчиков.
. 127 групп датчиков.
. До 99 датчиков в одной группе (до 99-ти подадресов).
. 5 постоянных и 19 свободно программируемых выходов управления
внутри станции.
. Закрытая система передачи информации между станциями (внутри
SRT-кольца).
Техническая характеристика системы SRT
1. Можно объединить до 6-ти станций UEZ 2000 в одно кольцо.
2. Централизованный и децентрализованный вариант установки.
. Возможность использования экономичного способа подключения
станций - по 4-проводному кабелю (до 1000 м).
. Большая дальность действия через модем или световод LWL.
. Высокая надежность благодаря помехоустойчивому режиму при
возникновении короткого замыкания или обрыва.
. При возникновении неисправностей посылается сигнал тревоги на
все станции.
. Возможно установить одну или несколько систем удаленной передачи
сигналов.
. Вся информация доступна на любом пульте управления.
. Возможно использование общего и единого для всех пультов
управления.
. Обладает всеми техническими характеристиками UEZ 2000.
. Можно подключить 48 колец LSN или 96 линий (или их комбинацию).
. До 508 групп датчиков.
. до 2032 LSN-элементов.
. Каждая центральная станция может иметь встроенную панель
управления и\или принтер.
. Возможность установки до 4 отдельных пультов управления BE 1000
на каждую станцию.
. Закрытый обмен данными в рамках кольца-SRT.
Пожарные извещатели серии FAP-520 компании Bosch Security Systems
сочетают в себе преимущества технологии LSN improved и эстетический вид благодаря
возможности установки заподлицо и выбора цвета. Извещатели легко подключаются к
модульной пожарной панели FPA-5000 с существенно расширенными параметрами
системы LSN. FAP-520 выпускается в версиях пожарного извещателя, работа
которого основана на измерении рассеянного света или мультисенсорного
извещателя с дополнительным газовым датчиком. Эти версии извещателей могут быть
белыми или прозрачными с цветными тонированными вставками.
Функции
Благодаря плоскому дизайну и возможности установки заподлицо извещатели
FAP-520 можно устанавливать в помещениях с повышенными требованиями к стилю
интерьера. Кроме того, пожарные извещатели пригодны для установки в помещениях
с повышенной пылевой нагрузкой.
Извещатели и накладные кольца в варианте «полупрозрачные с цветными
вставками» поставляются в комплекте с наборами цветных колец, окрашенных с
обеих сторон. Цветовые варианты насчитывают 16 цветов, обеспечивая сочетание
практически с любым интерьером.
Технология детектирования и обработки сигнала
Все извещатели серии FAP-520 оборудованы двумя оптическими датчиками и
датчиком загрязнения. Мультисенсорный извещатель FAP-OC 520 имеет газовый
датчик как дополнительный контрольный канал.
Отдельные датчики могут быть запрограммированы при помощи программного
обеспечения RPS или WinPara через сеть LSN. Все сигналы датчиков постоянно
анализируются внутренними электронными средствами оценки характеристик сигнала
и связываются друг с другом посредством алгоритмов.
Извещатель OC, совмещающий использование оптических и газовых датчиков,
может также применяться в тех местах, где в результате производственного
процесса в воздухе имеются небольшие количества дыма, пара или пыли.
Тревожный сигнал будет сформирован автоматически, только если комбинация
сигналов будет соответствовать совокупности характеристик места установки,
которая была выбрана во время конфигурации. Благодаря этому достигается высокий
уровень надежности и уменьшается вероятность ложной тревоги.
При достижении 50% порога срабатывания сигнализации подается сигнал предварительной
тревоги (отображается в базе данных событий в пожарной панели).
Оптический датчик (детектор дыма)
Работа оптического датчика основана на методе рассеянного света.
Светодиоды испускают свет под определенным углом в рабочую область под извещателем.
В случае возникновения пожара свет рассеивается частицами дыма и попадает
на фотодиоды, которые преобразуют количество света в пропорциональный
электрический сигнал. Эффекты интерференции от дневного и искусственного
освещения фильтруются оптическим фильтром дневного света, электронным способом
и при помощи синфазного выпрямления.
Различные светодиоды и фотодиоды датчика управляются электроникой
извещателя индивидуально. Более этого, проверка достоверности различных
сигналов позволяет определить ошибки в анализе электроники и светодиодов.
Для
оповещения сотрудников компании в коридоре расположены звуковые извещатели. MAGIC.SENS (Bosch)
1. Уровень звукового давления до 100 дБ(А)
2. Надежные, компактного размера с современным дизайном
. Рабочее напряжение 9 или 28 В постоянного тока
. Большая надежность и долговечность
. 11 различных вариантов тонов (Включая DIN tone)
. Для открытых и скрытых кабелей питания
Сигнальные звуковые извещатели MAGIC.SENS компании Bosch security Systems
- являются акустическими сигнальными устройствами, служащие для подачи сигнала
тревоги непосредственно в месте возгорания.
Функции
Электронный генератор тональных сигналов, встроенный в основание, может
генерировать 11 различных тонов (включая DIN-тон). Варианты тонового сигнала
включают различные типы сирен, различные сигналы для пожарной сигнализации, и
другие специальные модуляции. В зависимости от типа тона, установленной
громкости звука, и рабочего напряжения, уровень звукового давления колеблется
между 87 дБ(А) и 100 дБ(А).
Замечания по установке/размещению
Пожарные извещатели MAGIC.SENS предназначены для применения внутри
помещений. Потребляемый ток зависит от типа тонового сигнала. Максимум 20 мА.
Сирена продолжает звучать в течение приблизительно 1 минуты после отключения в
случае срабатывания сигнализации.
2.5 Система
противодействия экономическому шпионажу
Список и местоположение категорированных помещений, подлежащих оснащению
системой противодействия экономическому шпионажу:
1. Каб. 1 - отдел безопасности;
2. Каб. 2 - отдел рекламы;
. Каб. 3 - ИТ отдел;
. Каб. 4 - отдел продаж;
. Каб. 6 - отдел снабжения комната персонала;
. Каб. 7 - кабинет директора и зал совещаний;
. Каб. 11 - производственный отдел комната персонала.
Определение категорированных каналов связи, подлежащих защите:
выделенные каналы, предназначенные для передачи особо секретной
информации - телефон директора предприятия;
каналы, по которым передается конфиденциальная информация - телефонная
линия в здании между отделами.
Площадь защищаемых помещений объекта 392 кв. м.
Стены здания - внешняя стена - 1 метр толщиной, кирпичная кладка;
внутренняя стена (несущая) - 0.5 метров толщиной, кирпичная кладка.
Двери - входные двери - 3 шт. металлические; внутренние двери - 10 шт.
деревянные. Все двери оборудованы электронными замками со считывающими
устройствами для бесконтактных карт.
Окна - 5 шт. трехкамерные стеклопакеты, внешняя поверхность стекла с
защитным рифлением, с внешней стороны решетка. Тамбур - 1, расстояние между
дверями - 2 метра.
Высота потолков 2.8 м оштукатуренные, пожаростойкие со звукоизоляцией.
Все помещения в здании кроме кабинета директора примыкают к стенам.
Организация контроля и управления доступом на объект в целом и в
выделенные помещения. На объект сотрудники попадают через СКУД по имеющимся у
них БСК. В выделенные помещения могут входить только сотрудники соответствующих
отделов и директор. На склад может входить только начальник склада, директор и
лица их сопровождающие.
Имеющиеся на объекте средства связи: на предприятии функционирует
внутренняя телефонная сеть и линия городской телефонной сети.
Телефонная сеть состоит из АТС CORAL FlexiCom фирмы TADIRAN TELECOM и 16
телефонных аппаратов FlexSet 120S.
АТС CORAL FlexiCom, производства Tadiran Telecom, представляют из себя
мощную универсальную коммутационную платформу, гибкую с точки зрения
архитектуры ее аппаратного и программного обеспечения, обладающую открытой
модульной структурой, технологической цельностью и многофункциональностью.
Система имеет программное управление, обеспечивает поддержку сети ISDN
(Integral Services Digital Network), а также включает такие компоненты, как
автоматическое коммутирование вызова (Automatic Route Selection), голосовое
оповещение (Voice Messaging) и два вида передачи информации: коммутацию пакетов
(Packet Data Transport) и коммутацию каналов (DSO Channeled Data Transport). В
системе Coral используется 32-х разрядный главный процессор, снабженный
высокоэффективным программным обеспечением, обеспечивающим управление вызовами.
Система построена по принципу децентрализованной обработки данных, причем
каждая периферийная электронная плата и каждый цифровой телефонный аппарат
снабжены процессорами.
Благодаря универсальности и гибкости конструкции, система Coral может
работать как обычная АТС, гибридная станция, станция Centrex, обесценивая
многолинейное обслуживание и коммутацию кнопочных телефонов, или же, как
коммутационный сервер в компьютерной среде.
Характеристики телефона FlexSet 120S
1. 12 программируемых кнопок;
2. Дисплей 24x3;
. Многофункциональные клавиши;
. Спикерфом.
Схема внутренней телефонной сети представлена на рис. 1.9.
Система электропитания и освещения: Подведенный к зданию от районной
силовой подстанции кабель подключен к распределительному щиту. В качестве
электрического щита применен настенный электрический шкаф АВВ, выполненные из
металла. Шкаф укомплектован низковольтным автоматическим выключателем Schneider
Electric (Merlin Gerin). От щита силовой кабель разводится по группам
электропитания. Существует несколько типов групп: средства вычислительной
техники, бытовые электроприборы, осветительное оборудование. Разводка силового
кабеля по группам потребителей от щита выполнялась в пластиковом кабельном
канале (коробе) Legrand. Через каждые пять метров он пересекается с лотками
распределительного уровня. По ним отводится отдельная группа кабелей
электропитания и слаботочных кабелей к рабочим местам. Для оптимального
использования внутреннего лоточного пространства, силовые и слаботочные кабели
распределительного уровня монтировались в один лоток. Разводка кабеля к
розеточным группам и осветительному оборудованию производилась в лотках
распределительного уровня от распаечных коробок. От лотка распределительного
уровня силовой кабель в пластиковом кабельном канале (коробе) опускается к
рабочим местам.
Рис. 1.9 - Схема внутренней телефонной сети
Система заземления: питающая сеть системы имеет точку, непосредственно
связанную с землей, а открытые проводящие части электроустановки присоединены к
заземлителю, электрически независимому от заземлителя нейтрали источника
питания. Точка заземления находится на территории завода и не выходит за
пределы забора.
Система охранно-пожарной сигнализации представлена совокупностью
датчиков-извещателей и панели управления. Датчики расположены во всех
помещениях и коридоре, а панель управления в отделе безопасности.
Наличие специальных технических средств защиты информации: генератор шума
в кабинете директора и зале заседаний.
Описание обстановки вокруг объекта защиты: территория завода окружена
забором с колючей проволокой, на территории завода имеется 2 автостоянки,
насаждений на территории завода нет.
Описание соседних строений: на территории завода нет других помещений.
Наличие и удаленность автостоянки: 30 метров до стоянки личного
автотранспорта, 25 метров до стоянки служебного автотранспорта.
Архитектурные или технические особенности защищаемых помещений,
особенности расположения помещений внутри здания - большинство помещений
примыкают к внешним стенам, многие помещения не имеют окон.
Система вентиляции на объекте - местная вентиляция без воздуховодов,
вмонтированная в стену.
Система отопления - центральное отопление, чугунные радиаторы, водный
носитель тепла.
Имеющаяся оргтехника: холодильники - 10 шт., микроволновые печи - 8 шт.,
электрочайники - 10 шт., кондиционеры - 8 шт.
Имеющаяся бытовая техника: телевизоры - 9 шт. Samsung TX 390.
2.6 Комплекс
защиты корпоративной сети
Объекты, подлежащие оснащению комплексом защиты корпоративной сети: БД
компании, защита компьютеров сети от вирусов.
Решаемые комплексом защиты проблемы контроля несанкционированного доступа
к БД компании. Доступ к БД ограничен для сотрудников компании, так возможность
изменения, удаления справочных данных предоставлена только администратору БД ИТ
отдела. Разграничение доступа к БД осуществлено средствами СУБД. Ввод
информации в БД разрешен сотрудникам отделов только в соотвествующие
информационные таблицы. В системе действует функция журналирования. Также в
конце дня осуществляется резервирование БД.
Разграничение доступа к рабочим станциям осуществляется средствами
операционной системы. Администратор сети ИТ отдела дает сотрудникам отделов
соответсвующий набор полномочий.
Порядок назначения прав по доступу к критичным ресурсам: к критичным
ресурсам имеют доступ только администратор БД и администратор сети.
Наличие ответственного администратора: безопасность БД - администратор
БД, безопасность сети - администратор сети.
Расположение критичной информации - сервер БД, находится в помещении ИТ
отдела, закрыт в корпусе с электронным замком.
Наличие систем электронного документооборота: в компании нет систем ЭДО.
Наличие критичных для предприятия процессов электронной обработки и
передачи данных: за пределы предприятия не уходит во внешнюю сеть никакая критичная
информация.
Возможность круглосуточной работы: в конце рабочего дня сервер БД
отключается.
Карта сети:
количество и тип серверов: сервер БД, ОС Windows 7 Professional, СУБД MySQL, серверное ПО Apache.
количество и тип рабочих станций: DEPO Neos 230
W7_P/C450/1x1GDDR800/T80G/KB/Mo/CARE3 (16 шт.), ОС Windows 7 Professional RUS, пакет Office 2007, применяются для работы с
документацией, для работы с БД;
используемые сетевые протоколы: ТСP/IP.
Указать на схеме сегменты и способы их соединения: рабочие станции
объединены в сеть через свитч, доступ локальной сети к интернету осуществляется
через маршрутизатор Cisco.
Защита персональных компьютеров от НСД аудит, разграничение доступа
осуществлен средствами СУБД и средствами ОС.
Системы авторизации - средствами СУБД и средствами ОС.
Антивирусная защита - пакет DrWeb.
Средства архивирования, режим их работы - резервное копирование БД
средствами СУБД.
Системы протоколирования действий пользователей - средствами СУБД и
средствами ОС.
Криптографическая защита - не применяется.
Средства системного аудита - средствами ОС.
Системы мониторинга сети - средствами ОС.
Защита вычислительной техники от взлома, краж - организационными методами
(пропускной режим, видеонаблюдение) сотрудниками отдела безопасности.
Возможности дальнейшего расширения путем добавления - разработка
информационного портала компании.
Необходимость и условия совместимости с существующими системами
автоматизации учета, технологического процесса на объектах - на предприятии
также функционирует пакет 1С, но обособленно.
Наличие сертификата соответствия РФ на все применяемое оборудование:
программные средства и ПО используемое на предприятии не проходило
спецпроверок.
Смета оснащения объекта комплексом защиты корпоративной сети, комплекс защиты
реализован с помощью средств ОС, СУБД и пакета DrWeb, следовательно, стоимость комплекса защиты включена в
стоимость аппаратного и программного обеспечения предприятия.
3. Описание
проекта по защите информации
.1 Разработка
и описание проекта защиты информации, плана-графика автоматизации и сетевой
модели задач
Список задач представлен на рис. 1.10
Рис. 1.10 - Список задач
Описание перечня задач:
1. Монтаж СКС - прокладка пластиковых коробов для кабелей и проведение
в них кабелей;
2. Монтаж СКУД - установка на всех дверях электронных замков со
считывающими устройствами для БСК;
. Монтаж системы видеонаблюдения - установка камер в кабинетах,
коридоре и на входах, а также терминала для наблюдения в кабинете отдела
безопасности;
. Монтаж пожарно-охранной сигнализации - установка датчиков
охранной сигнализации на все двери и окна, датчиков пожарной сигнализации в
каждом кабинете, а также панели управления сигнализацией в комнате отдела
безопасности;
. Монтаж ЛВС - установка сервера и рабочих станции в кабинетах;
. Установка ПО - установка ОС на рабочие станции, СУБД на сервер
БД, установка офисного пакета и антивирусных программ. Создание учетных записей
и набора полномочий;
. Проверка работоспособности систем - проверка сотрудниками
компании и специалистами работы всех систем.
Сетевой график представлен на рис. 1.11
Рис. 1.11 - Сетевой график
Диаграмма Ганта представлена на рис. 1.12
Рис. 1.12 - Диаграмма Ганта
Все работы выполняются после монтажа СКС. Проверка работоспособности
систем после завершения всех работ.
3.2 Оценка
стоимостных параметров проекта защиты информации
Перечень ресурсов представлен на рис. 1.12.
Рис. 1.12 - Перечень ресурсов
Конечная стоимость проекта, равна сумме стоимости материальных ресурсов
188800 руб. (трудозатраты) + 1760000 руб. (материалы) = 1948800 рублей.
Инвестиционный план проекта представлен в таблице 1.4
Таблица 1.4 Инвестиционный план
|
Наименование статьи
расходов
|
Количество единиц или
человеко-часов
|
Затраты
|
|
Оплата услуг фирмы по
монтажу СКС
|
480 чел/час
|
48000
|
|
Оплата услуг фирмы по
монтажу СКУД
|
З60 чел/час
|
28800
|
|
Оплата услуг фирмы по
монтажу системы видеонаблюдения
|
200 чел/час
|
24000
|
|
Оплата услуг фирмы по
монтажу сигнализации
|
800 чел/час
|
72000
|
|
Оплата услуг фирмы по
монтажу ЛВС
|
192 чел/час
|
19200
|
|
Покупка кабелей и коробов
для СКС
|
300 метров кабеля, 200
метров пластиковый короб
|
40000
|
|
Покупка видеокамер и
терминала для системы видеонаблюдения
|
19 камер, 2 терминала
|
450000
|
|
Покупка считывателей для
БСК и терминала
|
16 считывателей, 1 терминал
|
500000
|
|
Покупка датчиков и панели
управления
|
16 датчиков пожарной
сигнализации, 22 датчика охранной сигнализации, 1 панель управления
|
360000
|
|
Рабочие станции и сервер
|
16 РС, 1 сервер
|
340000
|
|
Программное обеспечение
|
Антивирус, ОС, СУБД
|
70000
|
|
Обслуживание системы
видеонаблюдения
|
Проверка работоспособности,
устранение неполадок
|
35000 руб./год
|
|
Обслуживание системы СКУД
|
Проверка работоспособности,
устранение неполадок
|
30000 руб./год
|
|
Обслуживание системы
сигнализации
|
Проверка работоспособности,
устранение неполадок
|
55000 руб./год
|
Заключение
В ходе курсового проектирования был разработан проект обеспечения ИБ на
Первой мебельной фабрике, позволяющая в полной мере обеспечить защиту
информации от НСД.
Результаты решения инженерной задачи позволили уменьшить вероятность
раскрытия коммерческих тайн предприятия.
В первой главе пояснительной записки осуществлено изучение предметной
области, а именно: оргштатной структуры предприятия, существующих
бизнес-процессов, определен перечень информации потеря которой может принести
ущерб предприятию.
Во второй главе разработан комплекс мероприятий по обеспечению ИБ,
включающий в себя решения: по организационным методам обеспечения безопасности,
по системе КУД, по системе видеонаблюдения, по системе пожарно-охранной
сигнализации, а также комплекса защиты корпоративной сети предприятия.
В заключительной главе дается описание проекта по защите информации:
разработка план-графика внедрения и стоимость системы.
Полученные результаты полностью соответствуют поставленному заданию на
курсовое проектирование. Цель работы можно считать достигнутой, поставленную
задачу решенной.
Полученные результаты предполагается использовать на ОАО «Первая
мебельная фабрика».
Дальнейшее развитие системы возможно в следующем направлении: создание
защищенного интернет-портала предприятия. Создание данной подсистемы позволит
уменьшить время обслуживания клиентов на этапе приема заявок от клиентов и даст
возможность быстрого обновления каталога продукции для клиентов.
Библиографический
список
. Липаев В.В. Информационная безопасность. - М.: Финансы и
статистика, 1983. - 463 c.
. Борзенко А. и др. Компьютерная азбука - Компьютер-пресс. -
1996. - № 11. - 124-130 c.
. Смирнова Г.Н. и др. Основы информационной безопасности:
Учебник / Под ред. Ю.Ф. Тельнова. - М.: Финансы и статистика, 2002 - 512 с.
. Информационные системы в экономике: Учебник / Под ред.
проф. В.В. Дика - Москва.: Финансы и Статистика, 1996. - 272 стр.: ил..;
. Козлова Е.П., Парашутин Н.В., Бабченко Т.Н., Галанина Е.Н.
Безопасность корпоративных систем.-2-е изд., доп. - Москва.:Финансы и
статистика, 1997.- 576 стр.: ил.
. ГОСТ Р 50862-96 «Сейфы и хранилища ценностей. Требования и
методы испытаний на устойчивость к взлому и огнестойкость».
. ГОСТ Р 51241-98 «СРЕДСТВА И СИСТЕМЫ КОНТРОЛЯ И УПРАВЛЕНИЯ
ДОСТУПОМ».
. ГОСТ Р 51558-2000 «СИСТЕМЫ ОХРАННЫЕ ТЕЛЕВИЗИОННЫЕ ОБЩИЕ
ТЕХНИЧЕСКИЕ ТРЕБОВАНИЯ И МЕТОДЫ ИСПЫТАНИЙ».
. ГОСТ Р 50739-95 «ЗАЩИТА ОТ НЕСАНКЦИОНИРОВАННОГО ДОСТУПА К
ИНФОРМАЦИИ»
. ФЗ от 27 июля 2006 г. N 149-ФЗ «Об информации,
информационных технологиях и о защите информации».