Синтез регуляторов якорного канала системы автоматического управления с подчинённым регулированием тока якоря

  • Вид работы:
    Курсовая работа (т)
  • Предмет:
    Информатика, ВТ, телекоммуникации
  • Язык:
    Русский
    ,
    Формат файла:
    MS Word
    396,2 Кб
  • Опубликовано:
    2012-09-10
Вы можете узнать стоимость помощи в написании студенческой работы.
Помощь в написании работы, которую точно примут!

Синтез регуляторов якорного канала системы автоматического управления с подчинённым регулированием тока якоря

МИНИСТЕРСТВО ОБРАЗОВАНИЯ РЕСПЕБЛИКИ БЕЛАРУСЬ

УЧРЕЖДЕНИЕ ОБРАЗОВАНИЯ

ГОМЕЛЬСКИЙ ГОСУДАРСТВЕННЫЙ ТЕХНИЧЕСКИЙ УНИВЕРСИТЕТ ИМЕНИ П.О. СУХОГО

Факультет автоматизированных и информационных систем

Кафедра: «Автоматизированный электропривод»

РАСЧЁТНО-ПОЯСНИТЕЛЬНАЯ ЗАПИСКА

к курсовой работе

по дисциплине: «Теория автоматического управления»

на тему: «Синтез регуляторов якорного канала САУ с подчинённым регулированием тока якоря»

Исполнитель: студент гр. ЭП-31

Сидоренко С.М.

Руководитель: доцент, к.т.н.

Козлов А.В.






Гомель 2012

СОДЕРЖАНИЕ

Введение

1. Функциональная схема рассчитываемого канала

2.       Структурная схема канала регулирования и анализ технического задания

.        Синтез регуляторов

3.1 Синтез регулятора тока (ТО)

.2 Синтез регулятора скорости (ТО)

4. Статический расчёт заданных каналов регулирования САУ

5.       Синтез электрических схем регуляторов САУ

.        Динамический расчет САУ

6.1 Расчет переходных процессов в САУ

.2 Анализ качества настройки регулятора

7. Принципиальная электрическая схема якорного канала регулирования

Заключение

Литература

ВВЕДЕНИЕ

синтез регулятор якорный канал электрический

В данной курсовой работе необходимо углубить и закрепить ранее полученные знания теоретического материала на примере синтеза регуляторов, статического и динамического расчетов. В ходе выполнения работы будут синтезированы электрические схемы регуляторов для канала управления по якорю за счет увеличения сигнала задания якорного канала от минимального до номинального значения. Канал управления по якорю имеет два контура регулирования: внешний контур регулирования скорости (с обратной связью по частоте вращения от тахогенератора BR) и внутренний контур регулирования тока якоря. Выше сказанные каналы необходимо синтезировать на CО. На основании результатов расчета сделать выводы о правильности синтеза структуры регуляторов и расчета их параметров, то есть проверить качество настройки регуляторов.

1. ФУНКЦИОНАЛЬНАЯ СХЕМА РАССЧИТЫВАЕМОГО КАНАЛА ЯКОРЯ

В ходе выполнения курсовой работы необходимо синтезировать электрические схемы регуляторов для якорного канала двухзонной САУ с подчинённым регулированием тока якоря и возбуждения, функциональная схема, которой представлена на рис. 1.1.

В функциональной схеме заданной САУ обозначено:

АS - задатчик интенсивности, определяющий темп нарастания (убывания) частоты вращения электродвигателя при пуске (торможении);

AR - регулятор скорости двигателя;

АА1- регулятор тока якоря электродвигателя;

AU - СИФУ;

L1 -сглаживающий дроссель тиристорного преобразователя;

М, LM - регулируемый электродвигатель постоянного тока и его обмотка возбуждения;

BR, LBR - тахогенератор и его обмотка возбуждения;

RS- шунт, являющийся измерителям тока якоря;

UA - датчик тока якоря, служащий для гальванической развязки и согласования силовых и управляющих электрических цепей;

ALA- функциональный блок-ограничитель тока якоря;

Rзс, Rзтя - резисторы, служащие для подачи сигналов задания скорости, тока якоря;

Rс, Rтя - резисторы, служащие для подачи сигналов обратной связи по скорости, току якоря;

Rф, Сф - пассивный фильтр.

Данная САУ позволяет увеличивать частоту вращения электродвигателя по одной зоне. Со стороны якорной цепи электродвигателя за счёт увеличение сигнала задания якорного канала Uзад1 от минимального до номинального значения можно увеличивать угловую скорость двигателя от минимальной до номинальной величины. При этом канал возбуждения поддерживает магнитный поток на номинальном уровне.


2. СТРУКТУРНАЯ СХЕМА КАНАЛА РЕГУЛИРОВАНИЯ И АНАЛИЗ ТЕХНИЧЕСКОГО ЗАДАНИЯ

Из общей линеаризованной схемы двузонной САУ с подчинёнными контурами регулирования тока якоря и возбуждения электропривода постоянного тока вычерчиваем только якорный канал регулирования (рис.2.1).

Канал управления электроприводом по якорю имеют два контура регулирования: внешний контур регулирования скорости с обратной связью по частоте (от тахогенератора) и подчинённый ему внутренний контур регулирования тока якоря с обратной связью по току якоря (от шунта и датчика тока).

Выпишем известные (заданные индивидуальным вариантом) и рассчитаем неизвестные параметры для передаточных функций на структурной схеме рис.2).

Номинальные технические данные электродвигателя:

PN = 1,3 кВт - мощность;

nN = 600 об/мин - скорость;

MN = 20.6 Н·м - момент;

UЯН = 47 В - напряжение якоря;

IЯН = 35 А - ток якоря;

RЯ = 0,282 Ом - сопротивление обмотки якоря;

ТЯ = 3,62 мс - постоянная времени якоря;

IВN = 6 А - ток возбуждения;

UВN = 47 В - напряжение возбуждения;

ТВ = 2,7 мс - постоянная времени возбуждения;

ТВТ = 2 мс - постоянная времени вихревых токов;

КЕ = 58 В·с/рад·Вб - постоянная электрическая;

= 0.043 кг·м2 - электромеханическая постоянная времени;

KФN·WB = 6·10-4 Вб·А-1 - постоянная магнитного потока.

Номинальные технические данные преобразователей и датчиков:

ТТП = 3.6 мс - постоянная времени СИФУ и запаздывание ТП;

RТР = 8.6 мОм - сопротивление токоограничивающего реактора;

LТР = 0.135 мГн - индуктивность токоограничивающего реактора;

RСР = 32 мОм - сопротивление сглаживающего реактора;

LСР = 0,25 мГн - индкутивность сглаживающего реактора;

КТГ = 30 мВ·об/мин = 3,142·10-3 В·рад/с - коэффициент передачи тахогенератора;

ТТГ = 2.9 мс - постоянная времени тахогенератора;

ТДТЯ = 1.8 мс - постоянная времени датчика тока;

ТДН = 4.5 мс - постоянная времени датчика напряжения;

UЗАД1 = 8 В - задающий сигнал скорости;

UЗТ = 3 В - задающий сигнал тока;

UОС = 2.5 В - сигналы обратных связей;

Определение недостающих данных:

угловая скорость


Коэффициенты передач сравнивающих устройств:

;

;

;

;

- индуктивность якоря


- коэффициент передачи структурной схемы двигателя постоянного тока


момент инерции якоря;


момент инерции нагрузки

-

суммарный момент инерции


суммарная постоянная времени сглаживающего и токоограничивающего реакторов;

 

суммарное сопротивление сглаживающего и токоограничивающего реакторов

 -

суммарная индуктивность сглаживающего и токоограничивающего реакторов;

 

суммарная электромеханическая постоянная времени;

 

коэффициент обратной связи по скорости

;

коэффициент передачи фильтра

;

постоянная времени тахогенератора и фильтра

;

коэффициент обратной связи по скорости;

 

Рис. 2.1. Линеаризованная структурная схема якорного канала

3. СИНТЕЗ РЕГУЛЯТОРОВ

Синтез регуляторов ведётся последовательно от внутреннего контура к внешнему контуру, в связи с этим будем первоначально синтезировать регулятор тока якоря.

3.1 Синтез регулятора тока (СО)

Свернём обратную связь по дросселю:


Сделаем замену:

;

.

Перенесём точку разветвления обратной связи по ЭДС к точке разветвления обратной связи по току и отобразим преобразованную схему на рис. 3.1.

Рис. 3.1. Схема со свёрнутой обратной связью по дросселю

Свернём обратную связь по ЭДС:


Определим параметры апериодического звена второго порядка:

Найдем корни характеристического уравнения:


Получим выражение вида:

Приведя его к стандартному виду звеньев, получим:


Выделим из общей схемы контур тока и отобразим на рис.3.2

Рис. 3.2. Схема контура тока

Так как ТТП и ТДТЯ - малые постоянные времени, а T - большая, то её следует компенсировать в регуляторе тока.

Передаточная функция регулятора тока с учётом, что :

;

где

.

3.2 Синтез регулятора скорости (СО)

Свернём контур тока:


Пренебрежём форсирующим звеном и постоянными времени при четвёртой, третьей и второй степени:


Подставим полученную передаточную функцию в исходную схему:

Передаточная функция регулятора скорости с учётом, что :


где

.

Подставим полученные регуляторы в исходную схему:

Рис. 3.4. Схема с регуляторами

4. СТАТИЧЕСКИЙ РАСЧЁТ ЗАДАННЫХ КАНАЛОВ РЕГУЛИРОВАНИЯ САУ

После синтеза регуляторов производят расчёт САУ в установившемся режиме, т.е. статический расчёт. Статический расчёт производят с целью получения статической характеристики электропривода, расчёта недостающих коэффициентов передачи, определение статической ошибки и других технических показателей.

Статический расчёт производят по структурной схеме в установившемся режиме, который получается при р=0. Данную замену можно производить с условием, что не будет деления на ноль, и умножение на 0 передаточной функции.

Произведём статический расчёт для канала  и полученную преобразованную структурную схему с учётом, что  и  представим на рис. 4.1.

Рис. 4.1. Схема для статического расчёта по каналу

Свернём обратную связь по дросселю:

Перенесём точку разветвления обратной связи по ЭДС к точке разветвления обратной связи по току и свернём обратную связь по ЭДС:


Свернём контур тока и пренебрежём постоянной времени при второй степени:


Свернём контур скорости:


Итоговая передаточная функция будет иметь вид:

Так как , то угловая скорость в установившемся режиме будет:


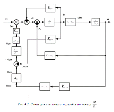
Произведём статический расчёт для канала  и полученную преобразованную структурную схему с учётом, что  и  представим на рис. 4.2.


Свернём обратную связь по дросселю:

Перенесём точку разветвления обратной связи по току к точке разветвления обратной связи по ЭДС и свернём обратную связь по ЭДС:

Полученную структурную схему отобразим на рис. 4.3


Объединим обратную связь потоку и по скорости:

Полученную структурную схему отобразим на рис. 4.4


Свернём обратную связь:

Так как , то угловая скорость в установившемся режиме будет неизменной, т.е. угловая скорость в установившемся режиме не будет зависеть от скачков напряжения в сети:

5. СИНТЕЗ ЭЛЕКТРИЧЕСКИХ СХЕМ РЕГУЛЯТОРОВ САУ

Составим электрическую схему регулятора тока, состоящую из двух апериодических, двух интегрирующих звеньев и ПИ - регулятора:

Рассчитаем параметры регулятора тока:

Примем , тогда


Примем , тогда

 

Принимаем ;

Примем , тогда


Примем , тогда


Примем , тогда

 

Составим электрическую схему регулятора скорости, состоящего из безынерционного звена и ПИ - регулятора:

Рассчитаем параметры регулятора скорости:

Примем , тогда


Примем , тогда

 

Принимаем ;

Произведём перерасчёт коэффициентов и постоянных времени:



6. ДИНАМИЧЕСКИЙ РАСЧЁТ САУ

6.1 Расчет переходных процессов в САУ

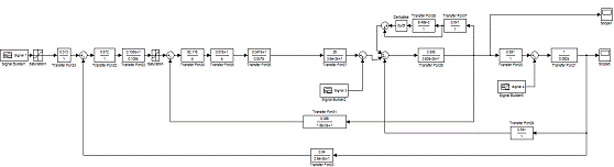
Расчёт переходных процессов в САУ по управлению и по возмущению будет производиться на ЭВМ при использовании программы Matlab/Simulink.

В задании сказано, что:

Относительный скачок момента нагрузки - 0,07;

Относительный скачок сетевого напряжения - 0,08.

Переходные процессы в САУ будем выводить в виде циклограммы по следующим условиям:

. ,

,

,

.

. ,

,

,

.

. ,

,

,

.

. ,

,

,

.

. ,

,

,

.

Для расчёта будем использовать схему, изображенную на рис. 2.1.

Рис. 6.1. Схема для расчета в Matlab/Simulink

Переходные процессы тока и скорости отобразим на рис.6.2 и рис.6.3.

Рис. 6.2. Переходные процессы контура тока

Рис. 6.3. Переходные процессы контура скорости

6.2 Анализ качества настройки регулятора

После расчёта переходных процессов можно оценить правильность синтеза структуры регуляторов и расчёта их параметров, т.е. оценить качество настройки регуляторов. Оптимизация на симметричный оптимум (СО) должна давать отсутствие статических ошибок по управлению и возмущению, перерегулирование σ% = 43,4%, время регулирования tрег ≤ 33 ∙ Тμ.

Эти показатели можно взять за контрольные и путём сравнения их с полученными по переходным процессам, сделать вывод о качестве настройки регуляторов.

На рисунках 6.2 - 6.5 представлены рассчитанные переходные процессы в канале регулирования электродвигателя со стороны якоря.

Определим время регулирования(СО):

tрег1 = 33 ∙ Тμ1 = 33 ∙ 0.012 = 0,385с;

tрег2 = 33 ∙ Тμ2 = 33 ∙ 0,026 = 0,866с.

Из полученных нами переходных характеристики внутреннего и внешнего контура видно, что σ1%=42,8%, σ2%=22%, tрег1=0,3с, tрег2=0,8с.

Как видно из полученных данных, перерегулирование находится в пределах допустимого для СО. Быстродействие контуров тока и скорости также соответствуют требуемым.

Исходя из выше сказанного, можно сделать вывод о том, что регуляторы рассчитаны корректно и в соответствии требуемым показателям САУ.

Рис. 6.4. Переходной процесс контура тока по заданию

Рис. 6.5. Переходной процесс контура скорости по заданию

7. ПРИНЦИПИАЛЬНАЯ ЭЛЕКТРИЧЕСКАЯ СХЕМА ЯКОРНОГО КАНАЛА РЕГУЛИРОВАНИЯ

Принципиальная электрическая схема якорного канала регулирования представлена на рис. 7.1. Она состоит из:

задатчика интенсивности, выполненного на двух операционных усилителях DА1 и DА2 с RC-элементами в прямых и обратных связях на базе компаратора;

датчика рассогласования по скорости, выполненного на операционном усилителе DA4 с R9, R10 в прямой и R8 в обратных связях;

регулятора скорости, синтезированного на базе безынерционного и ПИ-звена(DA4, DA5);

ограничителя, выполненного на операционном усилителе DA6 с диодами VD1 и VD2, источниками опорного напряжения Еоп1 и Еоп2, построечными резисторами RP1 и RP2,сопротивлениями прямого канала и обратной связи Rогр1, Rогр2;

датчика рассогласования по току, выполненного на операционном усилителе DA7 (Rзтя, Rсу2);

регулятора тока якоря, синтезированного на базе безынерционного, форсирующего, двух интегрирующих звеньев и ПИ-звена (DA8-DA12);

фильтра Ф1, включённого в обратной связи по скорости и состоящего из Rф, Сф, RP3;

датчика тока на операционном усилителе DA12 и шунта Rш.

Так как стандартные сопротивления имеют погрешность 10%, то для точной настройки регуляторов будем применять подстроечные резисторы.

Рис. 7.1. Принципиальная электрическая схема якорного канала регулирования

ЗАКЛЮЧЕНИЕ

В данной курсовой работе были углублены и закреплены ранее полученные знания теоретического материала на примере синтеза регуляторов, статического и динамического расчетов. В ходе выполнения работы были синтезированы электрические схемы регуляторов для канала управления по якорю за счет увеличения сигнала задания якорного канала от минимального до номинального значения. Канал управления по якорю имеет два контура регулирования: внешний контур регулирования скорости и внутренний контур регулирования тока якоря. Выше сказанные каналы синтезированы на симметричный оптимум (СО). На основании результатов расчета делаем вывод о правильности синтеза структуры регуляторов и расчета их параметров, то есть о том, регуляторы настроены качественно.

На заключительном этапе курсовой работы была составлена принципиальная электрическая схема якорного канала управления.

ЛИТЕРАТУРА

1. Луковников В.И., Захаренко В.С. Практическое пособие №2430 к курсовому проектированию по дисциплине «Теория автоматического управления» для студентов специальности Т.11.02.01 - Гомель: ГГТУ, 1999. - 61с.

Похожие работы на - Синтез регуляторов якорного канала системы автоматического управления с подчинённым регулированием тока якоря

 

Не нашли материал для своей работы?
Поможем написать уникальную работу
Без плагиата!
Без нейросетей!