Электропривод грузоподъемных машин
Содержание
Введение
Технические
данные и технические условия
.
Расчетная часть
.1
Расчет мощности двигателя
.2
Выбор двигателя и системы электропривода
.3
Выбор элементов силовой части электропривода
.4
Расчет доводочной скорости
.5
Построение нагрузочной диаграммы и тахограммы работы двигателя
.6
Проверка двигателя по пусковым условиям и теплу
.7
Механические характеристики ЭП
.8
Расчет годовой производительности двигателя
Библиографический
список
Введение
Перемещение грузов, связанное с грузоподъемными
операциями, во всех отраслях производства, на транспорте и в строительстве
осуществляется грузоподъемными машинами. Грузоподъемные машины служат для
погрузочно-разгрузочных работ, перемещения грузов в технологической цепи
производства или строительства. Грузоподъемные машины с электрическими
приводами имеют широкий диапазон использования, что характеризуется интервалом
мощностей до 1500кВт и более.
Электропривод большинства грузоподъемных машин
характеризуются кратковременным режимом работы при большой частоте включений,
широким диапазоном регулирования скорости и постоянно возникающих значительных
перегрузок при разгоне и торможении механизма.
Шахтные подъемные машины являются одним из
наиболее ответственных механизмов в оборудовании рудных и угольных шахт.
Качество работы подъемной установки в значительной степени определяет
производительность шахты, так как через установку проходит весь поток полезных
ископаемых и пород. Ствол шахты является наиболее дорогой частью сооружения,
поэтому создавать резервные подъемные установки в параллельных стволах является
не целесообразным. Таким образом, можно отметить, что от шахтной подъемной
установки требуются высокая производительность, надежность в работе,
долговечность и простота обслуживания. Кроме того, установка должна быть
экономичной как по капитальным затратам, так и в период эксплуатации. Этим же
требованиям должно удовлетворять и электрооборудование шахтной подъемной
установки.
Шахтные подъемные установки в подавляющем
большинстве случаев выполняются с двумя подъемными клетями или скипами, одна из
которых поднимает груз, другая опускается в порожнем состоянии.
Технические данные и технические
условия
|
-
Диаметр барабана подъемной машины
|
|
|
-
Передаточное число редуктора
|
|
|
-
КПД механической передачи
|
|
|
-
Вес полезного груза
|
|
|
-
Вес клети
|
|
|
-
Вес одного метра троса
|
|
|
-
Длина разгрузочного участка
|
|
|
-
Вес барабана подъемной машины
|
|
|
-
Диаметр направляющих шкивов
|
|
|
-
Вес направляющих шкивов
|
|
|
-
Номинальная скорость подъема
|
|
|
-
Скорость выхода на разгрузочную кривую
|
|
|
-
Ускорение при подъеме
|
|
|
-
Ускорение при торможении, не более
|
|
|
-
Скорость ревизионного осмотра
|
|
|
-
Время разгрузки подъемника
|
|
|
-
Мощность шахты
|
|
|
-
Точность останова клети
|
|
|
-
Количество рабочих дней в году
|
|
|
-
Продолжительность смены
|
|
|
-
Диаметр инерции барабана подъемной машины
|
|
|
-
Диаметр инерции направляющих шкивов
|
|
|
-
Сеть переменного тока
|
|
1. Расчетная часть
Кинематическая схема подъёмной машины
.1 Расчет мощности двигателя
Расчет мощности произведем исходя из следующих
соображений:
Количество циклов в час:
Время цикла:
Время пуска:
Время торможения:
Время движения с установившейся
скоростью:
Путь, пройденный с установившейся
скоростью:
Общая высота подъема:
Принимаем общую высоту подъема:
Определим статические моменты
полезного груза, клети, троса:
Из кинематической схемы видно, что
существует четыре режима работы подъемника:
1. Подъем номинального груза.
. Подъем без груза.
. Одновременный подъем и опускание
груза.
. Опускание груза номинального.
Рассмотрим все четыре режима.
.Статический момент при подъеме номинального
груза в начале движения:
Статический момент при подъеме
номинального груза в конце движения:
Средний статический момент:
. Статический момент при подъеме
пустой клети в начале движения:
Статический момент пустой клети в
конце движения:
Среднеквадратичный статический
момент клети:
.Статический момент в данном случае
равен :
.Статический момент при спуске
номинального груза в начале движения:
Статический момент при спуске
номинального груза в конце движения:
Средний статический момент:
Механизмы двухконцевых лебедок имеют
значительные динамические нагрузки, которые существенно влияют на нагрев двигателя.
В соответствии с этим суммарный момент инерции:
,
Где
- коэффициент запаса, учитывающий
неизвестный на предварительных расчетах момент инерции двигателя.
- момент инерции механизма,
приведенного к валу двигателя.
Момент инерции механизма,
приведенного к валу двигателя:
Суммарный момент инерции:
Радиус привидения:
Угловые ускорения при подъеме:
Угловые ускорения при торможении:
Определим моменты двигателя при
пуске и торможении с учетом
и
:
. Момент двигателя при пуске с
грузом на подъем:
Момент двигателя при торможении с
грузом на подъем:
2. Момент двигателя при пуске с
пустой клетью:
Момент двигателя при торможении с
пустой клетью:
. Момент двигателя при пуске с
грузом на спуск:

Момент двигателя при торможении на
спуск:
Эквивалентирование по теплу проведем
методом эквивалентного момента. Рассчитаем моменты для случаев (1), (3), так
как там механизм максимально загружен:
Продолжительность включения
двигателя:
Двигатель работает в продолжительном
режиме S1.
Номинальная скорость двигателя:
Требуемая мощность двигателя:
.2 Выбор двигателя и системы
электропривода
При анализе технического задания
можно сделать вывод:
Требование точной остановки и
ограничение ускорений являются важнейшими технологическими требованиями,
предъявляемыми к электроприводу данного механизма при его цикловой
автоматизации. Условия точной остановки определяют требуемый диапазон
регулирования скорости, а требование ограничения ускорений определяет
необходимые динамические качества электропривода. Наиболее сложные требования к
электроприводу предъявляются при цикловой автоматизации высокопроизводительных
подъемно-транспортных машин, обладающих большими рабочими скоростями. К
электроприводу таких установок предъявляются высокие требования:
в отношении регулирования скорости
(электропривод должен обладать достаточным быстродействием при изменении
скорости и обеспечить регулирование скорости в требуемом диапазоне);
жесткие требования в отношении
поддержания постоянства и ограничения ускорения, изменение которого вызывают
существенное увеличение цикла и соответствующее снижение производительности
установки;
должен обеспечить надежное
ограничение момента и тока двигателя допустимыми значениями как в переходных
процессах пуска и торможения, так и при механических перегрузках.
Для выполнения всех этих требований
необходимо использовать систему электропривода, обладающей высокой
управляемостью. К таким системам относятся электроприводы, выполненные по
системе Г-Д или ТП-Д. В этих системах используются двигатели постоянного тока.
Система Г-Д обладает хорошими
регулировочными характеристиками, и высоким уровнем срока службы. Однако
необходимо использовать более одной электрической машины, при их применении
возникает необходимость в больших помещениях, что является основным условием,
ограничивающим их применение. Кроме того, система Г-Д требует регулярного
обслуживания и повышенных затрат на профилактический уход.
Система ТП-Д является весьма близким
аналогом системы Г-Д, где вместо электромашинного преобразователя постоянного
тока используется тиристорное устройство, представляющее собой один или два
выпрямителя с регулируемым напряжением за счет изменения угла открытия
тиристоров. Система ТП-Д обладает хорошими регулировочными свойствами, высокими
быстродействием, отсутствием дополнительных реверсирующих устройств. Исходя из
сравнительных характеристик систем, выбираем систему ТП-Д, которая нашла
большое применение в отечественной и зарубежной практике.
Выбираем двигатель постоянного тока
4П-450-22-550-У3 рассчитанного на питание от тиристорного преобразователя.
Технические данные:
|
Номинальная
мощность, кВт
|
550
|
|
Номинальное
напряжение, В
|
600
|
|
Номинальный
ток, А
|
850
|
|
Номинальная
частота вращения, об/мин
|
500
|
|
Максимальная
частота вращения, об/мин
|
1400
|
|
Динамический
момент инерции кг/м2
|
35
|
|
КПД,
%
|
91,6
|
|
Сопротивление
якоря, Ом
|
0,57
|
Пересчет моментов для всех режимов работы с
учетом момента инерции двигателя.
Суммарный момент инерции:
Минимальный суммарный момент
инерции:
Максимальный суммарный момент
инерции:
1. Момент двигателя при пуске с
грузом на подъем:
Момент двигателя при торможении с
грузом на подъем:
. Момент двигателя при пуске с
пустой клетью:
Момент двигателя при торможении с
пустой клетью:
. Момент двигателя при пуске с
нагруженными клетями:
Момент двигателя при торможении с
нагруженными клетями:
4.Момент двигателя при пуске с
грузом на спуск:
Момент двигателя при торможении с
грузом на спуск:
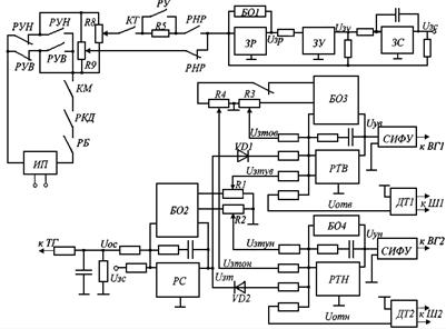
Функциональная схема СУЭП.
Схема системы подчинённого
регулирования тока и скорости изображена на рисунке 2. Система управления электроприводом
имеет двухконтурную структуру подчинённого регулирования тока и скорости.
Контур регулирования тока содержит два автономных канала регулирования и
измерения тока с ПИ - регуляторами РТВ и РТН, каждый их которых управляет одной
вентильной группой. На входы регуляторов тока подаются сигналы отрицательной
обратной связи по току UОТВ
и UОТН с датчиков тока
ДТ1 и ДТ2 и по три заданных сигнала: уравнительного тока Uзтув
и UЗТУH
c потенциометров R1
и R2, получающих
питание от блока ограничения Б02 регулятора скорости; начального тока двигателя
UЗТОВ и UЗТОН
с потенциометров RЗ и R4
на период, предшествующий снятию механического тормоза при пуске, и тока
двигателя UЗТ с выхода
регулятора скорости РС, причём напряжение U3T
благодаря разделительным диодам VD1
и VD2 поступает к
регулятору тока лишь той вентильной группы, которая работает при заданном
направлении тока двигателя. Полярность сигналов задания уравнительного и
начального токов соответствует выпрямительному режиму работы вентильных групп.
Ограничение выходного напряжения регуляторов тока осуществляется блоками БО3 и
БО4. Блоки ограничения построены на стабилитронах.
Регулятор скорости PC
обладает передаточной функцией ПИ - звена и настроен на симметричный оптимум.
Так как присутствие статизма может снизить производительность позиционного
механизма, настройка на технический оптимум не применима. В системе,
настроенной на технический оптимум (П-регулятор), при регулировании скорости
возникает статическая ошибка, которая вызывает разброс установившейся скорости
движения. В результате возникает ошибка по пути замедления, что увеличивает
время дотягивания, поэтому привод настраивается на симметричный оптимум. За
счёт повышения коэффициента усиления разомкнутого контура в низкочастотной
области как установившаяся динамическая ошибка при линейном изменении задания,
так и ошибка по нагрузке равны нулю. Однако в связи с инерционностью ПИ -
регулятора скорости в начале процесса накапливается переходная динамическая
ошибка, которая оказывается близкой установившейся динамической ошибке при
линейном нарастании задания в системе с П-регулятором скорости. Эта
накопившаяся ошибка отрабатывается системой с повышенным ускорением - скорость
электропривода «догоняет» линейно нарастающий задающий сигнал. Использование в
системе задатчика скорости второго рода приводит к существенному уменьшению
перерегулирования по ускорению. ПИ-регулятор скорости обеспечивает абсолютно
жёсткую механическую характеристику.
Оптимальная тахограмма
процессов пуска и торможения с ограничением ускорения и рывка формируется
комбинированным задатчиком интенсивности, который состоит из последовательно
соединённых задатчиков рывка ЗР, ускорения ЗУ и скорости ЗС. Задатчик рывка
представляет собой операционный усилитель с релейной характеристикой. Ограничение
выходного напряжения U3P
задатчика рывка обеспечивается блоком Б01. Темп изменения выходного напряжения
задатчика ускорения U3y
определяется лишь настройкой задатчика и не зависит от напряжения U3P.
Направление изменения U3y
определяется полярностью U3P.
Задатчик скорости собран по схеме интегратора, поэтому темп и направление
изменения его выходного напряжения U3C
зависят от значения и полярности U3y.
В качестве датчика скорости используется тахогенератор. Источником сигнала для
датчиков тока служат шунты с номинальным током и номинальным падением
напряжения. В цепи задающего напряжения, поступающего от источника питания ИП,
включены контакты реле защитных блокировок. Реле РУВ и РУН своими контактами
определяют полярность задающего напряжения, а следовательно, и направление
движения. Включенное реле нормальной работы РНР соответствует выбору режима
движения клети с рабочей скоростью. При пуске включается реле Р1, которое
подключает вход ЗР к источнику задающего напряжения, и реле РУ, которое своим
замыкающим контактом шунтирует добавочный резистор R5
и обеспечивает таким образом задание рабочей скорости. При подходе клети к
месту остановки РУ отпадает и вводит в цепь задающего напряжения резистор R5.
Уменьшается сигнал задания скорости и привод переходит на пониженную скорость.
Контактор КТ управляет электромагнитом тормоза ЭМТ. Реле РКД контролирует
замкнутое состояние контактов блокировочных устройств: канатов, дверей шахты,
кабины и т.д. РБ - блокировочное реле, оно включается в начале каждого рейса с
помощью реле пуска, если замкнуты контакты цепи защитных блокировок
электрооборудования.
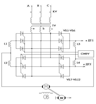
1.3 Выбор элементов силовой части
электропривода
двигатель электропривод
грузоподъемный тахограмма
Схема силовых цепей электропривода
показана на рисунке 3. Двигатель получает питание от реверсивного ТП,
собранного по мостовой встречно-параллельной схеме. Принцип управления
тиристорными группами совместно-согласованный. Для ограничения уравнительных
токов в схеме имеются уравнительные реакторы
. Связь ТП с сетью осуществляется
посредством трехфазного трансформатора. Подключение ТП к сети осуществляется
через автоматический выключатель
. Цепь возбуждения питается от
источника постоянного напряжения 220В.
Выбор трансформатора.
Типовая мощность трансформатора
определяется по формуле с учетом коэффициентов:
- коэффициент запаса по напряжению.
- коэффициент, учитывающий падение
напряжения на вентилях при коммутации.
Выбираем трансформатор трехфазный
силовой серии ТМ: ТМ-630/10
630
|
|
Напряжение
на первичной обмотке, В
|
6000
|
|
Напряжение
на вторичной обмотке, В
|
600
|
|
Номинальная
частота питающей сети, Гц
|
50
|
Выбор тиристоров.
- коэффициент запаса по току.
- коэффициент запаса по напряжению.
Средний ток через вентиль для
трехфазной мостовой схемы:
Максимальное обратное напряжение на
вентиле:
Выбираем тиристор марки: Т153-800:
,
Выбор автоматического выключателя.
Ток автомата, при котором произойдет
выключение в случае К.З. или перегрузке:
Выбираем автоматический выключатель
марки: A3732Б
250(А)
Выбор тормоза.
Момент тормоза:
Выбор уравнительных реакторов.
- коэффициент пульсации
уравнительного тока.
Амплитудное значение напряжения:
Уравнительный ток:
Необходимая индуктивность:
Выбираем реактор марки: РОС
32/0,5-Т
Силовая схема на рисунке 3.
1.4 Расчет доводочной скорости
Требуемая доводочная скорость
:
,
где значения коэффициентов:
;
;
;
;
;
;
Подставляя значения коэффициентов,
получим:
Принимаем
.
Диапазон регулирования скорости:
.5 Построение нагрузочной диаграммы
и тахограммы работы двигателя
Рассмотрим характер движения.
.Разгон клети до установившейся
за время:
.Движение клети с установившейся
скоростью:
.Движение клети с установившейся
скорости до скорости выхода на
разгрузочную кривую:
.Движение клети со скоростью выхода
на разгрузочную кривую
за время:
.Томможение клети с доводочной
скорости
до
остановочной за время:
Получаем время цикла:
Нагрузочная диаграмма и тахограмма
изображены на рисунке 4.
1.6 Проверка двигателя по пусковым
условиям и теплу Обеспечение заданного пускового момента двигателем
Номинальный момент двигателя:
Максимальный момент двигателя:
Условие пуска 
выполняется, следовательно, данный
двигатель подходит по условиям пуска и обеспечит заданное ускорение клети при
пуке.
Проверка двигателя по теплу.
Двигатель при работе может
нагреваться до допустимой температуры, которая определяется, в первую очередь,
нагревостойкостью изоляционных материалов. Проверку двигателя по теплу
производим по эквивалентному моменту.

Момент двигателя при торможении с
номинальным грузом:
Эквивалентный момент:
Т.к.
, то выбранный двигатель проходит по
теплу.
1.7 Механические характеристики ЭП
Построим семейство механических
характеристик соответствующее всем режимам работы в заданном цикле.
Момент двигателя при пуске с грузом
на подъем:
Момент двигателя при торможении с
грузом на подъем:
Момент двигателя при пуске с грузом
на спуск:
Момент двигателя при торможении с
грузом на спуск:
Доводочная скорость:
Механические характеристики
изображены на рисунке 5.
1.8 Расчет годовой
производительности выбранного двигателя
Число циклов в час:
Годовая производительность
рассчитанного электропривода:
Рис.1.Кинематическая схема подъёмной
машины.
Рис.2. Система
управления
Рис.3.Силовая часть системы
управления.
Библиографический список
1. Зимин
Е. Н., Яковлев В.И. «Автоматическое управление электроприводами» М.: Высшая школа,
1979.
. Соколов
М.М. «Автоматизированный электропривод общепромышленных установок» М.: Энергия,
1976.
. Крановое
электрооборудование: Справочник/Под ред. А.А. Рабиновича. М.: Энергия, 1979.
4. Чиликин
М.Г., Ключев В.Г., Сандлер А.С., «Теория автоматизированного электропривода»
М.: Энергия, 1979.
.
Сборник промышленных каталогов. Информэлектро. Электротехника, 2001.