Технологические испытания оборудования электрических станций

  • Вид работы:
    Курсовая работа (т)
  • Предмет:
    Физика
  • Язык:
    Русский
    ,
    Формат файла:
    MS Word
    366,5 Кб
  • Опубликовано:
    2012-11-28
Вы можете узнать стоимость помощи в написании студенческой работы.
Помощь в написании работы, которую точно примут!

Технологические испытания оборудования электрических станций

Содержание

Введение. Составление программы испытаний турбогенератора

.1 Рабочая программа испытаний турбогенератора ТВВ-63-2

.1.1 Испытание повышенным напряжением частоты 50 Гц

.1.2 Испытание изоляции обмотки повышенным выпрямленным напряжением

.1.3 Определение характеристик генератора. Определение работоспособности промежуточного реле с катушкой из медного провода. Выбор реле максимального напряжения и добавочного термостабильного резистора для термокомпенсации. Определение начальной температуры обмотки статора электрической машины. Расчет намагничивающей и контрольной обмоток для испытания стали статора

Заключение

Библиографический список источников информации

Введение

Одним из основных параметров работы любой электростанции и энергосистемы является непрерывность выработки энергии и снабжение ею потребителей. Непрерывность выработки энергии обеспечивается высокой надежностью всего энергетического - вспомогательного и основного, силового и слаботочного оборудования. Поэтому абсолютно все оборудование электростанции подвергается периодическим ремонтам и испытаниям: периодичность этих работ строго регламентируется ПТЭ и Нормами испытаний. Ни одно оборудование на электростанции не может быть включено в работу, если срок его ремонта и испытаний истек.

В данной курсовой работе составляется программа испытаний турбогенератора, определяется работоспособность промежуточного реле, выбирается реле максимального напряжения и добавочный термостабильный резистор, определяется начальная температура обмотки статора, а также производится расчет намагничивающей и контрольной обмоток для испытания стали статора.

I. Составление программы испытаний турбогенератора

Табл. 1.1 Основные параметры генератора

Тип турбогенератора

ТВФ-63-2

Мощность номинальная

78,75 МВА / 63 МВт

Напряжение статора, номинальное

10,5 кВ

Ток статора, номинальный

4330 А

Ёмкость одной фазы статора относительно земли и двух других заземленных фаз

0,25 мкФ

Система возбуждения

Высокочастотная, ВТД-490-3000У3

Сопротивление обмотки ротора, при 15 ºС

0,103 Ом

Система охлаждения статора

Косвенное, водородом

Система охлаждения ротора

Непосредственное, водородом


1.1 Рабочая программа испытаний турбогенератора ТВВ-63-2

1.1.1 Испытание повышенным напряжением частоты 50 Гц

1. Условия проведения испытаний.

–  схема статорной обмотки генератора разобрана, каждая фаза испытывается отдельно, две другие фазы закорочены и заземлены;

–        обмотка генератора очищена от грязи, промыта и просушена;

–        в системе охлаждения и по обмотке циркулирует дистиллят с удельным сопротивлением не ниже 75 кОм/см. Расход дистиллята номинальный;

–        испытания проводятся в тёмное время суток при потушенном общем освещении машинного зала и включенном местном освещении. На последнем этапе местное освещение также отключается для наблюдения за коронированием обмотки статора;

–        схема испытании приведена на рисунке 1.2.

. Испытательное напряжение вычисляется по формуле:

,

где - номинальное напряжение генератора;

.

3. Схема подключается на линейное напряжение, в котором меньше, чем в фазном высших гармоник, а следовательно, меньше возможность искажения синусоиды испытательного напряжения.

4. Перед началом испытаний необходимо отрегулировать пробивное напряжение разрядника FV на 110% испытательного напряжения :

.

Испытательная схема отключается от объекта испытаний, и испытательное напряжение поднимается на холостом ходу. Устанавливается заданное напряжение 21,12 кВ, и шары разрядника сближаются до возникновения пробоя.

Испытательное напряжение снижается до 50% и вновь поднимается до возникновения пробоя: напряжение пробоя разрядника должно быть в пределах (1,05-1,1) , то есть 20,16-21,12 кВ. Контрольный пробой шарового разрядника FV производится трижды подъёмом напряжения с .

. Проведение испытаний повышенным напряжением частоты 50 Гц.

Напряжение поднимается с нуля плавно, со скоростью около 2%/с-0,38 кВ/с. Следовательно вся процедура подъёма напряжения будет длится около 1-2 мин.

В процессе подъёма напряжения необходимо прослушивать генератор на предмет возникновения потрескивания или шипения частичных разрядов. Одновременно необходимо наблюдать за обмоткой- не появится ли тление или искрение на поверхности обмотки.

В процессе подъёма напряжения необходимо делать промежуточные отсчеты по вольтметрам и индикатору частичных разрядов. В случае расхождения в показаниях вольтметра или резкого возрастания показаний индикатора частичных разрядов подъём напряжения следует прекратить и немедленно выяснить причину ненормальности.

При достижении полного испытательного напряжения  оно выдерживается в течение 1 мин и плавно снижается до номинального напряжения .

На номинальном напряжении в течение 5 мин изоляция проверяется визуально, для чего желательно полностью выключить освещение в машинном зале при соблюдении мер безопасности.

При этом не должно наблюдаться сосредоточенное в отдельных точках свечение жёлтого и красного цвета, дым, тление бандажей и т.п.

Голубое и белое свечение допускается. По выполнению наблюдений коронирования обмотки напряжение плавно снижается до нуля, обмотка разряжается и заземляется. Освещение машинного зала включается.

Поочерёдно испытываются все три фазы обмотки статора.

. Необходимое оборудование.

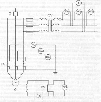
–        испытательная установка высокого напряжения согласно схеме на рисунке 1.1;

–        секундомер пружинный с ценой деления 0,2 с;

–        разрядно-заземляющая штанга;

–        температура обмотки принимается как среднее значение показании штатного термоконтроля статора.

Рисунок 1.1 Схема установки для испытания генератора повышенным напряжением промышленной частоты 50 Гц.

1.1.2 Испытание изоляции обмотки повышенным выпрямленным напряжением

1 Условия проведения испытаний:

–        схема обмотки статора разобрана, нейтраль разобрана;

–        вода из обмотки статора слита, обмотка продута сжатым воздухом;

–        испытания проводятся пофазно, две другие фазы при этом закорочены и заземлены.


,

.

Напряжение поднимается пятью ступенями по 1/5 полного испытательного напряжения, кВ,

.

На каждой ступени производится выдержка данного напряжения в течение 60 с.

На каждой ступени производится измерение тока утечки через изоляцию через 15 с и 60 с после установления неизменного напряжения:  и .

По измеренным напряжению данной ступени и токам утечки  и  вычисляются для каждой ступени величины сопротивления изоляции для 15 с и 60 с, Ом,


На каждой ступени вычисляется коэффициент абсорбции,

.

В процессе испытаний строится график зависимости тока утечки  от испытательного напряжения . Величина тока утечки не должна выходить за пределы, указанные в таблице 2.

Таблица 1.2 Предельные значения тока утечки от испытательного напряжения

Кратность испытательного напряжения по отношению к номинальному / 0,511,5 и выше




Ток утечки , мА0,250,51





Если в процессе подъёма напряжения величина тока утечки начнёт резко возрастать и выйдет за допустимые пределы, то испытания необходимо прекратить до выяснения причины резкого возрастания тока утечки.

По достижению полного расчетного испытательного напряжения, оно выдерживается в течение одной минуты и далее плавно в течение двух минут снижается до нуля. По снижению напряжения до нуля необходимо разрядить обмотку наложением заземления через токоограничивающий резистор заземляющей штанги. Через 10 с необходимо наложить глухо заземление на вывод испытанной фазы.

Вычисляется коэффициент нелинейности,

,

где - наибольший ток утечки при полном испытательном напряжении;

- ток утечки при испытательном напряжении, равном приблизительно 0,5×Uном генератора;

- полное испытательное напряжение;

- испытательное напряжение, равное приблизительно 0,5×Uном генератора.

Коэффициент нелинейности должен быть меньше трёх.

Измерительная аппаратура и оборудование.

–  аппарат для испытания изоляции АИМ-90 (с миллиамперметром до 5мА).

–        секундомер пружинный с ценой деления 0,2 с.

–        разрядно-заземляющая штанга.

1.1.3 Определение характеристик генератора

1. Снятие характеристики трехфазного короткого замыкания (КЗ).

1.1 Условие проведения испытаний закоротки, устанавливаемые при снятии характеристики трёхфазного замыкания, должны быть рассчитаны на длительное протекание номинального тока генератора.

1.2 Характеристика КЗ в пределах не менее полуторократного номинального тока статора имеет прямолинейный характер, поэтому достаточно снять 4-5 точек характеристики до .

.3 Если определение характеристики КЗ генератора не сопровождается изменением его потерь, то поддержание номинальной частоты вращения не обязательно.

.4 Характеристика снимается при постепенном увеличении тока ротора и одновременной записи, установившихся значений на каждой ступени тока ротора и тока во всех фазах статора.

.5 Отклонение характеристики КЗ, снятой при испытании от заводской должно находиться в пределах допустимых погрешностей измерений. Обращается особое внимание на то, чтобы характеристика стремилась к началу координат. В противном случае делаются повторные испытания, и если результат повторяется, то делается предположение о наличии витковых замыканий в обмотке ротора. В этом случае включение машины в работу не допускается.

2. Снятие характеристики холостого хода генератора (ХХ).

.1 Перед подъёмом напряжения на генераторе для снятия характеристики измеряют остаточное напряжение на генераторе при разомкнутой обмотке ротора.

.2 Для снятия характеристики холостого хода генератора производится плавный подъём напряжения до заданной величины при номинальной скорости вращения. Обычно напряжение на генераторе поднимается до 115% от номинального.

Испытательное напряжение, кВ,

,

.

2.3 Во время проведения пусковых испытаний генератора снятие характеристики холостого хода совмещают с проверкой витковой изоляции. Для этого напряжение на генераторе поднимается до напряжения, соответствующего номинальному току ротора, но не ниже 130% номинального напряжения. Продолжительность такого испытания - 5 мин.

Испытательное напряжение, кВ,

,

.

Снижая напряжение на генераторе, снимают основные точки характеристики. Последняя точка снимается при отключенном токе возбуждения. Всего снимают 10-15 точек примерно на равных интервалах напряжения. Полученную характеристику холостого хода смещают на Di0.

.4 Отсчет показаний приборов производится только при установившихся параметрах одновременно на всех приборах по команде руководителя испытаний или наблюдателя, измеряющего ток ротора. Как отсчет, так и запись показаний приборов производится в делениях шкалы с указанием предела измерения.

.5 После окончания измерений до разбора схемы необходимо построить характеристику и убедиться в отсутствии большого числа сомнительных точек, затрудняющих построение характеристики.

.6 Для получения характеристики холостого хода в области повышенного напряжения, без значительного повышения напряжения на генераторе, ее снимают при пониженной скорости вращения с последующим пересчетом по формуле

где UНОМ - напряжение при номинальной скорости вращения;

nНОМ - номинальная скорость вращения;

n1 - скорость вращения, при которой производились измерения.

.7 Одновременно со снятием характеристики холостого хода при проведении пуско-наладочных испытаний проверяют симметрию напряжения. Для этого при установившемся режиме, близком к номинальному, измеряются напряжения между тремя фазами. Измерение производится одним вольтметром, что повышает точность измерения. Несимметрия напряжения DU определяется отношением разности между наибольшим UMAX и наименьшим UMIN измеренными напряжениями к среднему его значению линейного напряжения UСР:


Коэффициент несимметричности не должен превышать 5%.

.8 По характеристике холостого хода определяется ток ротора, соответствующий номинальному напряжению генератора на холостом ходу. Он должен соответствовать расчетному значению. Если ток ротора выше расчетного, то следует искать ошибки в расчетах или монтаже (увеличенный воздушный зазор или неправильная установка ротора по высоте, отклонения в качестве стали).

.9 Измерительная аппаратура и оборудование.

–        вольтметр класса 0,5 или 0,2, подключающийся через «вольтметровый ключ», позволяющий в процессе испытаний быстро переключать вольтметр на другие линейные напряжения;

–        частотомер с пределами 45-55 Гц, а для снятия характеристики холостого хода при пониженной частоте- частотомер с низким пределом измерения 40Гц;

–        милливольтметр класса 0,2, подключенный к штатному или специально установленному в цепи ротора шунту класса 0,2.

Рис.1.2 Схема снятие характеристик трехфазного короткого замыкания и холостого хода

II. Определение работоспособности промежуточного реле с катушкой из медного провода

Таблица 2.1 Исходные данные

Номинальное напряжение реле, , В110


Минимальное напряжение срабатывания реле, , В100


Сопротивление катушки реле при 20 ºС, , Ом8500


Максимальная температура реле, , ºС85


Номинальное напряжение сети постоянного тока, , В110



Минимальное напряжение сети оперативного постоянного тока, при котором схема должна работать, В:

.

Минимальный ток срабатывания реле, А:

;

.

Сопротивление обмотки реле при максимальной температуре 85 ºС, Ом :

 ;

.

3 Ток в горячей обмотке реле с сопротивлением 10039 Ом при возможном минимальном напряжении в сети постоянного тока, А :

;

.

Заключение о работоспособности реле.

Так как ток в обмотке реле в самом тяжёлом режиме  меньше минимального тока срабатывания реле , то можно сделать вывод о невозможности применения исследуемого реле в данных условиях.

III. Выбор реле максимального напряжения и добавочного термостабильного резистора для термокомпенсации

Таблица 3.1 Исходные данные

Требуемое напряжение срабатывания реле, Uмср, В

55

Допустимая погрешность срабатывания, %

2

Диапазон изменения температуры реле, ºС

10 - 30


Изменение сопротивления обмотки реле, %,

 ;


В заданном диапазоне температур сопротивление обмотки реле, а следовательно и напряжение срабатывания изменяются на 8%. Для решения поставленной задачи необходимо применить схему, в которой ток, протекающий через реле не зависел бы от температуры реле.

Выбор реле.

По /2,табл.3-5/ выбираем низковольтное реле РН51/6.4, имеющее следующие характеристики:

·   напряжение срабатывания Uср=6.4 В;

·   сопротивление обмотки реле при 20 ºС R20=2400 Ом.

Все остальное напряжение 55-6,4=48,6 В погашается на сопротивлении резистора, выполненного из температуронезависимого резистивного материала - константана или манганина.

Сопротивление добавочного резистора, Ом,

 ;

.

Суммарное изменение сопротивления цепи реле с добавленным резистором в заданном диапазоне температур, %,

.

Так как суммарное изменение сопротивления цепи реле с добавленным резистором, а значит и изменение сопротивления срабатывания реле не превысило 2% - предельно допустимой нормы, то можно сделать вывод о возможности применения рассчитанного реле и резистора в заданном диапазоне температур.

IV. Определение начальной температуры обмотки статора электрической машины

турбогенератор реле резистор статор

Таблица 4.1 Исходные данные

Отсчет

1

2

3

4

5

Время

t, c

10

20

40

90

160

Перегрев

0C

57,9

55,9

52,3

44,9

37,9


Расчет производится графически (рис 4.1) и в цифровой форме.

Определяется постоянная времени остывания, Т, с :

,

где t - отрезок времени ;

qН - перегрев машины в начале отрезка времени ti ;

q - перегрев машины в конце отрезка времени ti.

,

,

 c.

За расчетное значение постоянной времени остывания берется среднеарифметическое значение ТСР :

 ;

.

Начальный перегрев машины аналитическим методом:

;


Начальная температура обмотки статора электрической машины при температуре окружающей среды tОКР = 200С

 

qОБМ = qН + tОКР ;

qОБМ = 59,67+20 =79,67 0С.

Рис. 4.1 Процесс остывания электрической машины после ее отключения в полулогарифмических координатах.

Начальный перегрев машины графическим методом:

 ;


Начальная температура обмотки статора электрической машины при температуре окружающей среды tОКР = 200С

 

qОБМ = qН + tОКР ;

qОБМ = 59,74+ 20 = 79,74 0С.

Разница между аналитическим и графическим методом 0,09%.

Рис. 4.2 Схема измерения сопротивления обмотки статора электрической машины непосредственно после ее отключения

V. Расчет намагничивающей и контрольной обмоток для испытания стали статора

Таблица 5.1 Исходные данные

Наружный диаметр, dH, M

3,05

Внутренний диаметр, dB, м

1,36

Полная длина спинки статора, l, м

6,7

Ширина вентиляционного канала, lк, м

0,01

Число вентиляционных каналов, n

60

Высота зуба статора, hэ, м

0,27

Коэффициент заполнения стали, k

0,93

Теплоемкость стали, m, кВт×ч/(кг×град)

1,429 × 10-4


Принимается, что 1/3 мощности расходуется на потери во внешнюю среду на конвекцию и лучеиспускание. Для питания обмоток намагничивания выбирается напряжение 380 В.

Рассчитать:

. Число витков намагничивающей и контрольной обмоток.

. Потребляемый намагничивающей обмоткой ток, активную и полную

мощности.

. Скорость нагрева активной стали.

1. Определение массы активной стали статора

Длина спинки:

,

,

Высота спинки:

,

.

Чистое сечение спинки:

,

.

Средний диаметр спинки:

,

.

Масса активной стали статора:

,

.

1. Расчет необходимой мощности.

Требуемая скорость подъема температуры a = 5 0С/ч. Необходимая для этого мощность:

,

.

Для получения необходимой мощности нужно создать в стали активные потери:

,

.

В = 0,825 Тл.

1. Расчет числа витков намагничивающей обмотки.

Если включить намагничивающую обмотку на линейное напряжение сети собственных нужд 380 В, то потребуется следующее число витков:

,

.

Практически невозможно создать дробное число витков. Поэтому выбираем один виток W=1. При этом индуктивное сопротивление намагничивающей обмотки неизбежно уменьшится против расчетного значения, ток намагничивания и индукция - увеличатся. Можно воспользоваться переключением отпаек трансформатора собственных нужд и переключить его на минимальное напряжение (+10% номинального) 418 В. данное напряжение позволит создать в статоре индукцию:

,

.

что на 30% меньше вычисленного ранее значения индукции. При В = 0.577 Тл нагрев будет происходить несколько медленнее, но в данном случае иного выхода нет.

1. Потребляемые ток и мощность.

Для создания индукции В = 0,577 Тл по графику /1, рис.3/ определяем требуемые удельные ампер-витки:0 = 71 А-в/м

Полные ампер-витки:

,

,

При одном витке W = 1 ток намагничивания численно равен :

= AW / W,= 552 /1 = 552 A.

Полная мощность намагничивающей обмотки:

= I×U,= 552 × 418 = 230,7 кВА.

Активная мощность при индукции В = 0,577 Тл вычисляется по величине удельных потерь /1, рис.3/ р0 = 0,621 Вт/кг :

 

Р = р0 × G,

Р = 0,621 × 197799,525 = 122833,505Вт =122,8 кВт.

Коэффициент мощности схемы намагничивания:

,

,

Кабель для обмотки намагничивания, исходя из допускаемой в данном случае плотности тока j = 2,0 А/мм2, должен быть сечением не менее:

,

.

1. Расчет контрольной обмотки.

Учитывая, что напряжение на контрольной обмотке при равном числе витков с намагничивающей обмоткой будет близким к напряжению 380 В, выбираем для контрольной обмотки один виток WК = 1, ЭДС контрольной обмотки при индукции в статоре В = 1 Тл определяется:

,

.

Добавочный резистор R (рис. 5.1) для вольтметра 300 В, 150 дел. и внутренним сопротивлением RВ = 30 кОм выбирается таким образом, чтобы при 724 В (соответствует В=1 Тл) его показания были бы равны 100 делениям:

,

.

Рис. 5.1 Схема индукционного нагрева статора генератора намагничиванием стали статора

Заключение

В данной курсовой работе была составлена программа испытаний для турбогенератора. Была определена работоспособность промежуточного реле в определенных условиях, также выбрано реле максимального напряжения и добавочный термостабильный резистор для термокомпенсации. Также был произведен расчет для определения начальной температуры, графическим и аналитическим методами. Рассчитаны, для определенных генераторов, контрольные и намагничивающие обмотки.

Библиографический список источников информации

1.   Объемы и нормы испытания электрооборудования / Под. общ. ред. Б.А. Алексеева, Ф.Л. Когана, Л.Г. Мамикоянца. - 6-е изд. - М.: НЦ ЭНАС, 1998.

2.       Справочник по наладке электрооборудования электрических станций и подстанций / Под. ред. Э.С. Мусаэляна - М.: Энергоатомиздат, 1984.

.         Мусаэлян Э.С. Наладка и испытания электрооборудования электрических станций и подстанций. - М.: Энергоатомиздат, 1986.

Похожие работы на - Технологические испытания оборудования электрических станций

 

Не нашли материал для своей работы?
Поможем написать уникальную работу
Без плагиата!
Без нейросетей!