|
номинальный
диаметр медной проволоки, мм
|
площадь
поперечного сечения, мм2
|
максимальный
наружный диаметр, мм
|
минимальное
пробивное напряжение, В
|
|
0.53
|
0.221
|
0.579
|
2500
|
|
1.2
|
1.131
|
1.325
|
|
3. Распределение проводов по окну.
Найдем число витков, которые могут поместиться на
магнитопроводе в один ряд.
а) первичная обмотка:
Рис. 3
Для этого найдем длину окружности радиуса
, проходящую через центры поперечного
сечения витков:



Число витков:
Следовательно, первичная обмотка укладывается в два слоя по 6
секций.
Таким образом, 14 секций вторичной
обмотки укладываются в один слой поверх двух слоев первичной обмотки.
Определение добавочных потерь.
Коэффициент добавочных потерь:
,
где n=I, II, III
-действующее значение n-ой
гармоники тока.
Считая, что напряжение в первичной обмотке трансформатора
передается без искажений, можно найти ток следующим образом:
,
.
Разлагаем в ряд Фурье напряжение:
,
где m - число слоев обмотки;
n - число эквивалентных проводов прямоугольного сечения.
Так как в трансформаторе мы используем многожильные провода,
поэтому произведем расчет коэффициентов n1p и n2p, учитывающих
использование таких проводов в качестве обмотки:
В нашем случае
;
- диаметр жилы реального провода без изоляции.
;
;

Коэффициент заполнения по меди.
;
;
;
.
Потери в проводах обмотки.
;
;
мОм;
Вт.
;
мОм;
Вт.
Вт;
Суммарные потери.
Вт.
КПД трансформатора.
.
Индуктивность рассеяния.
, где:
N=26 - общее число секций первичной и вторичной обмоток;
А - средняя толщина намотки секции (в направлении,
перпендикулярном средней линии магнитопровода):
,
где
и
-средняя толщина секций;
мм.;
l-расстояние между соседними секциями, измеренными вдоль
средней линии секции:
см;
см-радиус средней силовой линии магнитного поля магнитопровода.
см;
мкГн.
мкГн.
Расчет собственных емкостей обмоток.
Выбор изоляции.
В торроидальных ТММ обмотки укладываются на изолированный и
магнитопровод. Изоляционные материалы обеспечивают электрическую изоляцию в ТММ
и защиту их от внешних воздействий. Для межслоевой, межобмоточной и наружной
изоляции наиболее используется бумага и пленка, а для пропитки и заливки -
различные лаки и компаунды.
Для пропитки и заливки ТММ при температуре до
в основном применяется лак ФЛ-98.
Расчет тепловых режимов.
.
- сопротивление обмотки при наличии распределенного источника
тепла. Здесь:
- реальная толщина обмотки;
h - длина средней линии обмоток;
, см,
, см - эквивалентная длина обмотки, которая учитывает увеличение
теплоотдачи за счет наличия торцевых поверхностей.
Вт/см·ºС -
коэффициент теплопроводности для пропитанной обмотки;
см - периметр среднего витка обмотки.
ºC/Вт;
- сопротивление обмотки без источника тепла.
ºC/Вт;
Вт/см·ºС -
коэффициент теплоотдачи для случая расположения элемента в свободном воздушном
пространстве при нормальных условиях.
, сопротивление для границы поверхность обмотки - окружающая
среда.
Найдем, поверхность охлаждения обмотки
:
ºC/Вт
Рис. 4
В этом режиме тепловой поток, создаваемый потерями в обмотке,
рассеивается в окружающую среду только через поверхность обмотки. Тепловой
поток, обусловленный потерями в магнитопроводе, может идти двумя путями: одна
его часть
проходит через поверхность
магнитопровода, а часть
- через обмотку.
В нашем случае обмотка занимает всю поверхность магнитопровода,
поэтому получаем перегрев:
.
ºС.
Расчет перегрева поверхности и среднего перегрева обмотки.
ºС.
=
73.4ºС.
Расчет показывает, что перегрев поверхности трансформатора не
превышает допустимый в соответствии с заданием 80 ºС.
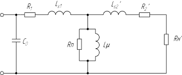
4. Расчет схемы замещения трансформатора
пФ
мкГн.
мОм.
мОм.
Ом.
- сопротивление, учитывающее активные потери в магнитопроводе.
- мощность потерь в магнитопроводе;
- индуктивность намагничивающего контура, где
- магнитная проницаемость материала;
- площадь сечения магнитопровода;
- число витков обмотки;
- длина средней линии магнитопровода;
Найдем
материала, для чего возьмем из
справочника значение
и напряженность
в точке вблизи середины рабочей части
характеристики:
Рис. 5. Кривые намагничивания
стали 3425
Линеаризуем характеристику по этой точке и началу координат.
Тогда средняя проницаемость определится по формуле:
.
=2.83 мГн
Рис. 6. Схема замещения трансформатора
5. Моделирование трансформатора в среде OrCAD
Рис. 7. Эквивалентная модель трансформатора в OrCAD
Рис. 8. Входное и выходное напряжение при частоте 1 кГц
Заключение
В данном курсовом проекте в качестве основной величины,
определяющий размеры трансформатора выбран объем магнитопровода. Анализ
электромагнитных процессов в магнитопроводе и в обмотках позволил учесть
различные факторы, влияющие на расчет трансформатора с помощью коэффициентов,
числовые значения которых можно определить: коэффициент, учитывающий потери в
магнитопроводе (А); коэффициент, учитывающий увеличение сопротивления провода
вследствие поверхностного эффекта (kдоб).
В ходе курсового проектирования определено оптимальное
значение магнитной индукции. Из этого найдено и другой важный параметр -
плотность тока в проводах обмоток. Плотность тока в обмотках (соответственно и
выбор сечения провода) правильнее рассчитывать исходя из минимума мощности
потерь в обмотках. Однако, так как процессы в трансформаторе взаимосвязаны,
выбор сечений проводов нельзя проводить без расчета всего трансформатора.
Для уменьшения габаритных размеров и массы трансформатора
увеличивают частоту, на которой он должен работать. Увеличение частоты приводит
к повышению затрат на изготовление трансформатора.
Уменьшение объёма трансформатора происходит до некой
критической частоты, далее объём трансформатора остается неизменным. В ходе
курсового проектирования была определена данная частота.
В конце курсового проектирования рассчитана эквивалентная
схема замещения трансформатора, учитывающие различные распределенные параметры
реального трансформатора, и затем по математической модели проанализированы
искажения, вносимые индуктивностями рассеяния, собственными ёмкостями обмоток и
т.д.
Список литературы
трансформатор искажение индуктивность обмотка
1.
Грязнов
Н.М. Трансформаторы и дроссели в импульсных устройствах. М.: Радио и связь.
1986 г.
2.
Вдовин
С.С. Проектирование импульсных трансформаторов. М.: Энергоатомиздат. 1991.
3.
Ю.Н.
Стародубцев. Теория и расчет трансформаторов малой мощности. М.: ИП
«РадиоСофт». 2005.
4.
Хныков
А.В. Теория и расчет трансформаторов М.: СОЛОН-Пресс. 2004 г.