Расчет трансформатора
План:
Введение
. Электромагнитный
расчёт
.1 Расчёт основных
электрических величин
.2 Расчёт основных
размеров трансформатора
.3 Расчёт обмоток
трансформатора
.3.1 Расчёт обмотки
низшего напряжения
.3.2 Расчёт обмотки
высшего напряжения
.4 Определение потерь
короткого замыкания
.4.1 Основные потери в
обмотках
.4.2 Добавочные потери в
обмотках
.4.3 Потери в отводах
.4.4 Потери в стенках
бака и деталях конструкции
.5 Напряжение короткого
замыкания
.6 Определение
механических сил в обмотках и нагрева обмоток
.7 Определение размеров
магнитной системы
.8 Расчёт потерь
холостого хода
.9 Расчёт тока холостого
хода
. Тепловой расчет и
расчеты системы охлаждения
.1 Проверочный тепловой
расчет обмоток
.2 Тепловой расчет бака
.3 Окончательный расчет
превышения температуры обмоток и масла
.4 Приближенное
определение массы конструктивных материалов и массы трансформатора
Заключение
Введение
Трансформатором называется
электромагнитное статистическое устройство, предназначенное для преобразования
посредством электромагнитной индукцией переменного тока одного напряжения в
переменный ток другого напряжения той же частоты.
Трансформаторы находят самое широкое
применение. Существуют множество разнообразных типов, различающихся как по
назначению, так и по выполнению.
Силовой трансформатор является одним
из важнейших элементов каждой электрической сети. Передача электрической
энергии на большие расстояния от места её производства до места потребления
требует в современных сетях не менее чем пяти - шестикратной трансформации в повышающих
и понижающих трансформаторах.
Развитие трансформаторостроения
определяется, прежде всего, развитием сетей, в которых они применяются, а,
следовательно, и энергетикой страны. Первоочередными задачами являются качество
трансформаторов, использование прогрессивных методов и экономии материала при
их производстве и снижение потерь при их работе в сети.
Проектирование трансформатора ставит
своей главной задачей обеспечение надежной работы с допустимыми потерями
короткого замыкания и холостого хода.
Целью выполнения курсовой работы
является обучение основам проектирования силового трансформатора, приобретение
в ходе выполнения работы навыков пользования справочными материалами, ГОСТами и
самостоятельного ведения инженерных расчетов.
1. Электромагнитный расчёт
1.1
Расчёт основных электрических величин
Расчет трансформатора начинается с
определения основных электрических величин - мощности на одну фазу и стержень,
номинальных токов на стороне ВН и НН, фазных токов и напряжений.
Мощность одной фазы
трансформатора,
, (1.1)
где
-
номинальная мощность трансформатора,
- число фаз;
Мощность на одном
стержне,
, (1.2)
где
-
число стержней;
Номинальные (линейные)
токи,
на стороне низкого
напряжения (НН):
(1.3)
где
-
номинальное линейное напряжение обмотки НН,
на стороне высокого напряжения (ВН):
(1.4)
где
-
номинальное линейное напряжение обмотки ВН, кВ;
Номинальные фазные токи
обмоток НН и ВН при соединении в звезду и треугольник соответственно,
(1.5)
(1.6)
Номинальные фазные
напряжения обмоток НН и ВН при соединении в звезду и треугольник
соответственно,
(1.7)
(1.8)
Для определения изоляционных
промежутков между обмотками и другими токоведущими частями и заземленными
деталями трансформатора существенное значение имеют испытательные напряжения,
при которых проверяется электрическая прочность изоляции трансформатора.
Испытательное напряжение
обмотки НН,
Испытательное напряжение
обмотки ВН,

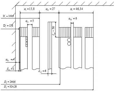
Изоляционные расстояния для
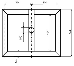
испытательных напряжений обмоток НН и ВН приведены на рисунке 1.
Потери короткого
замыкания, указанные в задании, дают возможность определить активную
составляющую напряжения короткого замыкания,
(1.9)
где
-
потери короткого замыкания,
Реактивная составляющая
напряжения короткого замыкания,
(1.10)
где
-
напряжение короткого замыкания,
Для испытательного
напряжения обмотки НН
изоляционные
расстояния приведены в таблице 1.
Таблица 1 - Изоляционные
расстояния обмотки НН
|
НН
от ярма,
мм
|
НН
от стержня,
мм
|
|
l01
|
d01
|
ац1
|
а01
|
lц1
|
|
15
|
2´0,5
|
-
|
4
|
-
|
Для испытательного напряжения
обмотки ВН изоляционные расстояния приведены в таблице 2.
Таблица 2 - Изоляционные расстояния
обмотки ВН
|
ВН
от ярма,
мм
|
Между
ВН и НН, Мм
|
Выступ
цилиндра, мм
|
Между
ВН и НН, мм
|
|
l02
|
dШ
|
а12
|
d12
|
lц2
|
а22
|
d22
|
|
75
|
2
|
27
|
5
|
50
|
20
|
3
|
1.2 Расчёт основных размеров трансформатора
Диаметр окружности, в
которую вписано ступенчатое сечение стержня,
(1.11)
где
-
коэффициент , отношение средней длины витка двух обмоток
трансформатора
к их высоте
и
определяет соотношение между шириной и высотой трансформатора;
- коэффициент
Роговского;
- ширина приведённого
канала рассеивания,
(1.12)
- размер канала между
обмотками НН и ВН (таблица 2),
- суммарный приведённый
радиальный размер обмоток,
(1.13)
- коэффициент, зависит
от мощности, класса напряжения, материала обмотки;
- индукция в стержне,
- общий коэффициент
заполнения активным сечением стали площади круга,
(1.14)
- коэффициент,
отношение площади ступенчатой фигуры поперечного сечения стержня к площади
круга диаметром d;зависит от числа и
размеров ступеней в сечении стержня,
коэффициент заполнения
сечения ступенчатой фигуры стержня активной сталью, для сталей 3404 и 3405 с
толщиной листа 0,35 мм равен
- частота сети,

Выбирается ближайшее
стандартное значение по нормализованной шкале
.
Уточняется значение
(1.15)
Средний диаметр
окружности ОВН и ОНН,
(1.16)
где а - коэффициент, зависящий от
мощности трансформатора, класса напряжения ОВН и потерь короткого замыкания в
долях нормы (по стандарту)
Ориентировочная высота
обмоток,
(1.17)
Активное сечение
стержня,
(1.18)
Предварительная величина
напряжения витка,
(1.19)
Окончательный расчет
магнитной системы проводится после полного расчета обмоток, проверки и подгонки
к заданной норме параметров короткого замыкания. Определяют размеры ступеней в
сечении стержня и ярма и все остальные размеры магнитной системы, уточняются
активные сечения стержня и ярма, а также индукцию, рассчитывают массу стали,
потери и ток холостого хода
1.3 Расчёт обмоток трансформатора
Выбор типа конструкции обмоток при
расчете трансформатора должен производиться с учетом эксплуатационных и производственных
требований, предъявляемых к трансформаторам в целом.
Средняя плотность тока в
обмотках,
(1.20)
где
-
коэффициент, учитывающий добавочные потери в обмотках, отводах (ответвлениях),
стенках бака;
Полученное значение
лежит
в допустимых пределах
Допустимое значение
большего из двух размеров проводника,
(1.21)
где
-
удельный тепловой поток на охлаждаемой поверхности обмотки,
- коэффициент,
учитывающий закрытие части поверхности обмоток конструкционными (изоляционными)
деталями (для цилиндрических обмоток
);
1.3.1 Расчёт обмотки низшего напряжения
Расчет обмоток трансформатора, как
правило, начинают с обмотки НН, располагаемой у большинства трансформаторов между
стержнем и обмоткой ВН.
Число витков на одну фазу обмотки НН
(1.22)
Напряжение одного витка,
(1.23)
Действительное значение
индукции в стержне,
(1.24)
В качестве обмотки НН
принимается цилиндрическая двухслойная обмотка из медного прямоугольного
провода.
Число витков в слое:
(1.25)
Расчётная высота
обмотки,
на 5…15 меньше размера
Ориентировочный осевой
размер одного витка,
(1.26)
Ориентировочное сечение
витка,
(1.27)
По рассчитанному сечению выбирается
стандартное сечение П1, радиальные и осевые размеры провода:
Осевой размер, мм,
(1.28)
- осевой размер провода
с изоляцией;
Радиальный размер ОНН, мм,
, (1.29)
где
-
радиальный размер провода с изоляцией;
- изоляционный
промежуток между слоями обмотки, применяется
равным 5 мм;
.
Высота обмотки ОНН, мм,
(1.30)
.
Поверхность охлаждения, м2,
(1.31)
где k - коэффициент, учитывающий закрытие
части поверхности обмотки конструкционными изоляционными деталями (например,
рейками), принимается равным 0,75;
- внутренний диаметр ОНН
, мм,
, (1.32)
а01- изоляционный
промежуток между обмоткой и стержнем, мм:
.
- наружный диаметр ОНН,
мм:
, (1.33)
,
.
Действительное сечение витка, мм2:
(1.34)
.
Уточнённая плотность
тока в витке,
:
(1.35)
1.3.2 Расчёт обмотки высшего напряжения
Число витков обмотки ВН при
номинальном напряжении
(1.36)
Число витков на одной
ступени регулирования
(1.37)
где
-
напряжение на одной ступени регулирования,
Осевой размер обмотки ВН
принимается
равным ранее определенному осевому размеру обмотки НН
Число витков на каждой
ступени регулирования и соответствующее напряжение,
6853+2×171=7195
35000+2×875=36750,
+171=7024
35000+875=35875,
35000,
-171=6682
35000-875=34125,
-2×171=6511
35000-2×875=33250.
Предварительная плотность
тока,
(1.38)
Сечение витка обмотки
ВН,
(1.39)
В качестве обмотки ВН
принимается цилиндрическая обмотка из круглого провода.
Выбирается сечение
и
размер
.
Уточнённая плотность
тока,
(1.40)
Общий суммарный
радиальный размер,
Число витков в слое
(1.41)
Число слоёв в обмотке
(1.42)
Рабочее напряжение двух
слоёв обмотки,
(1.43)
Выбирается число слоёв и
общая толщина кабельной бумаги в изоляции между двумя слоями обмотки
Выступ междуслойной
изоляции на торцах обмотки (на одну сторону) принимается равным
Размер катушки,
предварительно
поэтому обмотка каждого
стержня делится на три катушки.
Число слоёв во
внутреннем слое принимается равным 3.
Ширина изоляционного
промежутка между катушками,
Радиальный размер
обмотки,
(1.44)
При наличии экрана
(1.45)
Уточнённый размер высоты
обмотки ВН,
Изоляционный промежуток
при наличии экрана,
(1.46)
Внутренний диаметр
обмотки ВН,
(1.47)
Наружный диаметр обмотки
ВН,
(1.48)
Поверхность охлаждения,
(1.45)
где
Рассчитывается точное число витков в
каждом слое обмотки ВН.
Общее число витков
Распределение
витков по слоям:1 слой - 307 витков,21 слой - по 250 витков; слой с числом
витков 307 располагается во внутренней катушке.
Число витков в слое
Рисунок 1 - Основные
размеры обмоток трансформатора
1.4 Определение потерь короткого замыкания
Потерями короткого замыкания
называются потери, возникающие в трансформаторе при номинальной частоте и
установлении в одной из обмоток тока, соответствующего ее номинальной мощности,
при замкнутой накоротко вторичной обмотке. Предполагается равенство номинальных
мощностей обеих обмоток.
Потери короткого
замыкания
в
трансформаторе складываются из основных потерь и добавочных потерь, отводов
между обмотками и вводами, потерь в стенках бака и других металлических
элементах конструкции трансформатора, вызванных полем рассеяния обмоток и
вводов,
(1.46)
1.4.1 Основные потери в
обмотках
Потери в обмотке НН,
(1.47)
Потери в обмотке ВН,
(1.48)
где
-
масса медных обмоток НН (ВН),
(1.49)
- средний диаметр
обмоток НН (ВН),
(1.50)
1.4.2 Добавочные потери в обмотках
Добавочные потери от вихревых токов,
вызванные собственным магнитным полем рассеяния обмоток, неодинаковы для
отдельных проводников, различным образом расположенных в обмотке по отношению к
полю рассеяния.
Наибольшие добавочные потери в
трансформаторе возникают в проводниках, находящихся в зоне наибольших индукций,
т. е. в слое проводников, прилегающем к канале между обмотками. Наименьшие
потери возникают в слое, наиболее удаленном от соседней обмотки.
Коэффициенты (средние) добавочных
потерь:
для обмотки НН (см. рисунок 4)
(1.51)
где
(1.52)
где
Добавочные потери в обмотках
трансформатора возникают как от продольного поля рассеяния с осевым по
отношению к обмоткам направлением индукционных линий, так и от поперечного поля
с радиальным направлением линий.
1.4.3 Потери в отводах
Расчет основных потерь в отводах
сводится к определению длины проводников и массы металла в отводах. Этот расчет
может быть произведен после окончательного установления конструкции отводов. В
процессе расчета может быть произведено приближенное определение массы металла
отводов.
Сечение отвода равно
сечению витка обмотки,
Длина провода
отводов(схема соединения треугольник-звезда с нулевым проводом),
При соединении в
треугольник
(1.53)
При соединении в звезду
(1.54)
Масса металла отвода,
(1.55)
Основные потери в
отводах,
(1.56)

Добавочные потери в
отводах задаются коэффициентом добавочных потерь в отводах, равным 1,02…1,05.
1.4.4 Потери в стенках бака и деталях конструкции
Поля рассеяния обмоток и отводов
трансформатора, возникая в пространстве окружающем эти части, проникают также и
в ферромагнитные детали конструкции трансформатора - стенки бака, прессующие
балки ярм, прессующие кольца обмоток и т. д. Эти потери зависят от
распределения и интенсивности поля рассеяния, от расположения, формы и размеров
ферромагнитных деталей и нестабильности магнитных свойств современных
конструкционных сталей.
На этапе расчета
обмоток, когда размеры бака еще не известны, можно с достаточным приближением
определить потери в баке и деталях конструкции,
(1.57)
где k=0,01…0,015.
Полные потери короткого
замыкания,
Для номинального напряжения обмотки
ВН средней ступени
(1.58)
1.5 Напряжение короткого замыкания
Напряжением короткого замыкания
трансформатора называется приведенное к расчетной температуре напряжение,
которое следует подвести при номинальной частоте к зажимам одной из обмоток при
замкнутой накоротко другой обмотке, чтобы в обеих обмотках установились
номинальные токи. При этом напряжение должно быть номинальным.
Активная составляющая
напряжения короткого замыкания,
Реактивная составляющая
напряжения короткого замыкания,
(1.59)
где 
трансформатор обмотка
тепловой магнитный
- коэффициент
Роговского, который уточняется по формуле
(1.60)
(1.61)
Напряжение короткого
замыкания,
1.6 Определение механических сил в обмотках и нагрева обмоток
Действующее значение
установившегося тока короткого замыкания,
(1.62)
Наибольшее мгновенное
значение тока короткого замыкания,
(1.63)
где
-
коэффициент, учитывающий максимально возможную апериодическую составляющую
тока,
(1.64)
Значение
принимается
равным 1,971;
В цилиндрических
обмотках при коротком замыкании целостность обмотки ВН не нарушается, так как
отключенные витки (для регулирования
) находятся в последнем
или двух последних слоях. Следовательно, распределение сил соответствует
рисунку 6.
Рисунок 2 -
Распределение сил в обмотках
Радиальная сила
(1.65)
где
тогда
(1.66)
где
тогда
Наибольшей является сила
поэтому
её значение используется для дальнейших расчётов.
Радиальная сила сжатия
(растяжения),
(1.67)
Напряжение сжатия
(растяжения) в проводе обмотки НН (ВН),
(1.68)

где
Осевая сила
достигает
максимального значения на середине обмотки,
(1.69)
Сжимающее напряжение,
(1.70)
где
Предельная условная
температура обмоток, °С,
(1.71)
где
-
наибольшая продолжительность короткого замыкания на трансформаторе;
- начальная температура
обмотки (обычно принимается 90 °С);
где
-
предельно допустимое значение температуры
Время, в течение
которого обмотка достигает
,с,
(1.72)
Таким образом, рассчитанные потери и
напряжение короткого замыкания не превышают заданные (проектные) более, чем на 10%.
Температура обмоток спустя 9 секунды
после возникновения короткого замыкания не превысила допустимой равной 250 °С. Следовательно, расчет обмоток можно считать удовлетворительным.
1.7 Определение размеров
магнитной системы
Выбирается трехфазная плоская
магнитная система, собираемая из пластин холоднокатанной анизотропной стали
марки 3404 с толщиной листа 0,35 мм.
Способ прессовки стержня -
расклиниванием с обмоткой (без прессующей пластины) (таблица 2.5).
Размеры пакетов в сечении стержня и
ярма (таблица 8.2):
- диаметр стержня;
- число ступеней в
стержне;
- число ступеней в ярме;
- коэффициент заполнения
круга для стержня;
- ширина крайнего
наружного пакета ярма.
Сечение стержня состоит
из 6 ступеней. В ярме 5 ступеней, сечение ярма повторяет сечение стержня, два
последних пакета объединены в один. Поперечное сечение представлено на рисунке
3 .
Рисунок 3 - Поперечное сечение
стержня и ярма
Таблица 3 - Размеры пакетов в
сечении стержня и ярма
|
№
пакета
|
Стержень,
мм
|
Ярмо,
мм
|
|
1
|
145´19
|
145´19
|
|
2
|
135´13
|
135´13
|
|
3
|
120´13
|
120´13
|
|
4
|
105´9
|
105´9
|
|
5
|
85´8
|
85´15
|
|
6
|
55´7
|
-
|
Активное сечение
стержня,
(1.73)
где
-
площадь ступенчатой фигуры сечения стержня;
Активное сечение ярма,
(1.74)
где
-
площадь ступенчатой фигуры сечения ярма;
Объём стали угла
магнитной системы,
(1.75)
где
-
объём угла магнитной системы;
Длина стержня,
(1.76)
где
и
-
расстояние от обмотки до верхнего и нижнего ярма;
Масса стали угла
магнитной системы,
(1.77)
где
-
удельная масса стали;
Масса стали ярм,
(1.78)
где
-
масса частей ярм, заключённых между осями крайних стержней,
(1.79)
где
-
расстояние между осями стержней,
(1.80)
- масса стали в частях
ярм от оси крайнего стержня до края ярма,
(1.81)
Масса стали стержней,
(1.82)
где
-
масса стали стержней в пределах окна магнитной системы,
(1.82)
- масса стали в местах
стыка пакетов стержня и ярма,
(1.83)
Полная масса стали,
(1.84)
План шихтовки магнитной системы
представлен на рисунке 4.
Рисунок 4 - План шихтовки магнитной
системы
1.8 Расчёт потерь холостого хода
Режим работы трансформатора при
питании одной из его обмоток от источника с переменным напряжением при
разомкнутых других обмотках называется режимом холостого хода. Потери,
возникающих в трансформаторе в режиме холостого хода при номинальном
синусоидальном напряжении на первичной обмотке и номинальной частоте,
называются потерями холостого хода.
Для плоской трёхфазной
магнитной системы, собранной из пластин холоднокатанной анизотропной стали, с
прессовкой стержней расклиниванием с внутренней обмоткой (НН), а ярм - ярмовыми
балками, и имеющей четыре угла на крайних и два на средних стержнях, потери
холостого хода,
(1.85)
где
-
коэффициент, учитывающий резку пластин;
- коэффициент,
учитывающий снятие заусенцев;
- коэффициент,
учитывающий сочетание косых и прямых стыков (косые стыки в четырёх углах,
прямые - в двух углах (рисунок 4);
- коэффициент
увеличения потерь, зависящий от формы сечения ярма;
- коэффициент,
учитывающий прессовку магнитной системы;
- коэффициент,
учитывающий перешихтовку магнитной системы, при мощности трансформатора до 250
кВА равен 1,01.
Для определения удельных
потерь необходимо уточнить значения индукции стержня
и
ярма
,
Индукция на косом стыке,
(1.86)
Площадь сечения стержня
на косом стыке,
(1.87)
Определяем удельные
потери в стали
и
в зоне шихтования стыка
для
рассчитанных значений индукции в таблице 4.
Таблица 4 - Удельные
потери
|
Индукция,
Тл
|
Уд.
потери в стали, Вт/кг
|
Уд.
потери в зоне стыка, Вт/м2
|
|
Вс=1,467
|
рс=1,066
|
рзс=778
|
|
Вя=1,43
|
ря=0,998
|
рзя=826
|
|
Вкос=1,037
|
|
рзкос=360
|
Число немагнитных
зазоров (стыков)
зависит
от вида шихтовки магнитной системы. Согласно рисунка 4
следовательно,
(1.88)
Погрешность, %,
1.9 Расчёт тока холостого хода
Ток первичной обмотки
трансформатора, возникающий при холостом ходе при номинальном синусоидальном
напряжении и частоте, называется током холостого хода.
При расчете тока холостого хода
отдельно определяют его активную и реактивную составляющие.
Полные удельные
намагничивающие мощности
для
рассчитанных значений индукции представлены в таблице 5.
Таблица 5 - Полная
удельная намагничивающая мощность
|
Индукция,
Тл
|
Уд.
мощность в стали, ВА/кг
|
Уд.
мощность в зоне стыка, ВА/м2
|
|
Вс=1,467
|
qс=1,276
|
qзс=15560
|
|
Вя=1,43
|
qя=1,168
|
qзс=10120
|
|
Вкос=1,037
|
|
qзкос=1400
|
Активная составляющая
тока холостого хода,
(1.89)
Реактивная составляющая
тока холостого хода,
(1.90)
Полный фазный ток
холостого хода,
(1.91)
где
-
полная намагничивающая мощность,
где
-
коэффициент, учитывающий резку пластин;
- коэффициент, учитывающий
снятие заусенцев;
- коэффициент,
учитывающий сочетание косых и прямых стыков (таблица 8.20);
- коэффициент, учитывающий
ширину пластин в углах магнитной системы (таблица 8.21);
- коэффициент,
учитывающий соотношение числа ступеней стержня и ярма;
- коэффициент, учитывающий
прессовку магнитной системы, (таблица 8.12);
- коэффициент,
учитывающий перешихтовку верхнего ярма, при мощности трансформатора до 250 кВА
равен 1,01.
-
удельные намагничивающие мощности;
Погрешность, %,
.
2. Тепловой расчет и расчеты системы охлаждения
Во время работы трансформатора в его
активных материалах - металле обмоток и стали магнитной системы - возникают
потери энергии, выделяющиеся в виде тепла и идущие на их нагревание, а также в
окружающую среду.
В масляных трансформаторах вслед за
активными материалами нагреваются масло и металлический бак и устанавливается
температурный перепад между внешней поверхностью бака и воздухом, окружающим
пространством. По мере роста температуры накопление тепла постепенно
уменьшается, а теплоотдача увеличивается, в конечном итоге при длительном
сохранении режима нагрузки повышение температуры прекращается и все
выделяющееся тепло отдается в окружающую среду.
2.1 Проверочный тепловой расчет обмоток
Внутренний перепад температуры
обмотки НН, °С,
(2.1)
где
-
удельный тепловой поток на поверхности обмотки,
(2.2)
d - изоляция провода на
одну сторону,
lиз- теплопроводность
изоляции (таблица 9.1),
;
Полный внутренний перепад
температуры в ОВН, °С,
, (2.3)
где a - радиальный размер наибольшей
катушки, м;
Плотность теплового
потока ОВН,
,
(2.4)
Средняя теплопроводность ОВН, Вт/(м×°С),
, (2.5)
Средняя условная теплопроводность
ОВН без учета междуслойной изоляции, Вт/(м×°С),
, (2.6)
.
Потери в единице объема ОВН, Вт/м3,
, (2.7)
Полный внутренний перепад
температуры в ОВН, °С,
, (2.8)
где a - радиальный размер наибольшей
катушки, м;
Средний внутренний перепад
температуры в ОВН, °С,
, (2.9)
Перепад температуры на
поверхности ОНН, °С,
(2.10)
.
Перепад температуры на
поверхности ОВН, °С,
(2.11)
.
Превышение средней
температуры ОНН над температурой масла, °С,
, (2.12)
.
Превышение средней
температуры ОВН над температурой масла, °С,
, (2.13)
2.2 Тепловой расчет бака
При выборе конструкции бака для
трансформатора главное внимание следует обращать на хорошую теплоотдачу,
механическую прочность, простоту в изготовлении и по возможности меньший
внешний габарит.
Ввиду того, что потери в
трансформаторе связаны с его мощностью, при выборе конструкции бака можно
ориентироваться на мощность трансформатора. Выбирается бак со стенками в виде
волн.
Минимальная ширина бака,
(2.14)
где
-
изоляционное расстояние от изолированного отвода обмотки ВН до собственной
обмотки, следует принять
при
и
толщине изоляции на одну сторону 4мм;
- расстояние от отвода
ВН до стенки бака, следует принять s2=42;
- изоляционное
расстояние от изолированного или неизолированного отвода обмотки НН до обмотки
ВН, следует принять s3=25 при
для
отвода без покрытия;
- изоляционное
расстояние от отвода обмотки ВН до стенки бака, следует принять s4=90 для отводов без покрытия.
- диаметр изолированного
отвода обмотки НН, следует принять d1=20;
- диаметр
изолированного отвода обмотки ВН, следует принять d2=10;
При центральном
расположении активной части трансформатора ширина бака,
Примем
Минимальная длина бака,
Высота активной части,
м:
(2.15)
где
-
высота ярма, м,
= 0,145 м;
n
- толщина подкладки под нижнее ярмо; n=50мм
.
Допустимое расстояние от
верхнего ярма до крышки бака при горизонтальном расположении над верхним ярмом
переключателя ответвлений обмоток ВН следует принять, м;
Ня.к=0,4.
Глубина бака, м;
Нб=Накт+Ня.к, (2.16)
Нб=0,744+0,4= 1,144.
Допустимое превышение
средней температуры масла над температурой окружающего воздуха для наиболее
нагретой обмотки ВН, 0С;
(2.17)
Найденное значение может
быть допущено, т.к. превышение температуры масла в верхних слоях в этом случае
будет, 0С;

(2.18)
Перепад температуры на
внутренней поверхности стенки бака предварительно следует принять, 0С;
Qм.б=5
(запас 3).
Превышение температуры
наружной стенки бака над температурой окружающего воздуха, 0С;
Для бака со стенками в
виде волн при выборе основных размеров стенки придерживаются соотношений,
дающих достаточно полное использование воздушного и масляного каналов волн:
Таблица 6 Основные
размеры бака
|
Величина
|
Численное
значение
|
|
Отношение
относительной ширина воздушного канала к ширине масляного канала, а/с
|
2,5
|
|
Ширина
масляного канала с, мм
|
10
|
|
Ширина
воздушного канала а, мм
|
25
|
|
Глубина
волны b, мм
|
300
|
|
Толщина
стенки бака , мм
|
0,8
|
Поверхность излучения стенки, м2;
(2.19)
Рисунок 5 - Основные
размеры бака и волнистой стенки
Развернутая длина волны
по рисунку 5 получится, м;
Развернутая длина волны,
м:
(2.20)
где t - шаг волны стенки,м
, (2.21)
.
(2.22)
.
Поверхность конвекции
стенки, м2,
(2.23)
где кв - коэффициент,
учитывающий затруднение конвекции воздуха в воздушных каналах волн,
(2.24)
где
.
Полная поверхность излучения бака,
м2:
(2.25)
где Пр - поверхность верхней рамы
бака, м2:
, (2.25)
Пкр - поверхность крышки бака, м2:
(2.26)
.
Полная поверхность
конвекции бака, м2:
(2.27)
2.3 Окончательный расчет превышения температуры обмоток и масла
Среднее превышение температуры
стенки бака над температурой окружающего воздуха, 0С;
(2.28)
где к - коэффициент, о.е.,
следует принять к=1,05;
.
Среднее превышение
температуры масла вблизи стенки над температурой стенки бака, 0С;
, (2.29)
где к1 -- коэффициент,
о.е., для естественной циркуляции масла следует принять к1=1;
.
Превышение температуры
масла в верхних слоях над воздухом, 0С;
. (2.30)
Превышение температуры
масла в верхних слоях над температурой воздуха, °С,
<60°С .
Значение
лежит
в допустимых пределах.
Превышение температуры
обмоток над воздухом, 0С;
(2.31)
ОНH
<65°С,
ОВН
<65°С.
Превышение температуры
обмоток над воздухом лежат в пределах допустимых.
2.4 Приближенное определение массы конструктивных материалов и
массы трансформатора
Объем бака, м3:
(2.32)
.
Объем активной части
трансформатора, м3:
(2.32)
где
-
общая масса провода обеих обмоток, кг,
- средняя плотность
активной части
,

для трансформаторов с
алюминиевыми обмотками.
.
Общая масса, кг:
(2.33)
Заключение
В ходе выполнения курсовой работы
были получены следующие основные размеры трансформатора:
– диаметр стержня d=0,15 м;
– высота обмоток l=0,314 м;
– средний диаметр канала между
обмотками d12=0,207 м.
Отклонение полученных величин от
заданных:
– мощность короткого замыкания
-4,395 %;
– напряжение короткого
замыкания -4,877 %;
– мощность потерь холостого
хода - 5,2029 %;
– ток холостого хода - 13,708
%;
– предельная условная температура
ОВН при коротком замыкании длительностью 9 секунды - 153,43 °С;
– наибольшее растягивающее
напряжение sр=5,835 МПа;
– наибольшее сжимающее
напряжение sсж=0,081 МПа.