Проектирование электрической сети
Введение
Основная задача проектирования
электроэнергетических систем и электрических сетей заключается в разработке с
учетом достижений науки и техники решений, определяющих формирование
энергетических систем, развитие электрических станций и сетей, средств их
эксплуатации и управления. При этом должны обеспечиваться оптимальная
надежность электроснабжения и требуемое качество электроэнергии с наименьшими
затратами.
Цель курсового проекта: спроектировать
электрическую сеть 220 кВ ,произвести технико-экономическое сравнение вариантов
электрической сети, рассчитать режим максимальных нагрузок на ЭВМ и исследовать
колебательную статическую устойчивость.
1. Проектирование электрической сети 220 кВ
.1 Составление возможных вариантов конфигурации
сети
Рис. 1.1. Вариант радиальной сети
Рис. 1.2. Вариант кольцевой сети
.2 Расчёт перетоков мощности
Таблица 1.1 Расчетные нагрузки
|
Подстанция
|
Максимальный
режим
|
|
P,
MBт
|
Q,
Мвар
|
S,
МВА
|
|
1
|
55
|
40,8
|
68,75
|
|
2
|
35
|
26,24
|
43,75
|
|
3
|
24
|
18
|
30
|
|
4
|
35
|
26,24
|
43,75
|
|
5
|
28
|
21
|
35
|
Определение полной мощности S:
= P/cosφ
= 55/0,8=68,75 МВА
=43,75 МВА
=30 МВА
=43,75 МВА
=35 МВА
Определение реактивной мощности Q:
=
=
= 40,8 Мвар=26,24
Мвар =18 Мвар =26,24 Мвар =21 Мвар
Расчёт перетоков мощности в кольцевой сети:
Рис.1.3. Кольцевая сеть
Разрезаем кольцевую сеть по источнику питания и
преобразуем ее в схему с двухсторонним питанием:
S2-4S2-5S5ип-3
=48 км
L3-1 =71 км L1-2 =40 км
-4=47 км
L4-5=43 км
L2,-5= 72 км
S2-4 =
=
=
37,2 + j27,96,-5 =
=25,8 + j19,28-5=
S2-4- S4= 2,3 + j3,72-2= S2+
= 98 + j73,48-1 =
S1 + S1-2= 152 + j114,28ип-3=
S3+ S3-1 = 177 + j132,28
Проверка:
S2-4+ S2,-5=
63 + j47,24 = 63 + j47,24
Расчёт перетоков мощности в радиальной сети:
Рис.1.4. Радиальная сеть
S4-5= S5=
28 + j28,21
S2-4= S4+ S4-5= 63+ j47,24-2=
=98
+ j73,48-1 = S1 + S1-2= 152 + j114,28ип-3=
S3+ S3-1 = 177 + j132,28
Проверка:
Sип-3=
S1+ S2+
+
S4+ S5
177 + j132,28= 177 + j132,28
.3 Оценка целесообразности применения напряжения
220 кВ
Таблица 1.2 Выбор
номинального напряжения для радиальной сети
|
Линия
|
P,
MBт
|
L,
км
|
Uрас,
кВ
|
Uном,
кВ
|
|
ип-3
|
177
|
48
|
166
|
220
|
|
3-1
|
153
|
71
|
156
|
220
|
|
1-2
|
98
|
40
|
125
|
220
|
|
2-4
|
63
|
47
|
102
|
220
|
|
4-5
|
28
|
43
|
71
|
220
|
Uрас= 4,34
рас ип-3= 4,34
=166
кВрас 3-1=156 кВ рас 1-2=125 кВ рас 2-4=102 кВ рас 4-5=71 кВ
Таблица 1.3 Выбор
номинального напряжения для кольцевой сети
|
Линия
|
P,
MBт
|
L,
км
|
Uрас,
кВ
|
Uном,
кВ
|
|
ип-3
|
177
|
48
|
166
|
220
|
|
3-1
|
153
|
71
|
156
|
220
|
|
1-2
|
98
|
40
|
125
|
220
|
|
2-4
|
37,2
|
47
|
80
|
220
|
|
4-5
|
2,3
|
43
|
34
|
220
|
|
2’-5
|
25,8
|
72
|
72
|
220
|
рас= 4,34
рас ип-3= 4,34
=166
кВрас 3-1=156 кВрас 1-2=125 кВрас 2-4=80 кВ Uрас 4-5=34 кВ Uрас 2,-5=72 кВ
.4 Выбор сечения проводов участка цепи
Таблица 1.4 Выбор
сечения проводов для радиальной сети
|
Линия
ij
|
Sij,
MBA
|
Uном,
КВ
|
Iij,
A
|
Iп.ав,
А
|
Iдоп,
А
|
Fi,
мм2
|
Fном,
мм2
|
|
ип-3
|
222,5
|
220
|
292
|
584
|
710
|
292
|
300/39
|
|
3-1
|
192,5
|
220
|
253
|
506
|
605
|
253
|
240/32
|
|
1-2
|
122,5
|
220
|
161
|
322
|
605
|
161
|
240/32
|
|
2-4
|
78,75
|
220
|
103
|
206
|
605
|
103
|
240/32
|
|
4-5
|
35
|
220
|
46
|
92
|
605
|
46
|
240/32
|
Определение тока Ii на участке i:
Ii=
ип-3=
=
*103=292
A
I3-1=253 A-2=161 A-4=103 A-5=46 A
Определение сечения
проводов:
Fi= Ii/jэ
jэ=1 → Fi=
Ii
Таблица 1.5 Выбор
сечения проводов для кольцевой сети
|
Линия
ij
|
Sij,
MBA
|
Uном,
КВ
|
Iij,
A
|
Iп.ав,
А
|
Iдоп,
А
|
Fi,
мм2
|
Fном,
мм2
|
|
ип-3
|
122,5
|
220
|
161
|
322
|
605
|
161
|
240/32
|
|
3-1
|
140
|
220
|
367
|
708
|
825
|
367
|
400/51
|
|
1-2
|
55
|
220
|
144
|
-
|
605
|
144
|
240/32
|
|
2-4
|
56,25
|
220
|
74
|
148
|
605
|
74
|
240/32
|
|
4-5
|
68,75
|
220
|
90
|
180
|
605
|
90
|
240/32
|
|
2’-5
|
130
|
220
|
341
|
708
|
825
|
341
|
400/51
|
Определение полной мощности Si на участке i:
S=
Sип-1=
=122,5
MBAип-3=140
MBA-2=55 MBA-4=56,25 MBA-5=68,75 MBA
Sип-2=130 MBA
Определение тока Ii на участке i:
Iип-1=
=
*103=161
A
Iип-3=367A-2=144
A-4=74 A-5=90 A
Iип-2=341
А
Определение сечения проводов:
= Ii/jэ jэ=1 → Fi= Ii
.5 Расчёт потерь напряжения и потерь мощности
Табл. 1.6 Удельные
и расчетные параметры участков радиальной сети
|
Линия
ij
|
Марка
провода
|
L,
км
|
R0,
Ом/км
|
Х0,
Ом/км
|
n
|
Rij,
Ом
|
Хij,
Ом
|
|
ип-3
|
АС-240
|
48
|
0,098
|
0,429
|
2
|
2,4
|
10,3
|
|
3-1
|
АС-400
|
71
|
0,121
|
0,435
|
2
|
4,3
|
15,4
|
|
1-2
|
АС-300
|
40
|
0,121
|
0,435
|
2
|
2,4
|
8,7
|
|
2-4
|
АС-240
|
47
|
0,121
|
0,435
|
2
|
2,8
|
10,2
|
|
4-5
|
АС-240
|
43
|
0,121
|
0,435
|
2
|
2,6
|
9,4
|
Определение активного сопротивления участков:
=R0L/n
Rип-3=0,098*48/2=2,4 Ом-1=4,3 Ом-2=2,4 Ом-4=2,8
Ом-5=2,6 Ом
Определение реактивного сопротивления участков:
Хij=Х0L/n
Хип-3=0,429*48/2=10,3 Ом
Х3-1=15,4 Ом
Х1-2=8,7 Ом
Х2-4=10,2 Ом
Х4-5=9,4 Ом
Таблица 1.7
Удельные и расчетные параметры участков кольцевой сети
|
Линия
ij
|
Марка
провода
|
L,
км
|
R0,
Ом/км
|
Х0,
Ом/км
|
n
|
Rij,
Ом
|
Хij,
Ом
|
|
ип-1
|
АС-240
|
51
|
0,121
|
0,435
|
2
|
3,1
|
11,1
|
|
ип-3
|
АС-400
|
48
|
0,075
|
0,42
|
1
|
3,6
|
20,2
|
|
3-2
|
АС-300
|
47
|
0,121
|
0,435
|
1
|
5,7
|
|
2-4
|
АС-240
|
52
|
0,121
|
0,435
|
2
|
3,2
|
11,3
|
|
2-5
|
АС-240
|
42
|
0,121
|
0,435
|
2
|
2,5
|
9,1
|
|
ип-2
|
АС-400
|
72
|
0,075
|
0,42
|
1
|
5,4
|
30,2
|
Определение активного сопротивления участков:
=R0L/n
ип-1=0,121*51/2=3,1 Омип-3=3,6Ом-2=5,7Ом-4=3,2
Ом-5=2,5 Омип-2=5,4 Ом
Определение реактивного сопротивления участков:
Хij=Х0L/n
Хип-1=0,435*51/2=11,1 Ом
Хип-3=20,2 Ом
Х3-2=20,5 Ом
Х2-4=11,3 Ом
Х2-5=9,1 Омип-2=30,2 Ом
Таблица 1.8 Потери
напряжения и потери мощности в радиальной сети
|
Линия
|
Uном,
кВ
|
Pij,
МВт
|
Qij,
Мвар
|
Sij,
МВА
|
∆U,
кВ
|
∆P,
MBт
|
|
ип-3
|
220
|
177
|
132,28
|
222,5
|
8,1
|
2,5
|
|
3-1
|
220
|
153
|
114,28
|
192,5
|
11
|
3,3
|
|
1-2
|
220
|
98
|
73,48
|
122,5
|
4
|
0,74
|
|
2-4
|
220
|
63
|
47,24
|
78,45
|
3
|
0,36
|
|
4-5
|
220
|
28
|
21
|
35
|
1,22
|
0,06
|
Определение потерь активной мощности на участках
сети:
∆P=
∆Pип-3=
*2,4=2,5
MBт
∆P 3-1=3,3 MBт
∆P 1-2=0,74 MBт
∆P 2-4=0,36 MBт
∆P 4-5=0,06 MBт
Определение суммарных потерь активной мощности в
сети:
∆P∑=∑∆Pij
∆P∑=2,5+3,3+0,74+0,36+0,06=6,96MBт
Определение суммарных потерь в процентах от суммарной мощности нагрузок в
максимальном режиме:
∆P∑%=
*100%
∆P∑%=
*100%=3,9%
Расчет потерь напряжения на участках сети:
∆U=
∆U ип-3=
=8,1кВ
∆U 3-1=11 кВ
∆U 1-2=4 кВ
∆U 2-4=3 кВ
∆U 4-5=1,22 кВ
∆Umax=8,1+11+4+3+1,22=27,3 кВ
∆Umax%=
*100%=
27,3/220*100=12,4%
Таблица 1.9 Потери
напряжения и потери мощности в кольцевой сети
|
Линия
|
Uном,
кВ
|
Pij,
МВт
|
Qij,
Мвар
|
Sij,
МВА
|
∆U,
кВ
|
∆P,
MBт
|
|
ип-1
|
220
|
98
|
73,5
|
122,5
|
5,1
|
0,96
|
|
ип-3
|
220
|
112,26
|
84,19
|
140
|
9,7
|
1,46
|
|
3-2
|
220
|
44,26
|
33,19
|
55
|
4,2
|
0,36
|
|
2-4
|
220
|
45
|
33,75
|
56,25
|
2,4
|
0,21
|
|
2-5
|
220
|
55
|
41,25
|
68,75
|
2,3
|
0,24
|
|
ип-2
|
220
|
103,73
|
77,8
|
130
|
13,2
|
1,9
|
Определение потерь активной мощности на участках
сети:
∆P=
∆Pип-1=
*3,1=0,96
MBт
∆P ип-3=1,46
MBт
∆P 3-2=0,36 MBт
∆P 2-4=0,21 MBт
∆P 2-5=0,24 MBт
∆P ип-2=1,9
MBт
Определение суммарных потерь активной мощности в
сети:
∆P∑=∑∆Pij
∆P∑=0,96+1,46+0,36+0,21+0,24+1,9=
5,13 MBт
Определение суммарных потерь в процентах от
суммарной мощности нагрузок в максимальном режиме:
∆P∑%=
*100%
∆P∑%=
*100%=2,9%
Расчет потерь напряжения на участках сети:
∆U=
∆U ип-1=
=5,1кВ
∆U ип-3=9,7
кВ
∆U 3-2=4,2 кВ
∆U 2-4=2,4 кВ
∆U 2-5=2,3 кВ
∆U ип-2=13,2
кВ
∆Umax=5,1+9,7+4,2+2,4=21,4 кВ
∆Umax%=
*100%=
21,4/220*100=9,7%
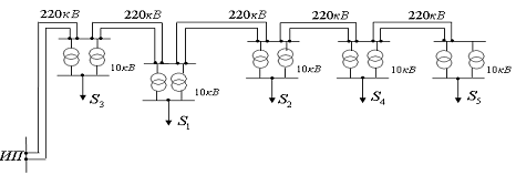
1.6 Выбор трансформаторов на подстанции.
Принципиальная схема сети
Таблица 1.9 Выбор
мощности трансформаторов
|
Узел
|
Число
трансформаторов
|
Sнаг,
МВА
|
Sном,
МВА
|
Кз.н
|
Кз.па
|
|
1
|
2
|
49,1
|
100
|
0,44
|
0,88
|
|
2
|
2
|
31,25
|
63
|
0,34
|
0,68
|
|
3
|
2
|
21,4
|
63
|
0,48
|
0,96
|
|
4
|
2
|
31,25
|
63
|
0,32
|
0,64
|
|
5
|
2
|
25
|
63
|
0,39
|
0,78
|
ном ≥
Определение коэффициента загрузки
трансформаторов в нормальном режиме:
Кз.н=
Кз.н-1=
=0,44
Кз.н-2=0,34
Кз.н-3=0,48
Кз.н-4=0,32
Кз.н-5=0,39
Определение коэффициента загрузки
трансформаторов в послеаварийном режиме:
Кз.па=
Кз.па-1=87,5/100=0,88
Кз.па-2=0,68
Кз.па-3=0,96
Кз.па-4=0,64
Кз.па-5=0,78
Рис.1.5. Принципиальная схема радиальной сети
.7 Технико-экономическое сравнение вариантов
сети
Определение капитальных вложений в радиальную
сеть:
К1=Кл + Кпс
Кл=∑ Клi*Li
Кл=21*102 + 21*104 +21*84+23,8*96
+21,6*94=10405.2 тыс.руб.
Кпс= Кру + Кт
Кру=∑ Кв*Nв
Кру=105*20=2100 тыс.руб.
Кт=2*(231+193+265+193+189)=2142 тыс.руб.
Кпс=2100+2142=4242 тыс.руб.
К1= 10405.2+4242= 14647.2 тыс.руб.
Определение капитальных вложений в кольцевую
сеть:
К2=Кл + Кпс
Кл=∑ Клi*Li
Кл=21*102 +
23,8*48+47*21+104*21+84*21+72*23,8=9933 тыс.руб.
Кпс= Кру + Кт
Кру=∑ Кв*Nв
Кру=105*18=1890 тыс.руб.
Кт=2*(231+193+265+193+189)=2142 тыс.руб.
Кпс=4032 тыс.руб.
К2= 13965 тыс.руб.
Определение ежегодных эксплуатационных издержек
для радиальной сети:
И1=Ил+Ипс+Сэ
Ил=
=
2,8/100*10405,2=291,34 тыс.руб.
Ипс=
=
8,4/100*4242=356,33 тыс.руб.
Сэ=∆Wг *Сэ`
∆Wг=∆P∑*τ=5,74*4500=25830
МВт=25830000 кВт
Сэ`= 1,5коп/кВт,ч
Сэ=0,000015*25830000=387,45 тыс.руб.
И1=291,34+356,33+387,45=1035,12 тыс.руб.
Определение ежегодных эксплуатационных издержек
для кольцевой сети:
И2=Ил+Ипс+Сэ
Ил=
=
2,8/100*9933=278,12 тыс.руб.
Ипс=
=
8,4/100*4032=338,69тыс.руб.
Сэ=∆Wг *Сэ`
∆Wг=∆P∑*τ=5,13*4500=23085
МВт=23085000 кВт
Сэ`= 1,5коп/кВт,ч
Сэ=0,000015*23085000=346,27тыс.руб.
И2=278,12+338,69+346,27 =963,08 тыс.руб.
Определение приведенных затрат для радиальной и
кольцевой сетей:
Зi=ЕнК + И
З1=0,12*14647,2+1035,12=2792,784 тыс.руб.
З2=0,12*13965+963,08=2638,88 тыс.руб.
∆З= З1- З2/ З2*100%= 2792,784 -
2638,88/2638,88* 100%=5,8%
Таким образом оптимальной является кольцевая
сеть.
2. Расчет режима максимальных нагрузок
сеть напряжение трансформатор
подстанция
Подготовка исходных данных
Таблица 2.1
Генераторы
|
№
|
Имя
|
Рном
Мвт
|
Uном
кВ
|
cosφ
|
Хad
o.e.
|
Хs
o.e.
|
Хaq
o.e.
|
Хsr
o.e.
|
Tdo
c
|
Tj
c
|
|
Г1
|
10хТГВ-500
|
5000
|
20
|
0,85
|
1,408
|
0,162
|
0,778
|
0,25
|
6,3
|
5,6
|
|
Г2
|
5Хтгв-800-2
|
4000
|
24
|
0,9
|
1,408
|
0,162
|
0,778
|
0,25
|
9,4
|
5,3
|
Таблица 2.2
Генераторы
|
№
|
Хsrd
o.e.
|
Trd
c
|
Хsrq
o.e.
|
Trq
c
|
Tбч
c
|
T1f
c
|
Tokp1
c
|
Tokp2
c
|
T1u
c
|
|
Г1
|
0,181
|
0,126
|
0,136
|
1
|
0,05
|
0,026
|
0,08
|
0,0016
|
0,0286
|
|
Г2
|
0,181
|
0,126
|
0,136
|
1
|
0,05
|
0,026
|
0,08
|
0,0016
|
0,0286
|
Таблица 2.3
Генераторы
|
№
|
K0u
|
K1u
|
K0w
|
K1w
|
Qmax
|
Qmin
|
|
Г1
|
120
|
20
|
0
|
0
|
0
|
|
Г2
|
120
|
20
|
0
|
0
|
0
|
0
|
Таблица 2.4
Параметры двухобмоточных трансформаторов
|
Имя
|
Sном
МВА
|
Uв,
кВ
|
Uн,
кВ
|
Pкз,
МВт
|
Uкз,
%
|
Pхх,
МВт
|
Ixx,
%
|
|
10хТЦ630000/500
|
630
|
525
|
20
|
0
|
0
|
0
|
0
|
|
5хТЦ1000000/500
|
1000
|
525
|
24
|
0
|
0
|
0
|
0
|
|
T6
|
1000
|
500
|
220
|
0
|
0
|
0
|
0
|
|
T8
|
100
|
220
|
11
|
0
|
0
|
0
|
0
|
|
3
|
40
|
230
|
11
|
0
|
0
|
0
|
0
|
|
5
|
63
|
230
|
11
|
0
|
0
|
0
|
0
|
|
2
|
40
|
230
|
11
|
0
|
0
|
0
|
0
|
|
1
|
40
|
230
|
11
|
0
|
0
|
0
|
0
|
|
4
|
40
|
230
|
11
|
0
|
0
|
0
|
0
|
Таблица 2.5
Параметры двухобмоточных трансформаторов
|
Имя
|
R,
Ом
|
X,
Ом
|
Kтр
|
G,
Ом
|
B,
Ом
|
N,шт
|
|
10хТЦ630000/500
|
0,9
|
61,3
|
0,038095
|
0
|
0
|
10
|
|
5хТЦ1000000/500
|
0,55
|
40
|
0,045714
|
0
|
0
|
5
|
|
T6
|
2
|
100
|
0,44
|
0
|
0
|
1
|
|
T8
|
0,4
|
30
|
0,05
|
0
|
0
|
1
|
|
3
|
5,6
|
158,7
|
0,047826
|
0
|
0
|
2
|
|
5
|
3,9
|
100,7
|
0,047826
|
0
|
0
|
2
|
|
2
|
5,6
|
158,7
|
0,047826
|
0
|
0
|
2
|
|
1
|
5,6
|
158,7
|
0,047826
|
0
|
0
|
2
|
|
4
|
5,6
|
158,7
|
0,047826
|
0
|
0
|
2
|
Таблица 2.6 Линии
500 кВ
|
Имя
|
R,
Ом/км
|
X,
Ом/км
|
B,
Ом/км
|
L,
км
|
N,
шт
|
|
Линия
№1 3хАС400/51
|
0,025
|
0,42
|
2,7
|
220
|
6
|
|
Линия
№3 3АС300/66
|
0,034
|
0,429
|
2,64
|
130
|
6
|
|
Линия
№2 3хАС400/51
|
0,025
|
0,42
|
2,7
|
180
|
6
|
|
ип-3
|
0,075
|
0,42
|
2,7
|
47
|
2
|
|
3-5
|
0,121
|
0,435
|
2,6
|
32
|
2
|
|
3-2
|
0,121
|
0,435
|
2,6
|
37
|
2
|
|
2-1
|
0,121
|
0,435
|
2,6
|
45
|
1
|
|
1-4
|
0,121
|
0,435
|
2,6
|
50
|
1
|
|
2-4
|
0,121
|
0,435
|
2,6
|
41
|
1
|
Таблица 2.7 Данные
по нагрузкам
|
Имя
|
Pном,
МВт
|
Uном,
кВ
|
Qном,
МВт
|
А0
А1 А2 В0 В1В2
|
|
эквивалентная
наргузка
|
1500
|
525
|
800
|
0
; 0 ; 0 ; 0 ; 0 ; 0
|
|
Нагрузка
S4
|
70
|
11
|
40
|
0
; 0 ; 0 ; 0 ; 0 ; 0
|
|
3
|
30
|
11
|
22,5
|
0
; 0 ; 0 ; 0 ; 0 ; 0
|
|
5
|
69
|
11
|
51,75
|
0
; 0 ; 0 ; 0 ; 0 ; 0
|
|
2
|
27
|
11
|
20,25
|
0
; 0 ; 0 ; 0 ; 0 ; 0
|
|
1
|
33
|
11
|
24,75
|
0
; 0 ; 0 ; 0 ; 0 ; 0
|
|
4
|
40
|
11
|
30
|
0
; 0 ; 0 ; 0 ; 0 ; 0
|
Таблица 2.8
Реакторы
|
Имя
|
Uном,
кВ
|
G,
мкСм
|
B,
мкСм
|
|
реактор
№1
|
525
|
0
|
1306
|
|
реактор
№2
|
525
|
0
|
1306
|
|
реактор
№3
|
525
|
0
|
2612
|
Таблица 2.9
Компенсатор
|
Имя
|
Sном,
МВт
|
Uном,
кВ
|
Ераб
|
Xd
|
X”d
|
X2
|
|
6хКСВБ-100-11
|
600
|
11
|
0
|
0
|
0
|
0
|
Расчёт режима

Рис. 1.8. Схема сети
Отчет программы расчета режима
Таблица 2.10
Расчетные параметры ЛЭП
|
Имя
|
Эквивалентное
активное сопротивление - R, Ом
|
Эквивалентное
реактивное сопротивление - X, Ом
|
Эквивалентная
емкостная проводимость - B, Ом
|
|
Линия
№1 3хАС400/51
|
0,91667
|
15,4
|
3564
|
|
Линия
№3 3АС300/66
|
0,73667
|
9,295
|
2059,2
|
|
Линия
№2 3хАС400/51
|
0,75
|
12,6
|
2916
|
|
ип-3
|
1,7625
|
9,87
|
253,8
|
|
3-5
|
1,936
|
6,96
|
166,4
|
|
3-2
|
2,2385
|
8,0475
|
192,4
|
|
2-1
|
5,445
|
19,575
|
117
|
|
1-4
|
6,05
|
21,75
|
130
|
|
2-4
|
4,961
|
17,835
|
106,6
|
Таблица 2.11 Шины
бесконечной мощности
|
Имя
|
Номинальное
напряжение - Un, кВ
|
|
S1
|
500
|
Таблица 2.12
Расчетные параметры двухобмоточных трансформаторов (Г-образная схема замещения)
|
Имя
|
Активное
сопротивление - R, Ом
|
Реактивное
сопротивление - X, Ом
|
Коэффициент
трансформации Re(Kтр)
|
Коэффициент
трансформации Im(Kтр)
|
Реактивная
проводимость - B, Ом
|
|
10хТЦ-630000/500
|
0,9
|
61,3
|
0,038095
|
0
|
0
|
0
|
|
5хТЦ1000000/500
|
0,55
|
40
|
0,045714
|
0
|
0
|
0
|
|
T6
|
2
|
100
|
0,44
|
0
|
0
|
0
|
|
T8
|
0,4
|
30
|
0,05
|
0
|
0
|
0
|
|
3
|
5,6
|
158,7
|
0,047826
|
0
|
0
|
0
|
|
5
|
3,9
|
100,7
|
0,047826
|
0
|
0
|
0
|
|
2
|
5,6
|
158,7
|
0,047826
|
0
|
0
|
0
|
|
1
|
5,6
|
158,7
|
0,047826
|
0
|
0
|
0
|
|
4
|
5,6
|
158,7
|
0,047826
|
0
|
0
|
0
|
Таблица 2.13
Расчетные напряжения в узлах схемы
|
Узел
№
|
Модуль
напряжения, кВ
|
Фаза,
°
|
|
1
|
20
|
39,477
|
|
2
|
24
|
29,543
|
|
3
|
510,433
|
32,937
|
|
4
|
503,101
|
22,626
|
|
5
|
494,993
|
15,439
|
|
6
|
500
|
0
|
|
7
|
242,047
|
9,523
|
|
8
|
14,91
|
7,672
|
|
9
|
235,095
|
7,749
|
|
10
|
10,833
|
5,256
|
|
11
|
10,512
|
3,579
|
|
12
|
231,981
|
7,041
|
|
13
|
229,232
|
6,45
|
|
14
|
10,496
|
3,547
|
|
15
|
10,721
|
4,744
|
|
16
|
229,061
|
6,433
|
|
17
|
10,379
|
2,871
|
|
18
|
232,871
|
7,356
|
Таблица 2.14
Генерация и потребление мощности в узлах схемы
|
Узел
№
|
Суммарная
генерация активной мощности - Pg, МВт
|
Суммарная
генерация реактивной мощности - Qg, МВАР
|
Суммарное
потребление активной мощности - Pn, МВт
|
Суммарное
потребление реактивной мощности - Qn, МВАР
|
|
1
|
5000
|
1452,89
|
0
|
0
|
|
2
|
4000
|
1633,719
|
0
|
0
|
|
3
|
0
|
0
|
0
|
0
|
|
4
|
0
|
0
|
1500
|
800
|
|
5
|
0
|
0
|
0
|
0
|
|
6
|
-6947,045
|
1523,312
|
0
|
0
|
|
7
|
0
|
0
|
0
|
0
|
|
8
|
0
|
600
|
70
|
40
|
|
9
|
0
|
0
|
0
|
0
|
|
10
|
0
|
0
|
30
|
22,5
|
|
11
|
0
|
0
|
69
|
51,75
|
|
12
|
0
|
0
|
0
|
0
|
|
13
|
0
|
0
|
0
|
0
|
|
14
|
0
|
0
|
33
|
24,75
|
|
15
|
0
|
0
|
27
|
20,25
|
|
16
|
0
|
0
|
0
|
0
|
|
17
|
0
|
0
|
40
|
30
|
|
18
|
0
|
0
|
0
|
0
|
Таблица 2.15 Потери
мощности в ЛЭП
|
Имя
|
Узел
№
|
Узел
№
|
Потери
активной мощности - dP, МВт
|
Потери
реактивной мощности - dQ, МВАР
|
|
Линия
№1 3хАС400/51
|
3
|
5
|
90,996
|
1528,7
|
|
Линия
№3 3АС300/66
|
5
|
6
|
151,6
|
1912,8
|
|
Линия
№2 3хАС400/51
|
4
|
5
|
18,735
|
314,74
|
|
ип-3
|
7
|
9
|
1,804
|
10,102
|
|
3-5
|
9
|
18
|
0,27905
|
1,0032
|
|
3-2
|
9
|
12
|
0,57833
|
2,0791
|
|
2-1
|
12
|
13
|
0,17431
|
0,62666
|
|
1-4
|
13
|
16
|
0,00040199
|
0,0014452
|
|
2-4
|
12
|
16
|
0,21007
|
0,75521
|
Таблица 2.16 Потери
мощности в трансформаторах
|
Имя
|
Узел
№
|
Узел
№
|
Потери
активной мощности - dP, МВт
|
Потери
реактивной мощности - dQ, МВАР
|
|
10хТЦ-630000/500
|
1
|
3
|
8,8614
|
603,56
|
|
5хТЦ1000000/500
|
2
|
4
|
7,4326
|
540,55
|
|
T6
|
5
|
7
|
1,1873
|
59,363
|
|
T8
|
7
|
8
|
1,4346
|
107,6
|
|
3
|
9
|
10
|
0,077527
|
2,1971
|
|
5
|
18
|
11
|
0,3021
|
7,8004
|
|
2
|
12
|
15
|
0,064247
|
1,8207
|
|
1
|
13
|
14
|
0,099756
|
2,827
|
|
4
|
16
|
17
|
0,14976
|
4,2442
|
Исследование колебательной статистической
устойчивости
Расчёт коэффициентов K0w и K1w для генератора Г1
Рис. 3.1. Область Д-разбиения для генератора Г1
Рис. 3.2. Сравнение характеристик и кривых
Рис. 3.3. Поиск αmax
для Г1
Из рис.3.3 видно что αmax
= -0,796, тогда K0w = 5,5 ; K1w =1,2
Расчёт коэффициентов K0w и K1w для генератора Г2
Учитывая найденные коэффициенты для Г1 построим
область Д-разбиения для генератора Г2
Рис. 3.4. Область Д-разбиения для генератора Г2
Рис. 3.5. Сравнение характеристик и кривых
Рис. 3.6. Поиск αmax
для Г2
Из рис.3.6 видно что αmax
= -1,0268, тогда K0w = 4 ; K1w =1,6
Исходя из полученных данных заполняем таблицу
для Г1 и Г2
Таблица 3.1. Регулировочные коэффициенты
|
Генератор
|
K0w
|
K1w
|
αmax
|
|
G1
|
5,5
|
1,2
|
-0,796
|
|
G2
|
4
|
-1,0268
|
Заключение
В результате выполнения курсового проекта была
спроектирована электрическая сеть 220кВ, выполнено технико-экономическое
сравнение вариантов электрической сети в результате которого оптимальной
является кольцевая сеть, рассчитан режим максимальных нагрузок на ЭВМ и
исследована колебательная статистическая устойчивость.
Список используемой литературы
1. Ванюков А.П., Игнатьев И.В.
Электрический расчет районной сети: Учебное пособие.- Братск: ГОУ ВПО «БрГУ»,
2006.-80с.
. Справочник по проектированию
электроэнергетических систем/ Под ред. С.С. Рокотяна и И.М. Шапиро - М.:
Энергоатомиздат, 1985.-350 с.
. Поспелов, Г.Е. Проектирование
электрических сетей и систем/ Г.Е. Поспелов, В.Т. Федин. - Минск: Высшая школа,
1978.-304 с.