Проект узловой подстанции 330/35/6
Содержание
Введение
. Выбор числа и мощности силовых
трансформаторов
.1 Выбор числа питающих ВЛ, выбор сечений проводов питающих
ВЛ
1.2 Выбор сечений
проводов питающих ВЛ
. Разработка и обоснование принципиальной электрической схемы
подстанции
3. Расчет токов короткого замыкания
4. Выбор и проверка основных электрических аппаратов и токоведущих частей
подстанции
4.1 Выбор и проверка основных электрических аппаратов
4.1.1 Выбор и проверка выключателей высокого напряжения
4.1.2 Выбор и проверка разъединителей
4.1.3 выбор и проверка измерительных трансформаторов тока
.1.4 Выбор и проверка измерительных трансформаторов
напряжения
.1.5 Выбор и проверка ограничителей перенапряжений нелинейных
цепей
4.2 Выбор и проверка основных токоведущих частей
4.2.1 Выбор сборных шин токоведущих связей РУВН
4.2.2 Выбор и проверка сборных шин и токоведущих связей РУСН
.2.3 Выбор и проверка сборных шин и токоведущих связей РУНН
.2.4 Выбор изоляторов
4.2.5 Выбор трансформатора собственных нужд
Заключение
Список литературы
Введение
В наше время вся хозяйственная деятельность построена на использовании
электрической энергии. Ни одно производство, ни одно предприятие не может
функционировать, ни будучи электрифицированным. Поэтому существует острая
потребность в строительстве новых электроустановок.
Электроэнергия, вырабатываемая на электростанции, поступает на
электрические подстанции, на которых происходит преобразование электроэнергии
по напряжению, частоте или роду тока. Электрическая подстанция, предназначенная
для преобразования электрической энергии одного напряжения в энергию другого
напряжения с помощью трансформаторов, называется трансформаторной подстанцией.
Электроустановка, предназначенная для приема и распределения
электрической энергии на одном напряжении, называется электрическим
распределительным устройством (РУ). Распределительное устройство используется
во всех звеньях системы электроснабжения:
на электростанциях для распределения электроэнергии, вырабатываемой
генераторами;
в электрических сетях для приема электроэнергии по одним линиям и
распределения ее для передачи по другим линиям;
у потребителей для распределения, поступающей электроэнергии между
приемниками.
Потребителем электрической энергии называется предприятие, организация,
учреждение, у которых приемники электрической энергии присоединены к
электрической сети и используют электрическую энергию.
В этом проекте необходимо спроектировать узловую подстанцию со следующими
параметрами:
Sкз=3523 МВА;
Расстояние до системы
Число отходящих линий от РУ ВН
Мощность транзита через РУ ВН
Число отходящих линий от РУ СН
Мощность нагрузки на среднем напряжении
Число отходящих линий от РУ НН
Мощность нагрузки на низком напряжении
1. Выбор числа и мощности силовых трансформаторов
Проектируемая подстанции является узловой, через неё осуществляется
транзит мощности и питание потребителей на двух уровнях напряжение, на каждом из которых присутствуют потребители первой категории.
Данная подстанции является трехуровневой по напряжению: Uвн=330 кВ, Uсн=35кВ, Uнн=6
кВ, поэтому выбираем автотрансформатор. По условиям надежности необходимо обеспечить резерв на случай выхода из строя
автотрансформатора, поэтому необходимо установит два автотрансформатора .
Мощность, приходящаяся на два автотрансформатора:
МВА
Мощность одного автотрансформатора в нормальном режиме работы:
МВА
Выбираем из стандартного ряда автотрансформаторов автотрансформаторы
АТДЦТН-63000/330/35/6
Проверяем автотрансформатор на загруженность:
Коэффициент загрузки автотрансформатора в нормальном режиме:
Коэффициент загрузки в нормальном режиме находится в пределах нормы-
.
Коэффициент загрузки автотрансформатора в послеаварийной режиме:
Коэффициент загрузки автотрансформатор в послеаварийном режиме не
превышает допустимые нормы (Кз=1-1.5).
.1 Выбор числа питающих ВЛ, выбор сечения проводов питающих Вл
Так как через подстанцию осуществляется транзит мощности и среди
потребителей есть потребители первой категории, то необходим резерв по линиям, питающим подстанцию, откуда понятно, что количество,
питающих ВЛ должно быть не меньше двух.
Пропускная способность линии 330кВ -150МВт, таким образом нужно задать 1
линию, так как мощность подходящая к подстанции равна:
МВА
Возьмем одну двухцепную питающую линию.
1.2 Выбор сечений проводов питающих ВЛ
Полученные по экономическим токовым интервалам сечения проводов линий,
проверяются также по короне на линии и допустимой длительной токовой нагрузке
по нагреву.
Значение расчетного ток определяется из выражения:
где αi=1.05-
коэффициент, учитывающий изменение тока по годам эксплуатации;
αt=1.3 - коэффициент, учитывающий число часов использования
максимальной нагрузки линии;
Im
-максимальный ток линии.
Максимальный ток линии определяется из выражения:
А;
- номинальное напряжение сети;
- количества цепей.
A;
По экономическим токовым интервалам выбираем сечение провода
S=300
, провод АС 240/39, опоры
железобетонные.
Проверка по условиям короны.
Для ВЛ 330 кВ минимальное сечение провода - 300/39, значит, выбранный проводник соответствует условиям короны.
Проверка по условиям допустимой токовой нагрузки по нагреву.
Проверка проводов по условиям нагрева имеет большое значение.
Несоблюдение этих условий приводит к снижению срока службы линий. Температура
провода не должна превышать установленную температуру для данного типа провода.
Для голых проводов ВЛ температура нагрева провода установлена в размере 70ºС. Эта температура является отметкой
после которой нагрев вызовет коррозию и разрушение контактов соединения
проводов и их ослабление при последующем снижении температуры провода.
Для нормальной работы линии длительно допустимый ток должен
соответствовать следующим условиям:
,
где
- длительно допустимый ток, А;
- наибольший из токов линии в послеаварийном режиме, А;
Определяем наибольший ток, протекающий по линии.
А;
где
- наибольший ток в линии, А;
- номинальное напряжение, А;
n-
число цепей (n=1);
Для выбранного провода марки АС-300/39
=710А, значит условие выполняется.
.
Разработка и обоснование принципиальной электрической схемы подстанции
Проектируемая узловая подстанция является трехуровневой по напряжению, исходя из этого, выбираются автотрансформаторы.
Из условий надежности их число равно
двум. Поэтому структурная схема проектируемой узловой подстанции будет
выглядеть следующим образом:
Рис 2.1 Структурная схема проектируемой
подстанции.
При проектировании схемы подстанции необходимо рассматривать её роль в
энергосистеме, уровень напряжения, количество уровней напряжения, мощность
нагрузки, количество присоединений, требования надежности электроснабжения
потребителей, перспективы развития. Схемы подстанций должны быть составлены
таким образом, чтобы была возможность их постепенного расширения и соблюдения
требований необходимой релейной защиты и автоматики. Число и вид коммутационных
автоматов выбирается таким образом, чтобы обеспечивалась возможность
поочерёдного ремонта отдельных элементов подстанции без соседних присоединений.
В проектах развития электрических сетей как правило используют типовые
схемы подстанций.
РУ высокого напряжения. В РУ ВН номинальное напряжение- 330кВ, количество присоединений равно семи, мощность
автотрансформатора равна 330кВ, количество присоединений равно семи, мощность
автотрансформаторов равна 63000кВА. В распредустройствах 110-330кВ с большим
количеством присоединений (7….15) и мощностью трансформатора 63МВА и выше
рекомендуется схема с двумя рабочими и обходной системами шин с одним выключателем
на цепь. Как правило, обе системы шин находятся в работе при соответствующим
фиксированном распределении всех присоединений: линии W1, W2, и
трансформатор Т1
присоединены к первой системе шин К1, шиносоединительный выключатель QK включен. Такое распределение
присоединений увеличивает надёжность схемы, так как при к.з. на шинах
отключаются шиносоединительный выключатель QK и только половина присоединений. Перерыв электроснабжения
половины присоединений определяется длительностью переключений.
Такая схема позволяет производить ремонт одной системы шин, сохраняя в
работе все присоединения. Так при ремонте секции шин К1 все её присоединения
переводятся на обходную КВ, для чего производятся следующие операции:
выключают секционный выключатель QK и трансформатор связи Т1;
включают обходной выключатель QB и с его привода снимают оперативный ток;
проверяют включенное положение QB;
включают на обходную систему шин КВ разъединители всех переводимых
присоединений;
отключают от системы шин К1 разъединители всех присоединений кроме
разъединителей QB и
трансформатора напряжения;
переключают питание приборов не трансформатор напряжения системы шин К2;
проверяют отсутствие напряжения на QB;
на привод подают оперативный ток и отключают QB;
производят подготовку к ремонту системы шин К1.
Рис 2.2 Схема РУ ВН -две рабочие и
обходная системы шин.
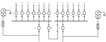
РУ среднего напряжения. РУ СН с номинальным напряжением -35кВ с числом
присоединений равными трем, соответственно распредустройство аналагично РУ
ВН-секционированная система шин с обходной.
Рис.2.2.1 Схема РУ СН -одна рабочая и одна
обходная системы шин.
РУ низкого напряжения. Номинальное напряжение - 6кВ, число присоединений
равно шестнадцати.
Прием схему с одной секционированной системой шин. Источники питания и
линии присоединяются к сборным шинам с помощью выключателей и разъединителей.
На каждую цепь необходим один выключатель, который служит для отключения и
включения этой цепи в нормальном и аварийном режимах. При необходимости
отключения линии W1 достаточно
отключить выключатель Q1.
Авария на сборных шинах приводит к отключению только одного из источников
и половины потребителей, вторая секция и все присоединения остаются в работе.
Однако схема обладает рядом недостатков.
При повреждении и последующем ремонте одной секции ответственные
потребители, нормально питающиеся с обеих секций, остаются без резерва, а
потребители, нерезервированные по сети, отключаются на все время ремонта.
Схемы с одной системой шин позволяют использовать комплектные
распределительные устройства (КРУ), что снижает стоимость монтажа, позволяет
широко применять механизацию и уменьшить время сооружения электроустановки.
трансформатор высоковольтный ток замыкание
Рис.2.3 схема РУ НН- с одной
секционированной системой шин.
3. Расчет токов короткого замыкания
. Составляем расчетную схему ПС, намечая расчетные точки короткого
замыкания.
. По расчетной схеме составляем электрическую схему замещения.
. Определяются величины сопротивлений всех элементов схемы замещения.
Расчет будем вести в относительных единицах.
Зададимся базисными условиями:
= 1000 МВА;
= 340 В;
= 37 В;
= 6.3 В;
Сопротивление системы:
;
где
- мощность короткого замыкания на шинах системы, МВА;
O.e.;
Сопротивление питающих линий:
O.e.;
где
- удельное реактивное сопротивление провода l- длина провода;
Моделируем послеаварийный режим отключения двух питающих линий:
;
;
что соответствует нормальному режиму работы линии.
=
=0,5 О.е.;
Сопротивление трансформаторов:
- напряжение короткого замыкания обмоток трансформатора, %
- номинальная мощность трансформатора , МВА;
Рассчитаем напряжение короткого замыкания обмоток трансформатора:
;
где
, 
,
- напряжение короткого замыкания соответствующих обмоток
трансформатора, %;
;
;
O.e.;
O.e.;
O.e.;
4.Определим результирующее сопротивление в точках короткого замыкания;
1:
О.е.;
O.e.;
K2:
O.e.;
O.e.;
K3:
O.e.;
O.e.;
Рассчитываем активные сопротивления:
,
,
Расчеты для результирующих активных сопротивлений аналогичен реактивным,
результаты сведены в таблицу 1.
Таблица 4,4 - Результирующие активные сопротивления
|
Место К.З.
|
|
|
|
|
К1
|
0,127
|
|
|
|
К2
|
|
5,002
|
|
|
К3
|
|
|
10,874
|
.Определяют начальное значение периодической составляющей тока КЗ, затем ударный ток и при необходимости периодическую и
апериодическую составляющую тока Кз для заданного момента времени
:
Рассчитываем базисные токи:
O.e.;
O.e.;
Определяем ток трехфазного короткого замыкания для всех расчетных точек
короткого замыкания в начальный момент времени:
где
=1 - ЭДС системы, О.е.;
kA;
kA;
kA;
kA;
kA;
kA;
Выбор и проверка на термическую и динамическую стойкость к токам
короткого замыкания проводятся по максимальным значениям токов короткого
замыкания. Минимальное значения используются проверке чувствительности РЗ и А.
Определяем ударные токи для каждой точки короткого замыкания:
где
- ударный коэффициент, зависящий от времени затухания
апериодической составляющей тока замыкания Та;
,
К1:
=1.717; Ta=0.03;:
=1.82; Ta=0.06;:
=1.85; Ta=0.06
kA;
kA;
kA;
Расчет апериодической составляющей тока короткого замыкания для заданного
момента
:
;
;
где
- собственное время отключения выключателя, ч;
c время отключения
выключателя ВГБУ-330-40-2000У1;
=0,01+0,03=0,04с;
kA;
c
-время отключения выключателя ВВЭ-М-35-40/2000У1
=0,01+0,03=0,04с;
c -
время отключения выключателя ВВЭ-М-6-20/1250 У3
Определим периодическую составляющую тока короткого замыкания для
заданного момента
.
В данном случае энергосистема связана с точкой короткого замыкания
непосредственно, то есть независимо от генераторов, то действующее значение
периодической составляющей тока короткого замыкания от системы при трехфазном
коротком замыкании для любого момента времени можно считать равным:
=const.
4. Выбор и проверка основного электрооборудования
4.1
Выбор и проверка основных электрических аппаратов
К основным электрическим аппаратам подстанции относятся:
.выключатели высокого напряжения,
.разъединители,
.измерительные трансформаторы тока,
.измерительные трансформаторы напряжения,
.нелинейные ограничители перенапряжения.
4.1.1
Выбор и проверка выключателей высокого напряжения
1.Выбор выключателей РУВН.
Выбираем выключатель ВГБУ -330-40/2000У1
Максимальный ток линии:
А;
где
- максимальная нагрузка РУВН, ,МВА;
Максимальный ток транзитных линий:
А;
где
- максимальная нагрузка транзитных линий , МВА;
Максимальный ток в цепи трансформатора:
A;
k
.c;
где
- расчетная продолжительность короткого замыкания, с;
;
где
=1,5-2 с- время действия релейной защиты с учетом
селективности;
=0.12 c-время
отключения выключателя ВГБУ-330-45/3150У1
Апериодическая составляющая тока короткого замыкания:
;
где
- время размыкания дугогасительных
контактов,
=
,
=0,01+0,07=0,08 с
где
- минимальное время срабатывания релейной защиты,
- собственное время отключения выключателя,
- время затухания апериодической составляющей,
=0,03с.
.
Номинальное составляющая тока короткого замыкания данного выключателя:
.
где
- нормирование содержание тока короткого замыкания данного
выключателя.
.- номинальный ток отключения выключателя.
.
Выбор делается по наиболее тяжелым условием в РУВН.
Проверка условий выбора ВГБУ-330-40/2000 У1 сведена в табл.5.1.
Табл.4.1-Условия выбора РУВН
|
Расчетные данные
|
Каталожные данные
|
Условие проверки
|
|
Uc=330кВ
|
|
|
|
|
|
|
|
|
|
|
|
|
|
|
|
|
|
|
|
|
|
|
Выбранный выключатель удовлетворяет всем условиям проверки.
.Выбор выключателей РУСН.
Выбираем выключатель ВВЭ-М-35-40/630У1.
Определяем максимальные токи:
Максимальный ток отходящей линии берется из расчета, что общая нагрузка
будет приходиться на одну секцию
шин. Отходящие линии распределены по секциям неравномерно. Меньшее число линий
на секцию -три, значит, максимальная нагрузка , приходящая на линию будет равно
половине общей нагрузки
.
Выбор делается по наиболее тяжелым условиям в РУСН.
Проверка условий выбора ВВЭ-М-35-40/630У1 сведена в табл.5.2.
Табл. 4.2 -Условия выбора выключателей РУСН
|
Расчетные данные
|
Каталожные данные
|
Условие проверки
|
|
=35 кВ
|
=35 кВ
|
|
|
=379,8 А
|
=630 А
|
|
|
=5,41 кА
|
=40 кА
|
|
|
=13,8 кА
|
=40 кА
|
|
|
|
|
|
|
|
|
|
Выбранный выключатель удовлетворяет всем условиям проверки.
.Выбор выключателей РУНН.
В качестве секционного выключателя выбираем выключатель ВВЭ-М-6-20/1250 У3.
Максимальный ток в цепи трансформатора:
A;
Номинальная нагрузка отходящей линии:
кВА.
Максимальная нагрузка отходящей линии это нагрузка в условии неисправности
одной секции шин, то есть двойная:
МВА;
кА;
Ta=0.06c;
кА.
Проверка условий выбора выключателя ВВЭ-М-6-20/1250 У3 сведена в табл.4.3.
Табл. 4.3.- Условия выбора выключателей РУНН
|
Расчетные данные
|
Каталожные данные
|
Условные данные
|
|
кВ
|
кВ
|
|
|
А
|
А
|
|
|
кА
|
кА
|
|
кА
|
кА
|
|
|
|
|
|
|
|
|
|
Выбранный выключатель удовлетворяет всем условиям проверки.
4.1.2
Выбор и проверка разъединителей
. Выбор разъединителей для РУВН.
Выбираем разъединитель РНД-330/1000У1
Проверка условий выбора разъединителей РНД-330/1000У1; сведена в табл.4.5.
Табл.4.5-Условия выбора разъединителя на
330 кВ.
|
Расчетные данные
|
Каталожные данные
|
Условие проверки
|
|
Uc=330кВ
|
|
|
|
|
|
|
|
|
|
|
|
|
|
|
Выбранный разъединитель соответствует всем условиям проверки.
.Выбор разъединителей для РУСН.
Выбираем разъединитель РНД-35/1000 У1.
Проверка условий разъединителя РНД-35/1000У1 сведена в табл.4.6.
Табл.4.6-Условия выбора разъединителя 35 кВ
|
Расчетные данные
|
Каталожные данные
|
Условие проверки
|
|
=35 кВ
|
=35 кВ
|
|
|
=379,8 А
|
=1000 А
|
|
|
=13,8 кА
|
=100 кА
|
|
|
|
|
|
Выбранные разъединители соответствуют всем условиям проверки.
4.1.3 Выбор и проверка измерительных трансформаторов тока
1.Выбор и проверка трансформаторов тока для РУВН.
Выбираем трансформатор тока ТФЗМ-330У1 [2/стр. 124]
Проверяем измерительную обмотку тока по вторичной нагрузке.
,
где
- номинальная допустимая нагрузка трансформатора тока в
выбранном классе точности, Ом;
-вторичная нагрузка трансформатора тока, Ом;
Индуктивное сопротивление токовых цепей невелико, поэтому
.
Вторичная нагрузка рассчитывается по формуле:
где
- общее сопротивление приборов, Ом,
- общее сопротивление соединительных проводов, Ом,
- сопротивление контактов, Ом;
Сопротивление контактов принимается 0.05 Ом при двух-трех приборах и 0.1
Ом при числе приборов более трех.
Все данные о приборах сведены в табл.4.7.
Табл.4.7-Вторичная нагрузка трансформатора
тока
|
№
|
Прибор
|
Тип
|
Нагрузка, ВА
|
|
1
|
амперметр
|
Э-335
|
0,5
|
|
2
|
ваттметр
|
Д-335
|
0,5
|
|
3
|
варметр
|
Д-335
|
0,5
|
|
4
|
Счетчик ЕвроАльфа
|
ЕА 10
|
4
|
|
всего
|
|
5,5
|
;
где
- общее сопротивление приборов, Ом;
-мощность потребляемая приборами. ВА;
- вторичный номинальный ток прибора, А;
Ом;
Чтобы трансформатор тока работал в выбранном классе точности, необходимо
выдержать условие:
Откуда
;
Ом;
Зная
. можно определить сечение соединительных проводов
;
где
-удельное сопротивление материала провода,
;
для медных проводов
=0,0175
;
для алюминиевых проводов
=0,0283
;
Медные провода применяются во вторичных цепях основного и
вспомогательного оборудования мощных электростанций с агрегатами 100 МВт и
более, а также на подстанциях с высоким напряжением 330 кВ,
По условию прочности сечение не должно быть менее 4
для алюминиевых жил 2,5
для медных жил. Сечение более 6
обычно не применяются.
- расчетная длина провода, зависящая от схемы соединения
трансформатора тока, м;
Принимаем
=150 м.
Принимаем медный провод сечением 4
.
Рассчитываем действительное сопротивление соединительных проводов при
известном их сечении жил:
Ом;
Ом;
ВА;
Проверка условий выбора трансформаторов тока ТФЗМ-330У1 сведена в табл.4.8.
Табл.4.8-Условия выбора трансформатора тока
ТФЗМ-330У1
|
Расчетные данные
|
Каталожные данные
|
Условие проверки
|
|
=330 кВ
|
=330 кВ
|
|
|
=240 А
|
=300 А
|
|
|
=5,24 кА
|
=50 кА
|
|
|
|
|
|
|
=24,25 ВА
|
=60 ВА
|

|
Выбранный трансформатор тока удовлетворяет всем условиям проверки.
.Выбор и проверка трансформаторов тока для РУСН.
Выбираем трансформатор тока ТФМЗ-35У1 [2/стр. 124]
Все данные о приборах сведены в табл.4.9.
Табл.4.9-Вторичная нагрузка трансформатора
тока
|
№
|
Прибор
|
Тип
|
Нагрузка, ВА
|
|
1
|
амперметр
|
Э-335
|
0,5
|
|
2
|
ваттметр
|
Д-335
|
0,5
|
|
3
|
варметр
|
Д-335
|
0,5
|
|
4
|
Счетчик ЕвроАльфа
|
ЕА 10
|
4
|
|
всего
|
|
5,5
|
Ом;
Ом;
Принимаем
=100 м.
Принимаем алюминиевый провод сечением 4
.
Рассчитываем действительное сопротивление соединительных проводов при
известном их сечении жил:
Ом;
Ом;
ВА;
Проверка условий выбора трансформаторов тока ТФМЗ-35У1 сведена в табл.4.10.
Табл. 4.10-Условия выбора трансформатора
тока ТФМЗ-35У1
|
Расчетные данные
|
Каталожные данные
|
Условие проверки
|
|
=35 кВ
|
=35 кВ
|
|
|
=379,8 А
|
=400 А
|
|
|
=13,8 кА
|
=158 кА
|
|
|
|
|
|
|
=18,62 ВА
|
=30 ВА
|

|
Выбранный трансформатор тока удовлетворяет всем условиям проверки.
.Выбор и проверка трансформаторов тока для РУНН.
Выбираем для установки в цепи трансформатора трансформатор тока ТЛ6-800/5
[2/стр. 87] Все данные о приборах сведены в табл.4.11.
Табл.4.11-Вторичная нагрузка трансформатора
тока
|
№
|
Прибор
|
Тип
|
Нагрузка, ВА
|
|
1
|
амперметр
|
Э-335
|
0,5
|
|
2
|
ваттметр
|
Д-335
|
0,5
|
|
3
|
варметр
|
Д-335
|
0,5
|
|
4
|
Счетчик ЕвроАльфа
|
ЕА 10
|
4
|
|
всего
|
|
5,5
|
Ом;
Ом;
Принимаем
=50 м.
Принимаем алюминиевый провод сечением 4
.
Рассчитываем действительное сопротивление соединительных проводов при
известном их сечении жил:
Ом;
Ом;
ВА;
Проверка условий выбора трансформаторов тока ТФМЗ-6У1 сведена в табл.4.10.
Таблица 4.10
|
Расчетные данные
|
Каталожные данные
|
Условные данные
|
|
кВ
|
кВ
|
|
|
А
|
А
|
|
|
|
|
|
|
ВА
|
ВА
|
|
Выбранный трансформатор тока удовлетворяет всем условиям проверки.
Выбираем для установки в отходящие линии трансформатор тока ТЛ-6-100/5.
Все данные о приборах сведены в табл. 4.13.
Табл. 4.13-Вторичная нагрузка трансформатора тока
|
№
|
Прибор
|
Тип
|
Нагрузка, ВА
|
|
1
|
амперметр
|
Э-355
|
0,5
|
|
2
|
Счетчик ЕвроАльфа
|
ЕА 05
|
4
|
|
Всего
|
|
4,5
|
Ом;
Ом;
Принимаем
=50 м.
Принимаем алюминиевый провод сечением 6
.
Рассчитываем действительное сопротивление соединительных проводов при
известном их сечении жил:
Ом;
Ом;
ВА;
Проверка условий выбора трансформаторов тока ТЛ-6-100/5 сведена в
табл.4.14.
Табл. 4.14-Расчетные и каталожные данные для выбора трансформатора тока
|
Расчетные данные
|
Каталожные данные
|
Условные данные
|
|
кВ
|
кВ
|
|
|
А
|
А
|
|
|
|
|
|
|
ВА
|
ВА
|
|
Выбранный трансформатор тока удовлетворяет всем условиям проверки.
.1.4 Выбор и проверка измерительных трансформаторов напряжения
.Выбор и проверка трансформаторов напряжения НАМИ-330У1 [2/стр.142]
класса точности 1.
Все данные о приборах сведены в табл. 4.15.
Табл. 4.15.-вторичная нагрузка трансформатора напряжения
|
№
|
Прибор
|
Тип
|
Нагрузка, ВА
|
Число приборов
|
Суммарная нагрузка, ВА
|
|
1
|
вольтметр
|
Э-335
|
0,5
|
1
|
0,5
|
|
2
|
вольтметр регистрирующий
|
Н-393
|
10
|
1
|
10
|
|
3
|
ФИП
|
ФИП
|
3
|
4
|
12
|
|
4
|
счетчик ЕвроАльфа
|
ЕА-10
|
4
|
3
|
12
|
|
5
|
ваттметр
|
Н-395
|
10
|
3
|
30
|
|
6
|
варметр
|
Н-395
|
10
|
3
|
30
|
|
|
|
|
|
94,5
|
Проверка условий выбора трансформаторов напряжения НАМИ-330У1 сведена в
табл. 4.16.
Табл. 4.16-Условия выбора трансформатора напряжения НАМИ-330У1
|
Расчетные данные
|
Каталожные данные
|
Условие проверки
|
|
=330 кВ
|
=330 кВ
|
|
|
=121,3 ВА
|
=600 ВА
|
|
Выбранный трансформатор напряжения соответствует всем условиям проверки.
. Выбор и проверка трансформаторов напряжения для РУСН.
Выбираем трансформатор напряжения НАМИ-35ЯУ1, класс точности 1.
Табл. 4.15-Вторичная нагрузка трансформатора напряжения
|
№
|
Прибор
|
Тип
|
Нагрузка, ВА
|
Число приборов
|
Суммарная нагрузка, ВА
|
|
1
|
вольтметр
|
Э-335
|
0,5
|
1
|
0,5
|
|
2
|
вольтметр регистрирующий
|
Н-393
|
10
|
1
|
10
|
|
3
|
ФИП
|
ФИП
|
3
|
2
|
6
|
|
4
|
счетчик ЕвроАльфа
|
ЕА-10
|
4
|
1
|
4
|
|
5
|
ваттметр
|
Н-395
|
10
|
1
|
10
|
|
6
|
варметр
|
Н-395
|
10
|
1
|
10
|
Проверка условий выбора трансформатора напряжения НАМИ-35У1 сведена в
табл. 4.16.
Табл. 4.16-Условия выбора трансформатора напряжения НАМИ-35У1
|
Расчетные данные
|
Каталожные данные
|
Условие проверки
|
|
=35 кВ
|
=35 кВ
|
|
|
=144,8 ВА
|
=150 ВА
|
|
Выбранный трансформатор напряжения соответствует всем условиям проверки.
.Выбор и проверка трансформаторов напряжения для РУНН.
Выбираем трансформатор напряжения НАМИ-6У2.
Все данные о приборах сведены в табл. 4.19.
Табл. 4.19-Вторичная нагрузка трансформатора напряжения
|
№
|
Прибор
|
Тип
|
Нагрузка, ВА
|
Число приборов
|
Суммарная нагрузка, ВА
|
|
1
|
вольтметр
|
Э-335
|
0,5
|
1
|
0,5
|
|
2
|
вольтметр регистрирующий
|
Н-393
|
10
|
1
|
10
|
|
3
|
счетчик ЕвроАльфа
|
ЕА-10
|
4
|
6
|
24
|
|
4
|
ваттметр
|
Н-395
|
10
|
1
|
10
|
|
5
|
варметр
|
Н-395
|
10
|
1
|
10
|
Проверка условий выбора трансформатора напряжения НАМИ-6У2 сведена в
табл.4.20.
Табл. 4.20-Условия выбора трансформатора напряжения НАМИ-6У2
|
Расчетные данные
|
Каталожные данные
|
Условие проверки
|
|
=6 кВ
|
=6 кВ
|
|
|
=114 ВА
|
=75 ВА
|
|
Так как не выполняется условие
, то устанавливаем еще 1
дополнительный трансформатор напряжения, тогда
ВА.
.1.5 Выбор и проверка ограничителей перенапряжений нелинейных цепей
Выбор ОПН делаем по номинальному напряжению.
. Выбор и проверка ограничителей перенапряжений нелинейных цепей для
РУВН.
Выбираем ОПНп-330/152У1 [2/ стр.183]
.Выбор и проверка ограничителей перенапряжений нелинейных цепей для РУСН.
Выбираем ОПНп-35/77У1 [2/стр.178]
.Выбор и проверка ограничителей перенапряжений нелинейных цепей для РУНН.
Выбираем ОПН-РТ6/11,5 [2/стр. 172]
.2 Выбор и проверка основных токоведущих частей
.2.1 Выбор и проверка сборных шин токоведущих связей РУВН
,
.
Выбираем сталеалюминевый провод марки АС-240/32,
Фазы расположены горизонтально в
одну линию, расстояние между фазами 7 м.
Проверку на термическую стойкость к
допускается не выполнять, так как
ошиновка выполняется неизолированными проводами на открытом воздухе.
Токоведущие связи выполняются гибкими проводами, которые выбираются по
экономической плотности тока
:
где
- нормальный ток, текущий по токоведущим связям.
где
-нормальная мощность трансформатора.
Принимаю АС-240/39.
.
Проверяем провода по допустимому току:
где
-максимальный ток текущий по токоведущей связи, А;
Проверку на термическую стойкость не производим, т.к. ошиновка
выполняется на открытом воздухе и расстояние фазами 7 м.
.2.2 Выбор и проверка сборных шин токоведущих связей РУСН
.
Гибкие шины осуществим с помощью расположения проводов пучком, в каждой
фазе по два.
Примем два провода АС- 150/24,
Фазы расположены горизонтально в
одну линию, расстояние между фазами 6 м.
Проверку на термическую стойкость к
допускается не выполнять, так как
ошиновка выполняется неизолированными проводами на открытом воздухе .
Токоведущие связи выполняются гибкими проводами, которые выбираются по
экономической плотности
:
где
- нормальный ток, текущий по токоведущим связям.
Принимаю два провода АС-50/8,0.
.
Проверяем провода по допустимому току:
где
-максимальный ток текущий по токоведущей связи, А;
Проверку на термическую стойкость не производим.
.2.3 Выбор и проверка сборных шин и токоведущих связей РУНН
В РУ 6кВ для ошиновки применяются жесткие шины. При токах до 3кА
применяются одна и двух полосные шины прямоугольного сечения.
Жесткие шины выбираются по максимальному току и проверяются на
динамическую и термическую устойчивость к токам короткого замыкания.
Максимальный рабочий ток равен:
Выбираем шины алюминиевые прямоугольного
сечения,
АДО 80×8 мм, Iдоп=1700 А.
сечение шины q = 6,4 см2.
Проверка на термическую стойкость.
-минимальное сечение по термической стойкости;
-тепловой импульс
С- температурный коэффициент, представляющий собой минимальное сечение
проводника, которое при КЗ обуславливается нагрев проводника до кратковременно
допустимой температуры для шин..
Шина условиям проверки по термической стойкости удовлетворяет.
Проверка на динамическую стойкость к токам КЗ.
где
-расчетное напряжение в материале шин, возникающее при
действии
.
где l-пролет между изоляторами;
a-
расстояние между фазами (0,2-0,8м);
W-
момент сопротивления шин относительно перпендикулярной оси.
Расстояние между фазами 0,2 м.
Расстояние между фазами 0,8 м.
Шины выбираем прессованные из алюминиевого сплава
Берем расстояние между изоляторами 0,4 м.
Проверка по условию
Токоведущие связи выполняются гибкими проводами, которые выбираются по
экономической плотности
.
где
-нормальный ток, текущий по токоведущим связям.
Принимаю АС-50/8
Проверяем провод по допустимому току:
где
- максимальный ток текущий по токоведущей связи, А;
.2.4 Выбор изоляторов
В РУ шины крепятся на опорных и проходных
изоляторах.
Выбираем опорный изолятор ИО-6-3,75У3. При
горизонтальном расположении изоляторов всех фаз расчетная сила действующая на
изолятор равна:
где
-максимальная сила воздействия на изолятор, Н/м;
-поправочный коэффициент на высоту шины, если она расположена
на ребро, в данном случае
=1, так как шины расположены плашмя.
Расчетные условия проверки сведены в табл. 4.21
Табл. 4.21-Условия выбора изолятора ИО-6-3,75У3
|
Расчетные данные
|
Каталожные данные
|
Условие проверки
|
|
|
|
|
|
|
|
|
Выбранный изолятор удовлетворяет условиям проверки.
.2.5 Выбор трансформатора собственных нужд
Выбор трансформатора собственных нужд зависит от состава потребителей,
что в свою очередь зависит от типа подстанции, мощности трансформаторов,
наличия синхронных компенсаторов и типа электрооборудования. Мощность
трансформаторов с.н. выбирается по нагрузкам с.н. с учетом коэффициентов
загрузки и одновременности, при этом отдельно рассчитывается летняя и зимняя
нагрузки, а так же нагрузка в период ремонтных работ на подстанции. В учебном
проектировании можно по ориентировочным данным [2, приложение, таб. П6.1 и
П6.2] определить основные нагрузки с.н. подстанции, приняв для двигательной
нагрузки соsφ=0,85. Представим основные нагрузки с.н. в таблице:
Таблица.4.22. Основные нагрузки с.н.
|
Вид потребителя
|
Уст. Мощность
|
соsφ
|
Нагрузка
|
|
кВт х кол-во
|
всего, кВт
|
|
Pуст, кВт
|
Qуст, кВАр
|
|
Охлаждение ТДТН-63000/330
|
-
|
3
|
0,85
|
3
|
2,55
|
|
Подогрев ВГБУ-330-40/2000
|
42,9х8
|
343
|
1
|
343
|
-
|
|
Подогрев С-35-3200-50
|
4,4 х 1
|
4,4
|
1
|
4,4
|
-
|
|
Подогрев КРУ
|
1 х 18
|
18
|
1
|
18
|
-
|
|
Отопление и освещение ОПУ
|
-
|
80
|
1
|
80
|
-
|
|
Освещенеие, Вентиляция ЗРУ
|
-
|
7
|
1
|
7
|
-
|
|
Освещение ОРУ 330 кВ
|
-
|
5
|
1
|
5
|
-
|
|
Освещение ОРУ 35 кВ
|
-
|
5
|
1
|
5
|
-
|
|
Итого:
|
|
|
|
465,4
|
2,55
|
Мощность трансформаторов с.н. выбирается:
при двух трансформаторах с.н. на ПС без постоянного дежурства
, где
- мощность трансформатора с.н.;
- расчетная мощность всех
потребителей;
, где
- коэффициент спроса, учитывающий коэффициенты
одновременности и загрузки. В ориентировочных расчетах можно принять
=0,8.
Предельная мощность каждого трансформатора с.н. должна быть не более 630
кВА.
Принимаем трансформатор типа ТСЗ-400/10
Заключение
В данном проекте была спроектирована узловая подстанция 330/35/6,
устройство которой удовлетворяет всем условиям надежности. На ней установлены
два автотрансформатора АТДЦТН-63000/330/35/6, обеспечивающие надежное
электроснабжение в нормальном режиме.
Схемы распредустройств выбраны в соответствии с номинальным напряжением,
числом присоединений и мощности нагрузки. Выбранные схемы РУ отвечают основным
требованиям, к которым относятся: надежность электроснабжения,
приспособленность к проведению ремонтных работ, оперативная гибкость,
экономическая целесообразность.
На подстанции установлено современное оборудование, отвечающее все
условиям, которым должно отвечать электрооборудование.
Список литературы
1.Рокова Л.Л, Козулин В.С. "Электрооборудование станции
и подстанций"-М.: Энергоатомиздат, 1987.
.Новое электрооборудование в системах электроснабжения/
Справочник. Составитель- Ополева Г.Н.-Иркутск: Изд-во Иркутского государственного
университета, 2003г.
.Поспелов Г.Е., Федин В.Т. Электрические системы и сети.
Проектирование :Учеб. пособие для втузов.1988г.
.Неклепаев Б.Н., Крючков И.П. Электрическая часть станции и
подстанции (справочные материалы) Энергоатомиздат, 1989г.
. Почаев В.С. Электрические подстанции. Учебник для
техникумов и колледжей ж.-д. транспорта -М.: Желдориздат.