Pасчеты релейной защиты от междуфазных коротких замыканий участка распределительной сети 110 кВ
СОДЕРЖАНИЕ
Введение
. Исходные данные
. Выбор
защит, установленных на линиях 1 и 2
. Расчет
направленной поперечной дифференциальной защиты
. Расчет
дистанционных защит на линиях Л1 и Л2
.1 Расчет
сопротивлений срабатывания защит 3 и 3′
.1.2 Расчет
второй ступени защит 3 и 3′
.1.3 Расчет
третьей ступени защит 3 и 3′
.2 Расчет
сопротивлений срабатывания защит 2 и 2′
.2.1 Расчет
первой ступени защит 2 и 2′
.2.2 Расчет
второй ступени защит 2 и 2′
.2.3 Расчет
третьей ступени защит 2 и 2′
.3 Расчет
сопротивлений срабатывания защит 1 и 1′
.3.2 Расчет
второй ступени защит 1 и 1′
.3.3 Расчет
третьей ступени защит 1 и 1′
. Проверка по
остаточному напряжению
5.1 Проверка
защиты 3 и 3′
.2 Проверка
защиты 2 и 2′
Выбор и
расчет устройств автоматики
.1 Выбор
генераторов и трансформаторов
.2 Выбор вида
3-х фазного АПВ на линии Л1
7 Расчет параметров измерительной схемы
реле сопротивления
7.1 Определение Е1 и Е2
7.2 Расчет
параметров элементов схемы
Заключение
Список
используемых источников
ВВЕДЕНИЕ
защита линия напряжение трансформатор
Короткие замыкания являются наиболее опасными видами повреждения,
возникающими из-за пробоя или перекрытия изоляции, обрывов проводов, ошибочных
действий персонала (включение под напряжение заземленного оборудования,
отключение разъединителей под нагрузкой) и других причин.
В большинстве случаев в месте КЗ возникает электрическая дуга с высокой
температурой, приводящая к большим разрушениям токоведущих частей, изоляторов и
токоведущих аппаратов. При КЗ к месту повреждения подходят большие токи (токи
КЗ), измеряемые тысячами ампер, которые перегревают неповрежденные токоведущие
части и могут вызвать дополнительные повреждения, т.е. развитие аварии.
Одновременно в сети, электрически связанной с местом повреждения, происходит
глубокое понижение напряжения, что приводит к остановке электродвигателей и
нарушению параллельной работы генераторов.
В большинстве случаев аварии или их развитие могут быть предотвращены
быстрым отключением поврежденного участка электрической установки или сети при
помощи специальных автоматических устройств, получивших название релейная
защита, которые действуют на отключение выключателей.
При отключении выключателей поврежденного элемента гаснет электрическая
дуга в месте КЗ, прекращается прохождение тока КЗ и восстанавливается
нормальное напряжение на неповрежденной части электрической установки или сети.
Благодаря этому сокращаются размеры или даже вовсе предотвращаются повреждения
оборудования, на котором возникло КЗ, а также восстанавливается нормальная
работа неповрежденного оборудования.
Таким образом, основным назначением релейной защиты является выявление
места возникновения К.З. и быстрое автоматическое отключение выключателей
поврежденного оборудования или участка сети от остальной неповрежденной части
электрической установки или сети [3].
Значительная часть коротких замыканий на воздушных линиях
электропередачи, вызванных перекрытием изоляции, схлестыванием проводов и
другими причинами, при достаточно быстром отключении повреждений релейной
защитой самоустраняется. При этом электрическая дуга, возникшая в месте КЗ,
гаснет, не успевая вызвать существенных разрушений, препятствующих обратному
включению линии под напряжение. Такие самоустраняющиеся повреждения принято
называть неустойчивыми.
Статистические данные о повреждении воздушных линий электропередачи за
многолетний период эксплуатации показывают, что доля неустойчивых повреждений
весьма высока и составляет 50 - 90%.
Поскольку отыскание места повреждения на линии электропередачи путем ее
обхода требует длительного времени и многие повреждения носят неустойчивый
характер, обычно при ликвидации аварии автоматика производит опробование линии
путем обратного включения под напряжение. Эту операцию называют автоматическое
повторное включение.
Согласно ПУЭ обязательно применение АПВ на всех воздушных и смешанных
(кабельно-воздушных) линиях напряжением выше 1кВ. Успешность действия АПВ
весьма высока и составляет в сетях разного напряжения 50 - 90%.
Применение АПВ позволяет в ряде случаев упростить схемы релейной защиты и
ускорить отключение КЗ в сетях, что является положительным качеством этого вида
автоматики [3].
Целью данной бакалаврской работы является получение практических навыков
при проектировании и расчете релейной защиты наиболее распространённых и
наименее надежных элементов электроэнергетической системы. Она включает в себя
расчеты релейной защиты от междуфазных коротких замыканий участка
распределительной сети 110 кВ , АПВ высоковольтных линий этой сети и расчет
параметров реле сопротивления, изготовленного на базе операционных усилителей,
для защиты 2′
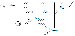
1. ИCХОДНЫЕ ДАННЫЕ
Рис. 1 Принципиальная
схема распределительной сети 110кВ
В качестве исходных используем следующие данные:
· все линии электропередач заданной сети оборудованы маломасляными
выключателями с трехфазным приводом;
· со сборных шин 110 кВ подстанций А, Б и В питаются ответственные
потребители с преобладанием высоковольтных двигателей, потеря устойчивости
которых недопустима. Эти сборные шины оборудованы дифференциальными защитами;
· автотрасформаторы имеют двухступенчатые резервные защиты: дистанционную и
нулевой последовательности;
· среднее номинальное напряжение сети 115 кВ;
· сопротивления цепей двухцепных линий одинаковы;
· коэффициенты трансформации автотрансформаторов равны 230/121,
регулированием коэффициентов трансформации последних и трансформаторов
пренебречь;
· двухцепные линии могут длительно работать в одноцепном режиме;
· ступень селективности по времени принять Dt=0.4 сек;
· уставки времени II ступеней,
примыкающих к защищаемой сети линий, и 1 ступеней автотрансформаторов принять
0.4 сек.;
· вторичный номинальный ток трансформаторов тока принять равным 5 А;
· в качестве дистанционной защиты использовать комплекты ЭПЗ-1636-67;
· нагрузки подстанций в некоторых режимах могут быть покрыты как за счет
мощностей обоих источников С1 и С2, так и только С1;
· коэффициент мощности нагрузки в нормальном режиме принять 0.95, а
аргументы сопротивлений линий и цепей самозапуска 800 и 350
соответственно;
· доля мощности нагрузки п/ст А, питаемой источником п/ст Б, не превышает
40 МВт.
Параметры элементов, входящих в сеть:
Параметры линий
L1=80 км 
L2=40
км Худ.=0.4 Ом/км
Параметры
систем
Хс1мин.1=3,5
Ом Хс1макс.1=3 Ом Хс1мин.0=3 Ом Хс1макс.0=2 Ом
Хс2мин.1=8.6
Ом Хс2макс.1=7.8 Ом Хс2мин.0=9.5 Ом Хс2макс.0=9.3 Ом
Параметры
подстанций:
п/ст
Б: Рн=50 МВт Кс.з.=2.1
п/ст
В: Рн=30 МВт Кс.з.=1.9 Sтр.=25 МВА
Автотрансформаторы
подстанций:
Sат1=2×200 МВА Sат2=2×125 МВА
Из
[1] выбираем АТДЦТН-200000 230/121/10.5 и АТДЦТН-12500 230/121/10.5
Параметры
выбранных автотрансформаторов:
Для
АТДЦТН-200000: Uвн-сн=11% Uвн-нн=32% Uсн-нн=20%
Для
АТДЦТН- 125000: Uвн-сн=11% Uвн-нн=45% Uсн-нн=28%
Параметры
срабатывания защит смежных элементов
АТ1:
ZI-АТ1=80 Ом ZII-АТ1=180 Ом tII=1.6
с
АТ2:
ZI-АТ2=80 Ом ZII-АТ1=180 Ом tII=2.1
с
Л4:
ZI=7.5 Ом ZII=14 Ом ZIII=60 Ом tIII=2 с
Л5:
ZI=10 Ом ZII=14 Ом ZIII=71 Ом tIII=2.2 с
РАСЧЕТ
СОПРОТИВЛЕНИЙ ЭЛЕМЕНТОВ СЕТИ
Линии 1 и 2 :
Xл1=Худ×L1=0.4×80=32 Ом
Xл2=Худ×L2=0.4×40=16 Ом
Приводим сопротивления прямой последовательности систем к стороне 110 кВ:
Расчет
сопротивлений автотрансформаторов АТ1,АТ2 и трансформатора на п/ст В
АТ1
АТ2
Расчет
сопротивления трансформатора, установленного на п/ст В:
На
п/ст В установлен ТДН-25000/110 Uк=10.5% из [1]
Рис. 2 Cхема замещения распределительной сети
110кВ.
2. ВЫБОР ЗАЩИТ, УСТАНОВЛЕННЫХ НА ЛИНИЯХ 1 И 2
Так как от шин п/ст Б и В питаются ответственные потребители, для которых
недопустимо отключение электрической энергии, даже кратковременное, необходимо
повреждения на линиях Л1 и Л2 отключать без выдержки времени .
Так как линия Л2- двухцепная, и исходя из рекомендаций ″Руководящих
указаний по релейной защите″ на приемном конце линии Л2 устанавливаем
направленную поперечную дифференциальную защиту. Линия Л2- тупиковая, поэтому
нет необходимости в резервировании направленной поперечной дифференциальной
защиты на случай работы линии в одноцепном режиме. Таким образом, мы получаем
эффективную и наиболее дешевую защиту из всех возможных вариантов.
На питающем конце линии Л2 устанавливаем комплекты дистанционной защиты,
выполненные на базе панели ЭПЗ- 1636-67, при этом нет необходимости в
резервировании дистанционной защиты другими защитами, так как функции
резервирования выполняет дистанционная защита, установленная на линии Л1.
Линию Л1 защищаем с двух сторон комплектами дистанционной защиты, таким
образом, на короткие замыкания на большей части линии защита будет реагировать
мгновенно. В качестве альтернативного варианта можно рассмотреть возможность
защиты линии Л1 направленной поперечной дифференциальной защитой, но в этом
случае необходимо установить на каждую из двух линий резервную защиту
(дистанционную или токовую) на случай одноцепного режима работы линии. Также
направленная поперечная дифференциальная защита имеет зону каскадного действия,
которая приводит к удвоенному времени отключения короткого замыкания, если оно
произошло в этой зоне. Поэтому окончательно убеждаемся в целесообразности
установки дистанционной защиты.
3. РАСЧЕТ НАПРАВЛЕННОЙ ПОПЕРЕЧНОЙ ДИФФЕРЕНЦИАЛЬНОЙ ЗАЩИТЫ
Поперечная дифференциальная защита относится к защите с абсолютной
селективностью, непосредственно сравнивающей электрические величины в заданных
местах защищаемых элементов. В поперечной защите в общем случае сравниваются мгновенные
значения токов, их фазы или модули; а также мощности. Как обладающая абсолютной селективностью
защита выполняется без выдержки времени и используется в сочетании с другими,
например резервными защитами, имеющими относительную селективность. К важным
достоинствам относятся простота, надежность и высокое быстродействие .
Ток срабатывания (Iс.з) поперечной дифференциальной защиты
рассчитывается по двум условиям:
1. По
условию отстройки от максимального тока небаланса (Iнб.), который возникает при внешнем междуфазном коротком
замыкании.
Расчетный режим: трехфазное КЗ на шинах подстанции В, системы С1 и С2
работают в максимальном режиме, на п/ст А и п/ст Б работает по два
автотрансформатора, линия 2 работает в двухцепном режиме.
Рис.3 Эквивалентная схема замещения.
Ток
срабатывания защиты рассчитывается из условия:
(3.1) ,
где
Kотс.=
1.2 - коэффициент отстройки [2].
(3.2) ,
где
e = 0.1 -
учитывает 10% погрешность трансформаторов тока;
Kодн. = 0.5 - учитывает однотипность трансформаторов тока;
Кап.с.
= 2 - учитывает наличие апериодической составляющей;
Iкз.макс.
- ток короткого замыкания на
шинах подстанции В.
(3.3)
(3.4) ,
где
(3.5)
Ток
срабатывания защиты:
2. Расчет тока срабатывания защиты исходя из условия
обеспечения возврата реле
(3.6)
,где
КВ
= 0.8- коэффициент возврата
Котс
= 1.2- коэффициент отстройки
Iр.макс - максимальный ток нагрузки:
(3.7)
Защита
максимального действия, поэтому выбираем наибольший из рассчитанных токов
срабатывания, т.е.
Проверка
чувствительности защиты в точке равной чувствительности
Расчетный
режим: двухфазное КЗ, работа системы С1 и С2 работают в
минимальном режиме, на п/ст А и п/ст Б работает по одному автотрансформатору,
линия Л1 работает в одноцепном режиме.
Рис.4 Эквивалентная схема замещения
К- точка равной чувствительности
Ток двухфазного короткого замыкания в точке К
Ток,
подтекающий к точке К по неповрежденной цепи линии
Так
как реле включается на разность токов соответствующих фаз линий, то при
коротком замыкании в точке К ток в реле
Коэффициент
чувствительности направленной поперечной дифференциальной защиты
В
точке равной чувствительности коэффициенты чувствительности защит равны:
Коэффициент
чувствительности направленной поперечной дифференциальной защиты
Коэффициент
чувствительности дистанционной защиты
Полученный
коэффициент чувствительности в точке равной чувствительности удовлетворяет
требованиям ″Руководящих указаний по релейной защите″
Каскадное
отключение двухфазного КЗ в начале линии 2 комплектом защиты 3(3’). Расчетный
режим не изменился.
Рис.5
Эквивалентная схема замещения
Вывод:
направленная поперечная дифференциальная защита, установленная на приемном
конце линии Л2, удовлетворяет всем предъявленным требованиям.
4.
РАСЧЕТ ДИСТАНЦИОННЫХ ЗАЩИТ НА ЛИНИЯХ Л1 И Л2
Дистанционная
защита представляет собой трехступенчатую защиту минимального сопротивления,
непрерывно контролирующую величину тока, напряжения и угол между векторами тока
и напряжения. Дистанционные защиты в их современном исполнении являются
наиболее совершенным, но и наиболее сложным видом защит с относительной
селективностью. Их существенными преимуществами по сравнению с токовыми
направленными защитами являются значительно более четко фиксированная зона,
защищаемая I ступенью, лучшая защита конца участка II
ступенью, а при многофазных КЗ - значительно большая чувствительность последней
(III ступени), используемой в основном для дальнего
резервирования. Поэтому дистанционные защиты широко применяются как основные
(при UНОМ
110 -
220 кВ) или резервные (при UНОМ
220 -
330 кВ) зашиты от многофазных КЗ. В качестве признака КЗ используется
уменьшение сопротивления цепи [3].
.1
РАСЧЕТ СОПРОТИВЛЕНИЙ СРАБАТЫВАНИЯ ЗАШИТ 3 И 3′
.1.1
РАСЧЕТ ПЕРВОЙ СТУПЕНИ ЗАЩИТЫ
Первая
ступень дистанционной защиты является аналогом первой ступени трехступенчатой
токовой защиты, т.е. токовой отсечки, и действует без выдержки времени.
.87-
коэффициент, обусловленный погрешностью трансформатора тока и погрешностью
расчета сопротивления линии.
Проверка чувствительности при расчете первой ступени не производится,
т.к. первая ступень вне зависимости от режимов работы системы всегда защищает
87% длины линии.
4.1.2 РАСЧЕТ ВТОРОЙ СТУПЕНИ ЗАЩИТЫ
Вторая ступень выполняет функции ближнего резервирования для первой
ступени и защищает тот участок линии, на котором первая ступень имеет мертвую
зону.
Сопротивление срабатывания второй ступени выбирается исходя из следующих
условий:
· Отстройка от короткого замыкания в конце зоны действия первой ступени
защиты 6 линии Л4;
· Отстройка от короткого замыкания за трансформатором п/ст В.
Рис. 6 Расчетная схема замещения
Отстройка от КЗ в конце зоны действия первой ступени защиты 6 линии Л4
Расчетный режим: в
работе одна цепь линии Л2.
Отстройка
от КЗ за трансформатором п/ст В
Так
как дистанционная защита- защита минимального действия, то за сопротивление
срабатывания принимаем наименьшее из расчетных, т.е.
Проверка
чувствительности защиты в конце защищаемой линии
Коэффициент
чувствительности защит не удовлетворяет требованиям ПУЭ, поэтому необходимо
вторую ступень зашиты 3 отстроить от второй ступени защиты 6, согласовав при
этом выдержки времени.
.1.3
РАСЧЕТ ТРЕТЬЕЙ СТУПЕНИ ЗАЩИТЫ
Третью
ступень необходимо отстроить от минимально возможного сопротивления в рабочем
режиме с учетом самозапуска электродвигателей.
Отстройка
от тока самозапуска:
Проверка
чувствительности защит 3 комплекта в конце защищаемой линии , в конце смежной
линии и при К.З. за трансформатором на п/ст В.
Расчетный
режим: линия Л2 работает в двухцепном режиме.
· При К.З. в конце линии Л4
· При К.З. за трансформатором п/ст В
·
При К.З. в конце линии Л2
Вывод:
рассчитанная дистанционная защита комплектов 3 и 3′ удовлетворяет всем
предъявленным требованиям.
4.2 РАСЧЕТ СОПРОТИВЛЕНИЙ СРАБАТЫВАНИЯ ЗАЩИТ 2 И 2′
.2.1 РАСЧЕТ ПЕРВОЙ СТУПЕНИ ЗАЩИТЫ

4.2.2 РАСЧЕТ ВТОРОЙ СТУПЕНИ ЗАЩИТЫ
Сопротивление срабатывания второй ступени защиты 2 выбираем из следующих
условий:
· Отстройка от первой ступени защиты 7;
· Отстройка от К.З. за АТ1;
· Отстройка от режима каскадного действия при К.З. в конце зоны действия
первой ступени защиты 1

Рис. 7 Расчетная схема замещения
Отстройка от первой ступени защиты 7
Расчетный режим: система С1 работает в минимальном режиме, С2-в
максимальном режиме, АТ1- 1 в работе, АТ2- 2 в работе, линия Л1 работает в
одноцепном режиме.
Отстройка
от КЗ за автотрансформатором АТ1
Расчетный режим: С1 работает в минимальном режиме, С2- в максимальном,
АТ1-2 в работе, АТ2-2 в работе, линия Л1 работает в одноцепном режиме.
Отстройка от режима каскадного действия при КЗ в конце зоны действия
первой ступени защиты 1
Так
как защита минимального действия, то в качестве сопротивления срабатывания
выбираем наименьшее значение, т.е.
Оценка
чувствительности второй ступени защиты при К.З. в конце защищаемой линии
Чувствительность
защиты не удовлетворяет требованиям ПУЭ, поэтому вторую ступень необходимо
отстроить от первой ступени резервной защиты АТ1, установленной на стороне 220
кВ
Расчетный
коэффициент чувствительности получился не намного меньше требуемого, поэтому
окончательно принимаем
Лучшей
чувствительности можно было добиться отстройкой от второй ступени резервной
защиты АТ1, но при этом выдержка времени достигла бы
, что недопустимо.
4.2.3 РАСЧЕТ ТРЕТЬЕЙ СТУПЕНИ ЗАЩИТЫ
Сопротивление срабатывания выбираем по условию отстройки от минимально
возможного сопротивления в рабочем режиме, т.е. при самозапуске
электродвигателей
Проверка
чувствительности защиты при К.З. за АТ1 на стороне низшего напряжения и при К.З
в конце линии Л5
Расчетный
режим: C1 работает в максимальном режиме, С2- в минимальном,
АТ2-2 в работе, АТ1-2 в работе, линия Л1 работает в двухцепном режиме.
Рис.
8 Расчетная схема замещения
При
КЗ за автотрансформатором АТ1 на стороне низшего напряжения
Коэффициент
чувствительности не удовлетворяет требованиям ПУЭ, поэтому с целью повышения
чувствительности перейдем к эллиптической характеристике с
.
Коэффициент
чувствительности при переходе к эллиптической характеристике
Проверка
чувствительности при К.З. в конце линии Л5
Расчетный
режим аналогичен предыдущему, поэтому
Вывод:
рассчитанная дистанционная защита (комплекты 2 и 2′) удовлетворяет всем
предъявленным требованиям.
4.3 РАСЧЕТ СОПРОТИВЛЕНИЙ СРАБАТЫВАНИЯ ЗАЩИТ 1 И 1′
4.3.1 РАСЧЕТ ПЕРВОЙ СТУПЕНИ ЗАЩИТЫ
4.3.2 РАСЧЕТ ВТОРОЙ СТУПЕНИ ЗАЩИТЫ
Сопротивление срабатывания второй ступени комплектов 1 и 1′
выбирается из следующих условий:
· Отстройка от К.З. на шинах п/ст В;
· Отстройка от К.З. на стороне 220 кВ АТ2;
· Согласование с первой ступенью защиты 2 в каскадном режиме
Рис. 9 Расчетная схема замещения
Отстройка от К.З. на шинах п/ст В:
Расчетный режим : система С1 работает в максимальном режиме, система С2-
в минимальном, линия Л1 работает в одноцепном режиме, АТ1- 2 в работе, АТ2- 1 в
работе.
Отстройка от К.З. на стороне 220 кВ АТ2
Расчетный режим: АТ2- 2 в работе.
Согласование с первой ступенью защиты,
установленной на приемном конце линии Л1 и на параллельной цепи в режиме
каскадного отключения.
Расчетный режим аналогичен режиму при отстройке от К.З. на шинах п/ст В,
т.е.
Так
как дистанционная защита - защита минимального действия, принимаем наименьшее
из рассчитанных значений, т.е.
Проверка
чувствительности защиты при К.З. в конце защищаемой линии Л1:
Чувствительность
защиты при данном сопротивлении срабатывания не удовлетворяет требованиям ПУЭ,
поэтому необходимо отстроить вторую ступень первого комплекта защиты от первой
ступени резервной защиты АТ2, установленной на стороне 220 кВ.
4.3.3
РАСЧЕТ ТРЕТЬЕЙ СТУПЕНИ ЗАЩИТЫ
Третью ступень комплектов 1 и 1′ отстраиваем от минимально
возможного сопротивления в рабочем режиме, т.е. при самозапуске
электродвигателей на п/ст Б и п/ст В
Проверка
чувствительности защиты при К.З. на стороне низшего напряжения за АТ2 и при
К.З. в конце линии Л2
Рис.
10 Расчетная схема замещения
Чувствительность
защиты при К.З. в конце линии Л2 (на шинах п/ст В)
Расчетный
режим: система С1 работает в минимальном режиме, С2- в максимальном режиме, на
п/ст А работает один АТ1, на п/ст Б работает два АТ2, линия Л1 работает в
двухцепном режиме, Л2- в одноцепном.
коэффициент
чувствительности не удовлетворяет требованиям ПУЭ, поэтому необходимо перейти к
эллиптической характеристике срабатывания:
Проверка
чувствительности при К.З. за АТ2 на стороне низшего напряжения:
Расчетный
режим: С1 работает в минимальном режиме, С2- в максимальном, на п/ст А работает
один АТ1, на п/ст Б работает два АТ2, линия Л1 работает в двухцепном режиме.
Чувствительность
не удовлетворительна, поэтому с целью повышения чувствительности третьей
ступени защиты, необходимо реле третьей ступени включить на сумму токов
параллельных линий.
При
прежнем расчетном режиме:
Проверим
чувствительность при работе сети в следующем режиме: cистема С1
работает в минимальном режиме, С2-в максимальном, на п/ст А работает 1 АТ1, на
п/ст Б работает 2 АТ2, линия Л1 работает в одноцепном режиме.
Все
принятые меры по повышению чувствительности третьей ступени 1 комплекта защит
не обеспечивают требуемого уровня, поэтому необходимо проверить
чувствительность в режиме каскадного отключения:
Согласуем
выдержку времени третьей ступени комплектов 1 и 1′ с выдержкой времени
третьей ступени комплектов 3 и 3′
Вывод:
комплекты 1 и 1′ удовлетворяют всем предъявленным требованиям.
5.
ПРОВЕРКА ПО ОСТАТОЧНОМУ НАПРЯЖЕНИЮ
Проверка
по остаточному напряжению проводится с целью выяснения необходимости отключения
трехфазного короткого замыкания без выдержки времени.
Если
Uост.<0.6, то дистанционная защита должна снабжаться
высокочастотной блокировкой или необходимо применение поочередного АПВ.
.1
ПРОВЕРКА ЗАЩИТЫ 3,3′
Проверяем
величину остаточного напряжения на шинах п/ст Б при К.З. на линии Л2 в конце
зоны действия первой ступени защиты.
Расчетный
режим: системы С1 и С2 работают в минимальном режиме, на п/ст А работает 1 АТ1,
на п/ст Б работает 1 АТ2, линия Л1 работает в одноцепном режиме.

Рис. 11 Расчетная схема замещения
Вывод:
остаточное напряжение на шинах п/ст Б при симметричном К.З. в конце зоны
действия первой ступени защиты 3 составляет Uост.=0.52, что
ниже предельного уровня, поэтому необходимо отключение К.З. без выдержки
времени по всей длине линии. Для этого нужно вторую ступень защит 3 и 3′
выполнить без выдержки времени, что позволит отключать К.З без выдержки времени
в мертвой зоне первой ступени. При этом ускоренная вторая ступень защиты 3
будет работать не селективно при К.З. в зоне действия первой ступени защиты 6.
Для исправления возможной неселективной работы защиты 3 применим поочередное
АПВ.
.2 ПРОВЕРКА ЗАЩИТЫ 2,2′
Проверяем величину остаточного напряжения на шинах п/ст Б при К.З. на
линии Л1 в конце зоны действия первой ступени защиты 2.
Расчетный режим аналогичен режиму в п.5.1

Рис. 12 Расчетная схема замещения
Вывод:
удовлетворительный уровень остаточного напряжения.
.3
ПРОВЕРКА ЗАЩИТЫ 1 И 1′
Проверяем
величину остаточного напряжения на шинах п/ст А при К.З. в конце зоны действия
первой ступени защиты 1.
Расчетный
режим аналогичен режиму в предыдущем пункте.
Рис.13 Расчетная схема замещения
Вывод:
удовлетворительный уровень остаточного напряжения.
6.
ВЫБОР И РАСЧЕТ УСТРОЙСТВ АВТОМАТИКИ.
Если
две части энергосистемы связаны или могут быть связаны лишь одной линией, то ее
отключение приведет к нарушению синхронизма. В этих случаях возможно применение
АПВ следующих видов:
§ Несинхронное АПВ;
§ Быстродействующее АПВ;
§ АПВ с улавливанием синхронизма;
§ Поочередное АПВ.
.1 ВЫБОР И РАСЧЕТ ПАРАМЕТРОВ ГЕНЕРАТОРОВ И ТРАНСФОРМАТОРОВ.
Рис.14 Принципиальная схема сети
Выбор
генераторов Г1-Г6:
Выбираем
генераторы типа ТВВ-160-2ЕУ3 из [1].
Справочные
данные выбранного генератора:
Sн=188 МВА, Pн=160
МВт, Uном=18 кВ, Х″d=0.19 о.е., Iном.=5.67
кА.
Хг1=Хг2=…=Хг6=Хг
Выбор
трансформаторов:
Выбираем
трансформатор типа ТЦ-200000/220 из [1]
Справочные
данные выбранного трансформатора:
Хт1=Хт2=…=Хт6=Хт
.2
ВЫБОР ВИДА ТРЕХФАЗНОГО АПВ НА ЛИНИИ Л1
Несинхронное
АПВ является наиболее простым устройством, допускающим включение частей
энергосистемы без ограничений по углу включения, в том числе и при углах
120-130 градусов, когда синхронные машины испытывают максимальные динамические
усилия. Возможность такого включения основывается на определении допустимого
тока включения с углом 180 градусов.
Нормы,
определяющие допустимость НАПВ:
· Для гидрогенераторов с успокоительными контурами и для турбогенераторов с
косвенным охлаждением обмоток
· Для гидрогенераторов без успокоительных обмоток и для турбогенераторов с
непосредственным охлаждением обмоток
Iнс-
максимальный ток (периодическая составляющая) несинхронного включения с углом
180º.
.3
ПРОВЕРКА РАБОТЫ НАПВ В МАКСИМАЛЬНОМ РЕЖИМЕ.
Рассчитаем
возможность НАПВ для максимального режима.
Расчетный
режим: системы С1 и С2 работают в максимальном режиме, на п/ст А и п/ст Б
работает по два автотрансформатора, в работе 6 блоков.
Рис.15
Расчетная схема замещения
Сопротивление
системы С2
Найдем
максимальный ток несинхронного включения с углом 180º
Максимальный
ток несинхронного включения, протекающий по одному блоку.
Суммарный
ток , протекающий от всех 6 блоков:
Ток,
протекающий от каждого блока:
Номинальный
ток генератора, приведенный к стороне 110 кВ:
Проверим
по условию (6.3) для генераторов Г1-Г6:
Применение
НАПВ в данном режиме допустимо.
.4
ПРОВЕРКА РАБОТЫ НАПВ В МИНИМАЛЬНОМ РЕЖИМЕ
Рассчитаем
возможность НАПВ для минимального режима.
Расчетный
режим: cистемы С1 и С2 работают в минимальном режиме, на п/ст
А и п/ст Б работает по одному автотрансформатору. Два блока не работают.

Рис.16 Расчетная схема замещения.
Сопротивление системы С2
Минимальный ток несинхронного включения с углом 180º
Минимальный
ток несинхронного включения, протекающий по одному блоку:
Ток,
протекающий от каждого блока:
Проверим
по условию (6.3) для генераторов Г3-Г6
НАПВ
в данном режиме применять можно.
.5
РАСЧЕТ УСТАВОК АПВ ЛИНИИ Л1
На
линиях с двусторонним питанием АПВ имеет свои особенности, обусловленные
наличием напряжения по обоим концам линии.
Первая
особенность состоит в том, что повреждение на линии отключается защитой с обеих
сторон и АПВ также должно осуществляться с обоих концов линии. Действие устройств
АПВ при этом должно быть согласованным: АПВ производится лишь после того, как
линия отключится с обеих сторон. Выдержка времени АПВ должна определяться по
двум условиям : [3]
а)
Выдержка времени АПВ должна быть больше времени готовности привода:
АПВ1 = tГ.П. + tЗАП,
где
tГ.П. = 0,2 - 1,0 с. - время готовности привода;ЗАП = 0,3
- 0,5 с. - время запаса, учитывающее разброс времени готовности привода и
погрешность реле времени АПВ.
АПВ1 = 0,2 + 0,3
= 0,5 сек.
б)
Выдержка времени АПВ должна быть больше времени деионизации:
АПВ1 = tСЗ2 - tСЗ1
+ tОТК2 - tОТК1 + tД - tВКЛ1
+ tЗАП,
где
tСЗ1, tОТК1, tВКЛ1 - наименьшая выдержка
времени релейной защиты, времени отключения и включения выключателя на том
конце линии, на котором выбирается выдержка времени АПВ;СЗ2, tОТК2
- выдержка времени второй ступени защиты и время отключения выключателя на
противоположном конце линии соответственно;Д - время деионизации среды, зависящее от рабочего
напряжения, значения и длительности тока КЗ, метеорологических условий (ориентировочно
для линий 110 кВ можно принять равным 0,17 с.).
Если
случится КЗ в зоне действия I ступени защиты 1 и в зоне действия II ступени
защиты 2, то можно принять tОТК2 = tОТК1 и tСЗ1
= 0 и получаем упрощенное условие:
АПВ1 = tСЗ2 + tД
- tВКЛ1 + tЗАП
Для
расчета необходимо выбрать выключатель. Выбираем ВМТ-110Б 20/1000УХЛ1. Его
каталожные данные: [1]
ВКЛ1 = 0,13 сек.; tОТК2 = 0,08 сек.АПВ1 = 0,8 + 0,17 -
0,13 + 0,3 = 1,14 сек.
Для уменьшения возмущений в энергосистеме АПВ выполняется однократным. С
этой же целью простую схему АПВ на одном из концов линии дополняют устройством
контроля наличия напряжения на линии. Благодаря этому включение линии на
устойчивое КЗ возможно только один раз - со стороны где не установлено такое
устройство. Поэтому выдержка времени АПВ выбирается по следующему упрощенному
условию:
АПВ1 = tСЗ2 + tЗАП
tАПВ1 = 0,8 + 0,3 = 1,1 сек.
Выдержка
времени АПВ принимается наибольшим из полученных значений: tАПВ1 = 1,14 сек.
На конце линии, с которого производится ее опробование, устанавливается
АПВ с контролем отсутствия напряжения. Для этого в цепи пуска устройств АПВ
вводятся контакты соответствующих реле напряжения, уставки которых выбираются
по следующим условиям:
·
для минимального
реле напряжения, контролирующего отсутствие напряжения на линии:
UСР < (0,4 - 0,5)UНОМ = 0,4×115 = 46 кВ.
·
для максимального
реле напряжения, контролирующего наличие напряжение на линии:
СР > (0,7 - 0,8)UНОМ = 0,8×115 = 92 кВ.
Время автоматического возврата схемы АПВ в исходное положение выбирается
из условия обеспечения однократности действия:
tВ.АПВ
tРЗ.MAX + tОТК + tЗАП,
где
tРЗ.MAX - максимальная выдержка времени резервной защиты комплекта
1(1’);ОТК -
время отключения выключателя.
В.АПВ = 2,8 +
0,08 + 0,3 = 3,18 сек.
Время возврата схемы в исходное положение в устройстве РПВ - 58 и в
комплексном устройстве РПВ - 01 определяется временем заряда конденсатора,
которое составляет 20 - 25 с., что с запасом удовлетворяет условию.
6.6 ВЫБОР И РАСЧЕТ УСТАВОК АПВ ЛИНИИ Л2
По расчетам из 5 раздела было принятии решение, что вторая ступень защит
3 и 3′ будет выполняться без выдержки времени. Для исправления возможного
неселективного действия при К.З. в зоне действия первой ступени защиты линии,
отходящей от п/ст В, будет применяться поочередное АПВ. При использовании
поочередного АПВ времена срабатывания устройств АПВ последовательно нарастают
по мере удаления от источника питания на Δt:
tc.а2=
tc.а1+ Δt - выдержка АПВ линии Л4.
Это время должно с запасом превышать выдержку времени (t1) проскальзывающего контакта,
выводящего из действия неселективную защиту на головном участке:
Δt=t1+Δt1, где
Δt1=0.5- время запаса.
Выдержка времени t1
определяется временем опробования предыдущей линии:
t1=tвв1+tов1+ Δt2 , где
tвв1, tов1- время включения и отключения
выключателя головного участка, Δt2=0.2 сек- время запаса.
Используем выключатель того же типа, что и на линии Л1:
tвв1=0.13
сек., tов1=0.08 сек.
t1=0.13+0.08+0.2
t1=0.41 сек.
Δt=0.41+0.5 Δt=0.91 сек.
tc.а1-
выдержка времени АПВ линии Л2 выбирается по двум условиям:
1. Выдержка времени должна быть больше времени готовности привода
выключателя:
tапв1=tгп +tзап tапв1=0.2+0.3
tапв1=0.5 сек.
2. Выдержка времени АПВ должна быть больше времени деионизации:
tапв1=tд+ tзап tапв1=0.17+0.3
tапв1=0.47 сек.
Окончательно принимаем
tапв1=0.5
сек.= tc.а1
tc.а2=
tc.а1+ Δt tc.а2=0.5+0.91=1.41 сек.
Выдержка времени t2
конечного контакта, вновь вводящего в действие неселективную защиту:
t2=
Δt+ tвв2+ tов2+
Δt3 , где
tвв2, tов2- время включения и отключения
выключателя последующего участка, Δt3=0.8 сек.- время запаса.
t2=0.91+0.13+0.08+0.8
t2=1.92
сек.
7 РАСЧЕТ ПАРАМЕТРОВ ИЗМЕРИТЕЛЬНОЙ СХЕМЫ РЕЛЕ СОПРОТИВЛЕНИЯ
Исходные данные:
В пункте 4.2.2 было рассчитано сопротивление срабатывания второй ступени
комплектов 2 и 2′:
Zcз=39.3
Ом , Ф1=90º-для схемы сравнения по фазе.
Из [1] выбираем трансформатор тока и трансформатор напряжения:
трансформатор тока типа ТФЗМ-Б nтт=1000/5
трансформатор напряжения типа НКФ nтн=110000/100
Реле сопротивления должно обеспечивать регулирование уставки и угла
максимальной чувствительности в диапозонах:
Zуст=0.5
Zуст.р-2 Zуст.р
Φм.ч.=40º-85º
7.1 ОПРЕДЕЛЕНИЕ Е1 И Е2
В данном пункте необходимо рассчитать коэффициенты К1, К2, К3
и К4, которые определяют напряжения Е1 и Е2. В
рассматриваемом реле сопротивления для получения требуемой характеристики
применена схема сравнения по фазе.
Рис.17 Характеристика реле сопротивления
Zуст.р=Zc.з.р× (nтт/ nтн)
(7.1)
Благодаря
возможности использования произвола в выборе коэффициентов К1, К2,
К3 и К4, точки а и в, которые определяются
отношениями соответствующих коэффициентов, можно задать в любом месте на
характеристике срабатывания. Условие обязательного расположения точек а
и в на характеристике срабатывания обусловлено принципом работы схемы
сравнения по фазе.
Так
как характеристика срабатывания проходит через начало координат, точку а
помещаем в начало координат, а точку в в точку пересечения прямой,
проходящей через начало координат и центр окружности, таким образом отрезок ав
равен диаметру окружности.
Е1=К1×U+К2×I
Е2=К3× U+ К4×I
а=-К4/К3 в=-К2/К1
Так
как точка а располагается в начале координат, то К4=0.
Координаты
точки в:
Определим
В:
В
данном случае, если точка Z лежит на характеристике справа от диаметра, то
, если
слева от диаметра 90º.
Определим
угол между отрезками, соединяющими точку внутри окружности с точками а и
в. Пусть этой точкой будет являться центр окружности, тогда угол между (Zц-в)
и (Zц-а) равен 180º. Данный угол должен принадлежать заданному диапазону
углов, соответствующему срабатыванию. Таким образом получаем, что
Отсюда
получаем В=0, так как Ф1=90º
Зададимся
вещественным К1 т.е. К1=К1, тогда argК1-argК3=0
Отсюда
получим argК3=0, значит
коэффициент К3- вещественный.
Определим
К2:
К2=-К1×в
Все
коэффициенты определены, записываем выражения для Е1 и Е2:
7.2 РАСЧЕТ ПАРАМЕТРОВ ЭЛЕМЕНТОВ СХЕМЫ
Выбор коэффициентов трансформации трансформаторов тока и трансформатора
напряжения:
Nтт=1000,
таким образом I1=5 А, а I2=0.005 А- ток, подаваемый на схему.
Nтv=15, здесь U1=141 В- амплитудное значение первичного напряжения.
Nтv- выбран из того условия, что на
схему должно подаваться не более 10 В.
Рассчитывая R1, необходимо
учесть кратность тока К.З. К=13, апериодическую слагающую. [ А]
Из перечисленных выше условий, получаем
Выбираем
из ряда стандартных значений R1=51 Ом.
Из
расчетов в п.7.1
Принимаем
R9=300 Ом R8=20
Ом, таким образом
R6=R4=20
кОм- одинаковые значения принимаются для обеспечения правильной работы
фазовращателя.
К2
для максимальной уставки:
К2=К1×Zуст.макс
К2=1×14.3=14.3
Исходя
из определенного К2, определим требуемые значения резисторов:
Принимаем
R2=20кОм.
По
условию допустимости напряжения на выходе операционной схемы 10 В, принимаем
для максимальной уставки R3=20 кОм.
С
помощью резистора R3 , будем осуществлять регулирование уставки Zмин-Zмакс,
тогда нижняя граница R3=5 кОм.
Определим
R7:
Таким
образом для получения уставок в диапазоне
Zуст=(3.575-14.3)
Ом, необходимо регулировать R3
R3=(5-20) кОм.
Определим
значения R5 и С1 для фазовращателя:
argК2=-2×arctg(ω×C1×R5)
Фм.ч.=- 2×arctg(ω×C1×R5)(Фм.ч./2)= ω×C1×R5,
принимаем С1=100 нФ, тогда
для
Фм.ч.=40º
для
Фм.ч.=85º
Итак,
для регулирования Фм.ч.=40º-85º, необходимо изменять R5 в диапазоне R5=(11.6-29.17)
кОм.
ЗАКЛЮЧЕНИЕ
В
данной работе были рассчитаны защиты от междуфазных коротких замыканий для
двух линий. Были выбраны устройства АПВ в соответствии с расчетом защит и
особенностями линий. Также были рассчитаны параметры измерительной схемы для
реле сопротивления второй ступени защиты 2. Удачный выбор особых точек позволил
сделать схему реле сопротивления, построенную на базе операционных усилителей,
относительно простой. Все защиты были проверены по чувствительности. Зачастую
проверки показывали, что сеть может работать в таком режиме, в котором
рассчитанная уставка не удовлетворяет требованиям чувствительности. Для
повышения коэффициента чувствительности принимались разнообразные меры.
Наибольший эффект для повышения чувствительности резервной ступени
дистанционной защиты проявлялся при переходе к эллиптической характеристике
срабатывания.
Проверка
защит по остаточному напряжению показала, что даже обеспечение чувствительности
и селективности не гарантирует устойчивой работы системы, и иногда приходится
вносить коррективы в функции отдельных ступеней защит. Намеренно пренебрегая
селективностью, добиваются отключения короткого замыкания по всей длине линии
без выдержки времени. При этом часто применяют поочередное АПВ, которое
исправляет неправильную работу защиты.
СПИСОК
ИСПОЛЬЗОВАННЫХ ИСТОЧНИКОВ
1. Неклепаев Б.Н., Крючков И.П.
Электрическая часть электростанций и подстанций: Справочные материалы для
курсового и дипломного проектирования: Учеб. для вузов. - 4-е изд., перераб. и
доп. - М.: Энергоатомиздат, 1989. - 608 с.: ил.
2. Багинский Л.В. Релейная защита
электрических сетей от междуфазных КЗ: Учеб. пособие Новосибирск: Изд-во НГТУ,
2003. - 107 с.
3. Федосеев А.М. Релейная защита
электроэнергетических систем. Релейная защита сетей: Учебное пособие для вузов.
- М.: Энергоатомиздат, 1984. - 520 с.: ил.
4. Методические указания к выполнению
бакалаврской выпускной работы по тематике ,,Релейная защита и автоматика
распределительных сетей"
5. Тимофеев И.П. Автоматическое
управление в электрических системах: Методические указания Новосибирск: Изд-во
НГТУ,1997.-44с.
Приложение 1.
Рис. П.1. Ступенчатые характеристики выдержек времени дистанционной
защиты
а) принципиальная схема распределительной сети 110кВ;
б), в) выдержки времени ДЗ.
Приложение 2
Таблица П.1
Выдержки времени и параметры срабатывания защит от междуфазных КЗ.
|
Комплект защит
|
Параметры срабатывания
|
Выдержки времени ДЗ
|
|
, А , Ом , Ом , Ом , с , с , с
|
|
|
|
|
|
|
|
1,1’
|
-
|
17,4
|
30,49
|
237,5
|
< 0,1
|
0,8
|
2,6
|
|
2,2’
|
-
|
17,4
|
30,27
|
117.65
|
< 0,1
|
0,8
|
3,6
|
|
3,3’
|
-
|
13,92
|
20,57
|
129,5
|
< 0,1
|
0,5
|
2,6
|
|
4,4’
|
281,4
|
-
|
-
|
-
|
-
|
-
|
-
|