Системи тягового автоматизованого електропривода
Зміст
1. Вихідні дані
2. Вибір та обґрунтування силової схеми тягового
електропривода для заданого типу локомотива
. Вибір та обґрунтування схеми автономного
інвертора напруги
. Розрахунок та побудування тягових та
регулювальних характеристик для трьох зон регулювання
Висновки
Перелік використаної літератури
1. Вихідні дані
Тип локомотива ВЛ82
Тип ТАД НБ607
715
Технічні параметри тягового асинхронного двигуна:
Конструкційний коефіцієнт -
201
Число фаз - m 3
Кількість полюсів - 2р 6
Потужність - Р, кВт 720
Фазна напруга -
, В 750
Струм -
, А 515
Базова частота -
, Гц 51,5
Частота ковзання -
, Гц 0,511
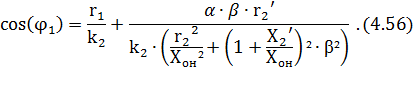
Коефіцієнт потужності - cosφ1 0,85
Активний опір статора -
, Ом 0,016
Активний опір ротора, приведений до опору статора -
, Ом 0,016
Реактивний опір розсіювання статора -
, Ом 0,11
Реактивний опір розсіювання ротора, приведений до опору
статора -
, Ом 0,188
Частота обертання - n, об/хв. 1015
ККД - η, в.о. 0,94
2. Вибір та обґрунтування
силової схеми тягового електропривода
Силова схема тягового електропривода повинна забезпечувати
роботу АТД в режимах тяги та електричного рекуперативного, реостатного або
рекуперативно-реостатного гальмування у всьому діапазоні змінення швидкості
руху. При цьому перехід від одного режиму роботи до іншого не повинен
супроводжуватися стрибкоподібними змінами сил, які діють на потяг.
Для можливості реалізації тяговим двигуном будь-якої
характеристики в областях, обмежених граничними тяговою і гальмівною
характеристиками, перетворювач повинен забезпечувати незалежне регулювання
частоти струму статора АТД в діапазоні від 0,5-1,0 до 100-150 Гц і амплітуди
першої гармоніки напруги на обмотках двигуна від мінімальної, з урахуванням
компенсації падіння напруги на обмотках статора, до максимальної, рівної або
яка перевищує номінальні напругу статора.
Силова схема ЕРС може складатися з вхідного та вихідного
перетворювачів, які призначені відповідно для того, щоб регулювати вихідну
напругу та перетворювати напругу однієї частоти в напругу іншої частоти.
В ролі вхідного перетворювача для ЕРС постійного струму, може
використовуватися імпульсний перетворювач, де зміна напруги може бути здійснена
методами широтно-імпульсного або частотно-імпульсного регулювання, для ЕРС
змінного струму вхідним перетворювачем може бути некерований, керований
випрямляч або чотириквадрантний перетворювач, а вихідним в обох випадках є
автономний інвертор напруги (АІН).
При виборі того або іншого варіанта вхідного і вихідного
перетворювачів потрібно виходити з конкретного типу ЕРС та умов роботи
асинхронного тягового привода і забезпечення необхідних техніко-економічних показників.
Електровоз ВЛ-85 був спроектований, як вантажний електровоз
змінного струму. Висмивісні двосекційні електровози змінного струму ВЛ85,
обладнаний колекторними тяговими електродвигунами, і експлуатується на
залізничних лініях, електрифікованих на змінному струмі напругою 25 кВ 50 Гц.
Електровоз ВЛ85 обладнаний рекуперативним гальмуванням.
Основні недоліки тягового електроприводу постійного струму :
наявність колектора,
необхідність профілактичного обслуговування
колекторно-щіточних вузлів,
обмежений термін служби через зношення колектора,
наявність ковзаю чого контакту між щіткою і колектором,
ковзаючий контакт є джерелом радіоперешкод,
спотворення магнітного поля, самоіндукції і т.д.,
високий ризик пробою колектора чи обмотки.
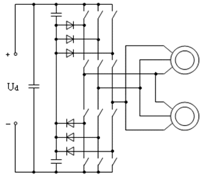
3. Вибір та обґрунтування схеми автономного інвертора напруги
АІН, перетворювачі постійної напруги в змінну, набули
широкого розповсюдження в тяговому і промисловому частотно-регульованому
електроприводі з АД. АІН формують на виході змінну напругу заданої
прямокутно-ступінчастої форми, а форма кривої струму визначається властивостями
навантаження.
Досягнення високих динамічних показників привода вимагають,
щоб швидкодія перетворювачів була на порядок більше, ніж швидкість протікання
електромагнітних процесів в АТД, а для реалізації граничних за умовами
зчеплення коліс з рейками сил тяги (гальмування) перетворювач повинен
витримувати короткочасні перенавантаження по струму.
Кращі результати можуть бути отримані при використанні
тиристорів і діодів з такими параметрами по струму і напрузі, які дозволяють
застосовувати в плечі АІН один напівпровідниковий прилад.
Дискретність процесів перетворення викликає значні пульсації
електормагнітного моменту АТД, а імпульсний характер споживання потужності від
джерела первинно електропостачання робить заважаючий вплив на інших споживачів,
а також пристрої СЦБ та зв`язку. Тому перетворювачі повинні забезпечувати таку
форму напруги та струму на АТД, які не приводили б до значних зростань втрат в
двигуні, виключали динамічні навантаження на механічну передачу привода.
Чисельні дослідження останніх років
показали, що оптимальними характеристиками для електричної тяги володіє
асинхронний тяговий привід (АТП) з автономними інверторами напруги на базі
силових високовольтних модулів з використанням IGBT-транзисторів і системи
широтно-імпульсної модуляції. Широко відомі зарубіжні фірми «Simens», «Adtrans»
та інші ведуть інтенсивні розробки в цьому напрямі.
Напівпровідникові перетворювачі
служать для перетворення параметрів електричної енергії, що поступає від
джерела до споживача - навантаження. При цьому в силових напівпровідникових
перетворювачах використовуються напівпровідникові ключі (тиристори,
транзистори), які відповідно до сигналів управління сполучають відповідні
виводи джерела і споживача. У загальному випадку джерела і споживачі можуть
мати складну електричну схему і містять декілька фаз.
Фазний модуль є однією половинкою мостової схеми, що пояснює
використання терміну «напівмостова» схема включення транзисторів (іноді
зустрічається термін «напівміст»).
Вибираючи один із варіантів, необхідно отримати форму кривої
фазної напруги, яка має вміст першої гармоніки у загальному дійсному значенні,
забезпечує умову повної електромагнітної сумісності автономного інвертора
напруги та асинхронного тягового електродвигуна у всіх робочих режимах. Також
необхідно зазначити, що всі комутуючі елементи для комутаційного захисту
забезпечують снабберами.
Автономний інвертор - це перетворювачі постійного струму в
змінний однофазний або багатофазний струм, комутація струму в яких відбувається
незалежно від процесів в зовнішніх електричних колах завдяки допоміжних
комутуючих приладів всередині самого перетворювача. Одним з найбільш
перспективних напрямків удосконалення сучасних систем асинхронного
електропривода є застосування трифазних тягових блоків АІН - АД.
Рисунок 2.1 - Трифазний трирівневий інвертор
У сукупності всі нові технічні рішення, а також оптимальні
алгоритми автоматичного управління БАСУ, МПСУ і системи безпеки дозволяють
отримати наступні техніко-економічні переваги:
- підвищення тягово-енергетичних і
експлуатаційних показників (зниження споживання електроенергії на 25 - 35 %,
експлуатаційних витрат на планові і непланові ремонти 30 - 40 %);
уніфікація тягових асинхронних
приводів, мікропроцесорних систем управління, моторних візків і іншого
устаткування для приміських електропоїздів постійного і змінного струму, а
також подвійного живлення і експресів підвищеної комфортності місцевого
сполучення для швидкостей до 160 км/г.
4. Розрахунок та побудування тягових та регулювальних
характеристик для трьох зон регулювання
Розрахунок струму статора для трьох зон регулювання
Розрахунок значення електрорухомої сили ротора
,
(4.1)
де
- постійна конструкційна машини ;
- номінальний магнітний потік;
- номінальна частота струму статора (базова частота).
Розрахунок номінального значення індуктивного опору
,Ом,
де
- струм намагнічування.
Але, так як,
даний нам у відносних одиницях ,то треба його перевести в
Ампери.
Передаточний коефіцієнт для номінального режиму
,
Де
- номінальний струм двигуна.
Таким чином отримуємо:
Таблиця 4.1
|
|
73,0152
|
146,0304
|
182,538
|
219,0456
|
292,0608
|
|
Ф, Вб
|
0,0291
|
0,0546
|
0,0635
|
0,0712
|
0,0805
|
Тоді:
Розрахунок передаточного коефіцієнта
Розрахунок величини фазного струму статора
Результати розрахунків заносимо до таблиці 4.2 та будуємо
графіки таких залежностей:
а також графік залежності
та її апроксимацію.
Таблиця 4.2
|
Параметри
|
|
Крок
|
, Вб
|
, В
|
,А
|
, Ом
|
∙
|
, А
|
|
Результати
розрахунків
|
|
1
|
0,0291
|
301,2286
|
73,0152
|
4,12556
|
0,1409
|
206,5294
|
|
2
|
0,0546
|
565,1919
|
146,0304
|
3,87
|
0,132
|
413,6363
|
|
3
|
0,0635
|
657,32
|
182,538
|
3,601
|
0,12299
|
516,3021
|
|
4
|
0,0712
|
737,0268
|
219,0456
|
3,3647
|
0,11492
|
619,5614
|
|
5
|
0,0805
|
833,2957
|
292,0608
|
2,853
|
0,09744
|
826,1494
|
Рисунок 4. 1 Залежність
Рисунок 4. 2 Залежність
Рисунок 4. 3 Залежність
Рисунок 4. 4 Залежність
Рисунок 4. 5 Залежність
та
ії апроксимацію
Розрахунок першої зони - зони пуску,
заданому закону регулювання
=const,
,
,
.
Початкові умови розрахунку в І зоні
де V - швидкість руху електропоїзда;
β - параметр абсолютного ковзання
(відносна частота струму ротора);
α - відносна частота струму
статора.
Кінцеві умови розрахунку в І зоні
де Р - активна потужність на вході двигуна;
- максимальна активна потужність на вході двигуна;
- швидкість електропоїзда в кінці І зони;
- фазна напруга.
Розрахунок коефіцієнтів розсіювання.
де
- індуктивний опір статора;
- приведений індуктивний опір ротора.
Розрахунок параметра абсолютного ковзання
Де
- приведений активний опір статора.
Величину
беремо для заданого значення
із побудованих графіків.
Розрахунок пускової потужності
де
- кількість фаз машини;
- активний опір статора;
- проміжна величина.
.
Визначення кроку розрахунку тягових характеристик в першій
зоні
де
- приріст потужності;
- кількість точок розрахунку,
.
Вт
Розрахунок відносної частоти статора
де
- поточне значення активної потужності, підведеної до ТАД:
де і - коефіцієнт потужності,
і=0,1,2,…,n.
Частота струму статора
Частота струму ротора
Електромагнітний момент
де
- синхронна швидкість при номінальній частоті:
Гц
Вт
Тягове зусилля електропоїзда
де
- передаточне число тягового редуктора;
- кількість тягових двигунів;
- ККД тягового редуктора;
- діаметр колеса.
Кн
Кутова швидкість ротора
Швидкість руху електропоїзда
Приведене значення електрорухомої сили ротора
Напруга статора
де
- промыжна величина;
Коефіцієнт потужності двигуна
Струм в колі постійної напруги
де
- коефіцієнт схеми інвертора.
Напруга в колі постійної напруги
де
- ККД інвертора,який враховує тільки втрати в колі головних
резисторів.
Результати розрахунків заносимо до таблиці 4.4
Таблиця 4.4 - Розрахунок першої зони регулювання. І1 =
const ,
|
Параметри
|
Результати
розрахунку
|
|
Рi,кВт
|
43,738
|
118,878
|
194,018
|
269,158
|
344,29
|
419,43
|
494,579
|
569,719
|
644,85
|
720
|
|
α
|
0,0130
|
0,0639
|
0,1148
|
0,1656
|
0,2165
|
0,2674
|
0,3183
|
0,3691
|
0,4200
|
0,4709
|
|
f1,Гц
|
0,6695
|
3,2897
|
5,9099
|
8,5301
|
11,15
|
13,77
|
16,3908
|
19,011
|
21,631
|
24,251
|
|
β
|
0.013
|
|
f2,Гц
|
0.6695
|
|
ω,рад/с
|
0.00
|
5,48
|
10,97
|
16,46
|
21,95
|
27,43
|
32,92
|
38,41
|
43,9
|
49,38
|
|
V,км/ч
|
0.00
|
2,94
|
5,89
|
8,84
|
11,78
|
14,73
|
17,6811
|
20,62
|
23,57
|
26,52
|
|
М,кНм
|
13692,4928
|
|
F,кН
|
719,6774
|
|
I1,А
|
715
|
|
Ф1,Вб
|
0,0757
|
|
Е1,В
|
10,1915
|
50,0778
|
89,9641
|
129,85
|
169,73
|
209,62
|
249,509
|
289,3955
|
329,28
|
369,16
|
|
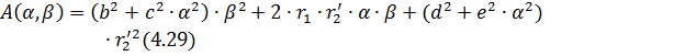
А(α,β)*
*10-6 Ом2
|
0,19
|
1,66
|
4,64
|
9,11
|
15,09
|
22,57
|
31,54
|
42,02
|
54
|
67,49
|
|
U1,В
|
21,2519
|
62,7481
|
104,7655
|
146,857
|
188,97
|
231,1
|
273,235
|
315,3732
|
399,65
|
|
Ud,В
|
48,1902
|
142,2860
|
237,5635
|
333,01
|
428,51
|
524,04
|
619,582
|
715,1319
|
810,68
|
906,24
|
|
Id,A
|
926,1369
|
852,5395
|
833,3692
|
824,755
|
819,87
|
816,72
|
814,537
|
812,922
|
811,68
|
810,7
|
|
cos(φ)
|
0,959
|
0,883
|
0,863
|
0,854
|
0,849
|
0,846
|
0,843
|
0,842
|
0,84
|
0,8398
|
Розрахунок другої зони - зони постійної потужності
Початкові умови розрахунку в другій зоні
де
- величина магнітного потоку в кінці першої зони
регулювання;
- величина магнітного потоку на початку другої зони
регулювання.
Кінцеві умови розрахунку в другій зоні
де
- максимальне значення діючої
напруги статора.
Визначення кроку розрахунку тягових характеристик в другій
зоні
де
- величина магнітного потоку в кінці
другої зони регулювання, приймаємо,
- із кривої намагнічування ТАД;
n - кількість точок розрахунку.
Визначення поточного значення магнітного потоку
де j - номер кроку розрахунку.
Розрахунок поточного значення фазного струму двигуна
Величину k1 отримати для поточного значення
Фj із побудованих в графіків.
Величину Х0Н отримати із графіків
побудованих для поточного значення магнітного потоку Фj.
Розрахунок відносної частоти статора
де
- поточне значення абсолютного ковзання;
- Поточне значення проміжної величини ,яке можна розрахувати
за формулою (4.16).
Електромагнітний момент двигуна.
Розраховуємо тягове зусилля локомотива.
Розраховуємо кутову швидкість ротора.
Розраховуємо швидкість руху локомотива.
Розраховуємо значення електрорухомої сили ротора.
Розраховуємо напругу статора.
Коефіцієнт потужності двигуна.
Розраховуємо струм в колі постійної напруги.
Напруга в колі постійної напруги
Контроль величини напруги
Розрахунок другої зони регулювання ведеться до величини:

де
- похибка розрахунку напруги (таблиця 4.5).
При досягненні величини
продовжити виконання розрахунку,
змінивши величину DФ.
Повинні виконуватись також наступні умови:
де
- максимально допустима швидкість;
- максимальне значення відносної частоти статора;
Таблиця 4.5 - Розрахунок другої зони
регулювання. P1 = const , Ф = k1 I1
|
Параметри
|
Результати
розрахунку
|
|
|
Рi,кВт
|
720
|
|
|
α
|
0,473
|
0,5291
|
0,5801
|
0,6337
|
0,6889
|
0,7483
|
0,8178
|
0,9009
|
0,9865
|
1,0868
|
|
f1,Гц
|
24,359
|
27,2484
|
29,8768
|
32,6337
|
35,4799
|
38,539
|
42,117
|
46,395
|
50,8032
|
55,968
|
|
β
|
0,0131
|
0,0124
|
0,0121
|
0,0118
|
0,0116
|
0,0114
|
0,0112
|
0,0109
|
0,0107
|
0,0105
|
|
f2,Гц
|
0,6732
|
0,6399
|
0,6212
|
0,6063
|
0,5955
|
0,5866
|
0,5755
|
0,5615
|
0,5524
|
0,5416
|
|
ω,рад/с
|
49,6
|
55,72
|
61,27
|
67,07
|
73,06
|
79,48
|
87
|
95,993
|
105,243
|
116,08
|
|
V,км/ч
|
26,63
|
29,92
|
32,9
|
36,02
|
39,23
|
42,68
|
46,72
|
51,54
|
56,51
|
62,33
|
|
М,кНм
|
13631,99
|
12249,47
|
11210,32
|
10292
|
9487,81
|
8751,8
|
8024,0
|
7298,5
|
6675,71
|
6068,5
|
|
F,кН
|
716,4978
|
643,8326
|
589,2145
|
540,9476
|
498,679
|
459,99
|
421,74
|
383,61
|
350,875
|
318,96
|
|
Ф1,Вб
|
0,0757
|
0,0735
|
0,0713
|
0,0692
|
0,067
|
0,0648
|
0,0626
|
0,0604
|
0,0583
|
0,0561
|
|
I1,А
|
715
|
660,6
|
621,4
|
587,6
|
558,6
|
532
|
504,2
|
474,4
|
449,5
|
424,5
|
|
Е1,В
|
370,6388
|
402,6639
|
428,4135
|
453,6461
|
477,665
|
501,96
|
530,11
|
563,63
|
594,918
|
630,88
|
|
А(α,β)*
*10-6 Ом2
|
68,1385
|
84,0157
|
100,0518
|
118,4744
|
139,230
|
163,46
|
194,16
|
234,17
|
279,530
|
337,8
|
|
U1,В
|
399,5875
|
431,4086
|
457,0984
|
482,4304
|
506,668
|
531,26
|
559,72
|
593,53
|
625,239
|
661,81
|
|
Ud,В
|
906,0941
|
978,2507
|
1036,504
|
1093,946
|
1148,90
|
1204,6
|
1269,2
|
1345,8
|
1417,77
|
1500,7
|
|
Id,A
|
810,8362
|
751,0282
|
708,8189
|
671,5995
|
639,471
|
609,86
|
578,85
|
545,88
|
518,201
|
489,56
|
|
cos(φ)
|
0,839
|
0,842
|
0,844
|
0,846
|
0,847
|
0,849
|
0,85
|
0,852
|
0,853
|
0,854
|
|
|
|
|
|
|
|
|
|
|
|
|
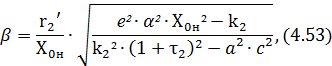
Розрахунок третьої зони - зони ослаблення поля
Початкові умови розрахунку в третій зоні
Для зони постійної потужності параметр абсолютного ковзання
дорівнює:
де
- закон регулювання в І та ІІ зонах регулювання.
Для зони обмеженої напруги параметр абсолютного ковзання
дорівнює:
де
- закон регулювання в ІІІ зоні
регулювання.
Значення a частота переходу з другої зони в третю.
Максимальне значення відносної частоти статора визначається
із умови статичної стійкості тягового приводу по наступній формулі:
оефіцієнт потужності двигуна при роботі по закону (4.50)
дорівнює:
Потужність, яка споживається тяговим двигуном:
Розрахунок фазної напруги:
Розраховуємо частоту струму статора.
Розраховуємо частоту струму ротора.
Знаходимо електромагнітний момент.
Визначаємо тягове зусилля електровоза.
Визначаємо кутову швидкість ротора.
Визначаємо швидкість руху електровоза.
Величину магнітного потоку тягового двигуна для третьої зони
розраховуємо за формулою:
Розраховуємо приведене значення електрорушійної сили ротора.
Визначаємо струм в колі постійної напруги.
Знаходимо напругу в колі постійної напруги.
Результати розрахунків заносимо до таблиці 4.6
Таблиця 4.6 - Розрахунок третьої зони регулювання.
;
|
Параметри
|
Результати
розрахунку
|
|
Рi,кВт
|
720
|
|
α
|
1,0868
|
1,1595
|
1,2322
|
1,305
|
1,3777
|
1,4504
|
1,5231
|
1,5959
|
1,6686
|
1,7413
|
|
f1,Гц
|
55,9702
|
59,7154
|
63,4607
|
67,2059
|
70,9511
|
74,696
|
78,441
|
82,186
|
85,9321
|
89,677
|
|
f2,Гц
|
0,54075
|
0,5665
|
0,59225
|
0,618
|
0,64375
|
0,6695
|
0,6952
|
0,721
|
0,74675
|
0,7725
|
|
ω,рад/с
|
116,0897
|
123,8797
|
131,6697
|
139,4596
|
147,249
|
155,03
|
162,82
|
170,61
|
178,4
|
186,19
|
|
V,км/ч
|
62,3323
|
66,515
|
70,6977
|
74,8803
|
79,063
|
83,245
|
91,611
|
95,7938
|
99,976
|
|
М,кНм
|
6068,39
|
5688,04
|
5352,583
|
5054,515
|
4787,91
|
4548
|
4331
|
4133,8
|
3953,89
|
3788,9
|
|
F,кН
|
318,987
|
298,9937
|
281,3603
|
265,6923
|
251,678
|
239,06
|
227,66
|
217,29
|
207,837
|
199,16
|
|
Ф1,Вб
|
0,0428
|
0,0397
|
0,037
|
0,0347
|
0,0327
|
0,0309
|
0,0293
|
0,0279
|
0,0267
|
0,0256
|
|
I1,А
|
424,5
|
423,7403
|
422,9806
|
422,2210
|
421,461
|
420,7
|
419,94
|
419,18
|
418,422
|
417,66
|
|
Е1,В
|
481,5860
|
476,9498
|
473,0259
|
469,7378
|
467,032
|
464,87
|
463,26
|
462,19
|
461,69
|
461,8
|
|
А(α,β)*
*10-6 Ом2
|
68,1385
|
84,0157
|
100,0518
|
118,4744
|
139,2307
|
163,4603
|
194,1685
|
234,1782
|
279,5308
|
337,8082
|
|
U1,В
|
661,425
|
656,387
|
652,4168
|
649,4202
|
647,338
|
646,14
|
645,84
|
646,46
|
648,076
|
650,79
|
|
Ud,В
|
1498,99
|
1478,888
|
1463,676
|
1452,871
|
1446,17
|
1443,4
|
1444,6
|
1450
|
1459,99
|
1474,9
|
|
Id,A
|
490,1257
|
496,7878
|
501,9509
|
505,684
|
508,025
|
508,98
|
508,54
|
506,65
|
503,215
|
498,1
|
|
cos(φ)
|
0,8553
|
0,8684
|
0,879
|
0,8872
|
0,8929
|
0,8962
|
0,897
|
0,895
|
0,89
|
0,883
|
Будуємо графіки наступних залежностей:
Рисунок 4.7 Залежність
Рисунок 4.8 Залежність
Рисунок 4.9 Залежність
Рисунок 4.10 Залежність
,
Рисунок 4.11 Залежність
,
Рисунок 4.11 Залежність cosφ=f(V)
Висновки
тяговий електропривод
електровоз двигун
В даному курсовому проекті був
проведений розрахунок тягових і регулювальних характеристик асинхронного
електроприводу електровозу ВЛ85 з трифазним асинхронним тяговим двигуном НБ514
в зонах пуску, постійної потужності і в зоні ослаблення поля
Застосування асинхронного
електроприводу на електровозі ВЛ85 дозволяє в значній мірі знизити
експлуатаційні витрати: зменшити споживання електроенергії на тягу поїздів,
спростити технічне обслуговування і ремонт, підвищуючи при цьому регулювальні і
тягові властивості електровозу.
Перелік використаної літератури
1. “Документація. Звіти у сфері науки і техніки.
Структура і правила оформлення ДСТУ 3008-95”. - Київ.: Держстандарт України,
1995. - 36 с.
. Коновалов Є.В. Студентська навчальна звітність:
Графічні конструкторські документи. Загальні вимоги до побудови, викладання та
оформлення: Методичний посібник з додержанням вимог нормоконтролю (нормативних
документів) у студентській навчальній звітності. Розділ 2. - Х.: УкрДАЗТ, 2006.
- 34с.
. Электроподвижной состав с асинхронными тяговыми
двигателями /Н.А. Ротанов, А.С. Курбасов, В.В. Литовченко, Ю.Г. Быков, 1991.-
336с.
. Теория электрической тяги / В.Е.Розенфельд,
И.П.Исаев, Н.Н.Сидоров, М.И.Озеров; Под ред. И.П.Исаева. - М.: Транспорт, 1995.
- 294 с.
. Сандлер А.С. и Сарбатов Р.С. Частотное
управление асинхронними двигателями. - М.-Л.: издательство „Энергия”, 1966. -
144 с.