Система керування електропривода мобільного конвеєра 2Т за системою ПЧ-АД в умовах цеху №1 ВАТ 'ПівдГЗК'

  • Вид работы:
    Дипломная (ВКР)
  • Предмет:
    Физика
  • Язык:
    Украинский
    ,
    Формат файла:
    MS Word
    419,17 Кб
  • Опубликовано:
    2015-07-02
Вы можете узнать стоимость помощи в написании студенческой работы.
Помощь в написании работы, которую точно примут!

Система керування електропривода мобільного конвеєра 2Т за системою ПЧ-АД в умовах цеху №1 ВАТ 'ПівдГЗК'

Зміст

Вступ

Розділ 1. Характеристика електромеханічної системи, вибір електрообладнання та розрахунок характеристик розімкненої системи привода технологічного механізму

.1 Основні відомості про промислову установку, загальний вигляд, кінематика

.2 Задачі керування, вимоги до електроприводу катучого 2Т конвеєра

.3 Обґрунтування та вибір системи електропривода

.4 Розрахунок потужності та вибір електродвигуна, перетворювача та елементів силової частини катучого конвеєра 2Т

.5 Складання схеми заміщення, математичний опис та розрахунок швидкісних і механічних характеристик

Розділ 2. Обґрунтування та розробка системи керування електроприводом

.1 Вибір структури САК ЕП, складання передаточних функцій

.2 Синтез параметрів регуляторів замкнутої САК

Розділ 3. Моделювання динамічних режимів роботи привода технологічного механізму на ЕОМ

.1 Розрахунок та моделювання замкненої системи

.2 Дослідження динамічних якісних показників САК ЕП

Висновки

Список використаної літератури

Вступ


Основним засобом автоматизації машин у сучасному виробництві є електропривод. Стало банальним твердження, що найдешевшим , надійним і швидкодіючим електродвигуном є асинхронний і короткозамкнений асинхронний двигун. При всіх своїх перевагах, при живленні від мережі стандартної частоти стає двигуном з постійною швидкістю, а сучасний електропривод із засобу постачання механічною енергією робочих машин, завдяки регулюванню швидкості в прогресуючій ступені стає потужним засобом керування, підвищення продуктивності і якості технологічних процесів.

Ось чому технічна думка зайнята проблемою звільнення короткозамкненого двигуна від струмів стандартної частоти обертання при збереженні всіх його переваг. Для цього необхідно й досить забезпечити двигун своїм індивідуальним джерелом енергії змінної керованої частоти - частотним керуванням.

Цей процес може бути реалізовано багатьма способами, один з яких - використання системи тиристорний перетворювач частоти - асинхронний двигун ( ТПЧ-АД).

Метою даного дипломного проекту є розробка системи автоматизованого керування завантаження бункерів в умовах Півд. ГЗК, дослідження статичних і динамічних характеристик ТПЧ-АД, можливість її регулювання й розробити мікропроцесорну систему регульованого електропривода катучого конвеєра завантаження бункерів.

У роботі використовується ТПЧ із проміжною ланкою постійного струму, робота якого полягає в наступному: проводиться двократне перетворення напруги (енергії) живильної мережі, спочатку випрямлюється випрямлячем, а потім постійна напруга за допомогою інвертора перетворюється в змінний струм. Головним достоїнством ТПЧ із проміжною ланкою постійного струму є можливість одержання на його виході за рахунок автономного інвертора практично будь-яку частоту, що змінює в широких межах частоту, незалежно від частоти живильної мережі. Основний недолік - двократне перетворення енергії знижує ККД і збільшує масу й габарити.

Розділ 1. Характеристика електромеханічної системи, вибір електрообладнання та розрахунок характеристик розімкненої системи привода технологічного механізму


1.1 Основні відомості про промислову установку, загальний вигляд, кінематика


Сьогодні важко собі представити металургійне підприємство без конвеєрів різних типів. На сьогодні конвеєра є самим економічно вигідним і зручним транспортом для доставки вантажів усередині підприємства. Подивимося на дробильний Цех №1, що перебуває на Криворізькому ПГЗК.

Цех №1 є одним з головних цехів підприємства й тут ми дійсно можемо спостерігати величезну кількість конвеєрів різних типів. Тут ми бачимо й стрічкові, так звані катуючі конвеєра (2Т), підвісні й т.д.

За принципом дії машини розділяють на дві самостійні конструктивні групи: машини періодичної й безперервної дії. Конвеєра ставляться до другого (їх також називають машинами безперервного транспорту й транспортуючих машин).

Дробильний цех №1 ділиться на 3 частині (рис. 1.1.1)

великого дроблення

середнього дроблення

дрібного дроблення

На рисунку ми бачимо безліч конвеєрів, які у свою чергу діляться на:


Конвеєрний транспорт у цих умовах більше економічний, чим залізничний або автомобільний.

Отже, конвеєри є складовою й невід'ємною частиною сучасного технологічного процесу - вони встановлюють і регулюють темп виробництва, забезпечують його ритмічність, сприяють підвищенню продуктивності праці і збільшенню випуску продукції. Конвеєри є основними засобами комплексної механізації й автоматизації транспортних і вантажно-розвантажувальних робіт і з технологічних операцій.

Конвеєри на сучасних підприємствах застосовують у якості:

високопродуктивних транспортних машин, що передають вантажі з одного пункту в іншій на ділянках внутрішньозаводського й у ряді випадків - зовнішнього транспорту;

транспортних агрегатів потужних перевантажувальних пристроїв (наприклад, мостових перевантажувачів, відвалоутворювачів та інших) і вантажно-розвантажувальних машин;

машин для переміщення вантажів виробів по технологічному процесі потокового виробництва від одного робочого місця до іншого, від однієї технологічної операції до іншої, що встановлюють, організуючий і регулюючих темп виробництва й що сполучають, у ряді випадків, функції накопичувачів (рухливих складів) і розподільників вантажів-виробів по окремих технологічних лініях;

машин і передатних пристроїв у технологічних і автоматичних лініях виготовлення й обробки деталей і складальних одиниць виробів. Тісний зв'язок конвеєрів із загальним технологічним процесом виробництва обумовлює їхню високу відповідальність. Порушення роботи хоча б одного конвеєра в загальній транспортно-технологічній системі викликає порушення роботи всього комплексу машин системи й підприємства в цілому. Будь-яка автоматична технологічна система не може працювати при несправності транспортних агрегатів. Варто також мати на увазі, що конвеєри по транспортно-технологічному призначенню, як правило, не мають дублерів.

Рис. 1.1.2 Загальний вигляд катучого конвеєра

Кінематична схема й характеристики технологічної установки

Розглянемо кінематичну схему катучого 2Т конвеєра.

Рис 1.1.3 Кінематична схема катучого конвеєра

Привід самої стрічки здійснюється через два приводних двигуни АД (1) які у свою чергу працюють через редуктори (2) , також є два барабани приводний (4) і натяжний (3), є два відхиляючих барабани (5). Рух самого воза здійснюється трьома двигунами (6).

Технічні характеристики катучого 2Т конвеєра:

швидкість стрічки 2,21 м/сек

продуктивність 3950 т/година

тип редуктора кс 2-100

передаточне число редуктора 28,3

діаметр приводного барабана 1250 мм

довга приводного барабана 2300 мм

діаметр барабанів, що відхиляють, 840 мм

довга барабанів, що відхиляють, 2300 мм

1.2 Задачі керування, вимоги до електроприводу катучого 2Т конвеєра


Особливістю катучого 2Т конвеєра є те, що він не рухливий як багато інших стрічкових конвеєрів. 2Т конвеєр стоїть на колесах і може вільно рухатися.

Сутність полягає в тому, що статичний конвеєр зміг би заповнювати максимум 2 банки або щоб домогтися того об’єму повинні були б величезні сховища. У відмінності від статичного конвеєра катучій може по мірі заповнення однієї банки переїхати на іншу позицію для заповнення наступних банок.

Привід катучого 2Т конвеєра складається із двох паралельно працюючих двигуна, котрі обертають саму стрічку. Для пересування конвеєра по рейках установлені 3 привода на колеса.

Вимоги до електроприводу 2Т конвеєра

Виходячи з умов технологічного процесу можна висунути

основні вимоги до електроприводу 2Т конвеєра:

 Режим роботи 2Т конвеєра - тривалий, безперервний;

Частота пуску й зупинки обумовлена лише переходом на другий бункер. Таким чином, електропривод відноситься до двигунів з нечастими пусками та зупинками.

1.3 Обґрунтування та вибір системи електропривода


Алгоритм функціонування процесу транспортування, складається з ряду операцій, що проводяться в певній послідовності. Першої з них є операція завантаження стрічки конвеєра, другий - заповнення погонної ділянки стрічки (поперечного його перетину), третьої - транспортування вантажу, четвертої - розвантаження стрічки.

При цьому система керування повинна забезпечити наступні показники:

сумарне навантаження або максимальне тягове зусилля повинне бути не більше розрахункового або заданого залежно від якості стиків і загального стану стрічки конвеєра, барабанів;

лінійне завантаження повинна бути не вище розрахункової або обмежуватися завданням по тяговому зусиллю;

швидкість матеріалу в місці навантаження стрічки повинна бути відповідного вступника лінійному завантаженню або вище, якщо це необхідно по вимогах якості розвантаження або енергетики приводів;

швидкість обертання окремих приводних барабанів повинна відповідати механічним характеристикам двигунів з перетворювачами при підтримці заданого розподілу навантаження між двигунами;

реактивна потужність повинна бути мінімальної при виконанні умов підтримки основних керованих величин;

кількість двигунів приводу підтримується таким, щоб сумарної потужності що залишилися вистачило для здійснення транспортування , інші відключаються;

натяг стрічки повинне відповідати величині, що забезпечує роботу пари тертя стрічка-барабан без прослизання й не перевищувати значень відповідним максимальним розривним умовам стиків.

Усі ці фактори необхідно враховувати при виборі системи приводу таких механізмів. Крім цього дане питання потрібно розглядати з економічної точки зору тобто по рівню капітальних вкладів та по рівню витрат на експлуатацію.

Для приводу механізмів 2Т конвеєра можливо вибрати наступні системи електроприводів:

) Електропривод по системі ТП-Д

В останній час розвиток та удосконалення силової та напівпровідникової техніки визначає широке застосування статичних перетворювачів.

Електропривод по системі ТП-Д має наступні переваги:

• силовий тиристорний перетворювач виключає електромагнітні інерційності, які вносять ланцюги збудження та якоря генератора в системі Г-Д, тобто має підвищену швидкодію, яке обмежується головним чином комутаційною здатністю тиристорного перетворювача і механічною інерцією електроприводу;

• дана система проста і безвідмовна в роботі;

• можлива економія міді та кольорових металів, які йдуть на тиристорний агрегат і трансформатор, в порівнянні з електромеханічним перетворювачем;

• електропривод потребує мінімального обслуговування;

• у системи дуже великий ККД, перевищуючий 95% ;

• невеликі габарити, вага, блочна компоновка дозволяє зменшити необхідні виробничі площі, зменшити капітальні витрати на установку та експлуатацію.

В той же час в системі ТП-Д характерні наступні недоліки:

• значні пульсації на виході тиристорного перетворювача обумовлюють проблему нагріву і комутації; для поліпшення форми кривої випрямленого струму, як правило необхідна установка згладжуючого дроселя;

• при глибинному регулюванні швидкості електропривод має низький коефіцієнт потужності;

• перевантажувальна можливість менш за систему Г-Д;

• при роботі тиристорного перетворювача спотворюється форма напруги у мережі змінного струму, через що виникають перешкоди;

• для забезпечення рекуперації енергії у мережі необхідно використання спеціальних схем включення.

Рис.1.3.4 Функціональна схема системи електропривода ТП-Д

) Електропривод по системі ТПЧ-АД

В останні два десятиріччя, регулювальний асинхронний електропривод зазнав такі істотні зміни у своєму розвитку, що повністю витиснув із багатьох галузей синхронний привод і привод постійного струму. Це пов'язано передусім з досягненням в силовій електроніці і мікропроцесорній техніці, на основі яких були розроблені перетворювачі частоти, які забезпечують управління асинхронними короткозамкненими двигунами з енергетичними та динамічними показниками, сумірними або перевищеними показниками інших приводів.

Сьогодні частотне управління є для асинхронного привода свого роду технічним стандартом. В той же час практично вийшли із застосування і не використовуються такі способи управління та пристрої як симетричне і несиметричне управління напругою, керування введенням додаткових опорів у коло статора і ротора, управління змінною числа пар полюсів та ін.

Раніше для рішення завдання регулювання швидкості використовувалися тільки приводи постійного струму. Зараз асинхронні приводи стають усе більше популярними з кожним днем. Вони складаються із преобразователя частоти й асинхронного двигуна. Причини цього розвитку наступні:

Асинхронні машини невимогливі до техобслуговування;

Можливе експлуатування у вибухонебезпечній зоні;

Високий коефіцієнт потужність/маса для асинхронного двигуна;

Можливість керування при максимальній швидкості;

Низька вартість асинхронних двигунів;

Постійне поліпшення технології перетворювача з одночасним зниженням ціни;

Регулювання швидкості що котучого 2Т конвеєри викликаний наступними потребами:

Доцільністю підтримування постійній вагарні або об’ємні навантаження на 1 м стрічки, рівної або близької до цього ж навантаження при найбільшій продуктивності конвеєра, для якого він призначений. Регульований привід дозволяє підтримувати постійної навантаження шляхом зниження робочої швидкості при зменшенні фактичної продуктивності установки.

При цьому знижується оборотність стрічки, її зношування. Рівною мірою знижується зношування й механічне встаткування. Термін служби стрічки при цьому збільшується майже пропорційно зниженню її швидкості;

Зниження робочої швидкості при зменшенні продуктивності, це дає зниження кількості енергії, що витрачається на подолання шкідливих опорів. Завдяки цьому знижується вартість електроенергії, що становить значну частину експлуатаційних витрат;

Обґрунтування та вибір системи керування електропривода

У цей час розроблені порівняно недорогі системи регульованого по частоті й по моменті. Оптимальне рішення для регульованих приводів припускає установку перетворювачів частоти й асинхронних електродвигунів з короткозамкненим ротором. Це недорогі двигуни, що мають малий момент інерції, високу ступінь захисту й незначних витрат на обслуговування.

Перетворювач частоти перетворює напруга мережі в напругу на електродвигуні зі змінною амплітудою й частотою. Двигун може працювати з будь-якою частотою обертання, навіть вище синхронної. Його перевантажувальна здатність і максимальний обертаючий момент при роботі з перетворювачем зберігаються.

Система керування забезпечує обмін даними й регулювання. Кожний електродвигун має власний регулятор швидкості, щоб при виході з ладу одного інші продовжували працювати. Дійсне значення частоти обертання надходить від датчиків, які встановлюються на двигунах.

У зв'язку з цим основні вимоги, до електроприводу 2Т конвеєра зводяться до наступного:

конвеєри призначені для безперервного транспортування гірської маси в одному напрямку при діапазоні регулювання швидкості 1,25:1;

процесі пуску конвеєрів необхідно зберігати зчеплення стрічки із приводними барабанами, що виключає пробуксовку, а також поздовжні коливання стрічки, як при повністю завантаженої, так і при недовантаженій стрічці;

для обмеження натягу стрічки в конвеєрах використовуються два приводних барабани з індивідуальними приводами; доцільним уважають співвідношення моментів між першим і другим барабаном 2:1.

Живлення тиристорного перетворювача частоти 2Т конвеєра здійснюється від реактора РТСТ-265-0.156УЗ.

Висновки

Таким чином, можна зробити висновок, що для привода 2Т конвеєра э доцільним використання електропривода по системі ТПЧ-АД, яка зображена на рис. 1.3.5.

Опис основних елементів схеми:- головний вимикач;- лінійний запобіжник;- головний контактор;- вхідний фільтр;- вхідний реактор;- випрямляч;- фільтр ланки постійного стуму;- пристрій гальмування;- інвертор;- вихідний реактор;- вихідний фільтр;- асинхронний двигун.


Рис. 1.3.5 Схема ТПЧ-АД

1.4 Розрахунок потужності та вибір електродвигуна, перетворювача та елементів силової частини катучого конвеєра 2Т


Конвеєрний транспорт ПГЗК споживає на 1 км довжини конвеєра близько 1 млн. кВт/година електроенергії в рік при реально досяжному споживанні близько 0,3 мільйонів кВт/година. Очевидно, що близько 70% споживаної енергії витрачається на спрацювання устаткування.

Регулювання конвеєрів забезпечує не тільки зниження витрат на транспортування руди, але істотно підвищує безпеку експлуатації. Найбільш важкі аварії конвеєрів пов'язані із загорянням стрічки при зриві її зчеплення з барабаном і при обриві стрічки. Причинами в обох випадках є надлишкові сили, прикладені до стрічки.

Недоліки існуючих систем електропривода конвеєрного транспорту:

необхідно створювати високий попередній натяг стрічки, щоб запобігти прослизанню;

при наявності декількох приводних барабанів виникає нерівномірність розподілу сил по барабанах;

у процесах розгону й гальмування виникають підвищені моменти при включенні двигунів.

Усі ці фактори необхідно враховувати при виборі системи приводу таких механізмів. Крім цього дане питання потрібно розглядати з економічної точки зору, тобто по рівню капітальних вкладів та по рівню витрат на експлуатацію.

Розрахунок потужності електродвигуна

Відомо, що вартість конвеєрної стрічки становить близько 90% від вартості конвеєра. Отже, запуск конвеєра незалежно від завантаженості стрічки повинен бути плавним з обмеженим прискоренням, щоб запобігти пробуксовці і часто виникаючим при цьому пожежам стрічки. Це особливо важливо для пуску 2Т конвеєра, а також небезпека пробуксовки існує небезпека виникнення коливального перехідного процесу в галузі, що найчастіше приводить до обриву стрічки. Звідси можна зробити висновок, що необхідно влаштувати систему електропривода із твердим обмеженням прискорення при пуску, і в той же час за відносно простою схемою, тому що час пуску конвеєрів набагато менше часу його роботи на сталій швидкості. Також на ПГЗК виникали моменти коли породи було дуже багато і двигун не виконував свою роботу, що загрожувало аварії.

Таким чином, електричний двигун повинен розвинути момент, який подолає момент, необхідний на обертання стрічки.

Вихідні данні для розрахунку потужності конвеєра:- швидкість стрічки - 2,21 м/с;- продуктивність конвеєра - 3950 т/год;т - тягове зусилля - 9100;

ηп - ККД передачі - 0,93;- передаточне число редуктора - 28,3 * 2;

Дб - Діаметр приводного барабана - 1250 мм;к - довжина конвеєра - 2300 мм;

Потужність на валу двигуна конвеєра

                                                  , (1.4.1)

де Q - продуктивність конвеєра; H - висота підйому матеріалу;- довжина конвеєра; ηп - ККД передачі.

З іншого боку, потужність на валу двигуна можна визначити за формулою.

                                                     , (1.4.2)

де Wт - тягове зусилля; V - швидкість стрічки.

Потужність двох двигунів розраховуємо по формулі (1.4.3).

                                   (кВт)

Вибираємо два асинхронний двигуна по 110 кВт типу 4АН-250М4УЗ з наступними параметрами.

Таблиця 1.4.1

Параметри вибраного двигуна

1

Тип двигуна

4АН-250М4УЗ

2

Номінальна потужність, Р2, кВт

110

3

Номінальна фазна напруга, Uн.ф., В

220

4

Номінальний фазний струм, Iн.ф., А

195,5

5

Кількість пар полюсів, р

2

6

Номінальна частота, f, Гц

50

7

Активний опір статора, R1, Ом

0,03

8

Наведений активний опір статора, R2’, Ом

0,0172

9

Наведений індуктивний опір ротора, X2`, Ом

0,19

10

Індуктивний опір статора, X1 , Ом

0,117

11

Індуктивний опір машинного контуру, χμ, Ом

4,83

12

Взаємна індуктивність, Lm, Гн

0,0154

13

Індуктивність статора, L1, Гн

0,0158

14

Індуктивність ротора, L2, Гн

0,0158

15

Маховий момент, Н*м2

3,871

16

Момент інерції, τ, Н*м2

0,968

17

Коефіцієнт потужності, cosφ

0,908

18

Номінальна частота обертання, n, об/хв

1500

19

ККД, %

93,0

20

Номінальне ковзання, Sн

0,015


Найбільш оптимальна умова роботи системи досягається при використанні ТПЧ серії ЭКТ. На цій серії й зупинимо свій вибір.

Вибираємо ТПЧ серії ЭКТ 2Р-250/380-200-УХЛЧ.

Таблиця 1.4.2

Параметри живильної мережі

1

Напруга, В

380

2

Частота, Гц

50; 60

3

Число фаз

3


Таблиця 1.4.3

Вихідні параметри

1

Номінальна напруга, В

380

2

Номінальний струм, А

250

3

Номінальна потужність, кВА

165

4

Номінальна частота, Гц

200(50;60;100)

5

Діапазон зміни частоти, Гц

5-240

6

Діапазон зміни напруги при номінальному навантаженні, В

0-380

7

Робочий діапазон зміни частоти, Гц

15-200

8

Робочий діапазон зміни напруги при рекуперації, В

38-340

9

Коефіцієнт потужності

0,83

10

КПД

0,92

11

Коефіцієнт зрушення навантаження

0,15-0,7

12

Відхилення вихідної напруги від номінального значення при зміні струму навантаження, %

+- 2,5

13

Відхилення вихідної частоти від номінального значення, %

+- 0,5

14

Тривалість припустимого навантаження, с

120

15

Миттєве значення струму навантаження, А

750


Автоматичний вимикач на стороні змінного струму А3726Б на Iн = 320 А.

Вибір реактора

Робимо вибір реактора РТСТ-256-0,156УЗ, його паспортні дані приведені у табл. 1.4.4.

Таблиця 1.4.4

Паспортні данні реактора

1

Номінальна напруга, В

410

2

Номінальний фазний струм, А

265

3

Індуктивність, мГн

0,156

4

Активний опір, мОм

7,2


Вибір силового фільтра

Для вибору індуктивності дроселя, що згладжує, використовуємо співвідношення.

                                                         , (1.4.4)

де, , В - напруга в ланці постійного струму;

, А - випрямлений струм;

, А;

отже

                                                                      мГн

З метою найкращого значення активного опору вибираємо дросель серії ДРОС-65/0,5УЗ і використовуємо два таких дроселі.

Таблиця 1.4.5

Паспортні данні дроселя

1

Номінальний струм, А

250

2

Номінальна індуктивність, мГн

1,5

3

Активний опір, мОм

6,8


Вибір тиристорного перетворювача

Нашим умовам задовольняє тиристорний перетворювач Т253-1000.

Таблиця 1.4.6

Паспортні данні теристорного перетворювача

1

Тип тиристорного перетворювача

Т253-1000

2

Імпульсна напруга у відкритому стані, В

1,8

3

Гранична напруга, В

1,1

4

Динамічний опір у відкритому стані, мОм

0,25

5

Струм включення, мА

700

6

Струм утримання, мА

300

7

Відмикаюча постійна напруга управління, В

3,5

8

Невідмикаюча постійна напруга управління, В

0,5

9

Постійний струм, що відмикає, керування, мА

300

10

Постійний струм, що не відмикає, керування, мА

10

11

Час включення, мкс

10

12

Час зворотного відновлення, мкс

40


1.5 Складання схеми заміщення, математичний опис та розрахунок швидкісних і механічних характеристик


Складання схеми заміщення

Схема заміщення електроприводу складається з активних і індуктивних опорів силового ланцюга і ланцюга двигуна.

Рис. 1.5.1 Схема заміщення електроприводу ТПЧ-АД

До силового ланцюга відносяться активний й індуктивний опір трансформатора, опір комутації вентилів випрямляча. До ланцюга електродвигуна відносяться активний й індуктивний опір згладжувального дроселю, індуктивного та активного опору самого двигуна.

Рис. 1.5.2 Еквівалентна схема

Еквівалентний активний опір ланцюга:


Тому що розрахунок ведеться для робочого стану системи, то опір двигуна необхідно враховувати в нагрітому стані.

Також необхідний облік опору комутації вентилів:


де

Еквівалентна індуктивність ланцюга:


Момент інерції системи:


Електромагнітна постійна часу:


Механічна постійна часу:


де

Деякі розрахункові співвідношення для АД використані вище:

номінальна частота обертання:


- номінальна швидкість обертання:


- номінальний момент:


Передатна функція АД в найпростішому випадку може бути представлена коливальною ланкою, при цьому приймається наступне допущення:

Сили, що намагнічують, обмоток двигуна розподілені синусоідально уздовж окружності повітряного зазору;

. Втрати в сталі статора й ротора відсутні;

. Обмотки статора й ротора строго симетричні зі зрушенням осей обмоток на 1200;

. Насичення магнітного ланцюга відсутній;

Передатна функція ТПЧ може бути представлена аперіодичною ланкою:


де  - статичний коефіцієнт ТПЧ;

де  - еквівалентна постійна часу перетворювача;


де  - постійна часу підсумовуючого підсилювача;

 - постійна часу фазоздвигающего пристрою;

 - середньостатистичне запізнювання.

Перші дві величини приймаються зневазі малим, тобто


де  - середня частота діапазону регулювання.

Так як D=8, то  , із цього треба:


Рис. 1.5.3 Структурна схема розімкненої системи

Передатна функція розімкнутої системи:


Для розрахунку механічних характеристик використовуємо співвідношення:

 (1.5.1)

де


 (1.5.2)

де

За формулою (1.5.2) будуємо швидкісну характеристику:

Рис. 1.5.4 Механічна характеристика

- природна характеристика; 2 -

За формулою (1.5.1) будуємо механічну характеристику при регулюванні частоти:

Рис. 1.5.5 Механічна характеристика при регулюванні частоти

- ; 2 - ; 3 - ; 4 - ; 5 - ;

- ; 7 - .

Будуємо швидкісні характеристики за формулою:

 (1.5.3)

Рис. 1.5.6 Швидкісні характеристики

- ; 2 - ; 3 - ; 4 - ;

- ; 7 - .

Розділ 2. Обґрунтування та розробка системи керування електроприводом


2.1 Вибір структури САК ЕП, складання передаточних функцій


Для одержання замкнутої системи, необхідно знайти коефіцієнт зворотного зв'язка, що може бути отриманий виходячи з наступних співвідношень:

Необхідний загальний коефіцієнт підсилення:

 ,

де  - діапазон регулювання;

 - статизм замкнутої системи;

 - статизм розімкнутої системи.

Визначення  по певній формулі приводить до невірного результату. Тому доцільно  визначити графічним шляхом, як це представлено на рис. 1.5.6.

 .

.

Так як ,

отже .

Коефіцієнт зворотного зв’язку містить у собі коефіцієнт датчика швидкості й коефіцієнт ділиться, тобто:

.

Тахогенератор вибираємо за найближчим значенням до заданого швидкості обертання АД, а саме:

тахогенератор постійного струму ПТ-22/1.

Дані котрого:

; ; ; .

Коефіцієнт тахогенератора:

,

де .

Звідси:

.

Коефіцієнт менше одиниці, значить немає необхідності в установці додаткових підсилювачів.

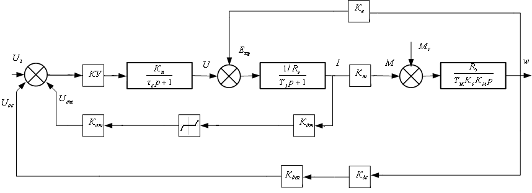
Рис. 2.1.1 Структурна схема замкнутої системи

Передатна функція замкнутої системи:

 ;

 .

2.2 Синтез параметрів регуляторів замкнутої САК

електропривод керування передаточний

Розрахунок струмової відсічки

Струм відсічки:

 ;

.

Форсировка в замкнутій системі:

 ;

.

Коефіцієнт форсировки:

 .

Напруга обмеження:

 ,

де - припустимий коефіцієнт форсировки, значення якого перебуває в межах 1...1,25.

.

Вибираємо датчик струму, в якості якого використовуємо шунт типу 75ШСМ-В:

; ; ; температура нагрівання 0,1%; перевантаження 120%; клас точності 0,5.

Напруга датчика струму:

.

Необхідний коефіцієнт датчика струму:

 .

Коефіцієнт підсилення шунта:

 .

Коефіцієнт додаткового посилення:

 , прийняв .

 1. Коефіцієнт датчика струму:

  .

 2. Напруга нечутливості:

  .

 3. Залишкова напруга перетворювача в режимі упору:

  .

 4. Напруга керування відповідне :

  .

 5. Збільшення напруги на виході нелінійного елемента в період упору:

  .

 6. Необхідна напруга зворотного зв'язка по струму:

  .

 7. Коефіцієнт зворотного зв'язка по струму - коефіцієнт відсічення

 .

Так як >1, вибираємо підсилювач із більшим коефіцієнтом посиленні, приймаємо , тоді коефіцієнт датчика струму:

 .

 Напруга чутливості:

  .

Збільшення напруги на виході нелінійного елемента в період упору:

  .

 Коефіцієнт зворотного зв'язка по струму - коефіцієнт відсічки

  .

Рис. 2.1.2 Структурна схема системи з відсічки по струму

У такий спосіб вводячи у вихідну систему струмову відсічку - негативний зворотний зв'язок по струму, що починає діяти в області більших навантажень, тобто при досягненні струму рівного значенню струму відсічки (400 А), ми виграємо в обмеженні механічних навантажень на припустимих рівнях, але в теж час теоретично повинні програвати в показниках якості перехідного процесу (за рахунок введення зворотного зв'язка) у часності, у перерегулюванні і під час регулювання (практично це залежить від конкретних умов роботи машини).

У такий спосіб система, що складається з коригувального пристрою, перетворювача, АД, ООС по струму - струмову відсічку і ОЗ по швидкості маємо не зовсім задовільні показники якості перехідного процесу. Для усунення цього, використовується підлегле регулювання, розрахунок якого представлений далі.

Рис. 2.1.3 Структурна схема ТПЧ-АД з підлеглим регулюванням

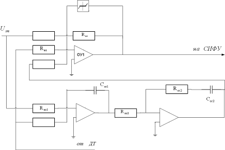
Розрахунок регуляторів

Регулятор струму:

Т.я. маємо випадок , то розрахунок для регулятора струму ведемо по модульному оптимумі.

Передатна функція регулятора струму:

  .

 , приймаємо рівної постійної часу перетворювача, т.е.

  ;

 .

 Маємо передатну функцію "" - регулятора.

  .

Рис. 2.1.4 Реалізація регулятора цього типу

 ,

 де ; .

Приймаємо ;

 ;

 ;

 .

Приймаємо ;

 ; ; .

Приймаємо .

Опір і ємність вибираємо за ДСТ 2825-67 по ряду Е24.

Регулятор швидкості

 Розрахунок значення статизма замкнутої системи:

  ,

 де ;

 .

Так як розрахункове значення більше заданого (5%), розрахунок регулятора ведемо по симетричному оптимумі:

  ;

 ;

 ;

 .

 Маємо передатну функцію ПІ - регулятора:

  .

 

Рис. 2.1.5 П І - регулятор

 ,

 де ;

 ;

 .

Струмообмеження здійснюється двуханодним стабілітроном КС210Б, .

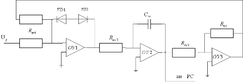
Для поліпшення показників якості перехідного процесу на вході системи може бути встановлений фільтр - аперіодичної ланки з постійної часу  .

 

Рис. 2.1.6 Фільтр

  ;

  ;

 ;

На вході системи встановлюється задатчик інтенсивності.

Рис. 2.1.7 Задатчик інтенсивності

 Час розгорнення:

  ,

 де  - припустиме значення струму.

 ;

;

Для одержання графіка перехідного процесу використовуємо розрахунок на ЕОМ у пакеті Matlab.

Рис. 2.1.8 Модель ТПЧ-АД з підлеглим регулюванням у пакеті Matlab

Розділ 3. Моделювання динамічних режимів роботи привода технологічного механізму на ЕОМ


3.1 Розрахунок та моделювання замкненої системи


У пакеті Matlab будуємо структурну схему замкненої системи.

Рис. 3.1.1 Модель замкнутої системи у пакеті Matlab

Досліджуємо систему на стійкість за критерієм Гурвіца, тому що характеристичне рівняння третього порядку, то умова стійкості наступне:

  , ;

 ;

 ,

 де  - коефіцієнти характеристичного рівняння.

 ;

 ;

 ;

 .

Як видно виконується необхідна й припустима умова, тобто система стійка.

Для одержання перехідного процесу для замкнутої системи користуємося розрахунками на ЕОМ у системі MatLab.

Рис. 3.1.2 Перехідний процес замкненої системи

Графік перехідного процесу східної системи має явну коливальну форму, так що про задоволення заданим показниками якості не може бать і мови. Систему бажано коректувати. Для цього необхідно побудувати ЛАЧХ розімкнутої системи, тобто характеристику відповідним заданим показникам якості й характеристику коригувального пристрою одержати як різницю "бажаної" і вихідної ЛАЧХ.

Вихідна ЛАЧХ має наступну форму:

- на початковій ділянці (до  ) характеристика йде паралельно осі частот;

- на середній ділянці () нахил - 40 дб/дек;

- на ділянці високих частот (вище ) нахил - 60 дб/дек.

Частоти ,  визначаються:

 ;

 .

"Бажана" ЛАЧХ має форму:

- середнйочастотна ділянка - нахил - 20 дб/дек;

  ,

 де  - число обумовлене по номограмі;

 - заданий час регулювання;

 .

Низькочастотну й високочастотну ділянку повторюють форму вихідної ЛАЧХ.

Передатна функція коригувального пристрою:

  ,

 де ; ; .

 , ,  - частоти при яких міняється нахил характеристик.

 ;

 ;

 ;

 .

Рис. 3.1.3 Реалізація корегувального пристрою

Графік перехідного процесу представлений на рис. 3.1.2.

Маємо перерегулювання , що менше заданого (), при заданому часі регулювання  коливання входять в 7% зону (проти 5%), тобто маємо невідповідність перехідного процесу заданому часу регулювання. Але побудувати "бажану" ЛАЧХ відповідну цим двом показникам якості не представляється можливим, при відповідності одного з показників заданому значенню не має невідповідність іншого показника (і навпаки). Зупиняємо свій вибір на наведеному вище варіанті, тобто відповідність перерегулювання, тим більше, що час регулювання може бути поліпшене при підлеглому регулюванні.

3.2 Дослідження динамічних якісних показників САК ЕП


Рис. 3.2.1 Перехідний процес по швидкості у пакеті Matlab

Рис. 3.2.2 Перехідний процес по струму у пакеті Matlab

Рис. 3.2.3 Перехідний процес по моменту у пакеті Matlab

 

Висновки


На основі технологічного процесу то технічним даним катучого конвеєра розраховано і вибрано двигун 4АН-250М4УЗ.

Обгрунтований привід по системі ТПЧ-АД вибраний перетворювач частоти типу ЭКТ 2Р-250/380-200-УХЛЧ, а також основне обладнання схеми.

На основі складаної схеми заміщення, у пакеті Mathcad розраховані швидкісні, та механічні характеристики системи.

Як видно із графіків, у системі з підлеглим регулюванням маємо поліпшення показників якості перехідного процесу (у порівнянні з попереднім), у часності, час регулювання 0,1 c , також у системі відсутній статизм і величина перерегулювання дорівнює нулю. Аналізуючи систему з підлеглим регулюванням і попередньою системою (схема із загальним суматором), можна зробити висновок про те, що остання, незважаючи на те, що вона досить проста в реалізації й забезпечує обмеження механічних навантажень, все-таки має ряд недоліків, в часності не зовсім задовольняє показникам якості перехідного процесу.

Ці недоліки повністю усуває застосування підлеглого регулювання, при якому маємо час регулювання , перерегулювання, відсутній статизм, хоча ця система складно може бути реалізована (потреба в регуляторах, фільтрах, задатчиках інтенсивності), тобто аналізую вищесказану перевагу варто віддати системі з підлеглим регулювання.

 

Список використаної літератури


1. Плахтина О.Г. та ін. Частотно-керовані асинхронні та синхронні електроприводи: Навч. посібник. - Львів: Видавництво Національного університету "Львівська політехніка", 2002. - 228 с.

. Справочник по автоматизированному электроприводу /Под ред. В.А. Елисеева, А.В. Шинянского. - М.: Энергоатомиздат, 1983.

. Справочник по проектированию автоматизированного электропривода и систем управления технологическими процессами /Под ред. В.И. Круповича, Ю.Г. Барабина, М.Л. Самовера. - М.: Энергоатомиздат, 1982.

. Методические указания по выполнению курсовых и дипломных проектов (спец. 0628) /Сост. П.И. Чурсин. - М.: МЭИ, 1980.

. ГОСТ 16593-79. Электроприводы. Термины и определения. Введ. 01.01.81 // ГОСТ 16593-79. УДК 001.4: 62-83:006.353. Группа Е00 СССР.

. Методичка определения экономической эффективности использования в угольной промышленности новой техники, изобретений и рационализаторских предложений. - М.: Изд-во МУП СССР и ЦНИЭНУголь, 1979.

. Клюев А.С. и др. Справочное пособие. Проектирование систем автоматизации технологических процессов. 1990.

. Ходнев В.В. Комплектные управляемые устройства электропривода. М.: 1984.

. Тищенко Н.М. Введение в проектирование систем управления. М.: 1986.

. Усатенко С.Т. и др. Графическое изображение электрорадиосхем. Справочник. К.: 1986.

. Комплектные тиристорные электропривода. Справочник / Н.Х. Евзеров и др. Под ред. В.М. Перельмутра. - М.: Энергоатомиздат. 1988.

. Шеломкова Л.В., Алямкин Д.И. Система векторного бездатчикового управления асинхронным двигателем с переключаемой структурой // Электричество - 2008. - № 5. - С. 30-35

. Козаченко В.Ф., Шеломкова Л.В. Цифровые наблюдатели для систем бездатчикового векторного управления // Труды XII Международной научн.-техн. конференции студентов и аспирантов «Радиоэлектроника, Электротехника и Энергетика»: Тез. Докл. В 3-х т., Издательство МЭИ, 2006, т. 2, с. 152-153

. Алямкин Д.И., Дроздов А.В., Шеломкова Л.В. Цифровые наблюдатели для систем бездатчикового векторного управления асинхронными двигателями // Труды МЭИ. Электропривод и системы управления - 2006. - Вып.682. - с. 27-33

. Козаченко В.Ф., Шеломкова Л.В. Система векторного бездатчикового управления асинхронным двигателем // Труды XIV Международной научн.-техн. конференции студентов и аспирантов «Радиоэлектроника, Электротехника и Энергетика»: Тез. Докл. В 3-х т., Издательство МЭИ, 2008, т. 2, с. 133-134

. Сандлер А.С., Сарбатов Р.С.:Автоматическое частотное управление асинхронними двигателями. - М.: Высшая Школа, 1963

. Сафронович А.А.: Карусельные станки. - М.: Машиностроение, 1983. - 263 с., ил.

. Турчак Л.И. :Основы численных методов: Учеб. пособие. - М.: Наука. Гл.ред. физ.-мат. лит.,1987. - 320 с.

. Вольдек А.И.: Электрические машины.Учебник для студентов высш. техн. учебн. заведений. Изд.2-е, перераб. и доп. Л.,Энергия,1974

. Справочник по автоматизированному электроприводу / Под. ред. В.А.Елисеева и А.В.Шинянского. - М.:Энергоатомиздат,1983. - 616 с. ил.

. Москаленко В.В.: Электрический привод: Учебн. для электротехн. спец. техн. - М.:Высш. шк., 1991. - 430 с.:ил.

. Гамазин С.И., Понаровкин Д.Б., Цырук С.А.: Переходные процессы в электродвигательной нагрузке систем промышленного электроснабжения. - М.: Издательство МЭИ, 1991. - 352 с.: ил.

Похожие работы на - Система керування електропривода мобільного конвеєра 2Т за системою ПЧ-АД в умовах цеху №1 ВАТ 'ПівдГЗК'

 

Не нашли материал для своей работы?
Поможем написать уникальную работу
Без плагиата!
Без нейросетей!