Розрахунок за методом двох складових миттєвих значень струму m-фазної системи АІД-АД в силовій схемі електротранспортного засобу
Зміст
Вступ
1. Вихідні дані
2. Вибір та обгрунтування силової схеми тягового електропривода
локомотива
3. Вибір та обгрунтування силової схеми автономного інвертора
напруги та форми живлячої напруги
3.1 Вибір та обгрунтування схеми автономного інвертора напруги
3.2 Вибір форми напруги для живлення автономного інвертора напруги
4. Розрахунок фазних струмів двофазної системи "автономний
нвертор напруги - асинхронний електродвигун”
Висновок
Перелік використаної літератури
Вступ
Метою даної курсової роботи є вивчення особливостей
застосування автономних інверторів напруги (АІН) і асинхронних електродвигунів
(АД) у перспективних системах тягового автоматизованого електропривода та
опанування уточного метода розрахунку фазних токів тягового блоку АІН - АД, базованого
на методі двох реакцій.
Темою курсової роботи є: "Розрахунок за методом двох
складових миттєвих значень струму m-фазної системи АІД-АД в силовій схемі
електротранспортного засобу".
За вихідними даними потрібно виконати наступне:
вибір та обґрунтовування структури силового ланцюга тягового
електроприводу;
вибір та обґрунтовування силової схеми автономного інвертора
напруги та форми живлячою напруг;
провести розрахунок фазних струмів системи "автономний
інвертор напруги - асинхронний двигун";
Крім цього необхідно пояснити доцільність використання в
сучасних системах тягового електроприводу асинхронних електродвигунів.
1. Вихідні
дані
Двофазний тяговий електродвигун АД 906Д
Діюче значення першої гармоніки фазної напруги Ud, В1 250
Активний опір статора
, Ом 0,29
Активний опір ротора, приведений до опору
статора
, Ом 0,22
Реактивний опір статора x1Н, Ом 1,09
Реактивний опір ротора, приведений до опору
статора x'2н, Ом 0,71
Реактивний опір намагнічуючого контуру xОН, Ом 43,7
Базова частота f1Н, Гц 33,9
Частота струму статора f1, Гц 60,0
Частота ковзання f2, Гц 1,0
Частота ковзання ротора f2Н, Гц 0,65= 0
2. Вибір та
обгрунтування силової схеми тягового електропривода локомотива
Застосуємо у тяговому електроприводі
локомотива замість машин постійного струму асинхронні тягові електродвигуни с
короткозамкненим ротором, які в наш час знаходять все ширше застосування, в
тому числі і на транспорті.
Для регулювання частоти обертів ротора (у
широкому діапазоні швидкостей) таких двигунів необхідно їх живити багатофазною
(m1≥2) зміною напругою регульованої частоти.
На електрорухомому складі постійного струму вхідний
перетворювач - автономний інвертор напруги, який через вхідний фільтр
безпосередньо або через імпульсний перетворювач приєднаний до контактної
мережі.
На сучасних автономних локомотивах з електричною передачею в
якості джерела електроенергії використовується синхронний генератор (СГ),
напруга СГ попередньо перетворюється у постійну напругу величина якої може
стабілізовано змінятися за необхідним законом.
Згідно з теоретичними та експериментальними дослідженнями,
суттєве поліпшення режимів роботи асинхронного тягового електроприводу з
перетворювачами частоти може бути одержано при використанні в тяговому
електроприводі двофазних асинхронних короткозамкнених електродвигунів. В той же
час при застосуванні традиційних трифазних асинхронних електродвигунів існує
ряд проблем, які витікають із умов їх сумісної роботи із напівпровідникова ним
перетворювачами частоти.
Тому можливо використати двофазні асинхронні двигуни на
тяговому рухомому складі. Використання двофазних електродвигунів в першу чергу
пов’язано з поліпшенням умов сумісної роботи асинхронного двигуна. В двофазному
асинхронному двигуні, вісі фазних обмоток якого взаємно перпендикулярні, усі
часові гармоніки напруг у спряжених фазах перетворюються в ноль. Це дозволяє
двофазному асинхронному двигуну тривало працювати при будь - якій формі
живлячої напруги та дає можливість оптимізувати криву вихідної напруги
автономного інвертора напруги по максимальному вмісту основної гармоніки в
загальному діючому значенні. Відповідно змінюється структура та топологія
вхідного перетворювачів, а в цілому, схемотехніка тягового електроприводу
суттєво спрощується.
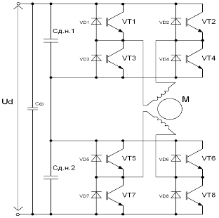
Отже, вибираємо силову схему з двома однофазними мостовими
інверторами з ізольованими обмотками статора (послідовне з’єднання) ввімкненими
паралельно до мережі живлення, по одному інвертору на візок. Цим досягаємо
напруги 3 кВ на кожному з візків та 1,5 кВ на кожен з однофазних мостових
інверторів, отже і на ізольованих обмотках статора.
3. Вибір та
обгрунтування силової схеми автономного інвертора напруги та форми живлячої
напруги
3.1 Вибір та
обгрунтування схеми автономного інвертора напруги
Слід відмітити, що у інверторном електроприводі загальне
розповсюдження отримав традиційний трьохфазний асинхронний електродвигун з
короткозамкненим ротором, і зусилля розроблювачів були направлені, в основному,
на відпрацювання схемотехніки і режимів перетворювачів частоти при їхній
сумісній роботі з трьохфазною машиною, на вдосконалення конструкції
трьохфазного електродвигуна з ціллю зниження впливу високих гармонік струму,
викликаних не синусоїдальністю живлячих напруг, на рішення питань
електромагнітної сумісності перетворювача та двигуна в усьому полі працюючих
режимах, на удосконалення методів керування.
Проте одним із найбільш перспективних напрямків удосконалення
сучасних систем асинхронного електропривода є застосування двохфазних тягових
блоків "автономний інвертор напруги - асинхронний двигун”.
Тяговий електропривод з двофазним асинхронним
електродвигуном, у тому числі і частотно-управляючі, не отримали поки
практичного застосування. Найбільш раціональна система живлення двофазного
асинхронного двигуна доводиться будувати на основі двох однофазних мостових
інверторів з ізольованими обмотками статора (рисунок 3.1)
інвертор напруга локомотив електродвигун
Рисунок 3.1 Два однофазні мостові інвертори з ізольованими
обмотками статора (послідовне з’єднання).
Система частотно-керованого електроприводу з двофазним
асинхронним двигуном має свої переваги:
Більш простіше виконується послідовне з’єднання автономних
інверторів напруги при живленні від високовольтного джерела живлення (з метою
зниження робочою напруги на напівпровідникових ключах).
3.2 Вибір
форми напруги для живлення автономного інвертора напруги
Під оптимальною розуміється така форма кривої фазної напруги,
яка має високий зміст першої гармоніки у загальному дійсному значенні,
забезпечує умови електромагнітній сумісності АІН-АД у всіх робочих режимах, не
приводить к ускладненню схемотехніки АІН. Цим умовам задовольняє такі криві
фазної напруги, які формують годограф вектора магнітного поля у повітряному
зазорі АД у вигляді правильного вписаного многокутника з числом сторін N.
Очевидно, чим більше N, тим ближче годограф магнітного поля у
повітряному зазорі АД до кругового, який відповідає живленню АД синусоїдальною
напругою.
Рисунок 3.2 - Узагальнена форма вихідної фазної напруги
автономного інвертора напруги
Якщо за основу прийняти двоступеневу на половинному значенні
періоду загальну криву фазної напруги, показану на рисунку 3.3, можна отримати
магнітне поле двофазного АД більше приближене до кругового (N=8 та N=12).
Рисунок 3.3 Двоступенева форма вихідної фазної напруги двофазного
автономного інвертора напруги
З рисунка 3.3 видно форму фазної напруги, а гармонійний склад
напруги описується наступним рівнянням:
(3.1)
(3.2)
Годограф магнітного поля наближається до форми правильного
восьмикутника, вписаного в коло, а вміст першої гармоніки дорівнює 0,96.
4. Розрахунок
фазних струмів двофазної системи "автономний нвертор напруги - асинхронний
електродвигун”
Розрахунок ведемо методом двох складових, котрий базується на
методах гармонійних складових і еквівалентного статичного навантаження.
Струм фази
двофазної системи АІД - АД можна подати у
вигляді двох складових: струму першої гармоніки
, що залежить від частоти обертання
ротора АД, і суми струмів усіх вищих гармонік
, що практично не залежить від
:
=
+
(4.1)
Схема заміщення обертаючого двигуна приведена на рисунку 4.1.
Рисунок 4.1 - Схема заміщення обертаючого двигуна
де
- активний опір статора;
- активний опір ротора приведений до опору статора;Н -
індуктивний опір статора;'2 - індуктивний опір ротора приведений до
індуктивного опору статора;ОН - індуктивний опір намагнічуючого контуру.
Параметри ковзання знаходимо за виразами:
, (4.2) та
, (4.3)
де
- частота струму статора;
- частота ковзання;
- базова частота.
α =
= 1,77, β =
= 0,029
Розраховуємо загальний активний опір
за формулою:
, (4.4)
= 0,29 +
= 12,721 Ом
Розраховуємо загальний реактивний опір хэ за формулою:
(4.5)
=
Ом
Еквівалентний опір Zэ розраховуємо за формулою:
, (4.6)
=
Ом
Амплітудне значення напруги
:

(4.7)
=
В
Амплітудне значення напруги першої гармоніки фазної напруги:
(4.8)
В
Амплітудне значення струму першої гармоніки
:
, (4.9)
А
Кут зміщення φ1:
, (4.10)
φ
=
рад = 22,47 град
Струм першої гармоніки
на періоді 2π
знаходимо за формулою:
(4.11)
Розрахунки приведемо в таблиці 4.1.
Таблиця 4.1 - Розрахунок струму фази
|
Θ, град.
|
i1 (Θ), А
|
ik (Θ), А
|
i1k (Θ), А
|
iв (Θ), А
|
iф (Θ), А
|
|
0
|
-40,781
|
-453,608
|
-452,952
|
-0.656
|
-41,437
|
|
10
|
-23,014
|
-429,139
|
-401,025
|
-28,114
|
-30,642
|
|
20
|
-4,547
|
-429,139
|
-401,025
|
-28,114
|
-32.661
|
|
22,5
|
0,113
|
-426,174
|
-390,936
|
-35, 238
|
-35,125
|
|
30
|
14,058
|
-366,261
|
-356,289
|
-9,972
|
4,086
|
|
40
|
32,235
|
-288,29
|
-300,728
|
12,438
|
44,673
|
|
50
|
49,433
|
-212,451
|
-236,029
|
23,578
|
73,011
|
|
60
|
65,129
|
-138,686
|
-164,159
|
25,472
|
90,602
|
|
70
|
78,846
|
-66,939
|
-87,3
|
20,362
|
99, 208
|
|
80
|
90,168
|
2,847
|
-7,789
|
10,637
|
100,804
|
|
90
|
98,749
|
70,724
|
71,958
|
-1,234
|
97,516
|
|
100
|
104,331
|
136,745
|
149,519
|
-12,774
|
91,557
|
|
110
|
106,742
|
200,961
|
222,537
|
-21,576
|
85,166
|
|
120
|
105,91
|
263,42
|
288,794
|
-25,373
|
80,937
|
|
130
|
101,86
|
324,172
|
346,275
|
-22,103
|
79,757
|
|
140
|
94,715
|
383,262
|
393,235
|
-9,973
|
84,742
|
|
150
|
84,692
|
440,737
|
428,247
|
12,489
|
97,181
|
|
157,5
|
75,466
|
482.808
|
446,01
|
36,798
|
112,264
|
|
160
|
72,096
|
479,473
|
450,247
|
29,226
|
101,322
|
|
170
|
57,309
|
466,362
|
458,566
|
7,795
|
65,104
|
|
180
|
40,781
|
453,608
|
452,952
|
0,656
|
41,437
|
|
190
|
23,014
|
441, 204
|
433,575
|
7,628
|
30,642
|
|
200
|
4,547
|
429,139
|
401,025
|
28,114
|
32,661
|
|
202,5
|
-0,113
|
426,174
|
390,936
|
35,238
|
35,125
|
|
210
|
-14,058
|
366,261
|
356,289
|
9,972
|
-4,086
|
|
220
|
-32,235
|
288,29
|
300,728
|
-12,438
|
-44,673
|
|
230
|
-49,433
|
212,451
|
236,029
|
-23,578
|
-73,011
|
|
240
|
-65,129
|
138,686
|
164,159
|
-25,472
|
-90,602
|
|
250
|
-78,846
|
66,939
|
87,3
|
-20,362
|
-99, 208
|
|
260
|
-90,168
|
-2,847
|
7,789
|
-10,637
|
-100,804
|
|
270
|
-98,749
|
-70,724
|
-71,958
|
1,234
|
-97,516
|
|
280
|
-104,331
|
-136,745
|
-149,519
|
12,774
|
-91,557
|
|
290
|
-106,742
|
-200,961
|
-222,537
|
21,576
|
-85,166
|
|
300
|
-105,91
|
-263,42
|
-288,794
|
25,373
|
-80,537
|
|
310
|
-101,86
|
-324,172
|
-346,275
|
22,103
|
-79,757
|
|
320
|
-94,715
|
-383,262
|
-293,235
|
9,973
|
-84,742
|
|
330
|
-84,692
|
-440,737
|
-428,247
|
-12,489
|
-97,181
|
|
337,5
|
-75,466
|
-482,808
|
-446,01
|
-36,798
|
-112,264
|
|
340
|
-72,096
|
-479,473
|
-450,247
|
-29,226
|
-101,322
|
|
350
|
-57,309
|
-466,362
|
-458,566
|
-7,795
|
-65,104
|
|
360
|
-40,781
|
-453,608
|
-452,952
|
-0,656
|
-41,437
|
Складову суми струмів вищих гармонік можна подати у вигляді:
=
+
, (4.12)
де
- реакція схеми заміщення загальмованого
АД на прикладену
східчасту напругу;
- струм першої гармоніки в режимі загальмованого АД.
Якщо двигун загальмований, то частота струму дорівнює частоті
мережі, тобто
, а з цього
.
Рисунок 4.2 - Схема заміщення загальмованого двигуна
Загальний активний опір загальмованого двигуна
знаходимо за формулою:
, (4.13)
Ом
Реактивний загальний опір для загальмованого двигуна
знаходимо за формулою:
, (4.14)
Ом
Еквівалентний опір для загальмованого двигуна знаходимо за
формулою:
, (4.15)
Ом
Амплітудне значення струму першої гармоніки розраховуємо за
формулою:
, (4.16)
А
Кут зміщення розраховуємо за формулою:
, (4.17)
φ
рад = 81 град
Струм першої гармоніки в режимі загальмованого двигуна
розраховуємо за формулою:
, (4.18)
Розрахунки приведемо в таблиці 4.1.
На інтервалі кожного напівперіоду крива фазної напруги АІН
описується виразом:
(4.19)
Запишемо рівняння електричної рівновагі по інтервалах фазної
напруги для фази АД, подавши її еквівалентним статичним навантаженням:
(4.20)
З умови безперервності фазного струму на границях інтервалів у
сталому режимі маємо:
, (4.21)
Вираз (4.20) являють собою початкові умови, що дозволяють
визначити єдиний розв’язок системи (4.21.):
(4.22)
Уведемо такі позначення:
,
,
. (4.23)
(4.24)
Підставляючи прийняті позначення і розв’язуючи цю систему з
урахуванням граничних умов, дістанемо:
(4.25)
Підставляючи отримані значення для початкових умов у систему
(4.22) одержимо вирази, що описують фазні струми АД на інтервалах для
узагальненої кривої фазної напруги АІН:
(4.26)
При введені кутової
й амплітудної
і
комутуючих функцій загальний розв’язок
для фазних струмів на інтервалі зміни поточного електричного кута
в межах від 0 до π можна подати у вигляді одного рівняння:
(4.27)
Значення кутової та амплітудної комутуючих функцій за інтервалом
безперервності живлячої напруги наводимо в таблиці 4.2.
Таблиця 4.2 - Значення кутової й амплітудних комутуючих функцій
|
Параметр
|
Значення параметра
|
|
Номер інтервалу
|
|
1
|
2
|
3
|
|
Діапазон зміни поточного ефект. кута
|
  
|
|
|
|
|
Кутова комутуюча функція
|
0
|
|
|
|
|
Амплітудна комутуюча функція
|
010
|
|
|
|
|
  
|
|
|
|
де
розраховуємо за формулою:
(4.28)
(4.29)
(4.30)
Індуктивність загальмованого двигуна знаходимо за формулою:
(4.31)
Гн
Часова складова загальмованого двигуна знаходимо за формулою:
(4.32)
Результати розрахунку реакції схеми заміщення загальмованого АД на
прикладену східчасту напругу
наводимо в таблиці 4.1.
Синусоїдальна складова фазного струму АД визначається першою гармонікою
прикладеної напруги:
, (4.33)
Результати розрахунку
наведені в таблиці 4.3.
Таблиця 4.3 - Розрахунок синусоїдної складової фазного струму
та
|
  
|
|
|
|
|
0
|
0
|
0
|
0
|
|
10
|
0
|
255,332
|
-255,332
|
|
20
|
0
|
502,906
|
-502,906
|
|
22,5
|
1,25*103
|
562,698
|
687,302
|
|
30
|
1,25*103
|
735,2
|
514,8
|
|
40
|
1,25*103
|
945,155
|
304,845
|
|
50
|
1,25*103
|
1,126*103
|
123,608
|
|
60
|
1,25*103
|
1,273*103
|
-23,404
|
|
70
|
1,25*103
|
1,382*103
|
-131,724
|
|
80
|
1,25*103
|
1,448*103
|
-198,061
|
|
90
|
1,25*103
|
1,47*103
|
-220,4
|
|
100
|
1,25*103
|
1,448*103
|
-198,061
|
|
110
|
1,25*103
|
1,382*103
|
-131,724
|
|
120
|
1,25*103
|
1,273*103
|
-23,404
|
|
130
|
1,25*103
|
1,126*103
|
123,608
|
|
140
|
1,25*103
|
945,155
|
304,845
|
|
150
|
1,25*103
|
735,2
|
514,8
|
|
157,5
|
0
|
562,698
|
-562,698
|
|
160
|
0
|
502,906
|
-502,906
|
|
170
|
0
|
255,332
|
-255,332
|
|
180
|
0
|
0
|
0
|
|
190
|
0
|
-255,332
|
255,332
|
|
200
|
0
|
-502,906
|
502,906
|
|
202,5
|
-1,25*103
|
-562,698
|
-687,302
|
|
210
|
-1,25*103
|
-735,2
|
-514,8
|
|
220
|
-1,25*103
|
-945,155
|
-304,845
|
|
230
|
-1,25*103
|
-1,126*103
|
-123,608
|
|
240
|
-1,25*103
|
-1,273*103
|
23,404
|
|
250
|
-1,25*103
|
-1,382*103
|
131,724
|
|
260
|
-1,25*103
|
-1,448*103
|
198,061
|
|
270
|
-1,25*103
|
-1,47*103
|
220,4
|
|
280
|
-1,25*103
|
-1,448*103
|
198,061
|
|
290
|
-1,25*103
|
-1,382*103
|
131,724
|
|
300
|
-1,25*103
|
-1,273*103
|
23,404
|
|
310
|
-1,25*103
|
-1,126*103
|
-123,608
|
|
320
|
-1,25*103
|
-945,155
|
-304,845
|
|
330
|
-1,25*103
|
-735,2
|
-514,8
|
|
337,5
|
0
|
-562,698
|
562,698
|
|
340
|
0
|
-502,906
|
502,906
|
|
350
|
0
|
-255,332
|
255,332
|
|
360
|
0
|
0
|
0
|
Визначивши числове значення будуємо залежності фазного струму
та його першої гармоніки
, живлячої напруги
та її першої гармоніки
.
Також будуємо різницю між прикладеною напругою
та її першою гармонікою
, тобто напругою на двигуні
.
Будуємо різницю між струмом загальмованого двигуна
та першою гармонікою
.
Рисунок 4.3 - Прикладена напруга
та її перша гармоніка
Рисунок 4.4 - Напруга вислих гармонік, тобто напруга на двигуні
Рисунок 4.5 - Різниця струмів
Рисунок 4.6 - Фазний струм
та його перша гармоніка
Висновок
Використання в сучасних умовах тягового
привода з асинхронними тяговими електродвигунами є доцільним, оскільки
колекторні двигуни вичерпали свої можливості та потребують значних
експлуатаційних витрат при їх використанні.
Із порівняльного аналізу виходить, що
перехід від колекторних до асинхронних двигунів дає можливість значно зменшити
витрати міді, електротехнічної сталі та ізоляційних матеріалів, що в свою чергу
зменшує масу асинхронного двигуна в 1,5 - 1,65 рази.
Важливим показником ефективності
впровадження асинхронного тягового приводу являється зниження затрат на
утримання електровозу в умовах експлуатації.
Простота конструкції, відсутність
колекторно-щіткового апарату сприя високій експлуатаційній надійності
асинхронного двигуна при порівняно низькій вартості виготовлення та технічного
обслуговування. За своїми регулювальними можливостями асинхронні двигуни також
кращі, ніж двигуни постійного струму з послідовним збудженням. Це найбільш ярко
проявляється у зоні високих швидкостей, коли збільшується вирогідність появи
кругового вогню на колекторі тягового двигуна, тобто має місце важкий аварійний
режим, який викликає важкі пошкодження двигуна. Максимально ж допустима
швидкість рухомого сладу з асинхронними тяговими двигунами ограничена величиною
максимального моменту двигуна, причому збільшення критичного моменту не
приводить до аварійних режимів з пошкодженням двигуна або перетворювача.
Порівняльний аналіз колекторних та
асинхронних тягових двигунів для діапазона потужностей от 100 до 1500 кВт по
ряду показників дозволяє виявити наступне:
· тангенціальна сила,
віднесена до одиниці площі поверхності ротора, для АТД в 1,5 - 2 рази більше,
ніж для колекторних тягових двигунів, і досягає 5 Н/см2;
· потужність, віднесена до
одиниці площі поверхні ротора, для АТД в 2 рази більше і досягає 0,25 - 0,3
кВт/см2;
· лінійна швидкість ротора
АТД може досягати 80 - 90 м/с, що перевищує допустимі значення лінійної
швидкості для колекторних машин;
· при збереженні частоти
обертання ротора АТД на рівні частоти обертання якоря колекторного двигуна
можливе збільшення момента АТД приблизно на 50 %;
· по відносній потужності
АТД в 2 - 2,5 рази перевищує колекторні тягові двигуни, а його КПД на 1,5 - 2 %
вище КПД колекторних.
АТД можуть бути виконані з потужністю в
1,5 - 2 рази вище, ніж колекторні двигуни, при одночасному зниженні маси на 30
- 50 %.
Підвищення надійності асинхронних тягових
двигунів із-за усунення колекторно-щіточного вузла повністю визначається самою
конструкцією асинхронной машини. Як відомо, асинхронний двигун з
короткозамкненим ротором має тільки одну обмотку статора, виконану з ізоляцією.
Тому АТД не потребує періодичних оглядів кваліфікованими слюсарями-мотористами.
Його обслуговування зводиться тільки до заприсовки змазки в підшипниках. Це
дозволяє розв’язати важливу соціологічну задачу, яка заключається в ліквідації
важких умов праці слюсарів-мотористів.
Перелік
використаної літератури
1. Бурков А.Т.
Электронная техника и преобразователи: Учебн. для ВУЗов ж. - д. трансп. - М.:
Транспорт, 1999. - 464 с.
. Статичні перетворювачі
тягового рухомого складу: Навч. посібник /За ред. Гончарова Ю.П. - Харків, НТУ
"ХПИ", 2004. - 184 с.
. Электроподвижной состав
с асинхронными тяговыми двигателями. /Н.А. Ротанов, А.С. Курбасов, Ю.Г. Быков,
В.В. Литовченко. - М.: Транспорт, 1991. - 336 с.
. Розрахунок фазних
струмів двофазної системи "Автономний інвертор напруги - Асинхронний
двигун" // Гусевський Ю.І., Пасько О.В., Шаповал В. П, Збірник наукових
праць, УкрДАЗТ, №44, 2000. - 59
5.
Розробка, макетування та дослідження раціональних структур асинхронного
тягового електроприводу для електрорухомого складу // Гусевський Ю.И., Шпіка
Н.И. та інш., Звіт про науково-дослідну роботу, ХарДАЗТ, кафедра СЕТ, 1997. -
35