Статичні характеристики випрямних діодів

  • Вид работы:
    Дипломная (ВКР)
  • Предмет:
    Информатика, ВТ, телекоммуникации
  • Язык:
    Украинский
    ,
    Формат файла:
    MS Word
    22,38 Кб
  • Опубликовано:
    2012-10-30
Вы можете узнать стоимость помощи в написании студенческой работы.
Помощь в написании работы, которую точно примут!

Статичні характеристики випрямних діодів

 

 

 

 

 

 

 

 

 

 

 

 

 

СТАТИЧНІ ХАРАКТЕРИСТИКИ ВИПРЯМНИХ ДІОДІВ


Випрямні діоди - це напівпровідникові прилади, принцип дії яких полягає, у використанні вентильних властивостей випрямляючих контактів, які призначені для перетворення змінного струму у постійний. Таким контактом може бути електронно-дірковий перехід (ЕДП), контакт метал-напівпровідник (діод Шоткі) або гетероперехід. Найпоширеніші в електроніці випрямні діоди створені на ЕДП.

В лабораторній роботі досліджуються випрямні кремнієвий і германієвий діоди, принцип дії яких заснований на інжекції та екстракції носіїв заряду через ЕДП.

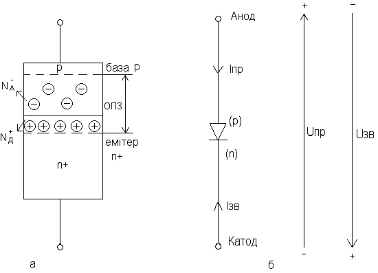
Для формування ЕДП монокристал напівпровідника легують почергово акцепторною і донорною домішками так, щоб з різних боків зразка сформувались області діркової р і електронної n провідності (рис. 1, а). Через технологічні особливості виготовлення діодів найпоширеніші несиметричні ЕДП, у яких область з найбільшою концентрацією легуючої домішки називається емітером і позначається n+, як показано на рис. 1, а. У потужних випрямних діодах використовуються р+ - емітери. Область напівпровідникового кристала з меншим ступенем легування називають базою. Оскільки на межі поділу областей має місце перепад концентрацій основних носіїв, електрони переходять із n+ - області в р - область, залишаючи позитивно заряджені іони донорної домішки, а дірки - у протилежному напрямі, залишаючи негативно заряджені іони акцепторів. При цьому електрони, перейшовши із n+ - в р - область, рекомбінують поблизу границі поділу цих областей з дірками р - області, а дірки, які перейшли із р - області в n+ - область, рекомбінують з електронами n - області. В районі контакту формується подвійний електричний шар, утворений позитивними нерухомими зарядами донорів () і негативним об’ємним зарядом акцепторів (). Подвійний шар іонізованих атомів домішок має великий опір, тому що позбавлений рухомих носіїв заряду. Його ще називають запірним шаром або областю просторового заряду (ОПЗ).

Запірний шар діє як потенціальний бар’єр, висота якого дорівнює контактній різниці потенціалів. Для германія  = 0,3…0,5 В, для кремнія  = 0,7…0,9 В, тобто у напівпровідника з більшою шириною забороненої зони величина також більша.

При подачі на діод зворотної напруги зовнішнє електричне поле додається до електричного поля ЕДП, в результаті чого збільшується висота потенціального бар’єра до рівня ,і розширюється ОПЗ, через ЕДП протікає малий зворотний струм Iзв зумовлений екстракцією неосновних носіїв із областей, що прилягають до ЕДП, термогенерацією носіїв заряду всередині ЕДП, каналами і витоком по поверхні кристалу. Чим більше значення , тим менший зворотний струм. Для малопотужного германієвого діода -  а для кремнієвого -

Оскільки концентрація генерованих носіїв заряду всередині ЕДП пропорційна його ширині, то зворотний струм реального діода залежить від зворотної напруги. У теорії ідеалізованого діода розглядається тільки явище екстракції, тому зворотний струм такого діода, позначений символом I0, не залежить від Uзв.

Подача на діод прямої напруги (рис. 1, б) знижує різницю потенціалів на границях ЕДП.

Рис. 1

діод заряд струм напруга

Висота потенціального бар’єра знижується до рівня (φ0 - Uпр) і зростає ймовірність подолання цього бар’єра: електрони із n+ - області переходять у р - область, а дірки - із р - області в n+ - область, де вони стають неосновними носіями. Концентрація неосновних носіїв заряду, що подолали потенціальний бар’єр, пропорційна множнику , де  - тепловий потенціал.

Явище надбар’єрного переходу носіїв заряду при прикладанні прямого зміщення називається інжекцією неосновних носіїв.

У випадку несиметричного ЕДП концентрація інжектованих електронів із n+ - області в р - область (у базу на рис. 1, а) буде набагато більшою за концентрацію дірок, інжектованих в емітер. Тому розглядають тільки електронну складову струму. До появи електронів р - база була електронейтральною. Щоб зберегти електронейтральність бази після прикладання Uпр та інжекції в неї електронів, із зовнішнього кола надходить додаткова кількість дірок, яка дорівнює кількості інжектованих електронів. У результаті в зовнішньому колі буде протікати прямий струм діода Iпр, значення якого пропорційне концентрації інжектованих у базу неосновних носіїв:

  (1)

де- зворотний струм діода, який не залежить від величини Uзв;

 - коефіцієнт неідеальності ВАХ діода;

φТ - температурний потенціал, який дорівнює 0,0258 В при Т = 300 К.

Оскільки прямий Iпр і зворотний I0 струми діода течуть у протилежних напрямах (рис. 1, б), то їх алгебраїчна сума описує ВАХ діода:

                 (2)

З рис. 2 випливає, що  - це значення Uпр у точці перетину прямої лінії, яка апроксимує ВАХ в області великих струмів з віссю напруги. Оскільки пряма вітка ВАХ має велику крутизну, зручніше задавати прямий струм діода, а не напругу, тому говорять, що діод - це прилад, керований струмом. Беручи до уваги сказане, рівняння (2) можна записати у вигляді:

                               (3)

а з врахуванням падіння напруги на опорі бази отримаємо:

                         (4)

Рис. 2

Поки струм Iпр малий, значення Iпрrб також мале і ВАХ описується рівнянням (2) або (3). В області великих прямих струмів лінійна функція зростає швидше за логарифмічну, і другий доданок у рівнянні (4) стає домінуючим. Тому нахил ВАХ практично визначається величиною rб (див. рис. 2):

                                  (5)

Випрямні діоди характеризуються такими статичними параметрами: напругою Uпр при заданому стумі Iпр, струмом Iзв при заданій напрузі Uзв, максимально допустимими значеннями Iпр.max, які обмежуються максимальною потужністю Рmax, розсіюваною діодом. Властивості діода характеризують опори:

·        диференціальний

                            (6)

·        прямий і зворотний за постійним струмом

       (7)

                        (8)

Випрямні властивості діодів характеризуються коефіцієнтом випрямлення

                  (9)

Щоб розрахувати схеми, які містять діод, його подають моделлю, яка включає в себе еквівалентну схему, аналітичний опис і таблицю параметрів. У режимі великого сигналу діод є нелінійним елементом. Нелінійні статичні моделі діода з джерелом струму, керованим напругою, і джерелом напруги, керованим струмом, показані на рис. 3. Обидві моделі мають по три параметри - I0, m і rб, значення яких обчислюють опосередковано за результатами вимірювань ВАХ.

Рис. 3

У режимі малого сигналу, коли змінна складова U~ набагато менша від постійної U0


Рис. 4

Похожие работы на - Статичні характеристики випрямних діодів

 

Не нашли материал для своей работы?
Поможем написать уникальную работу
Без плагиата!
Без нейросетей!