Расчет переходных процессов при нарушении симметрии трехфазной цепи

  • Вид работы:
    Курсовая работа (т)
  • Предмет:
    Физика
  • Язык:
    Русский
    ,
    Формат файла:
    MS Word
    700,93 Кб
  • Опубликовано:
    2012-08-24
Вы можете узнать стоимость помощи в написании студенческой работы.
Помощь в написании работы, которую точно примут!

Расчет переходных процессов при нарушении симметрии трехфазной цепи

Содержание

 

Введение

1. Расчет однофазного короткого замыкания аналитическим методом

2. Расчет двухфазного короткого замыкания методом расчетных кривых

3. Расчет двухфазного металлического короткого замыкания методом спрямленных характеристик

4. Сравнительная характеристика методов расчета

5. Обрыв одной фазы

6. Обрыв двух фаз

Список использованных источников

Введение


ЗАДАНИЕ

)        В точке К рассмотреть однофазное короткое замыкание для t = 0 с аналитическим методом. Найти распределение токов в элементах системы.

2)      В точке К рассмотреть двухфазное короткое замыкание для t = 0,1 с методом расчетных кривых.

)        В точке К рассмотреть двухфазное металлическое короткое замыкание на землю для

t = 0,5 c методом спрямленных характеристик. Найти распределение токов в аварийном режиме.

)        Дать сравнительную оценку методам расчета несимметричных коротких замыканий

5)      В области точки К рассмотреть обрыв одной фазы

)        В области точки К рассмотреть обрыв двух фаз

Примечания

)        При выполнении пункта 1 использовать только калькулятор

2)      При выполнении пунктов 3,5,6 использовать комплексные схемы замещения

)        При выполнении пунктов 5,6 для получения конечного сопротивления нулевой последовательности можно менять схемы соединения обмоток элементов системы

)        Распределение токов представить в виде таблицы

фаза ток короткое замыкание

1. Расчет однофазного короткого замыкания аналитическим методом


Определяем базисные величины


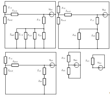
Составим схему замещения прямой последовательности


Определим параметры схемы замещения прямой последовательности

1)      Система С

2)      Линия Л


3)      Автотрансформатор АТ


По условию x/r = 20, тогда


4)      Трансформатор Т


5)      Нагрузка Н


6)      Реактор Р2


7)      Асинхронный двигатель АД


8)      Генераторы Г1, Г2

,


Найдем  и , для этого свернем схему



Составим схему замещения обратной последовательности


Определим параметры схемы замещения обратной последовательности

1)      Система С


2)      Линия Л


3)      Автотрансформатор АТ

,


4)      Трансформатор Т


5)      Нагрузка Н


6)      Реактор Р2


7)      Асинхронный двигатель АД


8)      Генераторы Г1, Г2


Найдем , для этого свернем схему



Составим схему замещения нулевой последовательности


Определим параметры схемы замещения нулевой последовательности

1)      Система С


2)      Линия Л


3)      Автотрансформатор АТ


4)      Трансформатор Т


5)      Генераторы Г1, Г2


6)      Асинхронный двигатель АД


7)      Реактор Р2


8)      Нагрузка Н

Расчет сопротивления нагрузки затруднителен, так как неизвестны её компоненты. Примем, что нагрузка присоединена к системе через группу из двух трансформаторов с параметрами:н = 32 МВА,н = 10,5 кВ,k = 12,7%,k = 145 кВт.

Обмотки трансформатора соединены по схеме Y0 - Δ, тогда токи нулевой последовательности будут отсутствовать за таким трансформатором. Таким образом, сопротивление нагрузки можно рассчитать как сопротивление данных трансформаторов для нулевой последовательности.



Окончательно сопротивление нагрузки найдём как суммарное сопротивление двух одинаковых трансформаторов:


Найдем , для этого свернем схему


Найдем токи и напряжения прямой, обратной и нулевой последовательностей в месте повреждения


Найдем токи прямой последовательности на всех элементах методом узловых напряжений


Запишем выражения для проводимостей узлов


Запишем выражения для задающих токов:


Запишем систему уравнений по методу узловых напряжений:


Из первого уравнения выразим  и подставим во второе уравнение:


Из второго уравнения выразим :


Подставим значение  в выражение для  и найдем значение :


Определим токи прямой последовательности на элементах:


Найдем токи обратной последовательности на всех элементах методом узловых напряжений


Запишем выражения для проводимостей узлов


Запишем систему уравнений по методу узловых напряжений:


Из первого уравнения выразим  и подставим во второе уравнение:


Подставим значение  в выражение для  и найдем значение :


Определим токи обратной последовательности на элементах:


Найдем токи нулевой последовательности на всех элементах методом узловых напряжений


Запишем выражения для проводимостей узлов


Запишем систему уравнений по методу узловых напряжений:


Определим токи нулевой последовательности на элементах:


По найденным значениям токов прямой, обратной и нулевой последовательностей определим фазные токи на элементах с учетом группы соединения трансформаторов:

1. Система С


2. Линия Л


3. Автотрансформатор АТ

Высокое напряжение


Среднее напряжение


Низкое напряжение


4. Трансформатор Т. Высокое напряжение


Низкое напряжение


1. Нагрузка Н


2. Реактор Р2


3. Асинхронный двигатель АД


. Генератор Г1


6. Генератор Г2


7. Ток в месте повреждения


Значения токов прямой, обратной и нулевой последовательностей, а также фазные токи сведем в таблицу.

Таблица 1 - Распределение токов при однофазном КЗ


,,,






С






Л






АТ

ВН







СН







НН






Т

ВН







НН






АД






Г1






Г2






Р2






Н






Точка К

00






2. Расчет двухфазного короткого замыкания методом расчетных кривых


Схема для расчета представлена на рисунке


Определим параметры схемы

)        Система С

2)      Линия Л

3)      Автотрансформатор АТ

4)      Трансформатор Т

5)      Генераторы Г1, Г2

)        При двухфазном коротком замыкании

Определим , для этого свернем схему обратной последовательности при условии, что активные сопротивления всех элементов схемы равны 0.

,

Преобразуем схему и определим ее параметры


,


Определим расчетное сопротивление ветви генератора


Используя расчётные кривые при  и , находим относительное действующее значение периодической составляющей тока в месте короткого замыкания: . Определим ток ветви генератора в именованных единицах


Определим ток ветви системы


Определим ток ветви системы в именованных единицах


Определим ток прямой последовательности в месте повреждения:


Определим токи в фазах:



3. Расчет двухфазного металлического короткого замыкания методом спрямленных характеристик


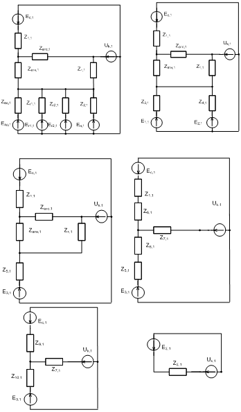
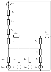
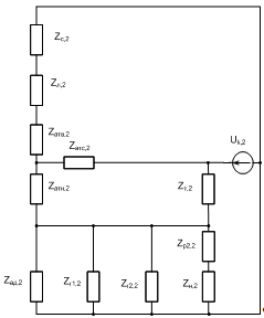
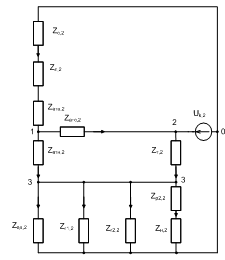
Составим комплексную схему замещения


Определим параметры комплексной схемы замещения

.        Система С


2.       Линия Л


3.       Автотрансформатор АТ


4.       Трансформатор Т


5.       Асинхронный двигатель АД


6.       Реактор Р2


7.       Нагрузка Н


8.       Генератор Г1, Г2

Предположим, что генераторы работают в режиме подъёма напряжения. Тогда для  по графику спрямленных характеристик находим

, .


Найдем токи в ветвях схемы методом узловых напряжений

Запишем выражения для собственных и взаимных проводимостей узлов


Запишем выражения для задающих токов


Составим матрицы проводимостей и токов и определим значения узловых напряжений

,

,

,  

Находим токи на элементах схемы

Для прямой последовательности:


Сравним критический ток с токами генераторов, таким образом, выясним, верно ли предположение, что генераторы работают в режиме подъёма напряжения:


Режим выбран верно. Для обратной последовательности


Для нулевой последовательности


По найденным значениям токов прямой, обратной и нулевой последовательностей определим фазные токи на элементах с учетом группы соединения трансформаторов:

1.       Система С


2.       Линия Л


3.       Автотрансформатор АТ

Высокое напряжение


Среднее напряжение

Низкое напряжение


4.       Трансформатор Т. Высокое напряжение


Низкое напряжение


5.       Нагрузка Н


6.       Реактор Р2


7.       Асинхронный двигатель АД


8.       Генератор Г1


9.       Генератор Г2


10.     Ток в месте повреждения


Значения токов прямой, обратной и нулевой последовательностей, а также фазные токи сведем в таблицу.

Таблица 2 - Распределение токов при двухфазном металлическом КЗ


,,,






С






Л






АТ

ВН







СН







НН






Т

ВН







НН






АД






Г1






Г2






Р2






Н






Точка К








4. Сравнительная характеристика методов расчета


Аналитический метод

В инженерной практике задача расчета переходных процессов, как при сохранении симметрии трехфазной цепи, так и при нарушении в большинстве случаев ограничена нахождением токов и напряжений только в конкретный момент времени, то есть не требуется получения временных зависимостей параметров режима, характеризующих весь интервал переходного процесса. Наиболее экономично, с точки зрения вычислительных затрат, свести задачу расчета переходных процессов в исходной системе к анализу квазистационарных режимов расчетной электрической цепи. Для исходной трехфазной электрической системы, обладающей симметрией фаз, использование метода симметричных составляющих формулируется в виде расчетов квазистационарных режимов в трех однофазных цепях. При этом параметры этих (расчетных) цепей должны отражать поведение элементов электрических систем в рассматриваемый момент переходного процесса, связанного с включением источников эдс соответственно прямой, обратной и нулевой последовательностей.

Метод расчетных кривых

На практике часто встречается задача анализа переходных процессов только одной аварийной ветви. Наиболее целесообразен, с точки зрения вычислительных затрат, метод расчетных кривых, позволяющий оценивать ток в месте короткого замыкания в любой момент времени. Суть метода расчетных кривых состоит в том, что для одиночного генератора, работающего в предшествующем режиме с номинальной нагрузкой, периодическая составляющая тока короткого замыкания однозначно определяется электрической удаленностью генератора от места повреждения. Эквивалентные преобразования сложных многомашинных систем позволяют получить схему с одним генератором суммарной мощности. Для расчета переходных процессов в таких системах используют зависимость тока генератора от сопротивления. Погрешности расчетов в таких случаях определяются тем, насколько реальные условия для отдельных генераторов отличаются от средних, соответствующих эквивалентному режиму.

Метод спрямленных характеристик

Аналитический подход анализа электромагнитных переходных процессов при использовании метода спрямленных характеристик может быть применен для расчета любого момента переходного процесса. Основу метода спрямленных характеристик составляет возможность характеризовать электрическую машину в любой момент переходного процесса в одномашинной системе с некоторыми эдс и реактивностью, не зависящими от параметров внешней цепи. Погрешность таких моделей составляет не более 8%. Однако строго доказать правомерность использования таких моделей для представления переходных процессов не удается. Сравнение с результатами расчетов по более точным методикам показывает, что использование метода спрямленных характеристик позволяет получать удовлетворительные по точности решения и для многомашинных систем.

5. Обрыв одной фазы


Составим комплексную схему замещения


Параметры комплексной схемы замещения такие же, как в аналитическом методе.

.        Система С


2.       Линия Л


3.       Автотрансформатор АТ


4.       Трансформатор Т


5.       Нагрузка Н


6.       Реактор Р2


7.       Асинхронный двигатель АД


8.       Генераторы Г1, Г2


Определим токи на элементах схемы методом узловых напряжений

Запишем выражения для собственных и взаимных проводимостей узлов


Запишем выражения для задающих токов


Определим значения узловых напряжений


Определим токи прямой последовательности на элементах:


Определим токи обратной последовательности на элементах:


Определим токи нулевой последовательности на элементах:


По найденным значениям токов прямой, обратной и нулевой последовательностей определим фазные токи на элементах с учетом группы соединения трансформаторов:

1.       Система С


2.       Линия Л


3.       Автотрансформатор АТ

Высокое напряжение


Среднее напряжение


Низкое напряжение


4.       Трансформатор Т. Высокое напряжение


Низкое напряжение


5.       Нагрузка Н


6.       Реактор Р2


7.       Асинхронный двигатель АД


8.       Генератор Г1


9.       Генератор Г2


10.     Ток в месте повреждения


Значения токов прямой, обратной и нулевой последовательностей, а также фазные токи сведем в таблицу.

Таблица 3 - Распределение токов при обрыве одной фазы


,,,






С






Л






АТ

ВН







СН







НН






Т

ВН







НН






АД






Г1






Г2






Р2






Н






Точка К







6. Обрыв двух фаз


Составим комплексную схему замещения


Параметры комплексной схемы замещения такие же, как в аналитическом методе.

.        Система С


2.       Линия Л

,

3.       Автотрансформатор АТ


4.       Трансформатор Т


5.       Нагрузка Н


6.       Реактор Р2


7.       Асинхронный двигатель АД

, ,

8.       Генераторы Г1, Г2


Определим токи на элементах схемы методом узловых напряжений

Запишем выражения для собственных и взаимных проводимостей узлов


Запишем выражения для задающих токов


Определим значения узловых напряжений


Определим токи прямой последовательности на элементах:


Определим токи обратной последовательности на элементах:


Определим токи нулевой последовательности на элементах:


По найденным значениям токов прямой, обратной и нулевой последовательностей определим фазные токи на элементах с учетом группы соединения трансформаторов:

1.       Система С


2.       Линия Л


3.       Автотрансформатор АТ

Высокое напряжение


Среднее напряжение


Низкое напряжение


4.       Трансформатор Т

Высокое напряжение


Низкое напряжение


5.       Нагрузка Н


6.       Реактор Р2


7.       Асинхронный двигатель АД


8.       Генератор Г1


9.       Генератор Г2


10.     Ток в месте повреждения


Значения токов прямой, обратной и нулевой последовательностей, а также фазные токи сведем в таблицу.

Таблица 4 - Распределение токов при обрыве двух фаз


,,,






С






Л






АТ

ВН







СН

00







НН






Т

ВН

00







НН

00






АД






Г1






Г2






Р2






Н






Точка К

00






 

Список использованных источников

 

1. Волков В.М. Расчёт электромагнитных переходных процессов в электрических системах: Методические указания к выполнению индивидуальных заданий, курсовых и дипломных проектов. - Архангельск: Изд-во АГТУ, 2004, - 34с.

. Ульянов С.А. Электромагнитные переходные процессы в электрических системах. Учебник для электротехнических и энергетических вузов и факультетов. 2-е издание, стереотипное. - М., ООО "ТИД "АРИС", 2010. - 520 с. с илл.

Похожие работы на - Расчет переходных процессов при нарушении симметрии трехфазной цепи

 

Не нашли материал для своей работы?
Поможем написать уникальную работу
Без плагиата!
Без нейросетей!