Разработка каналообразующего устройства передачи дискретной информации
"БЕЛОРУССКИЙ
ГОСУДАРСТВЕННЫЙ УНИВЕРСИТЕТ ТРАНСПОРТА"
ЭЛЕКТРОТЕХНИЧЕСКИЙ
ФАКУЛЬТЕТ
Кафедра
"Системы передачи информации"
Практическая
работа
по дисциплине
"Каналообразующие
устройства передачи дискретной информации"
"Разработка
каналообразующего устройства передачи дискретной информации"
Гомель 2012
Содержание
1. Расчет параметров
.1 Расчёт количества позиций модуляции
.2 Расчёт вероятности битовой ошибки
2. Построение структурной схемы
2.1Построение структурной схемы скремблера
2.2 Построение структурной схемы кодера
.3 Построение структурной схемы каналообразующего
устройства
1. Расчет параметров
1.1 Расчёт
количества позиций модуляции
По заданию даны исходные данные:
DF = 1500 Гц; = 2400 Бод;
С = 14400 бит/с.
Битовая скорость - скорость передачи информации (количество бит
информации переданной по линии в единицу времени):
где M - количество позиций модуляции.
Выразим количество позиций модуляции:
1.2 Расчёт
вероятности битовой ошибки
Вероятность битовой ошибки для ФМ определять будем по формуле:
Где
- функция Крампа
Можем определить отношение
, из формулы
,
где
- мощность сигнала ;
- мощность шума ;
- энергия бита ;
- спектральная плотность мощности шума
Для удобства введём замену
Отношение
можем определить из формулы:
где
из пункта 1.1
Тогда получаем, что
Теперь можем найти чему равен y:
.
Так как
, то отношение
будет находиться так:
.
Запишем конечную формулу для нахождения вероятности битовой ошибки:
Подставим значения:
Учитывая формулу функция Крампа , определим чему она будет равна:
(0.838)=0.019
А следовательно сама вероятность равна
.
2. Построение
структурной схемы
2.1 Построение структурной схемы скремблера
Исходные данные:
М=17N=14
Скремблирование - это преобразование потока
"1" и "0" данных с целью изменения его структуры. Структура
при этом становиться близкой к случайной. Скорость же при этом не изменяется. Существует два вида скремблеров:
самосинхронизирующиеся;
с начальной установкой.
В первом варианте минусом является возможность
размножения ошибок. Во втором случае - необходимость синхронизировать
участки на передающей и принимающей стороне.
2.2
Построение структурной схемы кодера
модуляция скремблер кодер каналообразующий
Кодер предназначен для формирования из входных
дискретных импульсов канальных сигналов.
Функции:
защита от ошибок (помех);
защита от несанкционированного доступа;
перемешивание битового потока;
формирование канальных импульсов.
Исходные данные:
Образующий полином кодера - 
2.3
Построение структурной схемы каналообразующего устройства
Характеристики КОУ:
скорость передачи информации: 6000 бит/с;
режим передачи: асинхронный;
тип тракта: четырехпроходный;
тип линии связи: коммутируемая;
режим передачи: полудуплексный.
Полудуплексный режим предусматривает обмен данными в
обоих направлениях, однако, одновременно информация передается только в одном
направлении, что подразумевает наличие переключателя.
Асинхронная передача является старт-стопной, при этом одновременно
передается или принимается один символ. Стартовый и стоповый биты используются
для разделения символов и синхронизации приемника и передатчика. Таким образом,
уменьшается вероятность искажения данных. При асинхронной передаче каждый
передаваемый символ кодируется последовательностью импульсов. Передача, символа
начинается стартовым импульсом, равным по длине кодовому импульсу. Кодированный
символ (последовательность импульсов) завершается стоповым импульсом, который
по длине может быть равен или больше кодового импульса в зависимости от
используемого кода передачи. Стартовый бит соответствует переходу из состояния
метки в состояние пробела. Поскольку в состояний ожидания, когда не происходит
передача данных, линия находится в состоянии метки, стартовый импульс служит
для принимающего устройства индикатором того, что далее следует символ данных.
Аналогично стоповый бит обеспечивает перевод линии обратно в состояние метки,
сообщая приемнику о завершении передачи символа данных.
Как правило, каналы имеют двухпроводное или четырехпроводное окончание.
Для краткости их называют, соответственно, двухпроводными и четырехпроводными.
При четырехпроводном тракте одна пара проводов
используется для передачи, а вторая - для приема. Такой подход позволяет
использовать общий тактовый генератор для приемной и передающей части
каналообразующего устройства, а также максимально исключает воздействие сигнала
передачи на прием и обратно.
Коммутируемые каналы представляются потребителям на
время соединения по их требованию (звонку). Такие каналы принципиально содержат
в своем составе коммуникационное оборудование телефонных станций (АТС).
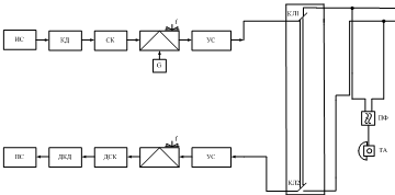
Рисунок 1 - Структурная схема каналообразующего устройства
В состав устройства входят:
Передающая часть:
· ИС- источник сигналов;
· КД- кодер( устройство обеспечивает кодирование информации с
целью повышения помехоустойчивости);
· G - генератор тактовых импульсов;
· СК- Скремблер(устройство преобразующее последовательности
цифрового потока единиц и нулей данных с целью изменения его структуры, близкой
к случайной, без изменения скорости передачи);
· Модулятор (устройство представляющее исходный сигнал в форму
пригодную для передачи по каналу связи);
· УС- устройство согласования (для согласования передающего устройства с линией связи).
Приемная часть:
· УС - устройство согласования (для согласования линии связи с
приемным устройством);
· ДСК - Дескремблер (устройство, которое обратно преобразует
последовательность единиц и нулей, выполняемое в приемнике с целью
восстановления исходной последовательности цифрового потока);
· Демодулятор - предназначен для преобразования сигнала
принятого из канала связи в сигнал пригодный для декодирования;
· ДКД - декодер (устройство предназначенное для раскодирования
полученного сигнала и передачу декодированной информации к получателю);
· ПС - приемник сигналов;
Коммутируемая часть:
· КЛ1-КЛ2 - коммутирующее устройство;
· ПФ - полосовой фильтр;