Разработка источника питания с защитой от перегрузок

  • Вид работы:
    Курсовая работа (т)
  • Предмет:
    Информатика, ВТ, телекоммуникации
  • Язык:
    Русский
    ,
    Формат файла:
    MS Word
    46,83 Кб
  • Опубликовано:
    2012-12-13
Вы можете узнать стоимость помощи в написании студенческой работы.
Помощь в написании работы, которую точно примут!

Разработка источника питания с защитой от перегрузок

1. Постановка задачи


Разработать источник питания с защитой от перегрузок и цифровым отсчётом тока нагрузки:


Все напряжения 50 В стабилизированы: Uпул 1 мВ. Напряжение +300 В стабилизировано: Uпул 100 мВ.н(+-50 В)=5 Ан(+300 В)=1 мА

Источник питания бестрансформаторный с защитой от КЗ.

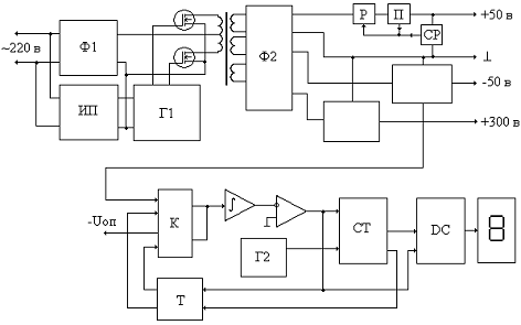
2. Структурная схема


Функционально блок питания состоит из следующих узлов:

Ф1 - фильтр и выпрямитель, питающий высокочастотный преобразователь.

ИП- источник питания генератора.

Г1 - генератор прямоугольных импульсов.

Ф2 - фильтр и выпрямитель выходного напряжения.

Р - регулирующий элемент стабилизатора.

П - датчик перегрузки.

К - коммутатор сигналов. После него интегратор и компаратор.

Т - RS триггер.

Г2 - генератор прямоугольных сигналов.

СТ - счётчик импульсов.- регистр и дешифратор с выходом на семисегментный индикатор.

2.1 Принцип действия

В разрабатываемом источнике питания применён импульсный преобразователь напряжения.

Напряжение сети 220В подаётся на выпрямитель и фильтр, предотвращающий попадание помех в сеть. Выпрямлённое постоянное напряжение используется для питания высокочастотного преобразователя, выполненного на полевых транзисторах. Сигналы прямоугольной формы подаются на транзисторы с генератора, который также обеспечивает разрядку ёмкости затворов транзисторов для быстрого и надёжного запирания транзисторов. После высокочастотного трансформатора преобразованное напряжение подаётся на выпрямитель и фильтр. Выпрямлённое напряжение, затем, подаётся на стабилизаторы напряжения, имеющие защиту от перегрузок.

Для питания элементов генератора используется маломощный источник питания на основе низкочастотного трансформатора.

Для измерения тока нагрузки используется аналого-цифровой преобразователь, выполненный по схеме с использованием интегрирования входного сигнала. Напряжение, снимаемое с трансформатора, включенного последовательно с нагрузкой, пропорционально току, протекающему через его первичную обмотку. Число импульсов, пришедших на счётчик, зависит от входного напряжения. Измеренное напряжение индицируется на семисегментном индикаторе в цифровой форме.

3. Разработка принципиальной схемы


3.1 Разработка принципиальной схемы импульсного источника питания

В импульсных блоках питания используют одно- и двухтактные высокочастотные преобразователи. Двухтактные преобразователи позволяют получить гораздо большую выходную мощность. Исходя из требуемой мощности, для разрабатываемого блока питания выбран двухтактный преобразователь. По схеме включения ключевых транзисторов к трансформатору: с первичной обмоткой, имеющей отвод от середины. Это позволило получить мощный источник питания с высоким КПД, низким уровнем пульсаций и помех окружающим приборам.

Данный источник питания имеет внешнее возбуждение ключевых транзисторов без стабилизации выходного напряжения. На его входе включен высокочастотный фильтр C1L1C2, который препятствует попаданию помех в сеть. Затем напряжение выпрямляется диодным мостом VD1 - VD4 и сглаживается конденсатором C3. Выпрямлённое напряжение подаётся на высокочастотный преобразователь, выполненный на транзисторах VT9, VT10.

Управляет преобразователем схема на микросхемах DD1 - DD3. Питание для них осуществляется стабилизированным источником, состоящем из трансформатора T1, диодного моста VD5, стабилизатора на VT1VT2 и стабилитроне VD6.

Тактовый генератор выполнен на элементах DD1.1 - DD1.3. Частота этого генератора в два раза больше частоты переключения ключевых транзисторов. Элементы R4C10 необходимы для формирования коротких импульсов, которые управляют работой формирователя паузы DD2.1. Затем импульсы поступают на элементы DD3.1, DD2.2, DD2.3, они распределяют импульсы.

Таким образом, на выходе формирователя присутствуют импульсы, низкие уровни которых, управляют работой ключевых транзисторов. При необходимости, можно отрегулировать длительность управляющих импульсов резистором R3, а паузы резистором R5.

Для закрывания ключевых транзисторов достаточно иметь длительность паузы в 3 раза меньшую длительности импульса управления. С выходов элементов DD2.2, DD2.3 импульсы поступают на транзисторные ключи VT5, VT6, затем они поступают на затворы мощных полевых транзисторов VT9, VT10. Резисторы R6 - R9 необходимы для согласования амплитуды управляющего напряжения транзисторов с выходным напряжением микросхем.

Импульсы с прямого и инверсного выходов триггера DD3.1 поступают на элементы VT3, VT4, VT7, VT8. Открываясь в соответствии с временной диаграммой они подключают затворы полевых транзисторов к общему проводу, тем самым обеспечивают быструю разрядку входных ёмкостей, т.е. их быстрое закрывание. Согласно теории, без этих элементов через первичную обмотку трансформатора протекал бы сквозной ток, который бы уменьшил КПД и надёжность устройства.

Импульсное высокое напряжение подводится к первичной обмотке трансформатора T2. Выпрямители выходного напряжения выполнены на диодных мостах VD9 - VD16, VD31 - VD34. Такое включение диодов значительно снижает уровень пульсаций напряжения на выходе источника. Конденсаторы C16, C17 сглаживают пульсации. Элементы L2, L3, C14, C15, C18, C19 образуют фильтры высоких частот, препятствуя проникновению помех в нагрузку.

Таким образом, на выходе импульсного преобразователя имеются нестабилизированные напряжения +50, -50, +300 В.

3.2 Разработка принципиальной схемы стабилизатора напряжения

Для стабилизации выходного напряжения источника питания используются компенсационные стабилизаторы последовательного и параллельного типов. В стабилизаторах последовательного типа регулирующий элемент включен последовательно с нагрузкой, что уменьшает энергетические потери, по сравнению со стабилизаторами параллельного типа. Поэтому для разрабатываемого блока питания выбран последовательный компенсационный стабилизатор напряжения с триггерной защитой от перегрузок и КЗ.

Для разрабатываемого блока питания выходное напряжение не должно сильно отличаться от 50В, его регулировка не предусмотрена. Высокочастотный преобразователь напряжения обеспечивает очень низкий уровень пульсаций на входе стабилизатора, поэтому напряжение между эмиттером и коллектором регулирующего транзистора довольно мало. Учитывая это напряжение, которое не превышает 5В, а также, если ограничиться пульсациями в 2В, то следует выбрать напряжение, подаваемое на вход стабилизатора равным 58 В. При этом максимальная мощность, рассеиваемая на транзисторе, не превышает 50 Вт.

Работа обеих плеч стабилизаторов идентична, поэтому рассмотрим работу одного из них.

В эмиттер транзистора VT20 включен стабилитрон VD24, который вместе с резистором R38 обеспечивает фиксированное напряжение. На базу этого же транзистора подаётся напряжение с делителя R40 - R42, включенного на выходе стабилизатора. Нагрузкой управляющего транзистора является источник тока на элементах VT14, R32, R36, VD20, VD21. К коллектору транзистора VT20 также подключен составной транзистор, который и выполняет роль регулятора.

Опорное напряжение и часть выходного приложены к эмиттерному переходу транзистора VT20, который выполняет функции элемента сравнения, их разность усиливается и токовый сигнал его коллекторной цепи управляет проводимостью составного транзистра. Чем больше коллекторный ток транзистора VT20, тем меньшая часть стабильного тока поступит на вход составного транзистора и наоборот.

Если по какой-либо причине напряжение на выходе стабилизатора уменьшится, это приведёт к уменьшению напряжения на базе управляющего транзистора, он призакроется и позволит большему току поступить на вход составного транзистора со стабилизатора тока, в результате чего составной транзистор приоткроется и выходное напряжение стабилизатора поднимется до необходимого значения.

При повышении напряжения на выходе стабилизатора, транзистор приоткроется и перехватит часть стабильного тока, что приведёт к призакрыванию составного транзистора и уменьшению напряжения на выходе стабилизатора.

Триггерная схема защиты от перегрузок и КЗ выполнена на элементах DD4, VT11, VT15. Изначально на выходе триггера присутствует уровень логического 0, так как вход D соединён с общим проводом, а на вход C подана логическая 1, что позволяет установиться тому значению на выходе триггера, что и на входе D, то есть 0. При этом транзистор VT15 закрыт. На входы C и S подаются логические 0.

При превышении тока нагрузки 5 А на низкоомном резисторе R25 начинает падать напряжение, достаточное для открывания транзистора VT11, он открывается и напряжение со входа стабилизатора падает на делителе R21, R22, напряжение на резисторе R22 имеет уровень логической 1, что приводит к принудительной установке 1 на выходе триггера, независимо от уровней на входах C и S. Напряжение через токоограничительный резистор R33 подается на базу транзистора VT15 и открывает его, при этом весь ток стабилизатора тока «уходит» в общий провод, и составной транзистор закрывается, что приводит к отключению нагрузки.

Такое состояние триггера может сохраняться сколь угодно долго. Для возврата схемы в исходное состояние используется кнопка SB1, через которую поступает сигнал логической 1 на вход R триггера и переводит его выход в 0. Транзистор VT15 закрывается и ток стабилизатора тока вновь поступает в составной транзистор. Триггер питается от стабилизатора напряжения на элементах R30, VD18, C20.

Стабилизатор на 12 В выполнен на элементах VT24, VT25, VD26, R46, C24.

Высоковольтный стабилизатор выполнен на элементах VT28 - VT30, VD35. На эмиттер VT30 подаётся напряжение порядка 100 В со стабилитрона VD35. На базу этого же транзистора с делителя R55 - R57 подаётся такое же напряжение. Если по каким-либо причинам выходное напряжение понизится, то это изменение полностью передастся через стабилитрон на эмиттер транзистора VT30, в то время как на его базе изменение будет меньше. Транзистор приоткроется и его увеличившийся ток коллектора откроет мощный регулирующий составной транзистор VT28, VT29. Такой стабилизатор имеет защиту от замыканий в нагрузке - при КЗ пропадает и управляющее напряжение и все транзисторы закрываются.

3.3 Разработка принципиальной схемы цифрового отсчёта тока нагрузки

Для измерения тока нагрузки используется аналого-цифровой преобразователь, основанный на принципе интегрирования входного сигнала и измерения времени этого процесса с последующим преобразованием его в цифровую форму.

Как известно, при подаче напряжения на вход интегратора, начинает изменяться напряжение на его выходе по прямолинейной зависимости, причём угол наклона прямой напрямую зависит от уровня входного напряжения. Напряжение на выходе интегратора достигает определённого уровня быстрее при большем уровне входного сигнала, поэтому это время напрямую не измеряется, а используется следующий принцип:


На вход интегратора подаётся напряжение, а на его выходе оно возрастает. Через некоторое время, ограниченное разрядностью счётчика импульсов, входной измеряемый сигнал отключается и подключается опорное напряжение обратной полярности. В этот момент счётчик сбрасывается и начинает отсчёт импульсов. Напряжение на интеграторе начинает убывать с постоянным и неизменным наклоном. Время, за которое напряжение упадёт до 0 прямо пропорционально уровню входного измеряемого сигнала, чем оно больше, тем больше потребуется времени. Длительность этого интервала преобразуется в цифровой вид и индицируется индикатором.

В разрабатываемом АЦП в начальный момент времени напряжение сброса низкого уровня с элементов времязадающей цепочки DD7.4, R52, C29 устанавливает счётчики и триггер в исходное состояние. При этом на инверсном выходе триггера появляется уровень логической 1, который подаётся на вход первого ключа DD5.1 и открывает его. Входной сигнал через этот ключ поступает на вход интегратора на элементах DA2, R50, C27. Одновременно с генератора импульсов сигнал подаётся на вход счётчика, который начинает отсчитывать входные импульсы. Напряжение на выходе интегратора возрастает по линейному закону с отрицательной полярностью, а напряжение на выходе компаратора положительной полярности.

Так как используется двоичный счётчик DD9, то для преобразования его в десятичный, сигнал сброса берётся с выходов 2 и 8 и подаётся на вход элемента И - НЕ. С выхода этого элемента сигнал сброса подаётся на вход R для сброса в нулевое состояние, а также на вход CJ следующего счётчика. Счётчик DD10 сбрасывается при каждом 6 импульсе на его входе.

Когда произойдёт переполнение всех счётчиков, сигнал сброса со второго поступит на инвертирующий вход S триггера и переведёт его в другое состояние, при котором на неивертирующем выходе появится уровень логической 1, закрывающий первый ключ и открывающий ключ DD5.2. При этом отрицательное напряжение заданной величины подаётся на вход интегратора, при этом на его выходе напряжение начинает убывать с постоянным наклоном. Также сигнал сброса переведёт оба счётчика в нулевое состояние и позволит им отсчитывать импульсы с генератора.

Когда напряжение на выходе интегратора станет равным нулю, на выходе компаратора появится нулевое напряжение, которое поступит на входы S дешифраторов DD11, DD12 и запишет двоичный код с выходов счётчиков в их регистры. В это же время на семисегментных индикаторах появится время отсчёта в цифровой форме. Напряжение низкого уровня с выхода компаратора также поступит на входы R счётчиков, сбросив их, и на инверсный вход R триггера переводя его в другое состояние. При этом процесс отсчёта начнёт выполняться сначала.

Сигнал сброса счётчиков немного отстаёт от сигнала с выхода компаратора за счёт наличия элементов DD8.1, DD8.2, это позволяет сначала записать двоичный код в регистры, а затем сбросить счётчики.

Измеряемое напряжение поступает на вход коммутатора с операционного усилителя DA1, выполняющего роль преобразователя тока в напряжение. Высокочастотное напряжение снимается со вторичной обмотки трансформатора T3, которое пропорционально току, текущему в первичной обмотке в момент открывания ключевых транзисторов преобразователя напряжения, а следовательно, и току нагрузки. Далее это напряжение выпрямляется диодом VD27, сглаживается конденсатором C25 и подаётся на вход DA1:

.

4. Выбор элементов

4.1 Выбор элементов импульсного преобразователя напряжения

напряжение преобразователь защита перегрузка

Микросхемы генератора импульсов: в качестве микросхемы DD1 используется К561ЛЕ5, включающая в свой состав 4 элемента ИЛИ - НЕ. Микросхема DD2 - К561ЛС2. DD3 - К561ТМ2.

Частота преобразования выбрана равной 100 кГц. Расчёт элементов R3 и C9 проводят по следующей формуле:


Так как частота на выходе устройства в 2 раза меньше, чем на выходе тактового генератора, то частота генератора принимается равной 200 кГц.

Для частоты 200 кГц Т= 0.000005. Если принять С9= 560 пФ, то резистор  Ом. Близкий номинал 6.2 кОм.

Длительность паузы равна 1/3 от длительности импульса управления:

 


Если принять C11= 480 пФ, то  Ом. Близкий номинал 3.9 кОм.

Резисторы R6 - R9 являются делителями напряжения для управления транзисторами VT5, VT6. Резисторы R8, R9 выбраны номиналом 1.5 кОм, R6, R7 - 6.8 кОм. При этом напряжение база - эмиттер этого транзистора выбрано 1.5 В.

Резисторы R14, R15 вместе с ёмкостями затворов полевых транзисторов выполняют роль фильтров нижних частот, уменьшающие уровень гармоник при открывании ключей. Элементы VD7, VD8, R18, R19, C12, C13 также служат для подавления гармоник при открывании ключей., R15= 390 Ом. R18, R19= 10 кОм, 10 Вт. C12, C13= 0.01 мкФ на напряжение 750 В.

Резисторы R10 - R13 - делители напряжения для открывания транзисторов VT7, VT8. R12, R13= 51 Ом. R10, R11= 270 Ом. R2= 1 кОм, при этом через него протекает ток 7 мА.

В качестве транзисторов VT5, VT6 используются любые из серии КТ361. VT2 - VT4 - КТ315. В качестве VT7, VT8 лучше применить малошумящие обладающие хорошими характеристиками транзисторы, например КТ3102.

Транзистор VT1 - КТ815, КТ817.

Для VT9, VT10 наиболее подходят мощные полевые транзисторы КП707.

Диоды VD7, VD8 - по два последовательно соединённых КД212 (). Высокочастотные мощные диоды VD9 - VD16 - КД2997А () или КД2999Б (). VD1 - VD4 - Д246 или другие с прямым током 5 А и обратным напряжением не менее 350 В.- Д814В с напряжением стабилизации 10 В. VD5 - диодная сборка КЦ402.

Конденсаторы C14, C15 и C18, C19 служат для подавления высокочастотных помех. Их ёмкость 4.7 мкФ на 100 В. C16, C17 - 1000…2200 мкФ на 100 В., C2, входящие в высокочастотный фильтр, имеют ёмкость 0.22 мкФ и напряжение не менее 500 В.

С3 - 1500 мкФ на 350 В. Чем больше ёмкость этого конденсатора, тем лучше будет сглаживаться высокое напряжение. С4 - 0.47 мкФ на 350 В.

С5 - 1000 мкф*25 В. С6 - 47 мкф*16 В. С7 - 470 мкф*16 В. С8- 1 мкф*16 В.

Трансформатор питания Т1 любой с напряжением вторичной обмотки 11-15 В и током нагрузки не менее 150 мА.

Катушка L1 наматывается на на ферритовом кольце 2000НМ1 типоразмера К31*18.5*7, она содержит 2*25 витков провода толщиной не менее 1 мм.

Трансформатор Т2 наматывают на трёх склеенных вместе ферритовых кольцах К45*28*12, первичная обмотка содержит 2*41 виток провода 1 мм, вторичные обмотки содержат по 8 витков (в пять проводов 0.8 мм), обмотка для стабилизатора +300 В содержит 44 витка провода 0.5 мм.

Дроссели L2, L3, L4 намотаны на ферритовых стержнях диаметром 6 и длиной 25 мм и содержат по 12 витков провода 1.5 мм.

Общий провод преобразователя напряжения не должен соединяться с общим проводом остальной части устройства.

Ключевые транзисторы и выпрямительные диоды необходимо установить на теплоотводы, лучше, если они будут оснащены небольшими вентиляторами, это снизит габариты радиаторов.

4.2 Выбор элементов стабилизатора напряжения

Необходимые данные: выходной ток: 5 А, выходное напряжение: 50 В.

Примем пульсации входного напряжения стабилизатора не более 2 В и рассчитаем входное напряжение:


При этом напряжении на регулирующем транзисторе будет рассеиваться не более 50 Вт.

Входной ток составного транзистора выберем равным 5 мА. Коллекторный ток усилителя (VT20, VT21) также 5 мА. Отсюда получим ток стабилизатора тока: .

Коэффициент передачи составного транзистора не менее: 5/0.005= 1000.

В базовую цепь транзистора VT14 (VT17) включены последовательно два диода VD20, VD21. Падение напряжения на них составляет 2 В. Выберем ток через R32 12 мА, тогда:  Ом (4.7 кОм). Мощность резистора:

 Вт. Выберем 1 Вт. Диоды Д2Г ().

 Ом, 0.125 Вт.

Стабилитрон VD24 (VD25) выберем на напряжение 24 В при токе 4 мА. Тогда через резистор R38 должен протекать ток 9 мА.

 Ом. Близкий номинал 2.7 кОм. Мощность  Вт.

Возьмём P= 0.25 Вт. Стабилитрон VD24 - два последовательно соединённых 2С212Ж ().

Подстроечный резистор R41 примем равным 200 Ом, ток через резисторы R40 - R42 5мА. Тогда на резисторе R40 и части R41, а также на R42 и части R41 должно падать напряжение 25 В.

 Ом. Вычитая часть сопротивления R40, получим номиналы этих резисторов 2.4 кОм. Мощность  Вт (0.125 Вт).

Ёмкость C22 служит для повышения динамических свойств стабилизатора. При скачке выходного напряжения амплитуда и длительноть переходного процесса будут большими. Для устранения эффекта интегрирования сигнала ошибки вводится ёмкость C22 при условии: . Примем C22 200 пФ.

Для стабилизатора на 12 В примем ток через резистор R46 6 мА, тогда сопротивление этого резистора с учётом напряжения на стабилитроне 13 В будет 6.2 кОм, мощность 0.5 Вт.

Транзистор усилителя желательно применить с большим коэффициентом передачи. VT20 - КТ3102Б с . VT21 - КТ3107Б., VT15, VT17, VT19, VT25 - КТ503Д: ., VT13, VT14, VT16, VT22, VT26 - КТ502Д:

.- КТ817. VT27 - КТ816.- КТ827А: .- КТ825А: .

Для высоковольтного стабилизатора возьмём стабилитрон VD35 на напряжение 100 В, при этом через резистор R54 будет протекать ток 4 мА:

 Ом, близкое значение 51 кОм при мощности  Вт (1 Вт). Входное напряжение +330 В.

Мощные регулирующие транзисторы необходимо установить на теплоотводы, исходя из условия, что на каждый ватт рассеиваемой мощности приходится 15 - 20 см2 охлаждающей поверхности. Теплоотводы для VT18, VT23 должны иметь около 700 см2 площади каждый. Её можно уменьшить, если применить небольшие вентиляторы.

4.3 Выбор элементов АЦП

Процесс интегрирования входного измеряемого сигнала длится дольше, чем обратного напряжения, приложенного ко входу, так как в первом случае происходит переполнение счётчиков, а во втором случае переполнение достигаться не должно. Ограничимся амплитудой сигнала на выходе интегратора 10 В. Выберем время всего процесса около 0.5 с при максимальном измеряемом напряжении, равном 6 В (измерение тока: 0..5.9 А). Тогда:


Выберем С27= 2 мкФ, тогда R50= 75 кОм. Чтобы не было переполнения счётчиков опорное отрицательное напряжение должно быть больше 6 В. Выберем это напряжение 6.2 В. При этом напряжении процесс будет длиться:


Период следования тактовых импульсов генератора следует выбрать равным , что будет соответствовать 6 А.


Выберем C28= 0.5 мкФ, тогда R51= 5720 Ом. Это сопротивление подстраивается при налаживании устройства при помощи подстроечного резистора, включенного на месте R51.= 100 кОм, С29= 0.01 мкФ. Стабилитрон VD29 - 2С162А (). R49=1.2 к.

Элементы R53, VD30 служат для предохранения входа элемента DD8.2 от напряжения отрицательной полярности с выхода компаратора.

Микросхема DD5 - К561КТ3 - коммутатор аналоговых и цифровых сигналов., DD7, DD8 - К561ЛА7. DD9, DD10 - К561ИЕ11. DD11, DD12 - К176ИД3. DA4, DA5 - АЛС318.

В качестве операционных усилителей DA1 - DA3 применяются микросхемы К140УД7., VD30 - КД522. С26 - 1000 пФ.

Резистор R48 подбирается для получения на выходе DA1 напряжения 5 В при токе нагрузки 5 А:

, где k - коэффициент трансформации Т3: . Выберем k= 300, тогда R48= 300 Ом. Трансформатор Т3 намотан на кольце К10*6*3 из феррита 2000НМ1. Вторичная обмотка w2 содержит 300 витков, первичная обмотка представляет собой провод, проходящий через отверстие кольца.

Заключение

В задачу разработки входило условие создания структурной и принципиальной схем, описания действия мощного и стабильного блока питания с защитами на всех выходах от перегрузки по току и короткого замыкания.

Результатом деятельности явилось создание схемы блока питания, обладающего следующими характеристиками: выходное напряжение:  В при токе нагрузки 5 А и высокой стабильности благодаря применению компенсационного стабилизатора, +300 В при токе нагрузки не менее 100 мА. Также высокую стабильность обеспечивает сам преобразователь напряжения, обеспечивающий преобразование с высокой стабильной частотой импульсов, тактируемых генератором на логических элементах. Благодаря такому преобразователю, устройство получается небольших габаритов из - за отсутствия, как такового, силового трансформатора, а сам высокочастотный трансформатор очень небольших габаритов. Также уменьшается ёмкость конденсаторов, сглаживающих пульсации выходного напряжения.

Стабилизаторы используются компенсационного типа с последовательным подключением регулирующего элемента к нагрузке, обладающие довольно высокими техническими характеристиками, в частности высоким коэффициентом стабилизации. Так как блок питания имеет фиксированное выходное напряжение, то это позволило работать регулирующим транзисторам с невысоким напряжением база - эмиттер, что снижает рассеиваемую тепловую мощность и позволяет применить один составной регулирующий транзистор в плече стабилизатора.

Система защиты построена с применением триггеров, отключающих нагрузку при перегрузке или КЗ и остающихся в таком состоянии сколь угодно долго для выяснения и устранения причины. После этого в рабочее состояние стабилизатор вводится нажатием соответствующей кнопки.

Для определения в цифровом виде тока нагрузки использовался трансформатор, гальванически не связанный с нагрузкой. Преобразование напряжения в нём происходит в моменты переключения ключевых транзисторов импульсного преобразователя, которое пропорционально току первичной обмотки, т.е. току нагрузки. Применение интегрирования входного измеряемого напряжения позволило разработать довольно простой аналого-цифровой преобразователь, в принципе которого лежит подсчёт числа импульсов с тактового генератора в период времени интегрирования отрицательного опорного напряжения, подаваемого на интегратор сразу после входного измеряемого напряжения. Это время линейно зависит от амплитуды входного напряжения.

Таким образом, получается линейная зависимость измеряемого числа импульсов и тока нагрузки.

Похожие работы на - Разработка источника питания с защитой от перегрузок

 

Не нашли материал для своей работы?
Поможем написать уникальную работу
Без плагиата!
Без нейросетей!