Анализ электрической цепи постоянного тока

  • Вид работы:
    Практическое задание
  • Предмет:
    Физика
  • Язык:
    Русский
    ,
    Формат файла:
    MS Word
    473,72 Кб
  • Опубликовано:
    2012-10-14
Вы можете узнать стоимость помощи в написании студенческой работы.
Помощь в написании работы, которую точно примут!

Анализ электрической цепи постоянного тока

Министерство образования Российской Федерации

Уфимский Государственный Авиационный Технический Университет

Кафедра Теоретических Основ Электротехники








Анализ электрической цепи постоянного тока


Выполнила:

студентка группы

ИКТ-203 Симбирцева Д.С.

Проверила:

доцент Медведева Л. С.






Уфа 2012

Задание

1. Согласно индивидуальному заданию, составить схему электрической цепи. В распечатке исходных данных сопротивления заданы в Омах, ЭДС - в Вольтах, ток источника тока - в Амперах.

2. Нарисовать ориентированный граф схемы.

3. Составить топологические матрицы схемы: соединений А, главных контуров В .

4. Проверить соотношение:

5. Составить уравнения по законам Кирхгофа в алгебраической и матричной формах.

6. Определить токи в ветвях схемы методом контурных токов.

7. Определить токи в ветвях схемы методом узловых потенциалов.

8. Проверит правильность расчетов по законам Кирхгофа.

9. Составить баланс мощностей.

10.Для контура, содержащего две ЭДС составить потенциальную диаграмму.

11.Для ветви с сопротивлением R1 определить ток методом эквивалентного генератора.

электрическая цепь ток потенциал

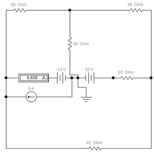
1. Согласно индивидуальному заданию, составим схему электрической цепи:

Исходные данные:

E1 (04) =-10 B2 (05) =50 B

R1 (41) =90 Oм2 (53) =60 Ом

R3 (31) =60 Ом4 (12) =50 Ом

R5 (32) =40 Ом6 (20) =90 Ом

J1 (01) =6 A

2. Нарисуем ориентированный граф схемы:


3. Составим топологические матрицы схемы

матрица соединений А:


где к - номера ветвей, g - номера узлов.

матрица главных контуров В:


где к - номера ветвей, g - номера хорд.

4. Проверим соотношение


Равенство верно

. Составим уравнения по законам Кирхгофа в алгебраической и матричной формах

Согласно составленному дереву графа, у которого 3 ветви, составим 3 уравнения по первому закону Кирхгофа, и 3 уравнения по второму закону Кирхгофа.

запишем первый закон Кирхгофа в матричной форме:

А*I = - А*J;

где I- матрица-столбец неизвестных токов, J-матрица-столбец токов источников тока.


- запишем первый закон Кирхгофа в алгебраической форме:

1 + I3 - I4 = J1,4 + I5 - I6 = 0,2 - I3 - I5 = 0.

- запишем второй закон Кирхгофа в матричной форме:

*U=B*E;

где U- матрица-столбец неизвестных напряжений, Е-матрица-столбец известных источников ЭДС.


- запишем второй закон Кирхгофа в алгебраической форме:

-R1*I1 + R2*I2 + R3I3 = - Е1 + Е2,1*I1 + R4*I4 + R6*I6 = E1,2*I2 + R5*I5 + R6*I6 = E2.

6. Определим токи в ветвях схемы методом контурных токов

Данный метод основан на втором законе Кирхгофа.

Перерисуем схему: преобразуем источник тока в эквивалентный источник ЕДС, выберем произвольно направление токов в ветвях цепи, и произвольно выберем направление обхода контуров.


-        Запишем систему уравнений для нахождения контурных токов в общем виде:

R11* I11 +R12*I22 + R13*I33 = E11,21*I11 + R22*I22 + R23*I33 = E22,31*I11 + R32*I22 + R33*I33 = E33.

-        Выразим собственные и смежные сопротивления контуров:

R11 = R2 + R5 + R6,22 = R1 + R4+ R6,33 = R1 + R2 + R3,12 = R21 = R6,13 = R31 = R2,

R23= R32 = -R1.

-        Подставим численные значения:

11 = 190 Ом,

R22 = 230 Ом,

R33 = 210 Ом,

R12 = R21 = 90 Ом,

R23 = R32 = -90 Ом.

-        Выразим контурные ЭДС:

11 = E2,22 = E1 + J1*R1,33 = E2 - E1 -J1*R1.

-        Подставим численные значения:

11 = 50 B,22 = 530 B,33 = -480 B.

- Составим систему уравнений для нахождения контурных токов

(R2 + R5 + R6)*I11 + R6*I22 + R2*I33 = E2,6*I11 + (R1 + R4+ R6)*I22 - R1*I33 = E1 + J1*R1,2*I11 - R1*I22 + (R1 + R2 + R3)*I33 = E2 - E1 -J1*R1.

- Подставим численные значения: 

Решим данную систему уравнений, используя программу Gauss, получим значения контурных токов:

11 = -0.08633А,

I22 = 1.74619А,

I33 = -1.51279А.

Выразим все истинные токи через контурные токи:

1 = I22 - I33 - J1,2 = I11 + I33,3 = I33,

I4 = I22,5 = I11,

I6 = I11 + I22,

- Подставим численные значения:

1 = -2.74102 A,2 = -1.59912 A,3 = -1.51279А,4 = 1.74619А,5 = -0.08633А,6 =1.65986 A.

7. Определим токи в ветвях схемы методом узловых потенциалов

Данный метод основан на первом законе Кирхгофа и на обобщенном законе Ома. По методу узловых потенциалов можно составить столько уравнений, сколько ветвей у дерева графа, следовательно в нашем случае 3 уравнения. В схеме заземлим нулевой узел (φ0 = 0 B).

-        Запишем систему уравнений для нахождения потенциалов в общем виде:

φ1*g11 + φ2*g12 + φ3*g13 = J11,

φ1*g21 + φ2*g22 + φ3*g23 = J22,

φ1*g31 + φ2*g32 + φ3*g33 = J33.

-        Уравнение в матричной форме имеет вид:

φкк*gкк= Jкк

-        Посчитаем проводимости ветвей:

11 = g1 + g3 + g4 ,22 = g4 + g5 + g6 ,33 = g2 + g3 + g5,12 = g21 = - g4,

g13 = g31 = - g3,

g23 = g32 = - g5 ,

- Подставим численные значения:

11 = 1/ R1 +1/ R3 +1/ R4 =0.04777См,22 = 1/ R4 +1/ R5 +1/ R6 = 0.05611См,33 = 1/ R2 +1/ R3 +1/ R5 = 0.05832 См,

g12 = g21 = - 1/ R4 = -0.02См,

g13 = g31 = - 1/ R3 = -0.01666 См,23 = g32 = - 1/ R5 = -0.025 См,

-        Посчитаем узловые токи:

11 = E1*g1+ J1,

J22 = = 0,

J33 = E2*g2.

- Подставим численные значения:

11 = 5.88889 А,

J22 = 0А,

J33 = 0.83333 А.

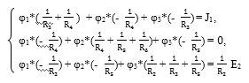
         Cоставим систему уравнений для нахождения потенциалов:

φ1*(1/ R1 +1/ R3 +1/ R4 ) + φ2*(- 1/ R4 ) + φ3*(- 1/ R3 ) = E1*g1+ J1,

φ1*(- 1/ R4 ) + φ2*(1/ R4 +1/ R5 +1/ R6 ) +φ3*(- 1/ R5 ) = 0,

φ1*(- 1/ R3 ) + φ2*(- 1/ R5 )+ φ3*(1/ R2 +1/ R3 +1/ R5 ) = E2*g2.

Решим данную систему уравнений, используя программу Gauss, получим значения потенциалов:


φ1 = 236.49459B,

φ2 = 149.42932B,

φ3 = 146.01826B.

-        Подсчитаем значения токов по закону Ома:

1 = (- φ1+ E1 )/R1,2 = (-φ3+ E2) /R2,3 = (φ3 - φ1 )/R3,4 = (φ1 - φ2 )/R4,5 = (φ3 - φ2)/R5,6 = φ2 /R6,

- Подставим численные значения:

1 = -2.73883А,

I2 = -1.6003А,

I3 = -1.50793А,

I4 = 1.7413А,

I5 = -0.08528А,

I6 = 1.66033А.

8. Проверим правильность расчетов по законам Кирхгофа

- составим уравнения по первому и второму законам Кирхгофа:

1 + I3 - I4 = -J1,4 + I5 - I6 = 0,2 - I3 - I5 = 0,

R1*I1 + R2*I2 + R3I3 = -E1 + E21*I1 + R4*I4 + R6*I6 = E1,2*I2 +R5*I5 + R6*I6 = E2.

составим матрицу:


Решим данную систему уравнений, используя программу Gauss, получим значения силы токов:

1 = -2.74111 A,2 = -1.599 A,3 = -1.51267 A,4 = 1.74619A,5 = -0.08328A,6 = 1.65989 A.



9. Составим баланс мощностей

Баланс мощностей является следствием закона сохранения энергии и является критерием проверки правильности полученных результатов.


Мощность, генерируемая источником ЭДС и тока (сумма алгебраическая), равняется мощности потребляемой приемником.

Для данной схемы:

Е2*I2 + E6*I6 + J62 = R1* + R2* + R3* + R4* + R5* + R6*,

Сравним: 1366.6373 Вт1366.5286 Вт, следовательно, наши расчеты верны.

10. Для контура, содержащего два ЭДС составим потенциальную диаграмму

- Составим потенциальную диаграмму для контура 0-4-1-2-3-5-0

φ0= 0 B,

φ4 = Е1 =-10 В,

φ1 = φ4+ I1*R1 = Е1+ I1*R1= -10+2.744*90 = 236,96B,

φ2 = φ1- I4*R4 = 236.96 - 1.746*50= 149.66 B,

φ3 = φ2 - I5*R5 =149.66 - 0.086*40= 146.22 B,

φ5 = φ3 - I2*R2 = 146.22 - 1.599*60=50 B,

φ0 = φ5 - Е2= 50 - 50=0 В (См. приложение)

11. Для ветви с сопротивлением R1 определим ток методом эквивалентного генератора

Разомкнём ветвь 1 и найдем UXX, которое равно ЭДС генератора ЕГ. Для этого воспользуемся методом узловых потенциалов (φ0 =0)

XX(1)= φ1

11 =  + = 0. 0367 См,

g22 =  +  + =0,0561 См ,

g33 =  +  + =0,0583 См ,

g12 = g21 = - = =-0,02 См,

g13 = g31 = -  = -0,0167 См,

g23 = g32 = - = -0,025 См,

оставим систему уравнений для нахождения потенциала φ1:


Решим данную систему уравнений, используя программу Gauss, получим значения потенциала φ1:

φ1 = 412 B,

ЕЭГ =UXX( 10) =412 B.

2) для нахождения Rвн = RГ закоротим все источники ЭДС, а источники тока разомкнем, получим:


преобразуем треугольник в звезду, получим:


=      

=

=

Rвн= RГ +  = 12,5+ =63,791 Ом.


3) Найдем I1, составим уравнение по второму закону Кирхгофа:

1*R1 + RГ*I1 = EЭГ,1==- =- 2,69 А.

4) Определим IКЗ:

IКЗ = ,

IКЗ =-  = -6,559 А.



Вывод

В данной расчетно-графической работе был проведен анализ электрической цепи постоянного тока, а именно:

составила схему электрической цепи;

нарисовала ориентированный граф схемы;

составила топологические матрицы схемы: соединений А, главных контуров В, проверила соотношение А*Вт = 0;

определила токи в ветвях схемы тремя методами: методом контурных токов, методом узловых потенциалов, методом эквивалентного генератора. По законам Кирхгофа проверила правильность расчетов;

составила баланс мощности, для контура, содержащего две ЭДС составила потенциальную диаграмму.

Значения силы токов, которые были определены в каждом из трех вышеуказанных методов, совпали. Имела место быть некоторая погрешность, в результате неточного вычисления, но она не имела большого значения. Следует сделать вывод, что значения характеристик цепи не зависят от метода ее исследования.

Похожие работы на - Анализ электрической цепи постоянного тока

 

Не нашли материал для своей работы?
Поможем написать уникальную работу
Без плагиата!
Без нейросетей!