Подготовка воды для производства хлебобулочных изделий

  • Вид работы:
    Дипломная (ВКР)
  • Предмет:
    Другое
  • Язык:
    Русский
    ,
    Формат файла:
    MS Word
    1,51 Мб
  • Опубликовано:
    2012-09-11
Вы можете узнать стоимость помощи в написании студенческой работы.
Помощь в написании работы, которую точно примут!

Подготовка воды для производства хлебобулочных изделий

Введение

Вода представляет собой важнейшее химическое соединение, определяющее возможность существования жизни на Земле вообще и человека в частности. Как ни удивительно, но вода до сих пор остается наиболее малоизученным веществом Природы. Вода - это, на первый взгляд, простое химическое соединение водорода и кислорода. Но на самом деле, вода - основа жизни на Земле.

Доступность и незаменимость воды обусловила ее широкое применение в быту, промышленности и сельском хозяйстве, медицине - во всех сферах человеческой деятельности. Трудно вспомнить, где вода не применяется.

На сегодняшний день острой является проблема экологической обстановки во всем мире. И в связи с этим все большее внимание и обеспокоенность вызывает качество питьевой воды, ее чистота и использование в пищевых производствах. Поэтому особый интерес вызывает разработка современных и эффективных способов очистки и обеззараживания воды.

Эта проблема является актуальной, так как от качества воды и другого сырья зависит микробиологическая чистота и безопасность продуктов питания, что непосредственно связано со здоровьем людей в современных условиях. Также важным является вопрос структуры и свойств воды, поскольку вода является растворителем, определяет протекание необходимых химических реакций и влияет на ход технологических процессов.

К числу факторов, приводящих к изменению структуры и свойств воды, относятся различные излучения и поля (электрические, магнитные, гравитационные и другие еще не достаточно изученные, в частности, связанные с биоэнергетическим воздействием человека и взаимным влиянием друг на друга разделенных порций жидкости), механические воздействия (перемешивание разной интенсивности, встряхивание, течение в различных режимах и т.д.), а также их всевозможные сочетания.

В производстве хлеба, как главном продукте питания, предпринимались попытки очистки и изменения свойств воды под воздействием различных факторов физической природы таких, как: термообработка, дегазация, ультрамикрокавитация, ионизация воды серебром, оптические воздействия, электромагнитные поля, поле токов СВЧ, электрохимическая обработка, озонирование, мембранная фильтрация, обратный осмос и т.д.

Известно, что вода обладает структурно-информационными свойствами, воспринимает и передает информацию, закладываемую в ее структуру (межмолекулярные образования - ассоциаты, кластеры, клатраты), благодаря взаимодействию с различными физическими воздействиями.

Внешние физические воздействия на водные системы приводят к эффекту активации - временному сообщению воде особых свойств, которые могут сохраняться в течение некоторого времени. Переход воды в нормальное (равновесное) состояние происходит постепенно.

В настоящий момент актуальной является тема обработки воды специальными методами, позволяющими эффективно очищать, обеззараживать воду и изменять ее свойства таким образом, чтобы обработанная вода могла оказывать улучшающее воздействие на свойства полуфабрикатов и качество готовых хлебобулочных изделий, позволяла изменять и корректировать ход технологического процесса.

1. Обзор литературы

1.1 Влияние различных методов обработки на свойства и структуру воды

По словам Зенина, вода состоит из кластерных ячеек, каждая из которых представляет собой как бы миниатюрный биокомпьютер. Основная задача - активировать воду, где суть активации воды в независимости от способа активации заключается в разрушении кластерных структур для насыщения воды мономолекулами. Так что суть активации воды заключается в том, чтобы насытить воду мономолекулами любым известным способом, сделав ее пригодной для непосредственного использования в биохимических реакциях без затраты организмом энергии и времени на получение необходимого количества мономолекул воды для этой цели. А дело в том, что вода - это ассоционная жидкость, в ней молекулы воды объединены в группы - как бы кристаллы, которые называются кластеры, а отдельных молекул практически нет (рис. 1).

Рисунок 1 - Структура жидкой воды в модели мерцающих кластеров Френка-Вина

Вода имеет необычные свойства, а именно вода в химических реакциях и биохимических процессах играет роль транспортного средства или, как говорят специалисты, реакция идет в диссоциированном растворе. Известно много способов насыщения воды мономолекулами, например, это переход из твердого состояния в жидкое - таяние льда, такую воду называют талой, насыщение газом с последующей дегазацией воды -минерализованные воды (газировка), нагрев воды до начала дегазации белый кипяток с последующим быстрым охлаждением, воздействие ультразвуком большой силы и, наконец, воздействие магнитным полем. Во всех этих случаях получаем воду, в которой содержится большое количество молекул в свободном (несвязанном) состоянии за счет изменения ее структуры.

Исследователей все больше привлекают структурно-информационные свойства воды, связанные с понятиями «структурная и спектральная память» воды, «аквакоммуникация», отражающие способность воды воспринимать, передавать и сохранять информацию.

Естественно, что изменение структурно-информационных характеристик воды приводит к изменению ее различных свойств: физико-химических (плотности, вязкости, поверхностного натяжения, электропроводимости, внутренней энергии, растворяющей способности, склонности к переохлаждению, а также формы кристаллов замороженной воды и кристаллов веществ, полученных испарением воды из растворов), спектральных, химической реакционной способности вследствие возникновения различных молекулярных образований в воде. Структурно-информационные характеристики зависят от наличия концентрации и структуры межмолекулярных образований и состояния межмолекулярной сетки из водородных связей, объединяющей их.

Электрохимическая активация воды

Для очистки питьевой воды от различных растворимых и диспергированных примесей применяют процессы анодного окисления и катодного восстановления, электрокоагуляции, электрофлотации и электродиализа. Все эти процессы протекают на электродах при пропускании через воду постоянного электрического тока. Электрохимические методы позволяют извлекать из воды ценные продукты при относительно простой автоматизированной технологической схеме очистки, без использования химических реагентов. Основным недостатком этих методов является большой расход электроэнергии.

Очистку питьевой воды электрохимическими методами можно проводить периодически или непрерывно.

Технология очистки состоит из нескольких стадий, разделенных во времени и пространстве:

в электрохимическом реакторе - анодное окисление обеспечивает уничтожение микроорганизмов и деструкцию вредных органических соединений, а катодное - восстановление (нейтрализацию) ионов тяжелых металлов;

каталитический реактор - обеспечивает каталитическое разложение активных веществ, например хлора;

флотационный реактор - флотационное отделение взвешенных веществ, гидроксидов тяжелых металлов, в том числе железа [1].

Способ электрохимической обработки водосодержащих сред заключается в том, что в емкости размещают электроды в виде разнесенных между собой анода и катода, разделяют межэлектродное пространство пористой диафрагмой, подают воду в межэлектродное пространство и пропускают через электроды постоянный ток, затем выводят обработанную водосодержащую среду отдельно из пространства между анодом и диафрагмой и из пространства между катодом и диафрагмой. При пропускании через электроды постоянного тока водосодержащую среду в пространстве между анодом и катодом облучают мощными наносекундными однополярными электромагнитными импульсами.

Цель - повышение эффективности активации для обеспечения большей устойчивости свойств активированной водосодержащей среды [25].

Электрохимически активированные растворы получают путем обработки исходных водных разбавленных растворов минеральных солей или воды в катодной или анодной камерах диафрагменного электрохимического реактора.

Раствор, полученный при катодной обработке, называется католитом, при анодной - анолитом.

Термины "вода" и "растворы" здесь тождественны. В природе не бывает совершенно чистой воды, поэтому даже дистиллят можно считать очень разбавленным раствором.

Воду любого минерального состава и концентрации можно подвергнуть анодной или катодной электрохимической обработке и получить электрохимически модифицированный раствор - анолит или католит соответственно.

Изменение физико-химических свойств и биологической активности воды в результате электрохимической обработки происходит под воздействием электрического тока, который в проводниках первого рода (металлических проводах, электродах) переносится электронами, а в проводниках второго рода (растворах электролитов, в т.ч. воде) - ионами.

Поступление электронов из катода в воду также как и удаление электронов из воды в анод сопровождается целой серией электрохимических реакций на поверхности катода и анода.

В результате этих реакций образуются новые вещества. Изменяется вся система межмолекулярных взаимодействий, в том числе изменяется и структура воды, как растворителя.

Свойства воды, подвергнутой электрохимической обработке определяются составом минеральных солей в исходной воде, а также видом и режимом электрохимического воздействия [2].

В процессе обработки (в начале, середине и конце) контролируют с помощью аппаратуры такие параметры воды, как ее рН, электропроводность и диэлектрическую проницаемость.

Например, характеристики дистиллированной воды до обработки были следующие: рН - 6,2; удельное сопротивление - 2520 ОмЧм и диэлектрическая проницаемость - 58,5. После пропускания через электроды постоянного тока параметры были следующими: рН - 6,8; удельное сопротивление - 1500 ОмЧм и диэлектрическая проницаемость - 53,2. После пропускания через электроды постоянного тока и облучения межэлектродного пространства мощными наносекундными однополярными импульсами параметры изменились следующим образом: рН - 7,0; удельное сопротивление - 800 ОмЧм и диэлектрическая проницаемость - 65,8.

Проверка изменения рН дистиллированной воды в течение 20 суток после обработки показала, что в воде, обработанной постоянным током, рН католита сохраняет свое значение 6-8 суток, а дальше плавно уменьшается до рН исходной воды. После обработки дистиллированной воды постоянным током и электромагнитными импульсами рН католита возрастает на 0,1 за первые 6-8 суток, далее уменьшается на 0,2 в течение 18-20 суток [25].

Таким образом, появление в обрабатываемой предлагаемым способом водосодержащей среде значительного количества вгидратированных электронов приводит к образованию большего количества объемных кластеров, имеющих более устойчивую структуру, чем вытянутые в виде цепочек кластеры, и, следовательно, более устойчивую структуру анолитов и католитов, а значит и более устойчивые во времени свойства активированной воды.

Обычно в результате катодной обработки любая вода, даже дистиллированная, которая содержит растворенные минеральные вещества, приобретает щелочную реакцию (от исходного pH=7,5-12) за счет превращения некоторой части растворенных солей и гидроксиды. Её окислительно-восстановительный потенциал резко понижается (от исходного +300 мВ до -300...-800 мВ в шкале индикаторного платинового электрода относительно хлор-серебряного электрода сравнения, уменьшается поверхностное натяжение, снижается содержание растворенных кислорода, хлора, азота, возрастает концентрация водорода, свободных гидроксильных групп, уменьшается электропроводность, изменяется структура не только гидратных оболочек ионов, но и свободного объема воды.

В результате образования хорошо растворимых гидроксидов натрия и калия и повышения вследствие этого pH, происходит сдвиг углекислого равновесия с образованием труднорастворимых карбонатов кальция и магния из находящихся обычно в исходной воде растворимых соединений этих металлов (гидрокарбонатов, хлоридов, сульфатов).

Ионы тяжелых металлов и железа практически полностью выпадают в осадок в виде нерастворимых гидроксидов. При взаимодействии гидроксидов натрия и калия с углекислым газом воздуха образуются растворимые карбонаты и гидрокарбонаты.

При анодной электрохимической обработке кислотность воды увеличивается от исходного pH = 7 до pH = 2-6, ок.-восст. пот. возрастает от +300 мВ до +400...+1200 мВ за счет образования устойчивых и нестабильных кислот: серной, соляной, хлорноватистой, хлористой, хлорноватой, хлорной, надсерных кислот, а также пероксида водорода, пероксосульфатов, пероксокарбонатов, перхлоратов натрия и калия, оксидов хлора и различных промежуточных соединений, возникающих в процессе самопроизвольного распада и взаимодействия названных веществ.

Также в результате анодной электрохимической обработки несколько уменьшается поверхностное натяжение, увеличивается электропроводность, увеличивается содержание растворенных хлора, кислорода, уменьшается концентрация водорода, азота, изменяется структура воды [2].

В момент электрохимической обработки вода приобретает бактериостатические характеристики, аналогичные свойствам родниковых вод.

Бактерицидные вещества, образующиеся в анодной камере электрохимического реактора, обладают очень высокими антимикробными свойствами, намного превосходящими по эффективности обычные антисептики (хлорамин и др.). При этом погибают не только возбудители типичных желудочно-кишечных инфекций (возбудители дизентерии, сальмонеллеза, холерный вибрин), но и экзотические патогенные микроорганизмы тропических стран.

В соответствии с ГОСТ 2874-82 минерализация питьевой воды не должна превышать 1,0 г/л. Во многих городах России минерализация питьевой воды 0,2 - 0,5 г/л, после очистки ее методом обратного осмоса или ультрафильтрации потребитель получит воду с концентрацией солей 0,01 - 0,05 г/л.

При работе с водой минерализацией 0,1 - 0,5 г/л через электрохимический реактор проходит ток силой 0,3 - 0,4 А.

В этом случае общая минерализация обработанной воды почти не меняется, ионы тяжелых металлов переходят в форму нетоксичных и труднорастворимых гидроксидов и гидроксидоксидов, микробы, находящиеся в воде, разрушаются, органические вещества, а также неорганические токсические соединения (в том числе нитраты и нитриты) подвергаются анодной окислительной деструкции. Сильные неорганические окислители (в том числе хлор) и сверхактивные радикальные частицы инактивируются в реакционно-вихревой и каталитической камерах.

Высокий ОВП и ряд других физико-химических условий в анодной камере электрохимического реактора исключают образование токсических хлорорганических веществ и обеспечивают полную окислительную деструкцию диоксинов, если они содержатся в водопроводной воде. Физиологически полезные микро- и ультрамикроэлементы (кальций, калий, магний, литий, фтор и другие) не образуют под влиянием электрохимической обработки нерастворимых соединений и остаются в составе питьевой воды. При содержании в исходной воде ионов серебра 68 мкг/л в очищенной воде содержание ионов серебра составило 56 мкг/л, то есть потерь серебра не было. В то же время токсичные ионы металлов (меди, железа, олова, алюминия, ртути, цинка, хрома удалялись на 85-99,9%).

Присутствующие в воде радионуклиды также превращаются в формы нерастворимых соединений, которые частично оседают на катоде и удаляются при промывании установки. Если эти соединения попадают с водой в желудочно-кишечный тракт, то они не всасываются в кровь и удаляются из кишечника естественным путем [26].

Изменение структуры воды под действием ультразвука

Многие исследователи [3] отмечали изменение свойств воды после воздействия различных факторов: магнитных волн, ультразвукового излучения, рентгеновского облучения, нагревания, замораживания и т.д. Известен, тот факт, что при совершенно различных воздействиях на воду (как физических, так и химических), она способна изменять свои свойства и структуру, что позволяет называть ее активированной, т.е. имеющей избыточный запас внутренней энергии в течение длительного времени [3].

Электронная конфигурация молекул воды изучалась многими авторами [4]. Установлено, что за счет неподеленных электронных пар в молекуле воды могут возникнуть водородные связи, причем часть из них, обуславливающие структуру льда, сохраняются и в жидкой воде. Неполная реализация водородных связей в воде послужила основой для создания различных моделей жидкой воды, объясняющих ее свойства.

Одной из них является двухструктурная модель или модель двух состояний, предложенная Л. Холлом [5].

Холл, изучая повышенное поглощение ультразвука водой, пришел к выводу, что в результате этого процесса возникает две структуры или два молекулярных состояния воды. Для первого состояния характерно наличие большого объема и малой энергии, что соответствует тетраэдрической структуре льда.

Второе состояние характеризуется более плотной упаковкой с меньшим объемом, но большей энергией. Локальное сжатие жидкости под действием ультразвука, по мнению [5], приводит к повышению доли второго состояния.

Кроме того, Холл отмечал некоторое запаздывание молекулярной перестройки структуры воды при ультразвуковом воздействии. Холл также считает [5], что под действием ультразвука переход от первой ко второй структуре сопровождается полным разрывом водородных связей, после чего взаимодействие между молекулами осуществляется только за счет сил Ван-дер-Ваальса. Этот факт подтверждается рядом авторов [6], считающих, что любое воздействие на воду (температурный, физический или физико-химический факторы) приводит к увеличению доли разорванных водородных связей от 9 до 71%. Возвращение системы в состояние равновесия сопровождается восстановлением части водородных связей в структуре, что мы отмечаем через сутки после озвучивания воды.

В современных представлениях о воде и о физико-химических экспериментальных данных, не дающих достоверной картины механизма проявления ее свойств при некоторых явлениях. К такому явлению, в котором вода проявляет свойства ассоциированной жидкости, относится кавитация, наблюдаемая, в частности, при поглощении ультразвука водой. В процессах с ее участием много противоречивых сведений.

В физическом понимании кавитация - это разрыв сплошности жидкости с образованием в нем пустоты, в которую выделяются пузырьки растворенных в жидкости газов [7]. Согласно [8] зародышами кавитации в воде могут быть, так называемые бабстонные кластеры, стабильно присутствующие даже в дистиллированной воде. Под бабстонным кластером в [3] и [8] рассматривают частицу, состоящую из газового пузырька и его ионной оболочки, самостоятельно существующую в воде. Звуковое облучение такого кластера стимулирует его рост до 50 нм, или, приводит к образованию в воде микрополости.

Мнение многих авторов, изучающих явление кавитации под действием ультразвука, сходятся в том, что характер кавитационных пузырьков (размер, пространственные разнесения) напрямую связаны с параметрами ассоциатов воды, присутствующих в исследуемых системах. При нарушении условий стабильности водных ассоциатов в жидкокристаллическом состоянии происходит целый комплекс равновесных и неравновесных процессов, при которых физико-химические характеристики системы претерпевают значительные изменения [3]. По видимому, это приводит к наблюдаемым изменениям ИК спектра воды, подвергнутой ультразвуковому облучению, за счет увеличения или уменьшения размеров водных ассоциатов, присутствующих в системе.

Магнитная обработка

Одним из наиболее эффективных способов безреагентной водоподготовки является магнитная обработка воды.

В наши дни важнейшее значение в процессе водоснабжения имеет водоподготовка. Магнитная обработка жидкостей с целью изменения их энтропии, в частности, активация воды, благодаря универсальности ее применения, справедливо считается технологией XXI века.

Одним из способов улучшения качества воды является ее омагничивание. В природе это происходит естественным путем при прохождении воды через земные породы. Доказано, что омагниченная вода обладает повышенной проницаемостью сквозь клеточные мембраны, бактерицидностью. Для приготовления омагниченной воды ее пропускают через кольцевой магнит или любое магнетизирующее устройство. Максимальная напряженность поля в системе не должна превышать 1000 Э. Омагниченная вода и другие жидкости обретают однородную структуру, повышенную текучесть и растворяющую способность.

Исследования показали, что наиболее заметные изменения свойств воды после магнитной обработки наблюдаются в присутствии примесей. Особенно ощутимые изменения отмечаются у границы раздела фаз - твердой и жидкой [27].

Магнитная обработка водных систем приводит их к следующим физико-химическим изменениям:

) ускорению процесса коагуляции;

) изменению процесса кристаллизации солей (они кристаллизуются не на стенках аппаратуры, а в объеме системы);

) изменению смачивания твердых поверхностей;

) ускорению и усилению адсорбционных процессов;

) ускорению процесса растворения неорганических солей;

) изменению концентраций растворенных газов.

Во всех случаях для получения ощутимого эффекта рекомендуется применять определенную напряженность магнитного поля и скорость течения воды или суспензии. Меньшие эффекты наблюдаются при омагничивании воды в статических условиях.

При коагуляции образуются плотные осадки, трудно удаляемые со дна цилиндров. Объяснение этому явлению следует искать в изменении свойств воды и самой взвеси. По-видимому, в этих условиях молекулы воды менее прочно связаны со взвесью, что облегчает сближение частиц на такое расстояние, на котором уже проявляются силы Ван-дер-Ваальса, приводящие к объединению частиц.

Образование кристаллических структур в объеме системы положено в основу изобретения Т. Вермайерна, применившего магнитную обработку для уменьшения образования накипи на стенках паровых котлов. Здесь также необходим строгий подбор режима обработки (напряженности поля и скорости потока) в зависимости от вида и концентрации в воде примесей. В литературе имеется много данных, что магнитная обработка изменяет кристаллическую структуру вещества, например, после нее из воды осаждаются кристаллы не кальцита, а арагонита.

Магнитная обработка воды усиливает процесс адсорбции поверхностно-активных веществ как на твердых поверхностях, так и на границе жидкость - воздух. Скорость растворения неорганических солей увеличивается в десятки раз (для МgSO4 в 120 раз!) при условии обязательного резкого изменения направления поля.

В воде после магнитной обработки увеличивается концентрация растворенного кислорода. Это говорит об эластичности межмолекулярных связей в структуре ассоциатов, появляющихся под действием магнитного поля за счет деформации водородных связей.

Ученые отмечают большое влияние на структуру воды примесей, находящихся в молекулярной форме в виде неэлектролитов и газов. Процесс растворения таких веществ происходит в два этапа: создания в воде полостей соответствующих размеров и внедрения в эти полости молекул растворяющегося вещества. Они входят в пустоты каркаса ассоциатов жидкой воды и в зависимости от своих размеров стабилизируют или разрушают структуру.

В литературе имеются данные, указывающие на бактерицидное действие магнитной обработки воды. Получены положительные результаты использования омагниченной воды в лечебных целях.

При объяснении обилия различных факторов, вызванных магнитной обработкой водных систем, учеными высказано много гипотез, которые сводятся к трем:

) «коллоидные» гипотезы, в основе которых лежит действие магнитных полей на коллоидные частицы, обладающие большой магнитной восприимчивостью (пара- или ферромагнитных);

) «ионные» гипотезы, в основе которых лежит действие магнитных полей на перемещающиеся в воде ионы. Многие исследователи подчеркивают роль влияния магнитных полей на гидратацию ионов. Магнитная обработка вызывает снижение гидратации ионов, что доказано сорбционной емкостью ионитов, которая увеличивается на 20-40% по сравнению с неомагниченной водой;

) «водяные» гипотезы, обосновывающие действие магнитных полей на собственно воду. В этом процессе происходит изменение величины угла между линиями, соединяющими атомы водорода с атомами кислорода, орто- и пара-положения водорода и др.

Процессы, протекающие при магнитной обработке воды, чрезвычайно разнообразны и сложны, поэтому нет еще у исследователей единого мнения о механизме этих явлений [9].

Наиболее удобным является способ воздействия на воду магнитными полями совместно с излучением квантовых генераторов.

Суть метода заключается в том, что при движении воды в зоне больших градиентов магнитного поля происходит разрушение межмолекулярных связей в кластерных структурах, в результате чего образуются свободные молекулы воды. Результаты увеличиваются на несколько порядков при применении излучения квантового генератора проходящего через магнитный поток.

Обратный процесс воссоединения молекул в ассоциаты (кластеры) происходит сравнительно медленно. Вода, прошедшая через градиенты магнитных полей с лазерным излучением может храниться десятки лет в состоянии покоя не меняя своей структуры.

Механизм разрушения межмолекулярных связей, обусловлен кратковременным превращением молекул воды при их движении в зоне больших градиентов магнитных полей из состояния паравода в ортоводу, т.е. изменения направления спинов атомов водорода в молекуле воды, что приводит к разрыву связей в структуре кластеров.

Отсюда следуют сделать вывод - в каком бы состоянии вода не находилась, в состоянии покоя или движении, она изменит свою атомно-молекулярную структуру как это делает Природа в пространстве и короткий промежуток времени [28].

Изменение свойств водных систем путем магнитной обработки. В основе многочисленных приемов практического использования магнитной обработки водных систем лежат, естественно, определенные изменения их физических свойств.

Изменения свойств гомогенной жидкой фазы водных систем часто весьма невелики, однако усиление и стабилизация малых начальных изменений свойств могут происходить с помощью промежуточных механизмов, во много раз увеличивающих эти изменения.

Например, малейшее стимулирование образования кристаллов может вызвать лавинную и необратимую кристаллизацию в объеме, а небольшое уменьшение степени гидратации поверхности твердых частиц в определенных условиях может привести к их массовой коагуляции, существенному улучшению фильтрации и т.п.

Необходимо учитывать, что активированная вода при помощи магнито-лазерного воздействия, имеет ряд временных поясов. Самое активное её время от четырех до девяти суток, в дальнейшем вода оказывает отягчающее воздействие. В этом случае активированную воду необходимо использовать в пропорции 1 часть активированной к 3; 1 к 5 и 1 к 7 частям с обыкновенной водой.

Под воздействием магнитного поля у воды меняются следующие свойства: увеличивается поглощение в ультрафиолетовой области спектра [10], изменение поворота плоскости поляризации монохроматического светового излучения (магнитооптический эффект Фарадея) в пределах 8-20% [11], изменение магнитной восприимчивости [12].

Изменение носит полиэкстремальный характер от напряженности магнитного поля и скорости ее относительного перемещения. Установлено изменение диэлектрической проницаемости с измерением фазометрическим и диэлектрическим методами. Магнитная обработка воды уменьшает диэлектрическую постоянную воды [13].

Обратный осмос

Получаемая обратным осмосом вода имеет уникальную степень очистки. По своим свойствам она близка к талой воде древних ледников, которая признается наиболее экологически чистой и полезной для человека.  По сути, обратноосмотическая мембрана - это сердце и душа системы обратного осмоса. Разработка системы начинается с подбора мембраны, а другие компоненты выбираются исходя из свойств мембраны.

Существует три типа обратноосмотических мембран, каждая из которых имеет свои преимущества и недостатки.

- Смесь триацетата целлюлозы с ацетатом целлюлозы (CTA);  - Тонкослойная полупроницаемая мембрана(TLC);  - Модифицированный полисульфон (SPSF).

Очистка на молекулярном уровне, что и осуществляется в фильтрах с использованием тонкопленочной мембраны, может освободить воду от всевозможных примесей. Через поры мембраны, имеющие размер 0,0001 микрон, могут пройти только молекулы воды и кислорода.

По принципу работы мембранные системы являются обратноосмотическими. Явление осмоса (выравнивание концентраций растворов, разделенных полупроницаемой мембраной) лежит в основе обмена веществ всех живых организмов. В конце 50-х - начале 60-х годов с началом широкого производства синтетических полимерных материалов появились первые научные работы, которые легли с основу промышленного применения обратного осмоса.

Первые промышленные обратноосмотические системы появились только в начале 70-х годов, поэтому это сравнительно молодая технология по сравнению с тем же ионным обменом или адсорбцией на активированных углях. Тем не менее, в западных странах обратный осмос стал одним из самых экономичных, универсальных и надежных методов очистки воды, который позволяет снизить концентрацию находящихся в воде компонентов на 96-99% и практически на 100% избавиться от микроорганизмов и вирусов.

Фильтр, работающий по принципу обратного осмоса, устроен достаточно просто: основной элемент, позволяющий получать воду высокой степени очистки - это тонкопленочная мембрана. Если объяснять совсем упрощенно, то она представляет собой некое подобие сетки, размер ячеек которой сравним с размером молекулы воды. Разумеется, сквозь такую «сетку» могут пройти либо сами молекулы воды, либо вещества, размер молекул которых еще меньше - растворенный в воде кислород, водород и т.п. В результате чего из воды удаляются практически все растворенные компоненты, а также соли тяжелых металлов, органические примеси и бактерии. Ну а все остальные конструктивные элементы обратноосмотической системы призваны только обеспечивать благоприятные условия для работы такой мембраны.

Фильтрующая способность системы обратного осмоса является поистине уникальной. Ни один из фильтров, работающих по другому принципу - механической очистки, адсорбции или ионного обмена - не может обеспечить подобной степени очистки [29].

В результате механической очистки воды общая жесткость снижается практически в 2,5 раза, в то время как при использовании высокой очистки обратным осмосом - в 98 раз и составляет 0,05 ммоль/дм3. При чем, если в первом случае в большей мере удаляются ионы металлов, например, кальция магния, железа и т.д., и в значительно меньшей анионы - сульфаты, хлориды, а нитраты остаются на том же уровне. То во втором случае идет существенное снижение практически всех групп ионов.

Следует отметить близкое по направлению и количественной характеристике изменение концентрации водородных ионов - снижение рН с 7,2 соответственно до 6,15 и 6,20. в обоих случаях улучшается цветность, удаляются посторонний (хлорный) привкус и запах.

Очистка воды, заключающаяся в ее пропускании через полупроницаемую мембрану и источник ИК-облучения характеризуется временными изменениями физических и химических свойств воды, вызванными механическим воздействием и ИК-излучением при ее обработке.

По мнению авторов (И.Д. Зайцев, Э.И. Креч) вода высокой очистки более чем на 99% состоит из молекул Н2О, и лишь менее 1% из изотопных молекул. Полярность мономолекул уникально большая (дипольный момент равен 1,86 D). Это вызывает при столкновении стяжение мономолекул друг с другом в ассоциаты [Н2О]х (где х - неопределенное число, как правило, равное 3-5). Однако величина энергии стяжения за счет водородных связей и сил Ван-дер-Ваальса настолько мала (8-20 кДж/моль), что даже слабое магнитное поле Земли или другие внешние воздействия (взбалтывание, озвучивание, действие электрического поля и др.) должны легко вызывать распад ассоциатов на мономолекулы и мелкие ассоциаты. Однако последние, будучи полярными, снова при столкновении ассоциируются; при этом устанавливается неустойчивое равновесие типа:

2О]х + Е ↔ а[Н2О]1 + х-в[Н2О]2 + х-с[Н2О]3 + …

Малоактивные Энергия Самые полярные и Мелкие ассоциаты, асоциаты внешнего активные мономолекулы менее полярные и менее воздействия активные.

Приведенное равновесие существует до тех пор, пока внешнее воздействие не сдвинет его вправо, и так до бесконечности.

Если же воздействие прекращается, равновесие сдвигается влево, и концентрация мономолекул резко падает (до 1-10 % в обычной воде). Вода возвращается в исходное состояние. Происходит так называемое старение активированный воды: после прекращения воздействия независимо от его характера через определенный промежуток времени обретенные водой свойства исчезают и она возвращается в первоначальное состояние.

Следует обратиться к свойствам мономолекул, приводящим к усилению временной физико-химической и биохимической активности воды:

повышает растворимость веществ; в результате увеличивается скорость химических реакций;

увеличивает диссоциацию электролитов, т.е. переводит молекулы в ионное более активное состояние;

дольше задерживается в клетке;

повышает электропроводность пропорционально концентрации мономолекул благодаря протеканию реакции Н2О + Н2О ↔ Н3О+ + ОН-;

характеризуется увеличенной химической активностью ионов Н3О+ и ОН- в водном растворе.

Была поставлена серия экспериментов, в которой определяли рН и окислительно-восстановительный потенциал воды высокой степени очистки во времени в зависимости от температуры.

Исследования показали, что увеличение температуры (по условиям эксперимента до 45°С) очищенной, временно активированной воды приводит к более быстрому восстановлению рН до традиционной величины. Начинает снижаться окислительно-восстановительный потенциал. Практически через 6,0-6,5 часов активированная вода начинает терять свои свойства при температуре 30-45°С. Процесс идет заметно медленнее при отсутствии нагрева. Температура 22°С способствует сохранению на более высоком уровне окислительно-восстановительного потенциала.

Необходимо отметить, что охлаждение воды высокой степени очистки после его нагрева ведет к лишь частичному восстановлению первоначальных свойств временно активированной воды. Таким образом, решающим внешним воздействием, приводящим к образованию активных молекул и мелких ассоциатов воды, является механическое воздействие, возникающее в процессе обратного осмоса.

Временно активированную воду, полученную продавливанием под высоким давлением через полупроницаемую мембрану, необходимо использовать в течение минимально возможного срока после ее очистки, на практике - 4-6 часов [20].

Получить активированную воду можно разными способами: магнитным полем, УФО (ультрафиолетовым облучением), лазером, акустическими полями, при электролизе с диафрагмой и без, вакуумированием.

Суть активации воды, в независимости от способа активации, заключается в разрушении кластерных структур для насыщения воды мономолекулами. Меняется структура активированной воды. Такая вода эффективно используется в биохимических реакциях без затраты организмом энергии на эту процедуру. Вода с измельченными кластерами обладает более высокими реактивными и растворяющими свойствами, лучше проникает через биологические мембраны, быстрее выводится из организма экскреторными органами. Кластер активированной воды содержит 5-6 молекул (обычная вода 13-16 молекул). Такая вода считается более активной по биофизическим и биологическим показателям.

Вода, активированная любым способом, обладает высокой текучестью и растворяющей способностью.

Активированная вода - такая вода, у которой структурная сетка водородных связей разрыхляется, молекулы воды обретают дополнительные степени свободы, что облегчает усвоение такой активированной воды клетками живых организмов [30].

1.2 Роль воды в технологии хлебобулочных изделий

Вода в хлебопекарном производстве используется как растворитель соли, сахара и других видов сырья: для приготовления теста 40... 70 л на каждые 100 кг муки, для приготовления жидких дрожжей, заварок, заквасок; идет на хозяйственные нужды - мойку сырья, оборудования, помещений, для теплотехнических целей - производства пара, необходимого для увлажнения воздушной среды в расстойных шкафах и печах [16].

Для технологических и хозяйственных нужд хлебозаводы используют обычно воду из городского питьевого водопровода. Для бесперебойного снабжения водой и создания постоянного напора во внутренней водопроводной сети устанавливают специальные баки с холодной и горячей водой. Запас холодной воды должен быть таким, чтобы обеспечить бесперебойную работу предприятия в течение 8 ч, запас горячей воды рассчитывают на 5...6 ч. Температура горячей воды в этом баке должна быть 70 °С.

Вода, применяемая при производстве хлеба, должна удовлетворять всем требованиям, предъявляемым к питьевой воде (ГОСТ 2874-82). Вода питьевая, применяемая для приготовления теста, должна отвечать требованиям СанПиН 2.3.2.1078-2001 (при централизованном водоснабжении).

В соответствии с Законом Российской Федерации «О санитарно-эпидемиологическом благополучии населения» за качеством питьевой воды осуществляется производственный контроль, государственный и ведомственный санитарно-эпидемиологический надзор.

Производственный контроль качества питьевой воды обеспечивается организацией, осуществляющей эксплуатацию системы водоснабжения.

Государственный санитарно-эпидемиологический надзор осуществляют центры Госсанэпиднадзора России на соответствующих территориях. Ведомственный санитарно-эпидемиологический надзор осуществляют санитарно-эпидемиологические учреждения, организации и подразделения федеральных органов исполнительной власти, уполномоченные на осуществление данной функции [16].

Качество воды, используемой для технологических и бытовых целей, должно удовлетворять требованиям питьевой воды в соответствии с СанПиН 2.1.4.1074-01 «Питьевая вода. Гигиенические требования к качеству воды централизованных систем питьевого водоснабжения. Контроль качества»[16].

Согласно этим требованиям вода должна быть прозрачной, бесцветной, не иметь постороннего запаха и вкуса, должна быть безопасна в эпидемиологическом и радиационном отношении, безвредна по химическому составу и иметь благоприятные органолептические показатели. На каждый вид безопасности и чистоты утверждены нормативы предельно допустимых концентраций (ПДК).

Безопасность воды в эпидемиологическом отношении определяется соответствующими нормативами по микробиологическим и паразитологическим показателям. В воде регламентируются следующие ПДК:

общая минерализация - 1000 мг/л, не более;

жесткость общая - 7 мг-экв/л, не более;

фенольный индекс - 0,25 мг/л, не более;

железо - 0,3 мг/ л, не более;

хлориды - 350 мг/л, не более;

цветность - 20 градусов, не более и т. д.

Согласно требованиям микробиологической чистоты воды общее число микроорганизмов в 1 мл воды не должно превышать 100, а число бактерий группы кишечных палочек в 1 л воды - не более 3[15]. Число образующих колонии бактерий в 1 мл (при определении общего микробного числа) не должно превышать 50[16].

Существенное значение для ряда технологических операций при производстве пищевых продуктов имеет жесткость воды.

Жесткость воды характеризуется содержанием в ней растворимых солей кальция и магния. Единицей жесткости является моль на кубический метр (моль/м3). Величине жесткости воды 1 моль/м3 соответствует массовая концентрация эквивалентов ионов кальция 20,04 г/м3 и ионов магния 12,153 г/м3. Числовое значение жесткости, выраженное в моль/м3, равно числовому значению жесткости, выраженному в мг-экв/л.

Различают следующие виды жесткости воды: общая, карбонатная, некарбонатная, устранимая и неустранимая.

Общая жесткость воды выражается суммой молярных концентраций эквивалентов ионов кальция (1/2Са2+) и магния (1/2Мg2+) в воде.

Величина общей жесткости питьевой воды не должна превышать 7 моль/м3.

Карбонатная жесткость воды определяется суммой молярных концентраций эквивалентов карбонатных СО3 и гидрокарбонатных НСО3 ионов в воде.

Некарбонатная жесткость воды представляет собой разность между общей и карбонатной жесткостью и связана с наличием в воде сульфатов и хлоридов.

Устранимая жесткость воды обусловлена наличием в ней карбонатных и гидрокарбонатных ионов солей кальция и магния, которые при длительном кипячении образуют осадок. Данный вид жесткости воды определяется экспериментальным путем.

Неустранимая жесткость воды представляет собой разность между общей и устранимой жесткостью, ее величина зависит от содержания солей, не выделяющихся после кипячения[16].

Жесткость воды для хлебопекарного производства не является недостатком, так как умеренно жесткая вода благоприятно влияет на реологические свойства теста, улучшая его консистенцию. Чрезмерно жесткая вода замедляет процесс спиртового брожения, при использовании мягкой воды тесто приобретает свойства невыброженного полуфабриката. В то же время мягкая вода оказывает расслабляющее действие на свойства теста и соответственно клейковины, а также снижает интенсивность брожения [15].

Жесткая вода улучшает реологические свойства клейковины и теста из слабой муки. В случае применения хлорированной воды важно знать содержание в воде остаточного хлора, обладающего окислительным действием и поэтому также укрепляющего слабую клейковину [14].

Окисляемость воды характеризует загрязненность ее органическими веществами. Окисляемость выражают в миллиграммах кислорода, израсходованного на окисление примесей, содержащихся в 1 дм3 воды. Окисляемость питьевой воды не должна превышать 3 мг О2/дм3.

Суммарным показателем качества питьевой воды является содержание сухого остатка нелетучих неорганических и органических веществ, не превышающее 1 000 мг/дм3[16].

При подготовке питьевой воды, удовлетворяющей соответствующим гигиеническим требованиям, проводят ее очистку, которая включает: осветление фильтрованием, удаление коллоидных примесей коагуляцией, умягчение воды, обеззараживание путем хлорирования или озонирования.

Существуют различные способы умягчения воды. Для этого в воду добавляют реагенты (известь и карбонат натрия), которые переводят соли жесткости в нерастворимые соединения, а образовавшийся осадок затем отделяют фильтрованием.

Умягчение воды с помощью ионообмена состоит в том, что воду пропускают через ионообменные фильтры. В катионитовом фильтре происходит замещение ионов кальция и магния на ионы водорода или натрия. Анионитовые фильтры применяют для очистки воды от кислотных радикалов. Ионообменные фильтры применяют для обработки воды с невысокой жесткостью, что дает возможность получить очень мягкую воду.

Отбор проб для анализа воды питьевой и определение ее вкуса, запаха, цветности и мутности осуществляются согласно ГОСТ 24481-80 и ГОСТ 3351-74[16].

Роль и свойства воды в объектах хлебопекарного производства

Мука представляет собой многокомпонентную систему, теплофизические свойства которой во многом определяются влажностью. Базисной влажностью муки является 14,5%, что соответствует равновесной влажности при хранении муки в складах при температуре 18°С и относительной влажности воздуха 70%.

Вода играет важную роль на всех стадиях технологического процесса, определяя свойства полуфабрикатов, степень интенсивности комплекса процессов их созревания. Образование из муки и воды теста является процессом пластификации сухих, твердых гидрофильных химических соединений зерна, в котором вода выступает веществом, «расклинивающим», ослабляющим и разрушающим внутренние связи между молекулами и агрегатами с последующей заменой их водородными связями.

Влагу коллоидных капиллярно-пористых тел, к которым относится мука, тесто и хлеб в зависимости от величины энергии связи можно разделить на четыре вида: химически связанная, адсорбционно-связанная, капиллярно-связанная и осмотически удерживаемая.

Химически связанная вода обладает высокой энергией связи со структурными компонентами. Она представлена в виде гидроксильных групп, образующихся в результате химической реакции - гидратации.

Адсорбционное связывание влаги обусловлено полярным взаимодействием молекул воды с макрочастицами белков и крахмала теста. Полярность воды проявляется несимметричным расположением в ее молекуле кислорода и двух атомов водорода, каждый из которых сохраняет положительный заряд. Атом кислорода, удерживая два слабых отрицательных заряда, притягивает атомы водорода соседних молекул воды. Возникающие водородные связи образуют соединения воды с другими заряженными частицами теста, например, с атомами азота или кислорода молекул белка или крахмала, в результате чего коллоидные частицы покрываются полимолекулярным силовым полем по лиофильным группам у поверхности раздела частиц-мицелл с окружающей средой. Эта жидкость входит в общее количество влаги набухания и называется связанной влагой.

Поверхностные слои коллоидных частиц, обладая свободной потенциальной энергией, при контакте с водой адсорбируют ее, выделяя при этом тепло, образовавшееся в результате перехода потенциальной энергии в тепловую. Такой процесс поглощения влаги называется гидратацией, а выделяющаяся энергия - теплотой гидратации.

Поверхность коллоидных тел адсорбирует влагу в виде жидкости и пара. Водяной пар при адсорбционном поглощении сжимается и превращается в жидкость, причем процесс адсорбционного поглощения происходит не только во внешних, но и на внутренних поверхностях. Количество влаги, поглощаемой таким образом, находится в обратной зависимости от исходной влажности коллоидного материала. Следовательно, гидратация - это процесс присоединения адсорбционной влаги. Влага в адсорбционном слое находится в уплотненном состоянии, она не является растворителем, имеет плотность больше единицы, ее диэлектрическая постоянная меньше, чем у свободной влаги. Достигнув предела гидратационного поглощения влаги, коллоидные тела продолжают процесс присоединения влаги, но уже под влиянием не полярных сил, а осмотического давления.

Осмотическое поглощение влаги вызывается наличием внутри коллоидной частицы водорастворимых веществ. Разность концентраций на границе дисперсных фаз создает разность осмотического давления, под воздействием которого влага проникает внутрь коллоидной частицы. Поглощение влаги таким путем называется сорбцией или набуханием. Сорбционная влага состоит из влаги осмотической и иммобилизованной, то есть захваченной структурой, образующей вместе с адсорбционной влагой сольватную оболочку вокруг частицы.

Поглощение влаги набухания происходит без выделения тепла и концентрации, но вызывает увеличение объема и изменяет давление набухания. Помимо адсорбционно и осмотически поглощенной влаги в коллоидных капиллярно-пористых материалах может находиться капиллярная влага, удерживаемая силами макро- и микрокапилляров. Вода, удерживаемая этими силами, обладает незначительной энергией связи с материалом, обусловливаемой силами поверхностного натяжения. Этот вид воды называется свободной влагой. В гидролитических процессах, протекающих в тесте и хлебе, участвует вода, способная вступать в химические реакции, то есть свободная.

В пшеничном тесте нормальной консистенции содержится около 0,19 г связанной воды на 1 г с. в., что соответствует 35% массы воды, находящейся в тесте. Свободная вода появляется при влажности водно-мучной смеси 24%, увеличение влажности до 59,5% не приводит к увеличению содержания связанной в нем воды. В тесте из пшеничной муки около 65% воды находится в свободном состоянии и участвует в биохимических реакциях [15].

Вода как компонент теста

Вода является одним из основных ингредиентов теста. Соотношение воды и муки оказывает существенное влияние на основные свойства теста (вязкость, пластичность, растяжимость, упругость и т. д.) и, в конечном итоге, на качество хлеба [15].

Влажность хлебобулочных изделий определяет количество воды в тесте. Наименьшую влажность имеет тесто для бараночных изделий (28-36%), наибольшую - для формового хлеба из пшеничной обойной муки (48,0%). Количество воды, расходуемой на замес теста, обычно составляет величину большую, чем влажность хлеба, на 0,5-1,0% [15].

Водопоглотительная способность муки (ВПС) является важнейшим показателем, от которого зависят свойства теста, ход технологического процесса, качество хлеба, выход готовой продукции, технико-экономические показатели производства. Водопоглотительную способность муки определяют с использованием фаринографа, валориграфа и других приборов.

Водопоглотительную способность муки определяют отношением количества воды, поглощаемой мукой с учетом ее расчетной влажности при условии получения теста требуемой консистенции (500 единиц фаринографа).

ВПС муки зависит от количества поглощаемой воды отдельными компонентами (таблица 1).

Таблица 1 - Распределение поглощаемой воды между компонентами теста из пшеничной муки

Наименование компонента

Количество в 100 г муки, г

Количество поглощаемой муки

Степень распределения, %



г/г

г/100 г муки


Крахмал:

68




нативный

58,8

0,44

25,9

26,7

поврежденный

9,2

2,00

18,4

20,0

Клейковина

14

2,15

30,1

31,1

Пентозаны

1,5

15,0

22,5

23,2


Приведенные данные показывают повышенную водопоглотительную способность поврежденного крахмала муки по сравнению с неповрежденными зернами.

Высокой водопоглотительной способностью обладают пентозаны.

Исследования большого количества проб пшеничной муки с различным содержанием белка показали различную способность муки поглощать воду в процессе замеса - величины водопоглотительной способности были в пределах от 47 до 59%. Установлена функциональная зависимость между содержанием белка, количеством поврежденных зерен крахмала и водопоглотительной способностью муки (Н. П. Козьмина) [15].

Количество воды в пшеничном тесте зависит от ряда факторов.

Вид изделий в значительной мере определяет количество воды в тесте. Для каждого вида хлебных изделий стандартом установлена предельно допустимая влажность мякиша или целого изделия. Норма предельно допустимой влажности данного изделия определяет и максимальную влажность теста, а в связи с этим (с учетом рецептуры теста и влажности муки) и количество воды, добавляемое на 100 кг муки.

Наименьшую влажность имеет тесто для бараночных изделий, наибольшую - для формового хлеба из обойной муки.

Выход муки также влияет на количество воды в тесте. Чем выше выход муки, тем больше воды может содержаться в тесте. Обусловлено это тем, что частицы оболочек зерна, содержащиеся в муке высоких выходов, обладают способностью связывать воду в большем количестве, чем частицы эндосперма.

Влажность муки влияет на соотношение муки и воды в тесте: чем суше мука, тем больше воды она может поглотить при замесе. Поэтому нормы выхода хлеба устанавливаются на муку с определенной «базисной» влажностью (14,5%) и соответственно корректируются при выработке хлеба из муки с меньшей или большей влажностью.

Однако опыт работы промышленности и исследования, проведенные во ВНИИХПе, показали, что чисто арифметический подход к корректировке норм выхода хлеба (исходя из содержания в муке сухого вещества) не отражает действительного влияния фактора влажности муки. Можно считать установленным, что при очень низкой влажности муки (примерно 10-13%) для получения теста с нормальными реологическими свойствами и хлеба хорошего качества приходится при замесе добавлять воды меньше, чем следовало бы добавить по расчету, исходя из содержания сухого вещества в муке и другом сырье.

В связи с этим корректировка выхода хлеба в зависимости от влажности муки сейчас производится только при влажности муки выше 12%. Мука влажностью ниже 12% при расчетах выхода приравнивается к муке влажностью 12%.

Количество сахара и жира, добавляемых в тесто по рецептуре, существенно влияет на количество воды, которое следует добавлять при замесе теста. Чем больше в тесте сахара и жиров, тем соответственно меньше требуется воды.

При добавлении в тесто сахара, содержащего всего лишь десятые доли процента влаги, и, следовательно, более «сухого» чем мука, тесто все же как бы разжижается и в результате этого снижается количество воды, которое нужно было бы добавить для получения теста нормальной консистенции. Дегидратирующее действие сахароз приводит к разжижению теста вследствие того, что количество воды, осмотически связанной белками в тесте, при добавлении сахаров уменьшается, поэтому содержание жидкой фазы теста увеличивается и тесто становится более «жидким».

Дегидратирующее действие сахара на коллоиды теста было экспериментально показано А.Г. Кульманом на примерах снижения водоудерживающей способности муки, тем большего, чем выше была концентрация сахаров (глюкозы, мальтозы и сахарозы).

Внесение в тесто жира также несколько разжижает его. Поэтому при внесении в тесто значительных количеств сахара и жиров приходится соответственно сокращать количество воды, добавляемой при замесе.

Если в рецептуру теста входит молоко, содержащее около 88% воды, или яйца, количество воды в тесте также приходится соответственно сокращать.

Сила муки обусловливает реологические свойства теста из нее. Поэтому чем сильнее пшеничная мука, тем относительно выше количество воды, которое следовало бы вносить в тесто для получения хлеба с наибольшим объемом и лучшей пористостью.

При переработке слабой муки свойства теста в период брожения сильно ухудшаются. Тесто разжижается и становится липким, что затрудняет или даже делает практически невозможным прохождение кусков теста через округлительные и закаточные машины. При расстойке тестовые заготовки очень быстро и сильно расплываются.

В связи с этим количество воды, вносимой в тесто из слабой муки, приходится снижать, и тесто готовят с влажностью, часто даже меньшей, чем это допустимо с точки зрения норм влажности мякиша данного сорта изделий. Это, естественно, влечет за собой снижение выхода изделий и ухудшение экономических показателей их производства [14].

На количество воды в тесте влияют также способы приготовления теста, технологические режимы, применение улучшителей и другие факторы.

Так, применение интенсивного замеса или усиленной механической обработки теста повышает водопоглотительную способность муки вследствие, вероятно, перераспределения воды между белковыми веществами и крахмалом. При использовании заварок повышается водопоглотительная способность теста в связи с увеличением связывания воды клейстеризованным крахмалом.

Пищевые добавки-улучшители влияют на реологические свойства теста. При интенсификации окислительных процессов в тесте в результате действия определенных улучшителей водопоглотительная способность теста повышается.

Внесение воды в тесто имеет важное значение для процессов, происходящих на всех стадиях приготовления хлеба. При участии воды осуществляется сложный комплекс биохимических реакций.

От количества воды зависят процессы жизнедеятельности дрожжей и других микроорганизмов, скорость их размножения, интенсивность спиртового и молочнокислого брожения.

Протекание коллоидных процессов набухания и пептизации белковых веществ также определяется соотношением свободной и связанной воды в тесте [15]. Увеличение количества воды в тесте ускоряет действие ферментов в нем [14].

Учитывая важную технологическую роль влажности полуфабрикатов, ее включают в комплекс контролируемых показателей их качества.

Вода с рН выше 8 из-за большего содержания в ней щелочных солей нейтрализует кислоты, образующиеся при брожении, и негативно влияет на жизнедеятельность дрожжей.

Для исключения влияния воды различного минерального состава на свойства теста перспективным является проведение стабилизации свойств воды перед использованием путем введения в нее определенных минеральных солей (В. И. Корчагин, 2000) [15].

В связи с этим влажность теста необходимо систематически контролировать. Значение этого контроля подчеркивается тем, что влажность теста фактически предопределяет влажность мякиша хлеба, регламентируемую стандартом [14].

Физико-химические и коллоидные процессы при замесе теста

Формирование теста как единой системы из разрозненных рецептурных ингредиентов и придание ему определенных реологических свойств, обеспечивающих оптимальное протекание комплекса процессов на всех стадиях приготовления хлеба, происходит на стадии замеса теста.

Свойства полидисперсной системы - теста - определяются свойствами дисперсных частиц и их взаимодействием в водной среде. Свойства трехмерной структуры биополимеров как основных структурных компонентов теста обусловливаются их химическим составом и строением макромолекул, а также определяют механизм их взаимодействий при образовании сложных полидисперсных систем.

На начальном этапе формирования теста агрегаты мучных частиц образуют единственную дисперсную фазу. Механическое воздействие в этом случае приводит к ускоренному смачиванию мучных частиц и образованию исходной дисперсной системы коагуляционного типа. В водной среде мучные частицы стремятся уменьшить свободную поверхностную энергию притяжением и достройкой за счет молекул воды. Таким образом, вокруг частиц образуется моно- или полимолекулярный слой дисперсной среды, называемый сольватной оболочкой. Эта оболочка препятствует непосредственному контакту мучных частиц, приводит к образованию устойчивой системы частиц.

Разрушение мучных частиц происходит вследствие растворения водорастворимых компонентов мучного агрегата. На начальной стадии этот процесс преобладает над прочими процессами разрушения, поскольку при гидратации муки в процессе приготовления теста имеет место конкурентная борьба за растворитель - воду, в которой наиболее активны водорастворимые соединения.

Макромолекулы белков, углеводов и других высокомолекулярных веществ, объединяющих полярные и неполярные атомные группы, различаются по удельному содержанию этих групп. Преобладание неполярных групп приводит к проявлению биополимером гидрофобных свойств, обусловливающих сопротивление растворимости. Обратное соотношение определяет растворимость биополимеров с преобладанием полярных функциональных групп.

Механизм растворения биополимеров можно трактовать как конкурентную борьбу адгезии и когезии. При преобладании энергии адгезии дисперсной системы вещества переходят в раствор. Если преобладает энергия когезии между компонентами частиц дисперсной фазы, то материал либо набухает, гидрофильно связав воду, либо распадется на отдельные группы макромолекул.

Фактором, обусловливающим разрушение мучных частиц, является также диффузия молекул воды вглубь этих частиц. Растворимые компоненты набухают из-за наличия в их сложных мицеллах остатков растворимых низкомолекулярных фракций, а также гидрофильных ядер.

Дальнейшее формирование теста связывается с непрерывным развитием кристаллизационной структуры на фоне коагуляционной.

Структурообразование в дисперсной системе рассматриваемого типа происходит за счет механизма образования двойных спиралей. При этом образуется обширная трехмерная структура, являющаяся следствием водородных связей между регулярными участками различных макромолекул.

Образование непрерывной сетки клейковинных белков связано с возникновением мицеллярных структур, которое происходит в два этапа: самоорганизация коагуляционной структуры в псевдокристаллическую и образование прочных связей гидрофобной или адгезионной природы на участках контакта мицелл.

Таким образом, замешивание теста следует рассматривать как образование трехмерной структуры. Однако, механическое воздействие инициирует наряду с процессами структурообразования протекание обратных процессов - образование золевых растворов. В зависимости от режимов замеса, определяемых многообразием факторов (свойств сырья, влажности теста, его рецептуры, наличия добавок различного принципа действия и других) устанавливаются оптимальные свойства теста, учитывающие динамическое равновесие коагуляционно-кристаллизационной структуры теста, которое определяет в конечном итоге качество готовой продукции [15].

Влага при выпечке и очерствении хлеба

Выпечка - это постепенный прогрев расстоявшихся тесовых заготовок при радиационно-конвективном подводе теплоты. В печи их объем увеличивается до постоянного - на поверхности образуется прочная корочка. Ее окраска и толщина во время выпечки постоянно меняются. Происходит упрочнение мякиша и образование структуры, характерной для готового хлеба. Распространение теплоты идет от корки к внутренним слоям теста.

Процесс выпечки может быть разбит на три зоны:

I - увлажнение,

II - основная выпечка,

III - допекание.

Они характеризуются температурой и относительной влажностью среды пекарной камеры соответственно: t = 100-120°С, φ = 60-70%, t = 200-260°С, φ = 0%, t = 160-180°С, φ = 0%. Тестовые заготовки, поступая в пекарную камеру, попадают в увлажненную зону, влагообмен в этой зоне происходит в силу того, что температура тестовых заготовок 29 - 30°С (ниже точки росы), поэтому влага конденсируется на поверхности и частично поглощается тестовыми заготовками, масса которых при этом увеличивается на 1 - 1,3%.

Этот процесс имеет большое технологическое значение. Если влаги в первой зоне пекарной камеры мало, то интенсивно образуется корка, а объем тестовых заготовок продолжает расти. При этом на поверхности образуются подрывы. Иногда бесконтрольно увеличивают объем пара, подаваемого в первую зону печи. При этом корка получается тонкой и при хранении морщится и ломается.

Увлажнение тестовых заготовок должно происходить не более 2-3, максимум 5 мин., причем каждому виду изделий соответствует своя степень увлажнения. Сорбция влаги тестовыми заготовками зависит от температуры и степени увлажнения пекарной камеры, свойств тестовых заготовок и т.д.

После прогрева тестовых заготовок до 100°С происходит постепенное испарение влаги с поверхности до тех пор, пока влажность корки не будет равна 0. корка имеет низкую влаго- и теплопроводность, следовательно, необходимо повышать температуру, когда тестовые заготовки поступают во II зону выпечки.

Во II зоне выпечки температура пекарной камеры повышается от 100°С до 200-260°С, корка стабилизируется, прогрев идет от поверхности к центру. Когда влажность корки станет равной 0, нарушается равновесие между наружными и внутренними слоями. За счет диффузии влага начинает мигрировать от центра к периферийным слоям.

Но низкая влаго- и теплопроводность корки оказывает сопротивление этому перемещению. В это время от периферии к центру влага будет перемещаться под напором температурного градиента (явление термовлагопроводности). Так как разность температур значительна, перемещение влаги к центру происходит интенсивнее. Поэтому в центральной части хлеба влажность на 2-3% больше начальной. Во II зоне перенос массы влаги термовлагопроводностью больше, чем за счет диффузии. После образования корки испарение перемещается в подкорковое пространство и медленно углубляется к центру.

В отличие от II зоны, III зона характеризуется более низкой температурой. Перемещение влаги за счет диффузии и термовлагопроводности выравнивается, подкорковый слой имеет температуру до 100°С, а центр хлеба 98-99°С.

При повышении температуры тестовых заготовок активизируются процессы, протекающие в тестовых заготовках. Например, дрожжи начинают интенсивно сбраживать сахара, оставшиеся на начало выпечки, количество СО2 увеличивается, следовательно, увеличивается объем тестовых заготовок. Это продолжается только до 40-45°С, после чего активность бродильной микрофлоры снижается. При 50-55°С прекращается жизнь термофильных бактерий и рост объема.

Гидролиз части крахмала и белков под действием амилолитических и протеолитических ферментов увеличивается. Декстрины, образовавшиеся при гидролизе крахмала на поверхности тестовых заготовок, растворяются в конденсате, способствуя образованию глянца корки. Кода температура корки достигает 100°С, начинают развиваться окислительно-восстановительные реакции между сахарами, кислотами и белками. В результате интенсивно протекает реакция меланоидинообразования, придающая корке окраску, аромат и вкус.

При приготовлении теста белки интенсивно поглощают влагу, примерно в 2 раза больше собственной массы. После посадки тестовых заготовок в печь при достижении 45-50°С белки начинают денатурироваться, при этом выделяется влага. Денатурация белков прекращается при 60-65°С. Крахмал поглощает теряемую белками влагу, за счет чего набухает и при 68-72°С клейстеризуется. Но для полной клейстеризации не хватает воды, которой нужно в 2-3 раза больше, чем есть в тесте. Такая ограниченная клейстеризация крахмала протекает до конца выпечки.

Денатурация белков и клейстеризация крахмала приводит к образованию мякиша хлеба. После посадки тестовых заготовок в печь их объем быстро увеличивается примерно на 10-30%, чему способствует эластичность корки. Роль корки заключается в том, что она служит препятствием для удаления СО2 и проникновения микроорганизмов при хранении.

Одним из основных показателей, по которому потребитель оценивает качество хлеба - является степень его свежести или черствости, сжимаемость мякиша.

Черствение хлеба определяют по изменениям структурно-механических свойств мякиша и корки, которая теряет твердость и блеск, принимая влагу из мякиша и окружающего воздуха.

Черствение хлеба сопровождается изменением гидрофильных свойств мякиша: резко снижается его способность к набуханию и поглощению воды, уменьшается содержание связанной воды. В черством хлебе очень мала способность коллоидов и других веществ мякиша переходить в водный раствор, снижена растворимость крахмала мякиша в воде [17].

Таким образом, черствение при хранении хлебобулочных изделий вызывается в основном изменением структуры крахмала. Клейстеризованный в процессе выпечки крахмал с течением времени выделяет поглощенную им влагу и переходит в прежнее состояние, характерное для крахмала муки. Крахмальные зерна при этом уплотняются и значительно уменьшаются в объеме, между ними образуются воздушные прослойки. Поэтому черствеющий мякиш становится крошковатым. Свободная влага, выделенная крахмалом, при черствении изделия впитывается белками и частично испаряется, а также остается в образовавшихся воздушных прослойках.

Следовательно, черствение - это процесс ретроградации крахмала, т.е. переход крахмала из аморфного состояния, в котором он находился в горячем изделии, в кристаллическое, идентичное тому состоянию, в котором крахмал находился в тестовой заготовке перед выпечкой [16].

Изменение физических свойств мякиша связано с состоянием не только крахмала, но и белковых веществ. Клейковина в процессе черствения хлеба не является инертной: она прочнее, чем крахмал, связывает влагу, а следовательно, и труднее выделяет ее.

Процессу черствения хлеба сопутствуют изменения в белковой части мякиша, приводящие к уплотнению его структуры и снижению гидратационной способности. Однако эти изменения происходят в 4-6 раз медленнее по сравнению со скоростью старения крахмала, которого в 5-7 раз больше, чем белка. Поэтому можно считать, что в процессе черствения хлеба основную роль играют изменения крахмала мякиша [17].

1.3 Обработка воды методом плазмохимической активации

Плазмохимическая технология основана на использовании низкотемпературной плазмы, по крайней мере, на одной из стадий технологического процесса.

В плазмохимической технологии различают два принципиально различных направления, в соответствии с тем, что плазма при данном давлении может быть квазиравновесной, т. е. характеризуется максвелл-больцмановским распределением частиц по энергиям и единой для всех частиц температурой, и неравновесной, описываемой несколькими температурами для частиц разной массы или для разных типов их движения.

Квазиравновесные плазмохимические процессы реализуют при температурах 3000-10000 К и давлениях порядка атмосферного (или выше). В этих условиях резко возрастает скорость химических превращений по сравнению с традиционными технологиями; высокая удельная энергия плазмы позволяет перерабатывать широкодоступное малоценное или неустойчивое по составу сырье, невыгодное при традиционных технологиях. Высокие скорости плазмохимических процессов (их времена от 0,1 до 10 мс) позволяют существенно миниатюризировать оборудование. Как правило, такие процессы легко управляются и оптимизируются.

Использование неравновесных плазмохимических процессов основано главным образом на инициировании химических взаимодействий электронами высоких энергий при сравнительно низких (до 30 кПа) давлениях. Это позволяет осуществлять газофазные синтезы с более высоким выходом, меньшими удельными затратами энергии, сокращать число стадий процесса по сравнению с традиционными технологиями, применять плазму для эффективной обработки и модифицирования поверхностей материалов и изделий, получения и нанесения тонких пленок органических и неорганических веществ.

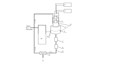
Плазмотрон - газоразрядное устройство для получения плазмы. В крупнотоннажных производствах используют в основном электродуговые генераторы плазмы постоянного или переменного тока промышленной частоты (рис. 2). Их мощность достигает 10 МВт, тепловой кпд (отношение количества энергии, уносимой в единицу времени газом из плазмотрона, к мощности электрической дуги) составляет 85% при ресурсе работы порядка 250 ч. В промышленных условиях в качестве плазмообразующих газов применяют воздух, азот, водород, углекислый газ; в лабораторных условиях также аргон, другие инертные газы.

Рисунок 2 - Схема электродугового плазмотрона постоянного тока с фиксированной длиной дуги, стабилизированной вихревым потоком плазмообразующего газа: 1 - электроды; 2 - вход плазмообразующего газа; 3 - столб дуги; 4 - катушка электромагнитов; 5 - поток плазмы

Генерируемые в электродуговых плазмотронах потоки плазмы турбулентны и характеризуются неоднородными распределениями осредненных значений температуры и скорости. В тех производствах, где недопустимо наличие в плазме материалов эрозии электродов, используют безэлектродные плазмотроны (высокочастотные индукционные и емкостные, СВЧ). [21,22,23,24]

Из теории понятно, что разрядные технологии могут неплохо очищать воду от тяжелых металлов, которые в результате воздействия плазмы переходят в легкоосаждаемые нерастворимые соединения.

В Днепропетровске была создана установка (до промышленной версии тогда дело так и не дошло), в которой тонкая пленка воды стекала под небольшим наклоном по катоду, над ней «светили» точечными разрядами многочисленные аноды, поддерживая тлеющий разряд наподобие того, который происходит в бытовой ртутной лампе.

Параллельно шли работы по изучению полученной в результате очистки воды. Тогда стало понятно, что плазма уничтожает большинство микробов и вирусов. Результаты плазменной обработки были впечатляющими: количество радионуклидов после очистки плазмой уменьшалось в жидкостях на порядок, а уровень радиоактивности - в 300 раз.

А что будет, если в экспериментальной установке обработать плазмой при разных параметрах подаваемых разрядов не грязную, а чистую воду. Выяснилось, что обработанная вода меняет свои свойства и приобретает ярко выраженные антибактерицидные качества, мало того: активированная плазмой вода быстро заживляла раны и язвы, стало понятно, что технология плазменной обработки подходит для очистки разных типов воды, и не только для очистки. К тому же уже сейчас понятно, что у предлагаемой российской компанией технологии есть ряд серьезных преимуществ - воздействие на водный раствор осуществляется всеми составляющими плазмы газового разряда: ИК-излучением, излучением в видимом спектре, ультрафиолетом и ударными импульсами разряда, а у американской компании - только СВЧ-излучением. Энергопотребление при таком разряде отличается от показателей других разрядов. Токи разрядника (разработчики называют его предионизирующим разрядом), которым подогревают основной разряд, составляют миллиамперы, но этот «слабый» разряд создает дополнительную ионизацию, которую потом работающий тлеющий разряд использует на полную катушку.

Все чудеса, по словам авторов проекта, возникают в приграничном слое вода-плазма, где создается газовая среда. Именно здесь происходят очень высокие скачки напряжения - в долях миллиметра в тысячу вольт, которые и влияют на важные изменения в обрабатываемой жидкости [18].

1.4 Физико-химические процессы при обработке водных растворов низкотемпературной плазмой газового разряда

Возможность осуществления химических превращений под действием электрического разряда была обнаружена почти сто лет назад. Было установлено, что выход реакции превышает фарадеевский (т.е. при прохождении в цепи одного электрона происходит больше одного акта химических превращений). Однако использование электрического разряда не нашло применения для непосредственного осуществления химических реакций, в связи с высокими энергетическими затратами и неэкономичностью. В последнее время интерес к электрическому разряду снова начал возрастать, так как было накоплено много новых данных по свойствам активных частиц, образующихся в плазме газового разряда, что открывает новые подходы к наблюдавшимся ранее явлениям и дает надежду на их практическое применение [31].

Взаимодействия газового разряда с растворами может быть осуществлено следующими способами [32]: импульсный пробой жидкой фазы, контактирующий с жидкостью разряд между расположенными в газовой фазе электродами, стационарный или квазистационарный разряд, в котором роль одного или обоих электродов выполняет раствор электролита.

В первом случае в результате пробоя возникает канал плазмы в парах обрабатываемой жидкости, в котором образование активных частиц происходит за счет электронов, ускоряемых полями характерными для импульсных разрядов.

Во втором случае, те частицы, которые образуются в плазме, диффундируют к границе раздела фаз и вызывают химические превращения в растворе.

В третьем случае ток разряда проходит через электролит, изменяя свойства границы раздела фаз плазма - жидкость. При этом плазма может создаваться в исходном плазмообразующем газе, содержащем пары растворителя или паровой оболочке, возникающей внутри жидкой фазы вследствие перегревной неустойчивости.

На границах раздела плазма - раствор происходит образование так называемых скачков потенциала. Вследствие чего происходит перенос из раствора в плазму нейтральных и заряженных частиц. Действие разряда на растворы электролитов приводит к диссоциации молекул растворителя. Бомбардировка поверхности раствора ионами, ускоренными в области приповерхностного скачка потенциала, вызывает образование химически активных частиц по механизму, сходному с радиационно-химическим [32]. В случае водных растворов в первую очередь образуются радикалы Н, ОН и сольватированные электроны. Ионы, выходящие из зоны плазмы, могут вступать во взаимодействие с молекулами растворителя, рекомбинировать и также образовывать радикалы. Кроме того, источником химической активации является и зона плазмы положительного столба разряда над pacтвором [32]. То есть, эффективность активации химических процессов в растворах под действием разряда определяются двумя факторами - бомбардировкой раствора ионами, ускоренными в области катодного падения потенциала и образования химически активных частиц в зоне плазмы над раствором.

Процессы окисления.

Окисление как органических, так и неорганических примесей, содержащихся в воде, возможно благодаря наличию в системе частиц-окислителей, таких как: радикал ОН и перекись водорода.

Окислители вступают во взаимодействие с молекулами примесей или продуктами их диссоциации с протекaнием окислительно-восстановительной реакции. При этом происходит глубокое окисление органических соединений с их деструкцией. Неорганические ионы иногда окисляются до высших степеней окисления. Окисление протекает геометрически неоднородно по реакционному объему - и глубина и интенсивность его уменьшаются по мере удаления от поверхности раздела фаз, что объясняется уменьшением концентрации окислителей из-за нестабильности частиц, а также из-за того, что процесс образования окислителей протекает преимущественно на границе раздела фаз.

Исследования показали, что время существования большинства реакционных частиц мало и измеряется долями секунды. При этом необходимо отметить, что время существования продуктов взаимодействия этих частиц с молекулами воды значительно выше.

Процесс окисления интенсифицируется регулированием рН - чем ниже он, тем больше потенциал окисления.

Выход окисления по неорганическим ионам повышается с добавкой инертных солей (сульфаты калия, натрия, аммония, магния, цинка, алюминия).

Также имеется указaние [32] на то, что насыщение раствора молекулярным кислородом не оказывает влияние на процесс. Главными продуктами окисления ионов аммония являются, при расположении анода в газовой фазе, гидразин, гидроксиламин, нитрит-ион.

При расположении анода в жидкой фазе образования пероксида водорода и гидразина не наблюдалось.

Образование нитрат-иона не наблюдалось ни в первом, ни во втором случае. В обоих случаях, газообразные продукты - азот и водород.

Процессы восстановления.

Катодные процессы можно охарактеризовать как восстановительные. Так при обработке разрядом соединений шестивалентного хрома происходит восстановление его до трехвалентного. Ионы серебра восстанавливаются до металлического состояния.

На процесс восстановления в этом случае предположительно оказывает влияние УФ-излучение.

Имеет место и электрохимическое восстановление.

В средах с рН выше 7 имеет место восстановление следующими восстановителями: 1) гидратированный электрон, 2) перекись водорода. При рН ниже 7 процесс инициируeтcя атомом водорода.

Процессу восстановления способствует перенос катода из электролита в газовую фазу. Катодное восстановление (катодное осаждение) происходит на границе раздела фаз раствор - плазма, в зоне анодного пятна. Исследования показали, что металлы, как правило, осаждаются не в чистом виде, а в виде оксидов. Восстановление хлоратов и броматов калия в нейтральном растворе идет до хлорид- и бромид - ионов, соответственно. Соединения шестивалентного хрома практически полностью восстанавливаются до трехвалентного хрома.

Процессы облучения.

Как показали исследования, существенное влияние на ход обработки воды оказывает:

·   УФ-излучение, возникающее в условиях разряда. Излучение восстанавливает соединения. Так, например, ионы серебра восстанавливаются до металлического состояния. Эффективность воздействия уменьшаeтcя по мере удаления реакционной зоны от разряда. Облучение наиболее эффективно влияет на процесс обеззараживания воды.

·        Радиочастотное излучение плазмы газового разряда. Это излучение оказывает серьёзное влияние на химические превращения в обрабатываемом растворе, а при модуляции более низкими частотами (десятки кГц), когда обеспечивается создание условий для параметрического взаимодействия в системе «раствор-плазма», и к структурным изменениям в растворе.

Процессы адсорбции.

При обработке жидкости разрядом низкoтемпературной плазмы имеет место также и явление адсорбции. Адсорбция обусловлена способностью осаждённых гидроксидов металлов, в особенности железа и алюминия, адсорбировать на своей поверхности различные частицы.

Образованию оксоколлекторных адсорбентов в частности, можно придать огромную роль при очистке oт радиoaктивных элементов, очистка при этом достигает большой эффективности. В ряде случаев их концентрация так низка, что не позволяет предположить очистку по механизму осаждения.

Имеются данные, указывающие, что адсорбция имеет место при осаждении металлов, в частности гидроксидов железа и алюминия, кoтoрые эффективно адсорбируют ионы мышьякa, селена, олова и т.д. Гидроксид магния является очень хорошим адсорбентом для анионов фтopа.

Помимо процесса адсорбции имеет место процесс соосаждения.

Эффективность процесса адсорбции и соосаждения увеличивается при уменьшении температуры.

Имеются данные, что адсорбции способствуют более низкие значения рН.

Процессы коагуляции.

При процессе обрабoтке вод содержащих в качестве примесей ионы железа и алюминия, огромную роль на эффективность очистки оказывают процессы коaгyляции.

Процесс коaгyляции способствует удалению из воды грубодисперсных и коллоидных примесей, таких как грубодисперсные (взвешенные) глинистые, кварцевые, известковые, гипсовые частицы, вещества живoтного и растительного происхождения, а также коллоидных - глин, соединений кремния и железа, серы, продуктов жизнедеятельности и распада микроорганизмов, гумусовых веществ.

Процесс коагуляции в основном влияет на освобождение воды от придающих ей мутность и окраску примесей.

Растворимoсть гидроксидов алюминия мала, они выделяются из раствора, образуя коллоидные частички, кoторые под влиянием находящихся в воде электролитов коaгyлируют, т.е. укрyпняются вследствие взаимного слипания. В результате этого образуются более или менее крупные хлопья, выпадающие в осадок вместе с коллоидами и тонкодисперсными взвесями, загрязняющими воду.

Слeдyeт отметить, что процесс удаления примесей по механизму коагуляции, при обрабoтке воды разрядами низкотемпературной плазмы, на несколько порядков эффективнее, чем коaгyляция классическим методом.

При наложении электрического поля на дисперсную систему, коагулирующую под влиянием электролитов, происходит ускорение кoaгyляции.

В поле постоянного тока ускоряются, например, процессы хлопьеобразования и осаждения коагулированных примесей.

Плазменное воздействие на растворы позволяет инициировать как гомогенные, так и гетерогенные процессы, представляющие практический интерес. Большое количество исследований посвящено проблеме очистки и обеззараживания воды с помощью различных типов газовых разрядов. Предполагается, что обеззараживающее действие импульсного электрического разряда в воде связано с несколькими факторами влияния на микроорганизмы. Под действием свободных атомов и радикалов происходит распад аминокислот и белка, деполяризация нуклеиновых кислот, расщепление других биологически активных веществ.

Кроме этого, непосредственное действие на микроорганизмы оказываает ударная волна и ультрафиолетовое излучение разряда в жидкости. Обеззараживающее действие продолжается длительное время после прекращения разрядной обработки (сутки, недели и более), что вызвано действием продуктов разложения микроорганизмов в активной фазе процесса.

Описание экспериментальной установки активации воды плазмой газового разряда

Активация воды плазмой газового разряда для целей настоящих исследований осуществлялась на установке плазменной активации водных растворов [33]. Схема экспериментальной установки приведена ниже на рисунке 3.

Рисунок 3 - Схема экспериментальной установки

- реактор;

- система ЭП, контроля и управления;

- система охлаждения анода;

- коллектор с форсунками;

- анод;

- резервуар для сбора активированной воды;

- насос для откачки активированной воды из резервуара;

- фильтр;

- трехходовой кран;

- вакуумная система;

-датчики контроля температуры;

-датчик давления;

-трубопровод.

Структурная схема установки плазменной активации приведена в таблице 2.

Таблица 2 - Структурная схема установки плазменной активации

Система электропитания, контроля, управления

Система вакуумирования

Гидравлическая система

Реактор

Блок электропитания и управления поджигом

Водяной насос

Реакторная камера

Блок электропитания и управления рабочим разрядом на электроде

Датчики давления

ЭМ клапаны

Коллектор с форсунками

Контроллер

Дренажный клапан

Бак накопитель

Секционный анод


Трубопроводы

Трубопроводы

Система охлаждения


1) Система электропитания, контроля, управления (Система ЭКУ) предназначена для обеспечения энергоснабжения и управления электрическими параметрами установки обработки водных растворов плазмой газового разряда, а именно:

·      является источником питания по рабочим импульсам тока с функцией формирования импульсов заданной частоты и коэффициентом заполнения, и функцией ограничения тока;

·        является источником питания по предионизирующему напряжению с функцией формирования импульсов предварительной ионизации с заданной частотой ;

·        обеспечивает возможность установки, регулировки, индикации и контроля электрических параметров функционирования установки, по рабочему току: значения среднего тока (с функцией ограничения по току), частоты рабочих импульсов, коэффициента заполнения; по предионизирующему напряжению: частоты импульсов.

Система ЭКУ обеспечивает энергопитание плазмохимического реактора установки с шестью анодами с попарным питанием анодов (три пары).

2) Система вакуумирования предназначена для создания и поддержания в реакторной камере постоянного задаваемого пониженного давления в рабочем диапазоне 20-50 тор, а также обеспечивает измерение давления и контроль за величиной давления в камере.

3) Гидравлическая система предназначена для обеспечения циркуляции активируемой воды в установке (в том числе в циклическом режиме) с необходимым избыточным давлением 2.5-3 атмосферы, откачку активированной воды из вакуумируемой зоны.

4) Реактор - плазмохимический реактор предназначен для воздействия на активируемую воду плазмой несамостоятельного тлеющего разряда.

Газовый разряд создаётся в условиях относительного вакуума в остатках воздуха и парах воды между катодом, которым являются стенки цилиндрической камеры реактора, и шестисекционным анодом.

Активируемая вода подаётся в реактор под давлением через коллектор с форсунками, которые формируют на внутренней стенке реактора (поверхности анода) тонкую турбулентную плёнку из обрабатываемой плазмой воды, которая стекает по стенке реакторной камеры сквозь газовый разряд. Анод реактора постоянно охлаждается циркулирующим в системе охлаждения реактора маслом.

На фото 4 изображена экспериментальная установка плазменной активации, а на фото 5 газовый разряд в камере плазмохимического реактора, сфотографированный через прозрачную кварцевую крышку экспериментального реактора.

Фото 4 - Внешний вид установки плазменной активации воды

Фото 5 - Газовый разряд в камере плазмохимического реактора

Метод активации воды и водных растворов плазмой газового разряда.

Метод активации воды и водных растворов плазмой газового разряда [8]заключается в направленном изменении их структуры в сторону уменьшения размеров кластеров воды, модификации (изменении) ряда физических и химических характеристик, биологических свойств воды или водных растворов до требуемых значений.

Такая активация достигается путём одновременного воздействия на воду или водный раствор всей совокупности факторов плазмы газового разряда, в том числе: светового излучения в ИК-, видимой и УФ- областях спектра, радиочастотного излучения, ударных акустических волн, потока заряженных частиц, и, кроме того, дополнительно переменного или  постоянного магнитного поля.

Подбор соответствующих частотных характеристик воздействия обеспечивает параметрический характер взаимодействия плазмы газового разряда с водой или водным раствором и соответственно повышает его эффективность. При этом достигнутое более высокое энергетическое состояние сохраняется относительно длительное время и устойчиво к внешним воздействиям в силу особенностей модифицированной структуры воды или водного раствора, включая молекулы и кластеры воды и содержащиеся в растворе примеси. Как следствие этого, активированная плазмой вода долговременно сохраняет свойства физической, химической и биологической активности.

Выбор параметров процесса активации воды плазмой и, соответственно, параметров газового разряда позволяет достичь требуемых и задаваемых параметров активированной плазмой воды или водного раствора в широком диапазоне допустимых значений последних.

Сама технология отличается от других - большей частью заграничных - технических решений применением особых типов газовых разрядов в плазмохимическом реакторе. «Воздействуя на воду, мы меняем ее структуру, - утверждает Василий Бахар. - Вода неоднородна и состоит из кластеров. “Живая” вода тем лучше, чем меньше размер кластера. Воздействуя на воду разрядом, мы уменьшаем размер кластеров».

«Оптимизация частотных характеристик импульсного электрического разряда позволила повысить эффективность очистки по многим группам загрязняющих веществ. А применение в качестве предионизирующего барьерного разряда привело к значительному повышению плотности тока и интенсивности обработки. Все это в совокупности обусловило более высокую эффективность очистки, чем при других методах обработки растворов плазмой», - говорит Василий Бахар.

Если говорить более научными словами, при определенных режимах в процессе плазменной обработки происходит активация воды, и она приобретает стабильные во времени и устойчивые к внешним воздействиям новые или модифицированные физические, биологические и химические свойства. Эти свойства зависят от режимов обработки и, конечно, как и при очистке, от химического состава обрабатываемого водного раствора. В отличие от зарубежных аналогов “живой” воды, кроме того, что ее можно недорого получать в больших количествах - это кубометры, а не миллилитры, ее еще можно хранить длительное время - не сутки, но месяцы и годы. Вода стабильна во времени, как уже говорили, до двух лет, и устойчива к внешним воздействиям».

Активированная плазмой вода приобретает сильно выраженные антибактерицидные и антивирусные свойства, сохраняющиеся в течение длительного срока. Еще такая вода сохраняет свои свойства при переводе в так называемую паровую фазу или при многократном замораживании-размораживании.

Если снова перейти на более сложный язык: на микробиологическом уровне активированная вода обладает сильным антиоксидантным действием, при этом прекрасно сочетается с другими антиоксидантами (и даже усиливает их действие). Активированная плазмой вода хорошо сочетается с большинством известных ферментов и катализирует большинство реакций с их участием [18].

В опытно-промышленных масштабах реализованы плазмохимические процессы получения ацетилена и технического водорода из природного газа, этилена и ацетилена из бензина и других жидких углеводородов, а также из сырой нефти и угля; производство синтез-газа, состоящего из ацетилена и этилена, для получения винил-хлорида; фиксация атмосферного азота в производстве слабой азотной кислоты; получение технического углерода, пигментного TiO2, ультрадисперсных порошков Al, Ti, Si, W, их оксидов, нитридов, боридов, карбидов и др. (многие из ультрадисперсных материалов невозможно получить в рамках традиционных технологий). Осуществлена переработка отходов хлор- и фторорганических, целлюлозно-бумажных, нефтехимических, полимерных и других производств.

Плазмохимическую технологию используют для получения озона, фторидов металлов, оксидов азота и др., используют в основном для осуществления гетерофазных процессов: получения и травления тонких пленок из органических и неорганических материалов, обработки и модификации поверхности изделий с целью придания им требуемых эксплуатационных свойств (антикоррозионных, термостойких, износостойких, антифрикционных и т.п.) [21,22,23,24].

Заключение

вода хлебобулочный плазмохимический активация

В настоящий момент совершенствуется научное оборудование и методы исследований, и на каждом этапе развития науки и техники открываются новые удивительные свойства воды. В настоящее время о воде известно очень много - наверное, в природе не существует химического соединения, о котором было бы накоплено больше научной информации, чем о воде. Несмотря на это можно с уверенностью говорить о том, что природа этого вещества ещё не познана до конца.

Проанализировав материалы, изложенные в обзоре литературы, можно сделать вывод о том, что межмолекулярные образования воды имеют определенную структуру, и для них характерны структурно - информационные характеристики, которые обусловлены способностью ее молекул образовывать ассоциаты, кластеры и клатраты, в структуре которых кодируется информация о взаимодействиях, имевших или имеющих место с данным образцом воды. Изменение структурно - информационных характеристик воды приводит к изменению ее различных показателей и свойств. Эти изменения связаны с тем, что вода обладает свойством аквакоммуникации - способностью воспринимать, передавать и сохранять информацию. На основе этого свойства разработаны различные методы обработки и структурирования воды.

В производстве хлеба, как главном продукте питания, предпринимались попытки очистки и изменения свойств воды под воздействием различных факторов физической природы таких, как: термообработка, дегазация, ультрамикрокавитация, ионизация воды серебром, оптические воздействия, электромагнитные поля, поле токов СВЧ, электрохимическая обработка, озонирование, мембранная фильтрация, обратный осмос и т.д. Наиболее интересным и прогрессивным является обработка воды методом плазмохимической активации.

Структура воды существенно влияет на прохождение различных процессов. Изменение энтропии (структуры) воды заставляет их протекать несколько иначе. Другими словами, структурирование воды - это вспомогательное средство, приводящее к снижению энергетических затрат, затрат сырья или реагентов водоподготовки, уменьшению объема выбросов жидких и газообразных отходов.

Структурированная вода обладает поистине уникальными свойствами, что помогает более эффективно использовать её как в быту, так и в любых отраслях промышленности.

2. Экспериментальная часть

2.1 Цель и задачи эксперимента

Хлеб и хлебобулочные изделия являются наиболее распространенным продуктом питания. И всегда актуальной являлась задача повышения качества хлебобулочных изделий и продления сроков их хранения. А такой фактор, как обеспечение безопасности продуктов питания играет особую роль в сохранении и поддержании здоровья человека в современных условиях, так как зачастую продукты и питьевая вода загрязнены вредными веществами. Поэтому необходимо проводить строгий контроль качества поступающего на производство сырья и водопроводной воды, а также применять специальные методы очистки.

В данной научно-исследовательской работе рассматривается обработка питьевой воды методом плазмохимической активации. Метод плазмохимической активации воды заключается в направленном изменении структуры и свойств воды, разрушении кластерных структур для насыщения воды мономолекулами. У активированной воды структурная сетка водородных связей разрыхляется, молекулы воды обретают дополнительные степени свободы, что облегчает усвоение такой активированной воды клетками живых организмов.

Кластер активированной воды содержит 5-6 молекул (обычная вода 13-16 молекул). Такая вода считается более активной по биофизическим и биологическим показателям.

Активированная вода эффективно используется в биохимических реакциях без затраты организмом энергии на эту процедуру. Вода с измельченными кластерами обладает более высокими реактивными и растворяющими свойствами, лучше проникает через биологические мембраны, обладает высокой текучестью и растворяющей способностью.

Целью данной научно-исследовательской работы является использование воды, обработанной методом плазмохимической активации, в технологии хлебобулочных изделий.

В соответствии с намеченной целью в работе были поставлены следующие задачи:

. Определение свойств воды, обработанной плазмой;

. Определение влияния обработанной воды на свойства сырья;

. Определение влияния обработанной воды на свойства теста и качества готового хлеба;

. Исследование влияния обработанной воды на развитие картофельной болезни;

. Исследование влияния обработанной воды на плесневение хлеба

2.2 Объекты и методы исследований

2.2.1 Методы определения качества сырья

При оценке качества муки проводились исследования влажности, кислотности, количества и качества клейковины, а так же органолептических показателей в соответствии с ГОСТ.

Определение влажности муки (ГОСТ 9404-88)

Определение влажности муки осуществляется воздушно-тепловым методом, заключающемся в обезвоживании муки в воздушно-тепловом шкафу СЭШ- 3М при фиксированных параметрах температуры и продолжительности сушки.

Пробу муки, выделенную из средней пробы по ГОСТ 27668, тщательно перемешивают, встряхивают емкость, отбирают совком из разных мест и помещают в две предварительно взвешенные бюксы навески муки массой 5,00±0,1 г, после чего бюксы закрывают крышками и ставят в эксикатор. По достижении в камере сушильного шкафа температуры 130ºС отключают термометр и разогревают шкаф до 140ºС. Затем включают термометр и быстро помещают открытые бюксы с навесками муки в шкаф, устанавливая бюксы на снятые с них крышки. Свободные гнезда шкафа заполняют пустыми бюксами.

Муку высушивают в течение 40 минут, считая с момента восстановления температуры 130ºС. Допускается не разогревать сушильный шкаф до 140ºС, если после полной загрузки сушильного шкафа температура 130ºС восстанавливается в течение 5-10 минут.

По окончании высушивания бюксы с продуктом вынимают из шкафа тигельными щипцами, закрывают крышками и переносят в эксикатор для полного охлаждения, примерно на 20 минут (но не более 2 ч). Охлажденные бюксы взвешивают с погрешностью не более 0,01 г и помещают в эксикатор до окончания обработки результатов анализа.

Влажность муки вычисляют по формуле (1):

 (1)

где Х - влажность муки, %;

m - масса навески муки до высушивания, г;

m1 - масса навески после высушивания, г.

Определение кислотности муки (ГОСТ 27493-87)

Определение кислотности муки по болтушке осуществляют титрованием гидроокисью натрия всех кислореагирующих веществ муки. Для этого из пробы муки, предназначенной для испытаний, берут две навески массой (5±0,1) г каждая. Навеску муки высыпают в сухую коническую колбу и приливают (50,0±0,1) см3 дистиллированной воды для приготовления болтушки из пшеничной муки. Содержимое колбы немедленно перемешивают взбалтыванием до исчезновения комочков. В полученную болтушку из пшеничной муки добавляют 3 капли 3%-ного спиртового раствора фенолфталеина. Затем смесь взбалтывают и титруют раствором гидроокиси натрия концентрацией 0,1 моль/дм3. Титрование ведется каплями равномерно, с замедлением в конце реакции при постоянном взбалтывании содержимого колбы до появления ясно розового окрашивания, не исчезающего при спокойном стоянии колбы в течение 20-30 секунд.

Кислотность каждой навески муки в градусах кислотности определяют объемом 0,1 моль/дм3 раствора гидроокиси натрия, требующегося для нейтрализации кислоты в 100 г муки, и по формуле (2):

 (2)

где Х - кислотность муки, град;

,V - объем раствора гидроокиси натрия концентрацией 0,1 моль/дм3 (с учетом поправочного коэффициента к титру гидроокиси натрия), использованный на титрование, см3;

m - масса навески продукта, г;

/10 - коэффициент пересчета 0,1 моль/дм3 раствора щелочи на 1 моль/дм3.

Определение количества и качества клейковины муки (ГОСТ 27839-88)

Количество и качество клейковины является наиболее важным показателем качества пшеничной муки.

Для определения данных показателей отвешивают 25 г муки с точностью до 0,1 г и помещают в фарфоровую чашку, куда вливают 14 мл воды температурой 18±2ºС. Затем замешивают тесто и оставляют его в покое при температуре 18±2ºС на 20 минут.

По истечении времени отмывают клейковину под слабой струей воды температурой 18±2ºС над густым ситом.

Отмытую клейковину взвешивают с точностью до 0,01 г. Количество сырой клейковины вычисляют по формуле (3):

 (3)

где Х - количество сырой клейковины, %;

mk - масса сырой клейковины, г;

mм - масса навески муки, г.

Далее определяют качество клейковины путём измерения её упруго-эластичных свойств на приборе ИДК - 1 (ИДК - 3М).

Из окончательно отмытой, отжатой и взвешенной клейковины выделяют навеску массой 4 г, затем формуют шарик и помещают для отлёжки в чашку с водой, температурой 18-20ºС на 15 минут. После отлёжки делают измерения на приборе ИДК.

Результаты измерения упругих свойств клейковины выражают в условных единицах прибора и в зависимости от их значения клейковину относят к соответствующей группе качества, согласно требованиям таблице 3.

Таблица 3 - Группы качества клейковины

Группы качества

Характеристика клейковины

Показания прибора ИДК в условных единицах прибора

I

Неудовлетворительно крепкая

0-30

II

Удовлетворительно крепкая

35-50

I

Хорошая

55-75

II

Удовлетворительно слабая

80-100

III

Неудовлетворительно слабая

105 и более

 

Техника определения влажности сырой клейковины: высушивание клейковины ведут в приборе ПИВИ в пакетах, приготовленных из газетной бумаги. Пустые пакеты сушат в течении 3 мин при 160 ºС, затем помещают в эксикатор на 2-3 мин и взвешивают. Навеску клейковины 5 г помещают в пакет и высушивают в течение 5 мин. После этого пакеты с клейковиной помещают в эксикатор на 20 мин и взвешивают.

Влажность сырой клейковины определяют по формуле (4):

 (4)

где W - влажность сырой клейковины, %;

m0 - масса пакета, г;

m1 - масса пакета и сухой клейковины, г;

m2 - масса пакета и сырой клейковины, г.

Определение содержания сухой клейковины ГОСТ 28797-90 (ИСО6645-81) определяется по формуле (5):

 (5)

где G - содержание сухой клейковины, %;

m1 - масса пакета и сухой клейковины, г;

m0 - масса пакета, г;

m - масса навески муки, взятая для определения сырой клейковины, г (т.е. 25 г по ГОСТ27839-88).

Гидратационная способность клейковины - это количество воды, связываемое высокомолекулярными белками. Гидратационная способность рассчитывается по формуле (6):

 (6)

где Wкл - влажность клейковины, %.

Определение подъёмной силы прессованных дрожжей (ускоренный метод)

Отбирают 0,31 г дрожжей, переносят в фарфоровую чашку, приливают 4,8 см3 приготовленного раствора поваренной соли, нагретого до 35ºС, и тщательно перемешивают. К полученному раствору добавляют 7 г муки пшеничной II сорта, замешивают тесто и придают ему форму шарика. Шарик опускают в стакан с водой, нагретой до 35ºС, и помещают в термостат с той же температурой.

Время подъёма шарика в минутах умножают на коэффициент 3,5. Полученный результат и будет подъёмной силой прессованных дрожжей.

2.2.2 Методы исследования полуфабрикатов

При исследовании свойств полуфабрикатов мы оценивали состояние теста органолептически, измеряли начальную и конечную температуру, а также конечную титруемую кислотность и его влажность.

Определение кислотности полуфабриката

Отвешивают с точностью до 0,01 г 5 г полуфабриката и переносят в фарфоровую ступку, где растирают с 50 см3 дистиллированной воды до получения однородной болтушки. Добавляют в болтушку 2-3 капли фенолфталеина и титруют 0,1 моль/дм3 раствором гидроокиси натрия до получения розового окрашивания, не исчезающего в течение 1 минуты.

Кислотность полуфабриката вычисляется по формуле (7):

 (7)

где Х - кислотность полуфабриката, град.;

а - количество раствора щёлочи, пошедшего на титрование, см3;

К - поправочный коэффициент к титру щёлочи.

Определение влажности полуфабриката

Влажность полуфабриката определяем на приборе ПИВИ-1. В предварительно высушенный и взвешенный бумажный пакетик помещаем равномерным слоем 5 г полуфабриката, далее высушиваем в ПИВИ-1 в течение 5 минут при температуре 160ºС.

По истечении времени пакетик вынимают из прибора и переносят в эксикатор на 20 мин для охлаждения. Затем пакетик взвешивают и вычисляют влажность полуфабриката по формуле (8):

 (8)

где W - влажность полуфабриката, %;

m - масса навески полуфабриката, г;

m1 - масса пакета и навески полуфабриката до высушивания, г;

m2 - масса пакета и навески полуфабриката после высушивания, г.

Органолептическая оценка состояния теста

При органолептической оценке состояния теста осматривают его массу, обращая внимание на перечисленные ниже показатели:

·   состояние поверхности - выпуклая, плоская, осевшая, заветренная, в мелкой сеточке и т.д.; при нормальном брожении тесто имеет выпуклую поверхность;

·        консистенция - слабая, крепкая, нормальная - и промесс;

·        степень сухости - влажное, сухое, мажущееся, липкое, слизистое; осязаемая, видимая на глас (в виде мельчайших капелек) влажность теста свидетельствует о его дефектности;

·        структура теста - наблюдается при раздвигании его руками; при нормально протекающем брожении тесто должно быть хорошо разрыхлено и иметь сетчатую структуру;

·        аромат - при нормально проходящем процессе брожения - сильно спиртовой.

Определение температуры полуфабриката

В лабораторных условиях температуру полуфабрикатов измеряют техническим термометром со шкалой от 50 до 150 ºС и точностью до 1 ºС.

При измерении температуры полуфабриката термометр следует погружать в него не менее чем на 15…20 см на 2…3 мин.

2.2.3 Методы исследования готовых изделий

При исследовании готовых изделий оценивали органолептические показатели, а также влажность, кислотность, пористость, удельный объём формового хлеба и формоустойчивость подового, рассчитывали объемный выход хлеба.

Органолептическая оценка хлеба

Хлебобулочные изделия должны иметь правильную форму, золотисто-жёлтый цвет, гладкую поверхность, тонкостенную пористость и хорошую эластичность мякиша. Вкус и запах должны соответствовать виду хлебобулочного изделия.

Определение влажности хлеба (ГОСТ 21094-75)

В открытые, предварительно высушенные и взвешенные бюксы помещают по 5 г измельчённого мякиша хлеба. Затем бюксы переносят в сушильный шкаф, нагретый до 130ºС и высушивают в течение 45 минут.

По истечении времени бюксы вынимают, закрывают крышками и переносят в эксикатор на 20 мин для охлаждения. После этого бюксы взвешивают.

Влажность вычисляют по формуле (9):

 (9)

где W - влажность хлеба,%;

m1 - масса бюксы с навеской до высушивания, г;

m2 - масса бюксы с навеской после высушивания, г;

m - масса навески, г.

Определение кислотности хлеба (ГОСТ 5670-96)

Взвешивают 25 г измельчённого мякиша хлеба и помещают в сухую бутылку вместимостью 500 см3 с хорошо пригнанной пробкой.

Мерную колбу вместимостью 250 см3 наполняют до метки дистиллированной водой температурой 18-20ºС. Четверть взятой дистиллированной воды приливают в бутылку с крошкой, быстро растирают деревянной палочкой до получения однородной массы.

К полученной смеси приливают всю оставшуюся дистиллированную воду, закрывают бутылку пробкой, энергично встряхивают в течение 2 минут и оставляют в покое на 10 минут. Затем смесь снова встряхивают в течение 2 минут и оставляют в покое в течение 8 минут.

По истечению времени отстоявшийся слой процеживают в сухой стакан. Из стакана отбирают по 50 см3 в две конические колбы и титруют раствором 0, 1 моль/дм3 гидроокиси натрия с 2-3 каплями фенолфталеина до получения слабо-розового окрашивания, не исчезающего в течение 1 минуты.

Кислотность вычисляется по формуле (10):

 (10)

где Х - кислотность, град.;

V - количество раствора щёлочи, пошедшего на титрование, см3;

К - поправочный коэффициент к титру щёлочи.

Определение пористости хлеба (ГОСТ 5669-96)

Под пористостью понимают отношение объёма пор мякиша к общему объёму хлебного мякиша, выраженное в процентах.

Пористость мякиша хлебобулочных изделий определяют путём взятия выемок пробником Журавлёвой.

Из середины изделия вырезают кусок шириной не менее 7-8 см. Из него на расстоянии не менее 1 см от корок делают выемки цилиндром прибора. Затем хлебный мякиш выталкивают из цилиндра втулкой на 1 см и срезают его у края цилиндра.

Для определения пористости мякиша пшеничного хлеба делают 3 выемки объёмом 27±0,5 см3 каждая. Приготовленные выемки взвешивают одновременно.

Пористость вычисляется по формуле (11):

 (11)

где П - пористость;

V - общий объём выемок хлеба, см3;

m - масса выемок, г;

р - плотность без пористой массы мякиша.

Определение формоустойчивости хлеба

Формоустойчивостью называют отношение высоты подового хлеба к его диаметру (Н:D). Определение диаметра и высоты подовых изделий производится с помощью линеек с миллиметровыми делениями. Н - наибольшая высота хлеба, мм; D -средний диаметр хлеба, мм, вычисляемый по формуле (12):


 (12)

где DMAX - наибольший диаметр хлеба, мм;

DMIN - наименьший диаметр хлеба, мм.

Определение удельного объёма хлеба

Объём определяют с помощью приборов объёмомерников. Также используют мелкое зерно (просо, сорго). Объём измеряют дважды.

Приготовленным зерном заполняют с избытком ёмкость, приспособленную для определения объёма хлеба. Избыток зерна сгребают ребром линейки. Затем ёмкость опрокидывают, и зерно собирают в ковш. Это зерно служит для дальнейшего определения объёма хлеба. Наибольшее количество зерна из ковша высыпают назад в ёмкость. На него осторожно не приминая зерна, кладут пробу хлеба и засыпают его оставшимся зерном с образованием горки над ёмкостью. Избыток зерна ссыпают в ковш. Зерно из ковша ссыпают в мерный цилиндр и измеряют объём.

Удельный объём хлеба определяют по формуле (13):

 (13)

где VУД - удельный объем хлеба, см³/100 г хлеба;

VХЛ - объем формового хлеба, см³;

gХЛ - масса горячего хлеба, г.

Объемный выход хлеба определяют по формуле (14):

 (14)

где VОБ - объемный выход хлеба, см³/100 г муки;

V - объем хлеба, см³;

GТ - масса всего теста, г;

Gм - масса муки, пошедшей на приготовление теста, г;

q - масса куска теста для выпечки одного образца хлеба, г.

2.2.4 Специальные методы исследования

Метод определения рН воды

Тщательно очищенная от посторонних примесей вода обладает определенной, хотя и незначительной, электрической проводимостью, заметно возрастающей с повышением температуры. Наличие электрической проводимости может быть объяснено только тем, что молекулы воды частично распадаются на ионы, т.е. Н2О является слабым электролитом. Процесс диссоциации воды:

Н2О Н+ + ОН

Этот процесс называется самоионизацией или автопротолизом.

Ионное произведение воды:

+] [ОН-] = Кв = 10-14 ( при 295 К (220С))

Так как концентрации ионов Н+ и ОН- в воде одинаковы, то [Н+] = [ОН-] = 10-7 моль/л

В соответствии с теорией электролитической диссоциации ионы Н+ являются носителями кислотных свойств, а ионы ОН- - носителями основных свойств. Поэтому раствор будет нейтральным, когда а(Н+)=а(ОН-)=10-7; кислым, когда а(Н+)>а(ОН-), и щелочным, когда а(Н+)<а(ОН-). а - активность ионов.

Для характеристики кислотности (щелочности) среды введен специальный параметр - водородный показатель или рН. рН - взятый с обратным знаком десятичный логарифм активности ионов водорода в растворе:

рН = - lg аН+

Водородный показатель определяет характер реакции раствора. Например, при 220С она нейтральна при рН 7 (аН+ = 10-7моль/л), при рН<7 (аН+ > 10-7моль/л) реакция раствора кислая, при рН>7 (аН+ < 10-7моль/л) - щелочная. С изменением температуры меняется концентрация ионов Н+ в нейтральном растворе.

По аналогии рН введен показатель рОН:

рОН = - lg аОН+

Водородный показатель имеет важное значение для понимания большинства процессов (химических и биологических), протекающих в жидкой фазе, так как ионы Н+ и ОН- непосредственно участвуют во многих из этих процессов. Кроме того, эти ионы являются гомогенными катализаторами многих реакций.

В данной научно-исследовательской работе измерение показателя рН воды проводили на приборе рН-метре-иономере «ЭКОТЕСТ-120».

Показатель рН воды определяется с помощью ионоселективного стеклянного электрода «Эком-рН» и вспомогательного электрода сравнения.

Метод определения окислительно-восстановительного потенциала (Eh)

Любая окислительно-восстановительная реакция состоит из процессов окисления и восстановления. Окисление - это отдача электронов веществом, т.е. повышение степени окисления элемента. Вещества, отдающие свои электроны в процессе реакции, называются восстановителями. Это значит, что вещество из восстановленной формы превращается в окисленную. К типичным восстановителям относятся простые вещества: металлы, водород, углерод, анионы, атомы которых находятся в низкой степени окисления (Сl-, H2PO-), а также углеводороды, азотоводороды, бороводороды и др.

Восстановление - это смещение электронов к веществу или понижение степени окисления элемента. Вещество, принимающее электроны, называется окислителем. Вещество из окисленной формы перешло в восстановленную. К типичным окислителям относятся простые вещества, атомы которых характеризуются высокой электроотрицательностью: кислород, соединения кислорода, например пероксиды, соединения благородных газов, галогены, катионы и анионы с высокой степенью окисления (Fe3+, Pb4+, NO-3 и др.). В химических окислительно-восстановительных реакциях окисление и восстановление взаимосвязаны.

Окислительно-восстановительный потенциал (Eh) - мера химической активности элементов или их соединений в обратимых химических процессах, связанных с изменением заряда ионов в растворах. Значения окислительно-восстановительных потенциалов выражаются в вольтах (милливольтах). Окислительно-восстановительный потенциал любой обратимой системы определяется по формуле (15)

Eh = E0 + (0.0581/n) lg(Ox/Red) при t = 20°С              (15)

где  Eh - окислительно-восстановительный потенциал среды;0 - нормальный окислительно-восстановительный потенциал, при котором концентрации окисленной и восстановленной форм равны между собой;- концентрация окисленной формы;- концентрация восстановленной формы;- число электронов, принимающих участие в процессе.

В воде значение Eh колеблются от - 400 до + 700 мВ, определяется всей совокупностью происходящих в ней окислительных и восстановительных процессов и в условиях равновесия характеризует среду сразу относительно всех элементов, имеющих переменную валентность.

В данной научно-исследовательской работе измерение показателя ОВП воды производили на приборе рН-метре-иономере «ЭКОТЕСТ-120».

Для измерения окислительно-восстановительного потенциала (Eh) используется электродная система, состоящая из редоксметрического (платинового) измерительного электрода и хлорид-серебряного (вспомогательного) электрода сравнения.

Определение картофельной болезни хлеба

Определение обсемененности муки спорообразующими бактериями производят по выпеченному хлебу следующим образом:

Хлеб формовой, приготовленный в лабораторных условиях через 1,5-2 ч после выпечки заворачивают в двойной слой пористой бумаги (газетной), тщательно увлажняют руками, смоченными теплой водой, упаковывают в пакет из полиэтиленовой пленки и помещают в термостат при температуре 37±1ºС без увлажнения воздуха.

Пробу выдерживают в термостате 24 ч. Затем хлеб разрезают острым ножом и проверяют наличие заболевания (специфический запах, липкий мякиш) [24].

Определение плесневения хлеба

Для определения влияния обработанной воды на качество хлебобулочных изделий при хранении проводили пробные лабораторные выпечки. Через 4 ч после выпечки образцы хлеба герметично упаковывали в полиэтиленовые пакеты и оставляли на хранение в течение 5 суток при комнатной температуре. Через 24, 48, 72, 96 и 120 ч после выпечки оценивали внешний вид упакованного хлеба.

Пробные лабораторные выпечки

Для проведения исследований влияния активированной воды на показатели качества готовых изделий в данной научно-исследовательской работе приготовление теста осуществляли безопарным способом по методу пробной лабораторной выпечки (ГОСТ 27669-88).

Рецептура и режим тестоприготовления представлены в таблице 4.

Таблица 4 - Рецептура и режим приготовления теста

Наименование сырья и параметров процесса

Количество сырья и параметры при приготовлении

Мука пшеничная хлебопекарная высшего сорта, г

100

Дрожжи хлебопекарные прессованные, г

2,5

Соль поваренная пищевая, г

1,5

Вода, мл

По расчёту

Температура начальная, ºС

29-30

Продолжительность брожения, мин

120-150

Продолжительность расстойки, мин

60

Кислотность конечная, град

3


Замес теста осуществляли вручную. Замешенное тесто помещали в термостат с температурой 35ºС для брожения. Продолжительность брожения 150 минут. Через 60 и 120 минут проводили обминку теста.

Выброженное тесто разделывали, укладывали в формы и помещали в расстойный шкаф с температурой 40ºС и относительной влажностью 75-80%. Продолжительность расстойки 60 минут. Расстоявшиеся тестовые заготовки выпекали при температуре 220-240 ºС до готовности.

2.3 Характеристика сырья, применяемого в работе

В научно-исследовательской работе использовалось следующее сырье: мука пшеничная хлебопекарная высшего сорта, соль поваренная пищевая, дрожжи хлебопекарные прессованные, вода питьевая и вода питьевая, обработанная методом плазмохимической активации.

Мука пшеничная хлебопекарная высшего сорта (ГОСТ 26574-85)

Методы определения качества муки приведены в разделе 2.2.1, в соответствии с которыми были определены характеристики муки, представленные в таблице 5.

Таблица 5 - Характеристика муки пшеничной хлебопекарной высшего сорта

Показатели качества

Значение показателей

Влажность, %

12

Кислотность, град

2,2

Содержание сырой клейковины, %

24

Упругие свойства клейковины, ед прибора ИДК

59,6

Влажность сырой клейковины, %

64

Содержание сухой клейковины, %

7,2

Гидратационная способность, %

233,3

Органолептические показатели: Запах Вкус   Цвет муки

Свойственный пшеничной муке, без посторонних запахов Свойственный пшеничной муке, без посторонних привкусов Белый с кремовым оттенком



Также в муке нормируют содержание вредных для организма человека соединений. К ним относятся токсичные элементы (свинец, мышьяк, кадмий, ртуть, медь, цинк), микотоксины (афлотоксин В1, дезоксиниваленон, Т - 2 токсин, N-нитрозамины, пестициды, радионуклиды, вредные примеси, загрязненность вредителями хлебных запасов (насекомые, птицы).

Эти требования изложены в “Гигиенических требованиях к качеству и безопасности продовольственного сырья и пищевых продуктов СанПиН №2.3.2.-560-96.

Соль поваренная пищевая высшего сорта (ГОСТ 13830-91)

Показатели качества поваренной соли высшего сорта приведены в таблице 6.

Таблица 6 - Показатели качества высшего сорта поваренной соли

Наименование показателей

Норма для высшего сорта

Массовая доля хлористого натрия, % в пересчете на сухие вещества, не менее

98,4

Массовая доля нерастворимых в воде веществ, % в пересчете на сухие вещества, не более

0,16

Массовая доля влаги, % не более

0,7


Дрожжи хлебопекарные прессованные (ГОСТ 171-81)

Дрожжи применяют в количествах 0,5 - 4,0 % для разрыхления теста. Дрожжи хлебопекарные прессованные представляют собой скопления дрожжевых клеток определённой расы, выращенных в особых условиях на питательных средах при интенсивном продувании воздухом.

Качество прессованных дрожжей оценивается по органолептическим и физико-химическим показателям и должно соответствовать ГОСТ 171-81. К органолептическим показателям прессованных дрожжей относятся цвет, запах, вкус и консистенция. Дрожжи прессованные должны иметь светлый цвет с желтоватым или сероватым оттенком. На дрожжах не должно быть плесневого налёта белого или другого цвета, а также различных полос и тёмных пятен на поверхности. Запах дрожжей должен быть характерный, слегка напоминающий фруктовый. Показатели качества дрожжей приведены в таблице 7.

Таблица 7. - Физико-химические показатели качества дрожжей

Наименование показателей

Норма для прессованных дрожжей

Массовая доля влаги, % не более

75,0

Подъёмная сила (подъём теста до 70 мм), мин, не более

70,0

Кислотность 100 г дрожжей в пересчёте на уксусную кислоту, мг не более

120,0

Гарантийный срок хранения дрожжей, не менее

12 сут


Вода питьевая (ГОСТ 2874-82)

Вода, применяемая в хлебопекарной промышленности для технологических целей должна соответствовать требованиям ГОСТ 2874-82. Не должна содержать вредных примесей и болезнетворных микроорганизмов, должна быть бесцветной, прозрачной, без запаха и приятной на вкус. Большое значение имеет жесткость воды, обусловленная содержанием в ней солей кальция и магния. Жесткая вода благоприятно влияет на качество хлеба при переработке слабой муки, поскольку соли кальция и магния укрепляют клейковину.

Вода питьевая обработанная

Вода питьевая (ГОСТ 2874-82), обрабатывается на экспериментальной установке плазменной активации. При обработке методом плазменной активации питьевая вода по органолептическим, физико-химическим, микробиологическим и показателям безопасности соответствует нормативным требованиям СанПиН 2.1.4.1074-01 «Питьевая вода. Гигиенические требования к качеству воды централизованных систем питьевого водоснабжения. Контроль качества».

В данной научно-исследовательской работе использовали 4 вида обработанной воды с продолжительностью обработки низкотемпературным разрядом плазмы 15, 30, 60 и 90 минут, а также исследовали влияние воды после хранения на показатели качества сырья, свойства теста и качество готового хлеба. Вода хранилась три месяца.

2.4 Результаты исследований и их анализ

2.4.1 Определение свойств воды, обработанной методом плазмохимической активации

В данной научно-исследовательской работе измерялись показатели качества воды: рН и окислительно-восстановительный потенциал (ОВП, Eh).

При определении показателя рН использовали по 5 образцов каждого вида воды. По результатам получали средние значения.

Таблица 8 - Определение рН воды, обработанной низкотемпературным разрядом плазмы

Водопроводная вода

Вода, обработанная в течение 15 мин

Вода, обработанная в течение 90 мин

7,295

7,947

8,278


Из таблицы видно, что с увеличением времени обработки воды повышается показатель рН, реакция воды становится более щелочной.

Продолжительность измерения, с

Рисунок 6 - Определение ОВП водопроводной воды

Из рисунка видно, что наблюдается тенденция к увеличению ОВП водопроводной воды, что свидетельствует об увеличении концентрации окисленной формы веществ. Возможно, это связано с присутствием в водопроводной воде примесей.

Рисунок 7 - Определение ОВП воды, обработанной ПХА 15 минут

Рисунок 8 - Определение ОВП воды, обработанной 90 минут

Из рисунков видно, что обработка воды влияет на изменение ее свойств, наблюдается тенденция к снижению показателя ОВП, что свидетельствует об увеличении концентрации восстановленной формы веществ.

Таблица 9 - Определение рН воды, обработанной низкотемпературным разрядом плазмы (через три месяца)

Водопроводная вода

Вода, обработанная в течение 15 мин

Вода, обработанная в течение 90 мин

7,355

8,017

8,174


После хранения сохраняется щелочная реакция обработанной воды, показатели рН воды разного времени обработки практически одинаковы.

Продолжительность измерения, с

Рисунок 9 - Определение ОВП воды, обработанной методом ПХА 15 мин, после хранения

Продолжительность измерения, с

Рисунок 10 - Определение ОВП воды, обработанной методом ПХА 90 мин, после хранения

Из рисунков видно, что ОВП обработанной воды после хранения практически не изменяется, что говорит об отсутствии протекания окислительно-восстановительных реакций в воде.

Таблица 10 - Определение рН воды, обработанной низкотемпературным разрядом плазмы

Водопроводная вода

Вода, обработанная в течение 30 мин

Вода, обработанная в течение 60 мин

7,410

8,073

7,888


По данным таблицы видно, что вода с меньшим временем обработки имеет более щелочную реакцию, чем с большим временем обработки, что возможно связано с изменением параметров обработки.

Продолжительность измерения, с

Рисунок 11 - Определение ОВП воды, обработанной 30 мин

Из рисунка видно, что ОВП обработанной воды практически не изменяется, что говорит об отсутствии протекания окислительно-восстановительных реакций в воде.

Продолжительность измерения, с

Рисунок 12 - Определение ОВП воды, обработанной 60 мин

Из рисунка видно, что наблюдается тенденция к небольшому снижению ОВП обработанной воды в сторону увеличения концентрации восстановленной формы веществ.

2.4.2 Определение влияния обработанной воды на свойства сырья

Прессованные дрожжи относятся к основному сырью хлебопекарного производства и поэтому от их качества в значительной мере зависят свойства теста и качество хлебобулочных изделий.

Качество прессованных дрожжей оценивается по органолептическим и физико-химическим показателям и должно соответствовать ГОСТ 171-81. К физико-химическим показателям качества дрожжей относят: массовую долю влаги, подъемную силу, кислотность и гарантийный срок хранения. Наиболее важным показателем качества для хлебопечения является подъемная сила дрожжей. Поэтому в данном разделе исследовалось влияние обработанной воды на подъемную силу прессованных дрожжей. Для этого готовили 12 образцов теста по методике, изложенной в разделе 2.2.1, для замеса теста использовали воду, обработанную методом плазмохимической активации. Контролем служил образец теста, замешенный на обычной питьевой воде. Нами были приготовлены 4 контрольных образца, 4 образца на слабой воде и 4 образца на сильной воде.

Количество и качество клейковины является наиболее важным показателем качества пшеничной муки. В данной научно-исследовательской работе были проведены испытания влияния активированной воды на свойства клейковины: количество и качество сырой клейковины, содержание сухой клейковины, определение ее гидратационной способности. При проведении исследований использовали муку с показателями качества, представленными в таблице 11.

Таблица 11 - Характеристика муки пшеничной хлебопекарной высшего сорта

Показатели качества муки

Значение показателей

Влажность, %

12

Содержание сырой клейковины, %

24

Упругие свойства клейковины, ед прибора ИДК

59,6

Кислотность, град

2,2


Контрольные образцы теста, из которых отмывали клейковину, готовили с использованием питьевой воды, опытные - с водой, обработанной методом плазмохимической активации. Показатели качества клейковины определяли согласно методикам, изложенным в разделе 2.2.1.

Результаты проведенных исследований представлены в таблице 12.

Таблица 12 - Влияние обработанной воды на свойства сырья

Показатели качества сырья

Контроль

Опытный образец № 1 (обработка воды 15 мин.)

Опытный образец № 2 (обработка воды 90 мин.)

Подъемная сила дрожжей, мин

40

42

51

Количество сырой клейковины, %

24

24

21,2

Упругие свойства, ед. прибора ИДК

57,3

57,7

32,5

Влажность сырой клейковины, %

64

64

62

Содержание сухой клейковины, %

7,2

7,2

6,4

Гидратационная способность, %

177,8

177,8

194,4


Рисунок 13 - Определение влияния обработанной воды на подъемную силу дрожжей

Опытный образец 1 - приготовленный на воде с обработкой 15 минут

Опытный образец 2 - приготовленный на воде с обработкой 90 минут

Рисунок 14 - Определение влияния обработанной воды на упругие свойства клейковины

Опытный образец 1 - приготовленный на воде с обработкой 15 минут

Опытный образец 2 - приготовленный на воде с обработкой 90 минут

Рисунок 15 - Определение влияния обработанной воды на гидратационную способность клейковины

Опытный образец 1 - приготовленный на воде с обработкой 15 минут

Опытный образец 2 - приготовленный на воде с обработкой 90 минут

По результатам исследований, представленных в таблице 2.7 видно, что подъемная сила дрожжей ухудшается по сравнению с контролем на 27,5%, так как возможно это может быть связано с увеличением показателя рН обработанной воды. Для воды, обработанной в течение 90 минут, рН = 8,278, содержание О2 в воде снижается, происходит десорбция О2 в окружающую среду.

Количество сырой клейковины уменьшилось на 11,7 % в опытном образце № 2 по сравнению с контролем. Вода, обработанная плазмой в течении 90 минут, за счет своей молекулярной структуры перешла в более связанную форму со структурными компонентами белка. При этом наблюдается укрепление упругих свойств клейковины на 43,3% по сравнению с контролем и переход ее из разряда хорошей в разряд удовлетворительно крепкой. Гидратационная способность у опытного образца № 2 выше, чем у контроля на 9,3 %. Вода, обработанная 15 минут, влияние на показатели качества на оказала, данные соответствуют контролю.

В таблице 13 представлены результаты влияния обработанной воды после хранения на свойства сырья.

Таблица 13 - Влияние обработанной воды после хранения на свойства сырья

Показатели качества

Контроль

Опытный образец № 1 (обработка воды 15 мин)

Опытный образец № 2 (обработка воды 90 мин)

Подъемная сила дрожжей, мин

42,38

40,01

34,05

Количество сырой клейковины, %

24

24

24

Упругие свойства, ед. прибора ИДК

62

65,5

56,6

Влажность сырой клейковины, %

64

64

64

Содержание сухой клейковины, %

7,2

7,2

7,2

Гидратационная способность, %

177,8

177,8

177,8



Рисунок 16 - Определение влияния обработанной воды после хранения на подъемную силу дрожжей

Опытный образец 1 - приготовленный на воде с обработкой 15 минут

Опытный образец 2 - приготовленный на воде с обработкой 90 минут

Рисунок 17 - Определение влияния обработанной воды после хранения на упругие свойства клейковины

Опытный образец 1 - приготовленный на воде с обработкой 15 минут

Опытный образец 2 - приготовленный на воде с обработкой 90 минут

Рисунок 18 - Определение влияния обработанной воды после хранения на гидратационную способность клейковины

Опытный образец 1 - приготовленный на воде с обработкой 15 минут

Опытный образец 2 - приготовленный на воде с обработкой 90 минут

В процессе хранения изменяются свойства воды и ее структура. рН воды, обработанной в течение 90 минут, уменьшается незначительно, при этом подъемная сила дрожжей уменьшается на 19,7 % по сравнению с контролем.

Таблица 14 - Влияние обработанной воды на свойства сырья

Показатели качества

Контроль

Опытный образец № 1 (обработка воды 30 мин)

Опытный образец№2 (обработка воды 60 мин)

Подъемная сила дрожжей, мин

55,36

61,43

54,13

Количество сырой клейковины, %

24

24

24

Упругие свойства, ед. прибора ИДК

63,7

57,2

57,5

Влажность сырой клейковины, %

62

62

64

Содержание сухой клейковины, %

7,6

7,6

7,2

Можно сделать вывод, что произошли изменения в структуре воды, связанные с объединением мономолекул воды в небольшие ассоциаты. Видимо, такая вода способствует активности дрожжей на начальном этапе.

По показателям качества изменяются только упругие свойства клейковины. У опытного образца № 2 упругие свойства выше по сравнению с контролем на 8,8 %, но ослабляются по сравнению с водой, обработанной 90 минут до хранения. По-видимому, структура воды восстанавливается, но постепенно. У опытного образца № 1 упругие свойства ниже по сравнению с контролем на 5,6 % . Все остальные показатели соответствуют контролю.

Рисунок 19 - Определение влияния обработанной воды на подъемную силу дрожжей

Опытный образец 1 - приготовленный на воде с обработкой 30 минут

Опытный образец 2 - приготовленный на воде с обработкой 60 минут

Подъемная сила дрожжей у опытного образца 2 ниже на 2,2 % по сравнению с контролем, у опытного образца 1 выше на 11 %.

Рисунок 20 - Определение влияния обработанной воды на упругие свойства клейковины

Опытный образец 1 - приготовленный на воде с обработкой 30 минут

Опытный образец 2 - приготовленный на воде с обработкой 60 минут

Рисунок 21 - Определение влияния обработанной воды на гидратационную способность клейковины

Опытный образец 1 - приготовленный на воде с обработкой 30 минут

Опытный образец 2 - приготовленный на воде с обработкой 60 минут

При обработке воды в течение 60 минут белками связывается большее количество воды. Содержание сухой клейковины снижается по сравнению с контролем 5,3%. Гидратационная способность выше на 8,9 %. Клейковинные белки связали больше молекул воды. Упругие свойства опытных образцов 1 и 2 одинаковы и лучше по сравнению с контролем на 10,2 и 9,7 % соответственно.

2.4.3 Определение влияния обработанной воды на свойства теста и качество готового хлеба

В данной научно-исследовательской работе проводились пробные лабораторные выпечки по технологии, представленной в разделе 2.2.4. Контрольный образец теста готовили на обычной питьевой воде, опытные - на воде обработанной, методом плазмохимической активации. Было сделано по 2 выпечки с использованием каждого вида обработанной воды.

При замесе контрольного и опытных образцов теста воду добавляли в одинаковом количестве. Готовили 12 опытных образца теста с использованием активированной воды: 2 образца на слабой воде (15 мин) и 2 образца на сильной воде (90 мин); 2 образца на воде (15 мин) после хранения и 2 образца на воде (90 мин) после хранения; 2 образца на слабой воде (30 мин) и 2 образца на сильной воде (60 мин).

В данном разделе исследовали влияние обработанной воды на показатели качества теста. О качестве судили по показателям кислотности и влажности.

Эти показатели оценивали в соответствии с методами, описанными в разделе 2.2.2.

Результаты данного исследования представлены в таблице 15.

Таблица 15 - Влияние обработанной воды на свойства теста

Физико-химические показатели

Контроль

Опытный образец № 1 (обработка воды15 мин.)

Опытный образец № 2 (обработка воды 90 мин.)

Влажность, %

42

40

42

Кислотность, град

3,5

3,5

3,7


Из данных таблицы видно, что кислотность опытного образца № 2 немного выше по сравнению с контролем.

Качество готовых изделий оценивали органолептически, а так же по таким показателям, как удельный объём, формоустойчивость, пористость, кислотность и влажность, которые определяли методами, описанными в разделе 2.2.3.

Результаты исследований представлены в таблице 16.

Таблица 16 - Определение влияния обработанной воды на качество готового хлеба

Показатели качества

Контроль

Опытный образец № 1 (обработка воды 15 мин.)

Опытный образец № 2 (обработка воды 90 мин.)

Формоустойчивость

0,46

0,48

0,51

Удельный объем, см3 /100 г хлеба

293,1

282,8

222,8

Объемный выход, см3 /100 г муки

385,4

376

292,8

Физико-химические показатели хлеба

Влажность, %

40

41

40

Кислотность, град.

2,8

2,6

2,2

Пористость, %

80

79

75

Органолептические показатели

Пористость

Мелкая и средняя равномерная, развитая

Мелкая равномерная, развитая

Мелкая равномерная, недостаточно развитая

Рисунок 22 - Определение влияния обработанной воды на формоустойчивость готовых изделий

Опытный образец 1 - приготовленный на воде с обработкой 15 минут

Опытный образец 2 - приготовленный на воде с обработкой 90 минут

Рисунок 23 - Определение влияния обработанной воды на объемный выход готовых изделий

Опытный образец 1 - приготовленный на воде с обработкой 15 минут

Опытный образец 2 - приготовленный на воде с обработкой 90 минут

Формоустойчивость повышается у опытных образцов 1 и 2 за счет укрепления упругих свойств клейковины на 4,3 % и 10,9 соответственно. Объемный выход у опытных образцов 1 и 2 снижается по сравнению с контролем на 2,4 % и 24 % соответственно. По органолептической оценке тесто имеет более упругие свойства и тяжелее поддается разделке. Низкий объем и показатели удельного объема и объемного выхода можно объяснить реологическими свойствами теста. Для получения хлеба нормального качества необходимо при замесе теста добавлять большее количество воды. По показателям качества опытный образец 1 практически соответствует контролю.

Таблица 17 - Влияние обработанной воды после хранения на свойства теста

Физико-химические показатели

Контроль

Опытный образец № 1 (обработка воды 15 мин.)

Опытный образец № 2 (обработка воды 90 мин.)

Влажность, %

43

 42

 41

Кислотность, град

 3,5

 3,5

 3,5


Таблица 18 - Определение влияния обработанной воды после хранения на качество готового хлеба

Показатели качества

Контроль

Опытный образец № 1 (обработка воды 15 мин)

Опытный образец № 2 (обработка воды 90 мин)

Формоустойчивость

0,44

0,50

0,56

Объем, см3

461

441

430

Удельный объем, см3/100 г хлеба

295,1

292,7

287,7

Объемный выход, см3/100 г муки

419,2

403,8

397,1

Физико-химические показатели

Влажность, %

40

39

38

Кислотность, град

2,7

2,7

2,5

Пористость, %

77

76

74

Органолептические показатели

Пористость

Мелкая и средняя развитая

Мелкая равномерная, развитая

Мелкая равномерная, развитая


Рисунок 24 - Определение влияния обработанной воды после хранения на формоустойчивость готовых изделий

Опытный образец 1 - приготовленный на воде с обработкой 15 минут

Опытный образец 2 - приготовленный на воде с обработкой 90 минут

Рисунок 25 - Определение влияния обработанной воды после хранения на объемный выход готовых изделий

Опытный образец 1 - приготовленный на воде с обработкой 15 минут

Опытный образец 2 - приготовленный на воде с обработкой 90 минут

По результатам исследований, представленным в таблице 18, видно, что показатель формоустойчивости у опытных образцов 1 и 2 выше, чем у контроля, на 13,6 % и 27,3 % соответственно, показатель объемного выхода ниже на 2,8 % и 5,3 % соответственно. Показатели объема, удельного объема и объемного выхода повышаются по сравнению с теми же образцами, приготовленными на свежеподготовленной воде, что возможно связано с некоторым восстановлением структуры воды, но все же ниже по сравнению с контролем.

Таблица 19 - Влияние обработанной воды на свойства теста

Физико-химические показатели

Контроль

Опытный образец № 1 (обработка воды 30 мин)

Опытный образец № 2 (обработка воды 60 мин)

Влажность, %

40

 41

 39

Кислотность, град

3,5

3,3

 2,9


Влажность теста понижается, это можно объяснить переходом воды из свободного состояния в связанное.

Таблица 20 - Определение влияния обработанной воды на качество готового хлеба

Показатели качества

Контроль,

Опытный образец № 1 (обработка воды 30 мин)

Опытный образец № 2(обработка воды 60 мин)

Формоустойчивость

0,50

0,51

0,60

Объем, см3

 468

 372

 347

Удельный объем, см3/100 г хлеба

324,05

250,49

 233,02

Объемный выход, см3/100 г муки

 422,9

 332,98

 310,56

Физико-химические показатели

Влажность, %

41

41

38

Кислотность, град

3,5

3,2

3,0

Пористость, %

76

72

71

Органолептические показатели

Пористость

Мелкая и средняя, неравномерная, развитая

Мелкая, средняя, неравномерная, развитая

Мелкая, равномерная, развитая


Рисунок 26 - Определение влияния обработанной воды на формоустойчивость готовых изделий

Опытный образец 1 - приготовленный на воде с обработкой 30 минут

Опытный образец 2 - приготовленный на воде с обработкой 60 минут

Рисунок 27 - Определение влияния обработанной воды на объемный выход готовых изделий

Опытный образец 1 - приготовленный на воде с обработкой 30 минут

Опытный образец 2 - приготовленный на воде с обработкой 60 минут

Формоустойчивость опытных образцов 1 и 2 выше по сравнению с контролем на 2% и 20 % соответственно. Показатели объемного выхода ниже на 21,3 % и 26,6 % соответственно.

Картофельная болезнь вызывается развитием в мякише хлеба спорообразующих бактерий Bacillus mesentericus и Bacillus subtilis. Бактерии картофельной палочки попадают в муку при размоле зерна, которое заражается, главным образом, в процессе уборки, поэтому мука практически всегда может быть обсеменена картофельной палочкой в различной степени.

Картофельная палочка при благоприятных условиях быстро размножается. Оптимальными условиями для развития её спор является температура около 40ºС, наличие влаги, питательной среды, пониженной кислотности. Её клетки не выдерживают нагревания до 80ºС, однако споры остаются жизнеспособными при температуре 120ºС в течение часа, поэтому бактерии во время выпечки погибают, а споры сохраняют свою активность.

Под действием активных амилаз картофельной палочки в хлебе увеличивается количество декстринов, придающих мякишу липкость. Продукты распада белков, образующихся под действием протеолитических ферментов картофельной палочки, обладают резким специфическим запахом. Таким образом, пораженный картофельной болезнью хлеб приобретает неприятный специфический запах, имеет липкий мякиш, который при сильном поражении тянется нитями [24].

В данной научно-исследовательской работе было исследовано влияния активированной воды на степень поражения хлеба картофельной болезнью. Определение картофельной болезни хлеба проводилось по методике, описанной в разделе 2.2.4. Контрольный образец готовили на обычной питьевой воде, опытные - на обработанной воде, получаемой методом плазмохимической активации.

При проведении лабораторных выпечек использовали муку с показателями качества, представленными в таблице 21.

Таблица 21 - Характеристика муки пшеничной хлебопекарной высшего сорта

Показатели качества

Значение показателей

Влажность, %

12

Кислотность, град

2,2

Содержание сырой клейковины, %

24

Упругие свойства клейковины, ед прибора ИДК

59,6

Влажность сырой клейковины, %

64

Содержание сухой клейковины, %

7,2

Гидратационная способность, %

233,3



Полученные результаты исследования представлены в таблице 22.

Таблица 22 - Влияние обработанной воды на развитие картофельной болезни хлеба

Продолжительность хранения хлеба, ч

Признаки поражения картофельной болезнью хлеба


Контроль

Опытный образец № 1 (обработка воды 15 мин.)

Опытный образец № 2 (обработка воды 90 мин.)

12

-

-

-

24

-

-

-

36

Неприятный специфический запах

Неприятный специфический запах

Неприятный специфический запах

48

Сильный специфический запах, липкий мякиш

Сильный специфический запах, липкий мякиш

Неприятный специфический запах

56

Сильный специфический запах, липкий мякиш

Сильный специфический запах, липкий мякиш

Неприятный специфический запах, липковатый мякиш


Опытные образцы по признаку заражения картофельной болезнью не отличаются от контроля. У опытного образца № 2 картофельная болезнь была обнаружена через 36 часов, и при этом интенсивность ее развития была ниже. Это можно объяснить тем, что вода обработанная в течении 90 минут, обладает некоторыми антибактерицидными свойствами (за счет УФ-излучения, присутствующего в разряде плазмы).

Таблица 23 - Влияние обработанной воды после хранения на развитие картофельной болезни хлеба

Продолжительность хранения хлеба, ч

Признаки поражения картофельной болезнью хлеба


Контроль

Опытный образец № 1 (обработка воды 15 мин)

Опытный образец № 2 (обработка воды 90 мин)

12

-

-

-

24

Появился слабый специфический запах

-

-

36

Запах усилился

Появился слабый специфический запах

48

Резкий запах, очень липкий мякиш

Сильный запах, липковатый мякиш

60

Сильно резкий запах, липкий мякиш

Сильный запах, липкий мякиш


По данным таблицы видно, что признаки поражения картофельной болезнью у опытного образца № 2 были обнаружены на 12 часов позже, чем у контроля. При этом снижается интенсивность развития картофельной болезни по сравнению с контролем.

Таблица 24 - Влияние обработанной воды на развитие картофельной болезни хлеба

Продолжительность хранения хлеба, ч

Признаки поражения картофельной болезнью хлеба


Контроль

Опытный образец № 1 (обработка воды 30 мин.)

Опытный образец № 2 (обработка воды 60 мин.)

12

-

-

-

24

-

-

-

36

Слабый специфический запах

Слабый специфический запах

-

48

Специфический запах

Более сильный специфический запах

Слабый специфический запах

56

Специфический запах

Сильный запах

Сильный запах, липкий мякиш


Признаки поражения картофельной болезни были обнаружены у опытного образца № 2 через 12 часов позже по сравнению с контролем, но процесс развития картофельной болезни идет интенсивнее. Опытный образец № 1 заразился одновременно с контролем, но интенсивность развития выше. Возможно это связано с изменением параметров активации воды плазмой.

2.4.5 Исследование влияния обработанной воды на плесневение хлеба

Для определения влияния обработанной воды на качество хлебобулочных изделий при хранении проводили пробные лабораторные выпечки. Пробные лабораторные выпечки проводились по методике, представленной в разделе 2.2.4. Контрольный образец готовили на обычной питьевой воде, опытные - на обработанной воде, получаемой методом плазмохимической активации.

Полученные результаты исследования представлены в таблице 25.

Таблица 25 - Влияние обработанной воды на плесневение хлеба

Продолжительность  хранения хлеба, сутки

Контроль

Опытный образец № 1 (обработка воды 15 мин.)

Опытный образец № 2 (обработка воды 90 мин.)

7

Появились небольшие очаги плесени

Появились небольшие очаги плесени

-

8

Очаги плесени

Очаги плесени

-

9

Очаги плесени

Очаги плесени

Появились небольшие очаги плесени


Опытный образец № 1 близок к контролю. Опытный образец № 2 хранился на 2 дня дольше. Это связано с угнетающим действием плазмы на микробы.

Таблица 26 - Влияние обработанной воды после хранения на плесневение хлеба

Продолжительность хранения хлеба, сутки

Контроль

Опытный образец № 1 (обработка воды 15 мин)

Опытный образец № 2 (обработка воды 90 мин)

5

Появился очаг плесени

-

-

6

Появились очаги плесени

-

-

7

Плесень

-

-

8

Плесень

Появились очаги плесени

Появился очаг плесени

9

Сильная плесень

Очаги плесени

Слабые очаги плесени

10

Сильная плесень

Плесень

Очаги плесени


По сравнению с контролем опытные образцы хранились на 3 дня дольше. По сравнению с водой до хранения данная вода обнаруживает лучшие бактерицидные свойства.

Таблица 27 - Влияние обработанной воды на плесневение хлеба

Продолжительность хранения хлеба, сутки

Контроль

Опытный образец № 1 (обработка воды 30 мин)

Опытный образец № 2 (обработка воды 60 мин)

7

Появились очаги плесени

-

-

8

Очаги плесени

Появились небольшие очаги плесени

Появился небольшие очаги плесени

9

Сильная плесень

Очаги плесени

Очаги плесени


Опытные образцы № 1 и 2 хранились на один день дольше контроля, интенсивность плесневения у них одинакова.

3. Безопасности и экологичность

В данной научно - исследовательской работе предусмотрено использование активированной воды в хлебопечении. Вода была получена из института РУДН, где она прошла обработку на установке плазменной активации.

Вода питьевая (ГОСТ 2874-82), обрабатывается на экспериментальной установке плазменной активации. При обработке методом плазменной активации питьевая вода по органолептическим, физико-химическим, микробиологическим и показателям безопасности соответствует нормативным требованиям СанПиН 2.1.4.1074-01«Питьевая вода. Гигиенические требования к качеству воды централизованных систем питьевого водоснабжения. Контроль качества».

Мероприятия по безопасному обслуживанию установки при получении обработанной воды не являлись задачей настоящей научно-исследовательской работы. Основное внимание уделили охране труда при работе в технологической лаборатории.

Требования к лабораторным помещениям

1. Для организации работы лаборатории, в зависимости от её профиля, обеспечивается необходимое количество помещений. Помещения лаборатории, в отделениях которых проводится работа с возбудителями заразных болезней, должны располагаться в отдельном здании или в изолированной части здания.

Для определения нитрозоаминов и токсичных элементов с использованием аналитических автоклавов и реакторов минерализации должны быть предусмотрены отдельные помещения.

2. Строительство лабораторий ведется в соответствии с СНиП 2.04.05. - 91 «Пожарная безопасность зданий и сооружений».

. Микроклимат в лабораторных помещениях должен соответствовать требованиям, предусмотренным СанПиН 2.2.4.548-96. «Гигиенические требования к микроклимату производственных помещений», утвержденными Госкомсанэпиднадзором России от 1,10.1996 г.№ 21.

Температура воздуха в лабораторных помещениях должна поддерживаться в пределах 18-21°С. Для районов Ш и IV климатических зон в теплый период года следует устанавливать кондиционеры с охлаждением воздуха.

Таблица 28 - Нормы микроклимата в рабочей зоне лабораторных помещений

Сезон года

Категории работ

Температура воздуха, С

Относительная влажность воздуха, %

Скорость движения воздуха, м/с не более

Холодный и переходный период

Легкая 1

20-23

60-40

0,2

Теплый период

Легкая 1

22-25

60-40

0,2


. Все помещения лаборатории должны иметь естественное и искусственное освещение, отвечающие требованиям, предусмотренным СНиП 2305-95. «Естественное и искусственное освещение. Нормы проектирования». Для отдельных комнат допускается отсутствие естественного освещения.

Таблица 29 - Нормируемая освещенность на рабочих местах в лаборатории

Помещения

Искусственное освещение, лк

Естественное освещение КЕОен, %



При верхнем или верхнем боковом освещении

При боковом освещении




В зоне с устойчивым снежным покровом

На остальной территории

Лаборатория

400

-

1,2

1,5

5. Отопление, вентиляция и кондиционирование помещений следует предусматривать в соответствия с СНиП 2,04.05-91 «Отопление, вентиляция и кондиционирование».

Помещения, предназначенные для проведения работ с вредными веществами, должны быть оборудованы вытяжными шкафами с принудительной вентиляцией, обеспечивающей скорость движения воздуха в пределах 0,5-0,7 м/с. Электрическое освещение в вытяжных шкафах должно быть выполнено во взрывозащищенном исполнении.

Лаборатория должна быть обеспечена боксами с приточно-вытяжной вентиляцией с механическим побуждением, центральным отоплением.

Принцип расчета вентиляции должен быть построен так, чтобы давление в лабораторных комнатах было несколько выше, чем в коридорах. Воздух из лабораторий в коридоры должен проходить через верхнее отверстие, оборудованное фильтровальными установками.

Кратность воздухообмена в помещении n (в ч) характеризует интенсивность вентиляции и показывает сколько раз в час необходимо заменить воздух в помещении:


где L - количество необходимого воздуха, м/с,

V - объем вентилируемого помещения.

Помещения должны оборудоваться легко открываемыми фрамугами и форточками, обеспеченными в летнее время мелкими сетками.

. Шум в лаборатории должен нормироваться в соответствии с СН.2.2.4/2.1.8.582 - 96 «Шум на рабочих местах, в помещениях жилых, общественных зданий и на территории жилой застройки» [34].

7. Лаборатория должна быть обеспечена водопроводом и канализацией.

В случае отсутствия в населенном пункте водопровода и канализации, устраивают местный водопровод, канализацию и очистительные сооружения с обеззараживающими установками.

В лаборатории должны быть оборудованы водопроводные раковины для мытья рук персонала и раковины, предназначенные для мытья инвентаря. Высушивание рук производится электрополотенцами.

8. Помещение лаборатории должно быть газифицировано. Газовые краны вытяжных шкафов должны быть расположены у передних бортов с учётом устранения возможности их случайного открывания. Штепсельные розетки должны размещаться на торцевой стороне рабочего стола вне вытяжного шкафа.

. Стены в лабораторных помещениях должны быть облицованы глазурованной плиткой на высоту в 1,5 метра или выкрашены масляной краской светлых тонов. Ширина основных проходов к рабочим местам или между двумя рядами оборудования должна быть не менее 1,5 метров с учётом выступающих конструкций в соответствии с СНиП 2.08.02-89 «Общественные здания и сооружения», утвержденными Госстроем СССР, 1989.

10. Помещения лаборатории должны быть непроницаемые для грызунов. Полы в лабораторных помещениях покрываются линолеумом или релином.

. Помещения лабораторий должны располагаться по ходу производства анализов и обеспечивать рациональный порядок проведения исследований.

. В коридорах или доступных местах должны быть размещены щиты с набором противопожарного инвентаря и установлены пожарный гидрант и огнетушитель. Огнетушитель следует также размещать в помещениях, где проводится работа с огне- и взрывоопасными реактивами и опасными в пожарном отношении нагревательными приборами.

Правила работы в лабораториях

Общие правила

. Каждый сотрудник лаборатории должен иметь закреплённое за ним рабочее место. Перед началом работы следует одеть спецодежду, которая хранится в индивидуальных шкафчиках, раздельно от верхней одежды. Тип защитного костюма и чистота его смены определяются в зависимости от характера выполняемой работы.

. При работе со стеклянными приборами необходимо соблюдать следующие приёмы:

.1 Защищать руки полотенцем при сборе стеклянных приборов или соединений отдельных частей их с помощью каучука. При разламывании стеклянных трубок придерживать левой рукой трубку около надпила.

.2 При закрывании колбы, пробирки или другого тонкостенного сосуда пробкой держать сосуд за верхнюю часть горлышка ближе к месту, куда должна быть вставлена пробка, защищая руку полотенцем.

. Чтобы избежать травмирования при резании стеклянных трубок, сборке и разборке приборов, изготовленных из стекла, необходимо соблюдать следующие меры безопасности:

.1 Стеклянные трубки небольшого диаметра ломать после надрезки их напильником, предварительно защитив руки полотенцем.

.2 Собирать стеклянные приборы и стеклянные детали в местах, оборудованных подкладками (пеноуретан или резина ).

. При переливании жидкостей необходимо пользоваться воронкой.

. Нагревая жидкость в пробирке, необходимо держать последнюю так, чтобы отверстие было направлено в сторону от себя. При переносе сосуда с горячей жидкостью следует пользоваться полотенцем, сосуд при этом необходимо держать обеими руками: одной за дно, другой за горловину.

. Работы, при проведении которых возможно бурное течение процесса, перегрев стеклянного прибора или его поломка с разбрызгиванием горячих и едких продуктов, должны выполняться в вытяжных шкафах на противнях. Работу проводят в очках, перчатках и резиновом фартуке.

. При закупоривании сосудов с реактивами пробками, следует учитывать свойства реактивов. Резиновые пробки сильно набухают под действием некоторых реактивов - спирта, бензола, ацетона, эфира. Щёлочь нельзя закупоривать притёртыми пробками. Внутренняя поверхность горла сосуда смачивается щёлочью, а затем под влиянием углекислого газа между пробкой и горлом образуются карбонаты, которые заклинивают пробку.

. Для предотвращения переутомления и порчи зрения при микроскопировании и пользовании другими оптическими приборами необходимо обеспечить правильное освещение поля зрения, предусмотренное для данного микроскопа или прибора, не закрывать не работающий глаз, работать попеременно то одним то другим глазом и делать перерывы на 5 минут через каждые 30 минут работы.

. Насасывание в пипетки растворов химических реактивов и жидкостей производят с помощью резиновой груши или автоматической пипетки, насасывание ртом не допускается.

. Использованную химическую посуду и приборы, содержащие кислоты, щёлочи и другие едкие и вредные вещества освобождают от остатков этих веществ, обезвреживают и передают в мойку.

. С целью контроля за загрязнением воздуха в санитарно-гигиенических отделениях лабораторий следует периодически (не реже одного раза в квартал и при подозрении) брать анализы на вредные вещества.[36]

. Сотрудники лабораторий и отделений должны проходить ежегодно диспансеризацию в соответствии с действующим приказом.

В помещении лаборатории запрещается:

-   Оставлять без присмотра зажжённые газовые горелки и другие нагревательные приборы, работать на горелках с неисправными кранами.

-        Убирать случайно пролитые огнеопасные жидкости при зажжённых горелках и включённых нагревательных приборах.

         Зажигать огонь и включать ток, если в лаборатории пахнет газом. Предварительно необходимо определить и ликвидировать утечку газа и проветрить помещение.

         Проводить работы при неисправной вентиляции.

- Производить перегонку, экстрагирование и другие работы с вредными химическими веществами при неисправной вентиляции в вытяжном шкафу.

- Держать голову в полости шкафа и над сосудами с испаряющимися веществами.

-   Пробовать на вкус и вдыхать неизвестные вещества.

-        Хранить и применять реактивы без этикеток, курить, хранить и принимать пищу в лаборатории.

- Хранить запасы ядовитых сильнодействующих, взрывоопасных веществ и растворов на рабочих столах и стеллажах;

Пользоваться стеклянной посудой с надколами, трещинами, острыми краями;

Нагревать на открытом огне сосуды с ядовитыми сильнодействующими веществами.

-   Работать без специальной или санитарной одежды и предохранительных приспособлений.

Правила работы в химических лабораториях

1. В лабораториях используются в работе кислоты, щелочи, ядовитые вещества. Едкие и агрессивные вещества (кислоты- соляная, серная, азотная, фтористоводородная и другие), а также концентрированные растворы щелочей и сухие щелочи - едкий натр, раствор аммиака ), попадая на кожу, вызывают ожоги, напоминающие термические.

. Особая опасность кислот и щелочей заключается в возможности поражения ими глаз, поэтому для предупреждения ожогов все работающие в лаборатории обязаны пользоваться очками.

. При работе с концентрированными кислотами и щелочами соблюдают следующие меры предосторожности:

-     всю работу проводят в вытяжном шкафу;

-        кроме очков надевают резиновые перчатки, фартук;

         концентрированную кислоту отбирают из сосуда только при помощи специальной пипетки с грушей или сифоном;

         при приготовлении разведенных растворов кислот вначале в сосуд наливают необходимое количество воды, а затем понемногу приливают кислоту;

         запрещается наливать воду в кислоту;

         при приготовлении растворов щелочей определенную навеску щелочи опускают в большой сосуд с широким горлом, заливают необходимым количеством воды и тщательно перемешивают. Куски щелочи следует брать только щипцами;

         концентрированные кислоты и щелочи выливают в раковину после предварительной их нейтрализации;

         концентрированные кислоты и щелочи хранят в специально отведенных помещениях, оборудованных вентиляцией.

. При мойке посуды хромовой смесью необходимо остерегаться попадание смеси на кожу, одежду и обувь.

. Пролитую щелочь необходимо засыпать песком, затем удалить песок, залить это место сильно разбавленной соляной кислотой или уксусом. После этого удалить кислоту тряпкой, вымыть стол и перчатки.

. Если пролита кислота, то ее надо засыпать песком, а затем удалить песок и засыпать содой, затем соду удалить и промыть место большим количеством воды.

Правила работы со стеклянной лабораторной посудой

1. При манипуляциях со стеклянными трубками, при сборе стеклянных приборов или соединении отдельных частей их с помощью каучука необходимо защищать руки полотенцем.

. При закупоривании колбы, пробирки или другого тонкостенного сосуда пробкой следует держать сосуд за верхнюю часть горлышка ближе к месту, куда должна быть вставлена пробка, защищая руку полотенцем.

З. Оплавлять и смачивать водой концы трубок и палочек следует до надевания каучука; при плавлении концов трубок и палочек следует пользоваться держателем.

. Стеклянные трубки небольшого диаметра можно ломать только после подрезки их напильником.

. Острые края стеклянных трубок или палочек необходимо оплавлять.

. При сборке приборов (вставка стеклянных трубок в резиновые пробки или трубки) следует смочить водой, глицерином или вазелиновым маслом стеклянную трубку снаружи и внутренние края резиновой трубки или отверстие в пробке.

. Собирать стеклянные приборы и стеклянные детали следует в местах, оборудованных специальными подкладками.

. При вставке стеклянных трубок или термометра в просверленную пробку последнюю держать за боковые стороны (в ладонь не упирать), а трубку или термометр держать как можно ближе к вставляемому в пробку концу.

. Запрещается пользоваться стеклянной посудой, имеющей надколы, трещины и острые края.

Работа с лабораторным электрооборудованием

Оборудование и приборы, используемые в лаборатории должны иметь сертификаты и разрешение на применение в Российской Федерации.

Производственные оборудование и аппаратура должны быть выполнены в безопасном исполнении и соответствовать ГОСТ 122.025.

. Для каждого вида аппаратуры, механизмов или оборудования, установленных в лаборатории, должна быть составлена инструкция по их эксплуатации и вывешена на рабочем месте, периодически через каждые два года она переутверждается. Кроме того, на видных местах необходимо вывешивать плакаты по технике безопасности.

. При эксплуатации приборов и аппаратов необходимо строго руководствоваться правилами, изложенными в техническом паспорте. Приборы должны быть заземлены, если этого требует инструкция по их эксплуатации. Исправность электроприборов, работающих круглосуточно, должна проверяться ежедневно, а работающих периодически - один раз в два месяца.

Инструкция по безопасной работе с электрооборудованием

Запрещается использование в качестве экстренного заземления водопроводных труб, сети центрального отопления, канализации, трубопроводов, покрытых изоляцией, для защиты от коррозии, заземлителей, молниеотводов.

Запрещается оставлять приборы включёнными на ночь. В случае крайней необходимости этот вопрос следует согласовать с электриком и организовать дежурство на приборе сотрудников.

При нарушении работы электроприбора (запах, выделение дыма, изменение характера шума и тд.) прибор отключают от сети и не используют до проверки и проведения необходимого ремонта.

Электроплиты, печи и другие нагревательные приборы устанавливаются на асбесте или другом теплоизолирующим материале, содержат чистыми и не допускают попадания на них кислот, растворов солей, щелочей и т.д.

Электроприборы включаются в сеть с соответствующим прибору напряжением. Все работы по монтажу и ремонту их проводят при отключении от электросети.

- Категорически запрещается пользоваться в лаборатории самодельными электроприборами и нагревательными приборами, неисправными включателями, розетками, электрошнурами и другим электрооборудованием, а также производить ремонт электрооборудования лицам, не связанным с этой работой.

При прекращении подачи тока в лабораторию, необходимо отключить все электроприборы.

Запрещается в термостат и сушильный шкаф ставить легковоспламеняющиеся вещества.

При эксплуатации центрифуг необходимо перед включением проверить хорошо ли навинчена крышка к корпусу, запрещается после включения тормозить ротор рукой [36].

. Газовые горелки содержатся в чистоте и порядке, для чего их периодически разбирают и прочищают. Газовые горелки должны иметь исправные краны и мягкие соединительные шланги, не допускающие проникновения газа в помещения. При вводе газовой сети в лабораторию устанавливают общий газовый кран, который закрывают в конце рабочего дня.

. Центрифугирование должно проводиться специально обученным персоналом. Если в процессе центрофугирования разбивается пробирка, содержащая заразный материал, центрифугу необходимо отключить от сети и произвести очистку и обеззараживание загрязнённых мест.

. При эксплуатации термостата необходимо соблюдать следующие требования: запрещается ставить в термостат легковоспламеняющиеся вещества. Нельзя снимать защитные колпаки от регулирующих устройств без электромонтёра. Производить очистку термостата только после отключения его от сети.

Заключение


В данном разделе были представлены мероприятия по безопасной работе в технологической лаборатории.

Правила безопасности при работе со стеклянной посудой и электрооборудованием необходимо строго соблюдать и уделять им самое пристальное внимание.

Обслуживание установки плазменной активации требует специальных исследований и разработки целого комплекса мероприятий, что не являлось предметом исследования данной научной работы.

Выводы и практические рекомендации

1. Подъемная сила дрожжей образца с водой, обработанной 90 минут, увеличивается по сравнению с контролем на 27,5%, у образца с водой после хранения уменьшается на 19,7 %, у опытного образца с водой, обработанной 60 минут, уменьшается на 2,2 % .

Наблюдается укрепление упругих свойств клейковины опытного образца с водой, обработанной 90 минут, на 43,3% по сравнению с контролем, у образца с водой после хранения на 8,8 %. Упругие свойства опытных образцов с водой, обработанной 30 и 60 минут, почти одинаковы и лучше по сравнению с контролем на 10,2 и 9,7 % соответственно.

Гидратационная способность у опытного образца с водой, обработанной 90 минут, выше, чем у контроля на 9,3 %. Гидратационная способность образцов с водой после хранения соответствует контролю. Гидратационная способность у образца с водой, обработанной 60 минут, выше на 8,9 %.

2. Формоустойчивость у опытных образцов с водой, обработанной 15 и 90 минут, повышается на 4,3 % и 10,9 % по сравнению с контролем соответственно. Объемный выход снижается по сравнению с контролем на 2,4 % и 24 % соответственно. По органолептической оценке тесто имеет более упругие свойства и тяжелее поддается разделке. Формоустойчивость у опытных образцов с водой после хранения выше, чем у контроля, на 13,6 % и 27,3 % соответственно, показатель объемного выхода ниже на 2,8 % и 5,3 %. Формоустойчивость опытных образцов с водой, обработанной 30 и 60 минут, выше по сравнению с контролем на 2% и 20 % соответственно. Показатели объемного выхода ниже на 21,3 % и 26,6 %.

3. Признаки заражения картофельной болезнью у образца с водой, обработанной 90 минут, обнаружены одновременно с контролем, но при этом интенсивность ее развития была ниже. У образца с водой после хранения признаки заражения обнаружены на 12 часов позже, чем у контроля. При этом снижается интенсивность развития картофельной болезни. Признаки заражения обнаружены у образца с водой, обработанной 60 минут, на 12 часов позже по сравнению с контролем, у образца с водой, обработанной 30 минут, одновременно с контролем. Но процесс развития картофельной болезни у опытных образцов идет интенсивнее.

. Образец с водой, обработанной 90 минут, хранился на 2 дня дольше по сравнению с контролем. У образцов с водой после хранения признаки плесневения появились на 3 дня позже. Образцы с водой, обработанной 30 и 60 минут, хранились на один день дольше контроля.

По результатам научно-исследовательской работы можно дать следующие рекомендации:

обработанная вода может являться регулятором реологических свойств теста при переработке муки со слабой клейковиной, степень влияния воды на реологические свойства теста и качество хлеба будет определяться временем ее обработки;

при использовании обработанной воды укрепляются реологические свойства теста, поэтому можно рекомендовать увеличивать количество воды, вносимой при замесе теста, в связи с чем будет повышаться выход хлеба;

обработанная вода после хранения оказывает лучшее воздействие на показатели качества сырья, свойства полуфабрикатов и качество готового хлеба. Сохраняются бактерицидные свойства воды и улучшается ее воздействие на активность дрожжей. Следовательно, рекомендуется использовать обработанную воду после хранения;

рекомендуется использовать обработанную воду в технологии хлебобулочных изделий для предотвращения развития картофельной болезни, особенно в южных регионах и в летнее время;

рекомендуется использовать обработанную воду для продления сроков хранения хлебобулочных изделий, особенно для изделий длительного хранения.

Список литературы

1. Хаустов А.П., Кукольщикова С.Б. Использование электрохимических методов для очистки сточных вод и водоподготовки. Реферат. - М.: РУДН, 2000.

2. Бахир В.М., Репетин Е.А. Факторы реакционной способности электрохимически активированных растворов (интернет).

3. Рахманинов Ю.А. Вода - космическое явление. - М.: изд-во РАЕН, 2002 - с. 427.

4. Lennard-Jones J., Pople J.A. / Proc. Roy. Soc. 1950. A202. P.16 - 180.

5. Hall L. Phys. Rev. 1948. V.73. P. 775 - 781.

. Гуриков Ю.В. Журнал структурной химии. Т.5, 1964 - с.188 - 192.

. Военно-авиационный словарь. - М.: Воениздат, 2002.

. Бункин Н.Ф., Бункин Ф.В. Бабстоны, стабильные газовые микропузырьки в сильно разбавленных растворах электролитов. ЖЭТФ, 1992., Т.101., Вып. 2., с. 512 - 527.

9. Возная Н.Ф. Химия воды и микробиология: Учебн. пособие для вузов. - 2-е изд., перераб. и доп. - М.: Высш. школа, 1979. - 340 с.

.Классен В.И. и др. Коллоидный журнал, 1966, 1, с. 153-154.

. Зеленков В.Е.Труды института Казмеханобр - М.: Металлургия, 1970.

. Зеленков В.Е. Труды института Казмеханобр, 1971.

. Вопросы теории и практики магнитной обработки воды и водных систем. Сборник второго всесоюзного совещания. - М.: Цветметинформация, 1971.

14. Ауэрман Л.Я. Технология хлебопекарного производства: Учебник. - 9-е изд.; перераб. и доп./ Под общ. ред. Л.И. Пучковой. - СПб: Профессия, 2005. - 416 с.

15. Пучкова Л.И., Поландова Р.Д., Матвеева И.В./ Технология хлеба - СПб, ГИОРД, 2005. - 559 с.

. Цыганова Т.Б. Технология и организация производства хлебобулочных изделий: учебник для студ. сред. проф. Образования. - М.: Издательский центр «Академия», 2006. - 448 с.

. Мазур П.Я. Вода в технологии приготовления хлеба - Воронеж: ВГТА, 2001- 210 с.

. Журнал «Эксперт» 13-19 ноября 2006 № 42 (536).

. Яковлев С.В., Карелин Я.А., Ласков Ю.М., Воронов Ю.В. Очистка производственных сточных вод: Учебное пособие для студентов вузов - М.: Стройиздат, 1979. - 320 с.

. Корчагин В.И. Использование особо подготовленной воды и полифункциональных добавок в производстве хлебобулочных изделий. Дис. канд. тех. наук: 05.18.01 - Воронеж, 2001 - 206с.

21. Использование плазмы в химических процессах, пер. с англ. - M.: 1970.

. Плазмохимические реакции и процессы. - M.: 1977.

. Компанией В.З., Овсянников А.А., Полак Л.С. Химические реакции в турбулентных потоках газа и плазмы. - M.: 1979.

А.А. Овсянников. Плазмохимия-87, ч. 1-2. - M.: 1987.

25. Научный отчёт по гранту РФФИ № 02-03-32883 "Комплексное изучение фундаментальных химико-физических свойств и процессов плазмохимической активации водных растворов" за 2004г. (под ред. А.Г.Сокольского) (итоговый отчёт по гранту) //вебсайт РФФИ www.rfbr.ru, 28.12.04. - 91с.

. Кутепов А.М., Захаров А.Г., Максимов А.И.. Физика и химия взаимодействия плазмы с растворами. - ДАН.: 1997, т.357, N6. - с.782.

27. O.B. Zaika, V.P. Bakhar, E. Levin. Device for Water Activation, Principally of Chemical Pure and Potable, in a Medium of Electric Non-self-maintained Glow Discharge. IPC6: C02F 1/00.1/46, B01J 19/08. - International Patent Application PCT/US02/02121.

. Мартынова.А.П. Методические указания. Безопасность и жизнедеятельность, 2002.

. Правила устройства, техники безопасности и производственной санитарии, и личной гигиеной при работе в лабораториях. М.З.Р.Ф М: Москва, 1987.

. Инструкция по безопасной работе с электрооборудованием. 1989. - с. 25. www.sibpatent.ru/default.asp/ - Частное техническое решение.

Интернет-источники

. http://izumrud.spedia.net/ - Электрохимическая активация.

. http://ramsey.nm.ru/ - Ю.А. Бережнев.

. www.ecofilter.ru/

. www.eemkzn.ru/prod_003_004.shtml.

Похожие работы на - Подготовка воды для производства хлебобулочных изделий

 

Не нашли материал для своей работы?
Поможем написать уникальную работу
Без плагиата!
Без нейросетей!