|
Проектные параметры
|
Номер варианта
|
|
1
|
2
|
3
|
4
|
5
|
6
|
7
|
8
|
9
|
0
|
|
РZ, Н LmaxM, м LminM, м MП, Н*м lП, м lКОН, м μ=lc/lр lК, м hК, м h3, м hЕ, м lЕ, м Н/, м h, м с/,
м с, м d, м Q, м3 VХЛ, м3 PН, Па
|
11*103 3,5 1,7
20*103 0,2 0,9 1,1 1,5 1,2 0,7 0,3 0,2 2,3 0,5 0,4 0,6
0,3 3 0,2 107
|
12*103 4 1,8
22*103 0,2 0,95 1,2 1,6 1,6 0,7 0,3 0,2 2,4 0,5 0,4 0,6
0,3 4 0,24 107
|
13*103 4,5 1,9
24*103 0,25 1,0 1,25 1,7 1,3 0,8 0,4 0,3 2,5 0,5 0,5
0,7 0,35 4,5 0,3 107
|
14*103 5 2,0
26*103 0,25 1,1 1,3 1,8 1,3 0,8 0,4 0,4 2,6 0,6 0,6 0,8
0,4 5 0,35 107
|
15*103 5,5 2,1
28*103 0,25 1,2 1,35 1,9 1,4 0,9 0,5 0,4 2,7 0,6 0,6
0,8 0,4 6 0,4 107
|
16*103 6 2,2
30*103 0,25 1,35 1,3 2,0 1,4 1,0 0,5 0,5 2,8 0,6 0,7
0,9 0,4 8 0,45 107
|
17*103 6,5 2,3
35*103 0,3 1,4 1,2 2,1 1,5 1,2 0,6 0,5 2,9 0,7 0,7 0,9
0,4 10 0,5 107
|
18*103 7 2,4
40*103 0,3 1,5 1,4 2,2 1,5 1,3 0,6 0,5 3,1 0,7 0,8 1,0
0,45 12 0,6 107
|
19*103 7,5 2,5
45*103 0,35 1,6 1,25 2,3 1,6 1,3 0,7 0,6 3,3 0,8 0,9
1,1 0,5 16 0,8 107
|
20*103 8 2,6
50*103 0,4 1,75 1,3 2,5 1,8 1,5 0,8 0,8 3,5 1,0 1,0 1,3
0,6 20 1,0 107
|
Примечание: PZ -
грузоподъемная сила манипулятора на максимальном вылете; MП -
максимальный момент поворота манипулятора вокруг центральной оси поворотной
колонки; lП - плечо действия усилия гидроцилиндра поворота
манипулятора; Q - объём трелюемой пачки; VХЛ - средний объём хлыста
в пачке; PН - максимальное давление в гидросистеме. Остальные
геометрические параметры понятны из рисунка 1.1.
Масштаб построения ККС манипулятора выбирается таким образом, чтобы ККС
не давала существенных погрешностей при снятии с неё геометрических размеров,
используемых в расчётах. На листе ватмана или миллиметровки вначале
прочерчивается горизонтальная линия уровня земли с учётом того, что точка N в
положении захвата над коником (см. рисунок 1.1, Б) будет находиться примерно на
расстоянии 2Н/ от уровня земли. На проекциях ККС «вид сбоку»
(рисунок 1.1, Б) и «вид сзади» (рисунок 1.1, A) наносятся вертикальные линии
продольной оси поворотной колонки. На них откладывается точка D на расстоянии Н/
от уровня земли. Затем строится точка О в трёх положениях. Положение точки О на
максимальном и минимальном вылетах легко находится по данным таблицы 1.1 Для
построения положения точки О над коником требуется нанести на ККС по данным
таблицы 1.1 положение точки К коника и определить расстояние hП
точки О от поверхности земли.
Из рисунка I.I, Б
hП=hК+h3+hГП
Размеры hК и h3 даны в таблице 1.1, а размер hГП студент получает из построения
габарита пачки по высоте (рисунок 1.1, C), выполняемого в масштабе. Для этого из рисунка 1.2
необходимо найти средний диаметр заданного дерева на уровне груди D1,3 по
среднему объёму хлыста VХЛ.
Затем находится количество деревьев в пачке
Такое количество средних деревьев укладывается в круглое или овальное
ложе, образуемое опорной балкой и зажимными рычагами коникового зажимного
устройства, вплотную ствол к стволу. Так как схема выполняется в масштабе, то с
неё снимается искомый размер hГП, как показано на рисунке 1.1, С. В
результате находится и размер hП, по которому строится точка О в
положении захвата над коником.
Рисунок 1.2 Зависимость объема хлыста от диаметра на уровне груди(2
разряд высот)
Дальнейшее построение ККС сводится к вычерчиванию осевых линий стрелы и
рукояти, продольные размеры которых lС и lР находятся по следующим формулам [I]
Местоположение
шарнира А соединения рукояти со стрелой для трёх кинематических положений
манипулятора находится на ККС на пересечении дуг, описанных радиусом lC из соответствующих точек D, и радиусом
из соответствующих точек О. Размер АВ/
выбирается конструктивно с учётом примерной величины кронштейна проушин шарнира
А на рукояти. Соединив точки D и А прямой, получим кинематические положения стрелы для
трёх рассматриваемых случаев. Кинематические положения рукояти получаются путём
проведения из точек О касательных к окружностям, описанным радиусом АВ’ вокруг
точек А. Длина хвостовика B/N принимается конструктивно в процессе привязки привода
рукояти.
Следующим
шагом построения ККС является привязка (компоновка) гидроцилиндров привода
стрелы и рукояти. Схему привязки гидроцилиндров приводов целесообразно
выполнять отдельно от основной ККС, но тоже обязательно в масштабе (см. рисунок
1.1, Д). Для этого вычерчиваются следующие кинематические положения:
· стрелы при
положении захвата над коником и при
;
· рукояти при
и при минимальном угле поворота рукояти относительно
осевой линии стрелы (φmin), который замеряется на основной ККС.
Рассмотрим сначала компоновку гидроцилиндра привода стрелы. Одной своей
проушиной гидроцилиндр должен шарнирно соединяться со стрелой, другой - с
корпусом поворотной колонки. Чтобы привязка гидроцилиндра считалась
удовлетворительной, она должна отвечать следующим требованиям: проушина
шарнирной связи гидроцилиндра с поворотной колонкой (точка Е/ на
рисунке 1.1) должна размещаться в заданной зоне безопасности гидроцилиндра, не
выходя за её границы (эта зона на рисунке 1.1, Д заштрихована в клетку);
присоединённый к стреле и поворотной колонке гидроцилиндр должен полным ходом
штока обеспечить перевод стрелы в её крайние положения; для всех положений
стрелы должно существовать плечо между продольной осью гидроцилиндра привода
стрелы и точкой D.
Вначале
прикидочно находятся предельные значения возможных диаметров гидроцилиндров
стрелы (из уравнения равновесия манипулятора без учёта сил тяжести при
):
где
- соответственно максимальный и минимальный возможные
диаметры гидроцилиндров стрелы;
k - коэффициент,
показывающий, какая часть веса дерева (пачки деревьев) приходится на захват, k=0,5;
-
максимальное и минимальное расстояние от точки D до продольной
оси привязываемого гидроцилиндра привода стрелы.
Плечи
приближённо определяются путём замера на ККС
расстояния от точки D до ближайшей и самой удалённой точек заданной зоны
безопасности гидроцилиндра стрелы. Затем из каталога объёмных гидроприводов
([2] или приложение) для одного гидроцилиндра, произвольно выбранного из
совокупности гидроцилиндров с диаметрами поршня от
, берётся его длина при полностью вдвинутом штоке
(см. приложение), и при полностью выдвинутом штоке
. Имея эти данные студент приступает непосредственно к
привязке гидроцилиндра привода стрелы. Для этого вначале на стреле в её двух
крайних положениях произвольно наносится точка Q
предполагаемого положения шарнира связи стрелы и гидроцилиндра её привода. Из
точки Q в положении манипулятора над коником проводится в
зоне безопасности дуга радиусом L/Ц. Если точка пересечения этих дуг (точка Е/)
окажется расположенной в зоне безопасности, то задача привязки гидроцилиндра
привода стрелы считается выполненной. Если же точка Е/ оказалась вне
заданной зоны безопасности, то построение продолжают при изменённом расстоянии DQ
или при другой, вновь взятой из каталога, длине LЦ и соответствующей ей длине L/Ц до тех
пор, пока точка Е/ не окажется в зоне безопасности.
,
где
lOA - расстояние по горизонтали между точками О и А (см.
рисунок 1.1, Д);
hP -
кратчайшее расстояние между возможным направлением оси гидроцилиндра рукояти
(берётся на ККС предварительно параллельным осевой линии стрелы) и точкой А
(см. рисунок 1.1, Д);
-
отношение диаметра штока к диаметру поршня гидроцилиндра,
для
м;
для
м.
По
полученному DP из приложения предварительно выбираются размеры
гидроцилиндра рукояти
и
. Затем
из точки N на рукояти (см. рисунок 1.1, Д) в её крайнем
положении при
проводится дуга радиусом
, а из точки N в положении рукояти при
проводится дуга радиусом
. Точка пересечения этих дуг и является искомой точкой
В на стреле. После привязки гидроцилиндров на схеме Д они схематично, но в
масштабе, изображаются на основной ККС.
При
выполнении лабораторно-практических занятий студенту выдаётся готовая
компоновочно-кинематическая схема (ККС) манипулятора и задаются следующие
исходные данные для дальнейших расчётов по вариантам из таблицы 1.1:
· грузоподъемная сила манипулятора на максимальном вылете- PZ;
· максимальный момент поворота манипулятора вокруг оси
поворотной колонки - MП ;
· плечо действия усилия гидроцилиндра поворота манипулятора - lП ;
· максимальное давление в гидросистеме - РН .
.2 Расчёт и выбор приводов шарнирно-сочленённых
гидроманипуляторов
Начертим расчётную схему манипулятора и приложим к нему все внешние силы
и моменты, гидроцилиндры подъёма стрелы, рукояти и механизма поворота заменим
реакциями связи (рисунок 1.3).
Условно обозначены:
РС, РР, РП - соответственно, усилия
гидроцилиндров подъёма стрелы, привода рукояти и поворота манипулятора, Н ;
GC, GP, G3 - соответственно, силы тяжести стрелы, рукояти и рабочего
органа, в данном случае захвата, Н ; Со стороны дерева на манипулятор (захват)
действуют реакции РХ и РZ в продольной плоскости, РY_ в поперечной плоскости ,и реактивный момент МР
.
Для
удобства перенесём силу РХ в т.О. При переносе появляется момент
, направленный в противоположную сторону моменту МР
. Следовательно эти моменты уравновесят друг друга и их со схемы можно убрать.
Расчёт
усилий привода стрелы производится из условия обеспечения максимальной
грузоподъёмности манипулятора на максимальном вылете (
).
Рисунок 1.3 Расчетная схема манипулятора
Для этого расчётного случая РХ=0 , т.к. манипулятор
осуществляет только подъём груза без его подтаскивания.
Рассмотрим равновесие манипулятора в вертикальной продольной плоскости.
Отсюда
Силы
тяжести стрелы и рукояти обычно прикладывают на расстоянии 1/3 их длины от оси
вращения. Их значения определяются по эмпирическим формулам [I]
Размеры
снимаются с ККС манипулятора при
.
Усилие
РС создаётся силами давления рабочей жидкости на поршень
гидроцилиндра стрелы, т. е.
Отсюда
диаметр гидроцилиндра привода стрелы
где
fП -
коэффициент сопротивления движению волочащейся части пачки, fП=0,8-1,0.
Рассмотрим
равновесие рукояти при
(см. рисунок 1.4).
Отсюда
Усилие
РР создаётся силами давления рабочей жидкости на поршень
гидроцилиндра рукояти
Рисунок
1.4 Расчетная схема рукояти
Тогда
диаметр поршня гидроцилиндра привода рукояти
Усилие
гидроцилиндра механизма поворота
Диаметр
поршня гидроцилиндра механизма поворота
Ход
штоков гидроцилиндров находят из компоновочно-кинематической схемы
манипулятора. По найденным параметрам из каталогов окончательно выбираются
соответствующие гидроцилиндры.
1.3 Расчёт на прочность рукояти манипулятора
Расчёт рукояти манипулятора производится для случая подтягивания дерева с
одновременным поворотом манипулятора на минимальном вылете. Расчёт сводится к
построению эпюр изгибающих моментов в вертикальной продольной и поперечной
плоскостях, крутящего момента, сжимающих или растягивающих сил и определению по
допускаемым напряжениям размеров наиболее характерных сечений рукояти.
Для
построения эпюр рукоять в масштабе располагают в горизонтальном положении и
прикладывают все силы (рисунок 1.5), которые затем разлагают вдоль осевой линии
и по нормали к ней. Углы наклона сил берутся из ККС манипулятора при
(см. рисунок 1.4).
Рисунок 1.5 Схема нагружения рукояти в продольной вертикальной плоскости
Для построения эпюры изгибающих моментов в продольной вертикальной
плоскости (М1) находятся её ординаты.
В сечении 0 :
М1=0
В сечении СР :
,
где
КД - коэффициент, учитывающий динамические нагрузки, КД=1,5.
В
сечении А :
В сечении N :
М1=0
Для построения эпюры растягивающих или сжимающих сил определяются её
ординаты.
На участке ОСР растягивающая сила
На
участке СРА растягивающая сила
На
участке NA растягивающая сила

Отсюда
Ординаты эпюры M2 (см. рисунок 1.4)
В сечении 0 :
В
сечении А :
Участок
ОА рукояти испытывает так же кручение по всей длине от силы PY (см. рисунок 1.4).
Из
построенных эпюр определяются наиболее нагруженные сечения. Сечение рукояти
может иметь различную конфигурацию. Примем расчётное сечение в виде
прямоугольной коробчатой формы, симметричное относительно нейтральных осей xx и yy
(рисунок 1.6).
Рисунок 1.6 Расчетное сечение рукояти
Принимаются,
в первом приближении, размеры сечения и выполняется проверочный расчёт
прочности выбранного сечения. Обычно
принимается
равным отношению
. В этом сечении действуют изгибающие моменты в
вертикальной продольной М1 и в поперечной М2 плоскостях,
крутящий момент Мкр и растягивающая сила Nраст, т.е. оно испытывает сложное нагружение. Наиболее
нагруженными являются, как правило, точки наиболее удалённые от центра тяжести.
Возьмём точку К.
Нормальное
напряжение от момента М1
где
JX - момент инерции сечения относительно оси хх, м4.
Нормальное
напряжение от момента М2
где
JY - момент инерции сечения относительно оси yy, м4.
Примем
толщину стенок по периметру сечения одинаковой. Тогда
где δ - толщина стенок, δ=0,006-0,008 м.
Нормальное напряжение от растягивающей силы Nраст
где
FA - площадь сечения, м2.
Результирующее
нормальное напряжение
Касательное
напряжение от крутящего момента Мкр
Jкр - момент инерции сечения при кручении, м4.
Приведённые
напряжения в точке К
Далее
определяется коэффициент запаса прочности
где
σТ - предел
текучести материала, МПа.
Для
стали 15ХСНД σТ=300 МПа.
Рекомендуемый
коэффициент запаса прочности nрек=1,5 -
2,5.
Если
принятые размеры сечений отвечают требованиям прочности
(n=1,5-2,5),
то студент приступает к разработке конструкции рукояти, с учётом обоснованных
выше размеров её сечений.
1.4 Расчёт на прочность стрелы манипулятора
Расчёт стрелы манипулятора на прочность выполняется для трех возможных
случаев опасного напряжения:
) при подъёме груза на максимальном вылете с одновременным
поворотом манипулятора;
2) при подтаскивании груза на среднем вылете с одновременным
поворотом манипулятора;
3) при подтаскивании груза на минимальном вылете с одновременным
поворотом манипулятора.
В
курсовом проекте по заданию преподавателя расчёт на прочность стрелы может быть
выполнен для одного или двух случаев. В качестве примера рассмотрим первый
случай, т.е.
.
На
стрелу также как на рукоять действуют: изгибающий момент в вертикальной
продольной плоскости, изгибающий момент в поперечной плоскости, крутящий момент
и растягивающие или сжимающие силы.
Крутящий
момент для любого сечения стрелы (см. рисунок 1.3)
Изгибающий
момент в поперечной плоскости от силы Рy,
например в сечении 1-1, определяется по формуле
Для
определения изгибающих моментов, действующих в различных сечениях стрелы в
вертикальной продольной плоскости необходимо определить реакции в узле
соединения стрелы с рукоятью, т.е. в точке А (см. рисунок 1.3) и усилие РР
для принятого расчётного случая, т. е. при
. Для
этого нужно рассмотреть равновесие рукояти.
При
подъёме груза на максимальном вылете РХ=0, а рукоять стремится под
действием силы РZ и сил тяжести GP и G3 повернуться по часовой стрелке (см. рисунок 1.3), т.
е. усилие РР удерживает её и направлено так, как показано на рисунке
1. 3. Определим его:
.
Отсюда
Для нахождения реакций в шарнире А используем схему нагружения рукояти,
приведённую на рисунке 1.7, которая в масштабе перечерчивается с ККС
манипулятора.
Рисунок 1.7 Схема нагружения рукояти в продольной вертикальной плоскости
Отсюда

Определив
РР и реакции в шарнире А, студент чертит в масштабе стрелу с
приложенными к ней в продольной вертикальной плоскости силами (рисунок 1.8).
Рисунок 1.8 Схема нагружения стрелы в продольной вертикальной плоскости
Углы наклона сил берутся из ККС манипулятора
1.5 Проектирование захватных устройств трелёвочных машин
При перемещении деревьев захваты должны исключать разжатие рычагов
деревом или пачкой деревьев и выскальзывание последних из захвата.
Конструктивно захватные устройства трелёвочных машин могут быть выполнены по
различным схемам [1].
Изложенная ниже методика расчёта может быть применена при проектировании
захватных устройств манипуляторов и кониковых захватных (зажимных) устройств,
выполненных конструктивно по схеме, приведённой на рисунке 1.9 (в этом случае
коник подобен захвату манипулятора, но перевёрнутому на 1800 в
вертикальной плоскости). При расчётах рассматриваемых захватных устройств
делаются следующие допущения:
1) дерево - твёрдое, симметричное относительно продольной оси тело;
2) плоскость вращения рычагов захвата нормальна к поверхности
лесосеки;
) захват зажимает ствол дерева (пачку деревьев) в трёх контактных
точках А, Б, С (см. рисунок 1.9).
) коэффициенты трения в этих точках равны для всех направлений
взаимодействия элементов захвата с деревом.
При разработке конструкции захватных устройств необходимо учесть, что они
должны крепиться шарнирно к рукояти или раме машины, иметь возможность вращения
в горизонтальной плоскости и иметь синхронизаторы в виде тяг, соединяющих
противоположные зажимные рычаги для синхронизации поворота последних вокруг
своих осей.
В задании на курсовое проектирование или при выполнении
лабораторно-практических занятий преподавателем указываются:
для захватов манипуляторов
· объём
максимального по величине захватываемого дерева
;
· объём
минимального по величине захватываемого дерева
;
· максимальное
давление в гидросистеме PH.
для кониковых захватных устройств
· максимальный объём пачки деревьев - Q;
· минимальный объём пачки деревьев - Qmin;
· средний объём хлыста VХЛ;
· максимальное давление в гидросистеме PH;
· параметр lкон (см. рисунок 1.1).
Для примера возможные варианты учебных заданий с проектными параметрами
приведены в таблице 1.2.
Рисунок 1.9 Схема для расчета захвата
Таблица 1.2Исходные данные для расчёта
|
Проектные параметры
|
Номер варианта
|
|
1
|
2
|
3
|
4
|
5
|
6
|
7
|
8
|
9
|
0
|
|
Vmaxхл, м3
Vminхл, м3
Q, м3 Qmin,
м3 Vхл, м3
lКОН, м PН, Па
|
1,1 0,12 3 0,66
0,22 0,9 107
|
1,2 0,14 3,5
0,75 0,25 0,95 107
|
1,3 0,16 4,2 0,9
0,3 1,0 107
|
1,4 0,18 5,0 1,1
0,36 1,1 107
|
1,5 0,2 5,8 1,3
0,42 1,2 107
|
1,6 0,22 8,5 1,8
0,45 1,35 107
|
1,7 0,24 9,5 2,0
0,5 1,4 107
|
1,8 0,26 11,5
2,4 0,6 1,5 107
|
1,9 0,28 15,2
3,2 0,8 1,6 107
|
2,0 0,3 19 4,0
1,0 1,75 107
|
1.5.1 Разработка компоновочно - кинематической схемы
захватных устройств трелёвочных машин
Проектирование начинается с разработки компоновочно - кинематической
схемы (ККС) захватного устройства, позволяющей определить геометрические
размеры основных конструктивных элементов, плечи действия привода и места
привязки последнего. ККС даёт представление о работоспособности проектируемого
захватного устройства. Она вычерчивается в масштабе на миллиметровой бумаге
формата А4 или А3 и прикладывается в РПЗ. ККС вычерчивается, как минимум, для
двух случаев:
1) захватывание минимального по величине дерева (пачки деревьев);
2) захватывание максимального по величине дерева (пачки деревьев).
При разработке ККС допускается, что в месте захватывания деревья имеют
диаметр, соответствующий диаметру на уровне груди - D1,3 , который определяется по объёму хлыста из рисунок 1.2.
Для кониковых захватных устройств определяется количество деревьев в
пачке максимального и минимального объёма по формулам
Средний
диаметр дерева на уровне груди D1,3
определяется по среднему объёму хлыста VХЛ (см. рисунок 1.2). Рассчитанное количество деревьев nmax диаметром D1,3 в масштабе размещается в круглое или овальное ложе,
образуемое опорной балкой и зажимными рычагами. Тем самым получаются
геометрические размеры коникового захватного устройства при обжиме пачки
деревьев максимального объёма. Затем на опорной балке размещается пачка
деревьев минимального объёма и сводятся зажимные рычаги так, чтобы пачка
оказалась прижатой к опорной балке, получая тем самым геометрические размеры
коникового захватного устройства при обжиме пачки деревьев минимального объёма.
Компоновка
захвата манипулятора выполняется аналогично, при этом в ложе размещается дерево
максимального (Vmaxхл ) и
минимального (Vminхл )
объёма, которым соответствуют диаметры Dmax1,3 и Dmin1,3 ,
определяемые из рисунка 1.2.
После
этого подбираются ход штока гидроцилиндра привода зажимных рычагов (см.
приложение) и их плечи. Определение диаметра поршня гидроцилиндра производится
по усилию РЦ , расчёт которого выполнен ниже.
1.5.2 Расчёт захватов манипуляторов
Рассмотрим равновесие дерева (его сечения), отбросив рычаги и опорную
балку и заменив их действие на дерево реакциями (см. рисунок 1.9).
Сила РХ сопротивления перемещению дерева стремится вытащить
последнее из захвата
,
где
k - коэффициент, показывающий какая часть веса дерева
(пачки деревьев) приходится на захват, k=0,5 ;
GД - максимальный вес дерева, погружаемого
манипулятором, Н;
fП - коэффициент сопротивления движению волочащейся
части дерева, fП=
0,8-1,0.
где
g - ускорение свободного падения , м/с2;
γ - плотность древесины (для хлыстов) или коэффициент, характеризующий
отношение массы дерева к объёму ствола (для деревьев) . Для деревьев γ=1000 кг/м3, для хлыстов γ=800кг/м3.
Сила
РZ стремится разжать рычаги
N, NC - нормальные реакции в контактных
точках А, Б, С.
- силы
трения в контактных точках, параллельные оси Х.
где
fТР -
коэффициент трения захвата о дерево, fТР=0,8-1,0.
FТР - силы трения в плоскости сечения дерева
Из
равновесия дерева (его сечения)
Подставив
вместо сил трения их выражения и решив эти уравнения, получим
Рассмотрим
теперь равновесие рычага (рисунок 1.10). Силой тяжести рычага пренебрегаем,
ввиду малости по сравнению с другими силами.
Со
стороны дерева на рычаг будут действовать силы, равные N, FX и FТР , но
противоположно направленные
,
По
усилию РЦ находят диаметр поршня гидроцилиндра захвата (D3)
Отсюда
Рисунок 1.10 Схема нагружения рычага
Зная ход штока и диаметр поршня, из приложения подбирается гидроцилиндр.
Рычаг нагружен изгибающими моментами в вертикальной продольной и
поперечной плоскостях, крутящим моментом, сжимающими (растягивающими) силами.
Наиболее опасным будет сечение, близкое к шарниру О (сам шарнир усиливают).
Для определения нагруженности сечений консольной части рычага действующие
на неё силы приводятся к центрам тяжести расчётных сечений по правилу
параллельного переноса сил. В нашем случае сечение 1-1 нагружено.
От сил N и FТР :
изгибающим моментом в плоскости вращения рычага
нормальной
силой
Напряжениями
от касательных сил пренебрегаем, поэтому касательные силы не рассчитываем.
От
силы FX :
изгибающим
моментом в поперечной плоскости рычага
крутящим
моментом
Подбор
размеров сечений захватов и расчёт их на прочность делается так же, как для
рукояти.
1.5.3 Расчёт коников
Рассматриваемая конструкция коника подобна захвату манипулятора, но
перевёрнутому на 180о в вертикальной плоскости (рисунок 1.11).
Рассмотрим равновесие пачки (её сечения), отбросив рычаги и заменив их действие
на пачку реакциями (см. рисунок 1.11).
Сила РХ сопротивления перемещению пачки стремится вытащить её
из коника
где
GП -
максимальный вес пачки, Н.
Сила
РZ определяется по формуле
N, NC - нормальные реакции в контактных точках А, Б, С.
Рисунок 1.11 Схемы для расчета коника
- силы
трения в контактных точках, параллельные оси Х.
FТР - силы трения в плоскости сечения пачки.
Из
равновесия пачки (её сечения)
Подставив вместо сил трения их выражения и решив эти уравнения, получим:
Затем
студент рассматривает равновесие рычага коника, определяет диаметр поршня
гидроцилиндра, из приложения подбирает гидроцилиндр и выполняет расчёт рычага
на прочность, аналогично захвату манипулятора.
После
этого разрабатывается конструкция коника.
Литература
. Артамонов
Ю.Г. Проектирование технологического оборудования манипуляторных лесных машин:
Учебное пособие по курсовому проектированию с элементами НИРС для студентов
специальности 0519. - Л.: ЛТА, 1985. - 84 с.
.
Гидрооборудование для гидроприводов строительных, дорожных и коммунальных
машин: Каталог-справочник. - М.: ЦНИИТЭстроймаш, 1978. - 471с.
. Виногоров
Г.К. Лесосечные работы. - М.: Лесная промышленность, 1981. - 272с.
. Анучин Н.П.
Определение объемов хлыстов и сортиментов. - М.: Лесная промышленность, 1973. -
192с.
Приложение
Таблица
по выбору гидроцилиндров
|
Ход г.ц. 80100110125160180200220250
|
|
|
|
|
|
|
|
|
|
|
4040504063638063801008080100110125
|
|
|
|
|
|
|
|
|
|
|
|
|
|
|
|
|
181822182828362836453636455056
|
|
|
|
|
|
|
|
|
|
|
|
|
|
|
|
|
202025203535403540404040404050
|
|
|
|
|
|
|
|
|
|
|
|
|
|
|
|
|
200200220200252252280252280300280280300310350
|
|
|
|
|
|
|
|
|
|
|
|
|
|
|
|
|
длина г.ц.
|
|
|
|
|
|
|
|
|
|
|
|
|
|
|
|
|
280300320310377412440432480500500530550560600
|
|
|
|
|
|
|
|
|
|
|
|
|
|
|
|
|
121216122121272127272727272733
|
|
|
|
|
|
|
|
|
|
|
|
|
|
|
|
|
161620162626282628282828282835
|
|
|
|
|
|
|
|
|
|
|
|
|
|
|
|
Таблица
|
Ход г.ц. 280320360320400630
|
|
|
|
|
|
|
|
80125638012514010011012550100110125100110
|
|
|
|
|
|
|
|
|
|
|
|
|
|
|
|
|
365628365663455056224550564550
|
|
|
|
|
|
|
|
|
|
|
|
|
|
|
|
|
405035405050404050254040504040
|
|
|
|
|
|
|
|
|
|
|
|
|
|
|
|
|
длина г.ц.
|
|
|
|
|
|
|
|
|
|
|
|
|
|
|
|
|
560630532600670690660670710520700710750930940
|
|
|
|
|
|
|
|
|
|
|
|
|
|
|
|
|
273321273333272733162727332727
|
|
|
|
|
|
|
|
|
|
|
|
|
|
|
|
|
283526283535282835202828352828
|
|
|
|
|
|
|
|
|
|
|
|
|
|
|
|
Таблица
|
Ход г.ц. 6307108001000
|
|
|
|
|
|
12514080100125200100110125140160180100110
|
|
|
|
|
|
|
|
|
|
|
|
|
|
|
|
5663506380904550566370806370
|
|
|
|
|
|
|
|
|
|
|
|
|
|
|
|
5050405050804040405050704040
|
|
|
|
|
|
|
|
|
|
|
|
|
|
|
|
350370280300350480300430310350370420300310
|
|
|
|
|
|
|
|
|
|
|
|
|
|
|
|
длина г.ц.
|
|
|
|
|
|
|
|
|
|
|
|
|
|
|
|
980100099010101060119011001110115011701220123013001310
|
|
|
|
|
|
|
|
|
|
|
|
|
|
|
|
3333272733522727333346462727
|
|
|
|
|
|
|
|
|
|
|
|
|
|
|
|
3535282835552828353549492828
|
|
|
|
|
|
|
|
|
|
|
|
|
|
|
Таблица
|
Ход г.ц. 10001250
|
|
|
|
125160180125140160180
|
|
|
|
|
|
|
|
|
801001108060100110
|
|
|
|
|
|
|
|
|
50707050507070
|
|
|
|
|
|
|
|
|
350420430350370420430
|
|
|
|
|
|
|
|
|
длина г.ц.
|
|
|
|
|
|
|
|
|
1350142014301600162016701680
|
|
|
|
|
|
|
|
|
33464633334646
|
|
|
|
|
|
|
|
|
35494935354949
|
|
|
|
|
|
|
|
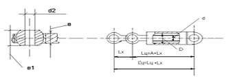
Рис.
-
длина г.ц. при полностью вдвинутом штоке;
- длина
г.ц. при полностью выдвинутом штоке.