Выпрямители
МИНИСТЕРСТВО ОБРАЗОВАНИЯ,
НАУКИ, МОЛОДЁЖИ И СПОРТА
УКРАИНЫ
Приазовский государственный
технический университет
Кафедра автоматизации
технологических процессов и производств
Лабораторная
работа № 2
По
дисциплине: «Электроника и микросхемотехника»
тема:
«Выпрямители»
Выполнил:
студент
группы МА-10
Пахниц
Е.С.
Принял:
ст.пр. Сокол С.П.
Мариуполь,
2012 г.
Задание 1:
Исследование работы однополупериодного
выпрямителя без фильтра
Рис 1.1 Схема изучаемого выпрямителя
Рис 1.2 Схема моделируемого выпрямителя
однополупериодный
выпрямитель напряжение пульсация
На графике (Рис 1.3) показано напряжение до (
красная линия ) и после (синяя линия ) выпрямления.
Напряжение источника питания 
. Среднее значение выпрямленного
напряжения на нагрузке равно 
, и считается по формуле

Амплитуда пульсации 
, и находится по формуле
Рис 1.3 Форма графика
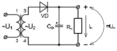
.2 Исследовать работу однополупериодного
выпрямителя с ёмкостными фильтрами. Зарисовать форму графика для фильтров с
разными ёмкостями.
Схема исследуемого выпрямителя представлена на
рисунке 1.4 Схема моделируемого выпрямителя представлена на рисунке 1.5 Форма
графика для фильтра А представлена на рисунке 1.6 Форма графика для фильтра Б
представлена на рисунке 1.7
Рис. 1.4 Схема исследуемого выпрямителя
Рис 1.5 Схема моделируемого выпрямителя
Рис 1.6 Форма графика для фильтра с ёмкостью
5мкФ
Рис 1.7 Форма графика для фильтра с ёмкостью
10мкФ
На рисунках 1.6 - 1.7 в схеме установлены
ёмкостные фильтры с параметрами : ёмкость А = 5 мкФ, ёмкость Б = 10 мкф.
Как видно из графиков, ёмкость влияет на
сглаживание выпрямленного напряжения за счет увеличения времени разряда
конденсатора. Чем больше ёмкость, тем ровнее будет выпрямленное напряжение и
меньше амплитуда пульсации. Среднее напряжение на нагрузке тоже возрастает. В
месте с этим возрастает и средний прямой ток.
.3 Снять выходную нагрузочную характеристику
однополупериодного выпрямителя, как зависимость выходного напряжения от тока
нагрузки. Построить график
Нагрузочная характеристика представлена на
рисунке 1.8
Рис. 1.8 Нагрузочная характеристика
.4 Исследовать работу мостового выпрямителя без
фильтра. Показать форму графика и измерить амплитуду выходного напряжения и
пульсации. Сравнить с однополупериодныоми выпрямителями.
На рисунке 1.9 показана схема исследуемого
выпрямителя, на рисунке 1.10 представлена модель выпрямителя в WorkBench, а на
рисунке 1.11 показана форма графика выходного напряжения.
Рис. 1.9 Исследуемый выпрямитель
Рис. 1.10 Модель выпрямителя
Рис. 1.11 Форма графика выходного напряжения
Амплитуда выходного напряжения составляет 26.9 В
Амплитуда пульсации составляет 26.9 В
Как видно из полученных данных и формы графика,
мостовой выпрямитель в отличии от однополупериодного, при тех же параметрах
цепи ( входное напряжение, нагрузка ) не делает пропусков в пол периода, как
однополупериодный выпрямитель ( Рис 1.3 ).
.5 Исследовать работу мостового выпрямителя с
ёмкостным фильтром. Показать форму графика и измерить амплитуду выходного
напряжения и пульсации для двух фильтров разной ёмкости. Сравнить результаты
между собой и однополупериодныоми выпрямителями.
На рисунке 1.12 показана схема исследуемого
выпрямителя, на рисунке 1.13 представлена модель выпрямителя в WorkBench, а на
рисунке 1.14 и 1.5 показаны формы графиков выходного напряжения для двух разных
фильтров. Рисунок 1.14 - с фильтром в 5 мкФ, рисунок 1.15 - с фильтром 10 мкФ.
Рис. 1.12 исследуемый выпрямитель
Рис. 1.13 Модель выпрямителя
Рис. 1.14 Форма графика. Фильтр - 5 мкФ
Рис. 1.14 Форма графика. Фильтр - 10 мкФ
Амплитуда выходного напряжения для рисунка 1.13
составляет 26.95 В
Амплитуда пульсации для рисунка 1.13 составляет
16.15 В
Амплитуда выходного напряжения для рисунка 1.14
составляет 26.94 В
Амплитуда пульсации для рисунка 1.14 составляет
11.21 В
Как видно из полученных данных, амплитуда
пульсации уменьшается с увеличением ёмкости фильтра, а если сравнить графики с
однополупериодными выпрямителями ( Рис. 1.6 - 1.7 ) то можно увидеть что форма
выходного напряжения значительно ровнее, так же выше среднее выходное
напряжение и ток нагрузки. Чем больше ёмкость фильтра, тем ближе среднее
выходное напряжение к максимальному выходному напряжению.
.6 Изучение мостового выпрямителя с RC
фильтром. Форма графика, амплитуда выходного напряжения и амплитуда пульсации
Рис. 1.15 Изучаемый выпрямитель с RC
фильтром
Рис. 1.16 Схема модели выпрямителя
Рис. 1.17 Форма графика выходного напряжения
Амплитуда выходного напряжения равна 13.7 В
Амплитуда пульсации равна 6.04 В
Как видно из графика и выходных данных. RC
фильтр значительно сглаживает форму пульсации и её амплитуду в сравнении с
другими фильтрами, но в месте с этим амплитуда выходного напряжения тоже
уменьшается.
Задание 2:
Исследование однополупериодного выпрямителя
Собрать схему однополупериодного выпрямителя в
электронном пакете WorkBench в соответствии с рисунком 2.1. Значения U2,
Cф и Rн
взять в соответствии с вариантом.
Вариант 21, значения : U2
= 36 В, Cф = 5мкФ и Rн
= 1200 Ом
Рис. 2.1 однополупериодный выпрямитель
Рис. 2.2 Модель выпрямителя
Модель выпрямителя показана на рисунке 2.2, а на
рисунке 2.3 изображена форма графика выходного напряжения на нагрузке. Красной
линией показано напряжение до выпрямления, зеленой - после.
Рис. 2.3 Форма графика выходного напряжения
Напряжение источника питания 
. Среднее значение выпрямленного
напряжения на нагрузке равно 
, амплитуда выходного напряжения
В, амплитуда пульсации 
, среднее напряжение на нагрузке 
Средний ток на нагрузке 
Коэффициент пульсации 
Напряжение на диоде равно амплитуде
переменного напряжения на вторичной обмотке 
Изменение сопротивления нагрузки влияет на
скорость разряда конденсатора. Чем больше сопротивление - тем медленнее будет
разряжаться конденсатор, чем оно меньше - тем быстрее конденсатор будет
разряжаться.
Ёмкость конденсатора линейно влияет на скорость
его разряда. Чем больше емкость, тем дольше он будет разряжаться, и на оборот
соответственно.
Рис. 2.4 График тока на нагрузке
Рис. 2.5 График прямого тока на диоде
Среднее значение тока = 23.17 А, а максимальный
ток составляет 49.94 А
Влияние частоты входного напряжения на
пульсацию:
При уменьшении частоты амплитуда пульсации будет
возрастать, так как длинна периода возрастает, и у ёмкости будет больше времени
на разрядку, так же снижается среднее напряжение на нагрузке.
При увеличении частоты, амплитуда пульсации
будет уменьшаться, так как ёмкость не будет успевать разряжаться. Вместе с
этим, обратное напряжение и среднее напряжение на нагрузке, будут больше.
Задание 3: Исследование мостового выпрямителя (
рис 3.1 )
Рис 3.1 Изучаемый мостовой выпрямитель без
устройств измерения
Рис. 3.2 Модель выпрямителя
Рис. 3.3 Напряжение на нагрузке(красный гр.)
Амплитуда выходного напряжения 26.6 В
Амплитуда пульсации 9.59 В
Среднее выходное напряжение 20.5 В
Средний ток нагрузки 0.04 А
Максимальный ток 0.09 А
Зависимость коэффициента пульсации от ёмкости:
Рис. 3.4 Зависимость коэффициента пульсации от
ёмкости
Из графика зависимости коэффициента пульсации от
ёмкости видно, что, чем меньше ёмкость, тем больше коэффициент пульсации.
Коэффициент пульсации находится при помощи амплитуды пульсации и среднего
выходного напряжения, а при снижении ёмкости они увеличиваются.
Вывод:
В лабораторной работе исследовали
однополупериодные, и мостовые выпрямители с фильтрами и без фильтров.
Использовали емкосные фильтры (5, 10 мкФ). Все необходимые схемы были собраны в
пакете - Electronic
WorkBench. На каждую
собранную схему были выведены графики переменного напряжения на данных участках
с помощью осциллографа, входящего в пакет EWB.
Суть выпрямителей - в преобразовании напряжения
переменного тока в напряжение постоянного тока. На выходе такого выпрямителя
получается пульсирующее напряжение постоянного тока, которое пригодно для
питания энергетических потребителей, например, двигателей постоянного тока. Для
получения постоянного напряжения без пульсаций на выходе выпрямителя подключают
фильтры.
Выпрямители необходимы, ведь существует большое
количество устройств, для питания которых необходимы источники постоянного
тока. Прежде всего, это множество электронных устройств, применяемых в быту,
системах автоматизации и других отраслях промышленности. Постоянный ток дают
химические источники тока: батарейки и аккумуляторы. Но они имеют низкую
мощность, ограниченный период работы и высокую цену.