Проектирование захватного устройства
Введение
захватный манипулятор промышленный зажим
Захватные устройства промышленных роботов и манипуляторов
служат для захватывания и удержания в определенном положении объектов
манипулирования. Эти объекты могут иметь различные размеры, форму, массу и обладать
разнообразными физическими свойствами, поэтому ЗУ относятся к числу сменных
элементов ПР. К захватным устройствам предъявляются требования общего характера
и специальные, связанные с конкретными условиями работы. К числу обязательных
требований относятся: надежность захватывания и удержания объекта, стабильность
базирования, недопустимость повреждения или разрушения объектов. Прочность ЗУ
должна быть высокой при малых габаритных размерах и массе.
Классификация ЗУ ПР.
I. По способу взаимодействия с объектом
манипулирования
II.
.
По типу привода
. По типу передаточного механизма
V.
В данном проекте рассматривается принцип действия механического
ЗУ с клиновым ПМ.
1.
Кинематическая схема механического ЗУ с клиновым ПМ.
Рис. 1. Кинематическая схема ЗУ
2. Выбор типа ПР по грузоподъемности
V - объём заготовки, мм3
r - Плотность заготовки, r = 7800 кг/м3
g - Ускорение свободного падения, g = 9,81 м/с2
D - Наибольший диаметр заготовки, мм
l - Длина заготовки, мм
Следовательно, находим G:
Принимаем промышленный робот КМ.2,5Ц.42.14 с пневмоприводом и
грузоподъемностью 25 Н. Большинство современных заводов имеют компрессорные
установки и обеспечены сжатым воздухом. Для механизации и автоматизации
станочных приспособлений по этой причине широко используется пневмопривод.
Преимущества:
) в отличие от гидропривода - отсутствие
необходимости возвращать рабочее тело (воздух) назад к компрессору;
) меньший вес рабочего тела по сравнению с
гидроприводом (актуально для ракетостроения);
) меньший вес исполнительных устройств по сравнению с
электрическими;
) возможность упростить систему за счет использования
в качестве источника энергии баллона со сжатым газом, такие системы иногда
используют вместо пиропатронов, есть системы, где давление в баллоне достигает
500 МПа;
) простота и экономичность, обусловленные дешевизной
рабочего газа;
) быстрота срабатывания и большие частоты вращения
пневмомоторов (до нескольких десятков тысяч оборотов в минуту);
) пожаробезопасность и нейтральность рабочей среды,
обеспечивающая возможность применения пневмопривода в шахтах и на химических
производствах;
) в отличие от гидропривода, пневмопривод менее
чувствителен к изменению температуры окружающей среды вследствие меньшей
зависимости КПД от утечек рабочей среды (рабочего газа)
Недостатки:
) нагревание и охлаждение рабочего газа в процессе
сжатия в компрессорах и расширения в пневмомоторах
) ещё более низкий КПД, чем у гидропривода;
) низкие точность срабатывания и плавность хода;
3. Определение усилия зажима
3.1 При вертикальном
линейном перемещении
k - Коэффициент запаса, k = 2
G - Вес детали, Н
f - Коэффициент трения губок, f = 0,15 (губки
нерифлёные)
aв - ускорение вертикального движения, м/с2
g - Ускорение свободного падения, g = 9,81 м/с2
- скорость подъема максимальная,
= 0,6 м/с (2, с.33)
Δt - время разгона, Δt = 0,2 с
3.2 При
горизонтальном линейном перемещении
аг - ускорение горизонтального перемещения
a - угол центрующих губок, a = 45º
- скорость подъема максимальная,
= 0,8 м/с (2, с.33)
3.3 При вращении ЗУ в горизонтальной
плоскости
R - длина вылета руки ПР, R = 0,8 м
w - угловая скорость
вращения ЗУ, w = 1,57 с-1 (2, с.33)
e - угловое ускорение
поворота ЗУ, с-2
.4 При торможении всех трех движений

- масса заготовки, кг;
- ускорение свободного падения, g = 9,81 м/с2;
- коэффициент запаса,
= 2;
A - максимальное ускорение, действующее на деталь, м/с2;
(≤4g)
коэффициент, зависящий от расположения губок и
формы поперечного сечения детали.
Следовательно,
:
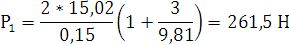
Выбираем максимальное усилие зажима P1 = 281,02 H и по нему ведем
дальнейший расчет.
4. Определение
тягового усилия пневмоцилиндра Р2
усилие пневмоцилиндра,
передаваемое передаточному механизму, Н;
Р=0,6 МПа - давление воздуха в системе,
Р=0,5-1 МПа;
S - площадь поршня, мм2
d - диаметр поршня
пневмоцилиндра ПР, d=25 мм;
Получаем:
5. Определение
силового передаточного отношения механизма Kр
Рис. 2. Кинематическая схема ЗУ
Силовое передаточное отношение рассчитывается по формуле:
Р1 =281,02 Н - усилие, необходимое для удержания
заготовки;
Р2 =294,375 Н - усилие, передаваемое от
пневмоцилиндра передаточному механизму;
Получаем:
Примем: с=80 мм, θ=15°
При помощи формулы по рассчитанному силовому передаточному
отношению определим
:
Получаем:
6. Схема построения
профиля центрующих губок
При захвате призматическими губками детали переменного
диаметра возникает погрешность центрирования заготовок. Для устранения этого
недостатка плоские поверхности губок заменяются цилиндрическими определенного
радиуса.
Порядок построения:
Определим возможный перепад диаметров:
Условие выполняется.
1)
Средний
диаметр заготовки dср = 40 мм
2)
Конструктивно
назначаем радиус поворота губки R; R> dср, принимаем R = 50 м
3)
Проводим
прямую на расстоянии R/2 (25 мм)
4)
Назначаем
центральный угол контакта a = 40o - 50o, принимаем 45 o, и проводятся линии bb и cc
5)
На
пересечении горизонтали (R/2) и линии bb и cc строим точки B и С
горизонтальная координата:
6)
Из
точек B
и C очерчиваем дуги
радиусами r1 и r2
Рис. 3. Профиль губок
Для минимально диаметра d=30 мм:
Для максимального диаметра d=50 мм:
7. Расчет сил, действующих в местах
контакта
N1,2 -
усилия контакта между деталью и губкой, Н
Rн - реакция
на губку захвата, Н
m - коэффициент трения, m=0,15
j1,2 - угол контакта, j1,2
=45°
(2, с. 182)
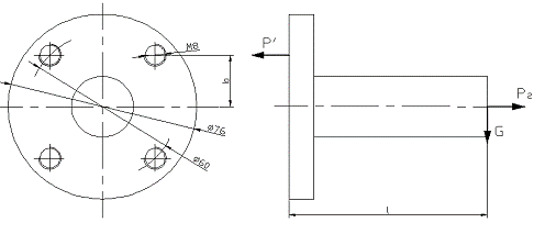
8. Расчёт губок на прочность
Рис. 4. Расчётная схема пальца
Мх - момент, создаваемый
силой Р1, Н*мм,
Wx - полярный
момент сопротивления, мм3
Принимаем среднее сечение губки в виде прямоугольника со
сторонами b/h=3
предельно допустимое напряжение изгиба (материал губок - Сталь
45);
lв=50 мм
Принимаем h=6 мм.
Принимаем h = 6 мм, b = 18 мм.
9. Расчет напряжений на поверхности
контакта
Eпр -
приведённый модуль упругости (Епр = 1,27*105 МПа)
N - усилия контакта между деталью и губкой, Н
l - ширина губки, 18 мм
dср -
средний диаметр детали, 40 мм
r - радиус губки, мм
(выпуклый участок)
(вогнутый участок)
Найдём
:
, где
Eпр= E0
E1= E0/2
- Условие выполняется.
10. Расчет губок на изгиб
P1 - усилие
зажима, Н
lв - длина
вылета губок, lв =50 мм
[y] - допустимый изгиб, мм
Jx - полярный
момент инерции, м4
Находим действительный прогиб:
Условие выполняется
11. Расчет на срез и выбор штифтов
lb, lc - длины звеньев, мм
Р1 - усилие зажима, Н
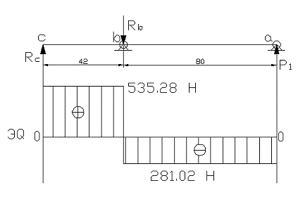
lb=42 мм, lc=80 мм, P1=281.02 Н
Найдём сумму моментов относительно точки С:
Следовательно,
:
Найдём сумму моментов относительно точки В:
Следовательно,
:
Проверка:
0=0 верно
Рассчитаем штифт на срез:
Допустимое напряжение [tср] =115МПа
Fшт - площадь сечения штифта
Следовательно, требуемый диаметр штифта:

12. Оценка прочности болтовых
креплений между ЗУ и рукой ПР
Р - сила действующая на болты, Н
d1 -
внутренний диаметр болтов, мм
H - глубина вывинчивания, мм
k - коэффициент зависящий от профиля резьбы
km - коэффициент неравномерности нагрузки
резьбы
[t] - допустимая
прочность на срез, МПа
(для
резьбы М8: d1 = 6,647 мм, Н = 15 мм, k = 0,87, km = 0,65, [t]
= 50 МПа).
Рассчитаем винты на прочность:
,7 МПа < 50 МПа, условие выполняется.
Список использованных источников
1.
Романов
В.В. “Методические указания к курсовой работе по автоматизации производственных
процессов в машиностроении”.
2.
Козырев
Ю.Г. “Промышленные роботы” Справочник М: Машиностроение, 1983, 378 стр.