Синтез и применение демультиплексоров в вычислительной технике

  • Вид работы:
    Курсовая работа (т)
  • Предмет:
    Информатика, ВТ, телекоммуникации
  • Язык:
    Русский
    ,
    Формат файла:
    MS Word
    450,07 Кб
  • Опубликовано:
    2012-09-18
Вы можете узнать стоимость помощи в написании студенческой работы.
Помощь в написании работы, которую точно примут!

Синтез и применение демультиплексоров в вычислительной технике

Муниципальное образовательное учреждение

высшего профессионального образования

Южно-Уральский профессиональный институт

Кафедра «Информатики и вычислительной техники»








Курсовая работа

по дисциплине «Схемотехника ЭВМ»

тема: «Синтез и применение демультиплексоров в вычислительной технике»

Выполнил:

Студент группы ВМЗ-01-09

Зырянов С.В.

Научный руководитель:

Ткачук И.Ю.



Челябинск

Содержание

Введение

Глава I. Теоретические основы и практика разработки

.1       Определение и назначение демультиплексора

Глава II . Разработка устройства на базе демультиплексора

.1 Разработка и описание структурной схемы устройства

.2 Обоснование выбора элементной базы

.3 Разработка и описание электрической принципиальной схемы

.4 Расчетная часть

Заключение

Список литературы

Введение

Тема данной работы «Синтез и применение демультиплексоров в вычислительной технике ».

Демультиплексоры в вычислительной технике применяются в основном для коммутационных процессов. В качестве примера представлена система управления внешними электроприборами.

Данная система выбрана в связи с всевозрастающим распространением систем управления электронным устройством, задача которого гарантировать пользователю более простое управление процедурами комплексного применения электроприбора.

Современный дом или квартиру уже практически невозможно себе представить без систем автоматизированного управления техническими устройствами и инженерными коммуникациями. Управление освещением является одной из самых важных систем. Мы ежедневно совершаем манипуляции со светом в нашем жилище посредством различных выключателей. Современные же системы позволяют осуществлять управление освещением автоматически, формируя световые акценты и позволяя сделать управление светом в доме более комфортным и экономичным. По назначению эта система является упрощенной системой «умный дом». Она также дает возможность управлять и такими электроприборами как электрообогреватель, компрессор вентиляции и т.д. прямо с компьютера.

Система состоит из двух основных схем:

1.          Основная схема управления. Представляет собой набор "блоков исполнения" ("выключателей", "защелок"), которые коммутируют (включают или выключают) те или иные устройства в доме.

2.       Схема управления включением/выключением этих "блоков".

Цель данной работы: изучение демультиплексоров и их области применения в вычислительной технике.

Задачи работы:

1.  Дать определение демультиплексору. Рассмотреть его назначение.

2.       Построить и рассмотреть демультиплексорное дерево.

.        Рассмотреть и описать структурную схему системы управления внешними электроприборами.

.        Дать обоснование выбора элементной базы и описать основные элементы.

.        Рассмотреть и описать электрическую принципиальную схему

Объект исследования - демультиплексор.

Предмет исследования - система управления внешними электроприборами.

Глава I. Теоретические основы и практика разработки

.1 Определение и назначение демультиплексора

Демультиплексор имеет один информационный вход и несколько выходов. Он представляет собой устройство, которое осуществляет коммутацию входа к одному из выходов, имеющему заданный адрес (номер).

На рисунке 1.1.1 показано символическое изображение демультиплексора с четырьмя выходами. Функционирование этого демультиплексора определяется таблицей 1.1.2.

Рисунок 1.1.1. УГО демультиплексора.

Входы

Выходы

A1

A0

F3

F2

F1

F0

0

0

0

0

0

D

0

1

0

0

D

0

1

0

0

D

0

1

1

D

0

0

0

Таблица 1.1.2 Таблица истинности демультиплексора.

Логические выражения для каждого из выходов можно представить в виде:

Исходя из этих выражений составим логическую схему демультиплексора (рисунок 1.1.3):

Рисунок 1.1.3. Логическая схема демультиплексора.

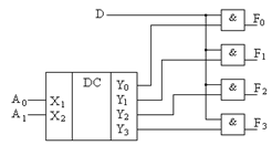
Демультиплексоры в виде самостоятельных ИС не изготавливаются, т.к. их функции могут выполняться дешифратором, имеющим хотя бы один вход разрешения, который используется как информационный вход. Реализация такого демультиплексора показана на рисунке 1.1.4.

Рисунок 1.1.4. Демультиплексор на базе дешифратора.

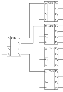
При необходимости иметь большое число выходов может быть построено демультиплексорное дерево. На рисунке 1.1.5 показано такое дерево, построенное на демультиплексорах с четырьмя выходами. Демультиплексор первого уровня подключает вход D к определенному демультиплексору второго уровня. Демультиплексоры второго уровня выбирают нужный выход, куда и передается сигнал с входа D.

Рисунок 1.1.5. Демультиплексорное дерево.

Использование демультиплексора может существенно упростить построение логического устройства, имеющего несколько выходов, на которых формируются различные логические функции одних и тех же переменных.

Глава II . Разработка устройства на базе демультиплексоров

.1 Разработка и описание структурной схемы устройства

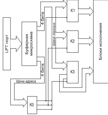
В конечном виде устройство должно выполнять функцию включения и выключения электрических узлов по выбору пользователя. Для реализации схемы необходимы следующее основные элементы:

.        Блоки исполнения - осуществляют подачу электропитания

.        Коммутатор К1 - для включения блоков исполнения

.        Коммутатор К2 - для выключения блоков исполнения

.        Коммутатор К3 - для контроля операций включения / выключения

.        Адресный дешифратор К0 - для управления коммутаторами К1, К2 и К3

.        Буферная микросхема - для защиты LPT порта.

Структурная схема устройства управления вешними электроприборами представлена на рисунке 2.1.1. Схема состоит из 16 блоков исполнения и схемы управления этими блоками.

Принцип работы схемы состоит в следующем: шину данных LPT порта (8 бит) делим, условно, на две полосы (2 полуслова по 4 бит каждое). Первое полуслово у нас отвечает за выбор "исполнительного устройства", которому адресовано второе полуслово. Для простоты понимания - будем именовать одно полуслово (4 проводника) шиной адреса, а второе - шиной данных. На данной схеме у нас всего лишь 3 исполнительных коммутатора которые коммутируют те самые 24 = 16 исполнительных узлов. Один исполнительный коммутатор К1 отвечает за включение того или иного "исполнительного узла". Второй коммутатор К2 отвечает за выключение узлов. Третий коммутатор К3 отвечает за опрос состояния узлов (проверка включено/выключено). За выбор того или иного коммутатора отвечает адресный дешифратор К0. На шину адреса мы посылаем соответственно 0, 1 или 2 (0000, 0001, или 0010) для выбора одного из исполнительных коммутаторов. Адресный дешифратор К0 согласно полученных данных включает К1, К2 или К3. Причем при выборе первого (К1) или второго (К2) коммутатора также активизируется третий (К3) - для контроля над выполнением операции включения/выключения. Третий же можно также включать независимо для проверки состояния того или иного исполнительного узла.

Если есть необходимость подключить еще 16 блоков исполнения то можно доукомплектовать схему по аналогии еще 3 исполнительными коммутаторами и исполнительными узлами заняв еще 3 линии "адресного дешифратора", и таких расширений можно добавлять, пока не закончатся свободные выходы дешифратора адреса, а при необходимости задействовать доп. выходы LPT порта.

Рисунок 2.1.1.

Структурная схема устройства управления вешними электроприборами

2.2 Обоснование выбора элементной базы

Коммутаторы К1, К2 и К0 представлены в виде микросхемы К155ИД3 (УГО рисунок 2.2.1) - дешифратор/демультиплексор 4:16. У этой микросхемы есть 4 линии входа (линии А1-A2-A4-А8, нумерация по степеням двойки 20 - 21 - 22 - 23) и 16 линий выходов (D0-D15). На входы подаем в двоичный код (от 0х0 до 0хF), а микросхема, на соответствующему этому коду выводе, "засветит" потенциал -5В. Например, 0000 = 0х0 = вывод D0 (ножка №1) или 1011 = 0хB = D11 (ножка №13). Питание на микросхему подается на ножку №12 "-5В" на ножку №24 "+5В". Входы W0,W1 микросхемы разрешают "выход": если на этих выходах отсутствует потенциал "-5В", то не зависимо от состояния входов А1-А8 - не один из выходов D0-D15 не будет включен.

Рисунок. 2.2.1. Дешифратор/демультиплексор К155ИД3

В качестве коммутатора К3 (контроль на операциями включено/выключено) взята микросхема - мультиплексор К155КП1 (УГО рисунок 2.2.2)

Рисунок 2.2.2. Микросхема - мультиплексор К155КП1

У этой микросхемы 16 входов состояния C0-C15, 4 адресных входа A1-A8, вход разрешающий работу микросхемы Е и один выход Q, индицирующий состояние той или иной линии С0-С15. На адресные входы А0..А8 подается номер входа в двоичном виде (от 0х0 (0000) до 0хF (1111)), а микросхема согласно этому коду опрашивает один из входов С0...С15 и на выходе устанавливает (или сбрасывает) потенциал "-5В"

Для защиты LPT порта введена буферная микросхема К1533АП6 (УГО рисунок 2.2.3)

Рисунок 2.2.3. Буферная микросхема К1533АП6

У этой микросхемы есть "входы" А0-А7 и "выходы" В0-В7. Слова "входы" и "выходы" взяты в кавычки, т.к. эта микросхема двунаправленная, и, в зависимости от входа Е, определяется, в каком направлении будет происходить передача данных: если на выходе Е отсутствует потенциал

"-5В" то "информация" (состояние линий) будет передаваться от А0-А7 к В0-В7 соответственно. Если же на входе Е присутствует "-5В" то "информация" будет передаваться от В0-В7 к А0-А7 соответственно. Если на входе С микросхемы отсутствует "-5В" то входы А и В изолированы и информация не будет передаваться, не зависимо от состояния входа Е.

Элементы, которые будут использоваться в исполнительных блоках:

1)      «Гасящий» конденсатор С1 предназначен для «гашения» искры, возникающей при включении реле. Необходимо выбрать конденсатор с запасом, а т.к. напряжение в сети 220В то нам подойдет конденсатор 0,5 мкФ*300В.

2)      Транзистор VT1 КТ315Г в режиме ключа

)        Диод VD1 Д226Д (или любой импульсный). Диод будет шунтировать реле для скорейшего и стабильного срабатывания.

)        Ограничивающий резистор R1 3.1кОм (выбор описан в расчетной части работы)

)        Микросхема К555ТР2 (УГО рисунок 2.2.4). У микросхемы будет задействован только один из блоков триггеров.

)        Реле РЭС22 (исполнение РФ4.523.023-07). Зачехленное, двухпозиционное, одностабильное реле постоянного тока РЭС22 предназначено для коммутации электрических цепей постоянного и переменного тока частотой 50-1000 Гц.

Рисунок 2.2.4. Микросхема К555ТР2

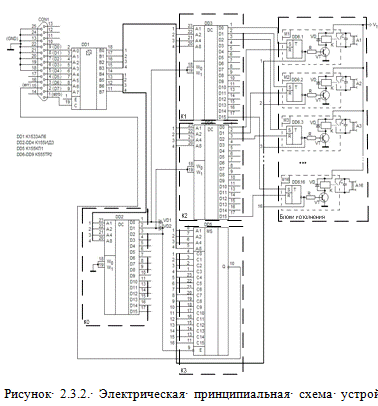
.3 Разработка и описание электрической принципиальной схемы

На рисунке 2.3.1 представлена принципиальная электрическая схема блока исполнения. Схема состоит следующим образом: Микросхема К555ТР2 (используется в качестве RS триггера) подключается через ограничивающий резистор R1 к транзистору VT1, который работает в режиме ключа. Транзистор VT1 подключается к реле параллельно с диодом VD1. Разъем А1 подключается в разрыв цепи питания потребителя. Между разъемом А1 и реле ставим конденсатор С1 для «гашения» искры.

Рисунок 2.3.1 Принципиальная электрическая схема блока исполнения

Принцип работы схемы: в нормальном состоянии на выходе триггера мы имеем -5В, через ограничивающий резистор это напряжение работает "запорным" для транзистора VT1. После того как мы кратковременно подадим импульс отрицательной полярности (-5В) на вход №1 схемы (на вход R триггера), триггер переключится, и на выходе триггера получим положительный потенциал (+5В), который и откроет транзистор. В свою очередь транзистор включит реле К1. Если мы кратковременно подадим отрицательный импульс (-5В) на вход схемы №2 (на вход S триггера), то мы переключим триггер, на выходе которого получим отрицательное напряжение, которое закроет транзистор и тем самым выключит реле. Выход схемы №3 служит для "считывания" состояния схемы. Если на выходе №3 присутствует отрицательный потенциал (-5В) то схема "выключена", иначе - "включена".

Электрическая принципиальная схема устройства управления вешними электроприборами (Рисунок 2.3.2) должна содержать 3 микросхемы К155ИД3 (коммутаторы К1, К2, К0), одну микросхему К155КП1 (коммутатор К3), буферная микросхему К1533АП6, диоды VD1-VD2 которые будут установлены в цепь выбора коммутатора К0 для того, чтобы при выборе К1 или К2 также включался и К3 - это позволит параллельно переключать тот или иной блок исполнения и отслеживать его состояние ("включился/выключился").

Алгоритм работы схемы следующий: в порт LPT по смещению управляющих выводов (базовый адрес + 2) записываем значение равное 0 (0000), это активирует сигнал "-5В" на выходе порта №1. Что разрешит передачу данных с линий данных LPT порта D0-D7 через микросхему с линий А0-А7 к выходам В0-В7 и далее на входы адресного дешифратора и в зависимости от состояния адресного дешифратора DD2 на вход одной из микросхем DD3-DD5. В зависимости от поданного на эти микросхемы кода будет включен или выключен или опрошен тот или иной исполнительный узел. При опросе узла, его состояние следует считывать из «регистра состояния» LPT порта по первому смещению (базовый адрес + 1). Состояние выбранного блока исполнения будет соответствовать состоянию бита №3 (линии 0-1 зарезервированы, линия 2 - программный флаг прерывания, 3 - линия error) в слове считанном из регистра состояния LPT порта.

.4 Расчетная часть

Расчет транзисторного ключа

Расчёт ключей производится с целью обеспечения статического и динамического режимов, при которых в заданном диапазоне происходит надёжное включение и выключение транзистора с требуемым быстродействием.

Принцип работы транзисторного ключа состоит в следующем: При отсутствии входного сигнала управления  транзистор VT1 закрыт. Ток в цепи базы , ток коллектора , а напряжение между коллектором и эмиттером равно напряжению источника питания  , где статический коэффициент передачи тока базы транзистора VT1.

При наличии сигнала управления , уровень которого превышает статический потенциал  открытого перехода эмиттер-база , транзистор VT1 входит в режим насыщения - потенциал коллектора  стремится к остаточному напряжению , коллекторный ток нагрузки (у биполярных транзисторов ; для кремниевых транзисторов ).

Таким образом, потенциалы и  находятся в противофазе:  соответствует сигналу логического «0»,  соответствует сигналу логической «1».

Для исключения глубокого насыщения транзистора коллекторный переход шунтируют диодом Шоттки, имеющим малое время переключения, низкое напряжение отпирания (0.2-0.3 В) и малое сопротивление в открытом состоянии.

Когда транзистор открыт и находится в активном режиме, напряжение коллектор-база положительно (Uкб >0 ), и к диоду приложено обратное напряжение. С ростом коллекторного тока напряжение на коллекторном переходе уменьшается и диод открывается. Последующее увеличение тока базы приводит к увеличению тока через диод. Поскольку напряжение отпирания диода Шоттки меньше напряжения отпирания коллекторного перехода, последний остается закрытым и накопление неосновных носителей в базе транзистора не происходит.

Таким образом, увеличение быстродействия ключа с диодом Шоттки происходит в основном за счет уменьшения времени рассасывания избыточного заряда при выключении. Выходное напряжение такого ключа в открытом состоянии больше, чем напряжение транзистора в режиме насыщения.

Для расчета ключа необходимо выбрать транзистор так, чтобы его максимальный ток коллектора должен быть больше тока питания реле, а максимально допустимое напряжение эмиттер-коллектор - больше напряжения источника питания (которое должно соответствовать рабочему напряжению реле). Питание данной схемы от 5 до 25В. Выбираем транзистор и реле так, что бы удовлетворить эти условия.

.        Транзистор КТ315Г:

Максимальный ток коллектора IК, max , мА=100

Максимальное напряжение эмиттер-коллектор UКЭR max (UКЭ0 max), В=35

Минимальный обеспечиваемый коэффициент передачи тока h21Э=50

.        Реле РЭС22 (исполнение РФ4.523.023-07):

Ток срабатывания IC, мА=20

Рабочее напряжение UР, В=21.6-26.4

Рассчитаем минимальный требуемый базы разделив ток срабатывания реле на коэффициент передачи тока транзистора:Бmin= IC/ h21Э=20/50=0.4мА

Поскольку управление цифровое +5В, то значит нужно выбрать порог устойчивого включения схемы. Для цифровых схем это обычно 5В / 2 = 2.5В.

Зная это рассчитаем R1 по закону Ома, не забывая учесть падение 0.7В на переходе база-эмиттер.= (2.5 В - 0.7 В) / 0.0004 А = 4500 Ом = 4.5 кОм. Необходимо добавить 30% на надежность. R1 = 4.5 кОм * (1 - 0.3) = 3.15 кОм. Получили R1 = 3.15 кОм. Выбираем ближайшее значение по справочнику - R1=3.1кОм

Заключение

демультиплексор управление электроприбор дешифратор

В ходе данной работы был детально изучен демультиплексор, его графическое обозначении в электрических цепях, принцип работы, способы его реализации на логически элементах и на базе дешифратора. Было построено и рассмотрено демультиплексорное дерево и принцип его построения.

В качестве примера использования демультиплексора была рассмотрена система управления внешними электроприборами, принцип работы которой был представлен в структурной схеме.

Для построения электрической принципиальной схемы была выбрана и рассмотрена элементная база, каждый элемент которой был описан более подробно.

Конечная схема системы управления внешними электроприборами реализует все предъявленные к ней требования.

Список литературы

Основная

. Жаворонков М.А. Электротехника и электроника. - М.: Академия, 2005. - 400 с.

. Новиков Ю.Н. Электротехника и электроника. - СПб.: Питер, 2005. - 384 с.: ил.

. Схемотехника электронных систем / Под ред. В.И. Бойко. - СПб.: БХВ- Петербург, 2004. - 496 с.

Дополнительная

. Касаткин А.С. Курс электротехники. - М.: Высшая школа, 2005. - 542 с.: ил.

. Миловзоров О.В. Электроника. - М.: Высшая школа, 2005. - 288 с.: ил.

. Стешенко В.Б. P-CAD. Технология проектирования печатных плат. - СПб.: Питер, 2005. - 720 с.: ил.

. Хамахер К. Организация ЭВМ. - СПб.: Питер, 2003. - 848 с.: ил.

. Цилькер Б.Я. Организация ЭВМ и систем. - СПб.: Питер, 2006. - 668 с.:

Похожие работы на - Синтез и применение демультиплексоров в вычислительной технике

 

Не нашли материал для своей работы?
Поможем написать уникальную работу
Без плагиата!
Без нейросетей!