Проект стенда для исследования работы канала цифровой связи на основе 4-х канального мультиплексора-демультиплексора
Министерство
просвещения ПМР
ГОУ
«Тираспольский Техникум Информатики и Права»
Дипломная
работа
Тема:
«Проект стенда для исследования работы канала цифровой связи на основе 4-х
канального мультиплексора-демультиплексора»
г. Тирасполь
Оглавление
Введение
Глава
1. Техническая часть. Разработка электронной схемы макета для исследования
работы канала цифровой связи на основе 4-х канального
мультиплексора-демультиплексора
.1
Аналитический обзор по теме
.1.1
Мультиплексоры
.1.2
Демультиплексоры
.1.3
Приминение мультиплексоров и демультиплексоров
.1.4
Элементы И, И-НЕ, ИЛИ, ИЛИ-НЕ
.1.5
Использование логического моделирования в схемотехническом проектировании
вычислительных устройств
.2
Практическая часть
.2.1
Правила и особенности создания/редактирования принципиальных схем в САПР OrCAD.
Возможности САПР OrCAD. Типы объектов принципиальной схемы в САПР OrCAD
.2.2
Результаты исследований работы логических устройств с помощью программы
схемотехнического моделирования PSpiceAD
.2.3
Анализ работы «двунаправленного 4-х канального мультиплексора/демультиплексора»
.3
Разработка стенда
.3.1
Изготовление печатной платы
Глава
2. Экономическая часть
.1
Продукция предприятия, ее качество
.2
Обеспечение качества изделий на различных стадиях их жизненного цикла
.3
Статистические методы управления качеством
.4
Качество продукции на заводе «KVINT»
Глава
3. Охрана труда
.1
Анализ условий труда
.2
Производственная санитария и гигиена труда
.3
Требования к освещению производственного помещения
.4
Методы и средства контроля воздушной среды. Защита от шума
.5
Защита от электромагнитных полей и статического электричества
.6
Требования к электробезопасности
.7
Техника безопасности при работе с электронной техникой
.8
Разработка защитных мероприятий на рабочем месте
.9
Требования пожарной безопасности
Заключение
Список
литературы
Введение
Мультиплексоры/демультиплексоры - важный класс
логических схем малой степени интеграции. Мультиплексором называют схему,
которая соединяет единственный входной вывод напрямую с одним из нескольких
выходных (как правило, четырех или восьми), в зависимости от поданного на нее
двоичного. Соответственно, демультиплексор осуществляет обратную операцию -
пропускает сигнал с одного из нескольких выводов на единственный выходной.
Фишка состоит в том, что в КМОП-версии они прекрасно коммутируют не только
цифровые, но и аналоговые сигналы, причем в обе стороны!
Такие мультиплексоры/демультиплексоры делают на
ключах - специальным образом включенных полевых транзисторах по технологии
КМОП. Выпускаются также и микросхемы, содержащие просто наборы отдельных ключей
- например, 590КН2 и аналогичные. Такие ключи широко используются в составе
микросхем средней и большой степени интеграции - в аналого-цифровых и
цифроаналоговых преобразователях, например. Также они практически заменили
механические переключатели в коммутаторах телевизионных каналов, используются в
цифровых переменных резисторах, электронных реле и т. д.
Качество - понятие многоплановое, обеспечение
его требует объединения творческого потенциала и практического опыта многих
специалистов. Проблема повышения качества может быть решена только при
совместных усилиях государства, федеральных органов управления, руководителей и
членов трудовых коллективов предприятий. Важную роль в решении этой проблемы
играют потребители, диктующие свои требования и запросы производителям товаров
и услуг.
Качество продукции - совокупность свойств
товара, обусловливающих его пригодность удовлетворять определенные потребности
в соответствии с назначением. Оно фиксируется на конкретный период времени и
изменяется при появлении более прогрессивной технологии.
Качество продукции в условиях современного
производства - важнейшая составляющая эффективности, рентабельности
предприятия, поэтому ему необходимо уделять постоянное внимание. Заниматься
качеством должны все участники производственного процесса - от директора
предприятия - до конкретного исполнителя любой операции.
Улучшение качества продукции - важнейшее
направление интенсивного развития экономики, источник экономического роста,
эффективности общественного производства. В этих условиях возрастает значение
комплексного управления качеством продукции и эффективностью производства.
Проблема качества в современных условиях
является важнейшим показателем повышения уровня жизни, экономической,
социальной, экологической безопасности, а конкурентоспособность - фактором
экономической стабильности и устойчивого развития общества.
Обеспечение здоровых и безопасных условий труда
возлагается на администрацию предприятия. Администрация обязана внедрять
современные средства техники безопасности, предупреждающие производственный
травматизм, и обеспечивать санитарно-гигиенические условия, предотвращающие
возникновение профессиональных заболеваний работников.
Целью охраны труда является научный анализ
условий труда, технологических процессов, аппаратуры и оборудования с точки
зрения возможности возникновения появления опасных факторов, выделение вредных
производственных веществ. На основе такого анализа определяются опасные участки
производства, возможные аварийные ситуации и разрабатываются мероприятия по их
устранению или ограничение последствий.
Изучение и решение проблем, связанных с
обеспечением здоровых и безопасных условий, в которых протекает труд человека -
одна из наиболее важных задач в разработке новых технологий и систем
производства.
Изучение и выявление возможных причин
производственных несчастных случаев, профессиональных заболеваний, аварий,
взрывов, пожаров, и разработка мероприятий и требований, направленных на устранение
этих причин позволяют создать безопасные и благоприятные условия для труда
человека. Комфортные и безопасные условия труда - один из основных факторов,
влияющих на производительность и безопасность труда, здоровье человека.
Глава 1. Техническая часть
Разработка электронной схемы макета для
исследования работы канала цифровой связи на основе 4-х канального
мультиплексора-демультиплексора.
мультиплексор цифровой связь
1.1 Аналитический обзор.
.1.1 Мультиплексоры
Мультиплексор - это комбинационная многовходовая
схема с одним выходом. Входы мультиплексора подразделяются на информационные
Д0, Д1, …, Дn-1 и управляющие (адресные) А0, А1, …, Аk-1. Обычно 2k = n, где k
и n - число адресных и информационных входов соответственно. Двоичный код,
поступающий на адресные входы, определяет (выбирает) один из информационных
входов, значение переменной с которого передается на выход y, т.е.
мультиплексор реализует функцию:
, если
(1)
Таблица функционирования, описывающая работу
мультиплексора, имеющего, например, n = 4 информационных (Д0, Д1, Д2, Д3) и k =
2 адресных (А0, А1) входов, представлена в табл. 1.1.
Вариант схемной реализации мультиплексора “4-1”
(“четыре в один”, т.е. коммутирующего данные от одного из четырех входов на
единственный выход) и его условное графическое изображение представлены на рис.
1.1.
Здесь мультиплексор построен как совокупность
двухвходовых конъюкторов данных (их число равно числу информационных входов),
управляемых выходными сигналами дешифратора, дешифрирующего двоичный адресный
код. Выходы конъюкторов объединены схемой ИЛИ.
Рис. 1.1 - Схема мультиплексора с дешифратором
(а) и его условное графическое изображение
В интегральном исполнении применяется более
простая схема, в которой конъюкторы дешифратора одновременно выполняют и
функцию конъюкторов данных. Работа мультиплексора при этом описывается
соотношением
(2)
Из (2) следует, что при любом значении адресного
кода все слагаемые, кроме одного равны нулю. Ненулевое слагаемое равно Дi, где
i - значение текущего адресного кода.
Рис.
1.2 - Схема мультиплексора “4-1”
В соответствии с этим соотношением строятся
реальные схемы мультиплексоров, одна из которых для мультиплексора “четыре в
один” приведена на рис. 1.2. Как правило, схема дополняется входом разрешения
работы - Е (показан пунктирной линией). При отсутствии разрешения работы (Е=0)
выход у становится нулевым и не зависит от комбинации сигналов на
информационных и адресных входах мультиплексора.
Мультиплексоры 4-1, 8-1, 16-1 выпускаются в составе
многих серий цифровых интегральных схем и имеют буквенный код КП. Например,
К555КП1 - мультиплексор 2-1 (в данном корпусе размещаются четыре
мультиплексора), К555КП12 - мультиплексор 4-1 (в одном корпусе размещаются два
мультиплексора) и т.д.
В тех случаях, когда функциональные возможности
ИС мультиплексоров не удовлетворяют разработчиков по числу информационных
входов, прибегают к их каскадированию с целью наращивания числа входов до
требуемого значения. Наиболее универсальный способ наращивания размерности
мультиплексора состоит в построении пирамидальной структуры, состоящей из
нескольких мультиплексоров. При этом первый ярус схемы представляет собой
столбец, содержащий столько мультиплексоров, сколько необходимо для получения
нужного числа информационных входов. Все мультиплексоры этого столбца
коммутируются одним и тем же адресным кодом, составленным из соответствующего
числа младших разрядов общего адресного кода. Старшие разряды адресного кода
используются во втором ярусе, мультиплексор которого обеспечивает поочередную
работу мультиплексоров первого яруса на общий выход.
Демультиплексор - схема, выполняющая функцию,
обратную функции мультиплексора, т.е. это комбинационная схема, имеющая один
информационный вход (Д), n информационных выходов (у0, у1, …, уn-1) и k
управляющих (адресных) входов (А0, А1, …, Аk-1). Обычно, также как и
мультиплексоров, 2k= n. Двоичный код, поступающий на адресные входы, определяет
один из n выходов, на который передается значение переменной с информационного
входа (Д), т.е. демультиплексор реализует следующие функции:
Таблица функционирования демультиплексора,
имеющего n = 4 информационных выходов (у0, у1, у2, у3) и k = 2 адресных входов
(А0, А1), представлена в табл. 1.2.
Таблица 1.2
|
Д
|
А0,
А1
|
у0у1у2у3
|
Д
|
А0,
А1
|
у0у1у2у3
|
|
0
1 0 1
|
0
0 0 0 0 1 0 1
|
0
0 0 0 1 0 0 0 0 0 0 0 0 1 0 0
|
0
1 0 1
|
1
0 1 0 1 1 1 1
|
0
0 0 0 0 0 1 0 0 0 0 0 0 0 0 1
|
Уравнения, описывающие работу демультиплексора:



(4)
Схема демультиплексора, построенная
по данным уравнениям и его графическое изображение представлены на рис. 1.3.
Рис. 1.3 - Схема демультиплексора
"1- 4" (а) и его условное изображение (б)
Функция демультиплексора легко
реализуется с помощью дешифратора, если его вход “Разрешение” (Е) использовать
в качестве информационного входа демультиплексора, а входы 1, 2, 4 … - в
качестве адресных входов демультиплексораА0, А1, А2, … Действительно, при
активном значении сигнала на входе Е избирается выход, соответствующий коду,
поданному на адресные входы. Поэтому ИС дешифраторов, имеющих разрешающий вход,
иногда называют не просто дешифраторами, а дешифраторами-демультиплексорами
(например, К155ИД4, К531ИД7 и др.).[1]
1.1.3 Применение мультиплексоров и
демультиплексоров
Термином “мультиплексирование”
называют процесс передачи данных от нескольких источников по общему каналу, а
устройство, осуществляющее на передающей стороне операцию сведения данных в
один канал, принято называть мультиплексором. Подобное устройство способно
осуществлять временное разделение сигналов, поступающих от нескольких
источников, и передавать их в канал (линию) связи друг за другом в соответствии
со сменой кодов на своих адресных входах.
На приемной стороне обычно требуется
выполнить обратную операцию - демультиплексирование, т.е. распределение порций
данных, поступивших по каналу связи в последовательные моменты времени, по
своим приемникам. Эту операцию выполняет демультиплексор. Совместное
использование мультиплексора и демультиплексора для передачи данных от n
источников к n приемникам по общей линии иллюстрирует рис. 1.4. (В общем случае
число источников данных не равно числу приемников).
Рис. 1.4 - Схема объединения мультиплексора и
демультиплексора для последовательной передачи данных
Если в схеме (рис. 1.4) n различных источников и
приемников заменить n-разрядными источником и приемником, например, регистрами
RGист. и RGпр. (изображены пунктирными линиями), то схема может быть
использована для преобразования n-разрядного параллельного кода на передающей
стороне в последовательный код (с помощью мультиплексора) и последовательного
кода в параллельный на приемной стороне (с помощью демультиплексора).
При подобном применении мультиплексора и
демультиплексора в качестве их адресных кодов используются выходные сигналы
двоичного счетчика, последовательно формирующего на своих выходах двоичные коды
чисел от 0 до n-1.
Мультиплексор можно использовать в качестве
универсального логического элемента для реализации любой логической функции от
числа аргументов, равного числу адресных входов мультиплексора. Покажем это на
примере логической функции, заданной своей таблицей истинности (табл. 1.3).
Выбираем мультиплексор, имеющий три адресных (по
числу аргументов функции) и восемь информационных входов.
Рис.
1.5 - Применение мультиплексора для реализации логической функции
Для реализации заданной функции информационные
входы мультиплексора соединим с уровнями логических “1” и “0” в такой последовательности,
которая полностью копирует последовательность единиц и нулей функции в таблице
истинности (рис. 1.5). При этом не требуется ни записи СДНФ, ни ее минимизации.
Кстати, функция, заданная табл. 1.3 (четность числа единиц в трехразрядном
слове), не упрощается, поэтому для своей реализации, например, в базисе ЛЭ
“И-НЕ” требует четырех ЛЭ “3И-НЕ” и трех инверторов, т.е. в сумме потребуется
три ИС. В то же время для реализации схемы по рис. 1.5 требуется всего одна ИС
мультиплексора “8-1”. По этой причине, способ реализации функций трех или
большего числа аргументов с помощью ИС мультиплексоров весьма популярен у
разработчиков.[1]
1.1.4 Элементы И, И-НЕ, ИЛИ, ИЛИ-НЕ
Следующий шаг на пути усложнения компонентов
цифровой электроники - это элементы, выполняющие простейшие логические функции.
Объединяет все эти элементы то, что у них есть несколько равноправных входов
(от 2 до 12) и один выход, сигнал на котором определяется комбинацией входных
сигналов.
Самые распространенные логические функции - это
И (в отечественной системе обозначений - ЛИ), И-НЕ (обозначается ЛА), ИЛИ
(обозначается ЛЛ) и ИЛИ-НЕ (обозначается ЛЛ). Присутствие слова НЕ в названии
элемента обозначает только одно - встроенную инверсию сигнала. В международной
системе обозначений используются следующие сокращения: AND - функция И, NAND -
функция И-НЕ, OR - функция ИЛИ, NOR - функция ИЛИ-НЕ.
Элемент И формирует на выходе
единицу тогда и только тогда, если на всех его входах (и на первом, и на
втором, и на третьем и т.д.) присутствуют единицы. Если речь идет об элементе
И-НЕ, то на выходе формируется нуль, когда на всех входах - единицы(табл. 1.4)
<file:///D:\диск%20D\Не%20влезай%20-%20убьет!\Рабочие%20файлы\учебные%20заморочки\задания,%20лекции%20и%20лабы\курс%203\Схемотехника\digs\3\digs_3.html>.
Цифра перед названием функции говорит о количестве входов элемента. Например,
8И-НЕ - это восьмивходовой элемент И с инверсией на выходе.
Таблица
1.4 - Таблица истинности двухвходовых элементов И, И-НЕ, ИЛИ, ИЛИ-НЕ
|
Вход
1
|
Вход
2
|
Выход
И
|
Выход
И-НЕ
|
Выход
ИЛИ
|
Выход
ИЛИ-НЕ
|
|
0
|
0
|
0
|
1
|
0
|
1
|
|
0
|
1
|
0
|
1
|
1
|
0
|
|
1
|
0
|
0
|
1
|
1
|
0
|
|
1
|
1
|
1
|
0
|
1
|
Элемент ИЛИ формирует на выходе нуль
тогда и только тогда, если на всех входах нуль. Элемент ИЛИ-НЕ дает на выходе
нуль при наличии хотя бы на одном из входов единицы (табл. 1.4
<file:///D:\диск%20D\Не%20влезай%20-%20убьет!\Рабочие%20файлы\учебные%20заморочки\задания,%20лекции%20и%20лабы\курс%203\Схемотехника\digs\3\digs_3.html>).
Пример обозначения: 4ИЛИ-НЕ - четырехвходовой элемент ИЛИ с инверсией на
выходе.
Рис. 1.6 - Обозначения элементов И,
И-НЕ, ИЛИ, ИЛИ-НЕ: зарубежные (слева) и отечественные (справа)
Отечественные и зарубежные
обозначения на схемах двухвходовых элементов И, И-НЕ, ИЛИ, ИЛИ-НЕ показаны на
рис. 1.6 <file:///D:\диск%20D\Не%20влезай%20-%20убьет!\Рабочие%20файлы\учебные%20заморочки\задания,%20лекции%20и%20лабы\курс%203\Схемотехника\digs\3\digs_3.html>.
Все эти элементы бывают с выходами типа 2С, ОК и 3С. В последнем случае
обязательно имеется вход разрешения -EZ.
Нетрудно заметить (табл. 1.4)
<file:///D:\диск%20D\Не%20влезай%20-%20убьет!\Рабочие%20файлы\учебные%20заморочки\задания,%20лекции%20и%20лабы\курс%203\Схемотехника\digs\3\digs_3.html>,
что в случае отрицательной логики, при нулевых входных и выходных сигналах, элемент
И выполняет функцию ИЛИ, то есть на выходе будет нуль в случае, когда хотя бы
на одном из входов нуль. А элемент ИЛИ при отрицательной логике выполняет
функцию И, то есть на выходе будет нуль только тогда, когда на всех входах
присутствуют нули. И так как в реальных электронных устройствах сигналы могут
быть любой полярности (как положительные, так и отрицательные), то надо всегда
очень аккуратно выбирать требуемый в каждом конкретном случае элемент. Особенно
об этом важно помнить тогда, когда последовательно соединяются несколько
разноименных логических элементов с инверсией и без нее для получения сложной
функции.
Поэтому элементы И, И-НЕ, ИЛИ,
ИЛИ-НЕ разработчику далеко не всегда удобно применять именно как выполняющие
указанные в их названии логические функции. Иногда их удобнее использовать как
элементы разрешения/запрещения или смешивания/совпадения. Но сначала мы
рассмотрим случаи реализации именно логических функций на этих элементах.
На рис. 1.7
<file:///D:\диск%20D\Не%20влезай%20-%20убьет!\Рабочие%20файлы\учебные%20заморочки\задания,%20лекции%20и%20лабы\курс%203\Схемотехника\digs\3\digs_3.html>
приведены примеры формирования элементами выходных сигналов на основании
требуемых временных диаграмм входных и выходных сигналов. В случае а выходной сигнал
должен быть равен единице при двух единичных входных сигналах, следовательно,
достаточно элемента 2И. В случае б выходной сигнал должен быть равен нулю,
когда хотя бы один из входных сигналов равен единице, следовательно, требуется
элемент 2ИЛИ-НЕ. Наконец, в случае в выходной сигнал должен быть равен нулю при
одновременном приходе единичного сигнала Вх. 1, нулевого сигнала Вх. 2 и
единичного сигнала Вх. 3. Следовательно, требуется элемент 3И-НЕ, причем сигнал
Вх. 2 надо предварительно проинвертировать.
Рис. 1.7 - Примеры применения
элементов Ии ИЛИ
Любой из логических элементов рассматриваемой
группы можно рассматривать как управляемый пропускатель входного сигнала (с
инверсией или без нее).
Например, в случае элемента 2И-НЕ один из входов
можно считать информационным, а другой - управляющим. В этом случае при единице
на управляющем входе выходной сигнал будет равен проинвертированному входному
сигналу, а при нуле на управляющем входе выходной сигнал будет постоянно равен
единице, то есть прохождение входного сигнала будет запрещено. Элементы 2И-НЕ с
выходом ОК часто используют именно в качестве управляемых буферов для работы на
мультиплексированную или двунаправленную линию.
Точно так же в качестве элемента
разрешения/запрещения могут применяться элементы И, ИЛИ, ИЛИ-НЕ (рис. 1.8)
<file:///D:\диск%20D\Не%20влезай%20-%20убьет!\Рабочие%20файлы\учебные%20заморочки\задания,%20лекции%20и%20лабы\курс%203\Схемотехника\digs\3\digs_3.html>.
Разница между элементами состоит только в полярности управляющего сигнала, в
инверсии (или ее отсутствии) входного сигнала, а также в уровне выходного
сигнала (нуль или единица) при запрещении прохождения входного сигнала.
Рис. 1.8 - Разрешение/запрещение
прохождения сигналов на элементах И, И-НЕ, ИЛИ, ИЛИ-НЕ
Рис. 1.9 - Появление лишнего фронта при
запрещении входного сигнала
При использовании элементов
разрешения/запрещения могут возникнуть дополнительные проблемы в случае, когда
сигнал с выхода элемента идет на вход, реагирующий на фронт сигнала. В момент
перехода из состояния разрешения в состояние запрещения и из состояния
запрещения в состояние разрешения в выходном сигнале может появиться
дополнительный фронт, никак не связанный с входным сигналом (рис. 1.9). Чтобы
этого не произошло, надо придерживаться следующего простого правила: если вход
реагирует на положительный фронт, то в состоянии запрещения на выходе элемента
должен быть нуль, и наоборот.
Иногда необходимо реализовать
функцию смешивания двух сигналов той или иной полярности. То есть выходной
сигнал должен вырабатываться как при приходе одного входного сигнала, так и при
приходе другого входного сигнала. Если оба входных сигнала положительные и выходной
сигнал положительный, то мы имеем в чистом виде функцию ИЛИ, и требуется
элемент 2ИЛИ. Однако при отрицательных входных сигналах и отрицательном
выходном сигнале для такого же смешивания понадобится уже элемент 2И. А если
полярность входных сигналов не совпадает с нужной полярностью выходного
сигнала, то нужны уже элементы с инверсией (И-НЕ при положительных выходных
сигналах и ИЛИ-НЕ при отрицательных выходных сигналах). На рис. 1.1
<file:///D:\диск%20D\Не%20влезай%20-%20убьет!\Рабочие%20файлы\учебные%20заморочки\задания,%20лекции%20и%20лабы\курс%203\Схемотехника\digs\3\digs_3.html>0
показаны варианты смешивания на разных элементах.
Рис. 1.10 - Реализация смешивания двух сигналов
Наконец, рассматриваемые элементы И,
И-НЕ, ИЛИ, ИЛИ-НЕ иногда бывает удобно применять в качестве схем совпадения
различных сигналов. То есть выходной сигнал должен вырабатываться тогда, когда
сигналы на входах совпадают (приходят одновременно). Если же совпадения нет, то
выходной сигнал должен отсутствовать. На рис. 1.1
<file:///D:\диск%20D\Не%20влезай%20-%20убьет!\Рабочие%20файлы\учебные%20заморочки\задания,%20лекции%20и%20лабы\курс%203\Схемотехника\digs\3\digs_3.html>1
показаны варианты таких схем совпадения на четырех разных элементах. Различаются
они полярностями входных сигналов, а также наличием или отсутствием инверсии
выходного сигнала.
Рис. 1.11 - Схемы совпадения двух
сигналов
Элементы И, И-НЕ, ИЛИ, ИЛИ-НЕ могут
использоваться также в качестве инверторов или повторителей (рис. 1.12)
<file:///D:\диск%20D\Не%20влезай%20-%20убьет!\Рабочие%20файлы\учебные%20заморочки\задания,%20лекции%20и%20лабы\курс%203\Схемотехника\digs\3\digs_3.html>,
для чего необходимо объединить входы или на неиспользуемые входы подать сигнал
нужного уровня. Второе предпочтительнее, так как объединение входов не только
увеличивает входной ток, но и несколько снижает быстродействие элементов.[2,3]
Рис. 1.12 - Инверторы и повторители
1.1.5 Использование логического
моделирования в схемотехническом проектировании вычислительных устройств
Наиболее распространенным способом
исследования работоспособности моделируемых цифровых устройств является
логическое моделирование. Главной задачей логического моделирования является
оценка качества предлагаемого варианта функциональной схемы проектируемого
устройства. На первом этапе исследуется схема на соответствие заданным функциям
без учета задержек сигналов, ограничений элементной базы и внешних условий.
Подобная проверка не требует больших затрат машинного времени и позволяет
выявить ошибки в структуре устройства, допущенные при его синтезе. Вторым
этапом исследования является проверка работоспособности устройства с учетом
задержек элементов, составляющих его структуру, и воздействий различных
дестабилизирующих факторов. Этот анализ дает возможность выявить критические
состязания сигналов, возникающие в асинхронных схемах, а так же причины других
сбоев.
При логическом моделировании могут
решаться задачи проверки логики работы схем, анализ переходных процессов,
определение надежности работы схем в зависимости от разброса параметров
комплектующих элементов, генерация тестов и т. д. В зависимости от поставленной
задачи выбирается метод моделирования. Основными отличительными чертами методов
являются: способ учета времени и распространения сигнала в схеме, способ
кодирования сигналов, способ построения модели в компьютере, очередность
моделирования элементов. В зависимости от способа учета времени распространения
сигнала методы делятся на синхронный (без учета задержек в элементах схемы) и
асинхронный (с учетом задержек). В зависимости от способа представления
сигналов - на двоичный и многозначный (троичный, пятизначный и др.); по способу
организации работы программы - на метод компиляции и метод интерполяции; по
организации очередности моделирования - сквозной и событийный.
В логическом моделировании оперируют
понятиями моделей элементов, которые представляют собой законченную часть
логической схемы устройства, то есть отдельные комбинационные схемы типа И,
ИЛИ, И-НЕ, ИЛИ-НЕ и т.п. или их более сложные комбинации. При этом используются
функциональные модели элементов, то есть представление элементов в виде
"черных ящиков", для которых связь между входными и выходными
сигналами задается в виде булевых уравнений, таблиц истинности или описывается
другими способами. Простейшие элементы, составляющие базу данных, используются
для описания более сложных устройств.
В логическом моделировании принято
представление сигналов в виде логических нулей и единиц. При этом за один из
логических уровней принимается "0", а за другой "1". Также
часто используется представление сигналов, обозначаемых "0",
"1" и "X", где "0" и "1" имеют обычный
смысл, а "X" обозначает либо переход из одного устойчивого состояния
в другое, либо неопределенное состояние. При таких условиях осуществляется
троичное моделирование. В системах более детального моделирования используется
большее число символов для обозначения различных состояний элементов. При этом
для моделирования устройств, содержащих микропроцессорные элементы, в сигналах
выделяют высокоимпедансное состояние, в которое переходит цепь, когда она
отключена от источника питания. Все эти способы представления логических
сигналов относятся к, так называемому, многозначному представлению на уровне
переключения. Вообще, можно отметить два основных типа интерпретации понятия
"многозначность": многозначность по виду переключения логических
сигналов и многозначность как квантование логического сигнала по уровню.
К первому типу можно отнести такие
методы многозначной логики, которые основаны на использовании кроме значений
"0" и "1" булевой алгебры различных представлений
событийных сигналов:
при трехзначном моделировании для
представления значений величин сигналов берется множество L = {0, 1/2, 1}, где
"0" и "1" интерпретируются так же, как и в булевой алгебре,
а "1/2" используется для представления событийного (переходного)
процесса. Значение "1/2" воспринимается логическим элементом либо как
"0", либо как "1", то есть если некоторый сигнал изменяет
свое значение, то в течение переходного процесса значение сигнала может
восприниматься как "0" или как "1", поэтому при
моделировании оно обозначается как "1/2", причем это обозначение надо
рассматривать как единый символ;
четырехзначная модель (алгебра
Поста): "0", переходы "0 1" и "1 0",
"1";
пятизначная модель: "0",
"0 1", "1 0", "1", "Х" - неопределенное
значение;
восьмизначная модель: "0",
"1", чисто алгоритмические переходы "0 1" и "1
0", которые обозначаются специальными символами "+" и
"-" соответственно, статические риски сбоя "S0" и
"S1", динамические риски сбоя "D+" и "D-";
девятизначная модель: к символам
восьмизначной модели добавляется символ "неопределенное значение",
под которым понимают случайное значение выхода RS-триггера, когда на его входах
совершается переход от запрещенного набора к набору, соответствующему режиму
хранения. Этот метод применяется для анализа на риски сбоя схем с памятью или с
обратными связями.
Второй тип многозначности связан с
квантованием сигнала по уровню, когда каждой определенной амплитуде сигнала
между двумя устойчивыми состояниями логического "0" и "1"
присваиваются определенные значения (например, в виде десятичного числа или
двоичного кода). Дальнейшая обработка сигналов в системах моделирования
сводится к работе с этими значениями. В работе рассматриваются возможности
моделирования вычислительных устройств с использованием трехуровневого
квантования логических сигналов. Такой подход позволяет увеличить точность
исследования за счет использования некоторого промежуточного значения между
состояниями "логического нуля" и "логической единицы" по
сравнению с булевым методом моделирования, но недостаточен для анализа
работоспособности сложных вычислительных устройств. Для увеличения точности
моделирования прибегают к увеличению числа шагов квантования, что, однако,
предполагает необходимость большого объема вычислений, который невозможно
обеспечить для большинства устройств современной вычислительной технике.
Существует также понятие о
многозначности, связанное с работой многостабильных элементов, но здесь
многозначность определяется технологией электронной реализации этих элементов,
а не способом их логического моделирования. Кроме того, такие элементы в
настоящее время имеют очень небольшое распространение.
В методах, основанных на аппарате
дифференциальных булевых уравнений, в булевы функции непосредственно вводится
дискретная временная функция, а изменения булевых функций во времени
оценивается с помощью производной функции по времени. Алгоритм выполнения
анализа схем с помощью этого метода достаточно сложен, но позволяет выявлять
соотношения задержек в состязающихся цепях, которые определяют наличие или
отсутствие сбоя, то сть возможно получение рекомендаций для корректировки
влияния состязаний. Однако использование при таком методе моделирования
двоичного алфавита дает возможность исследовать только временные параметры
переключения логических сигналов, но не учитывать качественные и количественные
параметры самого переходного процесса переключения.
Известно, что при моделировании
сложных устройств, всегда существует опасность появления временного
рассогласования входных сигналов элемента, которое может привести к появлению
ложного сигнала на выходе логического элемента, - динамические и статические
риски сбоев.
Различные САПР в зависимости от
заложенных в них методов моделирования по-разному индицируют появление такого
рода ситуации. При этом двоичные методы моделирования оказываются
несостоятельными при анализе не только динамических, но и статических рисков
сбоев. В САПР, в которых реализована возможность использования многозначных
моделей для представления сигналов первого типа, выполняется только индикация
рисков сбоев.
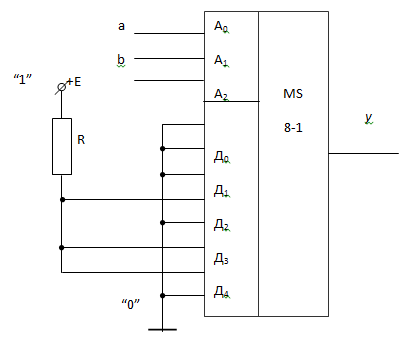
1.2 Практическая часть
.2.1 Правила и особенности
создания/редактирования принципиальных схем в САПР OrCAD. Возможности САПР
OrCAD. Типы объектов принципиальной схемы в САПР OrCAD
Процесс моделирвоания электронных
схем можно представить как выполнение следующих действий:
• Подготовка эскиза принципиальной
схемы;
• Выбор компонентов
• Разработка (редактирование)
изображения схемы;
• Натсройка параметров компонентов;
• Настройка параметров
моделирвоания;
• Првоерка схемы;
• Проведение расчетов и получение
результатов;
• Првоерка правильности выполнения
расчетов;
• Корректирвока схемы и настройка
параметрой моделирования по результатам проведения расчетов;
• Получение и анализ результатов
моделирвоания;
Основные этапы проектирвоания
принципиальной схемы в OrCAD
. Запуск входного редактора
OrCADCapture
. Настройка конфигурации проекта
. Открытие нового или существующего
проекта
. Переход в редактор OrCADCapture,
открытия необходимых библиотек для ввода в электронную схему электронных
компонентов с помощью команды Place/Part
.