|
Монтируемый
элемент
|
Монтажная
оснастка
|
|
Наименование
конструкции
|
Масса, т
|
Наименование
захватного приспособления
|
Грузоподъёмность,
т
|
Расчетная
высота, м
|
Масса, кг
|
|
1
|
2
|
3
|
4
|
5
|
6
|
|
Фундаменты под
крайние, средние и фахверковые колонны
|
14,55
|
Строп
четырехветвевой
|
20
|
4,5
|
44
|
|
Фундаментные
балки
|
1,2
|
Траверса с
захватами
|
14
|
5
|
511
|
|
Колонны крайние
|
8
|
Траверса с
устройством для расстроповки с земли
|
15
|
1,5
|
247
|
|
Колонны средние
|
13
|
Траверса с
устройством для расстроповки с земли
|
15
|
1,5
|
247
|
|
Колонны
фахверковые
|
7,4
|
Траверса с
устройством для расстроповки с земли
|
15
|
1,5
|
247
|
|
Подкрановые
балки (крайние)
|
4,2
|
Траверса с
захватами
|
14
|
5
|
511
|
|
Подкрановые
балки (средние)
|
10,7
|
Траверса с
захватами
|
14
|
5
|
511
|
|
Подстропильные
балки
|
12
|
Строп
четырехветвевой
|
15-20
|
4,5
|
25
|
|
Стропильные
фермы (ж/б)
|
6,4
|
Траверса
|
15
|
3,5
|
620
|
|
Плиты покрытия
|
1,4
|
Строп
шестиветвевой
|
3
|
5
|
250
|
|
Панели стеновые
|
3,74
|
Строп
двухветвевой
|
5
|
5
|
46
|
|
Панели стеновые
|
5,63
|
Строп
двухветвевой
|
10
|
5
|
65
|
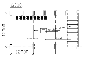
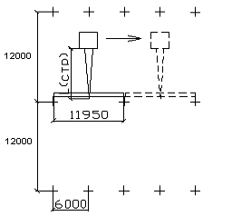
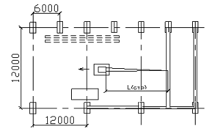
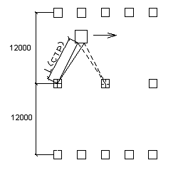
Определение графическим методом требуемых монтажных
характеристик кранов при монтаже железобетонных конструкций.
а) Монтаж фундаментов
Рисунок 6. Монтаж фундаментов
Данным параметрам соответствует гусеничный кран МКГ-20 со
следующими характеристиками:
длина стрелы: Lстр=22,5 м (Lстр тр=7 м);
вылет стрелы: Lкр=5,5 м (Lкр тр=4,7 м);
высота подъема: H=22 м (Hтр=8,3 м);
грузоподъемность: Q=15 т (Qтр=14,99 т);
б) Монтаж средних колонн
Рисунок 7. Монтаж колонн
Данным параметрам соответствует гусеничный кран МКГ-20 со
следующими характеристиками:
длина стрелы: Lстр=22,5 м (Lстр тр=15,5 м);
вылет стрелы: Lкр=5,5 м (Lкр тр=5,3 м);
высота подъема: H=22 м (Hтр=17,1 м);
грузоподъемность: Q=15 т (Qтр=13,247 т);
в) Монтаж подкрановых балок
Рисунок 8. Монтаж подкрановых балок
Данным параметрам соответствует гусеничный кран МКГ-20 со
следующими характеристиками:
длина стрелы: Lстр=22,5 м (Lстр тр=13,5 м);
вылет стрелы: Lкр=5,5 м (Lкр тр=3,17 м);
высота подъема: H=22 м (Hтр=15,4 м);
грузоподъемность: Q=15 т (Qтр=11,211 т);
г) Монтаж стропильных ферм
Рисунок 9. Монтаж стропильных ферм
Данным параметрам соответствует гусеничный кран МКГ-20 со
следующими характеристиками:
длина стрелы: Lстр=22,5 м (Lстр тр=16,8 м);
вылет стрелы: Lкр=5,5 м (Lкр тр=3,6 м);
высота подъема: H=22 м (Hтр=17,940 м);
грузоподъемность: Q=15 т (Qтр=7,02 т);
д) Монтаж плит покрытия
Рисунок 10. Монтаж плит покрытия
Данным параметрам соответствует гусеничный кран Э-1252 со следующими
характеристиками:
длина стрелы: Lстр=25 м (Lстр тр=21 м);
вылет стрелы: Lкр=16 м (Lкр тр=14,7 м);
высота подъема: H=19,6 м (Hтр=18,535 м);
грузоподъемность: Q=2,2 т (Qтр=1,65 т);
е) Монтаж стеновых панелей
Рисунок 11. Монтаж стеновых панелей
Данным параметрам соответствует гусеничный кран МКГ-20 со
следующими характеристиками:
длина стрелы: Lстр=22,5 м (Lстр тр=18,3
м);
вылет стрелы: Lкр=5,5м (Lкр тр=3,3
м);
высота подъема: H=22 м (Hтр=20,2 м);
грузоподъемность: Q=15 т (Qтр=5,695 т);
Определение аналитическим методом требуемых монтажных
характеристик кранов при монтаже железобетонных конструкций.
а) Монтаж стропильных ферм
требуемая грузоподъемность Qтр:
Qтр=qэ+qс
где qэ - масса монтируемого элемента, т;
qс - масса
захватного приспособления, т;
Для стропильной фермы:
Qтр=6,4+0,62=7,02
т
требуемая высота подъема Hтр:
Hтр=h0+hб+hэл+hт+hп
где h0 - превышение проектного уровня установки
конструкции над уровнем стоянки крана, м;
hб - запас по высоте, м (hб=1,5 м);
hэл - высота монтируемого элемента, м;
hт - высота захватного приспособления, м;
hп - высота полиспаста, м (hп=1,5 м);
Hтр=10,8+0,5+1,64+3,5+1,5=17,940 м
- требуемый вылет стрелы Lкр:
где Lстр - требуемая длина стрелы, м;
- угол наклона стрелы, град;
- расстояние от оси вращения крана до пяты стрелы, м (
=1,5 м);
Lстр=
где H - превышение верха монтируемой или ранее
смонтированной конструкции над уровнем пяты стрелы крана, м;
В - расстояние по горизонтали от оси стрелы крана до центра
тяжести монтируемой конструкции, м;
где
- угол, обеспечивающий минимальную длину
стрелы при монтаже конструкции, град.;
- угол, обеспечивающий соблюдение минимальной длины полиспаста в
стянутом состоянии, град.;
H= h0+hб+hэл- hш
B=b/2+c
где b - монтажная ширина элемента, м;
hш -
превышение пяты стрелы над уровнем стоянки крана (hш=2 м);
с - минимальное расстояние от конструкции до оси стрелы крана
(с=0,5 м);
hп -
минимальная длина полиспаста в стянутом состоянии (hп=1,5 м);
H=10,8+0,5+1,640-2=10,94 м
В=0,3/2+0,5=0,65 м
град
град
Lстр=
м
Lкр=14,389·cos69,13+0,5=5,63 м
б) Монтаж плиты покрытия
требуемая грузоподъемность Qтр:
Qтр=1,4+0,25=1,65 т
- требуемая высота подъема Hтр:
Hтр=13,235+0,5+0,3+3+1,5=18,535 м
- требуемый вылет стрелы Lкр:
H=h1- hш
где h1 - превышение верха ранее смонтированной
конструкции над уровнем стоянки крана, м;
H=13,235-2=11,235 м
B=b1+c
где b1 - расстояния от обращенного к крану края ранее
смонтированной конструкции до центра тяжести монтируемой конструкции, м;
В=3,25+0,5=3,75 м
град
град
Lстр=
м
Lкр=20,25·cos55,25+0,5=12,04 м
Содержание на строительной площадке более двух кранов невыгодно по
различным технико-экономическим показателям, а главное ведет к увеличению
стоимости строительства объекта. Поэтому, тщательно проанализировав все
характеристики подобранных кранов, можно прийти к выводу, что монтаж всех
основных несущих железобетонных элементов (фундаментов, колонн, подкрановых
балок, стропильных ферм и стеновых панелей) можно произвести с помощью крана МКГ-20
со следующими параметрами:
длина стрелы: Lстр=22,5 м;
вылет стрелы: Lкр=5,5 м;
высота подъема: H=22 м;
грузоподъемность: Q=15 т.
А монтаж плит покрытия можно произвести при помощи крана Э-1252
со следующими параметрами:
длина стрелы: Lстр=25 м;
вылет стрелы: Lкр=16 м;
высота подъема: H=19,6 м;
грузоподъемность: Q=2,2 т.
1.7
Календарный график производства монтажных и сопутствующих работ
Календарный график производства работ по возведению здания
предназначен для определения последовательности и сроков выполнения монтажных
работ, осуществляемых при возведении объекта. Эти сроки устанавливаются в
результате рациональной увязки сроков выполнения отдельных видов работ, учете
состава и количества основных ресурсов, в первую очередь рабочих бригад и
ведущих механизмов, а также специфических условий района строительства,
отдельной площадки и ряда других существенных факторов.
По календарному графику рассчитывают во времени потребность в
трудовых и материально-технических ресурсах.
Календарный график производства монтажных и сопутствующих
работ представлен на чертеже.
1.8
Подбор транспорта, средств малой механизации, приспособлений и инвентаря
Для перевозки сборных конструкций целесообразно пользоваться
специализированным транспортом.
При выборе транспортного средства следует стремиться к тому,
чтобы коэффициент использования по грузоподъёмности находился в пределах
0,9..1,05.
Таблица 6. Ведомость транспортных средств
|
№ п/п
|
Наименова ние
перевози мых элементов
|
Масса эле
мента, т
|
Геометрические
размеры, м
|
Наимено вание
транспор та, марка
|
Грузо
подъемность, т
|
Число
перевозимых элементов, шт.
|
Коэффи циент
использования по грузо подъем ности
|
Требу емое
количество транспортных средств, шт.
|
|
|
|
L
|
b
|
a
|
|
|
|
|
|
|
1
|
2
|
3
|
4
|
5
|
6
|
7
|
8
|
9
|
10
|
11
|
|
1
|
Колонны
крайнего ряда, шаг 6м
|
8
|
11,8
|
0,8
|
МАЗ-504А с
колон новозом КП-30 1РП-10
|
25
|
3
|
0,96
|
1
|
|
2
|
Колонны
среднего ряда, шаг12м
|
13
|
11,8
|
0,5
|
0,8
|
МАЗ-504А с
колон новозом КП-30
|
30
|
2
|
1
|
1
|
|
3
|
Колонны
фахверко вые
|
7,4
|
11,7
|
0,4
|
0,6
|
МАЗ-504А с
колон новозом КП-30
|
25
|
3
|
0,9
|
1
|
|
4
|
Стеновые панели
|
3,74
|
1,185
|
0,24
|
6
|
МАЗ-504А с
панелевозом УПП-1-8
|
8
|
2
|
0,94
|
1
|
|
5
|
Стеновые панели
|
5,63
|
1,785
|
0,24
|
6
|
МАЗ-504А с
панелевозом ПФ-11
|
25
|
4
|
0,9
|
1
|
|
6
|
Балки
фундаментные
|
1,2
|
0,3
|
0,4
|
4,95
|
МАЗ -200В
|
12,5
|
3
|
0,96
|
1
|
|
7
|
Балки
подкрановые (крайние)
|
4,2
|
5,960
|
1
|
0,6
|
МАЗ-504А с
балково зом ПБ-9-2
|
12
|
3
|
1,05
|
1
|
|
8
|
Балки
подкрановые (средние)
|
10,7
|
11,95
|
1,4
|
0,65
|
МАЗ-504А с
балково зом ПБ-9-2
|
12
|
1
|
0,89
|
1
|
|
9
|
Плиты покрытия
|
1,4
|
1,48
|
0,3
|
5,96
|
ЗИЛ-130В1 с
плитово зом
|
12,5
|
1
|
1,01
|
1
|
|
10
|
Подстропильная
балка
|
12
|
1,485
|
0,7
|
11,96
|
МАЗ-504А с полу
прицеп -платформой ПБ-9-12
|
12
|
1
|
1
|
1
|
|
11
|
Стропильные
фермы, шаг
|
6,4
|
1,640
|
0,3
|
11,96
|
МАЗ-504А с
фермовозом ПФН-24
|
34
|
5
|
0,94
|
1
|
|
12
|
Фундаменты
крайн.
|
13,7
|
3,3
|
2,7
|
0,9
|
МАЗ-504А с
плитовозом
|
20
|
2
|
1,27
|
1
|
|
13
|
Фундаменты
средн.
|
14,55
|
3,6
|
3,0
|
0,9
|
|
20
|
1
|
0,73
|
1
|
|
14
|
Фундаменты
фахв.
|
6,62
|
1,8
|
1,8
|
0,3
|
|
20
|
3
|
0,99
|
1
|
1.9
График потребности в строительных машинах, транспорте, средствах малой механизации,
приспособлениях и инвентаре
График потребности в основных строительных машинах,
транспорте, средствах малой механизации, приспособлениях и инвентаре
рассчитывается на основе рассчитанного выше календарного графика производства
монтажных и сопутствующих работ на весь период строительства. При выборе
средств малой механизации, приспособлений и инвентаря учитывается их наличная
номенклатура, номенклатура методов производства всех видов работ, выполняемых
при монтаже здания. График потребности в основных строительных машинах,
транспорте, средствах малой механизации, приспособлениях и инвентаре изображен
на чертеже.
1.10
Объектный строительный генплан
На объектном строительном плане изображаем
проектируемое здание на стадии монтажа конструкций. Монтаж конструкций будут
производить два гусеничных крана: МКГ-20, Э-1252.
Изображаются склады для хранения
конструкций и инвентаря. Склады размещаются с учётом расположения подъездных
дорог и подъездов от основных транспортных магистралей к местам приёмки и выгрузки
материалов вне зоны действия кранов. Открытые склады сборных элементов
укрупнённых конструкций, материалов располагаем в зоне действия кранов. Во
избежание доступа посторонних лиц на строительную площадку устанавливаются
ограждения по периметру площадки. На строительной площадке устраиваются
временные дороги шириной 6м. Территория под кранами считается опасной, поэтому
проходы и проезды под ними запрещены.
Санитарно-бытовые и административные
здания, а так же подходы к ним располагаем вне зоны действия кранов: размещаем
их вблизи входа на строительную площадку. Гардеробные, умывальные, душевые,
помещения для сушки одежды размещаем в одном блоке. Комната для обогрева
рабочих и для отдыха размещается в другом блоке. Контора и диспетчерская
располагаются в отдельный блок.
На плане указываем места подключения
коммуникаций к зданиям и сооружениям.
Для соблюдения противопожарных норм
устанавливаем пожарные гидранты.
Для соблюдения экологических норм
устраиваем мойку колёс на выезде со стройплощадки.
Объектный строительный генплан изображен на чертеже.
1.11
Мероприятия по охране труда, противопожарной безопасности и
природоохранительные
Следует выполнять следующие мероприятия по охране труда,
противопожарной безопасности и природоохранительные:
· На участке, где ведутся монтажные работы, не
допускается выполнение других работ и нахождение посторонних лиц.
· Способы строповки элементов конструкций и
оборудования должны обеспечивать их подачу к месту установки в положении,
близком к проектному.
· Запрещается подъем сборных железобетонных
конструкций, не имеющих монтажных петель или меток, обеспечивающих их
правильную строповку и монтаж.
· Очистку подлежащих монтажу элементов
конструкций от грязи и наледи следует производить до их подъема.
· Строповку конструкций и оборудования следует
производить грузозахватными средствами, удовлетворяющими требованиям
утвержденного проекта и обеспечивающими возможность дистанционной расстроповки
с рабочего горизонта в случаях, когда высота до замка грузозахватного средства
превышает 2м.
· Элементы монтируемых конструкций или
оборудования во время перемещения должны удерживаться от раскачивания и
вращения гибкими оттяжками. Не допускается пребывание людей на элементах
конструкций и оборудования во время их подъема или перемещения.
· Во время перерывов в работе не допускается
оставлять поднятые элементы конструкций и оборудования на весу.
· Расчалки для временного закрепления
монтируемых конструкций должны быть прикреплены к надежным опорам. Количество
расчалок, их материалы и сечение, способы натяжения и места закрепления
устанавливаются проектом производства работ. Расчалки должны быть расположены
за пределами габаритов движения транспорта и строительных машин. Расчалки не
должны касаться острых углов других конструкций. Перегибание расчалок в местах
соприкосновения их с элементами других конструкций допускается лишь после
проверки прочности и устойчивости этих элементов под воздействием усилий от
расчалок.
· Для перехода монтажников с одной
конструкции на другую следует применять инвентарные лестницы, переходные
мостики и трапы, имеющие ограждение.
· Не допускается переход монтажников по
установленным конструкциям и их элементам, на которых невозможно установить
ограждение, обеспечивающее ширину прохода, без применения специальных предохранительных
приспособлений.
· Установленные в проектное положение
элементы конструкций или оборудования должны быть закреплены так, чтобы
обеспечивалась их устойчивость и геометрическая неизменяемость.
· Расстроповку элементов конструкций и
оборудования, установленных в проектное положение, следует производить после
постоянного или временного надежного их закрепления. Перемещать установленные
элементы конструкций или оборудования после их расстроповки, за исключением
случаев, обоснованных ППР, не допускается.
· Не допускается выполнять монтажные работы
на высоте в открытых местах при скорости ветра 15 м/с и более, при гололедице,
грозе или тумане, исключающем видимость в пределах фронта работ. Работы по
перемещению и установке вертикальных панелей и подобных им конструкций с
большой парусностью следует прекращать при скорости ветра 10 м/с и более.
· Не допускается нахождение людей под
монтируемыми элементами конструкций и оборудования до установки их в проектное
положение и закрепления.
· При необходимости нахождения работающих
под монтируемым оборудованием, а также на оборудовании должны осуществляться
специальные мероприятия, обеспечивающие безопасность работающих.
· Навесные монтажные площадки, лестницы и
другие приспособления, необходимые для работы монтажников на высоте, следует
устанавливать и закреплять на монтируемых конструкциях до их подъема.
· При производстве монтажных (демонтажных)
работ в условиях действующего предприятия эксплуатируемые электросети и другие
действующие инженерные системы в зоне работ должны быть, как правило,
отключены, закорочены, а оборудование и трубопроводы освобождены от
взрывоопасных, горючих и вредных веществ.
· При производстве монтажных работ не
допускается использовать для закрепления технологической и монтажной оснастки
оборудование и трубопроводы, а также технологические и строительные конструкции
без согласования с лицами, ответственными за правильную их эксплуатацию.
· До выполнения монтажных работ необходимо
установить порядок обмена условными сигналами между лицом, руководящим
монтажом, и машинистом. Все сигналы подаются только одним лицом (бригадиром
монтажной бригады, звеньевым, такелажником-стропальщиком), кроме сигнала
"Стоп", который может быть подан любым работником, заметившим явную
опасность.
· В особо ответственных случаях (при подъеме
конструкций с применением сложного такелажа, метода поворота, при надвижке
крупногабаритных и тяжелых конструкций, при подъеме их двумя или более
механизмами и т.п.) сигналы должен подавать только бригадир монтажной бригады в
присутствии инженерно-технических работников, ответственных за разработку и
осуществление технических мероприятий по обеспечению требований безопасности.
· При надвижке конструкций и оборудования
лебедками грузоподъемность тормозных лебедок и полиспастов должна быть равна
грузоподъемности тяговых, если иные требования не установлены проектом.
· Монтаж конструкций каждого последующего
яруса (участка) здания или сооружения следует производить только после
надежного закрепления всех элементов предыдущего яруса согласно проекту.
· Навесные металлические лестницы высотой
более 5м должны быть ограждены металлическими дугами с вертикальными связями и
надежно прикреплены к конструкции или к оборудованию. Подъем рабочих по
навесным лестницам на высоту более 10м допускается в том случае, если лестницы
оборудованы площадками отдыха не реже чем через каждые 10м по высоте.
· В процессе монтажа конструкций, зданий или
сооружений монтажники должны находиться на ранее установленных и надежно
закрепленных конструкциях.
· При монтаже металлоконструкций из рулонных
заготовок должны приниматься меры против самопроизвольного сворачивания рулона.
· Окраску и антикоррозионную защиту
конструкций и оборудования в случаях, когда они выполняются на строительной
площадке, следует производить, как правило, до их подъема на проектную отметку.
После подъема производить окраску или антикоррозионную защиту следует только в
местах стыков или соединений конструкций.
· Распаковка и расконсервация подлежащего
монтажу оборудования должны производиться в зоне, отведенной в соответствии с
проектом производства работ, и осуществляться на специальных стеллажах или
подкладках высотой не менее 100 мм.
· При расконсервации оборудования не
допускается применение материалов со взрыво- и пожароопасными свойствами.
· Руководство монтажными работами должно поручаться
опытным инженерно-техническим работникам, хорошо знающим сложности и специфику
выполнения этих работ.
· При подъёме элементов обязательна организация
сигнализации; все сигналы подаются машинисту крана или бригадирам монтажной
бригады. Машинист крана должен знать свои команды, которым он должен
подчиняться.
· Строповку элементов надо производить так,
чтобы они подавались к месту установки в положение, максимально близким к
проектному.
· При производстве СМР запрещается
пребывание людей на нижних этажах, а также в зоне перемещения элементов крана.
· При подъёме элементов их перемещение в
горизонтальном положении и направлении производится на высоте не менее 0,5 м
над другими предметами.
· Подводить элементы к месту монтажа краном
следует с внешней стороны здания.
· Нельзя допускать переноса элементов
кранами над рабочим местом монтажников. Подающий элемент опускают над местом
его установки не более чем на 30 см. Из этого положения его направляют монтажники
и устанавливают в проектное положение.
· При подъёме элементов с транспортных
средств запрещается перемещать груз над кабиной шофёра.
· Каждый электросварщик должен быть снабжён
индивидуальным щитком или маской с защитными стёклами. Запрещается производство
электросварочных работ на открытых местах в ненастную погоду.
· Каждый работник должен соблюдать
элементарные этические и культурные правила нахождения в обществе, как,
например, не мусорить и не разрушать природные богатства.
· При выполнении работ на вновь застраиваемых
территориях необходимо осуществлять меры, обеспечивающие сохранение или
восстановление растительного покрова. Выпуск воды непосредственно на склоны без
надлежащей их защиты от размыва не допускается. Производственные и бытовые стоки,
образующиеся на строительной площадке, должны очищаться и отводиться в
канализацию.
· При производстве строительно-монтажных
работ должны быть соблюдены требования по предотвращению запыленности и
загазованности воздуха.
· Зоны работы строительных машин и маршруты
движения средств транспорта должны устанавливаться с учетом требований по
предотвращению повреждений сельскохозяйственных угодий.
· При выполнении планировочных работ
почвенный слой должен предварительно сниматься и складироваться в специально
отведенных местах для последующего использования.
· На территории строящихся объектов не
допускается не предусмотренная проектной документацией вырубка леса,
кустарника, засыпка грунтом стволов и корневых шеек древесно-кустарниковой
растительности.
1.12
Технико-экономические показатели строительства объектов
Затраты труда на монтаж 1т сборных конструкций:
где
чел.-дн.- суммарная трудоёмкость монтажа
конструктивных элементов,
т- суммарная масса монтируемых конструктивных элементов.
Затраты машинного времени на монтаж 1т сборных конструкций:
маш.-см./т,
где
маш.-см.- время работы машины на монтаже
конструктивных элементов.
Выработка на одну рабочую смену:
т/чел.-дн.
Примечание: технико-экономические показатели определяются
на монтаж надземной части здания.
2.
Технологическая карта на монтаж колонн среднего ряда
Технологическая карта разработана на комплекс работ по монтажу
железобетонных колонн промышленных зданий.
2.1
Организация и технология выполнения работ
До начала монтажа колонн должны быть полностью закончены и приняты
следующие работы:
устройство фундаментов под монтаж колонн. К акту приемки прилагают
исполнительные геодезические схемы с нанесением положения опорных поверхностей
в плане и по высоте;
обратная засыпка пазух котлована;
планировка грунта в пределах нулевого цикла;
устройство временных подъездных дорог для автотранспорта;
подготовка площадок для складирования колонн и работы крана;
При погрузочно-разгрузочных работах, транспортировании и хранении колонны
необходимо оберегать от механических повреждений. Запрещается сбрасывать
колонны с транспортных средств или волочить их по любой поверхности. Во время
погрузки следует применять стропы из мягкого материала.
Погрузочно-разгрузочные и такелажные работы на объектах рекомендуется
производить с максимальным использованием средств механизации с помощью
рабочих, входящих в состав бригад монтажников.
Складируют колонны на открытых, спланированных площадках с покрытием из
щебня или песка.
2.2 Монтаж
колонн
До начала монтажа колонн необходимо выполнить следующие подготовительные
работы:
перевезти и складировать колонны на приобъектном складе;
отобрать колонны, прошедшие входной контроль;
нанести риски, необходимые для контроля положения колонны в плане и по
высоте.
Места рисок: посередине между двумя взаимно перпендикулярными боковыми
гранями на уровне низа и верха колонны; на двух боковых гранях консоли по оси
подкрановой балки; по середине верхней грани подкрановой консоли; на боковых
гранях колонн, на высоте 1,5 м над уровнем верха фундамента (смотри Рис.12).
Риски наносятся карандашом или маркером;
закрыть стаканы фундаментов щитами для предохранения от загрязнения;
проверить положение всех закладных деталей колонн;
доставить в зону монтажа колонн необходимые монтажные средства,
приспособления и инструменты.
Рис.12. Ориентиры для колонны
а - на фундаменте; б - на колонне; 1 - осевые риски; 2 - оси установки
подкрановых балок; 3 - риски нулевого горизонта
Рис.13 Схема монтажа колонн
Рис.14 Схема строповки колонны
Рис.15 Схема закрепления колонны клиньями
Рис.16 Схема выверки колонны клиньями:
Рис.17 Контроль установки колонны по вертикали
- теодолит; разбивочные оси; 2 - на фундаменте; 3 - на колонне
2.3
Пооперационный график выполнения работ
Таблица 7. Пооперационный график выполнения работ
|
№ п-п
|
Наименование операции
|
Время в минутах
|
Продолжительность в мин.
|
Трудоемкость в челмин.
|
|
|
10
|
20
|
30
|
40
|
50
|
60
|
70
|
80
|
|
|
|
1
|
Подготовка колонны к
монтажу
|
|
|
М-3
|
М-4
|
|
|
|
|
8
|
16
|
|
2
|
Подготовка стакана
фундамента
|
|
|
М-2
|
М-1
|
|
|
|
|
13
|
26
|
|
3
|
Строповка колонны
|
|
|
|
М-3
|
М-4
|
|
|
|
8
|
16
|
|
3
|
Работа крана МКГ-20
|
|
|
|
К
|
|
|
|
|
3
|
|
|
4
|
Установка колонны
|
|
|
|
М-1
|
М-2
|
М-3
|
М-4
|
К
|
8
|
32
|
|
5
|
Выверка колонны
|
|
|
|
|
|
К
|
М1, М3
|
М2, М4
|
16
|
64
|
|
6
|
Временное закрепление
колонны
|
М1, М2
|
М3, М4
|
К
|
|
|
|
|
|
21
|
84
|
|
7
|
Расстроповка колонны
|
М1, К
|
|
|
|
|
|
|
|
1
|
1
|
|
8
|
Работа кранаМКГ-20
|
К
|
|
|
|
|
|
|
|
4
|
|
|
9
|
Технологический перерыв
|
М1, М2
|
|
|
|
|
|
|
|
3
|
6
|
|
10
|
Отдых
|
М1, М2
|
М3, М4
|
К
|
|
|
|
|
|
5
|
25
|
|
Итого
|
268
|
2.4
Ведомость материально-технических и людских ресурсов
Исполнители:
монтажник конструкций V разряда (М1)
- 1
монтажник конструкций IV разряда (М2)
- 1
монтажники конструкций (они же
такелажники) III разряда (М3,М4) - 2
Примечание. Машинист крана VI разряда в состав бригады
не входит.
Таблица 8. Комплект приспособлений и инструмента для установки колонн
|
Наименование
|
Количество, шт.
|
|
Контейнер
|
1
|
|
Вкладыши клиновые
|
50
|
|
Приставки дополнительные
|
|
|
толщиной 36 мм
|
|
" 70 мм
|
20
|
|
" 105 мм
|
20
|
|
Ключи накидные
|
4
|
|
Ограждения вкладышей
|
8
|
|
Ключи трещоточные
|
4
|
|
Фиксаторы
|
|
|
длиной 1285 мм
|
4
|
|
" 1535 мм
|
4
|
|
Зубила
|
2
|
|
Ломы ЛМ24
|
2
|
|
Молотки
|
2
|
|
Отвертки
|
2
|
|
Кельмы КП
|
2
|
|
Рулетки
|
|
|
РС-20
|
1
|
|
РС-1
|
1
|
|
Канаты пеньковые диаметром
12 мм, длиной 15 м
|
2
|
|
Ведра
|
2
|
|
Скребки
|
2
|
2.5
основные мероприятия по технике безопасности работ
Руководство монтажными работами должно поручаться опытным
инженерно-техническим работникам, хорошо знающим сложности и специфику
выполнения этих работ. При подъёме элементов обязательна организация
сигнализации; все сигналы подаются машинисту крана или бригадирам монтажной
бригады. Машинист крана должен знать свои команды, которым он должен подчиняться.
Строповку элементов надо производить так, чтобы они подавались к месту
установки в положение, максимально близким к проектному. При производстве СМР
запрещается пребывание людей на нижних этажах, а также в зоне перемещения
элементов крана. При подъёме элементов их перемещение в горизонтальном
положении и направлении производится на высоте не менее 0.5 м. над другими
предметами. Подводить элементы к месту монтажа краном, следует с внешней
стороны здания.
Нельзя допускать переноса элементов кранами над рабочим
местом монтажников. Подающий элемент опускают над местом его установки не более
чем на 30 см. Из этого положения его направляют монтажники и устанавливают в
проектное положение.
3.
Производство бетонных и монтажных работ в особых условиях
.1
Выбор методов производства работ зимнего бетонирования
В соответствии с заданием в курсовом проекте предусмотрено
выполнение отдельных бетонных работ в зимних условиях. В данном случае
требуется провести работы по бетонированию колонн при:
· расстояние от ЖБИ и РБУ до строительной
площадки 8 км;
· температуре наружного воздуха - 5 0С;
· скорости ветра 10 м/с;
· плотность бетона 2450 кг/м;
Зимними условиями принято считать те, при которых
среднесуточная температура наружного воздуха снижается ниже + 5 0С,
а в течение суток наблюдается падение её ниже 0 0С.
Способы производства бетонных работ в зимних условиях должны
обеспечивать приобретение бетоном в требуемые сроки заданных показателей
прочности, морозостойкости, водонепроницаемости, а также монолитность
конструкции.
Не допускается замерзание бетона до приобретения критической
прочности, которая должна быть не менее 80% в соответствии с требованиями СНиП.
В нашем случае используем метод «термоса».
Для нашего случая хорошо подходит метод термоса.
3.2
Описание технологии ведения бетонных работ
Для твердения цементного камня наиболее благоприятная
температура твердения от 15 до 25°С, при которой бетон на
28-е сутки достигает стабильной прочности. При отрицательных температурах вода,
содержащаяся в бетоне, замерзая, увеличивается в объёме примерно на 9%. При
раннем замораживании резко снижается сцепление бетона с арматурой,
увеличивается пористость, что влечёт за собой снижение прочности,
морозостойкости и водонепроницаемости бетона.
Чтобы этого избежать, мы используем метод термоса, который
заключается в том, что бетон вследствие предварительного нагрева и энергии
гидратации цемента при утеплении способен продолжительное время сохранять
положительную температуру.
Для получения необходимой температуры смеси при её
приготовлении подогревают воду до 50-90 °С, а так же песок и
щебень, используя способ прогрева паром. Потом подбираем конструкцию опалубки
при заданной продолжительности остывания конструкции с соответствующим
утеплителем, предохраняющим бетонную смесь от остывания.
Чем бетонируемая конструкция массивнее и,
следовательно, чем меньше площади ее охлаждаемых поверхностей, тем эффективнее
метод «термоса».
Теплотехнический расчет режима
выдерживания бетона должен подтвердить, что в течение времени, необходимого для
достижения бетоном заданной прочности, ни в одной точке конструкции температура
не опуститься ниже 0 оС. При этом количество тепла, внесенное в
бетон и выделенное в результате экзотермической реакции, должно быть
сбалансировано е его расходом при остывании.
Метод «термоса» наиболее эффективен для
конструкции с модулем поверхности меньше 6. Однако благодаря правильному выбору
расчетных параметров процесса термосного выдерживания бетона область применения
метода может быть значительно расширена.
Эффективность метода «термоса» в
значительной мере зависит от температуры бетона в момент его укладки в
опалубку. Во избежание потери подвижности температура бетона при выходе из
бетоносмесительной машины не должна превышать 35-45°С. В процессе перевозки и укладки
смеси при температуре ниже -20°С бетонная смесь остывает на 15-20°С. Поэтому
даже при перевозке на расстояние до 5 км и неизбежных одной - двух перегрузках
применение метода «термоса» оказывается возможным лишь для очень массивных
конструкций с модулем поверхности 1,5-3.
3.3
Расчеты, связанные с бетонированием колонны
Колонна размером 11,8х0,5х0,8 м, изготовленный из бетона
класса С20/25 на портландцементе марки 400 с расходом стали 583 кг/м3,
бетонируется в зимнее время в условиях стройплощадки. Температура наружного
воздуха равна -5°С, при скорости ветра 10 м/с. Температура нагрева бетонной
смеси в момент укладки в опалубку составляет 45°С.
Требуется подобрать конструкцию опалубки при условии, чтобы
бетон приобрел 80% прочности от марочной в течение 7 суток остывания.
. Определяем объем бетона в конструкции:
,
а затем определяем поверхность охлаждения конструкции:
,
где h,b,L -
соответственно толщина, высота и длина бетонируемой конструкции.
. Находим модуль поверхности конструкции:
3. Определяем начальную температуру бетона с учетом нагрева арматуры:
,
где с1 , с2 -
соответственно удельная теплоемкость бетона и арматуры;
- удельная масса бетона;
Р2 -
расход арматуры.
4. Согласно графикам набора прочности бетона при различной температуре
находим среднюю температуру твердения бетона tб.ср., равную 30°С, при которой
в течении примерно 7 сут. бетон конструкции приобретает 80% прочности от
марочной. [3]
5. Определяем (ориентировочно) коэффициент
теплоотдачи опалубки:
По таблице 4 приложения [3] назначаем (ориентировочно) конструкцию
опалубки, состоящей из доски толщиной 25мм, слоя толи, слоя минеральной ваты
толщиной 50мм и слоя фанеры толщиной 4мм, которые имеют при нормальной
влажности и температуре 0°С расчетные
физические показатели, приведенные в таблице 5 приложения 1 [3].
. Определяем удельный тепловой поток через опалубку:
7. Определяем по графику 1 коэффициент теплоотдачи конвекций при
скорости ветра, равной 10м/с:
Зная, что лицевая сторона опалубки выполнена из фанеры, для
которой коэффициент излучения равен примерно:
,
принимаем температуру на наружной поверхности опалубки равной t’оп. = -13°С, тогда коэффициент теплоотдачи излучением
.
. Проверяем правильность заданной температуры на наружной стороне
опалубки:
. Определяем температуру (среднюю) нагрева опалубки:
10. Вычисляем количество тепла, идущее на нагрев опалубки:
где
- соответственно удельная теплоемкость,
площадь, толщина и объемная масса материала опалубки.
. Находим температуру бетона с учетом потерь тепла, затраченных на
нагрев арматуры и опалубки:
12. Уточняем значение коэффициента теплоотдачи опалубки:
13. В связи с тем, что найденный коэффициент теплоотдачи опалубки
отличается от ранее полученного, для принятой ранее конструкции опалубки
рассчитываем требуемую толщину слоя теплоизоляции (ваты минеральной). Для этой
цели определяем коэффициент теплопроводности материалов опалубки, взятых до
:
где
- коэффициент теплопроводности материалов
опалубки при 0°С по таблице 5
приложения I [3];
для сосновой доски
для фанеры клеевой
для толи
для ваты минеральной
Находим толщину теплоизоляции, в данном случае - толщину слоя
минеральной ваты:
где
- коэффициент теплопроводности
соответственно теплоизоляции и составляющих материалов опалубки при tоп
14.Уточняем удельный тепловой поток, теряемый бетоном через
опалубку:
15.Окончательно определяем температуру на наружной поверхности
опалубки:
16.Определяем температуру бетона к концу выдерживания:
Продолжительность остывания бетона окончательно проверяем:
Продолжительность остывания конструкции составила 7,5 суток, что
удовлетворяет условиям задачи.
В итоге расчета установлено, что конструкция опалубки должна
состоять из сосновой доски толщиной 25мм, одного слоя толя толщиной 1мм,
минеральной ваты толщиной слоя 70 мм и фанеры толщиной 4мм.
3.4
Схема, иллюстрирующая ведение бетонных работ
Рисунок 18- Схема бетонирования конструкций с предварительным
разогревом смеси: 1 - бетонный завод; 2 - бетоновоз; 3 - электробадья; 4 -
распределительное устройство; 5 - кран; 6 - укладка смеси.
Список
литературы
1. Бороздин.
Технико-экономическое обоснование выбора монтажных кранов и приспособлений.
Учебное пособие. - М.: Стройиздат, 1994г.
2. Пантюхов,
О.Е. Монтаж строительных конструкций: учеб.-метод. пособие по курсовому
и дипломному проектированию / О.Е. Пантюхов; М-во образования Респ. Беларусь,
Белорус. гос. ун-т трансп. - Гомель : БелГУТ, 2010. - с.
3. Сергеева
О.Г. Производство бетонных работ в зимних условиях: Методическое пособие. Ч. 1.
Бетонирование по методу термоса и предварительного электроразогрева бетонной
смеси. - Гомель: БелИИЖТ, 1981.
. РСН.
Сборник 7. Монтаж сборных и устройство монолитных железобетонных конструкций.
Вып.1. Здания и промышленные сооружения.