Технологический процесс изготовления втулки компрессорного ротора
Реферат
Исходными данными для курсовой
работы служат чертёж детали, заводской технологический процесс, программа
годового выпуска детали.
Пояснительная записка содержит
характеристику узла и изделия, где работает деталь, расчёт и проектирование
заготовки, разработку маршрутного и операционного техпроцессов, расчёт и
проектирование режущего и мерительного инструментов.
Деталь, на которую разрабатывается
технологический процесс - “Втулка 303.7020.003” входит в ротор
газоперекачивающего агрегата ГПА - Ц1 - 16С/85 - 1,35М.
Содержание
Вступление
1. Анализ служебного назначения машины, узла, детали. Описание
конструктивных особенностей детали и условий её эксплуатации
2. Анализ технических требований на изготовление детали
. Определение типа производства, такта выпуска и партии
запуска
. Анализ технологичности конструкции детали
. Выбор способа получения заготовки и разработка
технических условий к ней
6. Анализ существующего или типового технологического процесса
6.1 Расчёт припусков на механическую обработку
.2 Анализ и обоснование схемы базирования и закрепления заготовки
.3 Обоснование выбора металлорежущих станков
.4 Обоснование выбора станочных приспособлений, режущего и
мерительного инструментов
.5 Расчёты режимов резания
.6 Техническое нормирование операций
7. Научно-исследовательская часть
Выводы
Список литературы
Приложения
Введение
Машиностроение, поставляющее новую
технику всем отраслям народного хозяйства, определяет технический прогресс
страны и оказывает решающее влияние на создание материальной базы нового
общества.
Технология машиностроения - наука об
изготовлении машин требуемого качества, необходимого количества, в заданные
строки с наименьшими затратами труда, то есть с минимальной себестоимостью.
С переходом Украины на рыночные
отношения резко возросла потребность народного хозяйства в качественной,
надёжной, конкурентоспособной продукции, изготавливаемой машиностроением и
другими отраслями промышленности. Для получения качественной продукции на
предприятиях внедряются передовые технологии и высокопроизводительное,
прогрессивное оборудование.
Разработка нового технологического
процесса связана с повышением качества продукции, вводом нового и
использованием хорошо зарекомендовавшего себя прогрессивного оборудования, что
позволит увеличить качество продукции и расширить рынки продаж изделий,
выпускаемых на предприятии.
1. Анализ служебного
назначения машины, узла, детали. Описание конструктивных особенностей детали и
условий её эксплуатации
Газоперекачивающие агрегаты типа ГПА
- Ц1 - 16 представляют собой блочные, комплектные автоматизированные установки
с газотурбинными авиационными приводами, мощностью 16 МВт, предназначены для
транспортирования природного газа по магистральным трубопроводам.
Агрегаты изготавливаются
в климатическом исполнении “ХЛ”, категория размещения І ГОСТ 6150-69 и
обеспечивает нормальную работоспособность при температуре окружающего воздуха
от -55ºС до +45
C
и
относительной влажности воздуха 100%, а также при наличии осадков (дождь, снег,
туман).
Сжимаемый газ -
некоррозионный, взрывоопасный (природный газ).
Максимальная влажность
газа на всасывании - состояние насыщения при отсутствии капельной влаги.
Запылённость газа,
поступающего в компрессор, не должна превышать 5 мг/м2, (при
температуре +20ºС и атмосферном давлении 0,101 МПа), раз мер механических частиц
не более 30 мкм.
Температура газа на
всасывании от 243К до 318К (от -30ºС
до +45ºС). При кратковременной работе компрессора «на кольцо» допускается
повышение температуры газа до 333К (+60ºС).
В зависимости от
конструкции проточной части нагнетателя, полностью унифицированные агрегаты
могут быть использованы на конечное давление 5,6; 7,6; 8,5; 10; 12,5; 15; 20
МПа.
Рассмотрим название
нашего агрегата и расшифруем его:
ГПА - Ц1 - 16С/85 -
1,35М
здесь ГПА -
газоперекачивающий агрегат
Ц - с центробежным
нагнетателем
- условная мощность, МВт
- конечное давление,
кгс/см
,35 - отношение
входящего давления к выходящему.
Таблица 1.1 - Основные
технические характеристики компрессора
|
№ п/п
|
Наименование параметра и единица измерения
|
Значение параметра
|
|
1
|
2
|
3
|
|
1
|
Производительность, отнесенная к температуре 293К (20ºС)
и давлению 0,101 МПа (1,0333 атм), м3/с (млн. м3/сутки)
|
442,6 (38,24)
|
|
2
|
Производительность по условиям всасывания, м3/с (м3/мин)
|
6,45 (387,2)
|
|
3
|
Давление начальное номинальное, МПа (кгс/см2)
|
6,18 (63,02)
|
|
4
|
Давление конечное номинальное, МПа (кгс/см2)
|
8,38 (85,45)
|
|
5
|
Отношение давлений
|
1,35
|
|
6
|
Частота вращения ротора компрессора, с-1 (об/мин)
|
85 (5100)
|
|
7
|
Политропный КПД компрессора, %
|
84
|
|
8
|
Температура газа на входе в компресор, К
|
292,8
|
|
9
|
Повышение температуры газа в компрессоре на номинальном режиме,
К
|
26
|
|
10
|
Коэффициент сжимаемости по условиям входа в компрессор
|
0,888
|
|
11
|
Потребляемая мощность, МВт
|
15,2
|
|
12
|
Частота вращения вала СТ двигателя и вала компрессора, с-1
(об/мин): ·
Номинальная · Минимальная · Максимальная
|
86,67 (5200) 60,67 (3640) 91,0 (5460)
|
|
|
|
|
|
Агрегат представляет собой
установку, состоящую из стыкуемых между собой на месте эксплуатации отдельных
блоков. Базовая сборочная единица агрегата - турбоблок, в контейнере которого
размещены нагнетатель с газотурбинным двигателем авиационного типа. Турбоблок
состоит из таких основных сборочных единиц: рамы, приводного двигателя,
контейнера, переходника, улитки, нагнетателя и газопровода.
Ротор передает рабочей среде
кинематическую энергию, вызванную действием центробежной силы и создающую
давление в колесах и диффузорах. Ротор состоит из вала с напрессованными на
него рабочими колёсами, думмисом, дистанционными втулками, диском, упорного
подшипника, который крепится к валу при помощи гайки, и втулками с
износостойким покрытием под уплотнение.
В процессе сборки ротор подвергается
динамической многоплоскостной поэтапной балансировке в соответствии с
инструкцией по динамической балансировке ротора компрессора.
Деталь - втулка - является составной
частью ротора и служит для закрепления на валу ротора упорного подшипника.
Деталь представляет собой тело вращения, наружная поверхность которой имеет три
ступени с перепадом в одну сторону. Внутренняя поверхность детали выполнена в
виде конуса с уклоном 1:20.
Втулка предназначена для
закрепления на валу ротора упорного подшипника. Посадочными поверхностями под
обойму подшипника служат поверхность d182мм (обеспечивает обойме двойную
опорную базу, лишает 2-ух степеней свободы), торцевая поверхность L27мм с
Ra1,6мкм (установочная база, лишает 3-ех степеней свободы), имеющая 6 отверстий
D18мм с потаем D40мм для установки в них 6 винтов, которые предназначены для
лишения 6-ой степени свободы - поворота вокруг своей оси. Резьба М180
2-6g
предназначена для контргайки, которое исключает самопроизвольное перемещение
подшипника по оси.
Деталь устанавливается
на конусной поверхности ротора натягом 0,05мм. Наличие шпоночного паза шириной
В8мм исключает возможность произвольного вращения вокруг своей оси, а 12
сквозных отверстий D15мм служат для облегчения детали.
При сборке необходимо соблюдать некоторые
требования: обеспечить натяг конусной поверхности 0,05мм; необходимо чтобы
левый торец соприкасался торцевой поверхности ротора. Для этого предназначен
уступ на 2мм на левом торце, который в случае необходимости можно легко
уменьшить.
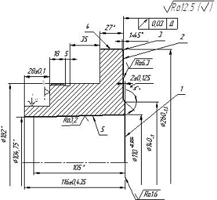
Рисунок 1.1 - Эскиз детали
втулка компрессорный
ротор металлорежущий
Поверхности конуса 1 и левого торца
2 детали с Ra1,6мкм будут основными поверхностями детали - основными
конструкторскими базами (определяют положение рассматриваемой детали в узле),
т.к. эти поверхности взаимодействуют с подшипниками в изделии.
Цилиндрическая поверхность 3 d182мм
- вспомогательная конструкторская база (определяет положение всех
присоединяемых деталей к рассматриваемой), т.к. определяет положение диска
упорного подшипника к рассматриваемой детали.
Исполнительными поверхностями детали
будут 6 отверстий D18мм, так как они служат для предотвращения поворота диска
подшипника вокруг своей оси, то есть выполняют функциональное назначение.
Все остальные поверхности, которые
не относятся ни к одному из выше указанных являются свободными
(несоприкасающиеся с другими поверхностями детали).
В связи с тем, что посадочные
поверхности вала ротора и втулки выполнены очень точно, этот факт обеспечивает
точное взаимное расположение втулки относительно других деталей ротора. Поэтому
конусное отверстие 1 принимается не как опорно-двойная направляющая база, а как
двойная направляющая база; левый торец 2 при этом является опорной базой, а
поверхность шпоночного паза 5 - второй опорной базой.
Таблица 1.2 - Матрица связей
основных конструкторских баз
|
Поверхность
|
Степени свободы
|
Название базы
|
|
1
|
Z; Y; Z; Y
|
Двойная направляющая
|
|
2
|
X
|
Опорная база
|
|
5
|
X
|
Опорная база
|
Таблица 1.3 - Матрица соответствий
основных конструкторских баз
|
X
|
Y
|
Z
|
База
|
|
П
|
0
|
1
|
1
|
ДНБ
|
|
В
|
0
|
1
|
1
|
|
|
П
|
1
|
0
|
0
|
ОБ
|
|
В
|
0
|
0
|
0
|
|
|
П
|
1
|
0
|
0
|
ОБ
|
|
В
|
0
|
0
|
0
|
|
где П - перемещение
В - вращение
2. Анализ технических
требований на изготовление детали
Чертёж имеет достаточное и
необходимое количество видов и сечений, которые обозначены и размещены согласно
существующих стандартов Единой системы конструкторской документации.
Указана вся необходимая информация о
поверхностях детали (размеры, их точность и шероховатость), которая легко и
удобно читается. Шероховатость обозначена согласно старых стандартов, которые
действовали на момент создания чертежа.
Технические требования на
изготовление детали предоставлены и несут в себе необходимую информацию. Пункт
1 технических требований также написан согласно старых стандартов ЕСКД по
форме: «Неуказанные предельные отклонения размеров H14; h14», но в нём не
хватает ещё одного обозначения - ±IT14/2, которое необходимо для определения
отклонений на линейные размеры. Согласно существующих стандартов ЕСКД этот
пункт нужно записать по следующей форме: «H14; h14; ±IT14/2».
Пункт 3 технических требований
гласит: «Размер Е выполнить по детали ТАИК 711142.43, обеспечив натяг
0,05…0,125», что подразумевает выполнение некоторой поверхности (на чертеже
обозначена полкой-выноской Е) с натягом 0,05…0,125 по отношению к сопрягаемой
детали.
В чертёж было внесено изменение
согласно существующих норм и правил (был добавлен пункт технических
требований).
В графе «Материал» основной надписи
поставлено обозначение заготовки с внутризаводским обозначением, поэтому
материал детали приходится узнавать из базового чертежа заготовки. В этом
отношении отклонения от стандартов ЕСКД отсутствуют, но с точки зрения
читаемости чертежа это обстоятельство довольно-таки неудобно.
3. Определение типа
производства, такта выпуска и партии запуска
Тип производства и соответствующая
ему форма организации работы определяет характер технологического процесса и
его построение.
Исходные данные:
- Годовая программа
изготовления деталей N=300 штук
- Режим работы
предприятия B=2 смены в сутки
- Обозначение чертежа
303.7020.002
- Наименование детали
- втулка
- Базовый
технологический процесс и базовые нормы штучно-калькуляционного времени
приведены в таблице 3.1
Таблица 3.1 - Базовый
технологический процесс и базовые нормы штучно-калькуляционного времени Тшк
|
Номер операции
|
Наименование операции
|
Штучно-калькуляционное время Тшк, часов
|
|
005
|
Слесарная
|
|
|
010
|
Токарная
|
4,00
|
|
015
|
Токарная
|
5,00
|
|
020
|
Контрольная
|
|
|
025
|
Разметочная
|
0,70
|
|
030
|
Сверлильная
|
1,60
|
|
035
|
Разметочная
|
0,06
|
|
040
|
Долбёжная
|
0,80
|
|
045
|
Шлифовальная
|
2,00
|
|
050
|
Слесарная
|
|
Расчётное количество станков по
операциям:
(3.1)
где Fд=4029 ч
- действительный годовой фонд времени станка
h=0,75÷0,80 - усреднённое
значение нормативного загрузки станка
Операция 010:
Операция 015:
Операция 030:
Операция 040:
Операция 045:
Фактический коэффициент
загрузки рабочего места:
(3.2)
Операция 010:
Операция 015:
Операция 030:
Операция 040:
Операция 045:
Количество операций,
выполняемых на одном рабочем месте:
(3.3)
Операция 010:
Операция 015:
Операция 030:
Операция 040:
Операция 045:
Результаты расчётов
заношу в таблицу 3.2
Таблица 3.2 - Сводная
таблица Тшк, mр, Р, hз.ф.,
О
|
Номер операции
|
Наименование операции
|
Тшк, ч
|
mр
|
Р
|
hз.ф.
|
О
|
|
010
|
Токарная
|
4,0
|
0,372
|
1
|
0,372
|
2,15
|
|
015
|
Токарная
|
5,0
|
0,465
|
1
|
0,465
|
1,72
|
|
030
|
Сверлильная
|
1,6
|
0,149
|
1
|
0,149
|
5,37
|
|
040
|
Долбёжная
|
0,8
|
0,074
|
1
|
0,074
|
10,81
|
|
045
|
Шлифовальная
|
2,0
|
0,186
|
1
|
0,186
|
4,30
|
|
S
|
13,4-5-24,35
|
|
|
|
|
Коэффициент закрепления операции:
(3.4)
Тогда:
Согласно ГОСТ 4.004-83:
<Кз.о.≤1
- массовое производство
<Кз.о.≤10
- крупносерийное производство
<Кз.о.≤20
- среднесерийное производство
<Кз.о.≤40
- мелкосерийное производство
Следовательно, в нашем
случае речь идёт о крупносерийном производстве.
Суточный выпуск деталей:
где 254 дня - количество
рабочих дней в году
Суточная продуктивность
потоковой линии при загрузке её на 60%:
где
-
суточный фонд времени работы оборудования;
- средняя трудоёмкость
механических операций;
- число операций
При сравнении
видим,
что суточный выпуск деталей меньше, чем суточная продуктивность потоковой линии
при её загрузке на 60%, т.е. применение однономенклатурной потоковой линии
нецелесообразно. Поэтому применяем групповую форму организации производства.
Крупносерийное
производство характеризуется ограниченной номенклатурой изделий,
изготавливаемых или ремонтируемых, периодически повторяющимися партиями и
сравнительно большим объемом выпуска и является одним из основных типов
современного машиностроительного производства.
Предприятиями этого типа
выпускается в настоящее время 60
70% всей продукции
машиностроения Украины. По технологическим и производственным характеристикам
крупносерийное производство занимает промежуточное место между единичным и
массовым.
В крупносерийном типе
производства используются универсальные и специализированные, частично
специальные станки, которые располагаются в последовательности технологического
процесса для одной или нескольких деталей, требующих одинакового порядка
обработки; в той же последовательности образуется и движение деталей.
Производство идет
партиями. Производственный процесс ведется таким образом, что после выполнения
обработки заготовок на одной операции производится обработка этой же партии на
следующей операции.
При крупносерийном типе
производства широко используются станки с числовым программным управлением,
обрабатывающие центры, а также находят применение гибкие автоматические системы
станков с ЧПУ. Переналадка станков, приспособлений и инструментов, а также
перестройка производственного процесса при переходе на обработку других
разновидностей сходных деталей обеспечиваются предварительной технологической
подготовкой.
Средняя квалификация рабочих
при крупносерийном типе производства выше, чем в массовом производстве, но
ниже, чем в единичном. Наряду с рабочими высокой квалификации, работающими на
сложных универсальных станках, и наладчиками используются рабочие-операторы
невысокой квалификации, работающие на настроенных станках.
Технологическая
документация и техническое нормирование подробно разрабатываются для наиболее
сложных и ответственных заготовок при одновременном применении упрощенной
документации и опытно-статистического нормирования простейших заготовок.
Определяем партию
запуска: расчётное количество деталей в партии
где
-
периодичность запуска деталей в изготовление [19, с.23].
Корректируем размер
партии за счёт определения числа смен на обработку всей партии:
где
-
сменный фонд времени работы станков
- количество смен в
сутки
- нормативный
коэффициент загрузки оборудования [19, с.20].
Число смен З
округляем к ближайшему целому значению:
.
Тогда число деталей в
партии:
4. Анализ
технологичности конструкции детали
Втулка изготавливается из стали 40Х.
Используя [1], с.143, выписываю химический состав стали (табл. 4.1) и
механические свойства (табл. 4.2).
Таблица 4.1 - Химический состав
стали 40Х
|
Содержание элементов, %
|
|
C
|
Cr
|
Si
|
Mn
|
не более
|
|
|
|
|
|
S
|
P
|
Ni
|
Cu
|
|
Сталь 40Х
|
0,36-0,44
|
0,8-1,0
|
0,17-0,37
|
0,5-0,8
|
0,035
|
0,035
|
0,3
|
0,3
|
Таблица 4.2 - Механические свойства
стали 40Х
|
    
|
|
|
|
|
|
|
Сталь 40Х
|
1020
|
980
|
17
|
24
|
160
|
2820
|
где
предел
текучести; вязкости
относительное удлинение;
сужение.
Сталь 40Х - широко
распространенный инструментальный материал, который имеет много заменителей.
Материалы заменители -
45Х; 38ХА; 40ХН; 40ХС; 40ХФ; 40ХР. В отношении материала - деталь технологична.
Технологические
свойства:
свариваемость
- трудносвариваемая. Способы сварки: РДС, ЭШС. Необходимы подогрев и
последующая термообработка.
склонность
к отпускной хрупкости - склонна.
флокеночувствительность
- чувствительна.
назначение:
оси, валы, шестерни, плунгнеры, оправки, рейки, зубчатые венцы, болты, полуоси,
втулки и другие улучшаемые детали повышенной прочности.
Технологичной считается та
конструкция, обработка которой возможна с максимальной производительностью
труда и минимальной себестоимостью. Показатели технологичности делятся на
качественные и количественные.
К качественным показателям относятся
следующие факторы:
материал
детали
базирование
и закрепление
простановка
размеров
допуски
формы и расположения
взаимозаменяемость
конструктивные
нетехнологичные элементы.
К количественным показателям
относят:
коэффициент
использования заготовки
коэффициент
использования материала
коэффициент
шероховатости.
Качественная оценка технологичности:
по материалу (сталь 40Х) деталь технологична.
Деталь имеет отношение L/D < 1
(116/260 < 1), что обеспечивает достаточную жесткость при закреплении и
обработку без специальных приспособлений.
Базирование и закрепление детали не
представляет особой сложности, так как наружные поверхности вполне пригодны для
этого. Заготовку можно закрепить в трехкулачковом самоцентрирующем патроне с
упором в торец.
Постановка размеров выполнена
грамотно, что обеспечивает легкое чтение чертежа, свободное выполнение и
контроль размеров в процессе механической обработки (за исключением простановки
размера L105мм, так как при проверке требует дополнительных расчетов).
Точность размеров и требования к
шероховатости поверхностей детали - различные: конусное отверстие требует
чистового растачивания и шлифования; цилиндрическая поверхность d130h8мм с
шероховатостью Ra1,6мкм - чистового обтачивания; отверстие D8H7мм -
развертывание ручной разверткой. Для выполнения этих требований необходимо
назначить дополнительные стадии обработки и ввести добавочные операции,
применить специальный режущий и сложный мерительный инструмент. Все это
позволяет считать деталь нетехнологичной.
По допускам формы и расположения
деталь можно считать нетехнологичной, так как у нее присутствуют жесткие
допуски радиального биения (0,02мм и 0,03мм), позиционные допуски отверстий
(0,6мм на диаметр), допуск симметричности шпоночного паза (0,05мм).
Нетехнологичными конструктивными
элементами данной детали являются:
наличие
центрального фасонного (конусного) отверстия сложной формы и высокой точности с
шероховатостью Ra0,8мкм
глухие
отверстия D8мм, 4 отверстия с резьбой М5, 6 отверстий D6мм, что усложняют
процесс обработки
наличие
специального выступа на торце детали требует дополнительного прохода резцом
наличие фасок
различного размера:
Заготовка получена на
кривошипно-горячештамповочных прессах. Этот способ получения нетехнологичен,
так как стоимость продукции выше, чем той, которая получена на молотах. Также
заготовку можно получить резкой из проката, хотя в данном случае растут расходы
производства.
Коэффициент использования базовой
заготовки. Заготовкой в базовом технологическом процессе является поковка, штампованная
на молотах. Коэффициент использования базовой заготовки рассчитывается по
формуле:
(4.1)
где
-
масса детали (
=16
кг)
- масса заготовки (
26,4 кг)
Тогда:
-
ниже уровня ЕСТПП ([
]=0,7)
Коэффициент
использования материала базовой заготовки рассчитывается по формуле:
(4.2)
где
-
масса отходов производства (составляет 10% от массы заготовки).
Тогда:
-
ниже уровня ЕСТПП ([
]=0,64).
Следовательно, получение
заготовки методом штамповки на молотах нетехнологично.
Для расчетов
коэффициентов шероховатости и точности составлена таблица 4.3
Таблица 4.3 -
Характеристика поверхностей детали
|
Наименование поверхности
|
Количество
|
Квалитет точности
|
Параметр шероховатости , мкм
|
|
Наружные
|
|
d260
|
1
|
14
|
12,5
|
|
d182
|
1
|
8
|
1,6
|
|
d130
|
1
|
8
|
1,6
|
|
Внутренние
|
|
D106
|
1
|
14
|
12,5
|
|
Торцевые
|
|
Левый торец
|
1
|
14
|
1,6
|
|
Левый торец
|
1
|
14
|
6,3
|
|
Правый торец
|
1
|
14
|
12,5
|
|
L27
|
1
|
14
|
12,5
|
|
L28
|
1
|
12
|
1,6
|
|
Резьбовые
|
|
Наружная М180 2163,2
|
|
|
|
|
В отверстии М5
|
4
|
6
|
3,2
|
|
Отверстия
|
|
D15
|
12
|
14
|
12,5
|
|
D18
|
6
|
14
|
12,5
|
|
D6
|
6
|
14
|
12,5
|
|
D40
|
6
|
14
|
12,5
|
|
D8
|
1
|
7
|
12,5
|
|
Фаски
|
|
2 45 21412,5
|
|
|
|
|
1,6 45 41412,5
|
|
|
|
|
1 45 41412,5
|
|
|
|
|
Шпоночный паз
|
|
Боковые поверхности
|
2
|
11
|
3,2
|
|
Дно паза
|
1
|
9
|
12,5
|
|
Прочие поверхности
|
|
Конусное отверстие
|
1
|
7
|
0,8
|
|
Проточка под резьбу
|
1
|
14
|
12,5
|
|
Всего
|
60
|
761
|
623,4
|
По данным таблицы находятся
коэффициенты точности и шероховатости соответственно по формулам (4.3) и (4.4).
Коэффициент точности обработки:
(4.3)
где
-
среднее арифметическое значение квалитета точности.
,8 - уровень точности по
ЕСТПП
Значение
Тогда:
Коэффициент
шероховатости находится по формуле:
(4.4)
где
-
среднее арифметическое значение шероховатости
,32 - уровень
шероховатости по ЕСТПП
Значение
Тогда:
Выполнив расчеты и
рассмотрев качественные и количественные оценки технологичности, можно сказать,
что деталь по параметрам точности и шероховатости соответствует уровню ЕСТПП, а
значит, является технологичной.
5. Выбор способа
получения заготовки и разработка технических условий к ней
Помимо минимальной
металлоемкости и трудоемкости изготовления заготовки к ней предъявляют ряд
требований, обусловленных следующей механической обработкой, к числу которых
относят такие:
повышенная
точность размеров
минимальные
припуски на обработку (снижается себестоимость обработки за счет уменьшения
количества проходов и переходов)
рациональное
расположение литейных и штамповочных уклонов
минимизация или полное устранение
дефектного слоя, который приводит к увеличению припусков и большего износа
режущего инструмента.
В базовом технологическом процессе
заготовку получали штамповкой на молотах. Преимущество такого способа -
дешевизна и простота. Точность получения заготовок средняя, а напуски
получаются сравнительно небольшие. Но количественные оценки технологичности
(коэффициенты использования материала и заготовки) при таком способе получения
заготовки ниже уровня ЕСТПП.
В предыдущем пункте было рассчитано,
что получение заготовки методом штамповки на молотах нетехнологично.
В связи с этим, учитывая конструкцию
детали, а также, стараясь уменьшить припуски на механическую обработку и
повысить производительность труда, в качестве метода получения заготовки для
серийного типа производства рационально будет изменить способ получения
заготовки на штамповку на кривошипных горячештамповочных прессах КГШП.
Определим стоимость заготовки,
полученной на различных способах изготовления.
(5.1)
где
-
стоимость заготовки детали, грн.;
- масса заготовки, кг;
- оптовая цена 1 кг
заготовки, грн.;
-
транспортно-заготовительные расходы 5÷7% (принимаем
)
- масса детали, кг (в
нашем случае
)
- цена 1 тонны отходов,
грн. (принимаем
)
Оптовая цена
рассчитывается по формуле:
(5.2)
где
-
оптовая цена тонны штамповки, грн. (принимаем
)
- коэффициент,
учитывающий массу штамповки (
)
- коэффициент,
учитывающий группу сложности заготовки (
)
- коэффициент,
учитывающий объем производства (
)
- показатель,
характеризующий точность заготовки (
)
Следовательно:
Тогда для заготовки,
полученной на ГКМ:
Ориентировочная масса
поковки, полученой на КГШП:
(5.3)
где
-
масса детали
- коэффициент для
определения ориентировочной расчетной массы поковки. Выбирается по [3],
табл.20, с.31.
Так как форма заготовки
- круглая типа втулка, то принимаю коэффициент
=1,6. Следовательно:
=16
1,6=25,6
(кг)
Тогда для заготовки,
полученной на КГШП:
Т.к.
,
то принимаем способ получения заготовки на кривошипных горячештамповочных
прессах КГШП.
КГШП приспособлены для
высокомеханизированного и автоматизированного производства поковок, допускают эксцентрическое
расположение ручьев в штампе, снабжены нижними и верхними выталкивателями. КГШП
используют для штамповки поковок из труднодеформируемых и малопластичных сталей
и сплавов. В штампованной заготовке структура металла более однородна, благодаря
чему деталь будет более прочной. При штамповке на КГШП получают поковки с более
точными размерами, чем при штамповке на молотах. Более совершенная конструкция
штампов обеспечивает меньшую величину смещения половины штампа, уменьшение
припусков на 20
30%,
напусков, штамповочных уклонов в 2
3 раза, а,
следовательно, увеличение коэффициента использования материала.
Но у КГШП высокая
стоимость, сложность регулировки и эксплуатации, меньшая универсальность,
худшее заполнение глубоких плоскостей (у КГШП малая скорость деформирования),
более сложная конструкция.
Так как выбран способ
получения заготовки - штамповка на КГШП, то класс точности поковки - Т3, а
материал заготовки 40Х, то группа стали - М2 ([3], табл.1, с.7-8).
Эти параметры и все
дальнейшие расчеты производятся согласно ГОСТ 7505-89.
Степень сложности
поковки ([3], прил.2, с.29) определяют из отношения:
(5.4)
где
-
масса поковки ориентировочная
- масса геометрической
фигуры, в которую вписывается форма поковки.
(5.5)
где
-
масса детали
- коэффициент для
определения ориентировочной расчетной массы поковки. Выбирается по [3],
табл.20, с.31.
Так как форма заготовки
- круглая типа втулка, то принимаю коэффициент
=1,6.
Тогда:
=16
1,6=25,6
(кг)
(5.6)
где
-
объем геометрической фигуры, в которую вписывается форма поковки
- плотность стали (
=7,85
г/см
=7850
кг/м
).
(5.7)
(5.8)
где
-
максимальный диаметр детали
- максимальная высота
(толщина) детали.
Таким образом:
=260
1,05=273
(мм) =0,273 (м)
=116
1,05=121,8
(мм) =0,1218 (м)
А, следовательно:
(кг)
Тогда:
Значит, степень
сложности поковки - С2.
По группе стали (М2),
степени сложности поковки (С2) и классу точности поковки (Т3) определяется
исходный индекс заготовки ([3], табл. 2, с.10).
Таким образом, исходный
индекс для данной заготовки - 14.
Зная исходный индекс,
размеры поверхностей и параметр шероховатости, который необходимо достичь после
механической обработки, определяются основные и дополнительные припуски на
механическую обработку, допускаемые отклонения линейных размеров в зависимости
от принятых окончательных размеров заготовки. Результаты расчётов заношу в
таблицу 5.1.
Таблица 5.1 - Определение припусков
и допусков поковки на механическую обработку
|
Размер, мм
|
Точность
|
Шероховатость, мкм
|
Припуски, мм
|
Допуски, мм
|
Размеры, мм
|
|
|
|
основные
|
дополнительные
|
общие
|
|
рассчитанные
|
принятые
|
|
1
|
2
|
3
|
4
|
5
|
6
|
7
|
8
|
9
|
|
Наружные поверхности
|
|
d260
|
14
|
12,5
|
2,2
|
1,5+0,4
|
4,1
|
+2,7 -1,3
|
268,2
|
268,0
|
|
d182
|
8
|
1,6
|
2,5
|
1,5+0,4
|
4,4
|
+2,4 -1,2
|
190,8
|
191,0
|
|
d130
|
8
|
1,6
|
2,3
|
1,5+0,4
|
4,2
|
+2,1 -1,1
|
138,4
|
138,5
|
|
Внутренние поверхности
|
|
d110,5
|
7
|
0,8
|
2,5
|
1,5
|
4,0
|
+1,1 -2,1
|
102,5
|
102,5
|
|
Линейные поверхности
|
|
L116
|
14
|
1,6
|
2,7
|
0,5
|
3,2
|
+2,4 -1,2
|
121,9
|
122,0
|
|
L116
|
14
|
12,5
|
2,2
|
0,5
|
2,7
|
|
|
|
|
L27
|
14
|
12,5
|
1,7
|
0,5
|
2,2
|
+1,6 -0,9
|
34,4
|
34,5
|
L88
111,62,50,53,0+1,8
|
-1,094,2 94,0
|
|
|
|
|
|
|
|
|
где L88
мм
получен путем вычитания L116мм и L28
0,1мм.
Квалитет точности найден
по [6], табл.2, с.441.
Основные припуски
определяю по [3], табл.3, с.12-13.
Дополнительные припуски:
1) смещение по поверхности
разъема штампов - 0,4мм (для плоской поверхности разъема по [3], табл.4, с.14)
2) изогнутость и отклонение от
плоскости и прямолинейности - 0,5мм ([3], табл.5, с.14)
) отклонение от
концентричности прошитого в поковке отверстия - 1,5мм ([3], табл.12,с.23).
Тогда, размеры поковки:
диаметр: 260+2
4,1=268,2
(мм)
диаметр: 182+2
4,4=190,8
(мм)
диаметр: 130+2
4,2=138,4
(мм)
диаметр: 110,5-2
4,0=102,5
(мм)
толщина:
116+3,2+2,7=121,9 (мм)
толщина:
27+2,2+2+3,2=34,4 (мм) - где 2мм - напуск на торец
толщина:
88+3,0+3,25=94,2* (мм)
Для определения размера
на заготовке, соответствующего размеру L28
0,1мм на детали,
проводим такую математическую операцию: L=121,9-94,2=27,7(мм) - принимаю
L=28мм.
Допускаемые отклонения
размеров поковки определяю по [3], табл.8, с.17. Для внутреннего размера
D110,5мм учитываю [3], с.16, пункт 5.2.
Определяю массу
заготовки:
(5.9)
где
-
плотность стали (
=7850
кг/м
)
- объем заготовки
V
=V
+V
+V
-V
(5.10)
где V
-
объем элементарных цилиндрических частей заготовки (і=1
3)
V
- объем прошитого отверстия (усечённого конуса), у которого один диаметр D
=102,5мм,
а второй: D
= D
-2L
tgα
(формула выведена из формулы конусности).
(5.11)
где 2tg
-
конусность отверстия (при диаметральном выражении)
-
больший диаметр
-
меньший диаметр
Тогда: D
=102,5-122*0,05=96,4
(мм)
(5.12)
(5.13)
Следовательно, объем
заготовки:
По формуле (5.9) нахожу
массу заготовки:
(кг)
Определяю коэффициенты
использования предлагаемой заготовки и материала:
Эти коэффициенты выше,
чем соответственные коэффициенты у базовой заготовки, но они все равно ниже
уровня ЕСТПП. Этот факт обусловлен сложностью изготовления детали, наличие у
нее поверхностей высокой точности и шероховатости, наличие отверстий,
шпоночного паза и тому подобных поверхностей.
6. Анализ типового
технологического процесса
В настоящее время
существует много разнообразных технологических способов получения поверхностей
заданного качества, которые обеспечивают одинаковые требования к обрабатываемым
поверхностям деталей, но существенно различаются по себестоимости и реализации.
Исходя из этого, одну и
ту же поверхность детали можно обработать несколькими последовательно
выполненными технологическими методами, которые составляют разные маршруты
обработки поверхностей.
При проектировании одной
из задач является создание такого технологического процесса, который
обеспечивал бы заданную точность и шероховатость поверхностей детали, нужные
физико-механические качества поверхностного слоя материала при наибольшей
производительности и минимальной себестоимости производства.
.1 Расчёт припусков на
механическую обработку поверхностей
Используя
расчётно-аналитический метод проф. Кована, рассчитываем припуски на наружную
цилиндрическую поверхность Æ182
. Расчёты выполняем с
помощью ЭВМ и соответствующего программного обеспечения.
Исходными данными
являются:
- вид обрабатываемой
поверхности - наружная цилиндрическая
- метод получения заготовки
- поковка штампованная
- масса поковки -
24,02 кг
- группа стали - М2
- степень сложности -
С2
- класс точности
поковки - Т3
Результаты расчётов приведены на
распечатке (см. приложение).
6.2 Анализ и обоснование
схемы базирования и закрепления заготовки
Токарная операция с ЧПУ
В первом варианте деталь
закрепляется в 3-кулачковом самоцентрирующемся патроне 7100-0009-П ГОСТ 2675-80
с сырыми кулачками, расточенными на D182мм. Базирование происходит по торцу и
цилиндрической поверхности d182мм.
На данной операции
окончательно подрезается торец 1 на размер L116мм с (шероховатостью Ra1,6мкм),
а 2-на размер L27мм (с Ra6,3мкм) дополнительным проходом подрезного резца;
обтачивается наручная цилиндрическая поверхность 4- d260мм; факса 3 -1
;
растачивается конусное отверстие 5 (применяются 3 стадии обработки: черновая,
получистовая и чистовая), на которое остается припуск 0,25мм на сторону для
внутришлифовальной операции.
Вычислим погрешность
базирования на линейные размеры L27 и L116:
Рисунок 6.1 - Схема
базирования на операции 025 (1 вариант)
Во втором варианте
деталь закрепляется в 3-кулачковом самоцентрирующемся патроне 7100-0009-П ГОСТ
2675-80 с сырыми кулачками, расточенными на D131 мм. Базирование происходит по
торцу и цилиндрической поверхности d131 мм (оставлен припуск 1 мм на проточку
этой поверхности в сборе с остальными деталями в ротор).

Вычислим погрешность
базирования на линейные размеры L27 и L116:
Более целесообразно
применять первый вариант, поскольку в этом случае не требуется проводить
выверку детали по базовой поверхности D182мм для достижения допуска торцевого
биения 0,03 мм, а деталь сразу зажимается за эту поверхность. При этом
соблюдается принцип совмещения баз: измерительная база совмещается с
технологической, что обеспечивает необходимую точность обработки без
дополнительных затрат времени, а следовательно с меньшей себестоимостью
обработки. Хотя в этом случае и существует большая погрешность базирования на
размер L116, но за счёт специального буртика, выступающего на 2 мм её можно
компенсировать. А во втором случае не возможно компенсировать большую
погрешность базирования на размер L27, т.к. конструктивные особенности детали
этого не позволяют.
040 Сверлильная операция
с ЧПУ
Операция проводится на
вертикально-сверлильном станке с ЧПУ с
УЧПУ “2П32”. В первом
варианте базирование происходит по длинному конусному отверстию. При этом
образуется опорно-двойная направляющая база, лишающая деталь 5-ти степеней
свободы. Деталь насаживается на конусную оправку в специальном приспособлении и
зажимается с помощью штока и быстросменной вилки пневмокамерой. Высота
приспособления с заготовкой принимаю 150мм.
На этой операции
сверлятся 12 отверстий D15мм напроход.
Рисунок 6.3 - Схема
базирования на операции 040 (1 вариант)
Вычислим погрешность
базирования на линейный размер L88:
Рисунок 6.4 -
Определение погрешности базирования
Погрешность базирования
на глубину сверления будем определять как один из катетов прямоугольного
треугольника, параллельный оси конусного отверстия Æ110.
Тогда:
(6.1)
где tgα
- конусность отверстия, определяется по формуле (6.2):
(6.2)
По условию конусность
поверхности 2tgα =1:20=0,05
Следовательно, по
формуле (6.1):
Но, так как отверстие
сверлится напроход, то погрешность базирования не влияет на качество
обрабатываемых отверстий, и учитывается лишь при перебеге сверла в конце
рабочего хода.
Во втором варианте
деталь закрепляется в 3-кулачковом самоцентрирующемся патроне 7100-0011-П ГОСТ
2675-80 с сырыми кулачками, расточенными на D260 мм. Базирование происходит по
торцу и цилиндрической поверхности d260 мм.
В этом случае
погрешность базирования на глубину сверления вычислим следующим образом:
.
Но в этом случае возникает большая погрешность базирования на позиционный
допуск обрабатываемых отверстий, чем в первом варианте. Эта погрешность вызвана
износом деталей самиоцентрирующего патрона, но её можно компенсировать подналадкой
станка с ЧПУ.
Таким образом принимаем
1-й вариант схемы базирования.
Рисунок 6.5 - Схема
базирования на операции 040 (2 вариант)
6.3 Обоснование выбора
металлорежущих станков
Токарная операция с ЧПУ
Операция выполняется на
токарном станке 16К30Ф3 с СЧПУ “2Р22”. Его краткая техническая характеристика:
наибольшие
размеры устанавливаемого изделия: диаметр - 320 мм; длина - 1400 мм.
величины
подач рабочих органов станка по осям: x - 1÷600
мм/мин; z - 1÷1200мм/мин
ускоренное
перемещение рабочих органов - 5000 мм/мин.
частота
вращения шпинделя, об/мин: 10; 18; 25; 35,5; 50; 71; 100; 140; 180; 200; 250;
280; 355; 500; 560; 630; 710; 800; 1000; 1400; 2000.
мощность
привода главного движения - 22 кВт
максимальное
количество устанавливаемых инструментов в револьверную головку - 6
Такой станок можно применять в
условиях крупносерийного производства. Он может выполнять все необходимые
технологические переходы с требуемой точностью и возможностью движений
инструментов.
040 Сверлильная операция
с ЧПУ
Обработка ведется на
вертикально-сверлильном станке с ЧПУ 2Р135Ф2 с УЧПУ “2П32”. Его краткая
техническая характеристика:
размеры
стола - 400×710 мм
наибольшее
вертикальное перемещение рабочих органов станка - 560мм
наибольшее
продольное перемещение стола - 560 мм
наибольшее
поперечное перемещение стола - 360 мм
величина
подачи рабочих органов по оси z мм/мин: 10; 12,5; 16; 20; 25; 31,5; 40; 50; 63;
80; 100; 125; 160; 200; 250; 315; 400; 500.
время
на смену РИ на 1 позицию - 0,05 мин
частота
вращения шпинделя об/намин: 31,5; 45; 63; 90; 125; 180; 250; 355; 500; 710;
1000; 1400.
ускоренное
перемещение рабочих органов - 4000мм/мин
мощность
электродвигателя - 4 кВт (КПД - 0,81)
6.4 Обоснование выбора
станочных приспособлений, режущего и мерительного инструментов
Токарная операция с ЧПУ
Деталь закрепляется в 3-кулачковом
самоцентрирующемся патроне 7100-0009-П ГОСТ 2675-80 с сырыми кулачками,
расточенными на D182мм. Максимальный диаметр зажимаемой заготовки равен 315мм.
Это приспособление является стандартным приспособлением для группы токарных
станков.
На данной операции используются
такие режущие инструменты:
1) РИ1: тип
механического крепления пластины - прижим сверху и поджим через отверстие для
пластинок с отверстием; форма пластинки - квадратная; главный угол в плане -
=45
;
задний угол пластинки -
=7
;
исполнение - правое; размеры сечения державки 25
25 мм; длина резца l
=100
мм; длина режущей кромки - l=12 мм; радиус при вершине - 1,0 мм.
Обозначение по ISO:
MSSCR2525 H12 H1 T5K10
Применение: подрезание
торца, обтачивание цилиндрической поверхности.
) РИ2: материал резца -
инструментальная сталь; диаметр хвостовика - 20мм; длина хвостовика - L=125мм;
тип крепления - поджим рычагом через отверстие; форма пластинки - треугольная;
главный угол оправки
=95
;
вспомогательный -
=95
;
задний угол пластинки -
=7
;
исполнение - правое; длина режущей кромки - 12мм; радиус при вершине - 0,8 мм.
Обозначение по ISO: S20K
- PTLCR12 H1 T5K10
Применение: черновое и
получистовое растачивание конусного отверстия.
) РИЗ: аналогичен с РИ2,
но форма пластинки - параллелограмная, задний угол
.
Обозначение по ISO: S20K
- PBLDR12 Н1 Т30 К4
Применение: чистовое
растачивание конусного отверстия.
Резцы РИ2 и РИ3
вставляются в расточные специальные блоки.
Мерительным инструментом
на данной операции выступают:
· штангенциркуль
ШЦ-I-125-0,1 ГОСТ166-88
· штангенциркуль
ШЦ-III-300-0,1 ГОСТ166-88
· калибр-пробка
конусный Метр.110 АТ8 т.1 ГОСТ2849-*
040 Сверлильная операция
с ЧПУ
Деталь насаживается на конусную
оправку в специальном приспособлении и зажимается с помощью штока и
быстросменной вилки пневмокамерой. Высота приспособления с заготовкой принимаю
150мм.
Режущие инструменты на этой операции
будут сверла (выбираю по [11], табл.70,72,74, с.222-228):
1) РИ1: сверло
спиральное d5мм 035-2317-0101 Р6М5 ОСТ 2И20-5-80 с цилиндрическим хвостовиком
для зацентровки, 2
и
вылетом 20мм.
) РИ2: сверло спиральное
d15мм 035-2301-1037 Р6М5 ОСТ 2И20-2-80 с коническим хвостовиком, 2
и
вылетом 140мм.
В качестве
вспомогательного инструмента для сверла d5 (с цилиндрическим хвостовиком)
используется сверлильный патрон по ГОСТ8522-79, а для инструмента с коническим
хвостовиком - переходная втулки морзе для патронов для подвода СОЖ ([11],
табл.49, с.346): с конуса 2 на 4 (d15) - 19183442.
Мерительным инструментом
является штангенциркуль ШЦ-І-125-0,1 ГОСТ 166-88, оснащенный ножкой для
измерения глубины.
6.5 Расчёты режимов
резания
Операция 025 токарная с
ЧПУ
Расчёт режимов резания
расчётно-аналитическим методом проводим на расточку конусного отверстия Ø110+0,054 с конусностью 1:20 (см рис. 6.1).
Назначаем маршрут обработки и
глубины резания:
· черновая - t = 2,0 мм
· получистовая - t =
1,25 мм
· чистовая - t = 0,5
мм
Выбираем подачи [6, табл.12, с.267]
и [6, табл.14, с.268]:
· черновая - Sо
= 0,3 мм/об
· получистовая - Sо
= 0,2 мм/об
· чистовая - Sо
= 0,09 мм/об
Скорость резания определяется по
эмпирической зависимости:
, м/мин (6.3)
где T - среднее
значение стойкости (принимаем 60 мин)
Сv
- постоянный коэффициент (выбирается по [6, табл.17, с.269]) Сv=420
x,
y и m - показатели степени (выбираются по [6, табл.17, с.269])
x=0,15; y=0,2; m=0,2
Кv
- коэффициент, учитывающий конкретные условия обработки
(6.4)
где КМV -
коэффициент, учитывающий влияние материала заготовки [6, табл.1, с.261]
КПV - коэффициент, учитывающий влияние состояние поверхности
заготовки [6, табл.5, 263] (КПV=1,0)
КИV - коэффициент, учитывающий влияние материала инструмента [6,
табл.6, 263] (КИV =0,65 - для черновой и получистовой стадий;
КИV =1,4 - для чистовой стадии)
(6.5)
где КГ -
коэффициент, характеризующий группу стали по обрабатываемости ([6, табл.2,
с.262]) КГ=1,0
nв - показатель степени ([6, табл.2, с.262]) nв=1,0
σв - предел прочности
стали (равен 980 МПа)
Рисунок 6.6 - Операционный эскиз
операции 025
Тогда:
Вычисляем коэффициент Кv:
· черновая - Кv=0,77×1,0×0,65=0,5
· получистовая - Кv=0,77×1,0×0,65=0,5
· чистовая - Кv=0,77×1,0×1,4=1,08
Вычисляем скорость резания:
· черновая -
· получистовая -
· чистовая -
здесь дополнительный коэффициент
«0,9» введён согласно примечания к таблице 17 ([6, табл.17, с.270])
Вычисляем расчётную частоту вращения
шпинделя и принимаем её фактическое значение по паспортным данным станка:
, об/мин (6.6)
Поэтому:
· черновая -
.
Принимаем: nф=280 об/мин
· получистовая -
.
Принимаем: nф=355 об/мин (с учётом того, что это значение не
превышает 10% увеличения)
· чистовая
.
Принимаем: nф=355 об/мин
Вычисляем фактическое значение
скорости резания:
, м/мин (6.7)
Следовательно:
· черновая -
· получистовая -
· чистовая -
Вычисляем минутную подачу:
м=Sо · nФ, мм/мин (6.8)
Следовательно:
· черновая - Sм=0,3×280=84 (мм/мин)
· получистовая - Sм=0,2×355=71 (мм/мин)
· чистовая - Sм=0,09×355=31,95 (мм/мин)
Вычисляем тангенциальную силу
резания по формуле:
(6.9)
где Ср -
постоянный коэффициент (выбирается по [6, табл.22, с.273]) Ср=300
x, y и n - показатели степени (выбираются по [6,
табл.22, с.273]) x=1,0; y=0,75; n=-0,15
Кv - коэффициент, учитывающий конкретные условия обработки:
(6.10)
где КМP -
коэффициент, учитывающий влияние материала заготовки [6, табл.9, c.264]
КφP, КγP, КλP, КrP
- поправочные коэффициенты, учитывающие влияние геометрических параметров
режущей части инструмента [6, табл.23, с.275]: КφP=0,89; КγP=1,0 (при γ=10º); КλP=1,0 (при λ=0º), КrP=0,91 (при r=0,8 мм - получено методом логарифмической
аппроксимации)
(6.11)
где n - показатель степени
([6, табл.9, с.264]): n=0,75
σв - предел прочности
стали (равен 980 МПа)
Тогда:
Вычисляем коэффициент КP:
КP=1,22×0,89×1,0×1,0×0,91=0,99
Вычисляем тангенциальную
силу резания:
· черновая -
· получистовая -
· чистовая -
Аналогично вычисляем радиальную Pу
и осевую Px составляющие силы резания по формулам:
(6.12)
(6.13)
Для радиальной: Ср=243;
x=0,9; y=0,6; n=-0,3 ([6, табл.22, с.273])
Для осевой: Ср=339;
x=1,0; y=0,5; n=-0,4 ([6, табл.22, с.273])
Тогда радиальная составляющая силы
резания равна:
· черновая -
· получистовая -
· чистовая -
А осевая составляющая силы резания
равна:
· черновая -
· получистовая -
· чистовая -
Общая сила резания вычисляется по
формуле:
, Н (6.14)
Таким образом:
· черновая -
· получистовая -
· чистовая -
Мощность резания рассчитывается для
черновой и получистовой обработки по формуле:
, кВт (6.15)
Таким образом:
· черновая -
· получистовая -
Следовательно, обработка возможна.
Выбор режимов резания на остальные
поверхности проводим по таблицам [8]. Номера поверхностей (кроме поверхности 5)
см. рис. 6.1.
1. Выбор глубины резания.
Таблица 6.1 - Глубины резания по
стадиям, мм
|
Стадия
|
Поверхность
|
|
1
|
2
|
3
|
4
|
|
Черновая
|
-
|
-
|
-
|
-
|
|
Получистовая
|
1,2
|
2,0
|
1,8
|
1,5
|
|
Чистовая
|
-
|
-
|
-
|
-
|
2. Выбор подач.
На черновую стадию значения
табличной подачи выбираю по [8], к.3, л.1, с.38 для наружного точения и
подрезания торцев, а для растачивания - к.9, с.50 (здесь и далее при
определении режимов резания ссылка идет на [8])
Выбранные значения табличных подач
заношу в таблицу 5.3
Таблица 6.3 - Значения табличной
подачи, мм/об
|
Стадия
|
Поверхность
|
|
1
|
2
|
3
|
4
|
|
Получистовая
|
1,11
|
0,97
|
0,97
|
1,11
|
Выбираю поправочные коэффициенты на
подачу в зависимости от измененных условий обработки (на получистовую стадию)
по к.5, л.1-4, с.42-45 на обтачивание и подрезание торца:
сечения державки резца Ksд=1,0
прочности режущей части Ksh=1,0
(толщина пластины 6 мм)
механических свойств обрабатываемого
материала Ksм=0,7
схемы установки заготовки Ksу=1,2
состояния поверхности заготовки Ksп=1,0
геом. параметров резца Ksφ=1,4
жесткости станка Ksj=0,75
Тогда расчетная подача определяется
по формуле:
Р=Soт·Ksд·Ksh·Ksм·Ksу·Ksп
·Ksφ·Ksj (6.16)
Таблица 6.4 - Значения расчетной
подачи, мм/об
|
Стадия
|
Поверхность
|
|
1
|
2
|
3
|
4
|
|
Получистовая
|
0,98
|
0,86
|
0,86
|
0,98
|
3. Выбор табличной и расчет
фактической скорости резания.
На черновую и получистовую стадию
(точение и растачивание) табличная подача выбирается по к.21, л.1, с.73
На чистовую и отделочную стадию -
к.22, с.81
Выбранные значения заношу в таблицу
5.5
Таблица 6.5 - Значения табличной
скорости резания VТ, м/мин
|
Стадия
|
Поверхность
|
|
1
|
2
|
3
|
4
|
|
Получистовая
|
119
|
119
|
119
|
119
|
Выбираю поправочные коэффициенты
(к.23, л.1-3, с.82-84) в зависимости от:
группы обрабатываемости материала Kvc=1,0
вида обработки Kvo=1,0
(для точения) и Kvo=1,2 (для подрезания торцов)
жесткости станка Kvj=0,75
- механических свойств
обрабатываемого материала Kvм=0,6
геометрических параметров резца Kvφ=1,4
периода стойкости режущей части Kvт=1,0
наличие охлаждения Kvж=1,0
Тогда расчетная скорость резания
определяется по формуле:
Vp=VТ ·Kvc
·Kvo ·Kvj ·Kvм ·Kvφ ·Kvт
·Kvж (6.17)
Например, для поверхности 2: VР=119·1,0·1,2·0,75·0,6·1,4·1,0·1,0=90(м/мин)
Значения расчетной подачи заношу в
табл. 6.6
Таблица 6.6 Значение расчетной
скорости резания VР, м/мин
|
Стадия
|
Поверхность
|
|
1
|
2
|
3
|
4
|
|
Получистовая
|
90
|
90
|
90
|
75
|
Определяя расчетную частоту вращения
шпинделя np по формуле:
(6.18)
где d -
наибольший диаметр изделия на соответственной стадии
Например, для
поверхности 4, которая обтачивается на получистовой стадии: np=
(об/мин)
Расчетные обороты заношу
в таблицу 6.7 и корректирую по паспортным данным станка.
Таблица 6.7 - Расчетная
и фактическая частота вращения шпинделя, об/мин
|
Стадия
|
Поверхность
|
|
1
|
2
|
3
|
4
|
|
Получистовая
|
  
|
|
|
|
Рассчитываем фактическую скорость
резания по формуле:
Vф =
(6.19)
Например, для
поверхности 1: Vф=
(м/мин)
Вычисленные значения
фактической скорости резания записываю в таблицу 6.8
Таблица 6.8 -
Фактическая скорость резания, м/мин
|
Стадия
|
Поверхность
|
|
1
|
2
|
3
|
4
|
|
Получистовая
|
82,6
|
82,6
|
82,6
|
82,6
|
4. Проверяю подачу, допустимую по
шероховатости.
Для поверхности 1 подача равна 0,17
мм/об (к.25, л.2, с.87)
При этом поправочные коэффициенты
(к.26, с.88): Ksм=1,3; Ksи=1,0; Kso=1,0; Ksж=1,0
Поэтому: So=0,17·1,3·1·1·1=0,22
(мм/об)
На поверхность 1 расчетная подача
превышает допустимую по шероховатости, поэтому принимаю So=0,22 мм/об
5. Определяю минутную подачу
по формуле:
м=Sо · nФ
(6.20)
Например, для поверхности 1: Sм=0,22·100=22
(мм/мин)
Вычисленные по этой формуле значения
минутных подач записываю в таблицу 6.9
Таблица 6.9 - Значения минутных
подач Sм, мм/мин
|
Стадия
|
Поверхность
|
|
1
|
2
|
3
|
4
|
|
Получистовая
|
22
|
86
|
86
|
98
|
. Проверяю возможность обработки
по мощности привода станка.
По к.21, л.1, с.73 определяю
табличную мощность. А по к.24, с.85 определяю поправочный коэффициент, который
равен Knм=1,2
Тогда расчетная мощность
определяется по формуле:
(6.21)
Расчеты проводятся
только для черновых и получистовых стадий. Результаты проверки по мощности
заношу в таблицу 6.10.
Таблица 6.10 - Табличная и расчетная
мощность резания, кВт
|
Стадия
|
Поверхность
|
|
1
|
2
|
3
|
4
|
|
Получистовая
|
5,7/4,75
|
11/9,16
|
11/9,16
|
11/9,16
|
Примечание!: первым указана
табличная мощность, а вторым - расчетная.
Наибольшее значение мощности резания
9,16 кВт (при подрезании торца и при обтачивании) не превышает мощности привода
станка 22 кВт, следовательно, обработка возможна.
040 Сверлильная операция
с ЧПУ
Расчёт режимов резания
расчётно-аналитическим методом проводим на сверление 12 отверстий Æ15 (см рис. 6.3). При расчётах пользуемся [20].
1. Выбираем подачу
на оборот:
(при
группе подач 1, отношению
и
твёрдости НВ 282)
. Выбираю
стойкость инструмента:
. Определяю
скорость резания:
где
- коэффициент,
зависящий от обрабатываемого материалла
- коэффициент,
зависящий от стойкости инструмента
- коэффициент,
зависящий от отношения длины резания к диаметру
Тогда:
. Вычисляю
частоту оборотов шпинделя и принимаю по паспортным данным станка, используя
формулу (6.18):
.
Принимаю
.
. Вычисляю
минутную подачу и принимаю по паспортным данным станка по формуле (6.20):
.
Принимаю
. Фактичесая
оборотная подача:
. Выбираем осевую
силу резания:
(6.23)
где
- коэффициент,
зависящий от обрабатываемого материалла
Тогда:
8. Вычисляю мощность резания:
(6.24)
где
- коэффициент,
зависящий от обрабатываемого материалла
- число оборотов
инструмента в минуту
Тогда:
Расчитаная мощность
резания меньше, чем мощность электродвигателя станка (см. п.6.2), а значит
обработка возможна.
На оставшийся переход на
данной операции (зацентровка d5) режимы резания вычисляю по [8].
По [8], к. 46, л. 1-2,
с. 128-129 и [8], к. 51, л. 51, л. 1, с. 139 выбираю табличные значения подачи
,
скорости резания
,
мощности резания
и
осевой силы резания
.
Выбранные величины записываю в таблицу 6.11.
Определяю поправочные
коэффициенты по [8], к.53, с.143-149, л.1-7 в зависимости от измененных условий
обработки:
Механических
свойств обрабатываемого материала
Присутствие
охлаждения
Состояние
поверхности заготовки
Инструментального
материала
Формы заточки
инструмента
Длины рабочей
части
Покрытия
инструментального материала
Отношение
фактического периода стойкости
к нормативному
Таблица 6.11 - Табличные
значения оборотной подачи
,
скорости
,
мощности
и
осевой силы резания
|
t, мм
|
SоT, мм/об
|
VT, м/мин
|
NT, кВт
|
PT, Н
|
|
Зацентровка d5
|
2,5
|
0,11
|
28,2
|
0,27
|
918
|
Корректирую табличные значения
подачи по формуле ([8], к. 52, с. 142):
(6.25)
Также использую формулы
корректировки скорости, силы и мощности ([8], к.52, с.142):
(6.26)
(6.27)
(6.28)
Скорректированные
значения режимов заношу в таблицу 6.12
Таблица 6.12 -
Скорректированные значения режимов резания
|
, ,  ,  , 
|
|
|
|
|
|
Зацентровка d5
|
0,06
|
15,51
|
0,49
|
1669,1
|
988
|
В таблице присутствует
графа
-
расчетная частота вращения шпинделя, которая рассчитывается по формуле (6.18)
Полученное значение
необходимо
скорректировать по паспорту станка. А затем рассчитывается фактическая скорость
резания.
После этих операций
необходимо рассчитать минутную подачу, которую потом корректируют по паспорту
станка и принимают ее фактическое значение
. Значения
при
зацентровке приведены ниже:
-
-
-
-
6.6 Техническое
нормирование операции
Операция 025 токарная с
ЧПУ
Рассмотрим траектории движения
инструментов. И определим время автоматической работы станка по УП. Составляю
таблицу 6.13.
Рисунок 6.7 - Траектория движения
РИ1
Рисунок 6.8 - Траектория движения
РИ2
Рисунок 6.9 - Траектория движения
РИ3
Таблица 6.13 - Определение время
автоматической работы станка по УП
|
Участок
|
ΔX, мм
|
ΔZ, мм
|
Li, мм
|
Sмi, мм/мин
|
То, мин
|
Тм.в., мин
|
|
РИ3-РИ1
|
-
|
-
|
-
|
-
|
-
|
0,05
|
|
1-2
|
-8
|
-200
|
200,2
|
5000
|
-
|
0,04
|
|
2-3
|
-92
|
0
|
92
|
22
|
4,18
|
-
|
|
3-4
|
0
|
1
|
1
|
22
|
0,05
|
-
|
|
4-5
|
92
|
0
|
92
|
5000
|
-
|
0,02
|
|
5-6
|
0
|
-3
|
3
|
86
|
0,03
|
-
|
|
6-7
|
-70
|
0
|
70
|
86
|
0,81
|
-
|
|
7-8
|
1
|
1
|
1,4
|
86
|
0,02
|
-
|
|
8-9
|
65,5
|
0
|
65,5
|
5000
|
-
|
0,01
|
|
9-10
|
0
|
-39
|
39
|
98
|
0,40
|
-
|
|
10-11
|
1,5
|
0
|
1,5
|
98
|
0,02
|
-
|
|
11-12
|
0
|
34
|
34
|
5000
|
-
|
0,01
|
|
12-13
|
-7
|
0
|
7
|
86
|
0,08
|
-
|
|
13-14
|
1
|
1
|
1,4
|
86
|
0,02
|
-
|
|
14-1
|
16
|
205
|
205,6
|
5000
|
-
|
0,04
|
|
РИ1-РИ2
|
-
|
-
|
-
|
-
|
-
|
0,05
|
|
1-2
|
-96,75
|
-197
|
219,5
|
5000
|
-
|
0,04
|
|
2-3
|
0
|
-3
|
3
|
84
|
0,04
|
-
|
|
3-4
|
-2,7
|
-108
|
108
|
84
|
1,29
|
-
|
|
4-5
|
-1,05
|
0
|
1,05
|
84
|
0,01
|
-
|
|
5-6
|
0
|
109
|
109
|
5000
|
-
|
0,02
|
|
6-7
|
5
|
0
|
5
|
71
|
0,07
|
-
|
|
7-8
|
0
|
-1
|
1
|
71
|
0,01
|
-
|
|
8-9
|
-2,7
|
-108
|
108
|
71
|
1,52
|
-
|
|
9-10
|
-1,3
|
0
|
1,3
|
71
|
0,02
|
-
|
|
10-11
|
0
|
111
|
111
|
5000
|
-
|
0,02
|
|
11-1
|
99,5
|
197
|
220,7
|
5000
|
-
|
0,04
|
|
РИ2-РИ3
|
-
|
-
|
-
|
-
|
-
|
0,05
|
|
1-2
|
-97
|
-197
|
219,6
|
5000
|
-
|
0,04
|
|
2-3
|
2
|
0
|
2
|
31,95
|
0,06
|
-
|
|
3-4
|
0
|
-3
|
3
|
31,95
|
0,09
|
-
|
|
4-5
|
-2,7
|
-108
|
108
|
31,95
|
3,38
|
-
|
|
5-6
|
-1,3
|
0
|
1,3
|
31,95
|
0,04
|
-
|
|
6-7
|
0
|
111
|
111
|
5000
|
-
|
0,02
|
|
7-1
|
99
|
197
|
220,5
|
5000
|
-
|
0,04
|
|
|
|
|
|
ΣТо=12,14
|
ΣТм.в.=0,49
|
Тогда время цикла автоматической
работы станка по УП составляет:
(6.29)
Он будет равен:
Штучное время
определяется по формуле:
(6.30)
где
-
вспомогательное время на операцию. Оно равно суме времен на установку, снятие
детали со станка (
),
времени, связанным с операцией (
) и времени на контрольное
измерение детали (
).
Соответственно эти
величины равны (по [9]):
= 2,2 мин (к.3, л.1,
с.52): при установке подъемником при станке
= 0,32+0,15+0,03=0,5 мин
(к.14, с.79)
=
0,08+0,1+0,19+0,18+0,09+1,1=1,74 (мин) (к.15, л.2,5,7, с. 81,84,86).
Тогда
- коэффициент,
учитывающий серийность производства:
([9], к.1, с.50).
А по карте 16, с.90
определяю:
- время на
организационно-техническое обслуживание рабочего места, отдых и личные надобности.
Тогда:
В условиях
крупносерийного производства штучно-калькуляционное время не определяем.
040 Сверлильная операция
с ЧПУ
При обработке отверстий
применяю параллельную схему обработки, т.к. допуск позиций отверстий свободный.
Условно задаюсь высотой
приспособления без детали
.
Расчеты отвода и подвода
РИ от детали провожу по следующей схеме:
Рисунок 6.10 - Схема
подвода-отвода режущего инструмента
здесь R - величина
быстрого подвода по оси Z
(6.31)
где
-
высота приспособления без детали
- высота детали,
соответствующая определенной ступени
- “плавающий” нуль
детали.
Расчет выполняю по
схеме: 1) определение рабочего хода сверла; 2) определение величины R; 3)
определение длины холостого хода; 4) расчет времени цикла автоматической работы
станка
.
1. Зацентровка d5мм 12 отверстий
D15мм (а=20 мм)
Тогда:
2. Сверление 12 отверстий D15мм
(а=140 мм)
Тогда:
На всю операцию в целом
время автоматической работы станка будет:
Определяю штучное время.
Для данной операции
определяю вспомогательное время, которое состоит:
= 0,2+0,07+0,03=0,3
(мин) (к.13, л.1-3, с. 76-78, [9])
=
0,2+0,03+0,02+0,012+0,24+0,03=0,82 ([9], к.14, с. 79)
([9], к.15, л. 5, с. 84)
Тогда:
По [9], к.1, с.50
определяю коэффициент:
=1,23
([9],
к.16, с. 90)
Следовательно:
7.
Научно-исследовательская часть
В качестве
исследовательской части была задана тема: “Характеристика многослойных покрытий
режущего инструмента”.
Целью обработки
материалов резанием является получение новой поверхности детали с заданными
качеством и размерами, что достигается в результате разрушения металла режущими
лезвиями инструмента. Процесс обработки поверхности заготовки всегда
сопровождается упругой и пластической деформацией удаляемого поверхностного
слоя заготовки и превращением его в стружку; упругой и пластической
деформациями обработанной поверхности и изнашиванием рабочих поверхностей
режущего инструмента. Эти процессы совершаются одновременно, они тесно связаны
между собой и образуют единую систему.
При выборе режимов
резания используют общемашиностроительные нормативы, которые также содержат
рекомендации по выбору марок режущего материала, предназначенного для различных
видов обработки. Однако ряд существующих справочных материалов не отражают в
достаточной степени расширение области применения твердосплавного инструмента,
появление новых марок твердых сплавов и быстрорежущих сталей, в том числе с
износостойкими покрытиями, минеральной керамики и сверхтвердых синтетических
материалов. К настоящему времени разработаны новые инструментальные материалы,
а также различные методы повышения износостойкости инструментов (в том числе,
путем покрытия их тонкими пленками специальных соединений). Все это следует
учитывать при проектировании инструментов путем использования рекомендаций,
опубликованных в последние годы, например фирмой KORLOY.
Фирма KORLOY,
образованная в 1966 году, является одним из мировых лидеров по производству
инструментальных материалов из твердого сплава и производит режущий инструмент
мирового качества.
Этой фирмой были
проведены исследования режущих свойств современных материалов с целью
оптимизации подбора инструментов для всех видов механической обработки.
Исследования позволили составить следующую зависимость режущих свойств
современных инструментальных материалов.
Рисунок 7.1 - Режущие свойства
современных инструментальных материалов
Внедрение многослойных покрытий,
нанесенных с использованием способов осаждения твердых соединений из парогазовой
среды (CVD), в том числе прогрессивного низкотемпературного физического способа
(PVD), компанией KORLOY, позволило существенно повысить износостойкость
режущего инструмента.
Серии новых многослойных покрытий,
разработанных компанией KORLOY по CVD-технологии, имеют следующие преимущества:
1. Высокоэффективный процесс
резания;
2. Более широкая область
применения по сравнению со сплавами без покрытия; увеличение износостойкости в
2÷3 раза при сохранении
ударной вязкости и прочности.
. Сопротивление образованию
трещин при обработке с СОЖ
. Сверхвысокое сопротивление
пластической деформации и адгезии.
Твердым сплавам с покрытием TiCN и
TiAlN, нанесенным PVD-методом, присваивается маркировка PC (например, PC
Q-MAX):
1) отличная износостойкость и
теплостойкость;
2) сохраняется ударная вязкость
твердосплавной основы;
) широкая область применения
при высоких скоростях резания;
) серия PC200 широко
применяется при обдирке и прерывистом резании стали и нержавеющей стали.
Характеристика некоторых
тонкопленочных слоев:
алюминиевый слой (Al2O3):
1) отличная износотойкость при
высоких скоростях резания
2) высокая твердость при
высокой температуре
) сопротивление фиффузии и
окислению
- слой карбида титана (TiC):
1) высокая износостойкость при
низких скоростях резания
2) отличное сцепление с
основным материалом
- титано-алюминиевый нитрид (TiAlN):
1) новая технология покрытия
обеспечивает высокую теплостойкость и износостойкость
2) отличная работа при
высокоскоростном резании (точении, фрезеровании, сверлении и т.п.)
) отличная работа при грубой
и прерывистой обработке стали и нержавеющей стали
- слой нитрида титана (TiN):
1) великолепное сопротивление
окислению при высоких температурах
2) отличное сопротивление
термошоку при фрезеровании.
Повышение износостойкости твердосплавных
пластин в результате применения многослойных покрытий при увеличении скорости
резания отображено на рисунке 6.2
Марки сверхтвёрдых сплавов с
покрытием CDV- способом:
· новая
кристаллическая структура препятствует образованию нароста и выкрашиванию режущей
кромки
· высокая ударная
вязкость способствует широкой области применения
· отлично
обрабатывает нержавеющие стали, даже при грубом и прерывистом резании
Степень износа,мм
,4
,2
200 400 Скорость резания, м/мин.
Рисунок 7.2 - Износостойкость
твердосплавных пластин с покрытием
Марки твердых сплавов с покрытием
PVD-способом:
· покрытие в 2÷4 раза увеличивает срок
службы сверхтвердого сплава
· превышает стойкость
режущей кромки
· уменьшает реакцию с
“ферроэлементами” (снижает наростообразование)
Фирмой KORLOY были также проведены
исследования, отражающие специфику применения режущего инструмента в
зависимости от скорости резания и подачи, т.к. в конечном итоге нужно
производить выбор между увеличением скорости резания и увеличением или уменьшением
подачи. Полученные исследования представлены в виде графика применения (рисунок
7.3).
Рисунок 7.3 - Область применения
инструментальных материалов
Как видно из графика, материалом,
наиболее близким к универсальному, является твердый сплав с покрытием.
Выводы
В процессе выполнения работы было
выполнено ряд технологических усовершенствований базового технологического
процесса: вся технология обработки детали была, по возможности, переведена на
более модернизированное оборудование с применением станков с числовым программным
управлением, которые в современном мире являются одним из неотъемлемых
факторов, влияющих на изготовление деталей с большим качеством, меньшей
себестоимостью в кротчайшие строки в условиях среднесерийного, крупносерийного
и массового производства.
Именно в этом выделяется главная
разница между базовым и предложенным технологическим процессом, так как в
базовом технологическом процессе применялось универсальное оборудование,
которое малопроизводительно и морально устаревшее.
Список литературы
1. «Марочник сталей и сплавов»/ В.Г. Сорокин и др. Под общей
ред. В.Г. Сорокина - М.:-Машиностроение, 1989, 640с.
2. Добрыднев И.С. «Курсовое проектирование по предмету
“Технология машиностроения”». Учебное пособие для техникумов по специальности
«Обработка металлов резанием» - М.: Машиностроение, 1985, 184с., ил.
. ГОСТ 7505-89 «Поковки стальные штампованные»
. Ю.Е. Кирилюк «Допуски и посадки». Справочник - К.: Выща
шк. Головное изд-во, 1989 - 135 с., 3 ил., 26 табл.
. Справочник технолога-машиностроителя. В 2-х т. Т.1/под
ред. А.Г. Косиловой и Р.К. Мещерекова-М.:Машиностроение, 1986, 656с., ил.
. Справочник технолога-машиностроителя. В 2-х т. Т.2/под
ред. А.Г. Косиловой и Р.К. Мещерекова-М.:Машиностроение, 1986, 496с., ил.
. «Станочные приспособления». Справочник. 2-х т. Т.1/под
ред. Б.Н. Вардашкина, А.А. Шатилова, 1984, 592с., ил.; Т.2/под ред. под ред.
Б.Н. Вардашкина, А.А. Шатилова,1984, 656с. Ил.-М.:машиностроение.
. Общемашиностроительные нормативы времени и режимов
резания для нормирования работ, выполняемых на универсальных и многоцелевых
станках с числовым программным управлением. Часть I: «Нормативы времени» - М.:
Экономика, 1990, 206с.
. Общемашиностроительные нормативы времени и режимов
резания для нормирования работ, выполняемых на универсальных и многоцелевых
станках с числовым программным управлением. Часть II: «Нормативы режимов
резания» - М.: Экономика, 1990, 473с.
. «Точность и производственный контроль в машиностроении».
Справочник/под ред. А.К. Кутая-Л.:Машиностроение, 1983, 368с., ил.
. Ю.И. Кузнецов и др. «Оснастка для станков ЧПУ»
Справочник-М.:Машиностроение, 1990, 512с., ил.
. Общемашиностроительные нормативы режимов резания для
технического нормирования станочных работ.-М.:Машиностроение,1974.
Общемашиностроительные нормативы времени: вспомогательного, на обслуживание
рабочего места и подготовительно-заключительного для технического нормирования
станочных работ. Серийное производство-М.:Машиностроение, 1974, 421с.
. Общемашиностроительные нормативы режимов резания для
технического нормирования станочных работ, выполняемых на протяжных
станках.-М.:Машиностроение, 1989.
. Общемашиностроительные нормативы режимов резания для
технического нормирования работ, выполняемых на шлифовальных и доводочных
станках -М.:Машиностроение, 1974, 203с.
. Инструкции по программированию для систем ЧПУ «2Р22» и
«2П32-3»
. Н.С. Козловский, А.Н.Виноградов «Основы стандартизации,
допуски, посадки и технические измерения»: Учебник для учащихся техникумов-М.:
Машиностроение, 1982, 284с., ил.
. Н.А. Нефедов, К.А.Осипов «Сборник задач и примеров по
резанию металлов»-М.:Машиностроение, 1990.- 442с., ил.
. Панов Ф.С., Травин А.И. «Работа на станках с ЧПУ», Л.
Лениздав, 1984г., 278 стр.
. Горбацевич А.Ф., Шкред В.А. «Курсовое проектирование по
технологии машиностроения»: Учеб. Пособие для машиностроит. Спец. Вузов. - 4-е
изд. Перераб. и доп. - Минск: Вышэйш. Шк., 1983. - 256 с.
. Режимы резания металлов: Справочник / Под ред. Ю.В.
Барановского. - М.: Машиностроение, 1972. - 408 с.
Приложение