Технологический процесс изготовления детали "Спрямляющий аппарат"
Содержание
Ведение
1. История развития предприятия «АО СНПО
им. М.В. Фрунзе»
2. Описание детали
3. Анализ механической обработки
заводского технологического процесса
4. История развития государственного
предприятия «Сумской экспертно-технический центр Госнадзорохрантруда»
5. Индивидуальное задание «Изучить
организацию охраны труда на предприятии»
Литература
Введение
Важным событием
научно-технического прогресса является комплексная автоматизация промышленного
производства. Высшая автоматизация промышленного производства - гибкое
автоматическое производство: функционирование взаимосвязанных многоцелевых
технических средств на основе программного управления и групповой организации
производства.
В настоящее время на
предприятиях машиностроительной индустрии нашли широкое применение станки ЧПУ
различных поколений, а так же промышленные роботы.
Станки ЧПУ первого
поколения созданы на базе универсальных станков, они обладают ограниченными
технологическими возможностями, то есть не полностью используются возможности
систем ЧПУ.
Конструкции станков ЧПУ
второго поколения предусматривают более широкое использование систем ЧПУ.
Обеспечивается автоматическая смена инструмента, коррекция эквидистанты.
Имеется механизм возврата ленты, возможность набора программы старший пульта,
память станка, возможность внедрения коррекции (16А20Ф3С39; 16М30Ф3121).
Станки с ЧПУ третьего
поколения: гибкие производственные модули (ГПМ), автоматическое производство
(АП) выпускаются и внедряются в основном за рубежом.
При конструировании
изделий используются системы проектирования: Компас ЧПУ, Компас График. Компас
ЧПУ обеспечивает удобный диалог пользователя с программой, при этом легко
выбрать режущий инструмент, стадию обработки, происходит автоматическое
составление управляющей программы, РТК и обеспечивается наглядность происходящей
операции по кадрам.
Окончательное развитие
прогрессивного оборудования - безлюдное производство, что обеспечивает более
точное и качественное изготовление продукции, позволяющее работать с
максимальной производительностью труда.
В качестве темы на курсовое
проектирование было предложено разработать технологический процесс механической
обработки детали «Спрямляющий аппарат» с применением станков с ЧПУ и передовых
технологий изготовления.
Целью курсового проектирования является разработка
техпроцесса изготовление детали «Спрямляющий аппарат» с максимальной производительностью
и минимальной себестоимостью. Для понижения цены детали возникнет потребность в
использовании не универсального оборудования, а станков с ЧПУ. Это обусловлено
большой трудоемкостью операций на универсальных станках.
1. История
развития предприятия «АО СНПО им. М.В. Фрунзе»
Отсчет своего
существования предприятие ведет с 15 ноября (28 ноября по новому стилю) 1896
года, когда Указом Его Императорского Величества, Самодержавца всероссийского
были утверждены условия деятельности Бельгийского акционерного общества под
наименованием «Сумские машиностроительные мастерские (анонимное общество)».
Согласно этим условиям предприятию разрешалось начинать свои действия в России
по эксплуатации строительной, котельной и литейной мастерских, выпускать
паровые машины, аппараты для сахарных заводов, принадлежностей для железных
дорог, а также изготовлять котлы, производить литье железа, стали и других
металлов.
В 1896 году на окраине г.
Сумы, возле железнодорожной станции, было заложено машиностроительное
предприятие Бельгийского акционерного общества под наименованием: «Сумские
машиностроительные мастерские (анонимное общество)». Учредителями АО, помимо
зарубежных компаньонов, были известные украинские сахарозаводчики: П.И. Харитоненко,
Н.А. Суханов, Л.Е. Кениг, А.А. Гебиндер и другие предприниматели. По замыслу
основателей АО должно было заниматься изготовлением и ремонтом оборудования для
сахарных заводов, шахт Донбасса, железных дорог. В 1897 году предприятие
выпустило первую партию несложной продукции. Здесь работало до 350 человек.
Квалифицированных специалистов в Сумах не было, поэтому администрация вынуждена
была приглашать их из-за границы.
В 1900-1902 годах
расширяется номенклатура выпускаемой продукции. Началось изготовление выпарных
аппаратов, свекловичных резок, фильтров-прессов, водяных насосов для сахарной
промышленности, семафоров и стрелок для железных дорог. Начато освоение первых
центрифуг для сахарных заводов.
В 1904 году АО возглавил
А.И. Бероунский, он смог частично заменить устаревшее оборудование, получить
новые заказы для реконструкции Кияницкого сахарного завода. В 1908 году была
изготовлена первая отечественная паровая машина мощностью 300 л. с. Портфель заказов начал увеличиваться. К этому времени на заводе успешно работали конструкторские
группы по пере проектированию сахарных заводов, разработке документации на
изготовление центробежных насосов и металлических конструкций.
С 1912 года изменяется название
АО. Оно теперь стало называться: анонимное общество «Сумские машиностроительные
заводы». В это время здесь уже работало 700 человек.
Летом 1914 года в Россию
пришла война. На фронт были мобилизованы многие труженики завода. Рабочие и
служащие, немцы по национальности, были уволены, а сам А.И. Бероунский принял
российское подданство. АО переходит на освоение военной продукции. Вводится в
эксплуатацию новый цех взрывателей, расширяются сборочные мастерские,
увеличивается станочный парк. Освоены и выпускаются взрыватели и оборудование
для пороховых заводов. Между тем, война забирала все больше и больше рабочих, а
оставшихся на производстве администрация безжалостно эксплуатировала.
В период гражданской
войны и иностранной интервенции предприятие, в основном, не работало, были
разрушены и сожжены все ведущие цехи. К восстановлению преступили в начале 1922
года на основании решения Харьковского губернского совнархоза. На завод
возвращались рабочие, сражавшиеся в партизанском отряде Бочкина, бойцы седьмого
Сумского советского полка. Восстановлением предприятия руководил первый
советский директор Ф.Л. Сахно. В 1922 году уже были завершены первые восстановительные
работы. Начат выпуск несложного сельскохозяйственного оборудования и инвентаря
для мельниц, маслобоек, крупорушек, а также плугов. В конце года на заводе
работало 100 человек.
После завершения
восстановительных работ были введены в эксплуатацию заново переоборудованные
литейный и механический цехи. В номенклатуре завода появилась уже более сложная
продукция - центробежные насосы, паровые лебедки, фермы для железнодорожных
мостов. Начали выпуск оборудования для электростанций, мостовых кранов, паровых
котлов, электрических лебедок для шахт Донбасса. С 1925 года возобновилось производство
центрифуг и другого оборудования для сахарных заводов. В это время на заводе
работает 780 человек. Такой рост численности вызвал острую необходимость в
подготовке и обучении кадров. Создается целая сеть обучения трудящихся
(ликбезы, рабфаки, фабрично-заводское училище, рабочий вечерний техникум).
Кадровая политика была направлена на подготовку местных специалистов.
13 сентября 1925 года работа была
прервана, воем заводской сирены. Из-за неисправности сушильных камер возник
пожар, который перекинулся на литейный и механический цехи. Никакие усилия
рабочих и пожарников не спасли положения. Удалось отстоять от пожара только
модельный склад, машинное отделение с котельной и котельный цех. Директор
завода призвал не медленно приступить к восстановлению сгоревших цехов. Здесь же
представитель ВСНХ Водопьянов выразил надежду не только на восстановление, но и
на расширение завода. Выделенные деньги направили для этих целей. 13 сентября
1926 года на торжественном собрании трудящихся завода были подведены итоги по
восстановлению и реконструкции предприятия.
В 1926 году завод дал
продукции 4,2 % всей продукции машиностроения Украины. По объемам выпускаемых
изделий лишь Краматорский завод с показателем 4,8% опередил наше предприятие. В
этот трудный период времени, под открытым небом, люди, не снижая темпов выпуска
продукции, смогли выстоять, отстроить завод и не сорвать поставку оборудования
для народного хозяйства страны.
В 1927 году по проекту
института УКРГИПРОМАШ началась реконструкция завода, в первую очередь
строительство мощного трех пролетного котельного цеха, силовой станции,
заводской лаборатории. В это время на заводе уже работало около 1000 человек, выпуск
продукции по сравнению с 1926 годом увеличился в 1,6 раза.
В 1928 году в честь
юбилейной даты – 10 летия Красной Армии - заводу было присвоено имя Михаила
Васильевича Фрунзе. С тех пор завод носит имя М. В. Фрунзе.
Но мало кому известно,
что с момента восстановления,(с 1922 года), завод носил другое имя -
профессионального революционера, советского дипломата, первого Председателя
украинского правительства – Х.Г. Раковского.
Знаменательное событие
произошло на заводе в 1929 году, которое
во многом определило дальнейший путь его технического развития. На заводе стали
применять электродуговую сварку.
Большие трудности
сопровождали рождение новой технологии. Не было специалистов этой профессии,
использовалось примитивное оборудование, еще не существовало качественных
сварочных электродов.
Положение с внедрением
новой сварочной технологии осложнялось еще и тем, что завод первым в отрасли
осваивал электродуговую сварку. Не было ни специальных учебников, ни
инструкций, не у кого было заимствовать опыт. Но начальник котельного цеха
поддержал новую технологию и создал все условия для внедрения в цехе.
Положительные результаты
не заставили себя долго ждать. Появляется новая группа сварщиков, которые
настойчиво овладевают теоретическими знаниями и практическими навыками. Москву,
на 2-месячные курсы мастеров, направляется инженер сварочного дела на заводе.
По возвращении он становится мастером, а затем - начальником сварочного
участка.
На заводе появляется
новое сварочное оборудование. В составе завода организуется электродная
мастерская, создается первая рентген лаборатория для рентгенографического
контроля сварных швов и лаборатория для испытания сварных соединений. Все это
позволяет наладить выпуск сварной емкостной аппаратуры, а в дальнейшем и более
сложного сварного оборудования.
С 1929 года начала
регулярно выходить заводская многотиражная газета "Молот".
В 1930 году в стране
принята программа развития тяжелой индустрии. На заводе взят курс на
техническое совершенствование производства и внедрение новых технологических
процессов. В том же году, когда на базе ряда старейших заводов страны был
заложен фундамент новой отрасли - химического машиностроения, предприятие
начало специализироваться как завод химического и нефтяного машиностроения. Он
уже значительно вырос, располагал квалифицированными кадрами инженеров,
техников и рабочих. Конструкторские подразделения завода начали работу по
проектированию новых видов оборудования, необходимых для развивающейся
химической промышленности.
В 1931 году стали в строй
новые производственные мощности: насосно-компрессорный цех, литейный и
инструментальные цехи. Это значительно повысило производственный потенциал
завода.
Перед коллективом была
поставлена задача: освоить изготовление новых видов сложного химического
оборудования, которое требовалось стране, в первую очередь, тяжелых
компрессоров, для синтеза аммиака в производствах минеральных удобрений,
сварной химаппаратуры, трубчатых и вращающихся печей, центрифуг, насосов.
Поэтому выпуск некоторых устаревших видов оборудования, в частности паровых
машин и котлов свертывался. К началу 1932 года производство новых типов
оборудования составило в общем, почти 72 %.
В этом же году завод
получил важное задание - освоить и изготовить для строящегося гиганта
химической индустрии тех лет - Березниковского химкомбината - два тяжелых
сверхмощных поршневых компрессора для синтеза аммиака, на давление 300 атмосфер,
производительностью 10000 м3 газа в час.
На заводе началась
большая работа всех служб и цехов по подготовке производства. Одна из
технических трудностей в решении этой задачи заключалась в том, что конструкция
компрессора предусматривала крупногабаритные литые детали большого веса, такие
как станина, цилиндр, маховик и другие, которые раньше никогда не отливались.
Например, цилиндр компрессора и его маховик весили каждый более 20 тонн.
Первыми включились в
работу конструкторы, модельщики, формовщики, литейщики. Первые отечественные
отливки были сделаны успешно, что вызвало немалое удивление немецкого
специалиста, приглашенного для оказания помощи.
Сборка компрессора была
выполнена в механически цехе №1 (в настоящее время механосборочный цех №5). В
октябре 1933 года компрессор был собран и прошел необходимую проверку. Это была
большая победа коллектива. Впервые в СССР был создан отечественный компрессор
большой мощности и высокого давления. В то время подобные агрегаты изготовляла
только одна фирма Германии "Эрхард-Земмер".
Как известно, это сложное
оборудование до сих пор был импортным и, таким образом, завод им. М. В.
Фрунзе первый в Союзе заложил основу для производства высококачественного
оборудования для химической промышленности.
В 1935 году сданы в
эксплуатацию первый в стране специализированный цех центрифуг, модельный цех,
продолжается освоение новых видов продукции: колонн глубокого охлаждения для
химической промышленности и паровых крекинг-машин для
нефтеперерабатывающей промышленности.
На заводе развивается
стахановское движение. К лучшим новаторам прикреплены мастера и технологи с
тем, чтобы на основе их достижений разработать новые приемы труда.
С 1935 года ведется
долгосрочное сотрудничество завода с институтом электросварки им. Б. О. Патона.
Это сотрудничество, продолжающееся и до сегодняшнего дня, позволило вывести
завод в одно из ведущих предприятий страны в области сварочного производства.
В 1936 году на заводе был
сделан еще один важный шаг технического прогресса: успешно освоена, впервые в
стране, сварка никелевых и хромоникелевых сталей, начато производство сварной
аппаратуры для кислотосодержащих, коррозионных сред.
В конце тридцатых годов
на заводе создается собственная база по подготовке электросварщиков. Растет
категория высококвалифицированных сварщиков завода.
В начале 40-х годов в
сварочном производстве наступает новый, переломный этап. Институтом
электросварки им. Е. О. Патона разработаны теоретические и практические основы
автоматической сварки под флюсом.
В 1938 году на заводе
образован отдел главного энергетика, ставший в скором времени организующим
центром по созданию энергетического хозяйства предприятия.
В 1939-1940 годах
коллектив завода выполнил успешно важный заказ по изготовлению нового оборудования
для Чирчикского химкомбината. Особенно следует отметить создание уникального,
сверхмощного компрессора для синтеза аммиака на давление 850 атмосфер.
22 июня 1941 года. Весть о начале войны
была страшной, но коллектив завода встретил ее с большим мужеством.
Много рабочих ушли на
фронт. Их места заняли пожилые рабочие, подростки, женщины. Работать
приходилось много и не только в цехах. Рабочих учили владеть оружием, тушить
зажигательные бомбы.
Но фронт приближался все
ближе и ближе. В августе 1941 года было принято решение об эвакуации
предприятия в Тамбов, Чирчик, Челябинск, Кемерово. Эвакуацию завода и
организацию работы его подразделений на новых площадях возглавлял М. Е.
Белоцерковский. Умелая работа в этот тяжелейший период во многом обеспечила
сохранность коллектива и основного оборудования, своевременное и быстрое начало
работ для нужд фронта.
26 августа отправились вместе с семьями
и оборудованием в Тамбов. Русские братья приняли нас как родных. Станки,
механизмы сразу же монтировались в помещении цеха, который нам выделили. И уже
в октябре начали выпускать военную продукцию.
В декабре немецкие
самолеты стали бомбить Тамбов туг пришел приказ: завод перевезти в Чирчик.
Пришлось снова демонтировать оборудование и отравляться в дорогу. Прибыл в
Чирчик последним эшелоном в феврале 1942 года. Сумчане, приехавшие сюда раньше,
уже выпускали продукцию для фронта. В приспособленных помещениях будущего
завода, который позже начал именоваться "Узбекхиммаш", установили
дополнительное оборудование. Через месяц начали изготавливать военную
продукцию.
Всего за годы Великой
Отечественной войны заводчане потеряли 169 своих побратимов. Свыше 1000 человек
получили ордена и медали. Одиннадцати работникам завода присвоено высокое
звание Героя Советского Союза.
На территории завода, на
аллее, ведущей к Мемориалу Славы, установлены бюсты погибших Героев, отдавших
жизнь за бедующее своих поколений.
Сразу же после освобождения завод восстанавливался силами
65-70-летних стариков, бывших работников завода, которые оставались в г. Сумах.
Они самоотверженно приступили к восстановительным работам, приведя с собой
подростков и обучая их ремеслу непосредственно в процессе выполнения текущих
работ.
Большой заслугой
руководителей завода стала организация в 1944 году подсобного сельского
хозяйства предприятия. Это решило проблему снабжения продуктами заводской
столовой.
В 1944 году в литейном,
котельном и механическом Цехах установили 64 металлообрабатывающих станка, 8
мостовых кранов, 4 вагранки, 3 паровых котла, турбогенераторы мощностью 215
киловатт, ввели в строй кислородную станцию.
В сентябре 1946 года
выдал первую продукцию цех защитных покрытий. В декабре вступила в строй вторая
очередь литейного цеха, расширились насосно-компрессорный, инструментальный и
модельный цехи. Под монтаж нового оборудования был сдан механический цех №1, на
ТЭЦ заработала турбина мощностью 4000 киловатт. В течение года заводчане отремонтировали
и запустили в эксплуатацию 178 единиц различного оборудования.
Вновь освоен выпуск нескольких типов центрифуг, поршневых компрессоров,
центробежных насосов, барабанных вакуум-фильтров. Возобновляется производство
сварной химической аппаратуры, в основном из высоколегированных и нержавеющих
сталей. Институт электросварки Е. О. Патона обеспечивает завод необходимым
сварочным оборудованием и материалами, консультацией специалистов.
В котельно-сварочном цехе
начинает эксплуатироваться установка для автоматической сварки продольных швов
цилиндрической аппаратуры, а затем монтируется специальный роликовый стенд для
сварки внутренних и наружных кольцевых швов аппаратов диаметром до 3000 мм.
В 1947 году
производственные площади завода уже составляли свыше 24 тысяч квадратных
метров. В короткий срок удалось обучить профессиям 485 вновь принятых рабочих.
Около 800 человек повысили свои разряды, многие овладели смежными профессиями.
Несмотря на трудности
первых послевоенных лет, завод стал лидером среди предприятий отрасли
химического и нефтяного машиностроения.
В 1948-1950 годах завод
внес большой вклад в создание атомной промышленности страны.
1949 году в г. Сумы было организовано новое
предприятие Сумский насосный завод. Он был создан на базе цеха центрифуг завода
имени М. В. Фрунзе. На новое предприятие перешло 330 работников завода имени
М. В. Фрунзе – квалифицированных инженеров, служащих и рабочих, которые
составили основу бедующего коллектива насосников.
В 1950 году началась
реконструкция одного из старейших цехов завода – кузнечного. Расширены
производственные и вспомогательные площади, установили новое оборудование.
К 1950 году завод уже
располагал мощной производственной базой, квалифицированным составом ИТР,
рабочих и служащих.
Период интенсивного
развития многих отраслей народного хозяйства страны в послевоенные годы, курс
правительства, взятый на химизацию в промышленности и сельском хозяйстве,
предопределили ускоренное обновление отрасли химического и нефтяного
машиностроения. В первом ряду наиболее мощных и квалифицированных предприятии
отрасли находился Сумский машиностроительный завод имени М. В. Фрунзе.
1950-1965 годы - это период, когда неуклонно
повышался производственный потенциал завода, совершенствовались и
перевооружались многие его цехи, рождались проекты новых машин и аппаратов.
Наряду с развитием химического аппаратостроения, на первые рубежи выходит такое
сложное и наиболее необходимое в те годы оборудование, как тяжелые компрессоры
большой производительности и высокого давления. Завод был единственным
предприятием в стране, способным изготовлять тяжелые компрессорные машины,
располагая необходимы технологическим оборудованием, квалифицированным кадрами
и производственным опытом.
В 1950 году был создан
мощный (двухрядный) газовый компрессор марки 1Г-166/320 на давление300 атм. производительностью 10000 м3 /час.
Аппараты подвального
оборудования изготовляли в котельном цехе. Сложные уникальные отливки были
успешно освоены коллективом литейного цеха.
Такие компрессоры отправлены в Болгарию, Польшу и Китай.
К концу 1951 года в
литейном цехе ввели в эксплуатацию электросталеплавильную печь, начали освоение
выплавки высокопрочного чугуна, механизировали выбивку литья из опок, внедрили
плавку безоловянистой бронзы. Для обеспечения выпуска первых тяжелых
компрессоров освоили технологию отливки крупногабаритных деталей, таких как
цилиндр первой ступени компрессора, весом более тонн.
В 1952 году заводчане
изготовили новый, еще более мощный компрессор 1Г-266/320 производительностью
16000 м3/час. Эта машина стала основной во всех создаваемых
производствах азотных минеральных удобрений.
Всего период с 1950 по
1964 год их было выпущено более 120 штук. Они и до настоящего времени надежно
работают многих химкомбинатах.
В механическом цехе №2
(сейчас механосборочный цех №6) организовали производство компрессоров средних
типов. Успешно освоили установки для сжатия воздуха в кислородных производствах
и циркуляционные поршневые насосы для получения азотных удобрений. Тут также
наладили изготовление промышленного вертикального компрессора для сжатия
воздуха, блоков осушки воздуха. Всего в этот период на заводе освоили выпуск
более 20 наименований компрессоров.
Создание новых
компрессоров в 50-е годы не только позволило отказаться от импорта подобного
зарубежного оборудования, но дало возможность заводу самому выйти на
международный рынок. Начиная с 1950 года, устанавливаются тесные
производственные и технические связи со многими странами Европы, Азии и Африки.
Сумчане поставляют им компрессоры, различные виды химического оборудования и
насосов.
Последние технические
новинки внедрялись в производство. До этого крепежные детали изготовлялись во
всех цехах на универсальных станках, по различной технологии, с низкой
производительностью. Проблему решили, когда построили специальный цех метизов и
начали оснащать этот цех современным автоматическим и полуавтоматическим
оборудованием.
Увеличение объема выпуска
компрессорного оборудования, основные детали которого представляли собой
сложные, многотонные отливки, потребовало реконструкции литейного цеха и
механизации многих технологических операций в литей производстве, ибо там еще
преобладал ручной труд, приготовление формовочных смесей, их раздача по рабочим
местам производились вручную. Тяжелой операцией оставалась выбивка литья, его
очистка и обрубка.
В литейном цехе
комплексно механизировали землеприготовительные участки, связанные с рабочими
местами формовщиков. Установлены ленточные транспортеры. Участок машинной
формовки оснастили замкнутым напольным конвейером и пневмо подъемниками над
формовочными машинами.
В 60-е годы проводится
реконструкция цеха с достройкой двух пролетов обрубного отделения и вводом в эксплуатацию
гидро выбивной камеры АН-402.
Значительно облегчило
труд формовщиков и стерженщиков внедрение жидких самотвердеющих смесей.
В начале 70-х годов
внедрена электрогидравлическая установка для выбивки стержней, а для удаления
толстых заливов – электро-контактная резка, Применение электрогидравлической
установки позволило в пять раз повысить производительность труда обрубщиков и
улучшить условия их работы при очистке литья. Параллельно с литейным цехом
развивался и модельный цех.
В 1960 году впервые в
стране разработана принципиально новая, более прогрессивная конструкция тяжелых
поршневых насосов в оппозиционном исполнении. Это позволило уменьшить
металлоемкость и габариты машин, повысить их качество и надежность. Заводские
конструкторы разработали и создали параметрический ряд многорядных
оппозиционных компрессоров, на различные параметры и назначения. Их начали
изготавливать в цехе №5.
Производство средних
типов оппозиционных компрессоров сосредотачивается в цехе №6. Здесь также
изготавливались центрифуги, в том числе и АГ-1800, ротационные и водокольцевые
насосы и компрессоры, ротационные аммиачные агрегаты.
Для
обеспечения возросшей потребности в компрессорном оборудовании в 1964 году на
заводе ввели в строй новый цех тяжелых компрессоров. Его оснастили современным
технологическим оборудованием, необходимыми контрольными испытательными
стендами. Сюда с других цехов завода перешли работать около 300 специалистов
высокого класса.
В
1966 году на базе нового цеха тяжелых компрессоров, построенного на отдельной площадке,
был основан Сумский завод тяжелого компрессоростроения, где и началось
производство основной номенклатуры тяжелых машин. (Через 10 лет это предприятие
вошло в состав производственного предприятия им. М. В. Фрунзе.) Новое
производство позволило создать мощные компрессоры сверхвысокого давления для
получения полиэтилена. Были впервые спроектированы и изготовлены поршневые
компрессоры I
и
II каскада на конечное давление 2500
атм. В последующие годы эти установки усовершенствованы, увеличена их производительность.
Широкое развитие получил выпуск водокольцевых и ротационных вакуум-насосов и
компрессоров большой производительности
В
1950-1960 гг. была разработана и внедрена программа создания унифицированных
элементов машин и аппаратов, заводских нормалей, стандартов по всем видам
основного оборудования. Это дало возможность применить типовые технологические
процессы, высокопроизводительные средства технического оснащения, создать
специализированные замкнутые производственные участки. Проводимая работа
послужила основой для организации баз по видам оборудования. Уровень унификации
достиг 85%, что сократило подготовку производства, позволило создать ряд
специализированных цехов, участков, бригад.
В
1962-1964 гг. на заводе выполнен большой комплекс работ по газификации
котельных установок, литейного производства, кузнечных, термических печей.
Вводится в эксплуатацию новый котельно-сборочный цех №8, специализирующийся на
крупной колонной, емкостной и другой аппаратуре.
С
1 января 1967 г. утверждена новая система планирования и экономического
стимулирования (хозрасчет), на пути к которой лежали значительные трудности. Но
руководству завода на всех уровнях и рабочим на рабочих местах удалось их
преодолеть и выполнить пятилетнее задание.
1965-1975
гг. – период наиболее интенсивного роста номенклатуры и объемов выпуска
химического оборудования и дальнейшего технического оснащения производства. На
базе конструкторских служб создается отдельное СКБ, его работа ускорила
развитие и совершенствование центрифуг, насосов, теплообменной аппаратуры,
сушильного оборудования, емкостной аппаратуры и комплектных технологических
линий.
В
1973г. введен в строй цех №12 специализирующийся на производстве центрифуг.
В
1950-1960гг. созданы и изготовлены 4-каскадные непрерывно-действующие
центрифуги для производства сахара-рафинада.
В
1976 году ввели в эксплуатацию цех №6 для выпуска тяжелых центрифуг,
построенный коллективом завода своими силами. Цех оснастили специализированным
участком по сварке, термообработке, закалке и ренгеноконтролю крупногабаритных
деталей.
В
1971г. Государственная комиссия присвоила Знак качества центрифуге ОГШ-321К-5,
это был первый знак качества, присвоенный продукции завода. В последующие годы
Знак качества получают многие машины и аппараты, изготавливаемые заводом. К
концу 1990 г. выпуск оборудования, арестованного высшей категорией качества,
будет доведен до 260 типоразмеров, что составит более 68% к общему объему
выпуска.
Внедрена
групповая механическая обработка и сборка подвесных центрифуг и унифицированных
узлов для всех цехов, выпускающих эти изделия. Широкое применение нашла сборка
универсально-сборочной переналаживаемой оснастки.
Вводятся
установки для электрошлаковой сварки, для продольных и кольцевых швов
толстостенных корпусов и роторов центрифуг.
На
заводе проводится работа по механизации вспомогательных операций, в частности
погрузочно-разгрузочных работ и рациональному использованию производственных
площадей и внутрицехового складирования заготовок и деталей. Была унифицирована
тара и налажено ее изготовление, строятся механизированные склады.
Налажена
принципиально новая отгрузка оборудования – комплексная поставка отдельных
производств в виде технологических линий с максимально законченным циклом
заводского изготовления.
1975 г.
на базе Сумского машиностроительного завода им. М. В. Фрунзе и Сумского завода
тяжелого компрессоростроения машиностроения было организовано производственное
объединение. Генеральным директором объединения стал Владимир Матвеевич
Лукьяненко
В
1977 году Конотопский арматурный завод из состава «Киевпромарматура» переходит
в подчинение Сумскому ПО им. М. В. Фрунзе. До 1986 г. Конотопский арматурный завод находился в составе объединения. С помощью специалистов
объединения завод превратился из убыточного в рентабельный, в 1985 году по
сравнению с 1976 годом объем производства вырос в 6,9 раза, а выпуск арматуры в
6 раз. В 1986 г. завод передан в Главное управление по производству
промышленной трубопроводной аппаратуры как самостоятельное предприятие.
В
Сумах в составе ПО «Насосэнергомаш», на отдельной площадке строится завод
атомного энергетического насостроения.
В
1980 году завод АЭН передается из ПО «Насосэнергомаш» в состав Сумского ПО им.
М.В. Фрунзе. Уже в 1982 году тут наладили серийный выпуск главных циркуляционных
насосов.
В
последующие годы происходит дальнейшее бурное развитие объединения, строятся
новые производственные площади, вводятся в строй специализированные
производственные участки, использующие новейшие достижения науки и техники,
развивается социальная сфера, вводятся новые формы планирования и организации
производства.
В
1994 году предприятие становится акционерным обществом «Сумское машиностроительное
научно-производственное объединение им. М.В. Фрунзе»
2. Описание детали
1. Материал детали
Деталь «Спрямляющий аппарат» выполняется из
латуни Л63 ТУ 05747991.26-01
Заготовка – литье в песчаные формы.
2. Назначения
турбодетандера.
Турбодетандер
предназначен для получения работы за счет переноса тепла с высокого
температурного уровня в более низкий, а в холодильных циклах, в которых
производится «холод», т.е. осуществляется перенос тепла с низкого
температурного уровня на более высокий с затратой внешней работы.
Перечень узлов и деталей
турбодетандера
|
1.
Кольцо
2.
Диафрагма
3.
Втулка
4.
Корпус с турбодетандера
5.
Винт регулировачный
6.
Фланец
7.
Втулка
8.
Крышка
|
9.
Кольцо защитное
10.
Стенка
11.
Спрямляющий апарат
12.
Пластина
13.
Уплотнение
14.
Кольцо уплотняющее
15.
Уплотнение
|
Исходные данные для
проектирования турбодетандера
1.
Начальное
давление, МПа – 5,902
2.
Конечное
давление, МПа – 1,480
3.
Начальная
температура, °С – -113
4.
Конечная
температура, °С – -163
5.
Массовая
производительность, кг/с – 15,72
7.
Количество
ступеней расширения- 1
Чертеж турбодетендера
приведен в приложении В.
3. Анализ детали на
технологичность
Под технологичностью конструкции
деталей понимают степень их соответствия производственным условиям, позволяющим
применить технологические процессы, обеспечивающие изготовление деталей с
наибольшей производительностью и наименьшей себестоимостью для данного масштаба
производства.
Предлагаемая деталь –
спрямляющий аппарат 9.197.4700.026 имеет форму тела вращения с лопатками на
правом торце, отношение длины к диаметру 28,5/330
1.
Деталь имеет 3 отверстия
с резьбой (отжимные), лопатки, отверстие под штифт. Наиболее точной
поверхностью является наружный диаметр, правый и левый торцы детали Ø
330 h7-Ra 1,6; l =
28,5 Ra 1,6. Служит для жесткого базирования
в изделии (корпус), наиболее жесткое требование по шероховатости предъявлено к
поверхности 1,6. Деталь в узле предназначена для спрямления потоков азота.
Проверка детали на
технологичность:
3. Качественные критерии
оценки технологичности.
материал детали – Л 63 ТУ
05747991.26-01.
Механические свойства:
|
в,
МПа
|
, %
|
, %
|
т,
МПа
|
ап, КДж/м2
|
|
350-440
|
40-50
|
66
|
108
|
137
|
Базирование и закрепление
с точки зрения технологичности:
- на токарной операции
деталь закрепляется в трех кулачковом патроне:
а) для растачивания
отверстия за наружною поверхность.
б) для точения наружной
поверхности за отверстие.
- при фрезеровании деталь
закрепляется прихватами за наружную поверхность.
Деталь имеет отношение l/D
1, что обеспечивает достаточную
жесткость при закреплении и обработки без специального приспособления.
Простановка размеров:
Простановка размеров
выполнена грамотно, в соответствии с ГОСТом, что обеспечивает легкое чтение
чертежа, свободное выполнение и контроль размеров в процессе механической
обработки.
|
|
- допуск параллельности терцев
составляет 0,03 мм, достигается точением.
|
|
|
- позиционный допуск на отверстие
Ø 8Н7 (+0,05), достигается точением.
|
|
|
- допуск радиального биения торца
относительно Ø 330h7, достигается точением.
|
|
|
- плоскость торца 0,02 мм, достигается точением.
|
Конструктивные элементы:
Не технологичным
элементом на данной детали является:
- лопатки;
- разность между наружным
и внутренним диаметрами;
- резьбовые отверстия М
8-6Н;
- фаски.
Характеристика
поверхностей детали
|
Наименование поверхности
|
Количество
|
Параметр
шероховатости Ra
|
Квалитет
точности
|
|
Наружная цилиндрическая поверхность
Æ 330:
|
1
|
7
|
6,3
|
|
Внутренняя цилиндрическая поверхность
Æ 285:
Æ
285,98:
|
1
1
|
14
14
|
6,3
6,3
|
|
Торцы: l28,5:
l5,53:
|
2
1
|
9
9
|
1,6
3,2
|
|
Разные:
3х30о:
1,6х45о:
|
1
1
6
|
14
14
14
|
6,3
6,3
6,3
|
|
- лопатки
|
29
|
14
|
3,2
|
|
- отверстия: Æ 8:
М8:
|
3
1
|
6
7
|
3,2
1,6
|
3. Анализ
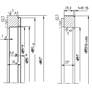
механической обработки заводского технологического процесса
005 Литейная
010 Термическая
015 Токарно-винторезная
Операция выполняется на
станке модели 163. Операция состоит из 2-х установов.
I – Деталь базируется по
торцу и наружной цилиндрической поверхности d350,2 мм, закрепляется в 3-х
кулачковый патрон ГОСТ 2675-*. На этой операции предварительно обрабатывается
торец в размер l40-0,5 мм и растачивается отверстие D275+1,1 мм.
II – Деталь базируется по
торцу и внутренней цилиндрической поверхности D275 мм, закрепляется в 3-х
кулачковый патрон ГОСТ 2675-*. На этой операции предварительно обрабатывается
торец в размер l35-0,5 мм и наружная цилиндрическая поверхность d340-1,0 мм.
Режущий инструмент:
1)
проходной –
PSAGL2525M10H2 ВК 4 ГОСТ 20812-80.
2)
расточной –
S40YHNTCL10H2 ВК 4 ГОСТ 18874-72.
015к Контроль на рабочем
месте
020 Контроль ОТК
025 Токарно-винторезная.
Операция выполняется на
станке модели 163. На данной операции деталь закрепляется в 3-х кулачковый
патрон ГОСТ 2675-*. Операция состоит из 2-х установов.
I – Базируется деталь по
торцу и наружной цилиндрической поверхности d340 мм. На этой операции
подрезается торец в размер l33-0,5 мм,
точится наружный диаметр с размерами d 325-1,0 мм х l6,6 мм,
растачивается внутренний перепад диаметров D284+1,0 мм х l6,6 мм;
D281+1,0 мм х l21,4-0,5 мм.
Режущий инструмент:
1)
проходной –
PNGCL2525H10H2 ВК 3 ГОСТ 17352-*.
2)
расточной –
S40YHNTCL10H2 ВК 3 ГОСТ 18874-72.
II – Базируется деталь по
торцу и наружной цилиндрической поверхности d325 мм. На этой операции
обрабатывается наружная цилиндрическая поверхность на размер d 338h8 мм
х l26,4 мм, точится фаска 1х45о.
Режущий инструмент:
проходной –
PNGCL2525H10H2 ВК 3 ГОСТ 17352-*.

025к Контроль на рабочем месте
030 Контроль ОТК
035 Фрезерная с ЧПУ
(М240)
Деталь базируется по
торцу и закрепляется прихватами. На данной операции происходит обработка 29
лопаток выдерживая глубину 6,6 мм.
Режущий инструмент:
1) Фреза концевая d 5,5 мм;

035к Контроль на рабочем
месте
040 Слесарная
045 Контроль ОТК
050 Сверлильная
Деталь базируется по
торцу и закрепляется прихватами. На данной операции сверлится 3 отв. D6-6Н мм и 1 отв. D 8 Н7 мм.
Режущий инструмент:
1) Сверло центровочное d 2 мм ГОСТ 14595-*;
2) Сверло спиральное d 8 мм ГОСТ 886-*;
3) Сверло спиральное d 6 мм ГОСТ 4010-*;

050к Контроль на рабочем
месте
055 Контроль ОТК
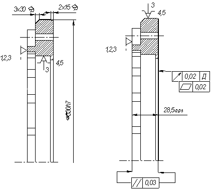
060 Токарно-винторезная
Операция выполняется на
станке модели 163. Операция состоит из 2-х установов.
I – Деталь базируется по
торцу и внутренней цилиндрической поверхности D285 мм, закрепляется в 3-х
кулачковый патрон ГОСТ 2675-*. На этой операции обрабатывается наружная
цилиндрическая поверхность d330 мм и точится фаска 2х15о и 3х30о.
Режущий инструмент:
1)
проходной –
PSAGL2525M10H2 ВК 3 ГОСТ 20812-80.
II – Деталь базируется по
торцу и внутренней цилиндрической поверхности d 330 h7 мм, закрепляется в 3-х
кулачковый патрон ГОСТ 2675-*. На этой операции обрабатывается торец на размер
l28,5 мм.
проходной –
PSAGL2525M10H2 ВК 3М ГОСТ 20812-80.

060к Контроль на рабочем
месте
065 Контроль ОТК
070 Плоско-шлифовальная
Операция выполняется на
станке мод. 372 Б за один установ. Деталь базируется по торцу и по 3 отв. в
специальном приспособлении. Шлифовать по лопаткам выдержав размер 5,53-0,03 мм.
Режущий инструмент:
1) Шлифовальный круг –
2А50СМ2К-5ПП 450х50х305.
075 Моечная
080 Контроль ОТК
085 Сверлильная
Деталь базируется по
торцу и закрепляется прихватами. На данной операции происходит нарезание резьбы
3 отв. М8-6Н мм.
Режущий инструмент:
1) Машинный метчик М8-6Н
ГОСТ 3266-*.
085к Контроль на рабочем
месте
090 Контроль ОТК
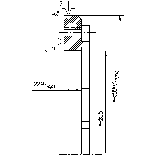
095 Токарно-винторезная
Операция выполняется на
станке модели 163. Операция состоит из 1-го установа.
Деталь базируется по
торцу и наружной цилиндрической поверхности d330 мм, закрепляется в 3-х кулачковый патрон ГОСТ 2675-*. На
этой операции растачивается отверстие D285 мм х l22,97 мм.
Режущий инструмент:
1) расточной – S40YHNTCL10H2 ВК
3 ГОСТ 18874-72.
095к Контроль на рабочем
месте
100 Контроль ОТК
4. История
развития государственного предприятия «Сумский экспертно-технический центр
Госнадзорохрантруда»
Государственное
предприятие Сумский экспертно-технический центр Госнадзорохрантруда образовано
на базе Сумского филиала Восточного ЭТЦ согласно приказа Госнадзорохрантруда от
29.09.1998г. №191. В структуре Восточного ЭТЦ Сумский филиал существовал с
декабря 1993г.
Предприятие создано с
целью проведения работ и предоставления услуг по вопросам охраны труда и
безопасности предприятий, производственных объектов и оборудования. Основной
вид деятельности предприятия - экспертиза проектной документации на
строительство (реконструкцию, техническое переоснащение) производственных
объектов, а также оценка машин оборудования и других средств производства,
средств коллективной и индивидуальной защиты работающих, новых технологий на их
соответствие нормативным актам об охране труда.
На сегодня это
предприятие прочно вкоренилось в государственном звене технической экспертизы,
так как его руководству удалось найти и объединить соответствующих специалистов
и главное - создать хороший творческий коллектив. Как следствие, на Сумщине Сумской
ЭТЦ стал такой авторитетной профессиональной организацией, к которой обращаются
сотни предприятий и организаций области по вопросам технической безопасности
объектов повышенной опасности.
ГП Сумский ЭТЦ в своей
структуре имеет 4 основных структурных подразделения, в том чесле
учебно-информационный отдел, экспертный отдел, Шосткинський отдел,
испытательно-диагностическую лабораторию, а также вспомогательные
подразделения: бухгалтерию и административно-хозяйственный отдел. Возглавляет
центр – начальник центра Красножон Григорий Иванович.
Численность работающих в
ЭТЦ – 42 человека.
Сумский ЭТЦ и все его
подразделы находятся по адресу: 40002, г. Суммы, ул.Победы,1, кроме Шосткинського отдела, который находится по адресу: 41100, Сумская область, г. Шостка,
ул. Енгельса, 4.
Одним из
основных подразделений в ЭТЦ есть испытательно-диагностическая лаборатория.
Лаборатория,
существовала с первого дня создания ЭТЦ, так как без такой лаборатории
невозможно его функционирование. Но юридически она была оформлена в конце
2001г., когда Госстандарт Украины выдал аттестат аккредитации лаборатории. В это
время в государстве возник вопрос сертификации продукции, а для его решения
были необходимы сертификационные испытания. Материально-техническая база ЭТЦ могла обеспечить проведение таких
испытаний.
Сегодня материально-техническая база центра включает в
себя токарный и фрезерный станки, разрывную машину, стационарный твердомер,
рентген-лабораторию, електролабораторию. У
каждого из восьми работников испытательной лаборатории свой персональный
компьютер. Оборудование лаборатории
отвечает нормам техники высшего уровня.
Все
работники лаборатории имеют высшее техническое образование, прошли необходимую
профильную подготовку и имеют соответствующие удостоверения на право выполнения
работ в области своей компетенции.
В
лаборатории выполняются:
-
неразрушаемый контроль материалов (визуально-оптический, ультрозвуковой, радиографический,
магнитопорошковый, капилярный);
-
разрешимый контроль (измерение твердости, механические испытания);
-
техническое освидетельствование (технический осмотр);
-
техническое диагностирование (экспертное обследование);
-
акустико-эмиссионный контроль объектов нефтегазохимического комплекса;
-
контроль герметичности днищ резервуаров.
Перечисленные виды работ
необходимы для испытаний, технического диагностирования и определения
остаточного ресурса оборудования повышенной опасности, в том числе: паровых и
водогрейных котлов, сосудов работающих под давлением, трубопроводов пара и
горячей воды, грузоподъемных кранов, автомобильных подъемников, лифтов,
объектов систем газоснабжения, технологических трубопроводов и оборудования
взрывопожароопасных производств, а также несущих ограждающих строительных конструкций.
5. Организация охраны труда на
предприятии
В экспертно-техническом центре, в соответствии с требованиями
нормативных документов, разработаны и введены “Положение о службе охраны
труда”; “Положение об учении по вопросам охраны труда”; “Положение о работе
уполномоченных трудового коллектива по вопросам охраны труда”.
Согласно Положению о службе охраны труда, данная служба
подчинена непосредственно начальнику центра.
Функции службы охраны труда выполняет заместитель начальника
ЭТЦ Кривошеев В.П., который имеет высшее техническое образование и стаж работы
на инженерно-технических должностях 32 года.
Приказом по предприятию в ЭТЦ создана и функционирует
постоянно-действующая комиссия для проверки знаний по вопросам охраны труда у
работников предприятия.
На предприятии разработаны необходимые должностные
инструкции, в которых в соответствии со ст. 13 Закона Украины “Об охране труда”
определены обязанности и ответственность должностных лиц центра по вопросам охраны
труда.
Создан перечень обязательных инструкций по охране труда и соответственно
ему составлены инструкции по охране труда по профессиям и на выполнение
отдельных работ, которые по форме и содержанию отвечают требованиям ДНАОП
0.00-4.15-98 “Положение о разработке инструкций по охране работы”.
Разработаны программа вступительного инструктажа по охране
работы и перечни вопросов инструктажей по рабочим местам. Ведутся журналы
инструктажей. Инструктажи работникам проводятся один раз в квартал.
На предприятии избраны уполномоченые трудового коллектива по
вопросам охраны труда. Организована их работа.
Принятый и реализуется коллективный договор с разделом
“Охрана труда” и комплексными мероприятиями по повышению уровня охраны труда,
составленными в соответствии с Законом Украины “О коллективных договорах и
соглашениях”.
Спецодеждой, спецобувью и средствами индивидуальной защиты
работающие обеспечиваются в соответствии с действующими нормами и коллективным
договором. На предприятии организованы учет и хранения СИЗ.
Обязательные профессиональные медосмотры работников
предприятия проводятся в соответствии с согласованным Сумской городской СЭС
перечнем работников ЭТЦ, которые подлежат периодическому медосмотру.
В ЭТЦ разработано и в данный момент внедряется Положение об
оперативном административно общественном контроле за состоянием охраны труда, в
основу которого лежит 3-х ступенчатый контроль охраны труда на предприятии.
Трехступенчатый
контроль осуществляется администрацией и общественными формированиями ЭТЦ, а
также его структурных подразделений, с широким участием работников предприятия.
Он носит предупредительный характер, охватывает комплекс вопросов охраны труда,
техники безопасности, производственной санитарии и пожарной безопасности.
Трехступенчатый
контроль за состоянием охраны труда предусматривает выявление недостатков и
нарушений, а также разработку и оперативное осуществление мероприятий по их
устранению. Он является одной из эффективных форм реализации мер по улучшению
условий труда, предупреждению травматизма, заболеваемости и травматизма.
Руководство организацией и проведением трехступенчатого контроля осуществляется
начальником центра и председателем профкома.
С учетом
специфики работы и структуры экспертно-технического центра оперативный
административно-общественный контроль за состоянием охраны труда проводиться на
уровне трех ступеней:
- первая
ступень проводится ежедневно руководителями структурных подразделений и
уполномоченными трудовых коллективов по охране труда их подразделений, как
правило, в начале работы (результаты проверки записываются в журнал первой
ступени административно-общественного контроля);
- вторая
ступень проводится еженедельно в пятницу заместителем начальника центра и
уполномоченным трудового коллектива предприятия (выявленные недостатки
записываются в журнал второй ступени контроля);
- третья
ступень проводится один раз в месяц начальником ЭТЦ и председателем профкома.
Результаты третей ступени рассматриваются на заседании совета Центра с
составлением протокола. На этом же заседании анализируется результаты работы
первой и второй ступеней контроля.
Литература
1.
Москаленко В.П.,
Попов Б.В., Обозний М.П., АО «Сумское машиностроительное
научно-производственное обьединение им. М.В. Фрунзе», исторический очерк,
Сумы:Слобожанщина, 1996, 480 стр.
2.
Маталин А.А.
Технология машиностроения: Учебник для машиностроительных вузов по
специальности «Технология машиностроения, металлорежущие станки и инструменты».
- Л.: Машиностроение, Ленинградское отделение, 1985. - 496 с.
3.
Закон України
“Про охорону праці”.
4.
ДНАОП
0.00-4.12-99 “Типове положення про навчання з питань охорони праці”.
5.
ДНАОП
0.00-4.15-98 “Положення про розробку інструкцій з охорони праці”.