Выполнение расчётов основных узлов на примере самоходной площадки обслуживания ВС СПО-15М
Содержание
Задание
Введение
1. Расчет оси крепления рабочих площадок
2. Расчёт верхней стрелы
3. Определение усилий в канате, удерживающем верхнюю стрелу с
нагруженными рабочими площадками
4. Расчет оси траверсы
5. Расчет механизма подъема нижней стрелы
6. Определение диаметра оси соединения нижней стрелы с поворотной
колонкой
7. Расчёт оси механизма подъёма нижней стрелы
8. Расчет сварочного шва проушин к поворотной колонне
9. Проверка опасного сечения А-А нижней стрелы
10. Расчет на устойчивость машины СПО-15М
Заключение
Литература
Приложения
Задание
1. Базовый автомобиль "
Урал-4320-1012";
. Скорость перемещения рабочей площадки в
вертикальной плоскости 0,5÷24 м/мин.;
. Скорость перемещения рабочей площадки в
горизонтальной плоскости 0,5÷37 м/мин.;
. Масса противовеса G np=1500 кг;
. Общая масса самоходной площадки 12130
кг;
. Длина нижней стрелы по осям
вращения-5700 мм;
. Наиболыпий вылет стрелы на максимальном
удалении оси рабочих площадок 12600 мм;
. Расстояние между осями аутригеров 2700
мм;
. Диаметры канатов тросовой системы стрел
(24,5 мм, 19, мм);
. Диаметр дюралевой трубы верхней стрелы
230х10 мм;
. Диаметр дюралевой трубы нижней стрелы
320x10 мм;
. Расчетные нагрузки на правую и левую
рабочие площадки по 2000 Н и к тросу лебедки 2000 Н;
. Масса одной рабочей площадки 75 кг;
. Габариты самоходной площадки: L, В, Н - 7950x2980x3800;
. Центр тяжести стрел на середине каждой
из стрел
. Центр тяжести противовеса на расстоянии
1500 мм от оси механизма поворота и по высоте 1800 мм от основания;
. Центр тяжести остального навесного
оборудования на оси механизма поворота и по высоте 1500 мм от основания;
. Центр тяжести базовой машины на
расстоянии 2100 мм от оси передних колес и по высоте 1000 мм от основания;
. Диапазон рабочих температур ±50°C.
. Угол наклона нижней стрелы относительно
горизонтали α = 45˚
. Угол наклона верхней стрелы относительно
вертикали β = 60˚
Содержание
Задание
Введение
1. Расчет оси крепления рабочих площадок
2. Расчёт верхней стрелы
3. Определение усилий в канате, удерживающем верхнюю стрелу с
нагруженными рабочими площадками
4 Расчет оси траверсы
5. Расчет механизма подъема нижней стрелы
6. Определение диаметра оси соединения нижней стрелы с поворотной
колонкой
7. Расчёт оси механизма подъёма нижней стрелы
8. Расчет сварочного шва проушин к поворотной колонне
9. Проверка опасного сечения А-А нижней стрелы
10. Расчет на устойчивость машины СПО-15М
Заключение
Литература
Приложения
Введение
Курсовой проект является завершающим
этапом изучения дисциплины "Машины и агрегаты для обслуживания воздушных
судов". Его цель - углубление и закрепление знаний теоретического
материала курса.
Основным видом оборудования машины СПО-15
М для обслуживания ВС является верхняя стрела с двумя рабочими площадками и
механизм поворота с нижней стрелой.
В курсовом проекте выполнены следующие
расчеты: расчет оси крепления рабочих площадок, расчет оси траверсы, расчет
механизма подъема нижней стрелы, расчет оси механизма подъема нижней стрелы,
расчет сварочного шва проушины к поворотной колонне, проверка опасного сечения
нижней стрелы, расчет на устойчивость машины СПО-15М.
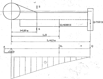
1. Расчет оси
крепления рабочих площадок
При статических испытаниях самоходной
площадки к правой и левой рабочей площадке прикладывается сила по 2000 Н, кроме
того, трос лебедки нагружается силой 2000 Н, при весе рабочих площадок каждой
по 750 Н левая площадка будет нагружена Р2=4750 Н, правая - P1=2750 H.
Р2=4750 Н у
На рис.1.1 показана схема нагружения оси
крепления рабочих площадок.
Рис.1.1 Схема нагружения оси крепления рабочих площадок
Составляем уравнение моментов относительно
точки В.
Мв=0; RA·L - P2 (L+12) +P1l1=0,RA=
=
= 7250 Н. /1.1/
Сумма проекций на вертикальную ось равна 0.
P2-RA-RB+P1=0, RB= P2+P1-RA = 4750+ 2750 - 7250 = 250 Н. /1.2/
Опасное сечение в опоре А. Изгибающий момент в этом сечении:
МиА=Р2l2 =
4750·0,5 = 2375 Н·м. /1.3/
/1.4/
Рис. 2.2 Схема нагружения лебёдки левой рабочей площадки
где W-момент сопротивления, м3
d - диаметр вала, м
d=
=
= 0,048 м. /1.5/
Материал оси: сталь 45 улучшенная, нагрузка статическая
(допускаемые напряжения в приложении 2).
Принимаем d = 50 мм.
самоходная площадка ось механизм
2.
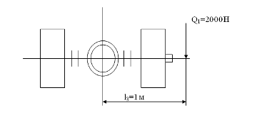
Расчёт верхней стрелы
Рис.2.1 Схема нагружения верхней стрелы
Верхняя стрела находиться под действием изгибающего момента
от груза Q=2·750+3·2000=7500H (две рабочие площадки
весом по 750H,
вес поднимаемого груза лебёдкой 2000Н и два пригруза по 2000Н), собственного
веса стрелы G1=6000H и крутящего момента от груза Q1=2000H грузовой лебёдки левой
рабочей площадки.ь Схема нагружения лебёдки левой рабочей площадки показана на
рисунке 2.2.
1=2000H, l3=1м
Рис.2.2 Схема нагружения лебёдки левой рабочей площадки
Момент крутящий от левой рабочей площадки составит:
Mkp=Q1l3cos (γ-90) = 2000·1· cos (60˚
- 90º)
=1732,05Н·м < [τкр] =119 МПа/2.1/
При передаче крутящего момента в сечении трубы возникают
касательные напряжения:
τкр=
=
= 2309401Па /2.2/
Осевой момент сопротивления для трубы (d=230х10) из дюралюминия составит:
Wp=
=
= 0,00075м
/2.3/
α=d/D=0,21/0,23=0,91 /2.4/
где D-наружный диаметр трубы, 0,23 м
d - внутренний диаметр трубы, 0,21 м.
Для труб повышенной прочности профиля D6:
σв=500МПа, [σи] =0,43*σв=0,43*500=215МПа;
[τкр] ≈0,6* [σи] =0,6*215=119МПа.
Изгибающий момент с сечении Б-Б составит:
Ми Б-Б=Q (L1-0,85) +G1 (L1/2-0,85)
=
=7500 · (6,9 - 0,85) + 6000· (6,9/2-0,85) = 60975 Н·м /2.5/
Момент сопротивления поперечного сечения трубы при изгибе:
Wи=
=
= 0,000285 м
/2.6/
σи=
=
=215 МПа /2.7/
3.
Определение усилий в канате, удерживающем верхнюю стрелу с нагруженными
рабочими площадками
Для определения усилий в канате, удерживающем верхнюю стрелу
можно представить как балку, защемлённую одним концом.
Схема нагружения показана на рисунке 3.1
Рис.3.1 Схема определений усилий в канате
Составим уравнение моментов относительно точки С:
- T*l4+ (G1L1/2+QL1)
cos (γ-90˚)
=0
T=
=
=
Н/3.1/
Ниже в таблице 3.1 приведены данные по канатам, установленным на
самоходной площадке СПО-15М.
Таблица 3.1
Характеристика канатов
|
Ø каната, мм, ГОСТВес 1 п. м. каната, кг;
РкРасчетная площадь сечения всех проволок, мм2Расчетный
предел прочности при растяжении, кг/мм2
|
|
|
|
|
|
|
140
|
160
|
180
|
200
|
|
|
|
Расчетное
разрывное усилие, кгс не менее
|
|
|
|
Суммарное всех
проволок в канате
|
Каната в целом
|
Суммарное всех
проволок в канате
|
Каната в целом
|
Суммарное всех
проволок в канате
|
Каната в целом
|
Суммарное всех
проволок в канате
|
Каната в целом
|
|
24,5 ГОСТ
3067-74
|
24,15
|
269,22
|
37650
|
30100
|
43050
|
34400
|
48450
|
37300
|
53800
|
40350
|
|
19 ГОСТ 3068-74
|
14,7
|
165,28
|
23100
|
17300
|
26400
|
19800
|
29750
|
21150
|
33050
|
22700
|
Проверку проводим для большего диаметра каната 24,5мм,
поскольку меньший диаметр каната 19мм имеет две ветви с каждой стороны и
суммарная площадь поперечного сечения их, значительно больше одинарного каната,
закрепленного на шкивах и проходящего через траверсу. Выбранный канат проверяем
на действительный запас прочности по формуле:
m=
=
=7,2>6/3.2/
где Qz - суммарное разрывное усилие всех
проволок в канате, 538000Н;
Рк - вес 1 п. м. каната, 241,5Н;
l - длина каната, 3м.
Запас прочности каната на подъемных установках со шкивами трения
(людские, грузовые и грузо-людские) составляет 6 [7]. В системах /9/, состоящих
из двух параллельных ветвей, имеющих уравнительное устройство, m должен быть не менее 4,5 для каждой ветви.
. Расчет оси
траверсы
Диаметр оси определяется из условия прочности на срез
(материал оси сталь 45 улучшенная),
d0
= 0,023м
/4.1/
Нижняя и верхняя части траверсы из условия прочности на смятие
(материал траверсы ст.3)
d0
=0,03м. /4.2/
где [τcp] - допускаемое напряжение на срез, 180 МПа;
[σсм] - допускаемое напряжение на смятие, 250
МПа;
Т - усилие в канате, Н;
t1 -
толщина щеки траверсы, 0,02 м.
Принимаем d0=30 мм.
Ниже, на рисунке 4.1, приведена расчетная схема нагружения оси траверсы.
Рис.4.1 Расчетная схема нагружения оси траверсы.
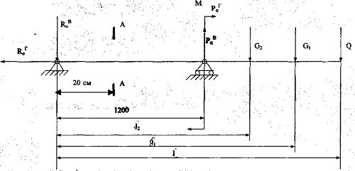
5. Расчет
механизма подъема нижней стрелы
Необходимо определить усилие, развиваемое поршнем
гидроцилиндра подъема нижней стрелы. Для этого составим уравнение моментов
относительно точки О, согласно схемы нагружения стрел и поворотной колонны
(рис.5.1).
Рис.5.1 Схема нагружения стрел и поворотной колонны
; Ql+G1l1+G2l2-Pцl3=0
Pц=
=
= 187460Н. /5.1/
Для определения величин 13 и угла β выполним
следующие расчеты:
определим угол α1;
tgα1=БВ/ОБ;
α1=arctg БВ/ОБ = arctg 280/1200 = 14˚
ОВ=БВ/sin α1 =
280/ sin 14º=1158 мм=OBsin (α-α1) = 1158 ·sin (45º-14º) =596,41 мм=OBcos (α-α1) =1158·cos (45º-14º) =992,6 ммβ=
;
β=arctg
= arctg
= 61º=
;
tg i=280/700=0,4;=arctg0,4=21˚48;
δ=90-β+I=90˚-61˚+21˚48=50˚48
l3=OАsin
δ=
754·sin50˚48=0,76 м
/5.2/=5700cosα+6900cos
(γ-90˚)
= 5700cos45˚+6900cos (60˚-90˚) =
= 10,1 м /5.3/1=5700cos
α+3450cos
(γ-90˚)
= 5700cos 45˚+3450cos (60˚-90˚) =
=7,02 м /5.4/
l2=2850 cos α= 2850 cos 45˚=2,05м /5.5/
Зная давление в гидроцилиндре (р=16Мпа) находим внутренний диаметр
цилиндра.
dц=1,13
=1,13
= 0,122 м /5.6/
где р - давление в цилиндре, 16МПа.
Принимаем (табл.35 [6]) диаметр ближайшего рекомендуемого значения
dц. = 140мм.
Диаметр штока у такого диаметра цилиндра равен 70 мм.
Толщина стенки гидроцилиндра:
S=
=
= 0,01 м. /5.7/
где [σp] - допускаемое напряжение на растяжение для стали 35
нормализованной.
Принимаем толщину стенки S=12 мм.
Поперечное сечение штока гидроцилиндра F (м2) проверяют на сжатие с учетом продольного изгиба
(для стали ст.5).
σ=
=
= 160 МПа /5.8/
где
φ - коэффициент снижения допускаемого
напряжения при продольном изгибе, зависящий от материала штока и его гибкости
(значение коэффициента φ [11,4] приведено в таблице 5.1).
Гибкость штока (для стали ст.5).
λ=lp /
ri = 0,9/0,018 =50 /5.9/
где 1р - расчетная длина штока (принять 1р=0,9м);
ri - минимальный радиус инерции сечения, м.
ri=
=
= 0,018 м /5.10/
где J - момент инерции сечения, м4;
F - площадь поперечного сечения, м2.
J=
=
=1,2·10
м
/5.11/
где d - диаметр штока, 0,07 м;
F=
=
= 0,038 м
/5.12/
Диаметр осей крепления штока и цилиндра получают расчетом на изгиб
[5].
Ми=
=
=937,3Н·м/5.13/
где 10-длина оси под шаровым вкладышем цилиндра (10=0,06м);
g - равномерно распределенная нагрузка по длине оси.
g=
=
=2082889Н/м /5.14/
где 1` - общая длина оси, 0,09м.
σи=
, /5.15/
где Ми - наибольший изгибающий момент, возникающий в
сечении оси, Н·м;
Wи - момент
сопротивления поперечного сечения оси, м3.
Wи=
=
, /5.16/
где d - диаметр оси (материал сталь 45,
улучшение), м.
d=
=
=0,03 м/5.17/
Принимаем диаметр оси d=40 мм.
Проверяем ось на срез:
τср=
=105МПа /5.18/
где n - число плоскостей среза, обычно n=2;
F - поперечное сечение оси, м2.
F=
=
=0,0007м
/5.19/
Таблица 5.1
Значение коэффициента φ
|
Гибкость λ
|
Материал
|
|
Ст.3
|
Ст.4
|
Ст.5
|
14Г2; 15ХСНД
|
АМГ-6М
|
АВТ-1
|
Чугун
|
|
0 10 20 30 40
50 60 70 80 90 100 110 120 130 140 150 160
|
1 1 0,96 0,94
0,92 0,89 0,86 0,81 0,75 0,69 0,60 0,52 0,45 0,40 0,36 0,32 0,29
|
0,99 0,97 0,95
0,92 0,89 0,86 0,81 0,75 0,69 0,60 0,52 0,45 0,40 0,36 0,32 0,29
|
0,98 0,96 0,93
0,89 0,85 0,80 0,74 0,67 0,59 0,5 0,43 0,37 0,32 0,28 0,26 0,25
|
0,98 0,95 0,92
0,89 0,84 0,78 0,71 0,63 0,54 0,46 0,39 0,33 0,29 0,25 0,23 0,21
|
0,973 0,946
0,89 0,77 0,664 0,542 0,458 0,387 0,322 0,28 0,243 0,213 0,183 0,162 0,148
|
0,996 0,992
0,9 0,78 0,66 0,557 0,463 0,387 0,312 0,252 0,210 0,175 0,150 0,129 0,113
|
1 1 0,91 0,81
0,69 0,57 0,44 0,34 0,26 0,22 0,11 0,14 0,12
|
|
|
|
|
|
Алюминиевые
сплавы
|
|
6.
Определение диаметра оси соединения нижней стрелы с поворотной колонкой
Для определения диаметра оси в шарнире О (рис.6), необходимо
определить реакции Rов и Rог.
Для этого составляем 2 уравнения.
Уравнение проекции всех сил на ось у и уравнение моментов сил
относительно шарнира А.
Σy = 0; Q+G1+G2-Pц·sin β+Rог · sin α+Rов · cos α=0 /6.1/
7500 + 6000 + 12000 - 187460· sin 61˚ + Rог · sin 45˚+ Rов · cos 45˚=0
+ Rог · sin 30˚+ Rов · cos 30˚= 0ог = (138456 - Rов · cos 45˚)
/ sin 45˚ = 195836 - Rов
Подставим получившееся выражение в формулу:
Σx = 0; Pц·cos β - Rог ·cos α+Rов · sin α=0 /6.2/
Pц·cos β - (195836 - Rов) ·cos α+Rов · sin α=0
187460· cos61˚- (195836 - Rов) · cos 45˚+
Rов · sin45˚ =0
47594,5+ 2Rов 0,71=0
Rов= 33517,3
Rог= 195836 - 33517,3= 162318,7
R0г =162318,7 Н, R0в =33517,3 Н
Результирующая R0, воздействующая на ось соединения нижней стрелы
с поворотной колонной равна:
R0=
=
=165743,1Н/6.3/
Диаметр оси соединения нижней стрелы с поворотной колонной
определяется из условия прочности на срез (материал сталь 3):
d1
= 0,032м/6.4/
а проушины на смятие:
d1
=
=0,021 м
где t - толщина проушины (t=0,015м);
для стали ст.3 [σсм] = 240÷270
МПа.
Принимаем d1 =35 мм.
. Расчёт оси
механизма подъёма нижней стрелы
Диаметр оси определяется из условия прочности на срез:
d2
=0,039 м. /7.1/
а проушина на смятие:
d2
=
= 0,034 м. /7.2/
где t1 - толщина проушины (t1=0,02см); ля стали ст.3 [σсм] =240÷270МПа; ринимаем d1 =40 мм.
Схема нагружения проушин показана на рисунке 7.1.
Рис.7.1 Схема нагружения проушин.
8. Расчет
сварочного шва проушин к поворотной колонне
Проушины воспринимают усилие Рц от гидроцилиндра
подъема нижней стрелы. Это усилие раскладывается на Рцг и
Рцв.
Рцг = Рц·cosβ = 187460cos 61˚ =90882,4Н.
Рцв = Рц ·sinβ = 187460·sin 61˚=163956,3Н.
Под действием усилия Рцв проушина
изгибается:
Ми=0,1· Р ц · sin β = 0,1·163956,3 = 16395,63 Н
При расчете прочности сварного соединения, осуществленного
стыковым швом, находящегося под воздействием изгибающего момента Ми
и силы Рцг.
Условие прочности будет иметь вид:
σ=
/8.1/
W=
=
=0,000266 м3/8.2/
F - площадь поперечного сечения проушины, м2;
F = S·h =
0,02·0,2 = 0,004 м2.
где S - толщина проушины, 0,02м;
h - высота проушины, 0,2м.
9. Проверка
опасного сечения А-А нижней стрелы
Схема нагружения стрел показана на рисунке 9.1.
Рис.9.1 Схема нагружения стрел.
Изгибающий момент в сечении А-А будет равен:
МизА-А = R0в·0,2=·33517,3
0,2=6703,5Н·м
Момент сопротивления поперечного сечения трубы при изгибе
равен:
Wи =
=
= 0,000566 м3 /9.1/
где D1 - наружный диаметр трубы, 0,32 м;
d1 -
внутренний диаметр трубы, 0,30 м.
σи=
=
/9.2/
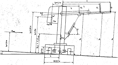
10. Расчет на
устойчивость машины СПО-15М
Согласно норм расчета на устойчивость против опрокидывания
(РД22-145-85) (ссылка на источник [7]), расчет на устойчивость машины должен
проводиться для следующих условий:
при действии испытательных нагрузок, а также испытания
(статические и динамические) согласно инструкции по эксплуатации самоходной
площадки должны проводиться при действии груза (грузовая устойчивость).
На собственную устойчивость в нерабочем состоянии не
рассчитываются краны, у которых стрела в этом состоянии, согласно
"Инструкции по эксплуатации" устанавливается в транспортное
положение. У самоходной площадки СПО-15М стрела устанавливается в транспортном
положении, поэтому на собственную устойчивость в нерабочем положении расчет не
проводим.
Угол наклона (i) для кранов, устанавливаемых на выносных опорах (аутригерах)
разрешается принимать [7]:
i=arctg 0,05/B =arctg 0,05/2,7=1˚30/ /10.1/
где В - расстояние между опорами (аутригерами), 2,7 м.
Эта величина подтверждается данными [5].
Схема расчета на устойчивость самоходной площадки СПО-15М
показана на рисунке 10.1.
Рис.10.1. Схема расчёта на устойчивость СПО-15М
Ветровая нагрузка, действующая на элементы машины,
определяется по формуле [12, 3]:
Pветр= рв ·F· kа · kр=
189,84·1,4·5,9625·1=1585,4 Н/м2 /10.2/
где рв - удельное ветровое давление, Н/м2;
рв =q· k· c ·n=140,625 ·1,125 ·1,2 ·1=189,84H/м2
где q - динамическое давление (скоростной напор) ветра, Н/м2;
k - коэффициент, учитывающий изменение динамического давления
по высоте, принимаемый [12] k= 1,125;
с - коэффициент аэродинамической силы, с=1,2;
n - коэффициент перегрузки, для рабочего состояния,
принимаемый n=1.
Динамическое давление ветра q (Н/м2)
связано с плотностью воздуха (ρ) и его скоростью
формулой:
q=
, /10.3/
где ρ - плотность воздуха, ρ =1,225 кг/м3;
υ - скорость ветра, направленная
параллельно поверхности земли м/с (υ=15м/с - допускаемая скорость ветра, при
которой машина может работать).
kа -
коэффициент аэродинамического сопротивления;
kа=1,4 -
для стрел, башен, мостов;
kа=1,2 -
для вант, канатов, противовесов, кабин;
kр -
коэффициент решетчетости, равный для сплошных конструкций =1, для решетчатых
конструкций - 0,3÷0,4.
F - подветренная площадь, 5,9625 м2 (величина рассчитана
по подветренной площади узлов машины);
F1-подветренная
площадь машины с противовесом и поворотной колонной, м2;
F1=5,9625kаkр
=5,9625·1,2·1 =7,155 м2 /10.4/
F2 -
подветренная площадь стрел, м2;
F2 = [d35,7sin α+d46,9sin
(γ-90˚)]
kаkр=
[0,32·5,7sin 45˚+0,23·6,9sin (60˚-90˚)] 1,4·1= 1,01 м2
/10.5/
где d3 - диаметр трубы нижней стрелы, 0,32 м; d4 -
диаметр трубы верхней стрелы,0,23 м; ка=1,4; kр=1. F3 - подветренная площадь рабочих площадок, м2;
F3 = 2
·0,78kаkр = 2
·0,78 ·1,4·1= 2,184 м2 /10.6/
где 0,78 - подветренная площадь рабочих площадок, м2;
Координаты приложения нагрузок G, G1,G2:
=5,7cos α+6,9cos (γ-90˚) =5,7cos 45˚+6,9cos (60˚-90˚) =10,01 м /10.7/
l1=5,7cos α+3,45cos (γ-90˚) = 5,7cos 45˚+3,45cos (60˚-90˚) =7,02 м /10.8/
l2=2,85cos α= 2,85cos 45˚= 2,02 м /10.9/
Координаты приложения ветровой нагрузки на нижнюю стрелу h6 и верхнюю стрелу h7, м;
h6=h4+l2tg
α
= 2,85+7,02·tg 30˚= 6,9 м
/10.10/7= h4+5,7sinα+3,45sin (γ-90˚)
=
=2,85+5,7sin45˚
+3,45sin (60˚-90˚) =5,29 м /10.11/
Координата приложения ветровой нагрузки на рабочие площадки h8, м;
h8= h4+5,7sin α+6,9sin
(γ-90˚)
=
=2,85+5,7sin30˚ +6,9sin (105˚-90˚) = 7,48 м /10.12/
Коэффициент запаса устойчивости, представляющий собой отношение
удерживающего момента к опрокидывающему, должен быть равен 1,15 при учете
ветровой нагрузки.
Составим уравнение опрокидывающего момента Мko и удерживающего Мky относительно ребра К:
Мko = (l2-b) G2cosi+h6G2sini+ (l1-b) G1cosi+h7G1sini+ (l-b) G1cosi+h8 (G+Q1) ·
sini +h1Gмsini+h3Gпрsini+h9F1рв+рв [h6d35,7sinα+h7d46,9sin
(γ-90˚)]
kakp+
+рh8F3+
= (2,02 - 1,35) 12000·cos 1˚30/+6,9·12000·sin
1˚30/ + (7,02 - 1,35) 6000·cos 1˚30/
+6,6·6000·sin1˚30/ + (10,01 - 1,3) 6000·cos 1˚30/
+7,48 (5500+2000) ·sin 1˚30/ +1,8·75000·sin 1˚30/
+1,8·15000·sin 1˚30/+1,8·7,155·189,84+189,84 [6,9·0,32·5,7·sin
45˚+ 5,29·0,23·6,9sin
(60˚-90˚)] 1,4·1+189,84·7,48·2,184+
= 112268,2 Н·м /10.13/
где Q1 - грузоподъемность лебедки при испытаниях, 2000Н;
t - время торможения механизма подъема, принято равное величине
времени переключения распределителя /9/, 0,2с;
q - ускорение свободного падения, 9,8 м/с2;
G - нагрузка от пригруза 2х2000Н=4000Н и от веса рабочих площадок
2х750=1500Н;
d3 -
наружный диаметр нижней стрелы, 0,23 м;
d4 -
наружный диаметр верхней стрелы, 0,32 м.
Мky = (h5+b) Gпрcos i+b·Gн. о. cos i+b·Gмcos i =
= (1,5+1,35) 15000·cos1˚30/
+1,35 ·13300. ·cos 1˚30/+
+1,35·75000·cos 1˚30/
= 157056,1 Н·м/10.14/
Gн. о. - вес
навесного оборудования (Gно= 13300Н);
Gм - вес
машины (Gм = 75000Н);
Gпр - вес
противовеса (Gпр = 15000Н).
Коэффициент устойчивости равен отношению момента удерживающего к
моменту опрокидывающему.
При расчете на устойчивость с учетом ветровой нагрузки К=1,15;

/10.15/
Заключение
Выполненные прочностные расчёты и расчёт на устойчивость
показывают, что все узлы выдерживают нагрузки, возникающие в процессе
эксплуатации машины СПО-15М. Коэффициент запаса на устойчивость выше
допустимого значения, значит, машина будет устойчиво работать при скорости
ветра до 15м/с. При скорости ветра выше 15м/с работать на машине СПО-15М
запрещено.
Литература
1. Анурьев В.И. Справочник конструктора-машиностроителя.
В
3-х т.
2. T. l. - 5-e изд., перераб. и доп. - М. Машиностроение, 1980. - 728 с.
. Беляев Н.М. Сопротивление материалов. Допущено
министерством высшего образования СССР в качестве учебника для высших
технических учебных заведений. - М. Гос. изд. технико-теоретической литературы,
1953. - 356 с.
. Гоберман Л.А. Основы теории, расчета и
проектирования строительных и дорожных машин. - М.: Машиностроение, 1988. - 464
с.
. Детали машин. Расчет и конструирование. Справочник.
Т.1. Под редакцией Н.С. Ачеркана. - М. Машиностроение, 1968. - 440 с.
. Дроздов Н.Е., Фейгин Л.А. Курсовое и дипломное
проектирование по специальности "Строительные машины и оборудование"
2-е изд., перераб. и доп. - М.: Стройиздат, 1980. - 159 с.
. Каверзин С.В. Курсовое и дипломное проектирование по
гидроприводу самоходных машин. Учебное пособие. - Красноярск.
. ПИК "Офсет", 1997. - 384 с.
9. Краны стреловые, самоходные. Нормы расчета
устойчивости против опрокидывания. РД 22-145-85. - М, 1986. - 27с.
10. Общие требования к оформлению текстовых и графических
студенческих работ. Текстовые материалы и иллюстрации. СТП КГТУ 01-02,
Красноярск, 2005. - 52 с.
11. Правила устройства и безопасной эксплуатации
подъёмников (вышек) ПБ-256-98.
a. Гостехнадзор России, С. - Перербург, 2001. - 109с.
. Проектирование механических передач.
Учебно-справочное пособие для втузов. / С.А. Чернавский, Г.А. Снесарев, Б.С.
Козинцев и др. - 5-е изд. перераб. и доп. - М.: Машиностроение, 1984. - 560 с.
13. Снитко Н.К. Сопротивление материалов. Учебное
пособие.Л., издательство Ленинградского университета, 1975. - 368 с.
. Справочник по кранам: в 2т. Т.1. Характеристики
материалов и нагрузок. Основы расчета кранов, их приводов и металлических
конструкций. /В.И. Брауде, М.М. Гохберг, И.Е. Звягин и др.; Под общей редакцией
М.М. Гохберга. - М.: Машиностроение, 1988. - 536 с.
Приложения
Приложение
1
Схема возможных положений стрел СПО-15М
Приложение 2
|
Марка стали
|
Термическая
обработка
|
Твёрдость НВ
|
Предел
прочности при расияжении σв
|
Предел
текучести σт
|
Предел
выносливости σ-1
|
Допускаемые
напряжения в кГ/см2
|
|
|
|
|
|
|
При изгибе [σиз]
|
При растяжении
[σр]
|
При кручении [τкр]
|
При срезе [τср]
|
|
|
|
|
|
|
I
|
II
|
III
|
I
|
II
|
III
|
I
|
II
|
III
|
I
|
II
|
III
|
|
15
|
Нормализация
Цементация с закалкой в воде и отпуск на твёрдость HRC 56-62
|
135-149
|
35-45 51-55
|
20 30-35
|
17 23
|
950 1500
|
800 1150
|
600 800
|
850 1300
|
700 1000
|
500 800
|
700 1100
|
600 850
|
450 600
|
800 1200
|
600 900
|
450 600
|
|
35
|
Нормализация
Улучшение Закалкой в воде и отпуск на твёрдость HRC 33-43
|
187 321-375
|
52-65 68-72
90-95
|
28 48-50 70-85
|
24 30 40
|
1350 2100 2700
|
1100 1550 2000
|
800 1000 1350
|
1200 1800 2350
|
950 1300 1750
|
700 850 1200
|
1000 1550 2000
|
800 1150 1500
|
600 750 1000
|
1100 1700 2100
|
850 1250 1600
|
650 800 1100
|
|
45
|
Отжиг
Нормализация Улучшение Закалкой в воде и отпуск на твёрдость HRC 33-43
|
149-187 179-207
228-250 375-430
|
52-58 60-75
75-82 90 103
|
28-30 32 50-52
70-80
|
24 28 38 42
|
1350 1550 2200
3000
|
1100 1250 1750
2200
|
800 950 1300
1450
|
1200 1350 1950
2600
|
950 1100 1550
1900
|
700 880 1150
1250
|
1000 1150 1650
2200
|
800 900 1300
1600
|
600 700 950
1050
|
1100 1250 1800
2400
|
850 1000 1400
1800
|
600 750 1050
1150
|
|
20X
|
Нормализация
Улучшение Цементация с закалкой в воде и отпуск на твёрдость HRC 56-62
|
143-179 217-235
|
46-60 70 95
|
30-40 50 80
|
24 30 42
|
1500 2100 3000
|
1150 1550 2200
|
800 1000 1400
|
1350 1800 2600
|
1000 1300 1900
|
700 850 1250
|
1150 1550 2200
|
950 1150 1600
|
600 750 1050
|
1200 1700 2400
|
850 1250 1800
|
650 800 1150
|
|
40X
|
Отжиг Улучшение
Закалка в масле и отпуск на твёрдость HRC 37-41 Закалка в масле и отпуск на
твёрдость HRC 46-50
|
187-217 230-260
|
62-75 85-95
120-130 135-145
|
40 65-73
110-120 135-145
|
30 40 55 68
|
1800 2700 4300
5100
|
1400 2000 3100
3700
|
1000 1350 1900
2300
|
1550 2300 3700
4400
|
1200 1750 2700
3100
|
850 1200 1650
2000
|
1300 2000 3200
3800
|
1000 1500 2300
2800
|
750 1000 1400
1700
|
1450 2200 3400
4100
|
1100 1650 2450
3000
|
800 1100 1500
1850
|
|
|
|
|
|
|
|
|
|
|
|
|
|
|
|
|
|
|
|
|
|
Нагрузка: I - статическая; II - от 0 до максимума; III - знакопеременная.
Запас прочности = 2.
Допускаемые напряжения для различных материалов (в МПа).
|
Материал
|
Растяжение [σр]
|
Сжатие [σсж]
|
Срез
|
Смятие [σсм]
|
Изгиб [σиз]
|
|
Ст.3; сталь 30
Ст.2; сталь 20
|
140-160 140-160
|
160-180 140-160
|
100-110 90-100
|
240-270 210-240
|
163-175
|
[σв] (МПа)
Ст.3 380-400 σв=3,2НВ
Ст.5 500-530 σт=2800кг/см2 σсм=120-180МПа
σиз≈0,43σв [τср] = (0,6-0,8) σв
τср=0,6σиз
[σсм] =1,75 [σр]
[τср] =0,7 [σр]