Построение логарифмической амплитудно-частотной характеристики
Контрольная
работа
Вариант
№78
Исходные данные
Передаточная функция разомкнутой части системы
имеет вид:
k0
= (номер варианта, умноженный на число, образованное двумя последними цифрами
текущего года) плюс один;= 0, если номер варианта - четный, а = номер варианта,
умноженный на 0,1, если номер варианта нечетный;
b = сумма цифр
номера варианта;
с = 0,5(а+b).
Таким образом, передаточная функция будет иметь
следующий вид:
Задание 1: по заданной передаточной функции
разомкнутой системы построить ЛАЧХ.
1) Преобразуем функцию к виду: 
) Для построения ЛАЧХ разомкнутой
системы представим передаточную функцию в виде произведения элементарных
звеньев:
) Построим ЛАЧХ разомкнутой системы:
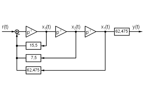
Задание 2:построить схему переменных
состояния замкнутой САУ.
) Передаточная функция замкнутой САУ
будет иметь вид:
автоматическое
управление частотная характеристика
раскроем скобки:
2) Для построения схемы переменных
состояния используем метод прямого программирования, для этого разделим
числитель и знаменатель на 0,134р3, имеем:
3) Построим схему переменных
состояния:
)По данной схеме переменных
состояния составим систему уравнений при этом примем, что r(t) -
единичная ступенчатая функция:
Для y(t) составим
уравнение: y(t)=62,475x1(t).
Определяем матрицу коэффициентов:
Матрица выхода: С=
Задание 3:определить
характеристическое уравнение замкнутой САУ:
) по передаточной функции:
а) характеристическое уравнение
передаточной функции:
D(p)=0,134p3+2,067p2+p+8,33,
разделим на коэффициент при p3, имеем:
D(p)=p3+15,5p2+7,5p+62,475
б)найдем корни характеристического
уравнения:
D(p)=p3+15,5p2+7,5p+62,475=0
решая кубическое уравнение в среде Mathcad получаем
корни:
p1=-15,28
p2,3=-0,11±j2,02
) по передаточной матрице (по схеме
переменных состояния):
Определим характеристическую
матрицу: 
Раскроем матрицу:
Задание 4: Рассчитать устойчивость
замкнутой САУ:
) по корням характеристического
уравнения:
корни характеристического уравнения p3+15,5p2+7,5p+62,475
посчитаны в предыдущем задании:
p1=-15,28
p2,3=-0,11±j2,02
так как действительные части
полученных корней отрицательные (левые) - система устойчива.
) По критерию Гурвица:
D(p)=p3+15,5p2+7,5p+62,475=a0
p3+a1p2+ a2p+ a3
Найдем определители:
Δ1=
a1>0,
Система устойчива так как a0>0, Δ1>0, Δ2>0.
)По критерию Михайлова:
Формулировка: «Для устойчивости
<#"576691.files/image030.gif"> начинался с
точки на вещественной оси и проходил последовательно против часовой стрелки
n
квадрантов,
не обращаясь в ноль и стремясь к
в n-ом квадранте».
В характеристическом уравнении D(p)=p3+15,5p2+7,5p+62,475
заменим оператор p на jω, имеем:
D(jω)= (jω) 3+15,5(jω )2+7,5(jω )+62,475= -
jω3-15,5ω2+j7,5ω+62,475,
Выделим действительную и мнимую
части:
D(jω)= P(ω)+jQ(ω)=(62,475-15,5ω2)+j(7,5ω- ω3)
Для построения годографа Михайлова
вычислим значения вещественной и мнимой части при конкретных значениях частоты
из интервала от 0 до ∞ и занесем их в таблицу:
|
ω
|
0
|
0,1
|
0,3
|
0,5
|
1
|
1,1
|
1,3
|
1,5
|
2
|
2,1
|
2,3
|
2,5
|
3
|
|
P
|
62,5
|
62,3
|
61,1
|
58,6
|
47
|
43,7
|
36,3
|
27,6
|
0,48
|
-5,9
|
-19,5
|
-34,4
|
-77
|
|
Q
|
0
|
0,75
|
2,22
|
3,6
|
6,5
|
6,9
|
7,55
|
7,88
|
7
|
6,5
|
5,1
|
3,1
|
-4,5
|
Построим годограф Михайлова:
Как видим, годограф проходит последовательно три
квадранта, не обращаясь в ноль и стремясь к бесконечности в третьем квадранте.
Следовательно, исследуемая система устойчива.
)По критерию Найквиста:
Критерий Найквиста позволяет судить об
устойчивости системы по амплитудно-фазовой характеристике разомкнутой САУ.
(0,067p+1)(2p+1) - характеристическое уравнение
разомкнутой САУ.
Найдем корни данного уравнения:
=0=-15=-0,5
Как видно система имеет два отрицательных
(левых) корня и один нулевой корень, следовательно, разомкнутая САУ находится
на границе устойчивости. Для данного случая формулировка критерия Найквиста
следующая: «Для устойчивости замкнутой системы, имеющем в разомкнутом состоянии
все левые точки, а также 1 или несколько нулевых корней, необходимо и
достаточно, чтобы при изменении ω от
0 до ∞ критическая точка (-1,j0) не
охватывалась годографом АФЧХ разомкнутой системы вместе с ее дополнением».
В передаточной функции разомкнутой САУ заменим
оператор р на jω, получим:
После преобразования выражения функции и
выделения действительной и мнимой частей, получим:
Для построения годографа Михайлова вычислим
значения вещественной и мнимой части при конкретных значениях частоты из
интервала от 0 до ∞ и занесем их в таблицу:
|
ω
|
0
|
0,1
|
0,3
|
0,6
|
0,7
|
0,8
|
0,9
|
1
|
1,1
|
1,3
|
1,5
|
2
|
|
Re
|
-17,22
|
-27,4
|
-126,6
|
-3532
|
-207
|
-65
|
-32
|
-18
|
-12
|
-8,4
|
-4,7
|
-3
|
-1,3
|
|
Im
|
∞
|
-133
|
-202
|
-3303
|
-159
|
-42
|
-17,5
|
-8,8
|
-5
|
-3,1
|
-1,4
|
-0,7
|
-0,14
|
Построим АФХ:
Пунктиром показано дополнение к АФХ -
полуокружность бесконечного радиуса.
Из рисунка и расчета видно, что АФХ с
дополнением не охватывает точку с координатами (-1,j0), следовательно система
устойчива.
Задание 4:определить основные показатели
качества САУ косвенным (коневым) методом.
Характеристическое уравнение замкнутой системы:
D(p)=p3+15,5p2+7,5p+62,475=0
Корни характеристического уравнения:
p1=-15,28
p2,3=-0,11±j2,02
Так как действительные части корней отрицательные
- система устойчива.
Время переходного процесса оцениваем по формуле:
η - степень
устойчивости, находится как расстояние от мнимой оси до ближайшего корня, т.е. η=0,11,
отсюда
время переходного процесса равно:
Степень колебательности находится по формуле:
Чем больше μ, тем
больше перерегулирование σ.
Ошибка в установившемся режиме, если на входе
единичный ступенчатый сигнал: