Цинк

  • Вид работы:
    Реферат
  • Предмет:
    Химия
  • Язык:
    Русский
    ,
    Формат файла:
    MS Word
    102,29 kb
  • Опубликовано:
    2008-11-06
Вы можете узнать стоимость помощи в написании студенческой работы.
Помощь в написании работы, которую точно примут!

Цинк

Задание на курсовой проект

Чувствительный микрофон с усилителем мощности на малошумящих транзисторах. Необходимо:

привести схему заданного устройства;

описать ее принцип работы;

охарактеризовать основные элементы, какую функцию в данной схеме выполняют эти элементы;

смоделировать схему в любом из программных продуктов для моделирования электронных схем;

провести анализ смоделированной схемы с помощью программного продукта для моделирования электронных схем.

Реферат

Объект исследования - электрическая схема на базе усилителя мощности.

Цель работы - приобретение навыков в сборке электрических схем, в области технической защиты информации;

Метод исследования - изучение способов съема и защиты информации, работа с программными продуктами для виртуального моделирования электрических схем.

Усвоено - основы программного продукта NI Multisim 11.0, получены знания по работе средств негласного съема информации.

Выполнено - устройство съема и воспроизведения информации - чувствительный микрофон с усилителем мощности на малошумящих транзисторах.

ПРОСЛУШИВАЮЩЕЕ УСТРОЙСТВО, ЖУЧЕК, МИКРОФОН, УСИЛИТЕЛЬ, АКУСТИЧЕСКИЙ СИГНАЛ, АЧХ, ТРАНЗИСТОР, РЕОСТАТ, ОСЦИЛЛОГРАФ

Содержание

Задание на курсовой проект

Реферат

Введение

Основная часть

Заключение

Введение

Развитие радиотехники, особенно микроэлектроники, разрешили достичь поразительных результатов в области скрытого прослушивания различных объектов. Микро радио жучки дополняются миниатюрными усилителями, передатчиками или магнитофонами, также распространены устройства прослушивания телефонных разговоров.

Прослушивающие устройство - это скрытое для объекта наблюдения снятие аудио информации, возможная ее запись на различные информационные носители с целью дальнейшего использования. Этим устройством могут являться миниатюрные микрофоны (радио жуки) с усилителями мощности. Это наиболее дешевый и легкий метод, популярный во всем мире. Такие жучки можно легко спрятать почти в любом офисе. Например, прилепить с нижней стороны стола. Так как заряд батарейки таких систем ограничено, некоторые жучки-радиопередатчики способны подключаться к электрической сети (тогда эти устройства прячут в электроприборах - чайниках и светильниках и т.д.). Помимо этого, доступны стационарные микрофоны. Существенным минусом такого устройства является то, что он передает данные через провод. Для установки проводных микрофонов требуется время. Для прослушки телефонных разговоров жучки в основном помещают в сам телефон, или их подключают прямо к линии телефона. Для поиска и нейтрализации используются антижучки, улавливающие сигналы, испускаемые обычными жучками. Для телефонной линии разработаны специализированные устройства, которые оберегают ее от жучков прослушки.

Микрофоны, как известно, преобразуют энергию звукового сигнала в электрический сигнал. В совокупности со специальными усилителями и фильтрующими элементами они могут быть использованы в качестве устройств, позволяющих получать необходимую информацию. Эти подсоединяемые к усилителю микрофоны могут иметь самую разнообразную конструкцию, соответствующую «акустическим щелям», обнаруженным в интересующем помещении. Тяжелый динамический капсюль, например, можно опустить в вентиляционную трубу с крыши, а плоский кристаллический микрофон - подвести под дверь снизу. Подобной лазейкой могут быть и электрические розетки, которые в смежных комнатах часто бывают спаренными. Через защитную коробку с одной из них открывается доступ к другой, а через нее - ив близлежащее соседнее помещение. Может быть создана скрытая проводная линия связи, обнаружить которую можно лишь физическим поиском, либо проводя контрольные измерения сигналов во всех проводах, имеющихся в помещении. Естественно, что методы радио-контроля, эффективные для поиска радиопередатчиков, в данном случае не имеют смысла.

Основная часть

Теоретические сведенья.

Микрофоны, как известно, преобразуют энергию звукового сигнала в электрический сигнал. В совокупности со специальными усилителями и фильтрующими элементами они могут быть использованы в качестве устройств, позволяющих получать необходимую информацию.

Конструирование чувствительных усилителей для прослушивания речи имеет свои особенности:

. Наибольшее влияние на качество воспроизведения звуков и разборчивость речи оказывает амплитудно-частотная характеристика (АЧХ) усилителя и уровень шумов. Если не принимать специальных мер по коррекции, то наиболее информативный участок звукового диапазона 1-3 кГц может, практически не прослушивается. Это связанно во первых с типом применяемого микрофона, его АЧХ, во вторых с особенностями аудиограммы человеческого уха.

. Усилитель прослушивания должен иметь достаточное акустическое усиление, по крайней мере, не ниже 80-90 дБ.

. При использовании встроенных источников питания, необходима максимальная экономичность. Современная микроэлементная база позволяет создавать качественные усилители на базе специализированных микросхем. Однако, схемы на дискретных элементах - транзисторах имеет свои преимущества. Они позволяют достичь большей стабильности при более высоком коэффициенте усиления и при настройки добиться качественной работы каждого отдельного каскада. Внутренние шумы усилителя прослушивания могут быть снижены с применением во входных каскадах малошумящих транзисторов. Коэффициент шума первого каскада может оказать воздействие на получение информации.

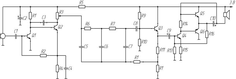
Рис. 1 - Схема чувствительного микрофона с усилителем мощности на малошумящих транзисторах

Описание основных элементов схемы.

Сигнал с микрофона типа «Сосна» через конденсатор С1 поступает на базу транзистора Q1. Поскольку чувствительность усилителя звуковой частоты ограничена внутренними шумами транзисторов, то для уменьшения шумов в первых каскадах усилителя использованы малошумяще транзисторы типа КТ3102 (BC546BP).

Усилительные каскады на транзисторах Q1 и Q2 охвачены глубокой отрицательной обратной связью, которая позволяет обеспечить устойчивую работу каскадов и более линейную АЧХ. Нагрузкой второго каскада усилителя является переменный резистор R3, он же является и регулятором громкости. Сложный RC-фильтр, состоящий из элементов R3, С5, R6, С6, R7, С7, отсекает «шумовые» ВЧ-составляющие, принимаемые микрофоном, и оставляет только сигналы в полосе частот до 4 кГц. Этот диапазон обеспечивает наибольшую разборчивость речевой информации.

С выхода фильтра сигнал поступает на оконечный усилитель звуковой частоты (УЗУ), выполненный на транзисторах Q4, Q5 типа КТ315 (BC847B) и транзисторе Q6 типа BC557A. Нагрузкой усилителя служит головной телефон типа ТМ-2А или ТЭМ. Резисторы в схеме используются типа МЛТ-0,125. Резистор R3 - СПЗ-41 или другой небольших габаритов.

Настройка устройства сводится к подбору сопротивлений резисторов R1 и R16.

Рис. 2 - Моделирование чувствительного микрофона с усилителем мощности на малошумящих транзисторах в программном продукте NI Multisim 11.0

Для проверки схемы подсоединим на выход данного устройства осциллограф:

микрофон транзистор усилитель

Рис. 3

И проверим наличие питающего напряжения (3 В)

Рис. 4

Далее на вход подключим генератор синусоидального сигнала и проверим схему:

Рис. 5

На выходе будем иметь:

Рис. 6

Заключение

В данном курсовом проекте рассматривалось техническое устройство для скрытого прослушивания помещений, что актуально в настоящее время. Чувствительный микрофон с усилителем мощности на малошумящих транзисторах имеет маленькие габариты, что позволяет его скрыть в помещении, в котором необходимо прослушать информацию. Данный микрофон способен усилить колебания звуковой частоты до 85 дб, а максимальный уровень выходного сигнала составляет 125 дб.

С помощью программного продукта NI Multisim 11.0 мной было собранно данное устройство и рассмотрены его характеристики. В ходе выполнения курсового проекта в данном устройстве были заменены отечественные транзисторы (тип КТ) на их зарубежные аналоги (тип ВС), ввиду отсутствия первых в программе. Данная замена не повлияла на работу устройства. Конструкторским плюсом данного устройства, является не большое питающее напряжение, оно составляет 3 вольта, что значительно уменьшает габариты данного устройства, по сравнению с подобными аналогами, для которых необходимо 9 вольт питающего напряжения. При более точной настройке схемы реостатом, можно добиться максимального усиления входного сигнала.

Для проверки работоспособности устройства использовался генератор однотонных сигналов (синусоидальный сигнал). Как было видно в последнем пункте основной части курсового проекта, данное устройство работает правильно. При более точной настройке схемы реостатом, можно добиться максимального усиления входного сигнала.

Список источников информации

1.  www.shema.org.ua

2.       www.hobby-live.ru

.        www.shemotehnik.ru

.        www.radiopartal.tut.su

Похожие работы на - Цинк

 

Не нашли материал для своей работы?
Поможем написать уникальную работу
Без плагиата!
Без нейросетей!