Cистема автоматического регулирования угловой скорости двигателя постоянного тока независимого возбуждения
Введение
угловая скорость
simulink моделирование matlab
В современном промышленном и
сельскохозяйственном производстве. На транспорте, в строительстве и
коммунальном хозяйстве, в быту применяются самые разнообразные технологические
процессы, для реализации которых человеком созданы тысячи различных машин и
механизмов. С помощью этих рабочих машин и механизмов осуществляется добыча
полезных ископаемых, обрабатываются различные материалы и изделия, перемещаются
люди, предметы труда, жидкости, газ и реализуются многие другие процессы,
необходимые для жизнеобеспечения человека. Так, добыча полезных ископаемых
ведется с помощью экскаваторов, буровых установок и мюльных комбайнов, детали и
материалы обрабатываются на разнообразных станках, люди и изделия перемещаются
транспортными средствами, лифтами и эскалаторами, жидкости и тазы
транспортируются с помощью насосов и вентиляторов.
Рабочая машина или производственный механизм
состоят из множества взаимосвязанных деталей и узлов, один из которых
непосредственно выполняет заданный технологический процесс или операцию и
поэтому называется исполнительным органом (ИО). В лифтах - это кабина, в
экскаваторах - ковш, у вентиляторов и насосов рабочее колесо (крыльчатка).
Отметим при этом одно очень важное обстоятельство - все названные
технологические процессы осуществляются за счет механическою движения ИО
рабочих машин и механизмов.
Характерным для многих рабочих машин является
наличие не одного, а двух или даже нескольких взаимодействующих ИО. Например,
при обработке на токарном станке деталь вращается вокруг своей оси, при этом
резец, перемещаясь вдоль детали, снимает с нее слой металла - стружку. В этом
случае вращение детали осуществляет шпиндель станка (первый исполнительный
орган), а поступательно перемещает резец механизм подачи станка (второй
исполнительный орган).
Во многих технологических процессах требуется
управлять движением ИО регулировать скорость движения и ее направление, точно
осуществлять остановку в заданной позиции, ограничивать ускорение движения.
Такие системы управления немыслимы без автоматизации, причем применение
автоматических устройств самое различное - от простейших автоматов,
используемых в отдельных узлах аппаратуры связи, до автоматизированных
комплексов связи. Вот почему для анализа и синтеза систем связи, глубокого
понимания принципов их построения и функционирования необходимо изучение и
использование теории систем управления.
Различают автоматические (САУ) и
автоматизированные системы управления (АСУ). В САУ человек непосредственного
участия в процессе управления не принимает. В АСУ предполагается
непосредственное участие людей в процессах управления. Отличие АСУ от
традиционной системы управления заключается в том, что часть управленческих
работ (сбор, анализ и преобразование информации) выполняется с помощью ЭВМ.
Основные сведения
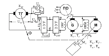
Исходная схема системы и принцип работы САР.
Рис. 1 - Принципиальная схема системы
стабилизации угловой скорости ДПТ
Принцип работы исходной схемы.
Система стабилизации угловой скорости ДПТ
является одноконтурной САР, работающей по отклонению регулируемой величины.
Регулируемым параметром является скорость ДПТ ωД.
Задающим воздействием является напряжение Uн. Задающее напряжение регулируется
резистором Rз. Принцип работы заключается в использовании дифференциальной
схемы включения тахогенератора совместно с регулирующим резистором Rз и каскада
из двух электронных усилителей.
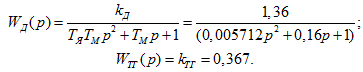
Математическое описание САР
Структурная схема системы стабилизации и
передаточные функции её элементов.
Рис. 2 - Структурная схема системы стабилизации
Дифференциальные уравнения элементов системы:
. ЭУ - электронный усилитель
.
. Г - генератор
.
. М - двигатель постоянного тока
.
. ТГ - тахогенератор
.
Передаточные функции звеньев:
Таблица 1 - Исходные данные системы
|
№
Варианта
|
Т1,
с
|
Тм,
с
|
Тя,
с
|
K1,
В/в
|
KД,
Рад/Вс
|
Kf,
Рад/ сим
|
KТГ,
Вс/рад
|
KЭУ,
В/В
|
Мсном,
Н·м
|
Δωдном,
рад/с
|
Δωдст,
рад/с
|
|
6
|
0,214
|
0,16
|
0,0357
|
0,50
|
1,36
|
6,65
|
0,367
|
10
|
9,0
|
300
|
4,00
|
|
Постоянная
времени генератора
|
Электромеханическая
постоянная времени двигателя
|
Электромагнитная
постоянная времени двигателя
|
Передаточный
коэффициент генератора
|
П.К.
Двигателя по управляющему воздействию
|
П.К.
Двигателя по возмущающему воздействию
|
Передаточный
коэффициент тахогенератора
|
Передаточный
коэффициент электронного дви
|
Номинальный
момент сопротивления
|
Номинальная
угловая скорость
|
Требуемая
статическая ошибка системы
|
Исследование САР без корректирующего
звена
Критерий устойчивости Гурвица
Составим характеристическое
уравнение:
Определитель Гурвица:
Вывод: система устойчива, так как не
имеет отрицательных миноров.
Критерий устойчивости Михайлова
Производим замену
Составляем таблицу:
|
ω
|
|
|
ω
|
|
|
|
0
|
3,4956
|
0
|
11
|
-1,3444
|
2,5168
|
|
1
|
3,4556
|
0,3728
|
12
|
-2,2644
|
2,4144
|
|
2
|
3,3356
|
0,7384
|
13
|
-3,2644
|
2,2256
|
|
3
|
3,1356
|
1,0896
|
14
|
-4,3444
|
1,9432
|
|
4
|
2,8556
|
1,4192
|
15
|
-5,5044
|
1,56
|
|
5
|
2,4956
|
1,72
|
16
|
-6,7444
|
1,0688
|
|
6
|
2,0556
|
1,9848
|
17
|
-8,0644
|
0,4624
|
|
7
|
1,5356
|
2,2064
|
18
|
-9,4644
|
-0,2664
|
|
8
|
0,9356
|
2,3776
|
19
|
-10,9444
|
-1,1248
|
|
9
|
0,2556
|
2,4912
|
20
|
-12,5044
|
-2,12
|
|
10
|
-0,5044
|
2,54
|
21
|
-14,1444
|
-3,2592
|
Вывод: Система устойчива, так как годограф
огибает против часовой стрелки начало координат и проходит через 3 квадранта.
Рис. 3
Критерий устойчивости Найквиста
Составим таблицу значений:
|
ω
|
|
|
|
|
|
|
A(ω)
|
φ(ω)
|
|
0,000
|
2,496
|
1,000
|
1,000
|
0,000
|
0,000
|
0,000
|
2,496
|
0,000
|
|
0,500
|
2,481
|
0,999
|
1,000
|
-6,107
|
-3,040
|
-1,541
|
2,477
|
-10,688
|
|
1,000
|
2,440
|
0,994
|
0,999
|
-12,079
|
-6,062
|
-3,080
|
2,423
|
-21,221
|
|
4,000
|
1,896
|
0,920
|
0,978
|
-40,564
|
-23,016
|
-12,145
|
1,706
|
-75,724
|
|
7,000
|
1,386
|
0,802
|
0,936
|
-56,275
|
-36,627
|
-20,636
|
1,040
|
-113,538
|
|
10,000
|
1,056
|
0,685
|
0,880
|
-64,954
|
-46,722
|
-28,280
|
0,637
|
-139,956
|
|
13,000
|
0,844
|
0,586
|
0,819
|
-70,229
|
-54,083
|
-34,969
|
0,405
|
-159,281
|
|
16,000
|
0,700
|
0,507
|
0,758
|
-73,719
|
-59,523
|
-40,722
|
0,269
|
-173,964
|
|
19,000
|
0,596
|
0,444
|
0,699
|
-76,183
|
-63,637
|
-45,629
|
0,185
|
-185,449
|
|
22,000
|
0,518
|
0,393
|
0,645
|
-78,008
|
-66,829
|
-49,806
|
0,131
|
-194,643
|
|
25,000
|
0,459
|
0,352
|
0,596
|
-79,413
|
-69,361
|
-53,369
|
0,096
|
-202,143
|
|
28,000
|
0,411
|
0,318
|
0,553
|
-80,525
|
-71,413
|
-56,422
|
0,072
|
-208,360
|
|
31,000
|
0,372
|
0,290
|
0,514
|
-81,428
|
-73,104
|
-59,053
|
0,056
|
-213,585
|
|
34,000
|
0,340
|
0,267
|
0,479
|
-82,174
|
-74,520
|
-61,335
|
0,043
|
-218,030
|
|
37,000
|
0,313
|
0,246
|
0,449
|
-82,802
|
-75,722
|
-63,327
|
0,035
|
-221,851
|
|
40,000
|
0,290
|
0,229
|
0,421
|
-83,337
|
-76,753
|
-65,076
|
0,028
|
-225,167
|
|
43,000
|
0,270
|
0,214
|
0,396
|
-83,798
|
-77,648
|
-66,623
|
0,023
|
-228,069
|
|
46,000
|
0,252
|
0,200
|
0,374
|
-84,200
|
-78,431
|
-67,998
|
0,019
|
-230,629
|
Вывод: система устойчивая, так как АФЧХ
разомкнутой системы не охватывает точку с координатами (-1;0).
Рис. 4
Рис. 5
Логарифмический критерий
устойчивости
|
Передаточная
функция
|
Lg( )
20lg kLg( )
|
|
|
|
0,669597,94351,066765
|
|
|
|
|
0,9738800,97388
|
|
|
|
|
1,2692201,26922
|
|
|
|
Вывод: система устойчива, т.к. ЛАХ разомкнутой
системы пересекает ось абсцисс раньше, чем ЛФХ, спадая окончательно, переходит
через значение -π. Но система
находится на границе устойчивости, т.к. запасы устойчивости по амплитуде и по
фазе
Рис. 6
Передаточная функция разомкнутой системы:
где
- коэффициенты передачи разомкнутой
системы
Статическая ошибка:
Вывод: в данную систему необходимо
ввести корректирующее звено, т.к.
>
.
Корректирующее звено
Рис. 7 - Пассивное корректирующее
звено
Параметры корректирующей цепи:

.
Передаточная функция корректирующего
звена:
;
Передаточная функция разомкнутой
системы с корректирующим звеном:
где
Находим такое значение k0, чтобы
статическая ошибка соответствовала разрешенной:
Исследование САР с корректирующим
звеном
Критерий устойчивости Гурвица
Составим характеристическое
уравнение:
Определитель Гурвица:
Вывод: система устойчива, так как не
имеет отрицательных миноров.
Критерий устойчивости Михайлова
Производим замену
Составляем таблицу:
|
ω
|
|
|
ω
|
|
|
|
0
|
1
|
0
|
11
|
-51,3809
|
-866,393
|
|
0,5
|
0,82838125
|
3,1225
|
12
|
-54,3824
|
-1139,46
|
|
1
|
0,3151
|
5,717
|
13
|
-55,1249
|
-1463,22
|
|
2
|
-1,7144
|
7,21
|
14
|
-52,9784
|
-1841,88
|
|
3
|
-5,0129
|
0,255
|
15
|
-47,2625
|
-2279,69
|
|
4
|
-9,4544
|
-19,372
|
16
|
-37,2464
|
-2780,85
|
|
5
|
-14,8625
|
-55,895
|
17
|
-22,1489
|
-3349,6
|
|
6
|
-21,0104
|
-113,538
|
18
|
-1,1384
|
-3990,15
|
|
7
|
-27,6209
|
-196,525
|
19
|
26,6671
|
-4706,74
|
|
8
|
-34,3664
|
-309,08
|
20
|
62,2
|
-5503,58
|
|
9
|
-40,8689
|
-455,427
|
21
|
106,4431
|
-6384,9
|
|
10
|
-46,7
|
-639,79
|
22
|
160,4296
|
-7354,93
|
Вывод: Система устойчива, так как годограф
огибает против часовой стрелки начало координат и проходит через 4 квадранта.
Рис. 8
Критерий устойчивости Найквиста
Составим таблицу значений:
|
ω
|
|
|
|
|
|
|
|
|
|
|
A(ω)
|
φ(ω)
|
|
0
|
2,496
|
1,000
|
1,000
|
1,000
|
0,000
|
0,000
|
0,000
|
0,000
|
0,000
|
0,000
|
0,000
|
0,000
|
|
1
|
1,887
|
0,994
|
0,999
|
1,000
|
0,658
|
40,860
|
-40,860
|
-6,107
|
-3,040
|
-1,541
|
1,232
|
-10,688
|
|
1
|
1,249
|
0,978
|
0,994
|
0,999
|
1,315
|
59,971
|
-59,971
|
-12,079
|
-6,062
|
-3,080
|
1,595
|
-21,221
|
|
3
|
0,472
|
0,841
|
0,953
|
0,987
|
3,946
|
79,094
|
-79,094
|
-32,700
|
-17,672
|
-9,168
|
1,475
|
-59,541
|
|
5
|
0,287
|
0,683
|
0,883
|
0,966
|
6,576
|
83,405
|
-83,405
|
-46,937
|
-27,968
|
-15,056
|
1,097
|
-89,961
|
|
7
|
0,205
|
0,555
|
0,802
|
0,936
|
9,207
|
85,279
|
-85,279
|
-56,275
|
-36,627
|
-20,636
|
0,788
|
-113,538
|
|
9
|
0,160
|
0,461
|
0,723
|
0,900
|
11,838
|
86,325
|
-86,325
|
-62,561
|
-43,705
|
-25,836
|
0,567
|
-132,103
|
|
11
|
0,131
|
0,391
|
0,650
|
0,860
|
14,468
|
86,992
|
-86,992
|
-66,984
|
-49,436
|
-30,617
|
0,414
|
-147,037
|
|
13
|
0,111
|
0,338
|
0,586
|
0,819
|
17,099
|
87,454
|
-87,454
|
-70,229
|
-54,083
|
-34,969
|
0,308
|
-159,281
|
|
15
|
0,096
|
0,297
|
0,531
|
0,778
|
19,729
|
87,793
|
-87,793
|
-72,697
|
-57,882
|
-38,904
|
0,233
|
-169,482
|
|
17
|
0,085
|
0,265
|
0,484
|
0,738
|
22,360
|
88,053
|
-88,053
|
-74,630
|
-61,018
|
-42,446
|
0,179
|
-178,095
|
|
19
|
0,076
|
0,239
|
0,444
|
0,699
|
24,991
|
88,257
|
-88,257
|
-76,183
|
-63,637
|
-45,629
|
0,140
|
-185,449
|
|
21
|
0,069
|
0,217
|
0,409
|
0,662
|
27,621
|
88,423
|
-88,423
|
-77,455
|
-65,849
|
-48,488
|
0,112
|
-191,792
|
|
23
|
0,063
|
0,199
|
0,379
|
0,628
|
30,252
|
88,560
|
-88,560
|
-78,516
|
-67,736
|
-51,057
|
0,090
|
-197,308
|
|
25
|
0,058
|
0,184
|
0,352
|
0,596
|
32,882
|
88,675
|
-88,675
|
-79,413
|
-69,361
|
-53,369
|
0,073
|
-202,143
|
|
27
|
0,053
|
0,171
|
0,329
|
0,567
|
35,513
|
88,774
|
-80,181
|
-70,774
|
-55,456
|
0,060
|
-206,411
|
|
29
|
0,050
|
0,159
|
0,309
|
0,539
|
38,144
|
88,858
|
-88,858
|
-80,846
|
-72,012
|
-57,342
|
0,050
|
-210,200
|
|
31
|
0,047
|
0,149
|
0,290
|
0,514
|
40,774
|
88,932
|
-88,932
|
-81,428
|
-73,104
|
-59,053
|
0,042
|
-213,585
|
|
33
|
0,044
|
0,140
|
0,274
|
0,490
|
43,405
|
88,996
|
-88,996
|
-81,940
|
-74,074
|
-60,609
|
0,036
|
-216,624
|
|
35
|
0,041
|
0,132
|
0,260
|
0,469
|
46,035
|
89,054
|
-89,054
|
-82,395
|
-74,942
|
-62,029
|
0,031
|
-219,366
|
|
37
|
0,039
|
0,125
|
0,246
|
0,449
|
48,666
|
89,105
|
-89,105
|
-82,802
|
-75,722
|
-63,327
|
0,026
|
-221,851
|
|
39
|
0,037
|
0,119
|
0,234
|
0,430
|
51,296
|
89,151
|
-89,151
|
-83,168
|
-76,426
|
-64,518
|
0,023
|
-224,111
|
|
41
|
0,035
|
0,113
|
0,224
|
0,413
|
53,927
|
89,192
|
-89,192
|
-83,498
|
-77,066
|
-65,613
|
0,020
|
-226,176
|
|
43
|
0,034
|
0,108
|
0,214
|
0,396
|
56,558
|
89,230
|
-89,230
|
-83,798
|
-77,648
|
-66,623
|
0,017
|
-228,069
|
|
45
|
0,032
|
0,103
|
0,205
|
0,381
|
59,188
|
89,264
|
-89,264
|
-84,072
|
-78,181
|
-67,557
|
0,015
|
-229,810
|
|
47
|
0,031
|
0,099
|
0,196
|
0,367
|
61,819
|
89,295
|
-89,295
|
-84,322
|
-78,671
|
-68,422
|
0,014
|
-231,416
|
|
49
|
0,029
|
0,095
|
0,189
|
0,354
|
64,449
|
89,324
|
-89,324
|
-84,552
|
-79,122
|
-69,227
|
0,012
|
-232,901
|
|
…
|
…
|
…
|
…
|
…
|
…
|
…
|
…
|
…
|
…
|
…
|
…
|
…
|
Вывод: система устойчивая, так как АФЧХ
разомкнутой системы не охватывает точку с координатами (-1;0).
Рис. 9
Логарифмический критерий
устойчивости
|
Передаточная
функция
|
Lg( )20lg
kLg( )
|
|
|
|
-0,238--0,238
|
|
|
|
|
-0,2387,9435-0,1592
|
|
|
|
|
0,6695900,66959
|
|
|
|
|
0,9738800,97388
|
|
|
|
|
1,2692201,26922
|
|
|
|
Вывод: система устойчива, т.к. ЛАХ разомкнутой
системы пересекает ось абсцисс раньше, чем ЛФХ, спадая окончательно, переходит
через значение -π.
Рис. 10
Рис. 11
Исследование САР в среде Simulink
Построение графика переходного процесса (без
корректирующего звена)
Проведём обратное преобразование
Лапласса:
Полученное дифференциальное
уравнение решаем с помощью MatLab Simulink:
Рис. 12
График переходного процесса
Рис. 13
Построение графика переходного
процесса (с корректирующим звеном)
Проведём обратное преобразование
Лапласса:
Полученное дифференциальное
уравнение решаем с помощью MatLab Simulink:
Рис. 14
График переходного процесса
Рис. 15
Проверка расчетов с помощью
моделирования системы в среде MATLAB Simulink
Структурная схема САР в среде
Simulink (без корректирующего звена)
Рис. 16
График переходного процесса
Рис. 17
ЛАХ и ЛФХ
Рис. 18
АФЧХ
Рис. 19
Структурная схема САР в среде
Simulink (с корректирующим звеном)
Рис. 20
График переходного процесса
Рис. 21
ЛАХ и ЛФХ
Рис. 22
АФЧХ
Рис. 23
Вывод: введение корректирующего
звена увеличило запасы устойчивости по амплитуде и по фазе, а также уменьшило
величину перерегулирования. С введением корректирующего звена САУ стала более
устойчивой.
Заключение
В данной работе описана работа
системы автоматического регулирования угловой скорости двигателя постоянного
тока независимого возбуждения, выведены передаточные функции для данной
системы. Выполнена проверка системы на устойчивость по частотным критериям
Михайлова, Найквиста, логарифмическому критерию и алгебраическому критерию
Гурвица. Введение в САУ корректирующего звена, увеличило запасы устойчивости по
амплитуде и по фазе. С помощью Simulink была проверена система на устойчивость
и на качество переходного процесса, как и для исходной системы автоматического
управления, так и для скорректированной системы автоматического управления.
Список используемой литературы
1.
Щербаков В.С. Конспект лекций по ТАУ.
.
Щербаков В.С., Сухарев Р.Ю. «Методические указания по выполнению курсовых
работ» - 2011 г.
.
Александров Ю.В. «Основы автоматики и автоматизация производственных процессов
в дорожном строительстве». - 1974 г.
.
Герман-Галкин С.Г. «Компьютерное моделирование полупроводниковых систем MatLab
6.0».