Усилитель вертикального отклонения
Федеральное
агентство по образованию РФ
Рязанский
Государственный Радиотехнический Университет
Курсовой
проект
по
дисциплине «Схемотехника»
на тему: «Усилитель
вертикального отклонения»
Студента гр. 619
Малинин М.Б.
Преподаватель
Попов Д.И.
Рязань 2008
Содержание
Введение
. Эскизный расчет усилителя
. Разработка электрической
принципиальной схемы усилителя
.1 Расчет выходного каскада
.2 Расчет входного каскада
.3 Расчет регулировки
Заключение
Библиографический список
Приложение
Введение
По техническому заданию требуется рассчитать
усилитель вертикального отклонения осциллографа, нагрузкой которого являются
пластины вертикального отклонения электронно-лучевых трубок. При заданных
значениях емкости пластин, выходного напряжения, допустимых частотных
искажениях и верхней граничной частоте. Так же необходимо обеспечить
необходимую плавную и ступенчатую регулировки.
1. Эскизный расчет усилителя
Результатом эскизного расчета является схема
проектируемого усилителя в первом приближении.
Будем считать, что на делителе
частотных искажений нет, на выходном каскаде линейные искажения
, а на
входном
.
Входной аттенюатор - делитель
напряжения, предназначенный для дискретного изменения масштаба (коэффициента
отклонения) по вертикали на экране ЭЛТ. Основное требование к аттенюатору:
обеспечение заданного коэффициента деления входного напряжения с требуемой
точностью в полосе пропускания УВО.
Входной каскад является согласующим,
служит трансформатором сопротивления и должен обеспечивать высокое входное
сопротивление и малую входную емкость в любом положении аттенюатора, низкое
выходное сопротивление каскада, широкую собственную полосу пропускания.
Оконечный каскад УВО нагружен на
вертикально-отклоняющие пластины ЭЛТ. Его коэффициент усиления задают
максимально возможным для исключения режима большого сигнала предоконечного
каскада. Требования к ОК предъявляются противоречивые: он должен обеспечивать
широкую полосу и большую амплитуду импульсов на емкостной нагрузке.
2. Разработка электрической
принципиальной схемы усилителя
.1 Расчет выходного каскада
) Расчет напряжения источника питания выходного
каскада:
) Частотные искажения каскада:
) Полагая, что искажения входной и
выходной цепей каскадного ДУ одинаковы, определяем их величину:
4) По семейству обобщенных
характеристик для
найдем значение обобщенной частоты
, задавшись
коэффициентом коррекции
,
) Вычислим полную емкость
,
нагружающую выходной каскад. Принимаем емкость монтажа равной
и емкость
коллектора выходных транзисторов
.
) Сопротивление нагрузки каскада:
В стандартном ряду значений сопротивлений
и емкостей Е192 ближайшее значение сопротивление 419 Ом. Ниже будем
пользоваться этим же стандартным рядом.
Индуктивность корректирующей
катушки:
) Необходимый размах коллекторного
тока каждого плеча ДУ:
) Максимальный ток генератора
стабильного тока
) Требуемая граничная частота
выходных транзисторов каскадной схемы ДУ (VT11, VT12):
) По вычисленным значениям
и
выбираем
транзисторы (VT11, VT12):
Т635А (n-p-n) со следующими
параметрами:
) Требуемая граничная частота в
схеме с ОЭ (VT13, VT14):
С учетом необходимого максимального тока
коллектора

Т610 (n-p-n) со следующими
параметрами:
) При больших токах эмиттера его
сопротивление можно принять
равным
) Рассчитаем амплитуду базового тока
транзисторов с ОЭ:
14) Определим ток коллектора входных
транзисторов в схеме с ОК (VТ9, VТ10):
С учетом требуемой граничной частоты
выбираем транзисторы:
КТ325В (n-p-n) со следующими
параметрами:
) Выходное сопротивление каскадов с
ОК:
) Вычислим крутизну транзисторов с
ОЭ:
) Коэффициент усиления плеча ДУ:
18) Входная емкость плеча каскадной
схемы:
) Сопротивление эквивалентного
генератора входной цепи каскадной схемы:
) Определим граничную частоту
крутизны
плеча
каскадной схемы ДУ:
) Рассчитаем необходимую величину
резистора ОС
, при
которой значение
:
Стандартное ближайшее значение в
ряду
22) Коэффициент усиления плеча с учетом ОС:
23) Определим входное сопротивление
плеча каскадной схемы ДУ:
) Находим входное сопротивление
каждого плеча рассчитываемого каскада:
) Входная емкость плеча каскада:
) Расчет каскада по постоянному
току:
а) Задаемся величиной потенциала
базы выходных транзисторов
, тогда потенциал коллекторов
транзисторов с ОЭ равен
б) Выбираем напряжение низковольтных
источников
в) Потенциал базы
задаем с
помощью стабилитрона КС156 с напряжением стабилизации
и
минимальным током стабилизации
. Номинал резистора
будет равен:
Стандартное ближайшее значение в
ряду
г) Определим необходимое напряжение
высоковольтного источника
д) Ток коллектора в рабочей точке
каждого плеча каскадного ДУ:
Напряжение коллектор-эмиттер:
е) Расчет генератора стабильного
тока
Возьмем транзистор 2Т610 (VT15, VT16)
Зададим ток и напряжение через R30: I2=1 мА,
U2=3Uбэ=1.8 В, Io/2=150 мА.
=U2/I2=1.8 кОм=(I2*R2)/(Io/2)=24
Ом=(Eп-U2-Uбэ)/I2=3.6 кОм
Построим зависимость
выходных
транзисторов и проведем на ней нагрузочную прямую:
ж) Определим мощность, рассеиваемую
на коллекторе каждого выходного транзистора:

2.2 Расчет входного каскада
Расчет входного каскада будем производить
аналогично выходному, за исключением того, что на входе мы будем использовать
полевые транзисторы
) Расчет напряжения источника питания выходного
каскада:
Источник мы оставляем тот же что и в пункте 1.1
) Частотные искажения каскада:
) Полагая, что искажения входной и
выходной цепей каскадного ДУ одинаковы, определяем их величину:
) По семейству обобщенных
характеристик для
найдем значение обобщенной частоты
, задавшись
коэффициентом коррекции
,
) Вычислим полную емкость
,
нагружающую выходной каскад.
Данной емкостью будет являться
входная емкость выходного каскада
) Сопротивление нагрузки каскада
(R17, R19):
Стандартное ближайшее сопротивление
419 Ом.
Индуктивность корректирующей
катушки:
) Необходимый размах коллекторного
тока каждого плеча ДУ:
Выходным напряжением будет входное
на выходном каскаде
) Максимальный ток генератора
стабильного тока
) Требуемая граничная частота
выходных транзисторов каскадной схемы ДУ (VT7, VT8):
) По вычисленным значениям
и
выбираем
транзисторы (VT7, VT8):
КТ3146Д-9 (p-n-p) со следующими
параметрами:
) Требуемая граничная частота в
схеме с ОЭ (VT3, VT4):
С учетом необходимого максимального тока
коллектора
Выбираем транзисторы:
КТ354Б-2 (n-p-n) со следующими
параметрами:
) Выбираем входные полевые
транзисторы (VT1, VT2):
КП307Г (с p-n переходом и каналом
n-типа) со следующими параметрами:
) Расчет входного каскада на полевых
транзисторах:
Задаем ток стока
, при этом
напряжение затвор-исток должно быть равно
Крутизна в рабочей точке:
Определение токозадающего резистора:
Стандартное ближайшее сопротивление
910 Ом.
) Расчет коэффициента усиления
истокового повторителя:

) Выходное сопротивление каскадов с
ОК:
) Вычислим крутизну транзисторов с
ОЭ:
) Коэффициент усиления плеча ДУ:
18) Входная емкость плеча каскадной
схемы:
) Сопротивление эквивалентного
генератора входной цепи каскадной схемы:
) Определим граничную частоту
крутизны
плеча
каскадной схемы ДУ:
) Рассчитаем необходимую величину
резистора ОС
, при
которой значение
:
Стандартное ближайшее значение в
ряду
В рассчитываемой схеме стоит
) Коэффициент усиления плеча с
учетом ОС:
23) Полный Коэффициент усиления:
) Расчет каскада по постоянному
току:
а) Задаемся величиной потенциала
базы выходных транзисторов
, тогда потенциал коллекторов
транзисторов с ОЭ равен
б) Выбираем напряжение низковольтных
источников
в) Потенциал базы
задаем с
помощью стабилитрона КС156 с напряжением стабилизации
и
минимальным током стабилизации
. Номинал резистора
будет равен:
Стандартное ближайшее значение в
ряду
г)
Стандартное ближайшее значение в
ряду
д) Расчет генератора стабильного
тока
Возьмем транзисторы 2Т610 (VT5, VT6)
Зададим ток и напряжение через R16,33: I2=1 мА,
U2=3Uбэ=1.8 В, Io/2=3 мА.
,33=U2/I2=1.8 кОм,32=(I2*R2)/(Io/2)=300
Ом,34=(Eп-U2-Uбэ)/I2=3.6 кОм
2.3 Расчет регулировки
усилитель осциллограф каскад
транзистор
Смещение линии развертки по
вертикали на экране ЭЛТ в схеме производиться за счет изменения номинала
резистора
. Если
амплитуда постоянного напряжения, подаваемого на пластины вертикального
отклонения для перемещения линии развертки равна
,а коэффициент усиления
вертикального отклонения равен
, то величина этого резистора равна
1) Расчет плавной регулировки
Плавная регулировка усиления в схеме
обеспечивается за счет изменения глубины ООС с помощью резистора
. Эта
регулировка обеспечивает хорошую равномерность изменения усиления при
регулировке
, а в нашем
случае
.
Максимальное значение определяется
заданной глубиной регулировки усиления:
Стандартное ближайшее значение в
ряду
Для плавной регулировки этот переменный резистор
должен выбираться непроволочным с логарифмическим законом распределения
сопротивления.
2) Расчет ступенчатой регулировки
Предполагается, что емкость монтажа
и делителя
, а входная
емкость следующего каскада с учетом емкости монтажа
.
Входное сопротивление регулятора
.
Сопротивление резистора
А)Для ступени 60 дБ:
Стандартное ближайшее значение в
ряду
Рассчитываем корректирующие триммеры
и
,
подсоединяем параллельно
подстроечный
конденсатор
, с учетом
монтажной емкости получим
. Частотные
искажения регулятора будут скомпенсированы, если емкость, шунтирующая
, будет
равна:
Учитывая входную емкость следующего
каскада:
Б) Для ступени 40 дБ:
Стандартное ближайшее значение в
ряду
Рассчитываем корректирующие триммеры
и
,
подсоединяем параллельно
подстроечный
конденсатор
, с учетом
монтажной емкости получим
. Частотные
искажения регулятора будут скомпенсированы, если емкость, шунтирующая
, будет
равна:
Учитывая входную емкость следующего
каскада:
В) Для ступени 20 дБ:

Рассчитываем корректирующие триммеры
и
,
подсоединяем параллельно
подстроечный
конденсатор
, с учетом
монтажной емкости получим
. Частотные
искажения регулятора будут скомпенсированы, если емкость, шунтирующая
, будет
равна:
Учитывая входную емкость следующего
каскада:
Заключение
В ходе данной курсовой работы в соответствии с
техническим заданием был спроектирован электронный усилитель вертикального
отклонения осциллографа.
Для выполнения требований технического задания
был проведен обзор научно-технической документации с целью подбора современных
подходящих компонентов. Предусмотрены подстроечные компоненты, при помощи
которых осуществляется настройка схемы.
Библиографический список
1.
Транзисторы. Справочник / О.П. Григорьев, В.Я.Замятин, Б.В. Кондратьев, С.Л.
Пожидаев - М.: Радио и связь, 1989. - 272 с.: ил. - (Массовая радиобиблиотека.
Вып. 1144).
.
Дифференциальные каскады широкополосного усиления / сост. Смирнов А.В. - Мет.
ук. №1832(РРТИ).
.
Регулировка усиления - Мет. ук. №1824.
Приложение
Спецификация - Перечень элементов
|
Обозначение
на схеме
|
Наименование
|
Кол
|
Примечание
|
|
Катушки
индуктивности
|
|
|
|
111 нГн2
|
|
|
|
|
3.12 мкГн2
|
|
|
|
|
Конденсаторы
|
|
|
|
КТ4-21
1/5пФ 3Подстроечный
|
|
|
|
|
КПВ-75
5/75пФ 1Подстроечный
|
|
|
|
|
|
КП1-4
20/1000 пФ1Подстроечный
|
|
|
|
|
|
1/10
нФ1Подстроечный
|
|
|
|
|
|
Резисторы
|
|
|
|
C2-33Н 7,5
Ом 2
|
|
|
|
|
C2-33 1
кОм 2
|
|
|
|
|
C2-23 1 Ом 1
|
|
|
|
|
C2-50 10
Ом 1
|
|
|
|
|
C2-50 915
Ом 3
|
|
|
|
|
C2-23 7,5
кОм 2
|
|
|
|
|
C2-23 4,3
Ом 1
|
|
|
|
|
0.1/5.1
Ом1Подстроечный
|
|
|
|
|
C2-33 300
Ом 2
|
|
|
|
|
C2-33 1,1
кОм 2
|
|
|
|
|
C2-33 82
Ом 2
|
|
|
|
|
C2-33 1,8
кОм 5
|
|
|
|
|
C2-33 300
Ом 2
|
|
|
|
|
|
C2-33 1,14
Ом 2
|
|
|
|
|
|
C2-33 24
Ом 1
|
|
|
|
|
|
C2-33 3.6
кОм 3
|
|
|
|
|
|
Стабилитроны
|
|
|
|
VD1,
VD2
|
КС156
|
2
|
|
|
Транзисторы
|
|
|
|
VT1,
VT2
|
КП307Г
|
2
|
Полевые
|
|
VT3,
VT4
|
КТ354Б
|
2
|
|
|
VT5,
VT6, VT13- VT8
|
2Т610
|
8
|
|
|
VT7,
VT8
|
КТ3146Д-9
|
2
|
p-n-p
|
|
VT9,
VT10
|
КТ325В
|
2
|
|
|
VT11,
VT12
|
2Т635А
|
2
|
|
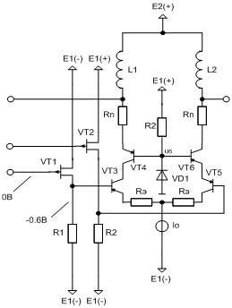
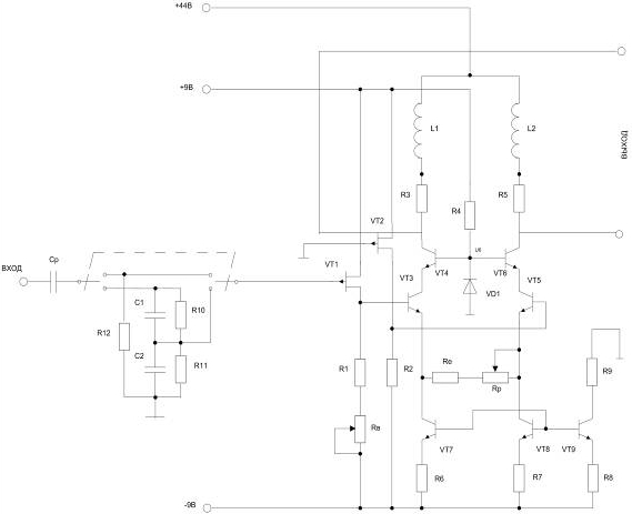
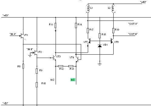
Принципиальная схема усилителя
вертикального отклонения