Схема магнитного контроллера К
МИНИСТЕРСТВО
ОБРАЗОВАНИЯ РЕСПУБЛИКИ БЕЛАРУСЬ
БЕЛОРУССКИЙ
НАЦИОНАЛЬНЫЙ ТЕХНИЧЕСКИЙ УНИВЕРСИТЕТ
Кафедра:
“Электропривода и автоматизации промышленных установок и технологических
комплексов”
КУРСОВАЯ РАБОТА
по дисциплине: “АВТОМАТИЗАЦИЯ ТИПОВЫХ ТЕХНОЛОГИЧЕСКИХ
УСТАНОВОК И КОМПЛЕКСОВ”
на тему: “СХЕМА МАГНИТНОГО КОНТРОЛЛЕРА К”
МИНСК 2006
ВВЕДЕНИЕ
Целью данной курсовой работы является
преобразование релейно-контактной схемы управления механизмом подъема крана, с
использованием силового магнитного контроллера К. Преобразования требуется
произвести с сохранением условий работы схемы установки, силовых пускателей,
контакты которых коммутируют силовую схему и непосредственно самого силового
контроллера. Бесконтактная схема, в отличие от релейно-контактной
характеризуется следующими достоинствами:
бесконтактное оборудование более дешевое;
бесконтактное оборудование характеризуется более
высокой надежностью;
увеличивается срок службы установки и т.д.
Рассматриваемая схема взята из справочника [1].
1. ТЕХНОЛОГИЧЕСКАЯ ЧАСТЬ
При работе крана направления движения крана,
тележки и крюка постоянно чередуются. Работа механизма подъёма состоит из
периодов подъёма и опускания груза и периодов подъёма и опускания пустого
крюка. Для увеличения производительности крана используют совмещение операций,
например одновременное передвижение крана и тележки. Во время навешивания груза
на крюк и освобождения крюка двигатель отключён и механизм подъёма не работает.
По назначению разнообразные грузоподъемные
машины можно объединить в три группы:
универсальные грузоподъемные машины - краны,
лебедки, тали, служащие для подъема и перемещения различных грузов при помощи
крюкового подвеса на грузовом тросе;
грузоподъемные машины для выполнения
определенных технологических операций в промышленности, на транспорте и в
строительстве;
краны для выполнения строительных, монтажных и
ремонтных работ, связанных с перемещением машинного оборудования.
В свою очередь, по условиям работы
грузоподъемные машины могут быть условно разделены на следующие группы:
машины универсального назначения, используемые
для работы в помещениях при повторно-кратковременном режиме и средней
продолжительности работы до 16ч в сутки;
машины универсального назначения, используемые
для работы в помещениях при повторно-кратковременном режиме и средней
продолжительности работы от 8 до 24 ч в сутки;
машины для выполнения определенных
технологических операций, используемые как в помещениях, так и на открытом
воздухе при повторно-кратковременном режиме и продолжительностью работы до 24 ч
в сутки;
машины для выполнения разовых и эпизодических
грузоподъемных операций, используемые в кратковременных и в
повторно-кратковременных режимах с общим годовым числом часов работы не более
500.
Универсальные грузоподъемные машины
изготавливаются с учетом различных условий использования по нагрузке и времени
работы, интенсивности проведения операций, степени ответственности операций и в
связи с этим могут быть дополнительно отнесены к нескольким усредненным
категориям использования.
Механизмы для выполнения определенных
технологических операций, а также механизмы для эпизодической работы имеют
вполне определенные условия использования соответственно их назначению. С целью
систематизации всего многообразия режимов работы грузоподъемных машин
Госгортехнадзор установил следующие категории режимов работы механизмов с
машинным приводом: легкий-Л; средний-С; тяжелый-Т; весьма тяжелый-ВТ.
Ряд кранов, предназначенных для технологических
комплексов, в последнее время проектируется для использования при более сложных
режимах работы электропривода по сравнению с режимом ВТ, определяемым
действующей классификацией Госгортехнадзора. Этот режим характеризуется
продолжительностью включения до ПВ=100% при числе включений в час 600 и выше.
Для этих случаев вводится новая категория режима: особо тяжелый-ОТ. В настоящее
время существует стандарт, предусматривающий пять категорий режимов, включая
режим ОТ. С учетом этого в соответствующих разделах справочника приводятся
рекомендации по использованию электрооборудования для пяти категорий режимов,
включая режим ОТ.
Скорости перемещения грузов определяют
производительность и мощность механизмов и выбираются с учетом эффективности
выполнения грузоподъемных операций, т. е. получения необходимого времени операции
при наименьшей первоначальной стоимости механизмов крана. Выбор оптимальной
скорости является важной задачей, необходимое решение которой может быть
найдено только на основе учета факторов производительности, затрат энергии,
возможности и эффективности регулирования скорости, а также
технико-экономической оценки системы регулирования.
За последние годы были проведены исследования,
связанные с оптимизацией скоростных параметров быстроходных грузоподъемных
машин. В результате этих исследований установлено, что при повышении скоростей
до определенных пределов производительность машин растет вместе со скоростью,
однако при дальнейшем повышении скоростей может произойти снижение
производительности за счет увеличения времени разгона и торможения механизмов крана.
Определив эквивалентный к. п. д. механизма как отношение полезной работы по
перемещению груза за один цикл к общим затратам энергии на выполнение всех
операций цикла и обозначив его через hэкв, можно
установить зависимость :n=f(Nhэкв).
Анализ скоростных параметров показывает, что для
каждого вида механизмов (подъема, поворота и горизонтального перемещения)
имеются пределы скоростей, превосходить которые нецелесообразно.
Скорости грузоподъемных механизмов выбираются
исходя из следующих предпосылок:
номинальная скорость определяется условиями
технологического процесса, т. е. временем выполнения цикла;
номинальная скорость ограничивается мощностью
питающей сети или возможностью установки приводного двигателя определенных
размеров;
номинальная скорость является функцией диапазона
регулирования при заданной минимальной скорости механизма.
номинальная скорость должна обеспечить
наибольшую производительность при наименьших затратах энергии.
Для всех перечисленных случаев, кроме первого,
предельное значение скорости не должно превышать установленных значений, а для
четвертого случая это значение и является искомым. Для первого случая скорость
может иметь любое необходимое значение, но при этом следует иметь в виду, что
при превышении определенных значений скоростей время операции сокращаться не
будет, если не будут применены системы со специальными параметрами
регулирования.
При выборе номинальной скорости иногда решающее
значение имеют минимальные скорости, определяемые технологией переработки
разнообразных грузов. В настоящее время для большинства технологических
процессов переработки грузов получены оптимальные значения минимальных
скоростей для точной установки грузов. В специальных таблицах приведены данные
минимальных скоростей перемещения грузов для различных видов механизмов.
Пользуясь этими значениями, можно при заданной номинальной скорости установить
требуемые диапазоны регулирования скорости либо для известного и достижимого
диапазона регулирования выбрать номинальную скорость.
Выбор промежуточных фиксированных скоростей,
прежде всего, зависит от способностей человека воспринять разницу скоростей
соседних фиксированных положений и на основе восприятия этой разницы
осуществлять последующие операции управления. Практикой установлены значения
ступеней нарастания скоростей механизмов подъема. Регулирование скорости
механизмов горизонтального перемещения в промежутке между максимальной и
минимальной скоростями часто осуществляется путем изменения интенсивности
разгона или торможения с учетом необходимых ускорений.
Производительность и число включений в час
грузоподъемных машин неразрывно связаны со скоростными параметрами.
Производительность машин соответствует времени завершения операции по
переработке груза. Сокращение времени одной операции при определенной
траектории движения груза определяет повышение производительности машины.
Каждая машина может иметь фактический или условный цикл проведения
грузоподъемной операции.
При номинальной или расчетной грузоподъемности
производительность механизма, число циклов в час, может быть представлена в
виде:
= 3600/S(DLк/nср.k)+tпауз
где DLк - значение k-й
составляющей перемещения груза в пределах одного цикла, м; vср.k - средняя
скорость, м/с; tпауз - время пауз для захвата и освобождения груза, с.
Под полным циклом грузоподъемной операции
следует иметь в виду застроповку груза, выбирание слабины каната, подъем груза
и его перемещение в необходимую точку, спуск и установку груза, расстроповку я
обратное перемещение для начала новой операции. При этом механизмы грузоподъемного
устройства имеют минимально необходимое обязательное число включений. Однако по
разным причинам в течение цикла оператор производит еще ряд дополнительных
включений, связанных с несовершенством системы регулирования, колебаниями груза
на гибкой подвеске, недостаточным опытом управления и т.п. Количество таких
дополнительных включений может в 2-4 раза превысить число необходимых
включений.
Важной задачей разработки высокоэффективных
грузоподъемных машин является приближение фактического числа включений к
минимально необходимому. В настоящее время наиболее качественные системы
регулирования позволяют обеспечить выполнение операций со средним числом
включений лишь в 1,5 раза большим минимально необходимого, в то время как
наиболее массовые системы параметрического регулирования требуют до 20-30
включений на один цикл перемещения груза, что в 5-6 раз превышает минимально
необходимое число включений. Число включений в час у различных механизмов может
составлять от 40-60 при режиме Л; до 500-600 - для режима ВТ. При создании и
освоении производства систем управления, обеспечивающих устойчивые скорости с
широким диапазоном их изменения, происходит общая тенденция снижения числа
включений механизмов при одновременном повышении производительности
перегрузочных работ.
Ф500
б)
Рисунок 1.1 - Крюковые подвески различной
грузоподъемности: а-укороченная 50 т; б-нормальная 20 т; 1-кожух; 2-блок;
3-гайка; 4-подшипник упорный;5-щека;6-ось;7-крюк;8-траверса; 9-подшипник
Крюковые подвески бывают укороченные (рисунок
1.1 а) и нормальные (рисунок 1.1 б). У первых блоки установлены на оси, а крюк
смонтирован на траверсе, у вторых - на консолях траверсы, являющейся в этом
случае одновременно и осью блоков. Укороченные подвески позволяют в результате
уменьшения высоты подвески получить большую высоту подъема груза.
Для обеспечения натяжения канатов без груза
масса крюковой подвески составляет 2-5% ее грузоподъемности.
В качестве грузозахватного органа в подвесках
используют кованые однорогие (ГОСТ 6627-74) или двурогие (ГОСТ 6628-73) крюки,
грузоподъемность которых зависит от режима работы крана.
Магнитные контроллеры представляют собой сложные
комплектные коммутационные устройства для управления крановыми электродвигателями.
В магнитных контроллерах коммутация главных цепей осуществляется с помощью
контакторов с электромагнитным приводом. По схеме магнитные контроллеры
представляют собой комплектные устройства, обеспечивающие определённую
программу переключений в главных цепях при соответствующей подаче команд в цепи
управления.
Команды управления подаются командоконтроллерами
или кнопочными постами. Магнитные контроллеры предназначаются для пуска,
регулирования скорости, торможения и отключения электродвигателей
краново-металлургических серий (асинхронных с фазным или короткозамкнутым
ротором) и постоянного тока.
Магнитные контроллеры должны быть
рассчитаны на коммутацию наибольших допустимых значений тока включения, а
номинальный ток их
должен быть
равен или более расчётного тока электродвигателя при заданных условиях
эксплуатации и заданных режимах работы механизма, т. е.
где
коэффициент, учитывающий режим
работы механизма (число включений, продолжительность включения).
2. УСЛОВИЕ РАБОТЫ УСТАНОВКИ:
ДАТЧИКИ, РЕЖИМЫ РАБОТЫ, ТРЕБОВАНИЯ К ЗАЩИТЕ И СИГНАЛИЗАЦИИ, ВИДЫ УПРАВЛЕНИЯ
УСТАНОВКОЙ
На рисунке 2.1 показана
принципиальная типовая схема магнитного контроллера К.
Схема выполнена симметричной для
обоих направления движения, количество фиксированных положений в каждую сторону
равно четырем. Схема обеспечивает автоматический пуск, реверсирование,
торможение и ступенчатое регулирование скорости за счет изменения значении
сопротивлений резисторов в роторной цепи. Разгон в обоих направлениях
производится в четыре ступени (предусмотрены контакторы КM7, КM8, КM9, КM10).
Рисунок 2.1 - Принципиальная схема
магнитного контроллера К
Механические характеристики для
указанного исполнения магнитного контроллера приведены на рисунке 1.2. В
характеристиках за 100% момента принят номинальный момент двигателей MTF, MTH в
режиме ПВ=40%, за 100% скорости - синхронная скорость двигателя. Для
контроллеров К 63 на малые мощности двигателей характеристика 4а соответствует
последнему, фиксированному положению контроллера. Механические характеристики
рассчитаны из условий обеспечения необходимых параметров ускорения привода при
пуске и торможении в режиме противовключения. Для обеспечения нормального
пуска, в схеме магнитного контроллера предусматриваются невыключаемые ступени
резисторов в цепи ротора. При этом относительное значение сопротивлений этих
резисторов несколько больше в контроллерах с тремя ступенями разгона[1].
Рисунок 2.2 - Механические
характеристики магнитного контроллера
При движении с неподвижного
состояния на первом положении разгона осуществляется задержка на время
срабатывания реле противовключения КМ11. Дальнейший разгон осуществляется под
контролем реле ускорений KT1 и KT2. При этом реле KT1 обеспечивает переход на характеристики,
соответствующие третьему и четвертому положениям контроллера. Выдержки времени
реле при отпадании якоря, определяющие интенсивность ускорения, лежат в
пределах 0,4-2,5 с.
Схема допускает свободный выбег в
нулевом положении командоконтроллера или торможение с помощью электромагнитного
тормоза YA. Для остановки механизма при схеме со свободным выбегом необходимо
переключать командоконтроллер в противоположное направление движения, при этом
независимо от положения рукоятки командоконтроллер, а собирается схема первого
положения (отключается реле KM11) и происходить торможение в режиме
противовключения. Задержка на режиме противовключения осуществляется с помощью
реле KM11, которое срабатывает при скорости движения в тормозном режете,
близкой к нулю. После остановки механизма возможен разгон в противоположном
направлении. Таким образом, в процессе оперативного торможения механический
тормоз не участвует. Для осуществления торможения в режиме противовключения
катушка реле KM11 включается на разность выпрямленных напряжений: постоянного -
со стороны независимого источника и переменного - со стороны ротора.
Реле срабатывает, когда напряжение
со стороны независимого источника превысит на определенное значение напряжение
со стороны ротора, т.е. при скольжениях ротора от 1,0 до номинального при пуске
и при скольжении от 1,3 до 1,0 в режиме противовключения. Использование
торможения противовключением наряду со свободным выбегом позволяет осуществить
плавную остановку механизма без рывков, связанных с наложением механических
тормозов. Механический тормоз вступает в действие только при срабатывании
любого из видов защиты - максимальной, нулевой, конечной или при отключении
аварийной кнопки SB1.
Для получения схемы без свободного
выбега необходимо произвести следующие переключения: тормозной магнит YA
переменного тока присоединить непосредственно к выводам статора двигателя;
катушки контакторов тормоза KM2 и KM3 отключить, для чего снять перемычки,
контакты конечной защиты SQ1 и SQ2 шунтировать размыкающими контактами
контакторов направления KM4 и KM5.
При соответствующих переключениях в
схеме возможно использование вместо тормоза переменного тока - тормоза
постоянного тока. В этом случае для ускорения его включения предусмотрена
форсировка, осуществляемая с помощью контактора KM3 и реле KA2. Реле РТ
регулируется таким образом, что оно срабатывает при номинальном токе холодной
катушки электромагнита YA при ПВ=25%. Во всех схемах магнитных контроллеров К
контакторы направления KM4 и KM5 механически между собой сбалансированы, что
исключает их одновременное включение[1].
По заданию на курсовую работу ток в
цепи
.
Релейно-контакторная схема питается
от постоянного напряжения 110В.
Релейно-контактные принципиальные
электрические схемы управления содержат контакты и катушки электрических
аппаратов, обмотки электрических машин, магнитных усилителей и т.п. На схемах
можно выделить входные элементы А, В, С, D с контактами а, b, с, d, выходные
исполнительные элементы Z, Y, X с контактами z, у, х и промежуточные элементы
P1, P2, с контактами р1, p2. Через входные элементы в функциональную часть
схемы управления подаются входные сигналы. Выходные сигналы поступают в
исполнительные элементы непосредственно от выходных элементов или через
промежуточные аппараты. Входные, промежуточные и выходные сигналы обозначаются
так же, как контакты соответствующих элементов. Сигналы замыкающих контактов
обозначаются в структурных формулах буквами без черточек над ними, а
размыкающие - буквами с черточками.
Группировка и обозначение сигналов.
Входные сигналы:
а1 , а3 , а5 , а7 , а9 , а11 -
сигналы командоконтроллера SA1, SA3, SA5, SA7, SA9, SA11.- аварийное отключение
SB1.
с1,
с2 - путевые выключатели SQ1, SQ2.- сигнал реле максимального тока KA1.
Промежуточные
сигналы:
Р1
- реле противовключения KM11.
Р2
- реле ускорения KT1.
Р3
- реле ускорения KT2.
Р4
- реле нулевой защиты KM1.
Р5
- реле времени KA2.
Все
промежуточные сигналы с обратными связями.
Выходные
сигналы:- контактор назад KM5.- контактор вперед KM4.- контактор ускорения
KM8.- контактор ускорения KM9.- контактор ускорения KM10. - контактор тормоза
KM2.- контактор тормоза KM3.- линейный контакт KM6.- контактор противовключения
KM7.- катушка электромагнитного тормоза YA.
После
построения схемы на бесконтактных элементах должны остаться только входные и
выходные сигналы.
4.
СИНТЕЗ СТРУКТУРНЫХ ФОРМУЛ
Для
синтеза структурных формул будем использовать следующую методику.
В
результате анализа РКС и разделения ее на функциональные узлы производится
разделение всех действующих в схеме сигналов на входные, выходные,
промежуточные. Каждому сигналу присваивается буквенное обозначение. При
группировке сигналов каждому из них даются необходимые пояснения и для каждого
указывается соответствующие буквенные обозначения, принятые в РКС. Группировку
и обозначение сигналов по РКС рекомендуется производить в следующем порядке:
Выявить
и обозначить все входные сигналы, к которым относятся сигналы от кнопок
управления, концевых и промежуточных выключателей, датчиков контролирующих
процесс и т.д.
Произвести
сокращение числа входных сигналов путем объединения ряда простых сигналом одним
эквивалентным им сигналом.
Выявить
и сгруппировать выходные сигналы, управляющие исполнительными элементами.
Выделить
и сгруппировать все промежуточные сигналы появившееся в результате
промежуточных элементов схемы.
Производится
запись алгебраических выражений соответствующих цепям выходных и промежуточных
переменных РКС[2].
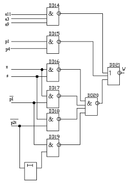
Рисунок
4.1 - Релейно-контакторная схема исходного магнитного контроллера с принятыми
обозначениями сигналов
Сигналы,
появляющиеся с выдержкой времени согласно релейно-контакторной схеме,
записываются в алгебраические выражения с индексом t.
Структурные
формулы для выходных сигналов:
;(4.1)
;(4.2)
;(4.3)
;(4.4)
;(4.5)
;(4.6)
;(4.7)
;(4.8)
;(4.9)
.(4.10)
Структурные
формулы для промежуточных сигналов:
;(4.11)
;(4.12)
;(4.13)
,
;(4.14)
.(4.15)
5.
СИНТЕЗ ПРОМЕЖУТОЧНОЙ ФУНКЦИОНАЛЬНОЙ СХЕМЫ
Полученные
формулы необходимо привести к виду И - НЕ и ИЛИ - НЕ.
Пользуясь
формулами (4.1),(4.2), получаем функциональные схемы узлов движения вперед и
назад:
Рисунок
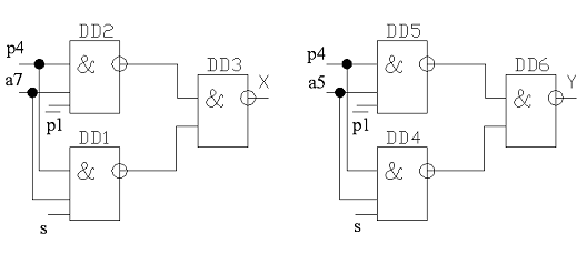
5.1 - Функциональные схемы: а) узел движения вперед; б) узел движения назад
Используя
формулы (4.3),(4.4),(4.9) для узла ускорения получаем:

Рисунок
5.2 - Функциональная схема узла ускорения: а) реализация контактора ускорения
КМ8; б) реализация контактора ускорения КМ9; в) реализация контактора ускорения
КМ9
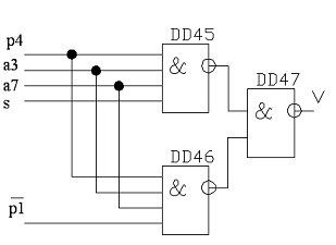
Из
формул (4.5),(4.6), для узла тормоза получаем:

Рисунок
5.3 - Функциональная схема узла тормоза: а) реализация контактора тормоза КМ3;
б) реализация контактора тормоза КМ2
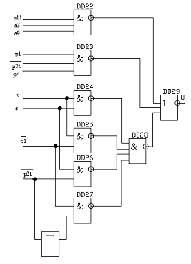
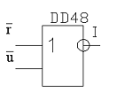
Узел
линейного контакта получаем, пользуясь формулой (4.7):
Рисунок
5.4 - Функциональная схема узла линейного контакта
Из
формулы (4.8),узел противовключения имеет вид:
Рисунок
5.5 - Функциональная схема узла противовключения
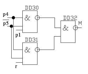
Узел
катушки магнитов получаем, пользуясь формулой (4.10):
Рисунок
5.6 - Функциональная схема узла катушки магнитов противовключения
Используя
формулу (4.11) для узла реле противовключения получаем:
Рисунок
5.7 - Функциональная схема узла реле противовключения
Из
формул (4.12),(4.13) для узла реле ускорения получаем:
Рисунок
5.8 - Функциональная схема узла реле ускорения: а) реализация реле ускорения
КТ1; б) реализация реле ускорения КТ2
Узел
нулевой защиты получаем, пользуясь формулой (4.14):
Рисунок
5.9 - Функциональная схема узла нулевой защиты
Узел
задержки времени получаем, пользуясь формулой (4.15):
Рисунок
5.10 - Функциональная схема узла задержки времени
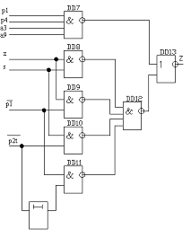
Полная
функциональная схема приведена на рисунке 5.11.
6.
ОБОСНОВАНИЕ ВЫБОРА ЭЛЕМЕНТНОЙ БАЗЫ
Для
построения принципиальной схемы, необходимо выбрать элементную базу. Выберем в
качестве логических элементов микросхемы серии К561 с напряжением питания +15В.
Uвых0£ 2,9В Iвых0£ 0,9мА вых1³ 7,2В Iвых1³ 1,3мА
Данная
серия имеет следующие достоинства по сравнению с микросхемами ТТЛ:
работоспособность
в широком диапазоне питающих напряжений (3…15В);
высокую
помехозащищенность, достигающую 30…45 % от значения питающего напряжения;
высокую
нагрузочную способность;
высокое
входное сопротивление[3].
Согласно
составленной функциональной схемы требуются следующие логические элементы:
микросхема
КР561ЛА9 - «3И-НЕ»;
микросхема
КР561ЛА7 - «2И-НЕ»;
микросхема
КР561ЛА8 - «4И-НЕ»;
микросхема
Н564ЛЕ5 - «2ИЛИ-НЕ»;
микросхема
КР561ЛЕ10 - «3ИЛИ-НЕ».
В
качестве путевых выключателей выберем путевые выключатели типа ВКП 1221[4].
В
схеме использованы контакторы КТП 6014 [4]. Данный выбор обусловлен тем, что
номинальный ток двигателя должен быть меньше номинального тока контактов.
Номинальный ток контакторов 80А. Кроме того эти контакторы рекомендуется использовать
в силовых цепях АД и в цепях ротора для коммутации ступеней сопротивлений. Ток
коммутации Iк=800А Число включений 600.Число главных контактов 2.Число
вспомогательных контактов 4 .Номинальный ток катушки:
В
схеме применяется электромагнитный тормоз ТМ. Для него выберем реле КМТ-3А со
следующими данными: тяговое усилие 350 Н×м; максимальный ход якоря 50 мм; катушечная
мощность в момент включения 22500 В×А, при втянутом якоре 700 В×А[4].
Выбираем
реле ЭП-41В с параметрами:
число
контактов 3 - 6;
длительный
ток Iдлит=16А[5].
Данная
система, как и другие системы управления подвержена действию помех. Причины, по
которым стоит обращать внимание на наличие помех, и методы их устранения
следующие:
.
Полезные сигналы в электроприводе соизмеримы с величиной помехи, при больших
диапазонах регулирования;
.
Наличие помехи может привести к увеличению тока, потребляемому двигателем и к
срабатыванию защиты;
.
Гармонические помехи могут приводить к пульсациям тока и момента в электродвигателе,
что снизит точность обработки детали приводом.
Методы
подавления помех - либо уменьшить напряжение помехи, либо ослабить её, если она
появилась. Также, для ослабления помех необходимо экранирование проводов,
уменьшения их длины, отдаление силовых кабелей, от проводов СУ, расположение
проводов под прямым углом друг к другу, их скручивание между собой и применение
фильтров. Учитывая, что у нас крановая установка, и система управления может
находиться сравнительно далеко от силовой схемы, следовательно нужно произвести
названные мероприятия по подавлению помех соединяющих силовую цепь и систему
управления проводников, а также обеспечение помехозащищенности системы
управления[6].
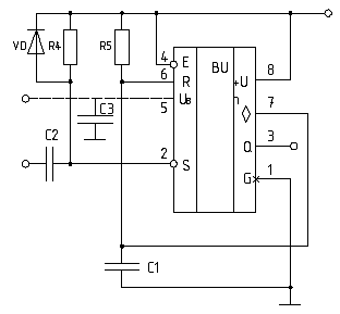
7.
РАЗРАБОТКА ПРИНЦИПИАЛЬНОЙ СХЕМЫ НА БЕЗКОНТАКТНЫХ ЛОГИЧЕСКИХ ЭЛЕМЕНТАХ
По
заданию на курсовую работу ток в цепи статора
.
Задержку
времени реализуем на широко применяемом интегральном таймере типа КР1006ВИ1
(зарубежные аналоги SE555, NE555). Основная схема включения таймера показана ниже
и соответствует режиму одновибратора.
релейный контактный схема контроллер
Рисунок
7.1 - Интегральный таймер типа КР1006ВИ1
Запуск
одновибратора осуществляется перепадом 1/0, воздействующим на вход
дифференцирующей цепи С1, R1, VD1, или дискретным сигналом “нуль”,
непосредственно подаваемым на вход
.
Для
снижения влияния помех на длительность формируемых импульсов к выводу 5
подключаем конденсатор емкостью 0,01 мкФ. Для входного конденсатора С1
принимаем емкость 0,27 мкФ.
Длительность
положительного импульса, снимаемого с выхода таймера Q (вывод 3), равна τ=R1·C2·ln3=1,1·R1·C2.
Принимаем
выдержку времени реле времени КT1 и KT2 равной τ=1,5с. Принимаем
конденсатор С2=2,2мкФ, тогда
Ом.
Из
ряда номинальных значений сопротивлений выбираем резистор R1=620 кОм.
Принимаем
резисторы:=R2: МЛТ-0,125-620 кОм±5%
Принимаем
конденсаторы:
С1:
K56-20-100B-0,27мкФ±10%
С2:
К73-9-100В-2,2мкФ±10%
С3:
К73-9-100В-0,01мкФ±10%
Принимаем
диоды VD1, VD2: КД521Д.
Из
справочника [7] выбираем оптопару 3ОТ102В со следующими параметрами:
Напряжение
входа - 5В;
Напряжение
выхода - 110В;
Выходной
ток - 50мА.
8.
ТАБЛИЦА ПЕРЕЧНЯ ЭЛЕМЕНТОВ РАЗРАБОТАННОЙ СХЕМЫ
|
Поз.
обознач.
|
Кол
|
Примечание
|
|
Диоды
|
|
|
|
VD1,VD2
|
КД521Д
|
2
|
|
|
|
|
|
|
Конденсаторы
|
|
|
|
С1,C4
|
K56-20-100B-0,27мкФ±10%
|
2
|
|
|
C3,C6
|
К73-9-100В-0,01мкФ±10%
|
2
|
|
|
C2,C5
|
К73-9-100В-2,2мкФ±10%
|
2
|
|
|
Контакторы
|
|
|
|
КM2..
КM10
|
КТП
6014
|
9
|
|
|
Микросхемы
|
|
|
|
DD2,DD3,DD5, DD15,DD17, DD19..DD22, DD24,
DD27..DD29
|
КР561ЛА7
|
13
|
|
|
DD1,DD14,DD16, DD18,DD25
|
КР1561ЛА9
|
14
|
|
|
DD4,DD23,DD26
|
К561ЛА8
|
3
|
|
|
DD7..DD12
|
Н564ЛЕ5
|
6
|
|
|
DD6,DD13
|
КР561ЛЕ10
|
2
|
|
|
Резисторы
|
|
|
|
R1,R2,R2,R4
|
МЛТ-0,125-620
кОм±5%
|
4
|
|
|
|
МЛТ-0,5-430
кОм±5%
|
10
|
|
|
R3-R12
|
МЛТ-0,5-5кОм
|
10
|
|
|
Реле
|
|
|
|
KM1,KT1,KT2,
KM11
|
ЭП-41В
|
4
|
|
9. РАЗРАБОТКА ПРОГРАММЫ ДЛЯ ПК НА
ЯЗЫКЕ РКС
Реализуем заданную релейно-контактную схему на
программируемом контроллере КА1, так как он имеет модули ввода и вывода,
рассчитанные на постоянное напряжение равное 110В. Таким напряжением питается
исходная релейно-контактная схема.
Программируемый контроллер КА1 предназначен для
управления различным технологическим оборудованием: автоматическими линиями,
робототизированными комплексами, автоматами и др.
Технические характеристики контроллера:
Максимальное число входов-выходов 1024
Максимальное число промежуточных реле1024
Максимальный объем памяти программы, слов15360
Максимальное число счетчиков/таймеров64/64
Максимальный интервал времени, отрабатываемый
одним
таймером с дискретностью 0.1 с999.9
Максимальное число импульсов, отсчитываемых
одним счетчиком 9999
Арифметические операции:
сложение, вычитание, умножение, деление,
сравнение.
Конструктивно программируемый контроллер КА1
выполнен в виде блоков, встраиваемых в унифицированные шкафы, а пульт
рограммирования и диагностики - в виде переносного пульта.
В шкаф может быть установлено четыре блока
ввода-вывода и общий источник питания для них. В один из шкафов установлен
также блок управления.
В каждом блоке ввода-вывода расположен
стабилизатор напряжения, восемь модулей ввода-вывода и модуль адаптера. К
одному блоку управления можно подключить до 16 блоков ввода-вывода.
В блоке управления расположены модуль
процессора, модуль оперативного запоминающего устройства, модуль пульта
управления. Модуль адаптера, блок питания. При необходимости устанавливается
второй модуль ОЗУ.
Пульт программирования и диагностики выполнен в
виде переносного настольного устройства. В своем составе имеет сенсорную
клавиатуру, генератор изображения, блок индикации с ЭЛТ и блок питания.
Контроллер обеспечивает следующие режимы работы:
автоматический, при котором производится
обработка управляющей программы, записанной в ОЗУ контроллера, а также, при
необходимости, индикация рабочей программы при помощи пульта программирования и
диагностики;
Для программирования контроллера выберем модули
ввода-вывода.
Программу составим на основе функциональной
релейно-контактной схемы. Для реализации замыкающих контактов с задержкой на
размыкание используем цепочку: реле временной задержки - замыкающий контакт -
реле- размыкающий контакт; размыкающий контакт с задержкой на замыкание
реализуется цепью реле - замыкающий контакт - реле времени- размыкающий
контакт.
Адреса переменных представлены в таблице 9.1.
Таблица 9.1 - Таблица адресов переменных
|
Входные
сигналы
|
Адреса
|
|
a1
|
0010
|
|
а3
|
0011
|
|
а5
|
0012
|
|
а7
|
0013
|
|
а9
|
0014
|
|
а11
|
0015
|
|
c1
|
0016
|
|
c2
|
0017
|
|
d
|
0110
|
|
x
|
0111
|
|
y
|
0112
|
|
w
|
0113
|
|
r
|
0114
|
|
m
|
0115
|
|
s
|
0116
|
|
v
|
0117
|
|
z
|
0210
|
|
u
|
0211
|
|
i
|
0212
|
|
p1
|
0213
|
|
p2
|
0214
|
|
p3
|
0215
|
|
p4
|
0216
|
|
p5
|
0217
|
|
Выходные
сигналы
|
Адреса
|
|
P1
|
0311
|
|
P2
|
0312
|
|
P3
|
0313
|
|
P4
|
0314
|
|
P5
|
0315
|
|
X
|
0020
|
|
Y
|
0021
|
0022
|
|
I
|
0023
|
|
V
|
0024
|
|
U
|
0025
|
|
R
|
0026
|
|
S
|
0027
|
|
M
|
0120
|
|
Z
|
0121
|
Программа представлена ниже.
Рисунок 9.1 - Программа на языке РКС


Рисунок 9.2 - Схема подключения
входных сигналов к модулям ввода контроллера КА1

Рисунок 9.3 - Схема подключения
выходных сигналов к модулям вывода контроллера КА1
ЗАКЛЮЧЕНИЕ
Целью данной курсовой работы было
преобразование релейно контактной схемы управления механизмом подъема с помощью
магнитного контроллера К. При этом силовая схема и пускатели, коммутируемые
своими контактами силовую цепь, остались без изменения. При этом была выбрана
элементная база цифровых микросхем, оптопара. Разработанная схема имеет ряд
преимуществ перед исходной. Это повышенная надежность, меньшие масса и
габариты. При этом уменьшить стоимость схемы практически не удалось, так как
основную стоимость как исходной, так и разработанной схемы составляют силовые
контакторы. Так же на языке РКС была запрограммирована система управления с
помощью контроллера КА1.
СПИСОК ИСПОЛЬЗОВАННЫХ ИСТОЧНИКОВ
1.
Крановое электрооборудование: Справочник / А.А. Рабинович и др. Москва,
Энергия, 1979.
.Васильев
С.В., конспект лекций по дисциплине «Автоматизация типовых технологических
установок и комплексов».
.
Цифровые интегральные микросхемы: Справочник / М.И. Богданович и др. - Мн.,
Полымя. 1996.
.Электрические
аппараты: Справочник / Алиев И.И., Абрамов М.Б., Москва, РадиоСофт, 2004.
.Электротехнический
справочник. Под общей редакцией профессоров МЭИ - М.: Энергоатомиздат, 1986.
.Раткевич
Е.П., конспект лекций по дисциплине « Наладка и диагностика автоматизированного
электропривода».