Система автоматического контроля и сигнализации исправности тиристорного преобразователя
Исходные
данные на проектирование
Задание
Рассчитать и выбрать тиристоры для мощных ТП, питающих электролизные
установки для получения серебра из растворов.
Разработать систему автоматического контроля и сигнализации (САКС)
исправности тиристорного преобразователя, а также контроля порядка чередования
фаз и отклонения измеряемого параметра от заданного значения. Выбрать и
обосновать применяемые в САКС датчики контролируемых параметров. Спроектировать
пульт сигнализации.
Исходные
данные
|
Наименование параметра
|
Значение
|
|
Тип преобразователя Число тиристоров «т» в ветви,
включенных последовательно Число «n»параллельных ветвей
|
Однофазная мостовая 2 3
|
|
Параметры сети Фазовое напряжение U,В Фазовый ток I,А Частота питающей
сети f, Гц Порядок чередования фаз
|
1000 900 60 BСA
|
|
Отклонение Контролируемый параметр Знак отклонения Допустимые пределы,
Х Точность измерения, %
|
U - 15
0.05
|
|
Выдержка времени Задержка по времени при включении на обрыв t1, с
То же, но в импульсах Задержка по времени при отклонении параметра t2,
с То же, но в импульсах
|
5 20 6 5
|
|
Схемное решение Базис микросхем Печатная плата на блок
|
К155 Черед.
фаза
|
Содержание
Исходные
данные на проектирование
Введение
Расчет и
выбор тиристоров
. Выбор и
обоснование датчиков контрольных параметров
2. Схема
контроля исправности тиристоров в ТП
. Контроль
технологического параметра с заданной точностью
. Разработка
сигнализирующего устройства
. Датчик
чередования фаз
. Разработка
пульта сигнализации
. Номенклатура
используемых элементов
. Пример
выбора датчика на сайте производителя
. Пример
документации на датчик
Заключение
Список
литературы
Введение
В настоящее время в производстве и бытовой технике ведущее место занимает
электрический привод и применение электротехнологии. Зачастую в этих областях необходимо
регулировать напряжение питающей сети. Существует много различных способов
регулирования напряжения, однако большое применение получил способ тиристорного
регулятора напряжения - тиристорный преобразователь (ТП), благодаря тому, что
этот способ довольно прост, надежен имеет малые габариты, а основным его
недостатком является малая перегрузочная способность.
В связи с развитием ТП появилась объективная необходимость разработки
систем автоматического контроля, систем автоматической защиты.
1. Расчет тиристоров
Для того, чтобы выбрать тиристоры для указанного техническим заданием
тиристорного преобразователя (ТП), необходимо выполнить расчет основных
параметров тиристоров, таких как:
) максимальное обратное напряжение на тиристоре (Uоб.max )
2) ток через тиристор (I)
Расчет параметров тиристоров:
,
где:
U2Ф - фазное напряжение;
Т
- количество тиристоров в ветви.
К
- коэффициент запаса по напряжению. Учитывает возможное снижение напряжения в
сети, падение напряжения в тиристорах и обмотках трансформатора, учитывает
неполное открывание тиристоров при максимальном управляющем сигнале.
,
где:
I2Ф - фазный ток;- количество ветвей в одном плече ТП;
m- количество
периодов.
По
полученным в расчете значениям Uоб.max и Imax выбираем
тиристор Т171-200 (
=300-1600 В, Imax =200 A) , имеющий след. характеристики:
Средний прямой ток - 200 А
Ударный прямой ток - 5000 А
Повторяющийся импульсный обратный ток - 30 мА
Импульсное напряжение в открытом состоянии - 1,75 В
Отпирающее постоянное напряжение управления - 3,5 В
Отпирающий постоянный ток управления - 200 мА
Критическая скорость нарастания тока в открытом
состоянии - 125 А/мкс. Критическая скорость нарастания напряжения в закрытом
состоянии - 20 - 1000 В/мкс
Температура перехода - 60 … +125 град С
Тепловое сопротивление переход - корпус - 0,100
град/Вт
Масса тиристора - 0,44 кг
Рекомендуемые
охладители - О181
<#"564237.files/image004.gif">
Рис. 1.1 Габаритные размеры тиристора 171-200
Рис. 1.2 Силовая схема тиристорного преобразователя (однофазная мостовая
схема)
2. Выбор и обоснование датчиков контрольных параметров
Для выбора датчиков требуемых параметров воспользуемся продукцией
компании LEM, являющейся лидером на рынке по
обеспечению передовыми и качественными решениями в области преобразования
электрических параметров.
Для подбора датчиков будем использовать русскоязычную версию официального
сайта компании производителя: www.lem.com/ru/
Датчик напряжения LV 100-1000/SP16 (Серия: LV 100-Voltage 1)
Описание см. описание к датчику п.п. 2.3, т.к. к данному датчику имеется
тех. паспорт на английском языке, а описание совпадает с датчиком, указанным в
п.п. 2.3
|
Эл. параметры
|
Значения
|
|
Первичный сигнал (номинальное вх. напряжение)
|
1000 В
|
|
Номинальный входной ток
|
10мА
|
0 +/- 1700 В
|
|
Напряжение питания
|
(+/- 10 %) 15-24 В
|
|
Вторичный сигнал (ном. аналоговый выходной ток)
|
50 мА
|
|
Коэффициент преобразования
|
1000 В/50 мА
|
|
Точность
|
0.9%
|
К курсовому проекту ниже прилагается технический паспорт данного датчика
в целях приведения примера
Датчик напряжения LV 1-10/SP3 (Серия: LV 1-Voltage 3)
С помощью этого датчика будет определяться напряжение между анодом и
катодом тиристоров, соответственно необходимо использовать датчик с меньшим
напряжением.
|
Эл. параметры
|
Значения
|
|
Первичный сигнал номинальное вх. напряжение)
|
10 В
|
|
Номинальный входной ток
|
6.66мА
|
|
Диапазон преобразования
|
0 +/- 24В
|
|
Напряжение питания
|
+/- 15 / 24 В
|
|
Вторичный сигнал (ном. аналоговый выходной ток)
|
50 мА
|
|
Коэффициент преобразования
|
15 В/50 мА
|
|
Точность
|
0.9%
|
Датчик тока LT 170-200/SP13 (Серия: LV 170-Voltage 2)
Для электронного преобразования токов: постоянного, переменного,
импульсного и т.д. в пропорциональный выходной ток с гальванической развязкой
между первичной(силовой) и вторичной (измерительной) цепями.
|
Эл. параметрыЗначения
|
|
|
Первичный сигнал (номинальный вх. ток)
|
170 А
|
|
Номинальный входной ток
|
6.66мА
|
|
Диапазон преобразования
|
0 +/- 500В
|
|
Напряжение питания
|
+/- 15 / 24 В
|
|
Вторичный сигнал (ном. аналоговый выходной ток)
|
100 мА
|
|
Коэффициент преобразования
|
1:3000 мА
|
|
Точность
|
0.9%
|
Схема включения датчиков в цепь тиристорного преобразователя
Рис. 2.1
Уравнения, для составления схемы контроля исправности тиристоров в ТП
Для КЗ одного тиристора
Для
КЗ всей ветви
Для
диодного состояния
Для
обрыва ветви
3.
Контроль технологического параметра с заданной точностью
Этот
блок контролирует ток питающей сети и выдает сигнал аварии при увеличении тока
выше нормы. При этом сигнал об аварии должен задерживаться на некоторое время.
Эта задержка необходима, чтобы исключить возможность ложных срабатываний
системы, которые могут возникнуть:
· из-за кратковременных ложных импульсов, возникающих в процессе
эксплуатации схемы;
· от кратковременных технологических отклонений параметров
питающей сети. В большинстве случаев эти сбои самоустраняются.
Схема контролируемого параметра представлена на Рис. 3.1.
Рис. 3.1 Схема контролируемого параметра
Отклонение по заданию равно 15%, т.е. 2,25 В.
Uср=15-2,25=12,75
В.
R4=Uвых/Iвых=15\0,05A =
300 Ом.
R1=R2=R3
R2=5R4=1500 Ом
VD1=VD2 возьмем КД520А, подходящий по току
и напряжению
Компаратор 597СА4А обеспечивает заданную точность, т.к.
срабатывает при уменьшении Uвх.
над Uср. в 2,25 В.
(Iвх= 50мА, Uвх=15В. Uвых=15
В, I Вых 10 мА.)
Аналоговый компаратор - это устройство, предназначенное для сравнения
двух сигналов. Простейшая схема компаратора может быть построена на
операционном усилителе без обратной связи. На один из входов операционного
усилителя подается известное опорное напряжение, на другой - сравниваемый аналоговый
сигнал, например сигнал с датчика.
тиристор электролизный преобразователь датчик
4. Разработка сигнализирующего устройства
Этот блок объединяет все остальные блоки системы, обеспечивает заданную
логику работы световой и звуковой сигнализации неисправностей выпрямителя и
отклонения параметра питающей сети. Блок состоит из схемы контроля исправности
тиристорного преобразователя, а так же схемы световой и звуковой сигнализации.
Линии задержек
Для задержки сигналов неисправностей обрыв, к.з. тиристора и отклонение
параметра, необходимо реализовать линии задержки.
Задержка времени ЛЗ1 (5 секунд, 20 импульсов) реализована на 2-х 4
разрядных счетчиках. На его вход С поступают импульсы с ГИ1
Расчитаем сопротивление:
R=U/I= 5/0.01=500.
Из соображений запаса примем R=1000.
T=5/20=0,25
сек
Длительность импульса T = 2RC;
Рис 4.1
C =
0,25\2000=0,000125=125 мкФ
Задержка времени ЛЗ2 (6 секунд, 5 импульсов) реализована аналогично ЛЗ1.
Расчитаем сопротивление:
R=U/I= 5/0.01=500.
Из соображений запаса примем R=1000.
T=5/6=0,83
сек
Длительность импульса T = 2RC;
C =
0,83 \2000=0,000416=416 мкФ
Рис 4.2
Монтажные схемы и печатные платы счетчиков
Рис 4.3 Монтажная схема счетчика 5 импульсов
Рис 4.4 Монтажная схема счетчика 20 импульсов
Рис 4.5 Печатная плата счетчика 5 импульсов
Рис 4.5 Печатная плата счетчика 20 импульсов
5. Датчик чередования фаз
Схема включения датчика чередования фаз
Рис. 5.1 - Схема включения датчика чередования фаз
ДЧФ - датчик чередования фаз;
ТП - тиристорный преобразователь.
Алгебрологическое описание работы датчика
Циклограмма работы датчика при правильном чередовании фаз
Рис. 5.2 - Циклограмма работы датчика при правильном чередовании фаз
Циклограмма работы датчика при неправильном чередовании фаз
Рис. 5.3 - Циклограмма работы датчика при неправильном чередовании фаз
Преобразование алгебраических уравнений в базис И-НЕ
Принципиальная электрическая схема датчика чередования фаз
Рис. 5.4 - Принципиальная электрическая схема датчика чередования фаз
Трансформаторы Т1, Т2, Т3 понижают напряжение сети до 10 В. Выбираем
стабилитроны VD1, VD2, VD3
типа КС147А, где Uст = 4.7 В, Iст = 10 мА. R1, R2, R3 = U/Iст = 1 кОм.
Светодиоды HL5, HL6, HL7
выбираем типа АЛ310В, прямой ток которого 10 мА.
Описание работы разработанного датчика чередования фаз
Трансформаторы Т1, Т2, Т3 понижают напряжение сети до необходимого
уровня. Стабилитроны VD1, VD2, VD3 выпрямляют и стабилизируют напряжение. Светодиоды HL5, HL6, HL7
показывают направление чередования фаз B,C,A.
При правильном чередовании фаз на выходе элемента DD14.2 будет постоянный
сигнал (см. рис. 6.2), т.к. «Y»
состоит из суммы сигналов «z1», «z2», «z3». Далее элементом DD2.C этот сигнал инвертируется, и
логический «0» поступает на вход «S» «RS-триггера», состоящего из двух
логических элементов ИЛИ-НЕ DD3.A и DD3.B, тем самым
триггер будет оставаться в нулевом состоянии, и на выходе «Q» по-прежнему
остается «0».
При неправильном чередовании фаз (см. рис. 6.3) сигнал «Y» становится
прерывистым, далее элемент DD2.C
инвертирует его, и эти импульсы начинают поступать на вход «S» «RS-триггера». С приходом первого
импульса триггер перевернется в единичное состояние и будет постоянно выдавать
логическую «1» на выходе «Q».
Сбросить датчик можно только при помощи кнопки только после устранения
неисправности.

Рис 5.6 Печатная плата разработанного датчика чередования фаз
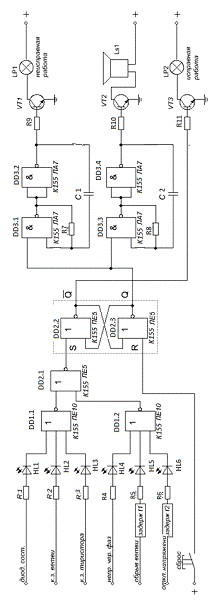
6. Разработка пульта сигнализации
Рис.6.1 Внешний вид пульта сигнализации
Рис. 6.2 Принципиальная электрическая схема пульта сигнализации
Генератор для световой сигнализации:
f1 = 1 Гц; Т1 = 2RC =
T = 2RC; C1 =
10 мкФ. R7 = T/2C = 1/2∙10∙10-6 = 5 кОм.
Генератор для динамика.
f2 = 5 кГц; Т2 = 2RC =
T = 2RC; C2 =
0.1 мкФ. R8 = T/2C = 0.0002/2∙0.1∙10-6 = 1 кОм.
Описание
работы принципиальной электрической схемы пульта сигнализации
Светодиоды
HL1 - HL6 загораются при возникновении соответствующей
неисправности:
HL1 - диодное
состояние одного из тиристоров ветви тиристорного плеча;
HL2 - к.з. всей
ветви тиристорного плеча;
HL3 - к.з.
одного из тиристоров в ветви тиристорного плеча;
HL4 -
неправильное чередование фаз;
HL5 - обрыв
ветви тиристорного плеча;
HL6 - отклонение
контролируемой величины (напряжение).
Если
тиристорный преобразователь находится в исправном состоянии, то RS-триггер,
собранный из элементов DD2.2 - DD2.3, будет находиться в единичном состоянии, и с
инверсного выхода
логическая «1» будет подаваться на базу транзистора
VT3, тем самым отпирая его, и лампа LP2 будет гореть, оповещая об исправной
работе тиристорного преобразователя.
При
появлении какой- либо неисправности загорается соответствующий светодиод и на
выходе элемента DD2.1 появляется логическая «1», которая переключает
RS-триггер в единичное состояние. Теперь на выходе
будет логическая «1», а на выходе
логический «0». С выхода
сигнал поступает на два генератора импульсов,
вырабатывающих импульсы с заданными частотами. С первого генератора импульсы
подаются на базу транзистора VT1, открывая его с частотой подачи импульсов, и
лампа LP1 начинает зажигаться во время открытого состояния
транзистора, оповещая о неисправной работе тиристорного преобразователя. Со
второго генератора импульсы поступают на базу транзистора VT2, открывая его с
частотой подачи импульсов, и динамик LS1 начинает издавать звуковой сигнал во
время открытого состояния транзистора VT2, оповещая о неисправности
тиристорного преобразователя.
7. Номенклатура используемых элементов
|
№
|
Наименование элементов
|
Тип
|
Шт.
|
|
Система защиты тиристорного преобразователя
|
|
1
|
Датчик напряжения LV 100-1000
|
SP16
|
9
|
|
2
|
Датчик напряжения LV 100-1000
|
SP/3
|
6
|
|
3
|
Датчик тока LT
170-200
|
SP13
|
3
|
|
4
|
Микросхемы К155LN1
|
DD1,2,9
|
1,7
|
8,11
|
7
|
|
5
|
Микросхемы К155LL1
|
DD3,4
|
4
|
-
|
3
|
|
6
|
Микросхемы К155LI1
|
DD4
|
2,3,5
|
-
|
4
|
|
7
|
Микросхемы К155LE4
|
DD5
|
6
|
1
|
3
|
|
8
|
Микросхемы К155LA2
|
DD6,7,8
|
-
|
-
|
|
9
|
Микросхемы К155LA4
|
-
|
-
|
1
|
1
|
|
Разработка схемы чередования фаз
|
|
1
|
Трансформатор напр. понижающий
|
T1-T4
|
4
|
|
2
|
Микросхемы К155LA3
|
DD1,2,5
|
3
|
|
3
|
Микросхемы К155LE5
|
DD3
|
1
|
|
4
|
Микросхемы К155LE4
|
DD4
|
1
|
|
5
|
Светодиоды АЛ310В
|
HL1-3
|
3
|
|
6
|
Резистор 1кОм
|
R1-4
|
4
|
|
Разработка схемы контроля отклонения напряжения
|
|
1
|
Датчик напряжения
|
ДН
|
1
|
|
2
|
Компаратор 597СА4А
|
D
|
1
|
|
3
|
Резистор 1,5
кОм
|
R1,2,3
|
3
|
|
4
|
Резистор 300 Ом
|
R4
|
1
|
|
5
|
Диод КД520А
|
VD1,2
|
2
|
|
Линия задержки 1
|
|
1
|
4=х разрядный счетчик К155IE5
|
DD1,2
|
2
|
|
2
|
Резистор 1 кОм
|
R1
|
1
|
|
3
|
Емкость 125 мкФ
|
С1
|
1
|
|
4
|
Микросхемы К155LN1
|
DD3
|
1
|
|
5
|
DD4
|
1
|
|
6
|
Микросхемы К155LI1
|
DD5
|
1
|
|
7
|
Микросхемы К155LA3
|
DD6
|
1
|
|
Линия задержки 2
|
|
1
|
4=х разрядный счетчик К155IE5
|
DD1
|
1
|
|
2
|
Резистор 1 кОм
|
R1
|
1
|
|
3
|
Емкость 416 мкФ
|
С1
|
1
|
|
4
|
Микросхемы К155LA1
|
DD4
|
|
|
5
|
Микросхемы К155LN1
|
DD3
|
1
|
|
6
|
Микросхемы К155LI1
|
DD5
|
1
|
|
Разработка сигнализирующего устройства.
|
|
1
|
Резистор 500 Ом
|
R1-6
|
6
|
|
2
|
Резистор 5 кОм
|
R7
|
1
|
|
3
|
Резистор 1 кОм
|
R8
|
1
|
|
4
|
Емкость 10 мкФ
|
С1
|
1
|
|
5
|
Емкость 0,1 мкФ
|
С2
|
1
|
|
6
|
Транзистор 2N2931
|
VT1-3
|
3
|
|
7
|
Лампы сигнализирующие
|
LP1-2
|
2
|
|
8
|
Звуковое устройство сигнализирующее
|
LS1
|
1
|
|
8
|
Микросхемы К155LA7
|
DD3
|
|
10
|
Микросхемы К155LE5
|
DD2
|
1
|
|
11
|
Микросхемы К155LE10
|
DD1
|
1
|
|
12
|
Светодиоды АЛ310В
|
HL1-6
|
6
|
8. Пример выбора датчика на сайте LEM.COM
9. Пример документации на датчик
Заключение
В данном курсовом проекте была разработана система автоматического
контроля и сигнализации мощного тиристорного преобразователя. Был произведен
расчет силовой части выпрямителя и на основе его произведен выбор силовых
тиристоров. Были подобраны датчики напряжения и тока, обеспечивающие требуемый
уровень точности и гальванической развязки, необходимой для безопасной работы
оператора. Была разработана цифровая часть системы, обеспечивающая требуемый
алгоритм работы световой и звуковой сигнализации неисправностей. Система подает
сигнал на отключение выпрямителя при возникновении неисправности без выдержки
или с выдержкой времени, в зависимости от типа неисправности.
Список литературы
1.
Полупроводниковые приборы: Диоды, тиристоры, оптоэлектронные
приборы.Справочник/ А.В. Баюков, А.Б. Гитцевич, А.А. Зайцев и др.; Под общ.
ред. Н.Н. Горюнова. - М.: Энергоиздат, 1982. - 744 с., ил.
. Цифровые
интегральные микросхемы: Справочник/ М.И. Богданович, И.Н. Грель, С.А. Дубина и
др.-Мн.: Беларусь, Полымя, 1996.-605 с., ил.
. Павлов
В.Н., «Схемотехника аналоговых электронных устройств».
. Грейнер
Г.Р., Ильяшенко В.П., «Проектирование бесконтакторных логических устройств
промышленной автоматики».
. Электронный
справочник по полупроводниковым элементам.