|
Тип двигателя
|
Мощность, Вт
|
Напряжение, В
|
Ток, А
|
Скор.вращ., Об/мин
|
|
СЛ-261
|
Рн=24
|
Uн=110
|
Iн=0,5
|
n=3600
|
|
Вращ.момент, Н*см
|
Мом-т инерции Кг*см2
|
Сопротивление Ом
|
Индуктивность мГн
|
|
М=6,5
|
Jя=0,2
|
R=51
|
L=140
|
|
|
|
|
|
|
|
|
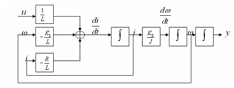
Объект управления - электрический привод с двигателем постоянного тока,
описываемый уравнениями;
· уравнение электрической цепи двигателя
u=E+i*R+L*di/dt
· уравнение моментов
M=J*dw/dt
· Уравнение редуктора
y=Kp*f
где u - напряжение на якоре двигателя [B]
i -
ток якоря [А]
E=K1*w -
ЭДС вращения [B]
M=K2*i -
момент, развиваемый двигателем [Hм]
f -
угол поворота вала двигателя [рад]
у - угол поворота вала редуктора (выход) [рад]
w=df/dt - угловая скорость [1/c]
Кр=1 - коэффициент передачи редуктора
R, L - сопротивление и индуктивность
якоря [Ом], [Гн]
К1,К2 - конструктивные параметры двигателя [Bc/рад],[Hм/A]
K1=(Uн-Iн*R)/w
K2=M/Iн
J=Jя*2 ,
где Jя - паспортный момент инерции.
Управляющий сигнал-напряжение на якоре двигателя- u.
Выход объекта управления - у.
Измеряемый сигнал - у.
Составление структурной схемы объекта управления
Рассчитаем значения ωн :
с-1;
Рассчитаем коэффициенты K1 и K2:
(Нм/А);
Для составления структурной схемы объекта управления, напишем систему
уравнений, которая получается из исходных данных.
;
;
;
;
в
итоге получаем следующую систему:
Структурная
схема объекта управления:
Система
дифференциальных уравнений в форме Коши:
где:
Определение передаточной функции объекта управления
В данном разделе мы определяем передаточную функцию, считая выходным
сигналом угловую скорость ω.
Вернемся к основному уравнению:
,
подстановкой
исходных данных приведем ее к удобному для нас виду:
,
.
Для
нахождения передаточной функции вспомним ее определение. Передаточной функцией
звена или системы называется отношение изображения выходного сигнала к
изображению входного сигнала при нулевых начальных условиях. Передаточная
функция представляет собой дробь, числитель которой является результатом замены
производных степенями p правой части дифференциального уравнения, а
знаменатель - левой.
Передаточная
функция:
.
Перейдем
к изображениям
после
подстановки:
;
найдем
J:
J=2Jя=0,4*10-4
Итак,
получаем

.
В стандартном виде
.
Построение логарифмических и переходной характеристик объекта
Изображение переходной характеристики:
h(p)
.
Для построения переходной характеристики используем систему КАЛИСТО.
.В редакторе модели создаем необходимую модель:
очищаем редактор (F1,F9)
ставим линейный блок(F1);
обозначаем вход(F7) и выход(F8);
задаем параметры (Esc,F2,Enter):
P0=K=4.46, Q0=1,
Q1=2Tξ=0.07, Q2=T2=1.9*10-4
2.Выходим из редактора модели (Esc,F2,F6)
.Заходим в «Переходные процессы»
задаем сигнал на входе 1(t);
задаем время 0.5;
задаем шаг 0,01;
делаем расчет.
График переходной характеристики
Для построения ЛАЧХ и ЛФЧХ выходной сигнал будем брать не угловую
скорость ω, а угол поворота вала двигателя f.
;
;
;
;
Для
данного случая передаточная функция будет иметь вид:

.
В
стандартном виде
.
Построения
ЛАЧХ и ЛФЧХ также проводим при помощи системы КАЛИСТО. Для этого следуем ранее
отмеченным пунктам, но вместо одного линейного блока вводим два. Второй блок
имеет следующие параметры:
P0=K1=1, Q1=T1=1.
Завершив
работу в редакторе модели, заходим в «Частотные характеристики». Выбираем
диаграмму (ЛАЧХ, затем ЛФЧХ), задаем диапазон частот (0-10000) и делаем расчет.
ЛФЧХ
Составление уравнения состояния непрерывного объекта
, где
;
A=
;
B=
;
.
Определение периода квантования управляющей ЦВМ
Период квантования управляющей ЦВМ находим через время переходного
процесса непрерывного объекта tр по формуле:
.
Время
переходного процесса мы определяем по переходной характеристике, построенной в
системе КАЛИСТО, на уровне 0,95 скорости. В результате получаем следующие
данные:
tp=0.19c;
T=0.1*0.19=0.019с.
Составление уравнений состояния дискретной модели объекта
Матрица Ad
d=
Матрица Bd
d=
1[k+1]=x1[k] + x2[k]*0.02 + x3[k]*0.13 +
u[k]*0.012[k+1]=x1[k]*0 + x2[k]*0.79 + x3[k]*7.3
+ u[k]*0.943[k+1]=x1[k]*0 - x2[k]*0.004 - x3[k]*0.03
+ u[k]*0.02[k]=x1[k]
Матрица
управляемости дискретной модели объекта:
Sco=
det Sсo=-3.5*10-4
, т.е.
система полностью управляема.
Матрица
наблюдаемости дискретной модели объекта:
det Sob=3.5*10-4
, т.е.
система полностью наблюдаема.
Расчет параметров цифрового регулятора состояния, обеспечивающего
торможение двигателя за минимальное число тактов квантования
Матрица управления из условия окончания переходного процесса за
минимальное число тактов:
где:
.
R=
Расчет параметров оптимального по быстродействию наблюдателя состояния и
составление его структурной схемы
Вектор наблюдаемости:
H=Ad3*Sob-1*
.
Структурная схема наблюдателя:
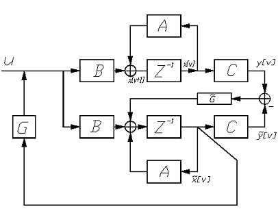
Запись уравнений состояния замкнутой цифровой системы и составление её
структурной схемы
Уравнения состояния наблюдателя:
Структурная
схема наблюдателя, замкнутой цифровой системы:
Матрица
замкнутой системы с регулятором состояния:
cr=
Если
посмотреть матрицу
:
Acr3=
то
увидим, что она очень мала, т.е. за три такта процесс полностью
устанавливается.
Собственная
матрица наблюдателя:
ch=
Если
посмотреть матрицу
то увидим, что она очень мала, т.е. за три такта
процесс полностью устанавливается.
Ach3=
Вектор
состояния замкнутой системы с регулятором и наблюдателем:
где:
-
переменные состояния объекта.
-
переменные состояния наблюдателя.
Матрица
замкнутой системы с регулятором состояния и наблюдателем:
A0=
=
Расчет и построение графиков сигналов в цифровой системе с наблюдателем и
регулятором состояния
Вектор начальных условий:
1(0)=0
x2(0)=0
x3(0)=0
Решение
уравнений состояния
|
k
|
x1(k)
|
x1(k)
|
x2(k)
|
x2(k)
|
x3(k)
|
x3(k)
|
u(k)
|
|
0
|
0.0E+00
|
0.0E+00
|
3.8E+02
|
0.0E+00
|
5.0E-01
|
0.0E+00
|
0.0E+00
|
|
1
|
6.5E+00
|
0.0E+00
|
3.0E+02
|
0.0E+00
|
-1.4E+00
|
-3.6E-12
|
3.8E-11
|
|
2
|
1.2E+01
|
1.1E+01
|
2.3E+02
|
2.2E+02
|
-1.0E+00
|
-1.4E+00
|
-8.3E+02
|
|
3
|
8.5E+00
|
8.5E+00
|
-6.1E+02
|
-6.1E+02
|
-1.3E+01
|
-1.3E+01
|
5.1E+02
|
|
4
|
3.2E-01
|
3.2E-01
|
-1.0E+02
|
-1.0E+02
|
1.0E+01
|
1.0E+01
|
2.3E+00
|
|
5
|
1.6E-03
|
1.6E-03
|
-5.6E-01
|
-5.6E-01
|
6.1E-02
|
6.1E-02
|
-3.9E-03
|
|
6
|
-3.5E-12
|
-3.5E-12
|
9.3E-10
|
8.9E-11
|
8.9E-11
|
-6.7E-11
|
|
7
|
-4.3E-14
|
-4.3E-14
|
1.4E-11
|
1.4E-11
|
-1.5E-12
|
-1.5E-12
|
-2.0E-13
|
|
8
|
-1.5E-16
|
-1.5E-16
|
5.5E-14
|
5.5E-14
|
-6.0E-15
|
-6.0E-15
|
3.8E-16
|
|
9
|
2.5E-25
|
2.5E-25
|
-8.8E-23
|
-8.8E-23
|
9.5E-24
|
9.5E-24
|
-1.2E-25
|
|
10
|
7.9E-28
|
7.9E-28
|
-1.4E-25
|
-1.4E-25
|
1.0E-26
|
1.0E-26
|
3.0E-26
|
¦Umax¦ =8.3E+02
модель управление схема объект