|
Параметр
|
Не менее
|
номинальное
|
Не более
|
|
Ток накала, А
|
-
|
-
|
3.3
|
|
2.3
|
-
|
-
|
|
Напряжение накала, В
|
-
|
-
|
3.6
|
|
1.7
|
-
|
-
|
|
Анодное напряжение, кВ
|
70
|
-
|
160
|
|
Анодный ток, мА
|
-
|
-
|
2
|
|
Номинальная мощность трубки
, кВт
|
-
|
0.32
|
-
|
|
Размеры эффективного
фокусного пятна, мм
|
|
|
|
|
-ширина
|
-
|
0.6
|
0.9
|
|
-длина
|
-
|
0.4
|
0.7
|
По чертежу трубки (рис. 2.2) определили расстояние между анодом и катодом
d=60mm. Тогда зависимость плотности анодного тока на участке возрастания от
анодного напряжения описывается выражением
. (2.1)
Номинальное значение площади эффективного фокусного пятна Sef=0,24мм2.
Угол мишени, согласно чертежу трубки, равен 10º. Тогда площадь действительного
фокусного пятна
. (2.2)
Зависимость анодного тока от напряжения описывается выражением
. (2.3)
Поскольку зависимости напряжения насыщения и тока насыщения от тока
накала не известны, предположим, что при допустимых напряжениях насыщение не
происходит. В таком случае изменение тока накала будет приводить к деформации
анодной характеристики.
Такую деформацию можно учесть в виде коэффициента. Поскольку эмиссия
увеличивается с ростом температуры, а отвод тепла от катода затруднен, то можно
принять зависимость анодного тока от температуры катода пропорциональной
зависимости от тепловыделения. Тогда анодный ток пропорционален квадрату тока
накала, то есть квадрату катодного напряжения. По данным табл. 2.1 можно
выбрать усредненный коэффициент пропорциональности, равный 0,01.
Полное выражение для анодного тока будет иметь следующий вид:
. (2.4)
2.2.3 Построение модели объекта
Поскольку полученная модель существенно нелинейна, то для ее линеаризации
строили модель системы в первом приближении. Для этого воспользовались
графиками статических характеристик для рентгеновских трубок, конструктивно
сходных с исследуемой.
Накопление энергии в сердечнике высоковольтного трансформатора и в
высоковольтной выпрямительной схеме вызывают инерционность канала напряжения.
Нагрев катода трубки - наиболее инерционный процесс во всей системе
рентгеновской установки.
Динамические характеристики объекта получим экспериментально на
физически-подобной модели - электронно-лучевой трубке монитора. Постоянную
времени канала напряжения - по задержке возникновения изображения (около 5с), а
постоянную времени канала тока - по времени достижения полной яркости (около
9с).
Таким образом, в каждый канал модели объекта введем инерциальное звено
первого порядка.
Линеаризованная модель объекта автоматического управления (рис. 2.3)
включает, кроме собственно трубки, модели силовых цепей и датчиков обратной
связи.
Рисунок 2.3 - Линеаризованная модель рентгеновской трубки
2.2.4 Исследование и анализ
функциональных свойств системы
Исследуем статические и динамические свойства системы с помощью пакета
MATLAB. Передаточная функция системы имеет вид:
; (2.5)
. (2.6)
Функция pzmap(sys) изображает диаграмму расположения нулей и полюсов
линейной системы на плоскости корней. Полюсы изображаются маркером х, а нули -
о. График представлен на рис. 2.4.
Используя команду damp(sys), вычислим собственные значения, коэффициенты
демпфирования и собственные частоты. Результаты выполнения приведены в табл.
2.2
Таблица 2.2 Результат вычисления коэффициентов демпфирования
|
Собственные значения
|
Коэффициенты демпфирования
|
Собственные частоты, рад/с
|
|
-6.25e-001 -1.00e+003
|
1.00e+000 1.00e+000
|
6.25e-001 1.00e+003
|
Используя команду step(sys), вычислим переходную функцию системы и
построим ее график, с помощью команды margin(sys) - вычислим по частотным
характеристикам системы запас по модулю, запас по фазе и соответствующие им
частоты, а с помощью команды nyquist(sys) - поcтроим частотный годограф
(диаграмму) Найквиста в координатах для определения устойчивости замкнутой
системы.
Графики представлены на рис. 2.5, 2.6 и 2.7.
Рисунок 2.5 - Переходные функции системы по задающему и возмущающему
воздействию
Из рис. 2.5 видно, что время переходного процесса по задающему
воздействию равно 8,2с.
Рисунок 2.6 - Диаграмма Боде
Из рис. 2.6 видно, что запас по амплитуде - бесконечность, а запас по
фазе-91,5°.
Рисунок 2.7 - Диаграмма Найквиста
Изучив полученные результаты, делаем вывод, что необходимо в систему
вводить регулятор, так как нас не устраивает время переходного процесса, он не
удовлетворяет требованиям ТЗ(tПП≤3с)
2.3 Динамический расчет системы
2.3.1 Синтез цифрового
корректирующего устройства с получением дискретной передаточной функции
регулятора
Синтез структуры системы управления
обусловлен располагаемым приборным
оборудованием и поставленными задачами.
Для построения контура стабилизации необходимо
выбрать закон управления, который обеспечивал бы не только устойчивость контура
управления, но и приемлемое качество переходных процессов и точность в
установившемся режиме. Синтез структуры системы
управления обусловлен располагаемым приборным
оборудованием и поставленными задачами.
Используем пропорционально-интегрально-дифференциальный закон управления (ПИД - регулятор).
Для подбора коэффициентов регулятора в исходную
систему строим ЛАЧХ и с его помощью подбираем коэффициенты.
2.3.2
Синтез корректирующего устройства с помощью ЛАЧХ
Построение располагаемой ЛАЧХ. Под располагаемой ЛАЧХ
понимается характеристика исходной системы управления, построенной исходя из
требуемых режимов стабилизации. Обычно под исходной системой понимается
система, состоящая из управляемого объекта и управляющего устройства и не
снабженная необходимыми корректирующими средствами:
(2.7)
Строим располагаемую ЛАЧХ. Для этого производим статический расчет САУ по
задающему и возмущающему воздейставию.
Статический расчет САУ по задающему воздействию:
(2.8)
(2.9)
(2.10)
По возмущающему воздействию
(2.11)
(2.12)
(2.13)
Из предложенных
выбираем тот, который больше.
(2.14)
(2.15)
(2.16)
(2.17)
(2.18)
Построение желаемой ЛАЧХ делается на основе тех требований, которые
предъявляются к проектируемой системе управления, такие как перерегулирование,
время переходного процесса, коэффициенты ошибок.
Определяем частоту фазы желаемой ЛАЧХ.
. (2.19)
Находим ЛАЧХ последовательного корректирующего устройства путем вычитания
ЛАЧХ располагаемой системы и ЛАЧХ желаемой системы.
(2.20)
(2.21)
(2.22)
МП реализует передаточные функции регулятора и корректирующего звена. Из
условия подавления помех определим
.
Передаточная функция регулятора ПИД -
типа имеет вид:
; (2.23)
; (2.24)
(2.25)
; (2.26)
Т.к при построении ЛАЧХ мы учитывали интегрирующее звено, поэтому при
расчете
мы эту составляющую не учитываем.
На рис. 2.8 изображено построение ЛАЧХ.
Увеличение Т ухудшает качество регулирования ЦСАУ. Поэтому возникает
проблема компромиссного решения, удовлетворяющего противоречивым требованиям.
Практика проектирования ЦСАУ позволяет сделать практический вывод: для
обеспечения устойчивости ЦСАУ необходимо, чтобы частота 2/Т была, по крайней
мере, на 0,5 декады правее частоты среза желаемой ЛАЧХ непрерывной части:

0,08с. (2.28)
Таким образом, данный метод определения Т исходит из обеспечения
устойчивости ЦСАУ.
Передаточная функция цифрового регулятора имеет вид:
(2.29)
(2.30)
(2.31)
=
;
=
;
=
. (2.32)
2.3.3 Исследование и анализ
функциональных свойств цифровой системы
Структурная схема системы с цифровым регулятором представлена на рис. 2.9.
Рисунок 2.9 - Структурная схема исследуемой системы
Передаточная функция системы имеет вид:
. (2.33)
На рис. 2.10 показана переходная функция системы по задающему
воздействию.
Рисунок 2.10- Переходная функция системы по задающему воздействию
Из рис. 2.10 видно, что время переходного процесса по задающему
воздействию равно 2с.
На рис. 2.11 представлена диаграмма Боде.
Рисунок 2.11 - Диаграмма Боде
Из рис. 2.11 видно, что запас по амплитуде - 22,7 дБ, а запас по фазе- 44,5
°. Исследуем влияние на систему возмущений.
В данной работе будет исследована реакция системы на такие возмущения:
нестабильность питания(скачок)
от
- f1, пульсация
от
с частотой 100 Гц - f2 , наводки,
шумы - f3.
Первым рассмотрим влияние пульсации на систему управления анодным
напряжением в рентгеноскопической установке.
На рис. 2.12 показана структурная схема
исследуемой системы.
Рисунок 2.12 - Структурная схема исследуемой системы
Передаточная функция системы имеет вид:
. (2.34)
На рис. 2.13 изображена переходная функция системы по возмущающему
воздействию, которое подается на 5 секунде.
Рисунок 2.13- Переходная функция системы по возмущающему воздействию
Из рис. 2.13 видно, что время переходного процесса по возмущающему
воздействию равно 8с.
Вторым рассмотрим влияние нестабильности питания на систему управления
анодным напряжением в рентгеноскопической установке.
На рис. 2.14 показана структурная схема
исследуемой системы.
Рисунок 2.14 - Структурная схема исследуемой системы
Передаточная функция системы имеет вид :
. (2.35)
На рис. 2.15 показана переходная функция системы по возмущающему
воздействию, которое подается на 5 секунде.
Рисунок 2.15- Переходная функция системы по возмущающему воздействию
Из рис. 2.15 видно, что время переходного процесса по задающему
воздействию равно 6.5 с. Третье - влияние наводок на систему управления
анодным напряжением в рентгеноскопической установке.
Передаточная функция системы имеет вид :
. (2.36)
На рис. 2.17 показана переходная функция системы по возмущающему
воздействию, которое подается на 5 секунде.
Рисунок 2.17- Переходная функция системы по возмущющему воздействию
Из рис. 2.17 видно, что время переходного процесса по возмущающему
воздействию равно 4с. Теперь рассмотрим влияние всех возмущений на систему
управления анодным напряжением в рентгеноскопической установке. На рис. 2.18
показана структурная схема исследуемой системы.
Рисунок 2.18 - Структурная схема исследуемой системы
Передаточная функция системы имеет вид :
. (2.37)
На рис. 2.19 показана переходная функция системы по возмущающему
воздействию, которое подается на 5 секунде.
Рисунок 2.19- Переходная функция системы по задающему воздействию
Из рис. 2.19 видно, что время переходного процесса по возмущающему
воздействию равно 5с. Изучив полученные результаты, делаем вывод, что
полученная система удовлетворяет заданным в ТЗ данным.
В данной работе был проведен анализ и синтез системы
стабилизации скорости вращения паровой турбины. А также синтез цифрового
корректирующего устройства с получением дискретной передаточной функции
регулятора, статический и динамический расчет системы.
2.4
Экспериментальное определение коэффициента широтно-импульсного модулятора
Существуют несколько способов ввода аналоговых
сигналов в цифровую систему, альтернативных аналого-цифровому преобразованию.
Одним из них является формирование широтно-модулированных импульсов по
аналоговому сигналу и измерение их длительности микропроцессорным устройством.
ШИМ-модулятор состоит из генератора треугольных импульсов, выполненного
на операционном усилителе LM324N, и компаратора.
Мультивибратор - генератор с самовозбуждением - генератор пилообразных
(треугольных) импульсов. Он формирует два вида импульсов - прямоугольные и
треугольные (пилообразные).
Компаратор выполняет сравнение двух сигналов. Он предназначен для
логического сравнения двух различных величин. В данном случае компаратор
сравнивает сигнал с измерительного элемента - терморезистора, включенного в
резисторный делитель и сигнал, полученный с мультивибратора
Широтно-импульсный модулятор - преобразователь медленно меняющегося
входного сигнала в последовательность импульсов, характеризующихся постоянством
амплитуды и периода при изменении длительности импульса.
Рисунок 2.20 - ШИМ-модулятор
Для того, чтобы определить
необходимо построить статическую
характеристику.
- связь длительности импульса и напряжения.
- определение коэффициента широтно-импульсной модуляции.
На рис.2.21 представлена статическая характеристика ШИМ - модулятора.
Рисунок 2.21 - Статическая характеристика ШИМ - модулятора
От 0 до 1.48 В у ШИМ - модулятора нечувствительная зона, с 1.48 В и до
2.96 В - линейный участок, а от 2.96 В - зона насыщения.
В нашей системе на ШИМ - модулятор подается напряжение и на выходе у него
напряжение, поэтому
посчитаем исходя из функциональной схемы, изображенной на
рис. 2.22.
Рисунок 2.22 - ШИМ-модулятор
В данном разделе был произведен динамический расчет системы. Т.к
характеристики системы не удовлетворяли ТЗ, то в систему был введен цифровой
регулятор и рассчитаны его составляющие. Также рассмотрено влияние возмущений
на систему, таких как пульсация, наводки и нестабильность напряжения в сети.
Экспериментально был определен коэффициент широтно-импульсного модулятора,
путем построения статической характеристики.
3/ Конструкторская часть
3.1 Подготовка алгоритмов управления
к реализации на управляющем вычислителе
Данные на вычислитель поступают с двух источников. Первый,
, это задающее воздействие. Второй,
, это анодное напряжение. В данной
системе контроллер будет реализовывать ПИД- закон управления.
(3.1)
(3.2)
(3.3)
(3.4)
(3.5)
(3.6)
(3.7)
(3.8)
Все величины представляют собой напряжение в диапазоне от 0. . .+5В. Коды
данных величин поступают на микроконтроллер. Затем в ЦАП, потом на усилитель
мощности. Мы получили алгоритм управления вычислителем с точки зрения управленца,
теперь надо осуществить его программно. Мы можем посчитать сколько ячеек памяти
нам нужно, т.е. объем. Переменные составляющие , такие как
,
, записываем в оперативную память, а
коэффициенты(
,
,
,
,
) в постоянную память.
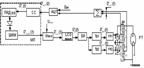
3.2 Функциональная схема вычислителя
Вычислитель предназначен для преобразования и обработки информации,
задающего и анодного напряжения в обратной связи. На входе вычислителя
аналоговый сигнал в диапазоне 0 … + 5V, и на выходе получен аналоговый сигнал в
диапазоне 0 … + 10V. Функциональная схема вычислителя представлена на рис. 3.1.
4 - ех разрядный аналоговый переключатель с декодером, который переключает
выход с 1 из 2 аналоговых входов применяется для реализации управляющего
преобразования аналоговой информации в АЦП. Номер данного входа определяется
двоичным числом поданным на управляющий вход. Информация относительно действий
в двоичном коде непосредственно идет от микроконтроллера. Десяти разрядный ЦАП
преобразует 8 -разрядный дискретный код в аналоговый, с этой целью на двух
младших битах ЦАП мы представляем землю. Это подразумевает, что в вычислитель
должены входить: микроконтроллер, ЦАП, АЦП, мультиплексор и согласующий
усилитель.
Рисунок 3.1 - Функциональная схема вычислителя
3.2.1 Функциональная схема и
характеристики интерфейса микроконтроллера
В структуру микроконтроллера семейства MK51 входит: длина слова
процессора 8 битов; генератор импульса часов; цепь управления и; таймеры -
счетчики; цепь входа - выхода (параллельный и последовательные интерфейсы);
блок обработки прерываний и т.д.
Через четыре запрограммированных параллельных порта вывода входа / выхода
и один последовательный порт микроконтроллера соединяется с внешними
устройствами. Цепь включения микроконтроллера К1816ВЕ51 представлена на рис.
3.2.
Рисунок 3.2 -Обозначение микроконтроллера K1816ВЕ51
3.2.2 Аналогово-цифровой
преобразователь K1113ПВ1
Аналогово-цифровые преобразователи применяются в измерительных и
измерительно - вычислительных комплексах, связывающих аналоговые источники,
измеряющие сигналы, с цифровыми устройствами обработки и представления
результатов измерения.
С целью сокращение количества вспомогательных элементов разработалась
устройство, функционально законченное, совместимое с микропроцессорами,
работающими с TTL-уровнями. АЦП имеет внутренний источник основного напряжения,
генератор часов и компаратор напряжения. Металлокерамический корпус типа
238.18-1 с вертикальным расположением выводов.
Данный АЦП относится к классу АЦП последовательного типа, это
функционально законченное и объединенное с микропроцессором устройство на
уровне TTL-сигналов.
Цель выводов АЦП: АI - аналоговый вход (U = 0 … 10,24 B или-5,12 … 5,12
B); V = 0/1 - выбор, быть - / униполярным способом преобразования; В/С - сброс/старт
преобразования; подача "прерывания" - минимум на 2 мкс; N0. N9 -
выход 10 -разрядного кода; #DR - сигнал готовности данных ("конец
преобразования"). Возможное входное напряжение: 0 … 10, 24 B или-5, 12 …
5, 12 B. Переключение режимов работы делается на входе V: в В=1 диапазон
входного напряжения 0-10, 24 B, в V=0 операции конвертера в ,биполярном режиме
(Uвх =-5, 12 … 5, 12 В). В этом случае диапазон конвертированного Uвх =-5, 12 …
5, 12 В, V=0.
В этом АЦП процесс конвертирования выполнен в “0” на входе
(блок - преобразование). Для загрузки
текущего целевого кода конвертера необходимо представить единицу (минимум на 2
мкс) на входе
. После того, как подается “0” на вход начинает новый цикл
преобразования. После завершения преобразования на входе
(Готов) есть сигнал "0". В
течение загрузки и преобразования на этой выходной единице поддержанные и
информационные выходы АЦП находятся в условии высокого импеданса. После
завершения преобразования, одновременно с сигналом готовности информации
выхода, установлен код, соответствующий результату преобразования. Цепь
включения ЦАП K1113ПВ1 представлена на рис. 3.3.
Рисунок 3.3 - Обозначение АЦП K1113ПВ1
Интегральная схема имеет устройства выхода с тремя устойчивыми условиями,
которые упрощают ее интерфейс на ствол данных микропроцессора. Маленький АЦП
может служить одному микропроцессору и напротив. Время преобразования Тtr
составляет 30 мкс. Ввиду загрузки / начало и прием данных общий цикл
преобразования составляет максимально 50 мкс, следовательно на АЦП такого типа
возможно реализовать опрос сигналов с частотой до 20 kГц. Основное преимущество
такого АЦП - непосредственно интерфейс с управляющим микропроцессорным блоком
3.2.3 Аналоговый ключ с декодером
K590KH3
Интегральная схема представляет восемь каналов (4´2) аналоговый переключатель с
декодером. Корпус типа 402.16-18. Вес не больше, чем 1,2 гр.
Цель выводов:
S0 - логический выход 20; V - вход санкции;
- напряжение мощности; Al0_Al3 -
аналоговые входы; Out - аналоговые выходы; GND - земля; S1 - логический выход 21.
Условное графическое обозначение IC K590KH3 представлено на рис. 3.4.
Рисунок 3.4 - Условное графическое обозначение K590KH3
Аналоговый переключатель с декодером позволяет делать опрос адреса
каналов уровня сигнала на входах S0-S1 для управления передачей аналоговой
информации в АЦП. Для операций в системах микропроцессора IC есть вход санкции
операции - вывод V.
3.2.4 Цифровой - аналоговый
преобразователь K572ПA1
Для операций ЦАП необходимо поместить шинный формирователь K533AП6. Цепь
включения ЦАП представлена на рис. 3.5. интегральная схнма представляет 10-ти
разрядный умножающий цифровой - аналоговый преобразователь. Он предназначен для
преобразования прямого параллельного двоичного кода с 10 разрядами цифровых
входов на аналоговые выходы, которые является пропорциональными значениями кода
и основного напряжения .Корпус типа 201.16-8, вес не больше, чем 2
Рисунок 3.5 - Цепь включения DAC K572ПA1
Цель выводов: Out2 - аналоговый вход; Out1 - аналоговый выход; земля; N9
- цифровой вход 1 (старшая категория); N8_N1 - цифровые входы 2 … 9; N0 -
цифровой вход 10 (младшая категория); Vcc - напряжение мощности; U0 - основное
напряжение; ОС - выход резистора обратной связи.
На входе мультиплексора аналоговый сигнал в диапазоне 0 …+ 5B. Управление
мультиплексора выполняется подачей сигнала от порта P1 микроконтроллера. Как от
порта P1 микроконтроллера управление (начало) через сигнал Старт и сигнал
готовности АЦП к операции ГОТОВО делает шаги на порт P1. После этого информация
с АЦП идет на порт P0 микроконтроллера, обработанная в нем и через порт P2
усиленная, , и там выход выводится на ЦАП, далее на исполнительное устройство.
Кварцевый резонатор устанавливает частоту таймера операции микроконтроллера. В
приложении представлена схема цепи вычислителя.
Принципиальная схема управляющего вычислителя, спецификация и сборочный
чертеж представлены в приложении А.
3.2 Разработка программного
обеспечения на языке ассемблер используемого микропроцессором
Вычислитель на основе микроконтроллера выполняет следующие операции: -
прием и обработка информации задающего воздействия, анодного напряжения; -
реализация закона управления; - реализация сигнала ШИМ. На рис. 3.6
представлен упрощенный алгоритм операций вычислителя. Управление мультиплексора
выполнен через V - разрешение работы мультиплексора и S0, S1 - адреса входов,
которые коммутируются с выходом. Сигнал готовности АЦП к операции ГОТОВО на
порт P1 микроконтроллера делается от управления микроконтроллера (старт) через
сигнал СТАРТ. После этого информация с АЦП переводится на порт P0
микроконтроллера, обрабатывается и через порт P2 выводится на ЦАП.
Рисунок 3.6 - Блок - схема операций вычислителя
Расчет параметров настройки таймеров:
Таймер Т0 работает в режиме 16-ти разрядного таймера, следовательно
Nmax=65535;
. (3.9)
Формула для определения стартового числа:
. (3.10)
Для вычисления стартового числа разобьем Tdiscr=80 мс
на два по 40 мс.
Tdiscr=40 мс, следовательно
. (3.11)
Определим время Т0.
(3.12)
Если
< Tdiscr , то программа реализуема.
4. ТЕХНОЛОГИЧЕСКИЙ ПРОЦЕСС СБОРКИ
ПЕЧАТНОГО УЗЛА ВЫЧИСЛИТЕЛЯ
4.1 Анализ технологичности
Под технологичностью изделия понимают совокупность свойств конструкции
изделия, проявляемых в возможности оптимальных затрат труда, средств,
материалов и времени при технологической подготовке производства, изготовлении,
эксплуатации и ремонте при обеспечении необходимого качества изделия. Стандарты
ЕСТПП предусматривают обязательную отработку конструкции на технологичность на
всех стадиях ее создания с помощью показателей технологичности.
Показатель технологичности - качественная или количественная
сравнительная оценка того или иного свойства или совокупности свойств объекта,
которая используется для принятия управленческого решения по изменению или
стабилизации этого свойства или их совокупности.
Исходными данными для анализа технологичности являются: чертеж
конструкции изделия (сборочный чертеж), соответствующая ему спецификация,
технологические документы.
4.1.1 Качественная
оценка технологичности
Качественная оценка технологичности раскрывает
конструктивно-технологические особенности изделия к изготовлению по основным
видам работ. Она выражается понятиями: "хорошо - плохо",
"соответствует - не соответствует", "технологично - не
технологично", "допустимо - недопустимо".
Компоновочные решения: Данная печатная плата имеет прямоугольную форму
, является однослойной и односторонней, так как ЭРЭ расположены с одной стороны
- технологично, так как упрощает сборку, пайку и позволяет автоматизировать
работы.
На плате отсутствуют окна и отверстия большого размера - технологично,
упрощает сборку (не будет усложнений при пайке) и позволяет автоматизировать
работы;
Элементы расположены со средней плотностью (монтаж на поверхность) -
технологично, так как не вызывает трудностей при закреплении элементов на
плату; Форма печатной платы из размеров со стандартного ряда -
технологично; компоненты платы расположены параллельно либо перпендикулярно
сторонам печатной платы, что является технологичным и доступным для
автоматизации:
- взаимозаменяемость: полная, так как все элементы стандартные,
соответствуют гостам , легко заменяются аналогами;
контролепригодность: хорошая: существует возможность проведения контроля
как поэлементно до сборки, так и в процессе сборки. Легко осуществляется
контроль собранного изделия в целом - технологично.
Вид подготовки: выводы всех ЭРЭ лудятся, формуются и обрезаются.
Вид установки: 1) на свои выводы в отверстие с подгибкой выводов; 2)
приклеиванием. Установку элементов возможно производить на плату большей частью
автоматически (на свои выводы, а микросхемы - на клей);
Вид монтажа: наведение надежных электрических связей осуществляется с
помощью пайки;
инструментальная доступность: хорошая, так как ЭРЭ на печатной плате
не закрывают друг друга (свободный доступ к элементам) и плотность их
размещения средняя;
регулируемость: Данная плата не содержит элементов настройки, значит
регулировка не требуется и это технологично;
способы защиты от внешних воздействий: покрытие лаком от воздействия
влаги - технологично.
4.1.2 Количественная
оценка технологичности
Исходными данными для анализа технологичности являются:
Нмс =6- общее количество микросхем и микросборок в изделии.
Нэрэ =13- общее количество ЭРЭ.
Нам=149 - количество монтажных соединений, которые могут осуществляться
механизированным или автоматизированным способом.
Нм =149- общее количество монтажных соединений.
Нмпэрэ=7- количество ЭРЭ, подготовка которых к монтажу может
осуществляться автоматизированным или механизированным способом.
Нмкн=5- количество операций контроля и настройки, которые можно
осуществить механизированным способом.
Нкн =6- общее количество операций контроля и настройки.
Нт эрэ =13- общее количество типоразмеров ЭРЭ в изделии.
Нт ор эрэ =0- количество типоразмеров оригинальных ЭРЭ в изделии.
Вычисления частных показателей технологичности:
-коэффициент использования микросхем и микросборок:
; (4.1)
-коэффициент автоматизации и механизации монтажа
изделия:
; (4.2)
-коэффициент автоматизации и механизации подготовки
ЭРЭ к монтажу:
; (4.3)
-коэффициент
автоматизации и механизации операций контроля и настройки электрических
параметров:
; (4.4)
-коэффициент повторяемости ЭРЭ:
; (4.5)
-коэффициент использования ЭРЭ:
; (4.6)
Определение значения комплексного показателя
технологичности:
К =
kiφi/
φi, (4.7)
где ki - значение показателя по таблице базовых
показателей технологичности электронных блоков; φi - значимость показателя; i -
порядковый номер показателя; s - общее число показателей.
Весовая значимость показателей: φ1=
φ2=1, φ3=0.75, φ4=0.5, φ5=0.31, φ6=0.187. Комплексный показатель:
. (4.8)
По комплексному показателю можно сделать выводы, что конструкторская
документация является технологичной для стадии технологической подготовки
производства «разработка рабочей документации для серийного производства», т.к.
комплексный показатель попадает в пределы 0.5 - 0.8 для электронных блоков.
4.2
Разработка технологической схемы сборки
Разработка технологического маршрута сборки начинается с расчленения
изделия или его части на сборочные элементы путем построения схем сборочного
состава, и технологических схем сборки. Расчленение изделия на элементы
проводится независимо от программы его выпуска и характера технологического
процесса сборки. При разработке технологической схемы сборки формируется
структура операций сборки, устанавливается их оптимальная последовательность,
вносятся указания по особенностям выполнения операций. Схемы сборки составляют
как для отдельных сборочных единиц, так и для общей сборки изделия.
Технологическая схема сборки раскрывает структуру изделия, его
расчленённость на составные части. Она позволяет определить последовательность
сборки и возможность организации сборочного процесса. Также с её помощью можно
выделить минимальные по объёму самостоятельно выполняемые работы (переходы). За
базовую деталь выбираем плату (поз.1).Маркируем эмалью: ставим фабричный номер
и номер изделия, а затем сушим. Устанавливаем микросхему поз.2 согласно пункту
1,10, клеим ее и паяем, промываем, сушим, и делаем контроль. Далее
устанавливаются конденсаторы поз.13, кварц поз.8, резисторы поз.12, стабилитрон
поз.14 с одновременной подгибкой выводов (п.2). После этого устанавливаем
микросхемы 3-7 с подгибкой диагональных выводов. Затем делаем контроль (п.4).
Установленные элементы паяются. Затем идет промывка, сушка и контроль (п.4).
После этого производится контроль электрических связей (п.4), пайка, промывка,
сушка и снова контроль. Далее производится лакирование. После установки
основных элементов, устанавливаем разъемы поз. 9-11(п.9). После этого производится
пайка волной, промывка, сушка, контроль, лакирование, контроль. И в завершении
клеймить.
4.3 Разработка маршрутной технологии
Для проектирования операций необходимо знать маршрутную технологию общей
и угловой сборки, схему базирования и закрепления изделия, намеченные ранее
операции. Проанализировав типовой технологический процесс сборки типовых
конструкций электронных узлов и блоков, установим следующие операции единичного
технологического процесса сборки блока ПВС: комплектовочная, подготовительная,
промывка, маркировка, сушка, лужение выводов, формовка, подготовительная
обрезка выводов, сборка, пайка, лакирование, клеймить, контроль.
4.4 Разработка операционной
технологии
При проектировании операции уточняют ее содержание,
устанавливают последовательность и возможность совмещения переходов во времени,
окончательно выбирают оборудование, приспособления и инструменты (или дают
задание на их конструирование), назначают режимы работы сборочного
оборудования, корректируют нормы времени, устанавливают настроечные размеры и
составляют схемы наладок.
4.4.1 Выбор операции для разработки и
оптимизации по производительности
Разработку операционной технологии рассмотрим на
примере одной операции. Возьмём сборочную операцию 70 - установка ЭРЭ на
печатной плате в количестве 11 штук. Установку радиоэлементов можно производить
различными способами: вручную, на автоматических линиях или с помощью различных
автоматов и полуавтоматах.
4.4.2 Установление содержания
переходов, вариантов выполнения операции и их нормирование
При ручной установке навесных ЭРЭ на печатную плату с креплением и
подгибкой выводов выполняются следующие переходы:
Таблица 4.2 Переходы при ручной установке навесных ЭРЭ
на печатную плату с креплением и подгибкой выводов
|
№ перехода
|
Содержание переходов
|
ТОП справочное
|
Количество ЭРЭ
|
ТОП расчетное
|
|
1
|
Извлечь плату из тары
|
0,2
|
1
|
0,2
|
|
2
|
Установить плату на
подставку
|
1,99
|
1
|
1,99
|
|
3
|
Извлечь ЭРЭ из тары
|
0,03
|
1
|
0,03
|
|
4
|
Установить ЭРЭ на плату,
вставив выводы в соответствующие отверстия платы
|
0,07 0,09
|
1
|
0,07 0,09
|
|
5
|
Подогнуть выводы с обратной
стороны платы
|
|
|
|
|
6
|
Обрезать излишки выводов
|
|
|
|
|
7
|
Повторить переходы 3-6 для
остальных ЭРЭ согласно чертежу
|
0.19
|
10
|
1,9
|
|
8
|
Снять плату с
установленными ЭРЭ с подставки
|
1,8
|
1
|
1,8
|
|
9
|
Уложить плату с
установленными ЭРЭ в тару
|
0,5
|
1
|
0,5
|
|
Общее
|
6,58
|
При установке навесных ЭРЭ на печатную плату при помощи установки
программируемой сборки «Силуэт» АЦУ.461.00.00.0000 выполняются следующие
переходы:
Таблица 4.3 Переходы установке навесных ЭРЭ на печатную плату при помощи
установки программируемой сборки «Силуэт» АЦУ.461.00.00.0000.
|
№ перехода
|
Содержание переходов
|
ТОП справочное
|
Количество ЭРЭ
|
ТОП расчетное
|
|
1
|
Включение тумблера «Сеть»
|
0,05
|
1
|
0,05
|
|
2
|
Извлечь плату из тары
|
0,2
|
1
|
0,2
|
|
3
|
Установить плату на
монтажный стол
|
0,05
|
1
|
0,05
|
|
4
|
Произвести загрузку
элементов во внутренние кассы транспортера, предварительно извлекши ЭРЭ из
тары.
|
0,05
|
11
|
0,55
|
|
5
|
Произвести запись программы
размещения элементов на печатной плате
|
0,05
|
1
|
0,05
|
|
6
|
Извлечь элемент из кассы
|
0,03
|
1
|
0,03
|
|
7
|
Произвести установку
элементов на печатную плату согласно записанной программы с учетом пятна
светового указателя
|
0,04
|
1
|
0,04
|
|
8
|
Повторить переходы 6-7 для
остальных ЭРЭ согласно чертежу
|
0,07
|
10
|
0,7
|
|
9
|
Закрепить элементы на
печатной плате технологическим прижимом
|
0,03
|
1
|
0,03
|
|
10
|
Снять плату с
технологическим прижимом с монтажного стола
|
0,02
|
1
|
0,02
|
|
11
|
Подогнуть выводы элементов
с обратной стороны печатной платы в соответствии с ОСТ 92-9389-80
|
0,06
|
11
|
0,66
|
|
12
|
Снять технологический
прижим
|
0,02
|
1
|
0,02
|
|
13
|
Уложить плату с элементами
в тару
|
0,5
|
1
|
0,5
|
|
Общее
|
2,9
|
Разработка маршрутной технологии и операционной технологии представлена в
приложении В.
4.4 Разработка операционной
технологии
4.4.3
Определение оптимального варианта выполнения операции по производительности в
зависимости от числа изделий в партии
Выполним
нормирование данной операции:
, (4.9)
где
- количество изделий в партии
, (4.10)
где К=1; К1=7,6%Топ; К2=3%Топ (4.11)
для установки на устройстве программируемом «Силуэт»:
(мин); (4.12)
;(мин) (4.13)
; (4.14)
для ручной установки:
(мин); (4.15)
(мин); (4.16)
. (4.17)
По полученным в п.4.4.2 характеристикам
построим графики. Графики
трудоёмкости операций в ручном режиме и на установке «Силуэт» показаны на рис.
4.1.
Рисунок 4.1 - Трудоёмкости операций в ручном режиме и на установке
«Силуэт»
Характерной точкой на представленых графиках является
критический объем партии nкр=3.4 шт, при котором оба варианта
выполнения операции подготовки ЭРЭ к сборки равноценны.Учитывая, что наше n=74, из
полученных графиков видно, что для данного ТП целесообразнее использовать
установку программируемую «Силуэт», так как 262.165< 550,893, то есть
трудоемкость операций на установке «Силуэт» меньше, чем в ручном режиме.
5. ЭКОНОМИЧЕСКАЯ
ЧАСТЬ
5.1 Описание изделия
К выпуску предлагается система управления напряжением рентгеноскопической
установки.
Разрабатываемое устройство предназначено для использования в составе
досмотровых комплексов.
Также возможно использование данной системы в таможенных службах, таких
как аэропорты и автовокзалы, в службах безопасности и лабораториях.
Система досмотра багажа состоит из следующих функциональных блоков:
- вычислительный блок;
аналогово - цифровой преобразователь;
блок инверторов;
трансформатор;
умножитель напряжения;
- рентгеновская трубка.
Основные функции системы - обеспечение точности изображения, заданных
значений частоты и интенсивности рентгеновского излучения, которые зависят от
параметров питания рентгеновской трубки (анодное напряжение). Устройство имеет
следующие технические характеристики:
схема включения рентгеновской трубки - со средней точкой;
управляемые параметры: анодное напряжение, анодный ток;
- интерфейс управления - аналоговый 0…30 В.
Устройство отвечает современным требованиям, предъявленным к приборам
подобного класса, по надежности конструкции, производительности, габаритным
размерам, массе.
5.2 Оценка рынка сбыта установки
В данном пункте будут выявлены и оценены сегменты рынка сбыта
проектируемого изделия. Сегмент - это группа потребителей, одинаково
реагирующих на товар.
Разрабатываемая система поставляется таможенным службам и отдельным
организациям, требующим высокого уровня безопасности как конечное изделие. Поскольку
данные системы производятся по заказу, то сегментирование рынка целесообразно
проводить по конечным заказчикам. Кроме того, потребителями являются также
лаборатории, занимающиеся рентгеноструктурными исследованиями.
Определим полную потребность в товаре данного вида:
, (5.1)
где L - количество сегментов рынка;
- годовая емкость i-го сегмента, шт.
Полная потребность сегмента в товаре определяется следующим образом:
,(5.2)
где
- количество потребителей в i-м сегменте;
- коэффициент охвата, т.е. доля
покупателей, которые могут приобрести товар в i-м сегменте;
- комплектность покупки, т.е.
среднее количество изделий, необходимое одному покупателю в i-м сегменте.
При укрупненных расчетах годовой емкости можно учесть средний срок
повторения покупки подобных товаров
, (5.3)
где
- средний срок повторения покупки в i-м сегменте;
- коэффициент резерва.
Распространение изделия предполагается на территории Украины. Результаты
сегментирования рынка отображены в табл. 5.1
Таблица 5.1 Результаты сегментирования рынка сбыта
|
Организация
|
|
|
|
, шт
|
, лет
|
|
, шт/год
|
|
Таможенные организации
|
150
|
0,4
|
6
|
360
|
5
|
0,1
|
79,2
|
|
Службы безопасности
|
400
|
0,3
|
1
|
120
|
3
|
0
|
40
|
|
Лаборатории
|
70
|
0,6
|
2
|
84
|
2
|
0,05
|
44,1
|
|
Итого
|
620
|
|
|
564
|
|
|
163
|
Таким образом, годовая емкость украинского рынка для предлагаемого
изделия составляет 163 шт./год. В результате поиска изделий-конкурентов были
определены основные производители систем управления рентгеновскими установками,
предлагающими свою продукцию на территории Украины. В таблице 5.2 приведены
сводные данные о емкости рынка Украины, занимаемого изделиями-конкурентами.
Таблица 5.2 Сводные данные о емкости рынка
|
Часть рынка
|
Емкость рынка
|
|
%
|
шт./год
|
|
Годовая емкость
|
100
|
163
|
|
Smiths Heimann GmbH
|
15
|
24
|
|
Rapiscan Systems
|
35
|
57
|
|
ЗАО "Тестрон"
|
10
|
16
|
|
Итого конкурентов
|
60
|
97
|
|
Свободная емкость
|
40
|
66
|
Свободная емкость для предлагаемого изделия составляет примерно 40% общей
емкости рынка. Объем реализации составляет 66 шт./год.
5.3 Прогнозирование
себестоимости изготовления изделия
Для определения себестоимости системы управления рентгеноскопической
установкой мы подробнее рассмотрим один из блоков данной системы. Стоимость
блока вычислителя составляет 7% от стоимости всей системы.
5.3.1 Расчет себестоимости блока
вычислителя
Для определения себестоимости блока применим метод структурных
коэффициентов.
При этом методе детальный расчёт производится не по всем статьям
калькуляции, а только по одной из них. Полная величина себестоимости
определяется по удельному весу этой статьи в общей себестоимости. Удельные веса
(структурные коэффициенты) принимаются по подобным конструкциям, освоенным в
производстве.
Себестоимость нового прибора определяется по формуле:
, (5.4)
где Сп - затраты на покупные изделия в разрабатываемой
аппаратуре;
Уп - удельный вес затрат на покупные изделия в себестоимости
аналогичных изделий.
Расчет количества и стоимости покупных изделий, входящих в проектируемый
БВ приведен в табл. 5.3.
Таблица 5.3 Себестоимость покупных изделий
|
Наименование покупных
изделий
|
Тип, техническое
обозначение
|
Количество изделий в
приборе
|
Цена за единицу изделия,
грн
|
Сумма,грн
|
|
Корпус вычислителя
|
|
1
|
2
|
2
|
|
Микросхемы
|
|
|
|
|
|
К1113ПВ1
|
DA3
|
1
|
7
|
7
|
|
К572ППА1
|
DA2
|
1
|
8,15
|
8,15
|
|
К140УД608
|
DA4
|
1
|
3
|
3
|
|
К590КНЗ
|
DA1
|
1
|
9,38
|
9,38
|
|
К1533
|
DD2,DD3
|
2
|
1,85
|
3,7
|
|
K1816BE51
|
DD1
|
1
|
7,03
|
7,03
|
|
Разъем
|
DRB -9MA
|
1
|
1
|
1
|
|
Конденсаторы
|
|
|
|
|
|
К 10-7B-10пФ±20%-В
|
С1-С3
|
3
|
0,15
|
0,45
|
|
К 50-6-10-100мкФ±20%-В
|
С4-С6
|
3
|
0,30
|
0,90
|
|
Резисторы
|
R1-R4
|
4
|
0,15
|
0,60
|
|
Диод
|
VD1
|
1
|
0,60
|
0,60
|
|
Кварцевый резонатор
|
ZQ1
|
1
|
1,02
|
1,02
|
|
Плата
|
|
1
|
2
|
2
|
|
Итого
|
|
|
|
46,83
|
|
Транспорно-изготовительные-расходы(4%)
|
|
|
|
1,87
|
|
Всего
|
|
|
|
48,7
|
Используя данные таблицы 5.3, рассчитаем себестоимость вычислителя. При
этом удельный вес затрат Уп принимаем равный 50%.
. (5,5)
Приведем структуру полной
себестоимости в табл. 5.4.
Таблица 5.4 Структура полной себестоимости изделия
|
Статьи затрат
|
Доля себестоимости,%
|
Доля себестоимости, грн
|
|
Основные материалы
|
8
|
7,79
|
|
Покупные изделия
|
50
|
48,7
|
|
Заработная плата
производственных рабочих
|
10
|
9,74
|
|
Расходы на эксплуатацию
оборудования
|
20
|
19,48
|
|
Общезаводские расходы
|
10
|
9,74
|
|
Внепроизводственные расходы
|
2
|
1,9
|
|
Итого полная себестоимость:
|
100
|
97,4
|
Приближенная стоимость всей системы управления определяется, если
известна себестоимость одного из блоков, а также доля, которую данный элемент
занимает в общей цене изделия - аналога.
5.3.2 Расчет себестоимости и цены
системы управления
Блок вычислителя составляет 7 % от стоимости всей системы. Поэтому
себестоимость системы определяем по формуле :
где
, (5,6)
. (5,7)
Цена изготовления изделия с учетом прибыли составляет:
, (5,8)
где α - процент прибыли, который равен 25%.
. (5,9)
Цена изготовления с учетом налога на добавочную стоимость (НДС):
, (5,10)
где Н - процент налога на добавочную стоимость, который составляет 20%.
. (5,11)
В результате проведенных вычислений была получена цена, реализации
системы, которая составила 2086 грн.
5.4 Анализ
конкурентоспособности изделия
Проведем анализ конкурентоспособности нового разрабатываемого изделия с
помощью обобщенного показателя качества, который учитывает всю систему основных
единичных показателей, и характерен для рассматриваемого устройства.
В пункте 5.2. были выявлены основные конкуренты на украинском рынке,
такие как Smiths Heimann, Rapiscan Systems, ЗАО "Тестрон". Главным
отличием их изделий от разрабатываемой системы является то, что их системы
аналоговые, а не цифровые. Так же отличие в технических характеристиках,
которые будут приведены ниже.
Сравнение характеристик предлагаемого устройства будет производиться с
наиболее близкими моделями каждого производителя.
Показателями качества предлагаемого изделия являются:
- точность изображения;
- рабочий диапазон частот излучения;
стабильность поддержания частоты излучения;
стабильность поддержания интенсивности излучения;
наработка на отказ;
потребляемая мощность;
цена устройства.
При сравнении вариантов используется следующий порядок расчета.
. Выделяются эталонные значения отдельных показателей качества
и формируется гипотетический
вариант.
Гипотетический вариант - искусственно созданный вариант, у которого
каждый показатель имеет лучшее возможное значение.
. Каждому показателю качества присваиваем коэффициент весомости, в сумме
которые равны 1.
. Рассчитывается относительное значение единичных показателей
путем сравнения
с
с учетом того, что для
гипотетического варианта относительные показатели равны единице
, для других 
1.
Точность изображения, рабочий диапазон частот излучения, стабильность
поддержания частоты излучения, стабильность поддержания интенсивности
излучения, наработка на отказ оценивались по десятибалльной системе.
Для максимизируемых показателей качества (показатели 1-5 табл.5.5)
, (5.12)
а для минимизируемых (показатели 6,7)
,
где
- абсолютные значения i-го показателя для рассматриваемого
j-го варианта;
- абсолютные значения i-го показателя для гипотетического
варианта.
Определяются обобщенные показатели качества
для всех рассматриваемых вариантов
(5.13)
где
- коэффициент весомости i-го показателя.
Расчёты обобщенных показателей качества представлены в табл. 5.5.
Таблица 5.5 Расчёт обобщенных показателей качества
Исходя из результатов сравнительного анализа, наибольшее значение
показателя качества имеет разрабатываемое изделие. Ближайшим конкурентом
является продукция Smiths Heimann GmbH. Уровень качества предлагаемого изделия
в сравнении с этим конкурентом составляет:
. (5.14)
Сравнение изделий, присутствующих на украинском рынке, показало, что
разрабатываемое изделие обеспечивает наибольшую точность изображения,
стабильность частоты излучения, стабильность интенсивности излучения - основные
требования для автоматических детекторов и лабораторных систем. По
второстепенным техническим показателям (рабочий диапазон, потребляемая
мощность, наработка на отказ) новое устройство обладает средними показателями.
Цена изделия - также на среднем уровне.
Таким образом, уровень качества проектируемого изделия превосходит
единицу. По полученному уровню качества можно сделать вывод, что положение на
рынке разрабатываемого изделия будет устойчивым. При удачной маркетинговой
политике возможно расширение рынка сбыта за счет вытеснения уступающих по
качеству изделий на емкость большую, чем определена в пункте 5.2.
5.5 Стратегия
маркетинга
В этом пункте будут освещены вопросы: организация сбыта изделия, реклама,
сервисное обслуживание.
Сбыт разрабатываемого изделия будет осуществляться прямыми поставками в
виде мелкооптовой торговли по предварительному заказу. Сроки поставок и способы
доставки изделий оговариваются изготовителем с каждым конкретным потребителем.
Изготовитель предоставляет гарантию на комплектность изделий, доставку партии в
оговоренный срок, а также обеспечивает установку и гарантийное обслуживание в
течение срока, заданного в технической документации. При разработке устройства
предусматриваются затраты на его рекламу. Изделие будет рекламироваться в журналах
технического направления (физика, электроника, автоматика, метрология, системы
безопасности), а также на специализированных сайтах с подобной тематикой.
Первоочередное внимание предоставляется участию в специализированных выставках.
Сервисное обслуживание включает: доставка, установку устройства на рабочем
месте, обучение работе с устройством, гарантийный ремонт. Кроме того, возможно
платное обслуживание изделий, по истечении гарантийного срока. При заключении
договоров о поставке изделий предусматривается возможность разработки
модификаций базового устройства, сопряжения его с оборудованием заказчика, а
также модернизации оборудования заказчика на базе разрабатываемого устройства.
5.6 Баланс доходов и
расходов
Система будет изготавливаться на приборостроительном заводе.
Исходя из оценки рынка сбыта изделия и анализа его конкурентоспособности,
в табл. 5.6 представлен план доходов и расходов. Годовой объем реализации
продукции в первый год составляет 65 изделий. Второй и третий годы учитывают
вытеснение конкурентов благодаря постепенному ознакомлению потенциальных
покупателей с предлагаемой продукцией, приобретению постоянных клиентов, что
ведет к расширению сегмента рынка. Себестоимость и цена реализации изделия без
НДС рассчитаны в пункте 5.3. Прибыль рассчитывается как разность между выручкой
от реализации (в ценах продажи без налога на добавленную стоимость) и
стоимостью изготовления.
Таблица 5.6 Баланс доходов и расходов на предлагаемое изделие
|
Показатели
|
Годы производства и
реализации товара
|
|
№
|
Наименования
|
Единицы измерения
|
Первый
|
Второй
|
Третий
|
|
1
|
Объем реализации
|
шт/год
|
65
|
70
|
75
|
|
2
|
Цена продажи изделия (без
НДС)
|
грн/шт
|
1738,75
|
1738,75
|
1738,75
|
|
3
|
Выручка от реализации
|
грн/год
|
113018,75
|
121712,5
|
130406,25
|
|
4
|
Себестоимость системы
|
грн/шт
|
1391
|
1391
|
1391
|
|
5
|
Себестоимость реализованных
изделий
|
грн/год
|
90415
|
97370
|
104325
|
|
6
|
Прибыль от реализации
изделий
|
грн/год
|
22603,75
|
24342,5
|
26081,25
|
5.7 Заключение
Основными потребителями предлагаемой системы управления рентгеновским
излучателем являются производители средств досмотра багажа, и лаборатории,
занимающиеся рентгеноструктурными исследованиями. Произведено сегментирование
рынка, определен свободный сектор рынка, который составляет 40% общей емкости
рынка или 66 шт./год. Определена годовая программа выпуска 65 шт. При условии
вытеснения конкурентов предполагается увеличение программы выпуска до 75
шт./год.
Методом структурных коэффициентов определена себестоимость системы
управления - 1391 грн. Цена реализации с учетом предполагаемой прибыли и НДС
составляет
грн.
Произведен анализ конкурентоспособности нового разрабатываемого изделия с
помощью обобщенного показателя качества. Определен ближайший конкурент - Smiths
Heimann GmbH. Уровень качества разрабатываемой системы в сравнении с изделием
конкурентом составляет 1,087. Сырье, материалы и комплектующие изделия,
используемые для выпуска устройства, не являются остро дефицитными, их
предлагается покупать у реализаторов на территории Украины. Прогнозируемая
прибыль после первого года реализации изделия составляет 22604 грн., после
второго - 24342 грн., после третьего - 26081 грн.
6.
безопасность жизнедеятельности
6.1 Выявление и
анализ вредных и опасных производственных факторов, действующих в рабочей зоне
проектируемого объекта
Разработка модели системы управления, исследование ее характеристик,
разработка принципиальной схемы, печатной платы и даже написание технической
документации неразрывно связаны с использование компьютера. В процессе работы
оператор подвергается влиянию разнообразных вредных и опасных факторов,
связанных с работой в аудитории с компьютерами. Поэтому при проектировании
системы управления напряжением рентгено-телевизионной установкой необходимо
учитывать вопросы безопасности труда.
В данном разделе будет рассматриваться рабочее место оператора.
Данная работа относится к легким физическим работам, но характеризуется
напряженным умственным трудом, то руководствуясь ГОСТ 12.1.005-88, ее относят к
категории Ia (легкой), так как работа оператора производится сидя, не требует
систематического физического напряжения или поднятия и переноса тяжестей
(расход энергии при выполнении работы до 139 Вт).
Вредный производственный фактор - производственный фактор, воздействие
которого на работающего в определенных условиях приводит к заболеванию или
снижению работоспособности.
Опасный производственный фактор - производственный фактор, воздействие
которого на работающего в определенных условиях приводит к травме или другому
внезапному ухудшению здоровья.
Согласно ГОСТ 12.0.003-74 вредные и опасные производственные факторы
подразделяются по природе действия на физические, химические, биологические и
психофизиологические. К физическим факторам, действующим в рабочей зоне
оператора относятся:
высокое электрическое напряжение (сеть питания ПК, других периферийных
устройств и источника питания блока двигателей-маховиков),
повышенный уровень статического электричества (высокое напряжение
электронной лучевой трубки (ЭЛТ),
диэлектрические поверхности), электромагнитные излучения (ЭЛТ монитора),
повышенный уровень ионизации воздуха (рентгеновское излучение монитора и
статическое электричество),
рентгеновское излучение (ЭЛТ монитора),
повышенный уровень шума и вибрации (устройства охлаждения ПК, блок
двигателей-маховиков),
повышенная пульсация светового излучения (лампы дневного света, экран
монитора),
недостаточная освещенность рабочей зоны (система естественного и
искусственного освещения),
неблагоприятные метеоусловия (состояние систем отопления, вентиляции),
прямая и отраженная блескость (внешние источники света, воздействующие на
экран),
пожароопасность помещения (наличие сгораемых материалов и источников
зажигания).
Из них вредными являются факторы: электромагнитные излучения, повышенный
уровень ионизации воздуха, рентгеновское излучение, повышенный уровень шума и
вибрации, повышенная пульсация светового излучения, недостаточная освещенность
рабочей зоны, неблагоприятные метеоусловия, прямая и отраженная блескость,
Опасные факторы :высокое электрическое напряжение, повышенный уровень
статического электричества, пожароопасность помещения
Психофизиологические факторы, действующие в рабочей зоне проектируемой
системы: перенапряжение зрения, монотонность труда, умственные и эмоциональные
перегрузки.
Все психофизиологические факторы являются вредными. Но нужно помнить, что
при длительном влиянии вредные факторы могут стать опасными. В качестве
вредного производственного фактора выберем недостаточную освещенность рабочей
зоны, и проведем расчет искусственного освещения в следующих пунктах работы.
Методы устранения вредных и опасных факторов при работе в аудитории с
компьютером: для нормализации влажности воздуха в помещения с ПЭВМ следует
применять увлажнители воздуха, заправленные ежедневно дистиллированной или
прокипяченной водой; для снижения величины возникающих зарядов статического
электричества покрытие полов следует выполнять из однослойного
поливинилхлоридного антистатического линолеума; для защиты от
электростатических полей в помещениях с компьютером применяются нейтрализаторы
и увлажнители; следовать правилам техники безопасности; для борьбы с
загрязнением воздуха устанавливают общеобменные и местные вентиляционные
системы; выполнение работающими правил личной гигиены; защита от шума
достигается разработкой шумобезопасной техники, применением средств и методов
коллективной защиты; для уменьшения вибрации, передаваемой на рабочем месте,
применяются специальные амортизирующие сиденья, площадки с пассивной пружиной
изоляции; при недостаточном освещении проектируется искусственное освещение;
при предотвращении пожара необходимо обучение работающих пожарной безопасности,
проведение инструктажа, бесед, лекций, соблюдение противопожарных правил и норм
при устройстве отопления, оборудования и правильное содержание зданий и территорий.
6.2 Расчет
искусственного освещения в производственных помещениях
В темное время суток освещение в нашей аудитории - искусственное.
Искусственное освещение может быть двух систем: общее и комбинированное. В
нашем случае оно общее равномерное, так как светильники расположены в верхней
зоне помещения равномерно, по функциональному значению - рабочее.
Для расчета общего искусственного освещения светильниками любого типа
наибольшее распространение имеет метод коэффициента использования светового
потока. Световой поток ламп в светильнике определяется следующим образом:
(6.1)
где
световой поток ламп в светильнике, лм;
нормируемая освещенность, лк;
коэффициент запаса;
освещаемая площадь,
;
коэффициент неравномерности
освещения;
число светильников;
коэффициент использования светового
потока.
Источник света вместе с осветительной арматурой называется светильником,
или осветительным прибором. Светильники классифицируются по распределению
светового потока, степени защиты от пыли, воды и взрыва, способу установки и
электроизоляции.
На рис. 6.1 представлена схема расположения светильников в нашей
аудитории с подписанными числовыми значениями.
Рисунок 6.1 - Схема расположения светильников
Расположение светильников общего освещения в аудитории определяется
высотой
помещения, расстоянием
от светильников до перекрытий
(«свес»), высотой
, на которой светильники расположены над полом, расчетной
высотой
, на которой находится расчетная
поверхность над полом, расчетной высотой
, расстоянием
между соседними светильниками или
рядами люминесцентных светильников, расстоянием
от крайних светильников до стены.
Для определения коэффициента использования найдем индекс помещения
следующим образом:
(6.2)
где
и
- длина и ширина помещения, м.
таким образом, индекс помещения равен:
.
Таблица 6.1 - Значения показателей и их характеристика
|
Показатель
|
Численное значение
|
Характеристика показателя
|
|
|
500 лк
|
Зависит от типа помещения -
учебная аудитория.
|
|
|
1,1
|
Определяет неравномерность
освещения.
|
|
|
8
|
Зависит от количества
светильников.
|
|
|
28
|
Учитывает тип светильника и
коэффициент при использовании индекса помещения.
|
70%
|
Учитывает свойства отраженности
потолка.
|
|
|
50%
|
Учитывает свойства
отраженности стен.
|
|
|
10%
|
Зависит от отражаемой
способности рабочей поверхности.
|
|
|
1,7
|
Коэффициент запаса
|
Воспользуемся формулой 6.1 и получим расчетное значение светового потока
ламп:
. (6.3)
В качестве источников света используются люминесцентные лампы мощностью
15 В, как наиболее эффективные и приемлемые с точки зрения спектрального
состава, цветовая температура излучения которых находится в диапазоне 3500-4200
К. Для освещения помещения применяются светильники серии ЛС004 с металлической
экранирующей решеткой и непрозрачными боковинами. Номинальный световой поток
данной лампы составляет 500 лм, что значительно превышает (в пять раз)
расчетное значение светового потока. Поэтому можно сделать вывод, что
искусственное освещение данной аудитории будет достаточным не только в светлое
время суток, но и в темное.
6.3 Выявление и
анализ возможных чрезвычайных ситуаций
Гражданская оборона Украины - составная часть системы общегосударственных
оборонных мероприятий, проводимых в мирное и военное время в целях защиты
населения и народного хозяйства от оружия массового поражения и других
современных средств нападения противника, а также для спасательных и неотложных
аварийно-восстановительных работ в очагах поражения и зонах катастрофического
затопления.
Чрезвычайная ситуация (ЧС) - это нарушение нормальных условий жизни и
деятельности людей на объекте или территории, возникшей вследствие аварии,
катастрофы, стихийного бедствия или другого небезопасного события, которые
привели (могут привести) к гибели людей, их травмированию и (или) значительных
материальных потерь.
Авария - это небезопасное действие техногенного происхождения, которое
создает на объекте, территории или акватории угрозу жизни и здоровья людей и
приводит к разрушению (или другому повреждению) зданий, сооружений,
технологического оборудования и транспортных средств, нарушению
производственного или транспортного процесса или наносит вред окружающей среде.
Основной задачей данного пункта является выявление и анализ возможных
чрезвычайных ситуаций, которые могут произойти на территории рабочей зоны
оператора или рядом, но затронуть процесс работы над дипломом. Возможные
чрезвычайные ситуации, их причины возникновения и код:
) пожар: -в аудитории по причине возгарания проводки, загорания
компьютера, халатного отношения работников - 10201; -курение в неположенном
месте - 10205.
) небезопасные метеорологичные явления: -сильный ветер, включая смерчи
-20201; -крупный град - 20203; очень сильный дождь, ливень - 20204; -очень
сильный снегопад - 20205; -очень сильный мороз - 20210.
Чрезвычайные ситуации, которые могут возникнуть на территории Украины,
делятся по причине их возникновения на ЧС техногенного, природного,
социально-политического и военного характера. Согласно территории
распространения, величины социальных потерь и материальных убытков и объемов
материально-технических ресурсов, которые необходимы для ликвидации их
последствий, ЧС делятся на ЧС общегосударственного, регионального, местного и
объектного уровня.
6.4 Расчет
последствий чрезвычайных ситуаций техногенного характера, причиной которых
являются пожары
В качестве примера ЧС выберем чрезвычайную ситуацию техногенного
характера, причиной возникновения которой является пожар. В нашем случае, в
аудитории нет запасов топлива, поэтому мы будем делать прогноз относительно
последствий первичного пожара, который может возникнуть в аудитории в
результате халатного отношения персонала.
Необходимо определить радиусы внешних границ зоны возможных сплошных
пожаров
и зоны возможных отдельных пожаров
с использованием соотношений:
(6.4)
(6.5)
где Q - масса «запасов горючего вещества», кг;
- плотность потока мощности
светового излучения первичного пожара на внешней границе зоны возможных
сплошных пожаров;
- плотность потока мощности светового излучения первичного
пожара на внешней границе зоны возможных отдельных пожаров;
- теплота сгорания дерева, Твиг
- время сгорания «запасов горючего вещеста».
Твиг определяем с помощью формулы:
, (6.6)
где
- «загруженность» горючего вещества в месте его сбережения,
то есть масса горючего вещества, которая приходится на 1м2 площади
места ее сохранения, кг/м2 (
, где Q- масса, S - площадь,
расположения горючего вещества),
- скорость (весовая) выгорания
горючего вещества, кг/м2,
.
По формуле 6.8 определим время сгорания «запасов горючего вещества»:
(6.7)
По формуле 6.6 определим радиус внешней границы зоны возможных сплошных
пожаров:
. (6.8)
По формуле 6.7 определим радиус внешней границы зоны возможных отдельных
пожаров:
. (6.9)
При прогнозировании возможной степени поражения людей под влиянием
светового излучения первичного пожара рекомендуется считать, что все люди,
которые окажутся в границах зоны сплошных пожаров, могут получить ожоги
открытых участков кожи первой, второй, третьей и четвертой степени, поражение
органов зрения (в виде временной потери зрения) и даже погибнуть.
Суммарная величина потерь основных фондов составляет:
Втрати ОФ=0,7
=0,7*7МПЗ=4,9МПЗ=4,9∙0,465=2,28тыс.грн,
где МПЗ - минимальная плата заработная.
Возможная величина общих (Мзаг ) и санитарных (Мсан)
потерь персонала предприятия составляет:
Мзаг=5, Мсан=0,95*5=5чел.
Возможная величина убытков (Зб) впоследствии исследования ЧСТХ определим
как:
Зб=ВтратиОФ+18Мсан+288(Мзаг-Мсан)=
2,28+90=92,28МПЗ=92,28∙0,465=42.9тыс.грн.
Карта ожидания пожарной обстановки, которая может возникнуть
в аудитории 430 радиокорпуса Национального аэрокосмического университета им.
Н.Е Жуковского «ХАИ» представлена в приложении Г
ЗАКЛЮЧЕНИЕ
В данном дипломном проекте разрабатывается контур управления
и стабилизации напряжения рентгеноскопической установки, рассмотрены
возмущающие воздействия, такие как пульсация, колебания и шумы напряжения сети. Исследованы статические и
динамические характеристики системы, а также рассмотрена машинная модель
системы управления, экспериментально исследованы динамические и статические
характеристики одного из блоков системы, такого как ШИМ. Произведен синтез
корректирующего устройства для получением дискретной передаточной функции
регулятора. Данные полученные при исследовании удовлетворяют требованиям
ТЗ(время переходного процесса не более 3 сек; перерегулирование не менее 5%;
запас устойчивости по амплитуде более 9 dB; запас устойчивости по фазе не менее
300; установившаяся ошибка управления системы не более 0,5%,
скоростная ошибка равна 0.5%.).
Разработана принципиальная схема вычислителя, который реализует закон
управления, а также упрощенный алгоритм операций вычислителя.
По технологической части разработан технологический процесс сборки
печатного узла управляющего вычислителя. При этом проведен качественный и
количественный анализ технологичности. Разработали тех. схему сборки с учетом
рекомендаций по последовательности сборки. Разработана маршрутная технология
процесса сборки на основе ТТП. Выбраны оборудования, приспособления,
инструменты и вспомогательные материалы.
Проведен анализ оценки рынка сбыта установки, прогнозирование
себестоимости изготовления изделия, анализ конкурентоспособности изделия,
расчет обобщенных показателей качества,. определили уровень качества
предлагаемого изделия в сравнении с Smiths Heimann GmbH.
СПИСОК ЛИТЕРАТУРЫ
1. Источники электропитания радиоэлектронной аппаратуры:
Справочник /Г.С. Найвельт, К.Б. Мазель, Ч.И. Хусаинов и др.; Под ред. Г.С.
Найвельта. - М.: Радио и связь,1985. - 576с.
. Замятин В.Я. и др., Мощные полупроводниковые приборы.
Тиристоры: Справочник /В.Я. Замятин, Б.В. Кондратьев, В.М. Петухов. - м.: Радио
и связь, 1988. - 576с.
. Гутников В.С. Интегральная электроника в измерительных
устройствах - 2-е изд., перераб. доп. - Л.: Энергоатомиздат Ленинград.
отделение, 1988. - 304с.
. Оценка экономической эффективности и уровня качества
приборов: Учеб. Пособие / О.М. Пархоменко, Л.Н. Голованова, З.В. Говорова, А.Г.
Осиевский, В.Н. Голованов - Харьков: ХАИ, 1990.
. Управление научно-исследовательскими и опытно-конструкторскими
разработками в приборостроении: Учеб. пособие / О.М. Пархоменко, В.А.
Пильщиков, З.В. Говорова, А.Г. Осиевский, Н.И. Баранов, В.Н. Иванова - Харьков:
ХАИ, 1996. - 141с.
. Терещук Р.М., Терещук К.М., Седов С.А. Приемно-усилительные
устройства: Справочник радиолюбителя - Киев: Наукова думка, 1988. - 800
. Изъюрова Г.И. Расчет электронных схем - М.: Высшая школа,
1978. - 53с.
. Семенов Б.Ю. Силовая электроника - М.: СОЛОН-Пресс, 2005. -
416с.
. Справочная книга радиолюбителя-конструктора / А.А.
Бокуняев, Н.М. Борисов, Р.Г. Варламов и др. / Под ред. Н.И. Чистякова - М.:
Радио и связь, 1990. - 624с.
. Ротхаммель К. Антенны: Пер. с нем. - 3 е изд., доп. - М.:
Энергия, 1979. - 320с.
. А.с. 842708 СССР, МКИ G 05 B 11/16. Астатическая система регулирования
/ Н.С. Варкаса, С.А. Ковальчук А.С. Кочетов (СССР). - №2617068/18-24; Заявлено
12.05.78; Опубл. 30.06.81, Бюл.№ 24.
. А.с. 1833834 СССР, МКИ G 05 B 11/36. Система программного
управления / В.Р. Тучинский, В.М. Кожаев (СССР). - №4918696/24; Заявлено
30.01.91; Опубл. 15.08.93, Бюл.№ 30.
. А.с. 1022116 СССР, МКИ G 05 B 19/19; G 05 B 19/40.
Астатическая система регулирования / В.И. Свердлов, А.В. Данилов (СССР). -
№3400773/18-24; Заявлено 02.03.82; Опубл. 07.06.83, Бюл.№ 21.
. А.с. 1124255 СССР, МКИ G 05 B 19/19. Позиционный
электропривод / А.Б. Гудзенко, В.А. Войтенко, Л.В. Ганнель, Б.В. Гулыманов
(СССР). - №3616119/24-24; Заявлено 07.07.83; Опубл. 15.11.84, Бюл.№ 42.
. А.с. 1659737 СССР, МКИ G 05 D 3/20; B 23 Q 15/00.
Устройство дискретного позиционирования / В.М. Ваганов (СССР). -
№4280378/24-24; Заявлено 07.07.87; Опубл. 23.04.89, Бюл.№ 15.
. А.с. 1698884 СССР, МКИ G 06 F 3/06. Устройство для ввода
цифровой информации / В.К. Джулай, В.М. Роман (СССР). - №4799110/24; Заявлено
05.03.90; Опубл. 15.12.91, Бюл.№ 46.
. А.с. 1603365 СССР, МКИ G 06 F 3/147. Устройство для
отображения информации / Е.Я. Гайс, С.И. Ярына (СССР). - №4626226/24-24;
Заявлено 26.12.88; Опубл. 30.10.90, Бюл.№ 40.
. Пат. 18355 C1 України: МПК 5 G 06 F 3/02. Пристрій для
вводу інформації / В.П. Хельвас, Л.Н. Єремеєва; НДІ „Квант”. - №95320898;
Заявлено 31.01.91; Опубл. 25.12.97, Бюл.№ 6.
. Техническое описание на микроконтроллеры фирмы ATMEL /
#"522862.files/image220.jpg">
ПРИЛОЖЕНИЕ Б
Таблица 4.1 - Маршрутная технология единичного ТП
|
Номер опера-ции
|
Наименование и состав
перации
|
Оборудование
|
Приспособление
|
Инструмент
|
Вспомо-гатель ные материа-
лы
|
Режим
|
|
005
|
Комплектовочная Извлечь из
упаковки комплект ЭРЭ, детали, плату. Проверить сроки годности, номиналы.
|
Верстак 1-8-5 ОСТ
4ГО.060.006.
|
Антистатический браслет
7890-4850 Тара типа ЭП ОСТ4.ГО417.200
|
Ножницы прямые 100 мм ГОСТ
12087-76 Лупа ЛП1-2.5 ГОСТ 7594-75
|
|
|
|
010
|
Подготовительная Изучить
инженерные спецификации, чтобы проверить комплект на соответствие к чертежу;
проверить отсутствие повреждений ЭРЭ, платы, деталей.
|
Верстак 1-8-5 ОСТ
4ГО.060.006.
|
тара III ОСТ 4.ГО.417.200
|
Лупа ЛП1-2.5 ГОСТ 7594-75
|
|
|
|
015
|
Промывка Отмывка платы от
ацетоно-канифолього лака
|
Вибро-установка Т858095
ГГ3.836. 007
|
Тара типа ЭП ОСТ 4.ГО.
417.200
|
Пинцеты ППМ 80 ОСТ
4.ГО.060.013.
|
Промывочная смесь спирта
этилового технического и нефраса С2-80/170
|
|
|
020
|
Сушка Сушка платы после
промывки
|
Сушильный шкаф СШК-1
ГГМ.335. 002
|
Приспособление 6358-2745
|
Ключ КТНШ 7 РД 107.
290600.034-89; пинцет ПГТМ 120 ОСТ 4.ГО. 060.013;
|
|
Р=0,08-0,1мПа, t=60оС T=30
мин.
|
|
025
|
Маркировка. Нанесения
фабричного номера и номера изделия .
|
Оборудование 2-1-1 ОСТ 4Г
0.060.234.
|
тара III ОСТ 4.ГО.417.200
|
Щетка ОСТ 4.ГО.409.381-83
штамп.
|
Эмаль АС-127
|
|
|
030
|
Сушка Сушка платы после
маркировки
|
Сушильный шкаф СШК-1
ГГМ.335. 002
|
Приспособление 6358-2745
|
Ключ КТНШ 7 РД 107.
290600.034-89; пинцет ПГТМ 120 ОСТ 4.ГО. 060.013;.
|
|
Р=0,08-0,1мПа, t=60оС T=30
мин.
|
|
035
|
Подготовительная Формовать
и обрезать выводы резисторов поз.12, стабилитронов поз. 14, это будет
осуществлено механизированным путем.
|
Оборудование 2-1-1 ОСТ 4Г
0.060.234 автоматическое устройство подготовки ЭРЭ АРСМЗ 790.00003.
|
тара IV ОСТ 4Г 0.417.200,
приспособление обрезки и формировки выводов ЭРЭ ГГ1420-4025
|
Лупа ЛП1-2,5 ГОСТ 25706-83,
Пинцеты ППМ 80 ОСТ 4.ГО.060.013.
|
|
|
|
040
|
Подготовительная Обрезать
выводы конденсаторов поз.13,.кварца поз. 8, это будет осуществлено
механизированным путем.
|
Оборудование 2-1-1 ОСТ 4Г
0.060.234 Устройство для обрезки выводов ЭРЭ.
|
тара IV ОСТ 4Г 0.417.200
|
Лупа ЛП1-2,5 ГОСТ 25706-83,
Пинцеты ППМ 80 ОСТ 4.ГО.060.013.
|
|
|
|
045
|
Лужение. Лудить выводы
резисторов поз. 12,стабилитроны поз.14, конденсаторы поз. 13, кварца
поз.8,разъемы поз.9-11 автоматическим путем, методом погружения выводов ЭРЭ в
ванну с припоем
|
Установка лужения выводов
ЭРЭ групповым способом УГЛ 300.ГГМ.330. 002
|
Тара IV ОСТ 4.ГО.417.200
Тара кассетная ОСТ 4.ГО.417.200 Кассета АРСМ6.212 .012.
|
|
Припой ПОС-61 Флюс
ФКТ
|
Т=200 ºС t<3 сек
|
|
050
|
Сборка Установить на клей
элементы поз. 2
|
Установка 1-8-3 ОСТ 4
Г0.060.006.
|
Антистатический
браслет,тара III ОСТ 4.ГО. 417.200, Тара IV ОСТ 4.ГО.417.200
|
Пинцет ПГГМ 120 ОСТ4
ГО.060.013.
|
|
|
|
055
|
Пайка Пайка ЭРЭ
установленных на клею поз. 2
|
Установка 2-1-1 ОСТ 4Г
0.60.234-82,автоматическое устройство для пайки микросхем
|
Тара III ОСТ 4.ГО.417.200;
ванна для флюсования ГГ0 867-40214
|
Щетка ТУ 86-64-73
|
Припой ПОС 61, ГОСТ
21930-76; флюс ФКТ ТУ13-4000177-51-85
|
t=240-260 оС T=1-3с
|
|
060
|
Промывка Промывка ПП в
виброустановке.
|
Виброустановка Т-858095
ГГМ2.339.002
|
Кронштейн 6378-2714
|
Пинцет ППМ 120 ОСТ
4.ГО.060.013
|
Промывочная смесь пирта
этилового технического и нефраса С2-80/170
|
Т=40 ºС t=20 мин.
|
|
065
|
Сушка Сушка платы после
промывки
|
Сушильный шкаф СШК-1
ГГМ.335. 002
|
Приспособление 6358-2745
|
Ключ КТНШ 7 РД 107.290600.
034-89; пинцет ПГТМ 120 ОСТ 4.ГО.060.013;
|
|
Р=0,08-0,1мПа, t=60оС T=30
мин.
|
|
070
|
Сборка Установить на плате
предварительно подготовленные ЭРЭ (поз.8,12-14) с одновременной подгибкой
выводов.
|
Установка 1-8-3 ОСТ 4
Г0.060.006.
|
Антистатический
браслет,тара III ОСТ 4.ГО. 417.200, Тара IV ОСТ 4.ГО.417.200
|
Пинцет ППМ 120 ОСТ
4.ГО.0601
|
|
|
|
075
|
Сборка Установка на плате
разъемов
|
Установка 1-8-3 ОСТ 4
Г0.060.006., автоматическое устройство для установки разъемов
|
Антистатический
браслет,тара III ОСТ 4.ГО. 417.200, Тара IV ОСТ 4.ГО.417.200
|
Пинцет ППМ 120 ОСТ
4.ГО.0601
|
|
|
|
080
|
Сборка Установка на плате
микросхем поз.3-7
|
Установка 1-8-3 ОСТ 4
Г0.060.006.
|
Антистатический
браслет,тара III ОСТ 4.ГО. 417.200, Тара IV ОСТ 4.ГО.417.200
|
Пинцет ППМ 120 ОСТ
4.ГО.0601
|
|
|
|
085
|
Контроль Контроль установки
ЭРЭ на плате
|
Установка 1-8-5 ОСТ 4
Г0.060.006.
|
тара III ОСТ 4.ГО. 417.200,
Антистатический браслет
|
Лупа ЛП1-2,5 ГОСТ 25706-83
|
|
|
|
090
|
Пайка Групповая пайка ПП
поз. 3-14 волной припоя
|
Установка 2-1-1 ОСТ 4Г
0.60.234-82,автоматическое устройство для пайки микросхем
|
Тара III ОСТ 4.ГО.417.200;
ванна для флюсования ГГ0 867-40214
|
Щетка ТУ 86-64-73
|
Припой ПОС 61, ГОСТ
21930-76; флюс ФКТ ТУ13-4000177-51-85
|
t=240-260 оС T=1-3с
|
|
095
|
Промывка Промывка ПП в
виброустановке.
|
Виброустановка Т-858095
ГГМ2.339.002
|
Кронштейн 6378-2714
|
Пинцет ППМ 120 ОСТ
4.ГО.060.013
|
Промывочная смесь пирта
этилового технического и нефраса С2-80/170
|
Т=40 ºС t=20 мин.
|
|
100
|
Сушка Сушка платы после
промывки
|
Сушильный шкаф СШК-1
ГГМ.335. 002
|
Приспособление 6358-2745
|
Ключ КТНШ 7 РД 107.290600.
034-89; пинцет ПГТМ 120 ОСТ 4.ГО.060.013;
|
|
Р=0,08-0,1мПа, t=60оС T=30
мин.
|
|
110
|
Контроль Проверка ПП после
пайки на наличие дефектов пайки,
|
Установка 1-8-5 ОСТ 4
Г0.060.006.,
|
тара III ОСТ 4.ГО. 417.200,
Антистатический браслет
|
Лупа ЛП1-2,5 ГОСТ 25706-83
|
|
|
|
115
|
Контроль проверка ПП по
электрическим параметрам согласно ТУ в нормальных условиях.
|
установка для контроля
электрических параметров.
|
тара III ОСТ 4.ГО. 417.200,
Антистатический браслет
|
Лупа ЛП1-2,5 ГОСТ 25706-83
|
|
|
|
120
|
Лакирование Нанесение
защитного слоя лака на плату с установленными на ней ЭРЭ
|
Вытяжной шкаф 6358-2730
|
Тара типа ЭП ОСТ 4.ГО.
417.200; кювета для лакиро-вания 6378-2840;
|
Зажим техноло-гический
6378-2840;
|
Лак УР-231.048 ОСТ
90055-85
|
t=60 оС T=3,5ч
|
|
125
|
Сушка Сушка платы после
лакирования
|
Сушильный шкаф СШК-1
ГГМ.335. 002
|
Приспособление 6358-2745
|
Ключ КТНШ 7 РД 107.290600.
034-89; пинцет ПГТМ 120 ОСТ 4.ГО.060.013;
|
|
Р=0,08-0,1мПа, t=60оС T=30
мин.
|
|
130
|
Контроль Проверка на
соответствие чертежу, тип и номинал ЭРЭ, контроль электрических параметров.
Клеймить
|
Установка 1-8-5 ОСТ 4
Г0.060.006., установка для контроля электрических параметров. Установка 2-1-1
ОСТ 4Г 0.060.234
|
тара III ОСТ 4.ГО. 417.200,
Антистатический браслет.
|
Лупа ЛП1-2,5 ГОСТ 25706-83
штамп
|
Эмаль ЭП-572
|
t=60 оС T=3,5ч
|