Позиционная следящая система постоянного тока представляет
собой автоматизированный привод подачи металлорежущего станка состоящий из
последовательно соединенных: электронного усилителя, электромашинного усилителя
(усилителя мощности), электродвигателя и механической передачи, соединенной с
суппортом. Все звенья охвачены отрицательной обратной связью. Для обеспечения
устойчивости системы и заданных показателей качества переходного процесса
необходимо синтезировать схему последовательного корректирующего устройства,
рассчитанного с использованием логарифмических частотных характеристик или
дополнительной обратной связью, охватывающей двигатель.
|
Общий
коэффициент усиления К
|
200
|
|
Постоянная
времени усилителя мощности Тум
|
0.02 с.
|
|
Постоянная
времени электродвигателя Тдв
|
0.03 с.
|
|
Время
регулирования t
|
0.7 с.
|
|
Перерегулирование
s
|
< 0.25
|
Содержание
Задание на работу
Исходные данные к работе
Введение
1. Построение передаточной функции следящей системы
1.1 Функциональная схема системы. Выбор и обоснование передаточных
функций элементов следящей системы
1.2 Структурная схема и передаточная функция системы
1.3 Определение функции ошибки системы
2. Определение устойчивости следящей системы
2.1 Алгебраический критерий устойчивости
2.2 Критерий Найквиста - Михайлова
2.3 Критерий Михайлова
3. Синтез последовательного корректирующего устройства
3.1 Построение ЛАЧХ и ЛФЧХ исходной системы
3.2 Построение желаемой ЛАЧХ и ЛФЧХ
3.3 Определение передаточной функции корректирующего звена
4. Синтез следящей системы с заданными характеристиками
4.1 Структурная схема и передаточная функция системы
4.2 Построение кривой переходного процесса численным методом с
применением ЭВМ
4.3 Определение передаточной функции дополнительной обратной связи,
эквивалентной корректирующему звену
4.4 Принципиальные схемы систем
Заключение
Список использованных источников
Введение
Теория автоматического управления - одна из важнейших
технических наук общего применения. Она дает теоретическую базу для
исследования и практического применения любых автоматизированных систем во всех
областях техники.
При решении задач управления динамическими системами, в том
числе техническим системами машиностроительного направления
(автоматизированными станками и автоматическими линиями, роботами и
манипуляторами, технологическими установками различного назначения и другими
объектами), возникает необходимость создания следящих систем, обеспечивающих
перемещение рабочих органов в соответствии с заданным законом. При синтезе
следящей системы следует обеспечить ее устойчивость и заданное качество
переходных процессов, поскольку эти характеристики необходимы для создания
точной, быстродействующей и надежной системы автоматического управления (САУ).
В том случае, когда характеристики рассчитываемой системы не удовлетворяют
заданным требованиям, целесообразным является введение корректирующих
устройств, синтез которых выполняется различными методами.
В данной курсовой работе решается вопрос анализа качества
переходных процессов в позиционной следящей системе постоянного тока,
предназначенной для управления перемещением рабочего органа - суппорта -
автоматизированного металлорежущего станка. В станочных системах она
эквивалентна приводу подачи, который обеспечивает перемещение суппорта с
установленным на нем режущим инструментом с заданными параметрами точности, что
играет существенную роль в формировании регламентных показателей качества
обработанных деталей, в данном случае заданных размеров.
Для определения качественна та или иная автоматизированная
система в ТАУ необходимо построить модель системы и провести ее анализ и
достаточно полное исследование влияний различных факторов на показатели
качества регулирования.
Для построения модели САУ строится, во-первых, функциональная
схема, отражающая основные узлы в виде типовых звеньев, их связи между собой,
входные, выходные и возмущающие воздействия. Во - вторых, из функциональной
схемы строится структурная схема путем замены типового звена на его
передаточную функцию. Далее с учетом вида соединений типовых звеньев строится
передаточная функция САУ W (p).
Качество процессов в САУ можно оценить по переходным функциям
h (t), которые являются
реакцией системы на входное единичное ступенчатое воздействие 1 (t). Кроме того, характер
изменения переходных процессов в САУ можно проанализировать путем исследования
значения корней характеристического уравнения, получаемого из знаменателя
передаточной функции W (p).
1.
Построение передаточной функции следящей системы
1.1
Функциональная схема системы. Выбор и обоснование передаточных функций
элементов следящей системы
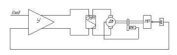
Составлю функциональную схему линейной системы, зная все
элементы автоматизированной следящей системы:
Рисунок 1. Функциональная схема линейной системы.
а) Электронный усилитель. Электронный усилитель - является
практически идеальным представителем безынерционного типового звена, имеющего
следующую передаточную функцию:
.
б) Усилителей мощности является апериодическим звеном 1-го
порядка, имеющий передаточную функцию:
.
в) Двигатель - электромеханическое устройство, преобразующее
электрическую энергию (напряжение) в механическую (вращающий момент). Двигатель
является апериодическим интегрирующим звеном, имеющей следующую передаточную функцию:
.
г) Механическая передача - предназначена для преобразования
вращательного движения вала электродвигателя в поступательное движение
элемента. Передача является линейным безынерционным типовым звеном, имеющей следующую
передаточную функцию:
.
д) Датчик обратной связи. Имеет следующую передаточную функцию:
1.2
Структурная схема и передаточная функция системы
Из функциональной схемы составим структурную, путем замены
типовых звеньев на соответствующие им передаточные функции:
По структурной схеме построим передаточную функцию САУ W (p).
следящая позиционная система схема
В начале рассчитаем передаточную функцию разомкнутой системы,
в которой все элементы соединены последовательно:
,
,
.
Найдем передаточную функцию замкнутой системы:
,
.
Подставим в передаточную функцию данные, взяв коэффициент обратной
связи равным 1, тогда передаточная функция имеет вид:
.
1.3
Определение функции ошибки системы
Определим функцию ошибки в разомкнутой системе::
.
Найдем это выражение для нашей системы:
,
,
,
.
Ошибка регулирования определяется из следующего выражения:
.
Определить ошибку системы при единичном ступенчатом воздействии
, линейно изменяющемся воздействии
и квадратично изменяющемся воздействии
.
Определим необходимые коэффициенты, включающие в себя как функцию
ошибки, так и ее производные:
,
,
.
Построим функцию ошибки регулирования для ступенчатого единичного
воздействия:
.
Рисунок 3. Функция ошибки регулирования для входного ступенчатого
воздействия.
Построим функцию ошибки регулирования для
воздействия:
,
Графиком данной функции будет прямая, параметры которой будут
зависеть от постоянной v. Этот параметр
будет влиять на высоту подъема прямой от начала координат и на величину наклона
прямой.
Рисунок 4. Функция ошибки регулирования для входного
воздействия.
Построим функцию ошибки регулирования для квадратично
изменяющегося воздействия
:
Построим для этой функции график, характеризующий примерное
поведение ошибки регулирования во времени, и зависящий от постоянной константы a:
Рисунок 5. Функция ошибки регулирования для входного квадратичного
воздействия.
2.
Определение устойчивости следящей системы
Определяем устойчивость системы тремя методами: по критерию
Гурвица, по критерию Михайлова и по критерию Найквиста-Михайлова.
.1
Алгебраический критерий устойчивости
Оценим устойчивость системы применением алгебраического
критерия Гурвица:
Характеристическое уравнение нашей системы имеет следующий
вид:
,
Раскроем скобки:
.
Составим определитель Гурвица:
Решим определитель и все его диагональные миноры:
,
Все определители матрицы Гурвица больше нуля, коэффициенты
больше нуля, следовательно, система
устойчивая.
2.2
Критерий Найквиста - Михайлова
Передаточная функция исследуемой системы в разомкнутом
состоянии имеет следующий вид:
,
Произведем символическую замену
. Тогда:
,
.
Помножим дробь на комплексно сопряженное число:
,
.
Выделим действительную и мнимую части выражения:
,
.
Строим кривую Найквиста-Михайлова:
Рисунок 6. АФЧХ исследуемой разомкнутой системы: верхний - полная
характеристика: нижний - выделенный в масштабе начальный и конечный этапы
характеристики.
Согласно условию устойчивости по критерию Найквиста для устойчивости
замкнутой системы необходимо и достаточно, чтобы АФЧХ разомкнутой системы не
охватывала точку с координатами (-1,j0).
Для данной системы это условие выполняется, АФЧХ разомкнутой
системы охватывает точку с координатами (-1,j0)., следовательно, система
неустойчива.
2.3
Критерий Михайлова
Для оценки устойчивости по критерию Михайлова необходимо
построить кривую, которую описывает конец вектора F (jω) на комплексной плоскости при изменении частоты ω от 0 до бесконечности, называемую годографом Михайлова. Вектор F (jω) получаем из характеристического полинома замкнутой системы.
Характеристическое уравнение системы:
.
Представим левую часть как комплексную:
.
Произведем замену
. Тогда комплексный вектор
будет равен:
,
.
,
где
,
Построим кривую Михайлова, для этого сначала построим таблицу
данных:
Таблица 3. Данные для построения кривой Михайлова.
|
0102035405060758090100
|
|
|
|
|
|
|
|
|
|
|
|
|
20016872-192-312-600-1152-1600-1848-2392-3000
|
|
|
|
|
|
|
|
|
|
|
|
|
04-28-222-344-700-1582-2456-2992-4284-5900
|
|
|
|
|
|
|
|
|
|
|
|
Рисунок 7. Кривая Михайлова для определения устойчивости
системы.
Анализируя поведение кривой Михайлова по порядку прохождения
квадрантов комплексной плоскости, делаем вывод, что исследуемая система
является неустойчивой.
3.
Синтез последовательного корректирующего устройства
3.1
Построение ЛАЧХ и ЛФЧХ исходной системы
Для построения ЛАЧХ незамкнутой системы нам понадобится
выражение для передаточной функции системы, запишем его:
. 20lgK=46,021
Для построения ЛАЧХ нам понадобятся частоты сопряжения. Определим
из через соответствующие постоянные времени:
,
;
,
.
Для построения ЛФЧХ нам так же потребуются выражения для
постоянных времени. Составим аналитическое выражение для определения ЛФЧХ:
,
Теперь мы построим ЛФЧХ и ЛАЧХ. (рисунок 8.).
Рисунок 8. Исходные и желаемые ЛАЧХ и ЛФЧХ, ЛАЧХ корректирующего
звена
Как видно из построенных нами кривых, применяя критерий Найквиста
можно еще раз сделать вывод, что исследуемая система автоматического управления
двигателем является неустойчивой, т.к. на частоте
, для которой
, ордината ЛАЧХ разомкнутой системы
положительна.
3.2
Построение желаемой ЛАЧХ и ЛФЧХ
Для построения желаемой ЛАЧХ нам потребуется значение частоты
среза, которое мы найдем из следующего выражения:
,
где коэффициент
выбирается в зависимости от величины перерегулирования и в нашем
случае будет равен
.
Тогда частота среза будет иметь следующее значение:
Построим желаемую ЛАЧХ и ЛФЧХ (рисунок 8).
3.3
Определение передаточной функции корректирующего звена
Используя полученные ранее ЛАЧХ исходной и желаемой систем
получим ЛАЧХ корректирующего звена (рисунок 8). Из построенной характеристики
можно определить четыре характерные частоты, которые определяются по точкам
перелома характеристики:
,
,
,
.
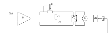
В качестве корректирующего звена для электрической системы
выбираем пассивный четырехполюсник, как элемент имеющий наиболее простое
исполнение. Для полученный нами ЛАЧХ схема четырехполюсника будет иметь вид
представленный на рисунке 9.
Рисунок 9. Схема четырехполюсника.
Передаточная функция такого четырехполюсника будет иметь следующий
вид:
, где:
,
,
,.
.
Рассчитаем параметры корректирующего звена, приняв R1=1000 Ом, используя следующие соотношения:
Решив систему уравнений, получили следующие параметры
электрической схемы корректирующего звена:
4.
Синтез следящей системы с заданными характеристиками
4.1
Структурная схема и передаточная функция системы
Структурная схема полученной нами системы будет аналогична,
структурной схеме исходной САУ, в которую будет добавлено корректирующее звено
(рисунок 10.).
Рисунок 10. Структурная схема скорректированной системы.
Теперь найдем передаточную функцию скорректированной САУ:
,
Замкнутой системы:
,
,
.
Подставим в полученную передаточную схему значение постоянных
времени и коэффициентов и запишем частный случай полученной передаточной
функции:
.
4.2
Построение кривой переходного процесса численным методом с применением ЭВМ
Для построения переходного процесса применим метод точного
построения по вещественной частотной характеристике замкнутой системы численным
методом. Для этого используем следующее выражение:
,
где
- вещественная частотная характеристика.
Для определения вещественной частотной характеристики, для начала
найдем частотную функцию системы:
,
Упростим полученную характеристику, раскрыв скобки и приведя
подобные:
Что бы избавится от комплексных чисел в знаменателе, произведем
разделение в знаменателе на составляющие: действительную и мнимую части. Затем
помножим и числитель, и знаменатель на комплексно сопряженное число:
,
Выделим действительную часть частотной функции и получим
вещественную частотную характеристику:
.
Выражение для нахождения передаточной функции системы будет иметь
следующий вид:

Рисунок 11. Переходная функция скорректированной системы.
Как видно из полученной кривой время регулирования полученной
системы входит в нужный диапазон, т.е. меньше заданного по заданию курсового:
. Величина перерегулирования также входит
в указанный по заданию на курсовой диапазон и составляем
. Т.е. система получилась устойчивой со
значением времени регулирования меньшим требуемого и удовлетворяющим нас
значением перерегулирования, что говорит о высоких качественных характеристиках
полученной скорректированной системы.
4.3
Определение передаточной функции дополнительной обратной связи, эквивалентной
корректирующему звену
Для определения дополнительной ОС, охватывающей двигатель,
введение которой в исходную систему эквивалентно введению синтезированного
последовательного корректирующего звена, необходимо составить структурную такой
скорректированной САУ:
Рисунок 12. Структурная схема скорректированной системы с
дополнительной ОС
Для определения выражения передаточной функции
дополнительного звена - обратной связи охватывающей двигатель запишем следующее
выражение:
,
,
,
,
В полученное значение для передаточной функции дополнительной
обратной связи подставим значения передаточных функций входящих в нее:
,
,
,
,
Подставим значения постоянных времени в передаточную функцию
дополнительной обратной связи и получим частный случай для передаточной
характеристики дополнительной ОС:
.
4.4
Принципиальные схемы систем
Рисунок 13. Принципиальная схема системы с корректирующим
звеном.
Рисунок 14. Принципиальная схема системы с дополнительной ОС.
Заключение
В ходе проделанной курсовой работы была исследована замкнутая
следящая система. В ходе работы была получена общая передаточная функция
исследуемой системы. Системы была проверена на устойчивость тремя различными
методами. Каждый из которых показал, что система является неустойчивой. Для
того, чтобы обеспечить данной системе устойчивость нами было разработано
параллельное корректирующее устройство, представляющее собой четырехполюсник,
собранный на радиоэлементах. Включением этого четырехполюсника в общую схему
системы, мы добились устойчивости системы. В итоге мы получили систему с
удовлетворяющим исходным данным временем регулирования равным 0,14с. Величина
перерегулирования составила 25%, что укладывается в допустимый интервал, равный
25%. Данные результаты показывают корректность подобранного корректирующего
устройства, которое было построено с учетом желаемой ЛАЧХ.
Так же в ходе работы нами было предложено заменить
корректирующее звено, на аналогичную ему дополнительную ОС охватывающую
двигатель. Введение такой ОС в общем не повлияет на качественные характеристики
исследуемой системы.
Список
использованных источников
1.
В.А. Бесекерский, Е.П. Попов: "Теория систем автоматического
регулирования", издание третье, исправленное, издательство
"Наука", Главная редакция физико-математической литературы, М., 1975.
.
Н.Н. Иващенко, "Автоматическое регулирование", изд.4-е, перераб. и
доп., Москва: "Машиностроение", 1978.