Разработка предварительного усилителя сигнала датчика

  • Вид работы:
    Курсовая работа (т)
  • Предмет:
    Информатика, ВТ, телекоммуникации
  • Язык:
    Русский
    ,
    Формат файла:
    MS Word
    78,37 Кб
  • Опубликовано:
    2012-07-06
Вы можете узнать стоимость помощи в написании студенческой работы.
Помощь в написании работы, которую точно примут!

Разработка предварительного усилителя сигнала датчика

Введение

Данный курсовой проект включает в себя задачу разработки конструкции, указанной в задании, а так же разработку соответствующей конструкторской документации.

В ходе выполнения курсовой работы будет выполнен конструкторский анализ технического задания, выбор оптимальной элементной базы, разработка функциональной ячейки и блока конструкции. Для сконструированного прибора будет выбрана необходимая система охлаждения, выполнена оценка вибропрочности и интенсивности отказов. В завершении работы будут представлены сборочный чертеж и чертеж принципиальной схемы, разработанной конструкции.

Все принимаемые решения в ходе проектирования будут основываться на идее минимизации разрабатываемой конструкции, ее удешевления, а так же повышения надежности.

1. Техническое задание

.1 Наименование и область применения

Предварительный усилитель сигнала датчика предназначен для первичной обработки сигналов различных быстродействующих датчиков ИК диапазона, но может быть успешно использован и для работы с другими источниками широкополосных сигналов, имеющими выходное сопротивление 20…200 Ом. От подобных по назначению устройств этот усилитель выгодно отличается сочетанием малых собственных шумов, высокой температурной стабильностью параметров и широкой полосой пропускания.

Область применения: жилые отапливаемые помещения.

Шифр: Блок УНС-Э

Обозначение: МАИ.467111.001

1.2 Основа для разработки

Задание на курсовую работу выданное кафедрой 404.

Дата утверждения: 18.05.2012 г.

Цель и задача разработки

Цель: Создание модели предварительного усилителя сигнала датчика.

Задача: разработка конструкции, отвечающей требованиям технологичности и экономичности при малых материалоемкости и потребляемой мощности для серийного производства.

Построение устройства для предварительного усиления сигнала датчика.

Источники разработки

Журнал «Радио» №2 2011 год, статья «Предварительный усилитель сигнала датчика».

Прототип - семейство предварительных усилителей. Изменения: малые собственные шумы, высокая температурная стабильность параметров, широкая полоса пропускания.

Технические требования

Состав изделия: Предварительный усилитель сигнала датчика состоит из блока содержащего печатную плату, конденсаторов, резисторов, диодов, транзисторов, транзисторных сборок.

Габаритные размеры блока не должны превышать 403020 мм (длина - ширина - высота).

Масса блока должна быть не более 0,045 кг.

Показатели назначения

Напряжение питания 5±0,25 В.

Ток, потребляемый предварительным усилителем сигнала датчика, не должен превышать 6,0 мА. Потребляемая от источника питания мощность 4.5 Вт.

Требования к надежности

Средняя нормированная наработка на отказ предварительного усилителя сигнала датчика должны быть не менее 10000ч.

Вероятность безотказной работы не менее 0,97 за 24 часа непрерывной работы.

Вероятность безотказной работы не менее 0,95 за 10000 часов непрерывной работы.

Требования к уровню унификации и стандартизации

В конструкции должны быть использованы стандартные, унифицированные и заимствованные сборочные единицы и детали.

Требования к безопасности

По электробезопасности блок должен соответствовать требованиям ГОСТ 12.2.025-76.

Специальных требований не предъявляется.

Эстетические и эргономические требования

Внешний вид автомата должен удовлетворять требованиям современной эстетики

Условия эксплуатации

Предварительный усилитель сигнала датчика должен сохранять работоспособность при: температура от 0 ºС до +40 ºС;

Атмосферное давление: от 106,0-135,0 кПа (600…811 мм.рт.ст.);

Относительная влажность: 75-98%;

Дополнительные требования

Изделие выполнено по возможности с использованием отечественной элементной базы с применением технологи монтажа на поверхности (SMD)

Требования к транспортировке и хранению

Предварительный усилитель должен допускать транспортировку всеми видами транспорта.

Предварительный усилитель должен быть стойким при воздействии вибрации, находящейся в диапазоне частот 5-50 Гц, допустимой при перевозке

Предварительный усилитель в процессе транспортирования должен быть стойким к воздействию температуры окружающей среды в соответствии с ГОСТ 16350-80.

.3 Конструктивные требования

Специальных требований не предъявляется.

Стадии разработки

№ п/п

Наименование этапа проектирования

Срок выполнения

1

Разработка ТЗ на конструирование РЭС

24.09.2011

2

Конструкторский анализ ТЗ и схемы электрической принципиальной

7.10.2011г.

3

Разработка конструкции печатной платы

21.10.2011г.

4

Разработка конструкции РЭС

28.10.2011г.

5

Расчет показателей качества конструкции

11.11. 2011г.

6

25.11.2011г.

7

Оформление расчетно-пояснительной записки

10.12.2011г

8

Защита курсового проекта

11.12 - 20.12.2011г.

2. Конструкторский анализ ТЗ и схемы электрической принципиальной

.1 Анализ ТЗ

Предварительный усилитель сигнала датчика предназначен для первичной обработки сигналов различных быстродействующих датчиков ИК диапазона, но может быть успешно использован и для работы с другими источниками широкополосных сигналов, имеющими выходное сопротивление 20…200 Ом. От подобных по назначению устройств этот усилитель выгодно отличается сочетанием малых собственных шумов, высокой температурной стабильностью параметров и широкой полосой пропускания.

Сфера использования весьма разнообразна: предварительное усиление сигнала датчиков оптических, беспроводных, в малопотребляющем датчике дыма.

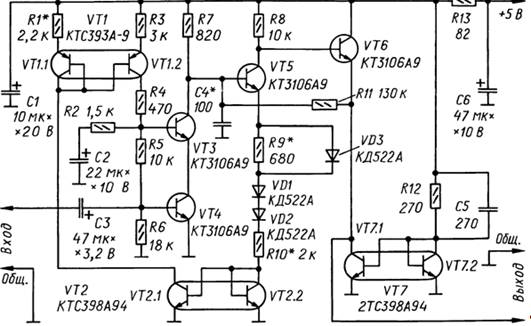
2.2 Описание электрической принципиальной схемы

Первая ступень принципиальной схемы предварительного усилителя образована транзисторами VТ3 и VТ4 в каскадном включении с последовательным питанием. Конденсатор СЗ - разделительный. Транзисторы VТ1.1, VТ1.2, VТ2.1,VТ2.2 и резисторы R1, RЗ-R6 определяют режим работы ступени по постоянному току. Резистор R7 нагрузочный. Конденсаторы С2, C3 и резистор R2 формируют амплитудно-частотную характеристику (АЧХ) усилителя в нижнечастотной области, а верхнюю гpaничную частоту полосы пропускания определяет емкость конденсатора С4.

Рисунок 2.1

Во второй ступени усилителя работает транзистор VТ5, нагрузкой которого служит резистор R8. Эмиттер этого транзистора соединен с общим проводом температурозависимой цепью, состоящей из резисторов R9, R10, диодов VD1-VDЗ и транзистора VТ2.2. Коэффициент усиления напряжения ступени определяется отношением сопротивления резистора R8 к эквивалентному сопротивлению этой цепи.

Если под воздействием каких-либо дестабилизирующих факторов, например, изменения температуры окружающей среды, увеличился (или уменьшился) ток через транзисторы VТЗ, VТ4, то уменьшится (увеличится) ток базы и ток эмиттера транзистора VТ5. Это вызовет уменьшение (увеличение) тока, протекающего через "токовые зеркала" VТ2.1 VТ2.2R10 и VТ1. 1 VТ1.2R1RЗ, а также через делитель напряжения R4-R6. В результате уменьшится (увеличится) ток базы, а следовательно, и ток эмиттера транзисторов VТЗ, VТ4, возвращаясь к своему первоначальному значению. Благодаря действию такой ОС стабилизируется работа первой и второй ступеней усилителя по постоянному току.

Третья (выходная) ступень усилителя представляет собой эмиттерный повторитель на транзисторе VТ6. Транзистор VТ7.1 "токового зеркала" VТ7.1VТ7.2R12

служит источником тока для транзистора VТ6. Источник тока в эмиттерной цепи транзистора VТ6 обеспечивает высокую нагрузочную способность выходной ступени. Конденсатор С5 корректирует АЧХ ступени в ее верхнeчастотной области.

Резистор R11 создает отрицательную ОС между второй и третьей ступенями усилителя, повышающую стабильность eгo работы. Конденсаторы С1, С6 и резистор R1З - элементы фильтра в цепи питания.

2.3 Конструкторский анализ

.3.1 Максимальные и минимальные характеристики элементов

Минимальная площадь и объем установки имеют транзисторы КТ3106А9 (0.075, 0.00825)

Максимальная площадь и объем установки имеет конденсатор К53-56 47мкф x 10В (0,3195, 0.08946 )

Для сборки с использованием SMD компонентов минимальную площадь и объем установки имеют ЧИП КОНДЕНСАТОР 0805 270 пкф (0.0250,00325

Для сборки с использованием SMD компонентов максимальную площадь и объем установки имеет транзистор КТС393А9 (0.2, 0.04)

2.3.2 Расчет характеристик для элементной базы, описанной в таблице 2.1

1) Расчет массы конструкции

Ориентировочная плотность конструкции:

Исходя из этого, выберем коэффициент дезинтеграции по массе

2) Расчет общей интенсивности отказа

Интенсивность отказа резисторов:

Интенсивность отказа конденсаторов:

1/ч

Интенсивность отказа диодов:

1/ч

Интенсивность отказа транзисторов:

1/ч

Общая интенсивность отказа:

1/ч

) Расчет плотности конструкции

) Расчет коэффициента дезинтеграции по площади

) Расчет коэффициента дезинтеграции по объему

Расчет характеристик для элементной базы, описанной в таблице 2.2

) Расчет массы конструкции

г

) Расчет общей интенсивности отказа

Интенсивность отказа резисторов:

1/ч

Интенсивность отказа конденсаторов:

1/ч

Интенсивность отказа диодов:

1/ч

Интенсивность отказа транзисторов:

1/ч

Общая интенсивность отказа:

1/ч

) Расчет плотности конструкции

) Расчет коэффициента дезинтеграции по площади

) Расчет коэффициента дезинтеграции по объему

2.3.3 Расчет относительных показателей

1) Расчет коэффициента уменьшения масс

) Расчет плотности упаковки по объему

2.4 Обоснование выбора элементной базы

Таблица 2.1 - Сравнение характеристик качества конструкции РЭС


Старая элементная база

Новая элементная база с использованием SMD элементов

Масса конструкции, (г)

51.765

23.276

6.413

10.845

Коэффициент дезинтеграции по объему,

22.116

33.547

Общая интенсивность отказа, (1/ч)




Из полученных результатов видно, что использование новой элементной базы приведет к снижению массы и объема конструкции. Устройство, спроектированное на SMD элементах, будет иметь меньшую интенсивность отказа, а значит, будет более надежным. Обобщив рассчитанные характеристики можно сделать вывод о том, что для конструирования данного устройства лучше использовать SMD элементы.

3. Разработка конструкции печатной платы

.1 Расчет площади печатной платы

Площадь печатной платы, необходимую для одностороннего размещения радиоэлементов, находят по формуле:

,

Где - коэффициент дезинтеграции по площади, - установочная площадь i-го радиоэлемента, n- число радиоэлементов.

Коэффициент дезинтеграции площади обычно полагают равным 2…2,5.

Установочные площади определяют по справочным данным на радиоэлементы (таблица 2.2).


3.2 Типоразмер печатной платы

Размеры печатной платы должны соответствовать ГОСТ 10317-79. Максимальное соотношение сторон печатной платы допускается 3 к 1. Предпочтительны платы прямоугольной формы, печатные платы другой формы необходимо обосновывать. Размеры каждой стороны печатной платы должны быть кратны:

.5 - до 100мм;

- до 350мм;

- более 350мм.

Рассчитанная площадь печатной платы конструируемого устройства слишком мала и не удовлетворяет площадям для типоразмеров, представленных в ОСТ 4 ГО.010.009. Минимальный размер печатной платы по этому стандарту составляет 135х110, выбор такой платы приведет к неоправданному увеличению размера конструкции, объем устройства превысит объем, указанный в ТЗ. Следовательно, необходимо использовать оригинальные размеры печатной платы.

Исходя из рассчитанной площади устройства, выберем размеры: 25х20 мм, что соответствует.

Данная плата соответствует ГОСТ 10317-79, позволяет разместить на себе все элементы и будет удовлетворять условиям, оговоренным в ТЗ.

3.3 Размеры краевых полей

Ширина краевых полей и выбирается из условия.

Краевое поле предназначено для размещения вилки (розетки) электрического соединителя или контактных площадок для пайки проводников внутриблочных электрических соединений. В поле могут устанавливаться передняя панель ячейки, контрольная колодка, металлический угольник и др. Поэтому ширина полей и нужно определять геометрическими размерами перечисленных элементов. Но наше устройство представляет собой РЭМ-1 (ячейка, плата), поэтому размеры краевых полей y1 и y2 выбираем минимальными.

Исходя из справочных данных, выбираем:

3.4 Тип печатной платы

Выбор материала печатной платы производится в соответствии с ГОСТ 10316-78.

Двухсторонние печатные платы выше, чем односторонние, к тому же процесс их изготовления занимает большее время. При конструировании данного устройства ограничимся односторонней печатной платой, изготовленной с использованием фольгированного стеклотекстолита (СФ-1-35) с толщиной фольги.

3.5 Класс точности

В соответствии с ГОСТ 23751-86 предусмотрено 5 классов точности. Наименьшее номинальное значение основных размеров элементов конструкции печатных плат и гибких печатных кабелей для узкого места в зависимости от класса точности приведены в таблице 3.1, где t - минимальная ширина проводников, S - минимальное расстояние между проводниками, b - ширина контактной площадки, - отношение диаметра металлизированного отверстия к толщине платы.

Таблица 3.1

Условное обозначение

Номинальное значение основных размеров для класса точности


1

2

3

4

5

t, мм

0,75

0,45

0,25

0,15

0,10

S, мм

0,75

0,45

0,25

0,15

0,10

b, мм

0,30

0,20

0,10

0,05

0,025


0,40

0,40

0,33

0,25

0,20


Для свободного места указанные значения допускается увеличивать по любому более низкому класса, а для первого класса увеличивать в 2 раза.

При обосновании класса точности печатной платы следует учитывать, что трудоемкость изготовления платы 4го класса (односторонней) примерно на порядок выше платы 1го класса точности. Выбор класса точности всегда связан с конкретным производством.

Изготовление печатных плат 5го класса требует применения высокоточного оборудования, специальных (как правило, дорогих) материалов, создания в производственных помещениях «чистой» зоны с термостатированием. Для печатных плат 4го класса точности также необходимо использовать высокоточное оборудование, но требования к материалам ниже, чем в 5 классе.

Выпуск печатных плат 1го и 2го класса осуществляется на рядовом оборудовании, а иногда даже на оборудовании не специализированном. Такие печатные платы с невысокими конструктивными параметрами предназначены для недорогих устройств с малой плотностью монтажа. К этому классу относятся печатные платы любительского и макетного уровня.

Исходя из этого, выберем 3й класс точности печатной платы, который не требует высокоточного оборудования и дорогих материалов, но в тоже время позволяет произвести печатные платы уровня выше любительского.

Соответственно наименьшие номинальные значения основных размеров элементов конструкции будут следующими:

3.6 Толщина печатной платы


3.7 Группа жесткости

Группу жесткости выбирают, опираясь на ГОСТ 23752-79.

Выбираем первую группу жесткости, так как именно она удовлетворяет всем условиям, указанным в ТЗ.

3.8


Не нашли материал для своей работы?
Поможем написать уникальную работу
Без плагиата!
Без нейросетей!