|
Акустические
|
Отражающая способность, поглощение
|
|
Амплитуда волны, фаза, поляризация
|
Другие
|
|
Спектр
|
Механические
|
|
Скорость волны
|
Положение (координаты линейные и угловые)
|
|
Другие
|
Ускорение
|
|
Биологические
|
Сила
|
|
Биомасса (вид, концентрация, состояние)
|
Напряжение, давление
|
|
Другие
|
Деформация
|
|
Химические
|
Масса, плотность
|
|
Элементы (идентичность, концентрация,
состояние)
|
Движение, момент
|
|
Другие
|
Скорость потока, расход массы
|
|
Электрические
|
Форма, шероховатость, ориентация
|
|
Заряд, ток
|
Жесткость, податливость
|
|
Потенциал, напряжение
|
Вязкость
|
|
Электрическое поле (амплитуда, фаза,
поляризация, спектр)
|
Упорядоченность структуры, интеграция
|
|
Проводимость
|
Другие
|
|
Диэлектрическая проницаемость
|
Излучение
|
|
Другие
|
Тип
|
|
Магнитные
|
Энергия
|
|
Магнитное поле (амплитуда, фаза, поляризация,
спектр)
|
Интенсивность
|
|
Магнитный поток
|
Другие
|
|
Проницаемость
|
Тепловые
|
|
Другие
|
Температура
|
|
Оптические
|
Поток
|
|
Амплитуда волны, фаза, поляризация, спектр
|
Тепло
|
|
Скорость волны
|
Теплопроводность
|
|
Коэффициент отражения
|
Другие
|
|
Излучающая способность
|
|
1.3 Общие
понятия о давлении
Понятие давления первоначально основывалось на работе
Евангелиста Торричелли, который некоторое время был учеником Галилея. Поставив
в 1643 году эксперимент с блюдцами, заполненными ртутью, он сделал вывод, что
атмосфера оказывает давление на Землю. Другой великий физик Блэйз Паскаль в
1647 году вместе со своим зятем Перье провели еще один опыт: они измеряли
высоту ртутного столба у подножия и на вершине горы Puy de Dome. При этом они
обнаружили, что давление, действующее на столбик ртути, зависит от высоты подъема.
Свой прибор, который они использовали в этом эксперименте, Паскаль назвал
барометром. В 1660 году Роберт Бойль сформулировал закон: "Для заданной
массы воздуха при известной температуре произведение давления на объем является
постоянной величиной". В 1738 году Даниэль Бернулли разработал теорию
динамического давления газов, из которой аналитическим способом можно вывести
закон Бойля. По сути Бернулли опередил закон Шарля-Гей-Люссака, сформулировав
следующее утверждение: "При нагреве газа в постоянном объеме его давление
увеличивается".
В общем виде, все материалы можно разделить на твердые тела и
жидкие среды. Под термином жидкая среда здесь понимается все, что способно
течь. Это могут быть как жидкости, так и газы, поскольку между ними не
существует серьезных различий. При изменении давления жидкости превращаются в
газы и наоборот. К жидким средам невозможно приложить давление ни в каком
другом направлении, кроме перпендикулярного к поверхности. При любом угле кроме
90° жидкость будет просто соскальзывать или стекать. Для жидкой среды в
стационарных условиях давление можно выразить через отношение силы F,
действующей перпендикулярно поверхности, к площади этой поверхности А:

. (1.1)
Давление имеет механическую природу, и поэтому для его описания
можно использовать основные физические величины: массу, длину и время. Хорошо
известен факт, что давление сильно меняется вдоль вертикальной оси, тогда как
на одинаковой высоте оно постоянно во всех направлениях. При увеличении высоты
давление падает, что можно выразить следующим соотношением:

, (1.2)
где w - удельный вес среды, dh - изменение высоты, a dp -
соответствующее ему изменение давления.
Давление жидкой среды в замкнутом объеме не зависит от формы
сосуда, поэтому при разработке датчиков давления такие параметры как форма и
размеры часто бывают не очень существенными. Если на одну из сторон сосуда с
жидкостью или газом действует внешнее давление, оно передается по всему объему
без уменьшения его значения.
Кинетическая теория газов утверждает, что давление является мерой
полной кинетической энергии молекул:

, (1.3)
где КЕ - кинетическая энергия, V - объем, С2 - среднее
значение квадрата скоростей молекул, с - плотность, N - число молекул в единице
объема, R - универсальная газовая постоянная, а T - абсолютная температура.
Избыточное давление - это давление газа, превышающее давление
окружающей среды. В противоположном случае - речь идет о вакууме. Давление
называется относительным, когда его измеряют относительно давления окружающей
среды, и абсолютным - когда оно измеряется по отношению к нулевому давлению.
Давление среды может быть стационарным, когда жидкая среда находится в покое,
или динамическим, когда оно относится к жидкостям в движении.
1.4 Единицы
измерения давления
В системе СИ единицей измерения давления является паскаль:
1Па=1Н/м2. Это значит, что давление 1 паскаль равно силе, равномерно
распределенной по поверхности площадью 1 квадратный метр. Иногда в качестве
технической единицы измерения давления применяется единица, называемая
атмосфера, обозначаемая 1 атм. Одна атмосфера это давление, которое оказывает
столб воды высотой 1 метр на площадку 1 квадратный сантиметр при температуре
+4°С и нормальном гравитационном ускорении. Между единицами давления существует
следующая взаимосвязь:
Па = 1.45 х 10-4 фунт - сила / дюйм2,
(1.4)
Па = 9.869 х 10-6 атм, (1.5)
Па = 7.5 х 10-4 см ртутного столба. (1.6)
Для грубых оценок можно запомнить еще одно соотношение: 0.1
мм Н2О создает давление, приблизительно равное 1 Па. В
промышленности применяется другая единица давления, называемая торр (это
название дано в честь физика Торричелли), которая определяется как давление,
создаваемое столбиком ртути высотой 1 мм при 0°С, нормальном атмосферном
давлении и нормальной гравитации. Идеальное давление атмосферы Земли, равное
760 торр, называется технической атмосферой:
атм = 760 торр, (1.6)
атм = 101.325 Па. (1.7)
В системе единиц США давление измеряется в фунтах-силы на
квадратный дюйм. Эта единица там обозначается как psi. Для перевода psi в
единицы системы СИ можно воспользоваться соотношением:
psi = 6.89 х 103 Па, (1.8)
psi = 0.0703 атм. (1.9)
Принцип действия любого датчика давления заключается в
преобразовании давления, испытываемого чувствительным элементом, в
электрический сигнал. В конструкцию практически всех преобразователей давления
входят сенсоры, обладающие известной площадью поверхности, чья деформация или
перемещение, возникающие вследствие действия давления, и определяются в
процессе измерений. Таким образом, многие датчики давления реализуются на
основе детекторов перемещения или силы, причиной возникновения которой является
тоже перемещение.
2.
Обоснование выбранного направления работы
2.1
Электрические манометры
Действие этих приборов основано на зависимости электрических
параметров преобразователя давления от величины измеряемого давления. К ним
относятся: пьезометрические манометры, в которых используется зависимость
электрического заряда пьезоэлемента от измеряемого давления; манометры
сопротивления, основанные на зависимости электрического сопротивления
чувствительного элемента от измеряемого давления; ионизационные манометры,
действие которых базируется на зависимости силы тока положительных ионов,
образованных в результате ионизации молекул разряженного газа, от измеряемого
давления; а также радиоизотопные манометры, в которых для ионизации газа
используется излучение радиоизотопных источников.
Использование современных приборов повышает надежность,
точность измеряемых величин, увеличивает продолжительность работы.
Использование достаточно точных элементов повышает точность устройства,
увеличивает помехоустойчивость, а также другие показатели. Разработка таких
устройств является важной частью проектирования.
2.2 Сильфоны,
мембраны и тонкие пластины
Чувствительные элементы, входящие в состав датчиков давления,
являются механическими устройствами, деформирующимися под действием внешнего
напряжения. Такими устройствами могут быть трубки Бурдона (С-образные,
спиральные и закрученные), гофрированные и подвесные диафрагмы, мембраны,
сильфоны и другие элементы, форма которых меняется под действием на них
давления.
Рис.2.1 А - стальной сильфон, используемый в датчиках
давления (Servometer Corp., Cedar Grove, NJ), Б - металлическая гофрированная диафрагма,
применяемая для преобразования давления в линейное перемещение
На рис.2.1А показан сильфон, преобразующий давление в
линейное перемещение, которое может быть измерено при помощи соответствующего
датчика. Таким образом, сильфон выполняет первый этап преобразований давления в
электрический сигнал. Он обладает относительно большой площадью поверхности,
что дает возможность получать довольно существенные перемещения даже при
небольших давлениях. Жесткость цельного металлического сильфона пропорциональна
модулю Юнга материала и обратно пропорциональна внешнему диаметру и количеству
изгибов на нем. Жесткость сильфона также связана кубической зависимостью с
толщиной его стенок.
На рис.2.1Б показана диафрагма, применяемая в анероидных
барометрах для преобразования давления в линейное отклонение. Диафрагма,
формирующая одну из стенок камеры давления, механически связана с
тензодатчиком, который преобразует ее отклонения в электрический сигнал. В
настоящее время большинство датчиков давления такого типа изготавливаются с кремниевыми
мембранами, методами микро-технологий.
Рис.2.2 Деформация тонкой пластины (А) и мембраны (Б) под
действием давления р
Мембрана - это тонкая диафрагма, радиальное растяжение
которой S измеряется в Ньютонах на метр (рис.2.2Б). Коэффициентом жесткости при
изгибе здесь можно пренебречь, поскольку толщина мембраны гораздо меньше ее
радиуса (по крайней мере в 200 раз). Приложенное давление к одной из сторон
мембраны сферически выгибает ее. При низких значениях давления р отклонение
центра мембраны zm и ее механическое напряжение уm являются
квазилинейными функциями давления (напряжение измеряется в Н/м2):

, (2.1)

, (2.2)
где r - радиус мембраны, a g - ее толщина.
Механическое напряжение мембраны считается постоянным по всей ее поверхности.
Для нахождения наименьшей собственной частоты мембраны можно
воспользоваться следующим соотношением:

, (2.3)
где р - плотность материала мембраны. При значительной толщине
мембраны, когда ее отношение r/g ≤100, речь уже идет о тонкой пластине
(рис.2.2А). Если такую пластину закрепить между двумя зажимными кольцами, в
системе появится значительный гистерезис, вызванный силами трения между
кольцами и пластиной. Поэтому пластину и поддерживающие компоненты лучше
изготавливать в виде монолитной конструкции.
Для пластины, также как и для мембраны, максимальное отклонение
линейно связано с давлением:

, (2.4)
где Е - модуль Юнга (Н/м2), a v - коэффициент Пуассона.
Максимальное механическое напряжение в пластине тоже является линейной функцией
давления:

. (2.5)
В уравнениях предполагается, что разрабатываемый датчик давления
будет измерять отклонения мембраны или пластины.
.3
Особенности монтажа манометров и преобразователей давления
Показывающие, самопишущие и сигнализирующие манометры и
преобразователи давления устанавливаются в вертикальном положении на
специальных кронштейнах, стойках, щитах и пультах.
Для устранение и сглаживания пульсации измеряемого давления
жидкостей, пара и газов на компрессорных станциях, в насосах, технологическом
оборудовании и трубопроводах, приводящей к выходу из строя передаточный
механизм приборов, используются следующие виды демпфирования (сглаживания):
установка и штуцер манометра специального дросселя, позволяющего в зависимости
от плотности измеряемой среды значительно уменьшить диаметр входного отверстия
манометра от 2 до 0.1 мм; установка дополнительной емкости (2 - 5 л) между
отбором измеряемого давления и манометром.
Место, используемое на технологическом оборудовании или
трубопроводе для контроля давления, называется отбором (импульсом) давления;
трасса, соединяющая отбор давления с манометром, называется импульсной линией.
В зависимости от величины давления, агрессивности, пожароопасности и
взрывоопасности измеряемых сред импульсные линии состоят из медных, стальных
цельнотянутых или полихлорвиниловых трубок.
Диаметр импульсных трубок и их толщина при монтаже выбираются
из расчета длины трассы и максимального рабочего давления измеряемой среды.
Отечественной промышленностью выпускаются медные, стальные и полихлорвиниловые
трубки следующих диаметров: 1; 2; 3; 4; 5; 6; 8; 10; 12; 14; 16 см при толщине
стенки 0.5; 0.75; 1; 1.5; 2 мм.
Импульсные линии для измерения давления контролируемых сред
прокладываются в строгом соответствии с монтажной схемой автоматизации объекта,
где указаны длина трассы и полная характеристика импульсной линии (тип
материала, сечение и толщина стенки).
Отборы (импульсы) давления обычно устанавливаются на
прямолинейных участках трубопроводов и технологическом оборудовании с учетом
изгибов, поворотов, колен и тройников, где возникает дополнительная погрешность
измерений давления, вызванная центробежной силой измеряемого потока среды.
2.4 Защита
манометров и преобразователей давления
При монтаже и установке приборов измерения давления
предусматриваются: защита прибора от воздействия агрессивных сред, вибрации,
высоких температур, пульсации давления; устройства сброса конденсата при
измерении влажных газов; исключение возникновения газовых мешков в линиях при
измерении давления жидкостей, а в газах - гидравлических пробок; исключение
влияния динамического напора среды.
При измерении давления агрессивных, кристаллизирующихся сред,
выделяющих осадки у места отбора импульса, устанавливаются мембранные
разделители типа РМ. При этом внутреннее пространство манометра и разделителя
заполняют рабочей жидкостью, которая служит для передачи давления от мембраны
разделителя к манометру. При измерении давлений кислот и щелочей для защиты
внутренней поверхности чувствительного элемента (датчика) манометра используют
разделительные сосуды, внутреннюю полость которых заполняют водой, легкими
минеральными маслами, этиловым спиртом, глицерином и т.д. Конструкция
мембранного разделителя показана на рис.2.3.
Рис.2.3 Конструкция мембранного разделителя РМ:
- штуцер под отбор измеряемого давления, 2 - мембрана
(нержавеющая сталь), 3 - дистиллированная вода, 4 - штуцер под измерительный
прибор
Как правило, для целей безопасности эксплуатации и выполнения
ремонтных работ на месте отбора давления устанавливается запорное устройство -
вентиль, рассчитанный на максимальное рабочее давление; он имеет две основные
характеристики - диаметр проходного сечения, выражаемый в миллиметрах, и
максимальное давление среды. Эти характеристики маркируются на боковой
поверхности вентиля. Например, вентиль имеет маркировку BC = PY =
16; DY = 6, которая расшифровывается: вентиль сильфонный,
максимальное давление 16 кгс/см2, условный диаметр 6 мм.
2.5
Особенности прокладки линии
На всей трассе "отбор давления - импульсная линия -
манометр" для создания необходимой плотности в соединениях используются
прокладки, которые в зависимости от измеряемой среды и давления изготавливаются
из паронита, прессшпана, алюминия или отожженной меди.
Все трубные проводки монтируют в соответствии с рабочими
чертежами проекта по схемам внешних трубных проводок, в которых определены
трасса, длина и сортамент труб.
Как одиночные, так и групповые трубные разводки вдоль трассы
крепятся на специальных типовых стойках и кронштейнах, выполненных из полосовой
или перфорированной стальной полосы.
Монтаж и прокладка трубных проводок является трудоемкой и
ответственной операцией. Наличие утечек и неплотности в импульсных
разветвленных трассах ведет к заниженным показаниям приборов, некачественному
ведению технологического процесса.
Соединение медных и стальных трубок выполняется соответственно
газовыми и электросварочными постами. Стыковая пайка медных трубок не получила
большого применения, так как припой при пайке попадает внутрь трубок и забивает
проходное сечение. Лучшим способом соединения трубок является соединение с
помощью медных или стальных вставок (рис.2.4.).
Рис.2.4 Способы соединения медных и стальных трубок:
а - сварка после вальцовки: 1 - трубка, 2 - развальцованный
участок, 3 - место сварки (пайки); б - с помощью вставки: 1 - трубка, 2 - вставка,
3 - место сварки (пайки)
Для монтажа медных и стальных трубок используются специальные
вальцовки, позволяющие выполнить необходимый профиль соединительного конуса.
Полиэтиленовые трубки и кабели из материала ТУМПХ применяются при давлении газа
или жидкости до 0.6 МПа (6 кгс/см2). Соединение их с приборами
осуществляется разогревом до 220 - 260 oC и последующей посадкой
на требуемый штуцер прибора.
2.6 Приборы
для проведения исследований скважин
Другие, не менее важные приборы для замера давления - приборы
для определения забойных давлений, применяют глубинные приборы, которые могут
быть установлены в любой точке скважины. Эти приборы спускают в скважину с
помощью специальных лебедок на проволоке или кабеле, а также с колонной труб
или со специальным инструментом. В зависимости от способа регистрации показании
глубинные приборы подразделяются на следующие:
автономные, показания которых регистрируются непосредственно
в приборе, спускаемом в скважину;
дистанционные, показания которых передаются по кабелю на
поверхность, где регистрируются с помощью вторичных приборов.
Кроме приборов, предназначенных для измерения одной величины,
созданы комплексные дистанционные приборы для измерения двух и более величин
(давления, температуры, дебита). Комплексные глубинные приборы содержат
несколько измерительных преобразователей (датчиков) и переключающее устройство,
позволяющее поочередно подключать каждый датчик к общей измерительной схеме.
Конструктивно дистанционные приборы представляют собой два
самостоятельных узла: глубинный прибор, спускаемый в скважину, и вторичных
прибор, находящийся на поверхности. Связь между ними организована по кабелю,
который часто является также тросом, несущим глубинный прибор, в котором
размещены датчики и вспомогательные устройства, необходимые для процесса
измерения.
Датчиком глубинного прибора является ряд измерительных
преобразователей, обеспечивающих преобразование измеряемой величины в сигнал,
пригодный для усиления и передачи по кабелю на поверхность. Датчик
дистанционного прибора состоит из трех измерительных преобразователей:
предварительного, основного и выходного.
Глубинные приборы для измерения давления по принципу действия
подразделяют на следующие типы:
пружинные приборы, в конструкции которых в качестве упругого
чувствительного элемента применена многовитковая геликсная пружина. Приборы
этого типа называются геликсными глубинными манометрами;
пружинно-поршневые приборы, у которых давление воспринимается
уплотненным поршнем, соединенным с винтовой цилиндрической пружиной растяжения.
Различают пружинно - поршневые манометры с не вращающимся и вращающимся
поршнями. Манометры с вращающимся поршнем имеют более высокий класс точности;
пневматические приборы, принцип действия которых основан на
уравновешивании измеряемого давления и сжатого газа, заполняющего измерительную
камеру прибора. Эти приборы получили название глубинных дифманометров, так как
они регистрируют приращение давления от его начального значения.
Датчики давления размещены в общем герметичном корпусе
глубинного прибора. Получение результатов измерения в цифровой форме упрощает
их обработку. Измерение и регистрация производятся циклически; интервал времени
между измерениями, равный 0.16; 0.5; 1; 2; 10; 30 или 60 мин, устанавливается
переключателем.
Датчики давления обладают высокой надежностью и
стабильностью, что обеспечивает возможность их длительной непрерывной
эксплуатации. Диапазоны измерения давления прибора МТДС составляют 0 - 16; 0 -
25; 0 - 40 и 0 - 60 МП.
Для регистрации давления, так же важно знать глубину на
которую, спущено устройство. Для этого применяют устройство отсчета глубины
спускаемого датчика. Устройство отсчета глубины с датчиком устанавливают на
устье скважины. В целях уменьшения погрешности измерения глубины на кабеле
через равные расстояния наносятся магнитные метки. Момент прохождения магнитной
метки регистрируется меткоуловителем и отмечается прибором на панели блока
контроля.
3.
Расчетно-проектная часть
3.1 Выбор
интерфейса
Устройства первичной обработки сигналов датчиков с
унифицированным выходным токовым сигналом 4…20 мА широко используются в
промышленной автоматике. Популярность стандартного интерфейса типа
"токовая петля" объясняется следующими факторами:
Питание схемы обработки сигнала датчика и передача выходного
информационного токового сигнала устройства осуществляется по двум проводам,
которые одновременно выполняют как функцию информационной линии связи, так и
функцию обеспечения устройства электропитанием;
Представление информационного выходного сигнала в виде уровня
постоянного тока и использование в качестве линии связи витой пары проводов
обеспечивает высокую помехоустойчивость передачи информации на значительные
расстояния;
Паразитные параметры линии связи (омическое сопротивление,
распределённые ёмкость и индуктивность) практически не влияют на точность
передачи информационного сигнала.
Рис.3. Токовая петля
Важно понимать, что в интерфейсе "токовая петля"
рис.3. непосредственное соединение с "глобальной землёй" имеет только
приёмник сигнала. Схема преобразователя является "плавающей":
потенциалы её узлов относительно "глобальной земли" изменяются при
вариациях величин выходного тока Iвых преобразователя, сопротивления
r двухпроводной линии связи и напряжения Eпит источника питания.
Зависимость узловых напряжений преобразователя от текущих величин Iвых,
r и Eпит затрудняет анализ схемы преобразователя. Анализ упрощается,
если измерять узловые напряжения относительно некоторого (в общем случае
любого) узла схемы преобразователя, который можно условно считать
"локальной землёй". В приводимых функциональных и принципиальных
схемах преобразователя для обозначения "локальной земли" используется
общепринятый графический символ общего проводника схемы "_|_".
3.2
Функциональная схема системы
В приложение 1 изображена функциональная электрическая схема
системы измерения давления в нефтепроводе. Схема состоит из следующих блоков:
датчика давления, включающего в себя мембрану с двумя резонаторами, несколько
преобразователей (в том числе преобразователь тока) и остальную электронику;
блока токовых входов и регулятора, обеспечивающий выполнение функций
ввода-вывода и измерения электрических величин; и устройства "ПК", в
качестве которого может служить электронный самописец К - 2000.
В качестве связи между датчиком и ТВР используется
промышленный стандарт линии связи с унифицированным сигналом 4 - 20 мА, а между
ТВР и "ПК" используется стандарт RS - 485 или может также
использоваться стандарт RS - 232. Так для соединения ТВР с персональным
компьютером может осуществляться по стандарту RS - 485 только в составе
комплектов ввода вывода или по стандарту RS - 232 в составе
контроллеров К - 2000.
RS - 485 (RS - 485 - англ. Recommended Standard 485) - стандарт передачи
данных по двухпроводному полудуплексному многоточечному последовательному
каналу связи.
В стандарте RS - 485 для передачи и приёма данных часто
используется единственная витая пара проводов. Передача данных осуществляется с
помощью дифференциальных сигналов. Разница напряжений между проводниками одной
полярности означает логическую единицу, разница другой полярности - ноль.
RS - 232 (англ. Recommended Standard 232) - в
телекоммуникациях, стандарт последовательной синхронной и асинхронной передачи
двоичных данных между терминалом (англ. Data Terminal Equipment,
DTE) и коммуникационным устройством (англ. Data Communications
Equipment, DCE).
3.3
Функциональная схема интерфейса "токовая петля"
В приложение 2 представлена функциональная электрическая
схема преобразователя тока.
Блок А1 - является датчиком, который вырабатывает, на входное
давление, частоту, а далее напряжение от 0 до 20 мВ, поступающее на вход
интерфейса "токовая петля".
Преобразователь тока или интерфейс "токовая петля"
состоит из следующих функциональных блоков:
А2 - усилитель напряжения, который усиливает напряжение
поступающее от датчика;
А3 - прецизионный выпрямитель, осуществляющий выпрямление
положительных и отрицательных полуволн входного гармонического сигнала с
усилителя;
А4 - низкочастотный выпрямитель, ослабляющий переменные
составляющие;
А5 - интегральный источник опорного напряжения (ИИОН),
использующийся для формирования напряжения +2.5 В, которое является
искусственной средней точкой однополярного питающего напряжения +5 В;
Интегральная микросхема (ИМС), которая осуществляет
преобразования тока напряжения.
Стабилизация напряжения питания указанных функциональных
блоков осуществляется стабилитронами, входящим в состав ИИОН: DA2 и DA3 изображенные на
принципиальной схеме в приложение 3. Стабилитрон DA3 используется для
формирования напряжения +2,5 В, которое является искусственной средней точкой
однополярного питающего напряжения +5 В. Из технической документации на ИМС
типа XTR101AP следует, что синфазное напряжение на входах ДУс, которое
отсчитывается относительно вывода 7, должно находиться в диапазоне 4…6 В.
Синфазное напряжение VСН равно сумме падений напряжений на
стабилитроне DA3
и резисторе Rвых.
. (3.1)
Для задания номинального синфазного напряжения VСН
= 5 В необходимо использовать резистор Rвых = 1,25 кОм.
Ток покоя дифференциального усилителя (ДУс) I3,
управляемый выходным напряжением ДУс, зависит от разности ДVвхду
напряжений на входах ДУс и от сопротивления резистора Rпод (в
качестве резистора Rпод используются резисторы R15 и R16 изображенные в
приложение 3), подключенные к выводам 5 и 6 микросхемы:
.(3.2.)
Разность напряжений входа ДУсДVвхду рассчитывается
из разности напряжений на входе 4 и 3:
,(3.3)
при V4 = V3: ДVвхду = 0, I3 = 0.
Выходной ток микросхемы Iвых равен сумме токов
источников I1, I2, I3 и тока Iптду
потребления ДУс:
,(3.4)
При I1 = 1 мА, I2 = 1 мА, Iптду= 2 мА:
.(3.5)
Токи источников I1 и I2, в сумме 2 мА,
используются для питания схем предварительной обработки выходного сигнала
датчика тока А1: усилителя А2, выпрямителя А3, фильтра А4 для подавления
пульсаций выпрямленного напряжения и интегрального источника опорного
напряжения (ИИОН) А5.
3.4
Электрические принципиальные схемы функциональных блоков интерфейса
"токовая петля"
3.4.1
Усилитель
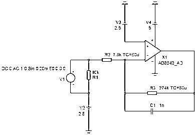
На рис.6.1 изображенная принципиальная электрическая схема
смоделированного усилителя с датчиком. Электрическая схема отличается от схемы
моделированной мною в среде моделирования MicroCap. Например, можно не
моделировать конденсатор C1 представленный в приложение 3, т.к. он
используется для сглаживания помех и не влияет на результаты. Схема усилителя с
датчиком состоит из датчика, вырабатывающего напряжение, путем преобразования
механической энергии в частоту, а затем в напряжение, интегрального операционного
усилителя (ИОУ) типа AD8542, резисторов, обеспечивающих коэффициент
усиления и конденсатора, использующийся для интегрирования входного сигнала во
времени. Резистор R3 необходим, чтобы при отсутствии входного сигнала на выходе было
нулевое напряжение. Источник сигнала (датчик) подключен через источник
напряжения в 2.5 В и эти же 2.5 В подключены к не инвертирующему входу ОУ.
Коэффициент передачи усилителя на частоте 50 Гц может
высчитываться и в децибелах (дБ) при VВх = 20 мВ, VВых = 730 мВ: K ≈ 31 дБ.
Усилитель сигнала датчика реализует передаточную функцию
фильтра низких частот (ФНЧ) первого порядка. Изображение ЛАЧХ отображена на
рис.6.2.
Усилитель предназначен для повышения мощности сигнала за счет
энергии внешнего источника.
Усилитель характеризуется:
а) Коэффициентом усиления;
б) Инерционностью;
Рис.6.1 Схема моделированного усилителя в среде моделирования
MicroCap.
От усилителя требуется наличие на выходе напряжения, превышающего
входное в K раз. В соответствии с приведённой схемой на рис.6.1 усилитель
подключен инверсным входом к источнику входного сигнала, следовательно выходной
сигнал будет инвертирован после усиления. Подадим на инвертирующий вход ОУ сам
входной сигнал с постоянным напряжением в 2.5 В с ИИОН, поделённый в K раз
резистивным делителем напряжения, а на не инвертирующий - сигнал равный +2.5 В
с ИИОН. Коэффициент усиления будет определяться резистивным делителем
напряжения, состоящий из резисторов R2 и R3, соотношением сопротивлений резисторов входного
и обратной связи:

, (3.7)
при R2 = 7.5 кОм и R3 = 274 кОм: К = 36.5.
Частотную характеристику коэффициента усиления от частоты можно
наблюдать на рис.6.3.
Под инерционностью понимают некоторое запаздывание выходной
величины усилителя относительно входной.
Под стабильностью характеристик усилителя понимают постоянство
коэффициента усиления и амплитуды выходного напряжения, а также изменения
выходного сигнала при постоянстве сигнала на входе (дрейф нуля).
Искажения, вносимые усилителем можно разделить на два вида:
нелинейные и линейные. Искажения, связанные с наличием нелинейных элементов в
усилителе, называются нелинейным искажениями. Искажения, обусловленные
изменениями коэффициента усиления на различных частотах, называют частотными
искажениями.
Усилитель должен обеспечивать такое максимальное выходное
напряжение, при котором выходной каскад отдает максимальную мощность в
нагрузку, а также выдерживать перегрузки входным сигналом и не должен давать
значительного фазового сдвига выходного напряжения.
Для повышения стабильности работы, уменьшения нелинейных
искажений и внутренних шумов используют отрицательную обратную связь.
При отрицательной обратной связи напряжение обратной связи и
напряжение сигнала вычитаются и на вход подается их разность.
3.4.2
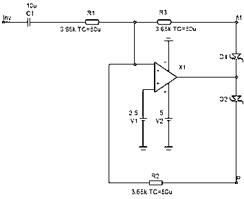
Выпрямитель прецизионный
На рис.6.5 изображена принципиальная электрическая схема
смоделированного прецизионного выпрямителя. Выпрямитель состоит из ИОУ типа AD8542, резисторов R1, R2 и R3, разделительного
конденсатора С1 ограничивающий полосу пропускания фильтра снизу,
диодов D1 и D2.
Когда через диод проходит ощутимый прямой ток, наблюдается
эффект перепада напряжения порядка 500 - 700 мВ. В случае применения диодов для
выпрямления маленьких сигналов этот перепад напряжения оказывается существенным
и может значительно исказить его. Прецизионное выпрямление предназначено для
решения этой проблемы.
Прецизионный выпрямитель имеет два выхода, узлы М и Р
обозначенные на рис.6.5., и осуществляет однополупериодное выпрямление
положительных и отрицательных полуволн входного гармонического сигнала. При
этом эффект перепада наблюдается, но очень незначительный, порядка 7 мВ. В этой
схеме переменное напряжение подается на инвертирующий вход ОУ.
При прохождении отрицательной полуволны, она поступает на
инвертирующий вход ОУ и преобразуется в положительную. Эта полуволна отсекается
диодом D1 и на выход М поступает "нулевой" сигнал, а диод D2 пропускает положительную
полуволну и она поступает на выход P.
При прохождении положительной полуволны, она поступает на
инвертирующий вход ОУ и преобразуется в отрицательную. Данная полуволна не отсекается
диодом D1 и на выход М поступает отрицательная полуволна, а диодом D2 отсекается и на выход М
поступает "нулевой" сигнал.
На первом (узел М) и втором (узел Р) выходах выпрямителя
присутствуют отрицательное и положительное напряжения соответственно,
пульсирующие с частотой 50 Гц, которые поступают на входы дифференциального
ФНЧ. Переходная характеристика представленная на рис.6.6., а частотная
характеристика на рис.6.7
Рис.6.5 Схема моделированного выпрямителя в среде
моделирования MicroCap
Рис.6.6 Переходная характеристика выпрямителя
Рис.6.7 Частотная характеристика выпрямителя
.4.3 Фильтр
низкочастотный
На рис.6.8 изображена принципиальная электрическая схема
смоделированного низкочастотного фильтра. Фильтр ФНЧ состоит из двух ИОУ типа AD8605, резисторов R1…R8, и конденсаторов C1…C6, образующих собой звенья
второго порядка. ФНЧ осуществляет ослабление переменных составляющих.
ФНЧ имеет 2 входа на которых присутствуют положительные и
отрицательные напряжения соответственно, пульсирующие с частотой 50 Гц
поступающие от выпрямителя, подавляет пульсации и дает на выходе
быстро-экспоненциально нарастающее (примерно 100 мс) переменное напряжение на
уровне примерно в 2.27 В на 3 входе ИМС и в 2.72 В на 4 входе ИМС. Переходная
характеристика представлена на рис.6.9.
Данный ФНЧ состоит из 2 низкочастотных фильтра Баттерворта
второго порядка (структура Саллена - Кея).
Для того, чтобы определить из каких элементов состоит каждый
из фильтров данной структуры, необходимо уточнить какие элементы в него не
входят. Конденсаторы C1 и C6 используются для сглаживания помех и не влияют
на результаты. В таком случае резисторы R1 и R3, а также R2 и R4 можно считать одним с
сопротивлением 270 кОм. Резисторы номиналом 1 МОм используются для понижения
потребления тока от источника сигнала, поэтому в структуру Саллена - Кея они не
входят.
Каждая из структур содержит конденсаторы и резисторы с
одинаковым номиналом, и ОУ: Первый фильтр структуры состоит из резисторов R13 [R1 + R3] и R5, конденсаторов C2 и C4, и ОУ; Второй фильтр
структуры состоит из резисторов R24 [R2 + R4] и R6, конденсаторов C3 и C5, и ОУ;
В общем виде их передаточная функция имеет вид:

, (3.7)
Рис.6.8 Схема моделированного ФНЧ в среде моделирования
MicroCap
Рис.6.9 Переходная характеристика ФНЧ
где: щ0 - резонансная частота, Q - добротность,
связанная с коэффициентом затухания ϛ соотношением:

. (3.8)
В зависимости от коэффициентов числителя фильтры второго порядка
подразделяются на следующие виды:
a2 = a1 = 0 - фильтр нижних частот (ФНЧ);
a2 = a0 = 0 - полосовой пропускающий;
a1 = a0 = 0 - фильтр верхних частот;
a1 = 0 -
полосовой задерживающий.
В данном случае используется фильтр низких частот, следовательно
передаточная функция первой структуры имеет вид:

, (3.9)
Параметры фильтра равны:

, (3.10)
(3.11)

, (3.12)
при R13 = R5 обозначим R, C2 = C4 обозначим C: параметры
фильтра будут иметь вид:

, (3.13)

, (3.14)

, (3.15)
a0 = щ02.
(3.16)
Передаточная функция для первой структуры будет иметь вид:

, (3.17)
при R = 270 кОм, C = 0.047 мкФ, К = 1:

. (3.18)
График передаточной функции изображен на рис.6.10.
Передаточная функция для второй структуры будет выглядеть точно
также, как и первая, поэтому нет смысла ее рассчитывать, а ее график будет
точно такой же, как на рис.6.10.
Электронные фильтры нижних частот используются для подавления
пульсаций напряжения на выходе выпрямителей, для разделения частотных полос в
акустических системах, в системах передачи данных для подавления
высокочастотных помех и ограничения спектра сигнала, а также имеют большое
число других применений.
ФНЧ - фильтр, эффективно пропускающий частотный спектр сигнала
ниже некоторой частоты (частоты среза), и уменьшающий (или подавляющий) частоты
сигнала выше этой частоты. Степень подавления каждой частоты зависит от вида
фильтра. Частотная характеристика изображена на рис.6.11.
Рис.6.10. График передаточной функции ФНЧ
Рис.6.11. Частотная характеристика ФНЧ
.4.4
Интегральный источник опорного напряжения (ИИОН)
На рис.6.12. изображена принципиальная схема ИИОН. ИИОН
состоит из стабилитронов опорного напряжения D1 и D2 типа LM4040-2.5, и конденсаторов
электролитических X1 и X2, рассчитанных на 10 В.
Электролитические конденсаторы X1 и X2 обеспечивают постепенное
нарастание (примерно 170 мс) выходного напряжения до 2.5 В, а также
обеспечивают маленькую частоту среза ИИОН.
ИИОН обеспечивает питание всех функциональных блоков схемы
стабилизированным напряжением с номинальным уровнем. Стабилитрон D2 использующийся для формирования
напряжения +2.5 В, которое является искусственной средней точкой однополярного
питающего напряжения +5 В. Передаточная характеристика ИИОН изображена на
рис.6.13., частотная на рис.6.14.
Через него протекает большая часть тока от источников тока, входящих
в ИМС, равного 2 мА. Анализ показал, что ток, протекающий через ИИОН может
изменяться в диапазоне от 1.15 до 1.85 мА; из технической документации
известно, что ИИОН LM4040-2.5 гарантированно находится в режиме стабилизации выходного
напряжения на номинальном уровне 2.5 В при изменении протекающего через него
тока в диапазоне от 70 мкА до 20 мА. Поэтому во всех режимах работы
преобразователя питание входящих в него функциональных блоков осуществляется
стабилизированным напряжением с номинальным уровнем +5 В.
ИИОН характеризуются:
· Выходное напряжение (напряжение
стабилизации);
· Отклонение выходного напряжения от
номинального значения;
· Температурный коэффициент выходного
напряжения (температурный дрейф);
· Температурный гистерезис;
· Зависимость выходного напряжения от тока
нагрузки;
Рис.6.12. Схема моделированного ИИОН в среде моделирования
MicroCap
Рис.6.13. Переходная характеристика ИИОН
Рис.6.14. Частотная характеристика ИИОН
· Зависимость выходного напряжения от
напряжения питания;
· Долговременная стабильность;
· Шумы;
· Ток потребления;
Выходное напряжение (напряжение стабилизации)
Подавляющее большинство ИОН имеет выходное напряжение из ряда
1,2-1,25; 2,048; 2,5; 3; 3,3; 4,096; 5 В. Нижняя граница этого ряда близка к
ширине запрещенной зоны кремния, другие значения получены соответствующим
усилением.
Отклонение выходного напряжения от номинального значения
Это одна из важнейших характеристик ИОН, которая определяет
необходимость калибровки и пределы регулировки в собранном устройстве. Если
первые микросхемы имели отклонение выходного напряжения от номинального
значения до ±4% (TL431), то в последних разработках лазерной подгонкой значение
этого параметра доведено до ±0,02% (MAX6126). Некоторые из ИОН имеют вывод
подстройки, к которому подключается потенциометр, позволяющий подстроить
выходное напряжение к необходимому пользователю значению без ухудшения других
характеристик.
Температурный коэффициент выходного напряжения (температурный
дрейф)
Не менее важной характеристикой ИОН, а для применения в
высокоточной измерительной аппаратуре - зачастую и определяющей, является
зависимость выходного напряжения с изменением температуры окружающей среды.
Обычным является измерение температурного коэффициента напряжения (ТКН) в млн-1/°C.
Такой способ описания температурного дрейфа вполне корректен для стабилитронов,
у которых напряжение стабилизации изменяется практически линейно с изменением
температуры.
Для интегральных ИОН характерна существенно нелинейная
зависимость выходного напряжения от температуры. Существует несколько методик измерения
ТКН. Для многих ИОН температурный дрейф нормируется в абсолютных единицах.
Часто температурный дрейф ИОН нормируется в нескольких диапазонах температур,
что позволяет вполне объективно оценить качество ИОН применительно к конкретным
условиям эксплуатации и точностным характеристикам аппаратуры.
Температурный гистерезис
После нагрева или охлаждения ИОН и возвращения его к
первоначальной температуре выходное напряжение возвращается к исходному
значению с некоторой погрешностью, называемой температурным гистерезисом.
Для прецизионных ИОН последних разработок эта характеристика
обязательно приводится в справочных данных. Устранить влияние температурного
гистерезиса в высокоточной аппаратуре можно термостатированием ИОН при
температуре, заведомо большей максимально возможной температуры эксплуатации
устройства, вплоть до термостатирования при транспортировке.
Зависимость выходного напряжения от тока нагрузки
Зависимость выходного напряжения от тока нагрузки нормируется
обычно для всего диапазона рабочих токов (для микромощных ИОН нередко диапазон
рабочих токов разбивается на два поддиапазона с отдельным нормированием
параметра в каждом поддиапазоне).
Зависимость выходного напряжения от напряжения питания
Для ИОН нормируется зависимость выходного напряжения от
напряжения питания в мкВ/В, %/В, либо в абсолютных единицах при изменении
напряжения питания в допустимых пределах. Для получения максимальной точности
аппаратуры рекомендуется питать ИОН стабилизированным напряжением.
Долговременная стабильность
Выходное напряжение ИОН изменяется со временем. Это изменение
характеризуется параметром "долговременная стабильность", обычно
нормируемым в млн-1/1000 ч при фиксированной, обычно повышенной,
температуре. Изменение выходного напряжения со временем имеет нелинейный
характер, и вовсе не значит, что через две тысячи часов работы оно будет в два
раза больше, чем через 1000 часов. Многократными опытами установлено, что
временной дрейф выходного напряжения практически прекращается задолго до
достижения 1000-часовой наработки. Улучшить долговременную стабильность можно
искусственным старением ИОН, предпочтительно в составе устройства, что позволит
стабилизировать характеристики и других компонентов.
Шумы
Шумовые характеристики ИОН нормируются в виде напряжения
шумов от пика до пика в частотном диапазоне от 0,1 до 10 Гц, либо в виде
среднеквадратичного напряжения шумов в частотном диапазоне от 10 Гц до 10 кГц.
Для большинства качественных ИОН в справочных данных приводятся обе величины.
Для уменьшения уровня шумов некоторые ИОН (MAX6126) имеют специальный вывод для
подключения корректирующей емкости.
Ток потребления
Большое собственное энергопотребление характерно для ИОН на
стабилитронах, особенно для микросхем первых разработок (до 12 мА для AD688).
Минимальным энергопотреблением отличаются ИОН, изготовленные по КМОП-технологии
(0,9 мкА для ISL60002).
3.4.5
Интегральная микросхема (ИМС)
Компания Texas Instruments выпускает ряд интегральных
микросхем серий XTRxxx, специально разработанных для преобразования входного
информационного сигнала в выходной унифицированный токовый сигнал 4…20 мА.
Анализ структурных схем и параметров ИМС серии XTRxxx показал, что в схеме
преобразователя целесообразно использовать микросхему типа XTR101, используемую
в данном устройстве. ИМС используется как преобразователь напряжения тока.
Принципиальная электрическая схема ИМС изображена на рис.6.15.
В состав ИМС XTR101AP входят:
Два источника I1 и I2 фиксированного
тока 1 мА;
Дифференциальный усилитель ДУс с Iптду
фиксированным током потребления 2 мА;
Источник тока I3, ток покоя ДУс, управляемый
выходным напряжением ДУс.
Дифференциальный усилитель (ДУс) состоит из операционных
усилителей А1…А3, резисторов R1…R4 и транзистора Q1. Настройка выходного
тока регулируется резистором Rпод, ток протекающий через этот резистор
вычисляется:
. (3.19)
Этот ток в сочетании с током Iду2формирует ток Iду3:
. (3.20)
Ток Iптду формируется из сочетания токов Iду3 и Iду4 и составляет 2 мА:
. (3.21)
Сопротивление резистора Rпод можно рассчитать из
формулы:
, (3.22)
например, при Iвых = 20 мА иДVвхду = 200 мВ: Rпод = 300 Ом.
Микросхема XTR101 характеризуется достаточно большим
количеством параметров, однако наибольший практический интерес представляют
следующие из них:
Диапазон изменения напряжения питания (напряжения между
выводами 7 и 8) составляет от 11,6 В до 40 В;
Типовой и гарантированный коэффициент ослабления синфазного
сигнала (КОСС) равны 100 дБ и 90 дБ соответственно;
Типовой и гарантированный коэффициент влияния нестабильности
источника питания (КВНИП) равны 125 дБ и 110 дБ;
Типовой и гарантированный входной ток ДУс равны 60 нА и 150
нА;
Гарантированный диапазон линейного преобразования выходного
тока составляет 4…22 мА;
Типовой и максимальный уровни ограничения выходного тока 31
мА и 38 мА.
Рис.6.15. Принципиальная электрическая схема ИМС
В процессе работы микросхема XTR101AP может рассеивать
значительные мощности - порядка 0,7…0,8 Вт в линейном режиме работы и более 1
Вт в режиме ограничения тока. Известно, что существует прямая зависимость между
мощностью, рассеиваемой ИМС, и перегревом её кристалла относительно температуры
окружающего воздуха. Повышение температуры кристалла имеет следующие негативные
последствия:
Снижается надёжность работы ИМС;
Повышается погрешность преобразования входного напряжения в
выходной ток, или, другими словами, снижается точность реализации выражения
3.4, которое является математическим описанием идеального процесса
преобразования.
Ухудшение точностных параметров аналоговых ИМС при
возрастании рассеиваемой ими мощности обусловлено действием тепловой обратной
связи.
Разработчики ИМС типа XTR101AP предусмотрели возможность
значительного снижения мощности, рассеиваемой микросхемой, путём подключения к
ней внешнего n-p-n-транзистора, через который протекает основная часть
выходного тока преобразователя. В случае использования внешнего транзистора
мощность, рассеваемая ИМС, рассчитывается:
, (3.23)
при Eпит = 24 В, Iвых = 20 мА: PМАХ ≈
0,16 Вт.
Получаем мощность, которую ИМС рассевает в конечной точке шкалы
преобразования при максимально допустимом напряжении питания. Заметим, что в
этом случае внешний транзистор рассеивает мощность приблизительно 0.64 Вт. Изготовитель
ИМС рекомендует использовать в схеме преобразователя внешние транзисторы типа
TIP29B, TIP31B без дополнительного теплоотвода. Подключение к выводам 1, 2, 14
XTR101AP подстроечного резистора, изображенного в приложение 3, с номиналом 1
МОм позволяет осуществить точную подстройку нулевого напряжения смещения ДУс.
Процедуры калибровки выходного тока 4 и 20 мА осуществляется с
помощью подстроечных резисторов R18 и R16 соответственно,
изображенные в приложение 3
Подсоединять резистор Rпод необходимо как можно ближе к
ИМС, чтобы уменьшить шум от контактов и паразитарные сопротивления.
Напряжение +VCC должно быть обойдено конденсатором с
номиналом в 0.01 мкФ, настолько ближе к значению, насколько это возможно (из
контакта 8 в контакт 7).
Необходимо всегда держать входное напряжение в пределах диапазона
линейных операций, от +4 В до +6 В (Vвхду (3) и Vвхду (4)
измеряются относительно контакта 7).
Максимальный уровень входного сигнала (Vвхду)
является 1 В при номинале резистора Rпод = ∞ и пропорционально
уменьшается, при уменьшении Rпод.
Всегда необходимо возвращать текущий ток (контакты 10 и 11) на
выход (контакт 7) с помощью соответствующего резистора (R5 на рис.6.15.). Если ток не используется для смещения или
возбуждения, необходимо отвести его на контакт 7. Каждое протекание должно быть
между 0 В и (+VCC - 4 В) относительно вывода 7.
Значение резистора r (рис.6.15.)
всегда выбирается (в том числе сопротивление линии), так что бы напряжение
между контактами 7 и 8 (+VCC), оставалось в пределах от 11.6 В до 40
В, так же, как изменение диапазона выхода между 4 - 20 мА (как показано на
рис.6.16.).
Рекомендуется, использовать диод обратной полярности (Д1
на рис.6.15.). Это позволит предотвратить ущерб XTR101 вызванный после
мгновенного (таких, как переходный процесс) или долгосрочного применения
неправильной полярности напряжения между контактами 7 и 8.
Рис.6.16. Напряжение питания рабочей области
4.
Расчетно-аналитическая часть
4.1 Принципиальная
схема интерфейса "токовая петля"
В приложение 3 изображена принципиальная электрическая схема
преобразователя тока или интерфейса "токовая петля".
Ранее были рассмотрены и описаны все функциональные блоки
интерфейса "токовая петля", теперь нужно рассмотреть те электрические
элементы, которые не вошли в моделирование функциональных блоков.
В схеме преобразователя тока используются элементы, которые
моделировать не было смысла, т.к. они используются для сглаживания
незначительных помех и не влияют на результаты, к таким элементам относятся
конденсаторы C1, C6, C13.
Схема работает в двух режимах, подключенная к источнику
сигнала и без подключения к источнику сигнала. В качестве сигнала используется
напряжение. Для перехода из одного режима в другой используется переключение
контактов Х1-Х2 и Х2-Х3. Когда токовая петля не подключена к источнику сигнала,
к входу усилителя остается подключенным резистор R1 и постоянная
составляющая в 2.5 В, чтобы избежать паразитных сигналов от находящимся
поблизости токовых сигналов, которые могут повлечь за собой дезинформацию
персонала и нарушение в функционирование прибора. Потенциал в 2.5 В
обеспечивает на выходе интерфейса "токовая петля" потенциал тока
равный 4 мА, если в схеме будет неисправность и потенциал пропадет, то на
выходе вместо 4 мА окажется 0 мА, что проинформирует операторов об
неисправности устройства.
В преобразователе рекомендуется использовать следующие
компоненты:
Резисторы R2…R6, R16, R18
- прецизионные, с допуском ±1% и ТКС не хуже ±50 Ч 10-6/°C.
Остальные постоянные резисторы должны иметь допуск не хуже ±5%;
Конденсаторы С2, С5 -
электролитические, с диапазоном рабочих температур - 40…85°С. Конденсатор С3
- керамический с диэлектриком NP0 (COG) и допуском ±5%; С4 -
керамический конденсатор большой ёмкости типа GRM31CR61A106KA01L фирмы Murata.
Конденсаторы С7 - С12 плёночные типа К73-17 с допуском
±5%. Остальные конденсаторы - керамические типа К10-17 или аналогичные;
Подстроечные резисторы R16, R18 -
многооборотные керметные (серии 3269, 3266, 3296 фирмы Bourns);
Вместо интегральной сборки BAS125-04 малосигнальных диодов
Шоттки можно использовать сборки MBD330DWT1 или BAT54SLT1;
Преобразователь может эксплуатироваться в следующих условиях:
Диапазон изменения температуры окружающего воздуха - 30…+50°С;
Диапазон изменения напряжения питания 12,5…40 В.
Усилитель сигнала датчика реализует передаточную функцию ФНЧ
первого порядка. Верхняя граничная частота фильтра FВЧ по уровню - 3
дБ определятся:
, (3.24)
при R3 = 274 кОм, C3 = 1 нФ: FВЧ =
580.8 Гц. Нижняя граничная частота FНЧ полосы пропускания по уровню
- 3 дБ выпрямителя рассчитывается:
, (3.25)
при R4 = 3.65 кОм, C4 = 10 мкФ: FНЧ
= 4.360 Гц.
Центральная частота F0 фильтра равна
геометрическому среднему частот FВЧ и FНЧ:
, (3.26)
при FВЧ = 580.8 Гц, FНЧ = 4.360 Гц: F0 = 50 Гц.
4.2 Датчики
серии 3051
Серия 3051 относится к последнему поколению
преобразователей давления серии DPharpEJA.- это серия высокоточных
интеллектуальных преобразователей давления. Приборы относятся к
интеллектуальной серии, поддерживающей двусторонний обмен информацией по BRAIN
- или HART - протоколу. Благодаря этому пользователь имеет возможность сам
сконфигурировать основные параметры измерения давления и настроить выходной
сигнал. Датчики серии EJA и EJX обладают всеми функциями современных
интеллектуальных датчиков. Отличительной особенностью преобразователей серий
EJA и EJX является принцип измерения давления: в качестве чувствительного
элемента в них используется кремниевый механический резонатор - уникальная
разработка фирмы Иокогава.
Кремниевый резонатор представляет собой параллелепипед
плоской формы, защищенный герметичной капсулой и интегрированный в плоскость
кремниевой мембраны. При изготовлении чувствительных элементов применяются
самые современные технологи роста кристаллов, благодаря чему вся эта сложная
структура получается с единой монокристаллической решеткой.
До недавнего времени чувствительным элементом
преобразователей давления служили тензодатчики, собранные по мостовой схеме, в
которых разбаланс измерительного моста преобразуется электронным
преобразователем в токовый унифицированный сигнал.
Данный принцип получения сигнала в сенсорах (чувствительных
элементах), несмотря на применение высокостабильных материалов, не обеспечивает
стабильности преобразования, т.е. показатель основной погрешности
"плывет" в процессе работы, что требует периодической (примерно раз в
год) калибровки датчика.
В новом поколении преобразователей давления, совместно с
применением микропроцессоров, используется другой принцип получения сигнала.
Чувствительным элементом является искусственный монокристалл кремния, частота
генерации которого изменяется в зависимости от величины приложенного давления.
Цифровой принцип нового сенсора, использующего частоту в
качестве измеряемого сигнала, обеспечивает лучшую повторяемость и стабильность
во времени, чем аналоговый, и имеет природный "иммунитет" к влиянию
температуры, статического давления, вибрации и перегрузок по давлению. Это
позволяет увеличить межповерочный интервал до 5 лет (снижение затрат на
поверку), а применение цифровых протоколов обмена данных позволяет проводить
удаленную настройку и конфигурирование датчиков давления.
Стабильность характеристик преобразователей нового типа
показана на графике сравнения частоты калибровок на рис.8.1, обычный датчик
давления требует калибровки каждые 9 - 12 месяцев. У датчиков нового типа
отсутствует необходимость в калибровке в течение 60 месяцев.
Новая линейка датчиков давления и перепада давления - серия
EJX используют тот же "частотно-резонансный" принцип преобразования
давления в частотный сигнал на базе кремниевого кристалла (DPHarp технология).
При этом в серии EJX существенно изменена конструкция
капсулы, благодаря чему значительно уменьшено время отклика (теперь оно
составляет 95 мсек - EJX - самый быстрый интеллектуальный датчик!!!). Кроме
того переработана электроника (теперь она полностью резервирована даже для
стандартных базовых исполнений), добавлены функции, улучшена точность. Вся
линейка EJX стандартно сертифицирована по TUV на уровень безопасности SIL2.
Серия EJX почти полностью перекрывает модельный ряд EJA и
вводит еще ряд новых моделей, таких как многопараметрический датчик EJX910A.
Рис.8.1 Сравнение частоты калибровок
.2.1 Принцип
действия
Преобразователь служит для измерения давления газа, пара или
жидкости и обеспечивает непрерывное преобразование измеряемого параметра в
унифицированный линейно изменяющийся токовый сигнал.
Встроенные функции самодиагностики позволяют непрерывно
отслеживать исправность прибора и нахождение процесса в допустимых пределах.
Датчики серии EJA внесены в Госреестр и имеются все
Российские сертификаты, разрешающие их применение в Российской Федерации.
При изготовлении чувствительных элементов изображенного на
рис.8.2 применяются самые современные технологи роста кристаллов, благодаря
чему вся эта сложная структура получается с единой монокристаллической
решеткой. Кремниевый резонатор Dpharp (резонансная система) интегрирован в плоскость
кремниевой мембраны. Возбуждение системы производится электромагнитным полем.
Собственная частота поперечных колебаний резонаторов без нагрузки составляет
несколько десятков килогерц.
Измеряемое давление действует на кремниевую мембрану, вызывая
ее прогиб. Асимметричное расположение резонаторов относительно центра мембраны
приводит к тому, что при ее прогибе один резонатор подвергается растяжению, а
другой сжатию, что приводит к увеличению разницы (от 0 до десятков килогерц)
между частотами собственных колебаний резонаторов.
Характеристика резонаторов и мембраны подобраны таким
образом, что снимаемая разностная частота линейно пропорциональна измеряемому
давлению в широком диапазоне изменения давления, что позволяет в одном приборе
производить перестройку диапазона до соотношения 1: 100.
Применение метода на основе резонанса позволило измерять как
избыточное, так и абсолютное давление и разность давления а также повысило
чувствительность прибора в 4 раза по сравнению со способами тензометрии.
Номинальная функция преобразователя датчика рассчитывается:
Рис.8.2 Чувствительный элемент DPHarp. Схема перевода
механических колебаний в электрические - колебания в электрическом контуре в
точности соответствуют собственным механическим колебаниям резонатора.
, (3.27)
где IВых - расчетное значение выходного токового сигнала,
соответствующее измеряемому давлению Р1 (приложение 1), мА;макс
- наибольшее предельное значение выходного токового сигнала, мА;0 -
наименьшее предельное значение выходного токового сигнала, мА;1 -
значение измеряемого давления, обозначенное на рис.4., МПа (кПа), (кг/см2);2
- верхний предел измерения избыточного давления, обозначенное на приложение 1,
МПа (кПа), (кг/см2).
Датчик имеет линейно возрастающую характеристику токового сигнала
изображенную на рис.8.3.
Минимальное значение питания датчика указывается на табличке
(шильдике) датчика.
Величина сопротивления нагрузки для выходного токового сигнала
4-20 мА определяется:
, (3.28)
при Uпит = 24 В, Uмин = 10.5 В: RН ≤
620 Ом,
где Rн - сопротивление нагрузки, Ом;пит
- напряжение питания, В;мин - минимальное напряжение питания, В.
При этом приведенная погрешность датчика при любом напряжении,
лежащем в диапазоне от минимального до максимального напряжения питания, не
превышает предела допускаемой основной приведенной погрешности датчика.
Соединение с источником питания и нагрузкой может осуществляться
по 2-х проводной схеме.
Датчик работоспособен для выходного токового сигнала 4-20 мА
при сопротивлении нагрузки от 0 до 500 Ом (включая сопротивление соединительных
проводов и с учетом напряжения питания).
Рис.8.3 Характеристика токового сигнала
Сопротивление изоляции между электрическими цепями и корпусом
в нормальных условиях не менее 20 МОм.
4.3 Блок
токовых входов и регулятора (ТВР)
ТВР предназначен для выполнения функций ввода - вывода и
измерения электрических величин - тока, напряжения, получаемых от датчиков или
преобразователей, расположенных во взрывоопасных зонах.
ТВР применяется встраиванием в корпуса типового размера
19" технических средств контроля, сигнализации, управления и защиты,
объединенных в сеть интерфейсами RS - 485 с аппаратурой верхнего уровня - АСУ, IBM PC, ЭС - 8 и т.п.
Исполнение - взрывозащищенное с видом взрывозащиты
"искробезопасная электрическая цепь" по ГОСТ Р 51330.10 с маркировкой
взрывозащиты [ExibllA] в соответствии с ГОСТ Р 51330.0.
ТВР должен сохранять работоспособность при следующих
параметрах линий связи интерфейса RS - 485:
Длина, не более - 1200 м;
Емкость, не более - 50 нФ;
Сопротивление, не более - 50 Ом;
Сопротивления изоляции, не менее - 50 кОм.
Тип линии - двухпроводная экранированная витая пара, кабель в
экране. Допустимые параметры измерительных линий искробезопасных цепей, не
более:
Индуктивность, мГн - 0.15;
Емкость, мкФ - 0.15;
Сопротивление, Ом - 25.
Максимальное удаление токовых датчиков - не более 300 м.
ТВР обеспечивает ввод по интерфейсу RS-485:
Значений предварительных и аварийных уставок регистрируемых
параметров по каждому из каналов;
Задание параметра измеряемой величины;
Коэффициента масштабирования отображаемого параметра;
Диапазона входного сигнала;
Единиц измерения параметра;
Режимов управления - при наличии функции регулятора.
ТВР обеспечивает регистрацию и вывод по интерфейсу RS - 485:
Всех зафиксированных повреждений типа КЗ и обрыв
измерительных линий;
Переход значений предварительных и аварийных уставок.
ТВР обеспечивает хранение в энергонезависимом ПЗУ введенных
значений уставок и поправочных коэффициентов при исчезновении напряжения в
питающей сети. ТВР обеспечивает автоматическую диагностику неисправностей с
выводом их кодов по интерфейсу RS - 485.
ТВР имеет электрически не связанные (гальванически
развязанные) токовые входы и возможность питания токовых датчиков стандарта 4 -
20мА от встроенных источников. ТВР обеспечивает связь с АВУ, в том числе типа
IBM PC, по интерфейсу RS - 485 в протоколе Modbus.
При наличии функции регулятора ТВР обеспечивает следующие
алгоритмы управления:
Релейный с регулируемом гистерезисом от 0.1 до 20 %;
ПИД.
ТВР имеет:
Для релейного регулятора - два дискретных выхода постоянного
тока по 20 мА при напряжении питания +30 В (открытый коллектор транзисторного
ключа) относительно "0";
Для ПИД - регулятора - один токовый пропорциональный выход 4
- 20 мА относительно "0" при сопротивлении нагрузки не более 500 Ом.
Питание ТВР должно осуществляться от источника электропитания
постоянного тока, удовлетворяющего требованиям ГОСТ Р 51330.10. Диапазон
предельно-допустимых значений напряжения питания - 5 В ± 5%, 24 В±10%.
Электрическая мощность, потребляемая ТВР, не более 3 Вт.
Время готовности ТВР с момента подачи питания с учетом
времени на автоматический контроль исправности - не более 10 сек.
4.3.1
Функциональная схема ТВР
В приложение 6 изображена функциональная схема ТВР. ТВР
выполнен в виде стандартного модуля расширения, который встраивается в
различные приборы, системы или комплексы технических средств, различающихся
между собой конструкцией, сочетанием и количеством блоков.
Через защитно-монтажную планку выведены разъемы и клеммники
для подключения входных и выходных сигналов. В приложение 5 показан пример
подключение ТВР к датчику.
Принцип действия ТВР основан на аналого-цифровом
преобразовании сигналов от различных источников постоянного тока и напряжения и
вводе - выводе данных по интерфейсу RS-485.
В состав ТВР входит микроконтроллер, энергонезависимое ПЗУ и
4 канала 16 - битных АЦП с последовательным доступом. ТВР имеет 4 гальванически
развязанных искробезопасных входа, гальванически развязанный интерфейс RS-485,
а также токовый выход для обеспечения функции ПИД - регулятора.
Все настройки и данные калибровки хранятся в
энергонезависимом ПЗУ - EEPROM. ТВР имеет свой сетевой адрес, записываемый в
EEPROM типа 24LC04B.
Входной ток преобразуется в напряжение 0.2,5 В и поступает на
вход АЦП. АЦП имеет последовательный интерфейс для связи с микроконтроллером.
Сигналы управления, идущие к АЦП, гальванически развязаны от микроконтроллера.
Микроконтроллер управляет работой и обеспечивает чтение
данных АЦП, чтение/запись данных в EEPROM, обработку и ввод - вывод данных по
интерфейсу RS-485. В качестве микроконтроллера применена микросхема PIC17C44.
ТВР может работать в диапазонах 0 - 5 мА, 0 - 20 мА, 4 - 20
мА, 0 - 5 В. Каждый вход может быть настроен на любой диапазон. Все настройки
проводятся через меню настройки АВУ.
Входной токовый сигнал представляется в качестве значения,
лежащего в пределах [Z1, Z2], где значение Z1 соответствует минимальному
входному току (0,0,4 мА), а Z2 - максимальному входному току (5, 20,20 мА).
Значения Z1, Z2 программируются через меню настройки АВУ в пределах [-9999,
9999].
Для точной работы АЦП должны быть откалиброваны. Калибровка
проводится через меню настройки АВУ. Данные калибровки АЦП, значения Z1, Z2
записываются в EEPROM.
Микроконтроллер передает данные в АВУ через ГР интерфейс RS -
485. Скорость передачи данных программируются через меню настройки АВУ и может
принимать значения 2400, 4800, 9600, 19200, 28800, 38400, 57600 бод. При
включении ТВР микроконтроллер проводит внутренний тест, проверяет данные в
EEPROM. При искажении информации в EEPROM или другой неисправности
микроконтроллер выводит сообщение об ошибке. В случае неисправности АЦП,
неисправности микросхем EEPROM, искажении информации в EEPROM и неисправности
самого микроконтроллера в АВУ выдается сообщение об ошибке. Через меню
настройки АВУ доступен просмотр состояния ТВР. Микроконтроллер одновременно
обрабатывает информацию 4 каналов АЦП. При сбое работы одной из микросхем АЦП,
в течение 200 мсек происходит ожидание готовности микросхемы, после чего
происходит перезапуск АЦП. Перезапуск заключается в снятии напряжения питания с
АЦП. Питание на АЦП поступает через нормально замкнутые контакты реле, которые
размыкаются под управлением микроконтроллера. После снятия питания с АЦП
отрабатывается пауза 1 сек. После чего питание снова подается. Процесс
перезапуска занимает время до 2 секунд, но происходит он только при сбое АЦП. При
неисправности микросхемы АЦП, несколько раз проводится перезапуск, после чего
канал с неисправной микросхемой отключается, в АВУ выдается сообщение об
ошибке.
АЦП гальванически развязаны от микроконтроллера через модуль
ГР ТВР. Модуль обеспечивает развязку 4 каналов АЦП от микроконтроллера,
обеспечивает питание микросхем АЦП, двухстороннюю передачу данных от
микроконтроллера к АЦП и обратно через оптронную развязку.
Также присутствует модель преобразования ГР - 485. Модуль
обеспечивает преобразование RS - 232 в RS - 485. Модификация с
модулем ГР - 485 называется удаленной ТВР, без него - не удаленная ТВР.
Сигнал поступающий на АЦП преобразуется в цифровой сигнал,
через гальваническую развязку и под управлением пик - контроллера сигнал
превращается из цифрового в аналоговый, и с помощью этого сигнала происходит
калибровка входа аналогового сигнала, для поддержания достоверного результата о
состоянии измерений.
4.3.2
Релейный регулятор
Структурная схема релейного регулятора приведена в приложение
7.
Регулятор имеет два входа, к которым подключаются датчики
объекта регулирования. Датчики должны формировать сигнал постоянного тока 0 - 5
мА, 0 - 20 мА, 4 - 20 мА или напряжение 0 - 5 В.
Сигнал K1 формируется, если сигнал, поступающий на канал 0
платы ТВР выше уровня верхней уставки канала 0 и сигнал, поступающий на канал 1
ниже уровня нижней уставки канала 1.
Сигнал K2 формируется, если сигнал, поступающий на канал 0
платы ТВР ниже уровня нижней уставки канала 0 и сигнал, поступающий на канал 1
выше уровня верхней уставки канала 1.
Значения уставок программируются пользователем через меню
настройки.
Компараторы 1, 3 формируют сигнал логическая 1, если входной
сигнал выше уставок.
Компараторы 2, 4 формируют сигналы логическая 1, если входной
сигнал ниже уставок.
4.3.3 ПИД
регулятор
Структурная схема ПИД регулятора изображена в приложение 8.
Регулятор имеет два входа, к которым подключаются датчики
объекта регулирования. Датчики должны формировать сигнал постоянного тока 0 - 5
мА, 0 - 20 мА, 4 - 20 мА или напряжение 0 - 5 В.
Входной сигнал преобразуется в числовые значения, лежащие в
диапазоне [Value_min. Valie_high]. Нижнее значение соответствует минимуму
входного напряжения или тока, верхнее значение - максимуму. Величины
(Value_min) и (Valie_high) находятся в диапазоне [-9999.9999] и программируются
пользователем через меню настройки.
Входами регулятора являются входы каналов 0 и 1 платы ТВР.
Канал 0 является обратным входом регулятора, канал 1 - прямым. Оба канала имеют
нижнюю и верхнюю уставки, которые программируются пользователем через меню
настройки. Значения уставок могут принимать значения [-9999.9999].
При снижении уровня сигнала ниже нижней уставки или
превышении верхней уставки, формируются сигналы рассогласования. Сигналы a1 и
a2 являются выходными значениями сигналов датчика 0 и датчика 1 и входными для
каналов 0 и 1 регулятора. При снижении значения входного сигнала канала 0 ниже
нижней уставки канала 0 модулем A1 формируется рассогласование b1, которое вычисляется
исходя из разности входного значения сигнала с уставкой и шириной зоны
регулирования. Численное значение b1 лежит в пределах [0.1]. При рассогласовании
большим ширины зоны, величина b1 принимает максимальное значение. Аналогично вычисляются
рассогласования b2, b3, b4.
b1 = (a1 - High_0) /Z1, (3.29)
при a1 > High_0;= (Low_0 - a1) /Z1, (3.30)
при a1 < Low_0;= (a2 - High_1) / Z2, (3.31)
при a2 > High_1;= (Low_1 - a2) / Z2, (3.32)
при a2 < Low_1,где: High_0, Low_0 - верхняя и нижняя уставки канала 0;
High_1, Low_1 - верхняя и нижняя уставки канала 1;- ширина
зоны регулирования канала 0;- ширина зоны регулирования канала 1.
Сигналы b2 и b3 поступают на селектор max сигнала A5, где
выделяется сигнал c1. Сигналы b1 и b4 поступают на селектор min сигнала A6, где
выделяется меньший сигнал c2. При правильной настройке регулятора могут
возникать сигналы либо с1, либо c2, так как невозможно одновременное падение
сигнала на входе канала 0 и возрастание сигнала на входе канала 1.
Из сигналов c1 и c2 на селектор max сигнала A7 выделяется
больший - фактически один из них равен нулю, и поступает на ПИД - звено A8, где
к нему добавляется интегральная составляющая, дифференциальная составляющая,
смещение. Полученный результат умножается на пропорциональную составляющую и
поступает на выход устройства (e) в виде тока 4.20 мА. Постоянные времени
интегрирования, дифференцирования, величина смещения и пропорциональная
составляющая программируются пользователем.
На входе ПИД - звена присутствует сигнал d, который может
принимать значения [0.1]. Интегральная составляющая I рассчитывается следующим
образом:→d на величину, не превышающую значение STEP_I за единицу
времени, равную 20 мсек. STEP_I - параметр, определяющий постоянную времени
интегрирующего звена. Его величина может быть запрограммирована пользователем
через меню настройки и может принимать значения [0 - 0.9999]. Таким образом при
входном сигнале d, интегральная составляющая может принимать значения [0.1]. На
рис.9.1 показано реакция интегральной составляющей на входной сигнал.
Дифференциальная составляющая D зависит от изменения величины
входного сигнала и стремится к 0 на величину, не превышающую STEP_D за единицу
времени, равную 20 мсек и D→0, рис.9.1.:
D = D + d ± STEP_D. (3.33)
Таким образом, при изменении входного сигнала d в пределах
[0.1], дифференциальная составляющая может принимать значения [-1 … 1].
Следующей операцией является сложение входного сигнала d
(пропорциональной составляющей сигнала) с интегральной I и дифференциальной D
составляющей, а также со смещением E, лежащим в пределах [-1 … 1], которое
также программируется пользователем через меню настройки и рассчитывается:
= d +1 + D + E. (3.34)
Полученная величина F может принимать значения [-2.4], в
зависимости от величины смещения E и настроек временных параметров
интегрирующего и дифференцирующего звеньев. Далее отрицательные значения F
ограничиваются на уровне 0. В результате имеем изменение величины F в пределах
[0.4].
Полученное таким образом значение F умножаем на коэффициент
пропорциональности P, принимающим значения [0.9.999], который программируется
пользователем через меню настройки и рассчитывается:
= F∙P, (3.35)
при G = 0 выходной ток регулятора равен 4 мА;
при G = 2 выходной ток равен 20 мА;
при G > 2 выходной ток ограничивается (на уровне 21 мА).
Выходной ток регулятора рассчитывается:
i = 4 + 16∙a, (3.36)
где a = (P/1000) ∙ (R + INT + DIF + N/10000)
/2;
Рис.9.1 Интегральная и дифференциальная составляющие
, DIF - интегральная и дифференциальная составляющая;-
величина рассогласования (в пределах [0.1]);- вводимое оператором значение
смещения (-9999.9999);- коэффициент пропорциональности, вводимый оператором
(0.9999).
Временные параметры интегральной составляющей и
дифференциальной составляющей (STEP_I и STEP_D) равны:
STEP_D = Kd / 10000, (3.37)_I = Ki
/ 10000, (3.38)
где Kd - вводимое оператором значение
"Дифференциальная составляющая" Kd, изменяющаяся в
пределах [0.9999] и Ki - вводимое оператором значение
"Интегральная составляющая" Ki, изменяющаяся в пределах
[0.9999].
4.4 Расчет
надежности
4.4.1
Основные понятия
Надежностью называется свойство изделий выполнять заданные
функции, сохраняя во времени значения эксплуатационных показателей в
установленных пределах, соответствующих заданным режимам и условиям применения,
технического обслуживания, ремонтов, хранения и транспортировки.
Надежность характеризуется безотказностью, долговечностью,
ремонтопригодностью и сохраняемостью изделий.
Безотказность - свойство объекта сохранять свою
работоспособность в течение заданного времени.
Долговечность - свойство объекта
оставаться работоспособным до наступления предельного состояния, когда его
эксплуатация становится невозможной по техническим, экономическим причинам,
условиям техники безопасности или необходимости капитального ремонта.
Под ремонтопригодностью понимают свойство изделия,
заключающееся в его приспособленности к предупреждению и обнаружению
неисправностей и отказов, и восстановлению работоспособности путем проведения
ремонтов и технического обслуживания.
Сохраняемость - свойство объекта непрерывно сохранять
исправное и работоспособное состояние в течение, и после хранения
(транспортировки) и технического обслуживания.
Восстанавливаемость - свойство изделия,
обеспечивающее возможность полного или частичного восстановления его
работоспособности или исправности.
Событие, заключающееся в нарушении работоспособности изделия,
называется отказом.
Итак, расчет надежности заключается в определении показателей
надежности проектируемого устройства по известным характеристикам надежности
составляющих элементов конструкции и компонентов схемы с учетом условий
эксплуатации. Для расчета надежности необходимо иметь логическую модель
безотказной работы устройства. При ее составлении предполагается, что отказы
элементов и компонентов независимы, а элементы компоненты и устройство в целом
могут находиться в одном из двух состояний: работоспособном или
неработоспособным.
Элемент или компонент, при отказе которого отказывает все
устройство, считается последовательно соединенным на логической схеме
надежности. Элемент или компонент, отказ которого не приводит к отказу
устройства, считается включенным параллельно.
Для простейших в функционально - логическом отношении
объектов схема расчета представляет собой основное, или последовательное
соединение элементов.
Для более сложных систем, состоящих из нескольких частей,
отказ которых по разному отражается на работоспособности всей системы, или
которые работают не одновременно с друг другом такая простейшая схема не всегда
подходит.
Целесообразно будет в такой ситуации разделить объект на
несколько самостоятельных элементов расчета либо по функциональному, либо по
временному, либо по какому - то другому принципу. Проведя расчет по каждому из
этих элементов, можно пересчитать их результаты в параметры надежности всего
объекта, либо рассматривать их как комплексную его характеристику.
.4.2 Формулировка
понятия отказа
Все современные датчики или преобразователи давления состоят
из двух основных частей. Это механическая часть и электронная. Механическая
состоит из приемной камеры, механизма измерения и залитое все полностью
компаундом для защиты блока электроники. Электроника состоит из элементов
преобразующих механическую энергию в электрическую (обычно это несколько
преобразователей, за исключением микропроцессора и цифрового интерфейса
("дисплей") отображающего результат).
Важнейшим преобразователем является интерфейс "токовая
петля", обеспечивающая преобразование механическую энергию в
унифицированный токовый сигнал, широко использующийся в промышленности.
Функционирование преобразователя зависит как и от механической части, так и от
электронной. В свою очередь механическая часть обеспечивает защиту электроники
от воздействия давления и для измерения его, а электроника для преобразования
давления и доведения точной и достоверной информации до оператора. При неверной
информации с интерфейса "токовая петля" нарушается работа всей
система по добычи и контроля перекачки нефти. Поэтому, при расчете надежности
преобразователя, можно иметь ввиду расчет надежности интерфейса "токовая
петля".
В результате разработки, для примера был взят готовый
преобразователь давления у которого присутствовали показатели надежности
средней наработки на отказ около 100000 часов и 12 лет, что составляет среднюю
наработку на отказ 96768 часов.
Отказ любого элемента приводил к нарушению работоспособности
целой системы, следовательно, эти устройства на логической схеме надёжности
можно представить в виде последовательного (основного) соединения элементов.
Устройства, не подлежащие замене или не приводящие к отказу всей системы, на
логической схеме надёжности считаются подключенными параллельно.
Разработанный интерфейс "токовая петля" состоит из
следующих электрических элементов:
Резисторы 18 шт;
Конденсаторы 15 шт;
Диоды 5 шт;
Операционные усилители 4 шт;
Транзисторы 1 шт;
ИМС 1 шт.
Под отказом элементов, составляющих основное соединение,
понимается нарушение их работоспособности, приводящее к выходу системы
управления из строя.
Вывод из строя операционных усилителей приведет к выводу из
строя всего устройства. Нарушение работоспособности операционного усилителя
возможно при увеличении проходящего через него тока или напряжения, а также при
нарушении напряжения питания. Нарушение работоспособности диодных и
стабилитронных сборок приведет к выводу устройства из строя. ИМС подключается в
устройстве со своими внешними элементами для настройки точных результатов на
выходе устройства, а также для защиты от нарушения работоспособности. Нарушение
работоспособности ИМС может произойти из-за нарушения работоспособности любого
элемента, входящих в его состав. Нарушение работоспособности транзистора VT1 приведет к тому, что
через ИМС будет протекать полный ток, что приведет к перегреву кристалла и к
выходу из строя как ИМС так и всего устройства. Так же при нарушении
работоспособности ограничивающего диода VD2 и из-за неправильного
подключения питания, может произойти переполюсовка контактов, что приведет к
выводу ИМС из строя и всего устройства. При выходе из строя резистора R17 нарушится значение
напряжения смещения, использующееся в качестве напряжения питания операционных
усилителей, и при нарушении работоспособности конденсаторов C14 и C15. Также нарушить
работоспособность устройства могут следующие элементы: резисторы R2…R6, R9…R12; конденсаторы C4 C8…C11.
Очевидно, что нарушение функционирования любого из выше
описанных элементов приводит к отказу всего устройства в целом. Таким образом,
делаем вывод: логическая схема устройства представляет собой основное (или
последовательное) соединение, что, безусловно, необходимо учесть при расчете
надежности интерфейса "токовая петля".
4.4.3
Методика расчета
При расчете надежности объекта пользуются наиболее
распространенными количественными показателями, характеризующими безотказность,
являются:(t) - вероятность безотказной работы объекта в течение заданного
интервала наработки или функция надежности;
l (t) - интенсивность отказов;СР -
средняя наработка на отказ.
Необходимо учесть, что спустя некоторого времени приработки, в
период нормальной эксплуатации объекта, интенсивность отказов отдельных
элементов является величиной постоянной [
]. При этом справедлив экспоненциальный закон надежности,
согласно которому вероятность безотказной работы в течение наработки t
определяется:

. (4.1)
Средняя наработка на отказ, т.е. среднее время безотказной работы
объекта, находится:
. (4.2)
Если отказ объекта происходит при отказе любого из его элементов
(что характерно для данного устройства), то очевидно, что имеет место быть
основное соединение элементов, и тогда вероятность безотказной работы N
его элементов вычисляется:

, (4.3)

, (4.4)

, (4.5)
где Л - интенсивность отказов всего объекта, которая определяется:

. (4.6)
Очевидно, что и для всего объекта в целом, который состоит из N
элементов, экспоненциальный закон надежности также справедлив, а значит,
средняя наработка на отказ всего объекта будет определяться:
. (4.7)
Для определения количественных показателей надежности (формулы 4.3
- 4.7) радиоэлектронного устройства необходимо знать интенсивность отказов тех
элементов, выход из строя которых ведет к отказу всего устройства.
Значение интенсивности отказов li (формула
4.6) определяется, прежде всего, типом элемента. В ТУ на радиоэлектронные
элементы, в справочной литературе приводятся данные о номинальной интенсивности
отказов l0, которую будет иметь конкретный элемент в номинальном режиме
работы при температуре окружающей среды T°окр=25°C, относительной влажности воздуха 60-70%
в стационарных лабораторных условиях.
Однако в других условиях работы, которые отличаются от указанных,
интенсивность отказов может отличаться от номинальной, иногда даже на порядок.
В различных методиках расчета надежности зависимость интенсивности
отказов от условий работы принято учитывать по-разному. Наибольшее
распространение получил способ, при котором эксплуатационная интенсивность
отказов получается путем умножения номинальной интенсивности на поправочные
коэффициенты, которые и определяются такими характеристиками, как температура,
влажность, атмосферное давление, механические воздействия и т.д.
Важнейшим фактором, влияющим на надежность, является тепловой
режим работы элемента. Он определяется как температурой окружающего воздуха,
так и собственным теплом, выделяемым активным элементом РЭА при протекании по
нему электрического тока. Поэтому поправочный коэффициент КР=f (t°окр,
КН) учитывающий влияние теплового режима на надежность, зависит от t°окр
и от так называемого коэффициента нагрузки.
Значения коэффициента Кн для различных элементов РЭА
вычисляются так:
для кремниевых диодов:
; (4.8)
для транзисторов:
для оптоэлектронных полупроводниковых приборов:
; (4.10)
для конденсаторов:
; (4.11)
для резисторов:
; (4.12)
для коммутационных изделий:
. (4.13)
Если устройство подвергается механическим воздействиям типа ударов
и вибраций, то вводят поправочные коэффициенты К1 и К2.
При этом значения данных коэффициентов определяются по условиям
эксплуатации, которые могут быть лабораторными, стационарными (полевыми),
корабельными, автофургонными, железнодорожными и самолетными.
Влияние влажности окружающего воздуха на интенсивность отказов
учитывается поправочным коэффициентом К3, а влияние атмосферного
давления - коэффициентом К4.
Таким образом, эксплуатационная интенсивность отказов
рассчитывается:
. (4.14)
В выражении 4.14 поправочный коэффициент КР принимает
различные значения для каждого элемента, а коэффициенты Кj одинаковы
для всех элементов. Значит при вычислении суммарной интенсивности отказов всего
объекта (формула 4.6) на Кj можно умножать сразу итоговую величину:
. (4.15)
Это позволяет сократить количество арифметических операций. С той
же целью можно объединить в группы однотипные элементы, работающие в одинаковом
режиме, для которых одинаковы. Тогда:
, (4.16)
где ni - количество однотипных элементов в i-ой группе.
В таблице 4.1 - 4.3 даны значения поправочных коэффициентов Kj из формулы 4.12, учитывающие изменение
интенсивности отказов в зависимости от условий эксплуатации.
Таблица 4.1. Поправочные коэффициенты K1 и K2 в зависимости от
воздействия механических факторов на неамортизированную аппаратуру
|
Условия эксплуатации аппаратуры
|
Вибрация К1
|
Ударные нагрузки К2
|
Суммарные воздействия К1К2
|
|
Лабораторные
|
1
|
1
|
1
|
|
Стационарные (полевые, цеховые)
|
1.04
|
1.03
|
1.07
|
|
Корабельные
|
1.3
|
1.05
|
1.37
|
|
Автофургонные
|
1.35
|
1.08
|
1.46
|
|
Железнодорожные
|
1.4
|
1.1
|
1.54
|
|
Самолетные
|
1.46
|
1.13
|
1.65
|
Таблица 4.2
Поправочный коэффициент К3 в зависимости от
воздействия влажности и температуры
|
Относительная влажность, %
|
Температура, ͦС
|
Поправочный коэффициент К3
|
|
60 - 70
|
20 - 40
|
1
|
|
90 - 98
|
20 - 25
|
2
|
|
90 - 98
|
30 - 40
|
2.5
|
Таблица 4.3
Поправочный коэффициент К4 в зависимости от высоты
|
Высота, м
|
Поправочный коэффициент, К4
|
Высота, м
|
Поправочный коэффициент, К4
|
|
менее 1000
|
1
|
8000 - 10000
|
1.25
|
|
1000 - 2000
|
1.05
|
10000 - 15000
|
1.3
|
|
2000 - 3000
|
1.1
|
15000 - 20000
|
1.35
|
|
3000 - 5000
|
1.14
|
20000 - 25000
|
1.38
|
|
5000 - 6000
|
1.16
|
25000 - 30000
|
1.4
|
|
6000 - 8000
|
1.2
|
30000 - 40000
|
1.45
|
Интерфейс "токовая петля" работает в составе
датчика на который действует механические факторы, тогда принимаем, что он
работает в стационарные (полевые, цеховые) условиях на высоте менее 1000м при
влажности 60-70%. Таким образом, значения коэффициентов составляют:
|
К1
|
К2
|
К3
|
К4
|
|
1.04
|
1.03
|
1
|
1
|
Значит поправочный коэффициент:

. (4.17)
При вычислении средней наработки на отказ необходимо учитывать
рассчитанный поправочный коэффициент.
4.4.4 Расчет
надежности устройства
Воспользовавшись методикой расчета вычислим суммарную
интенсивность отказов проектируемого интерфейса "токовая петля"
входящего в состав датчика давления.
Учитывая влияние механических воздействий типа ударов и
вибраций, влияющих на датчик давления, примем К1*К2 для
цеховых условий равный 1.07. При влажности окружающего воздуха 60-70% примем
коэффициент К3 = 1. Высота над уровнем моря < 1000м. -
коэффициент К4=1. Итоговый поправочный коэффициент Кj=1.07. Расчет приведен в
таблице 4.4.
Таблица 4.4 Расчет интенсивности отказов интерфейса
"токовая петля".
|
Наименование элемента
|
Схемное обозначение
|
Тип элемента
|
Количество в группе ni, шт
|
Номинальная интенсивность отказов л0i*10-6,
1/ч
|
Коэффициент нагрузки Кн
|
Поправочный коэффициент Кр
|
Интенсивность отказов в рабочем режиме Кр*л0i*10-6,
1/ч
|
Интенсивность отказов i-ой группы ni*Кр*л0i*10-6,
1/ч
|
|
Резистор
|
R1, R7-R14
|
Р1-12-0.062 ВТ
|
9
|
0,01
|
0,1
|
0,35
|
0,0035
|
0,0315
|
|
Резистор (прец)
|
R2-R6, R15
|
Р1-16П-0.062 Вт
|
6
|
0,02
|
0,1
|
0,12
|
0,0024
|
0,0144
|
|
Резистор (прец)
|
R17
|
Р1-16П-0.5 Вт
|
1
|
0,02
|
0,9
|
0,12
|
0,0024
|
0,0024
|
|
Резистор (подст)
|
R16, R18
|
3296W-1-0.5 Вт
|
2
|
0,01
|
0,1
|
0,66
|
0,0066
|
0,0132
|
|
Конденсатор
|
C1, C6, C13-C15
|
К10-17
|
5
|
0,013
|
0,1
|
0,03
|
0,00039
|
0,00195
|
|
Конденсатор (эл)
|
C2
|
К50-35
|
1
|
0,13
|
0,3
|
0,14
|
0,0182
|
0,0182
|
|
Конденсатор (эл)
|
C5
|
К50-35
|
1
|
0,13
|
0,5
|
0,14
|
0,0182
|
0,0182
|
|
Конденсатор
|
C3
|
GRM18
|
1
|
0,012
|
0,1
|
0,03
|
0,00036
|
0,00036
|
|
Конденсатор
|
C4
|
GRM31
|
1
|
0,012
|
0,3
|
0,05
|
0,0006
|
0,0006
|
|
Конденсатор
|
C7-C12
|
К73-17
|
6
|
0,01
|
0,1
|
0,01
|
0,0001
|
0,0006
|
|
Диод (стабилитрон)
|
DA2, DA3
|
LM4040-2.5
|
2
|
0,07
|
0,1
|
0,17
|
0,0119
|
0,0238
|
|
Диод
|
VD1.1, VD1.2
|
BAS125-04
|
2
|
0,05
|
0,1
|
0,05
|
0,0025
|
0,005
|
|
Диод
|
VD2
|
SM4004
|
1
|
0,1
|
0,1
|
0,05
|
0,005
|
0,005
|
|
ОУ
|
DA1.1, DA1.2
|
AD8542
|
2
|
1
|
-
|
1
|
1
|
2
|
|
ОУ
|
DA4.1, DA4.2
|
AD8605
|
2
|
1
|
-
|
1
|
1
|
2
|
|
Транзистор
|
VT1
|
TIP31B
|
1
|
1
|
-
|
1
|
1
|
1
|
|
ИМС
|
DA5
|
XTR101AP
|
1
|
1
|
-
|
1
|
1
|
1
|
|
|
|
|
|
|
|
У =
|
6,13521
|
По таблице 4.4 вычислили суммарную интенсивность отказов
интерфейса "токовая петля" без поправочных коэффициентов.
Используя интенсивность отказов вычисленную в таблице 4.4 и
перемножив ее на поправочные коэффициенты воздействий внешней среды, вычислим
окончательную интенсивность отказов разработанного интерфейса "токовая
петля" по формуле:

, (4.18)
при Kj = 1.07, л = 6.13521∙10-6:
Л (нов) = 6.56467∙10-6 1/ч, Л (стар) =
10.334∙10-6 1/ч.
Средняя наработка на отказ соответственна будет вычислена по
формуле 4.7 при Л = 6.56467∙10-6: Тср (нов) ≈
152331 час
Средняя наработка на отказ, согласно документации, взятого
готового датчика давления составляла Тср (стар) ≈ 96768 часов,
отсюда можно посчитать, что средняя наработка на отказ старого устройства 12
лет, а нового примерно 19 лет.
График функции надежности по формуле 4.19 на интервале наработки
от t = 0 до t = 1.5Tср (нов) приведен на рис.10.1.:

. (4.19)
Раз средняя наработка на отказ разработанного нового интерфейса
больше средней наработки на отказ старого, следовательно новое устройство будет
намного надежнее и прослужит гораздо дольше, при этом средняя наработка на
отказ увеличится в 1.6 раза.
Рис.10.1. График функции надежности старого (использующегося)
интерфейса и разработанного
5.
Экономическая часть
Экономический расчет будет проводиться на примере организации
ОАО АК "Транснефть". Предприятие "Транснефть" занимается
перекачкой нефти по всей России и для отображения за ходом процесса установлены
датчики давления. Датчики давления устанавливаются на входе и выходе
нефтеперекачивающих станций, на фильтрах грязеуловителей, на входе и выходе
магистральных насосных агрегатов, на коллекторах нефтеперекачивающих станций,
на задвижках магистральных нефтепроводов на расстоянии в 20 - 30 км, на водном
переходе, до и после водного перехода.
Число используемых датчиков давления предприятием исчисляется
в сотнях тысяч, которые работают постоянно при любых возможных условия.
Используемые датчики не эффективны в экономическом плане, т.к. в каждом датчике
для преобразования входного напряжения в необходимый ток используется
трансформаторное преобразование, из-за чего, при работе на напряжение 24 В они
потребляют мощность 0.5 Вт. Заменив входной интерфейс "токовая петля"
датчика на разработанный можно значительно снизить потребляемую мощность
устройства до 0.16 Вт, благодаря использованию в ней вместо трансформаторного
преобразования микросхему преобразования тока напряжения.
Зная количество датчиков давления и тариф на электроэнергию
4.48 руб/кВтч, можно посчитать экономическую эффективность тратившийся
мощности. Все необходимые данные занесены в таблицу 5.1.
Исходные данные для расчета экономической эффективности
приведены в таблице 5.1.
Таблица 5.1 Исходные данные
|
Вид показателя эффективности
|
Вариант интерфейса "токовая петля"
|
|
Базовый
|
Новый
|
|
Количество, шт.
|
1500
|
1500
|
|
Потребляемая мощность, кВтч
|
0.0005
|
0.00016
|
|
Тариф на электроэнергию, руб/кВтч
|
4.48
|
4.48
|
|
Количество часов работы в год
|
8760
|
8760
|
Расчет годового экономии на текущих затратах при
использовании нового устройства отображен в таблице 5.2.
Таблица 5.2 Расчет экономии на текущих затратах, в год
|
Статья затрат
|
Базовый вариант С1
|
Новый вариант С2
|
|
Стоимость затрат на электроэнергию, руб
|
29433.60
|
9418.75
|
|
Итог
|
29433.60
|
9418.75
|
Расчет капиталовложений (К2) приведен в
калькуляции.
|
|
|
|
|
|
|
|
|
|
|
|
|
|
|
|
|
(предприятие-изготовитель)
|
|
|
|
|
|
|
|
|
|
|
|
|
(для установления оптовой цены на новое
|
|
|
|
|
изделие)
|
|
|
(заказчик)
|
|
|
|
|
|
|
|
|
|
|
|
|
|
|
|
|
|
|
|
|
|
|
|
|
|
|
К А Л Ь К У Л Я Ц И Я
|
|
к проекту оптовой цены
|
|
|
|
|
|
|
|
|
|
|
|
на Систему измерения давления в нефтепроводе
|
|
(наименование и индекс изделия)
|
|
Лимитная (планово-условная) цена _____________
руб. ___________ коп.
|
|
|
|
|
|
|
|
|
|
|
|
|
Начало серийного выпуска с
_______________________________________________
|
|
|
|
|
|
|
|
|
|
|
|
Калькуляционная единица
_________________________________________________
|
|
(единица измерения)
|
|
|
|
|
|
|
|
|
|
|
|
|
|
|
|
|
|
|
|
|
|
|
|
|
|
|
|
|
Сумма
|
|
|
|
|
|
|
|
|
|
|
|
Наименование статей калькуляции по
установленному
|
%
|
По проекту
|
Согласовано
|
|
в отрасли перечню
|
к осн. з. пл
|
предприятия-
|
с заказчиком
|
|
|
|
|
|
|
|
|
изготовителя
|
(руб.)
|
|
|
|
|
|
|
|
|
(руб.)
|
|
|
|
|
|
|
|
|
|
|
|
|
1. Сырье и материалы
|
|
|
|
|
|
2090,18
|
|
в т. ч. сырье
|
|
|
|
|
|
|
0
|
|
2. Покупные комплектующие изделия
|
|
|
|
|
0
|
|
3. Покупные полуфабрикаты и услуги коопер.
предприятий
|
|
|
0
|
|
4. Возвратные отходы (вычитаются)
|
|
|
|
|
|
|
5. Итого затрат на материалы
|
|
|
2090,18
|
|
6. Основная зарплата производственных рабочих
|
|
|
2127,35
|
|
7. Дополнительная зарплата производственных
рабочих
|
25,0%
|
|
531,84
|
|
8. Отчисления на социальные нужды
|
|
|
26,7%
|
|
710
|
|
9. Расходы по освоению
|
|
|
|
|
|
|
|
10. Расходы по содержанию и эксплуатации
оборудования
|
250,0%
|
|
5318,38
|
|
11. Цеховые расходы
|
|
|
|
270,0%
|
|
5743,85
|
|
12. Общезаводские расходы
|
|
|
|
300,0%
|
|
6382,05
|
|
13. Потери от брака
|
|
|
|
|
14. Прочие производственные расходы
|
|
|
|
|
15. Производственная себестоимость - итого
|
|
|
|
22903,65
|
|
16. Внепроизводственные расходы
|
|
|
1,0%
|
|
229,04
|
|
17. Полная себестоимость - всего
|
|
|
|
|
23132,69
|
|
18. Прибыль
|
|
|
|
|
25,0%
|
|
5783,17
|
|
Оптовая цена
|
|
|
28915,86
|
|
|
|
|
|
|
|
|
|
|
|
|
|
|
|
|
|
|
|
|
|
РАСШИФРОВКА ТРУДОВЫХ ЗАТРАТ К КАЛЬКУЛЯЦИИ
|
|
на Систему измерения давления в нефтепроводе
|
|
(наименование и индекс изделия)
|
|
|
|
|
|
|
|
|
|
|
|
|
|
Трудоемкость и заработная
|
|
|
|
|
|
плата по состоянию на
|
|
ВИДЫ РАБОТ
|
|
01.01.2008
|
|
|
|
|
|
|
|
|
|
|
|
|
|
|
|
|
|
|
|
|
|
|
нормо-часы
|
стоимость
|
зарплата
|
|
|
|
|
|
|
нормо-часа
|
|
|
|
|
|
|
|
|
|
|
А. Сдельные работы
|
|
|
|
|
|
|
заготовительные
|
|
|
0,5
|
57,065
|
28,53
|
|
фрезерные
|
|
|
0,1
|
46,326
|
4,63
|
|
сборочные
|
|
|
2
|
42,115
|
84,23
|
|
лабораторные
|
|
|
0,5
|
50,5
|
25,25
|
|
упаковочные
|
|
|
0,2
|
36,244
|
7,25
|
|
прочие
|
|
|
|
1
|
24,163
|
24,16
|
|
Итого по тарифу
|
|
|
|
174,05
|
|
Б. Повременные работы по тарифу
|
4,3
|
256,413
|
1102,58
|
|
процент премии
|
|
|
|
|
45,0%
|
|
сумма премии
|
|
|
|
|
496,16
|
|
В. Районный к-т
|
|
|
|
|
|
|
а) процент
|
|
|
|
|
20,0%
|
|
б) сумма
|
|
|
|
|
354,56
|
|
|
|
|
|
|
|
|
|
Всего основной зарплаты:
|
|
|
|
2127,35
|
|
|
|
|
|
|
|
|
|
|
|
|
|
|
|
|
|
|
|
|
РАСШИФРОВКА МАТЕРИАЛЬНЫХ ЗАТРАТ К КАЛЬКУЛЯЦИИ
|
|
на Систему измерения давления в нефтепроводе
|
|
(наименование и индекс изделия)
|
|
|
|
|
|
|
|
|
|
|
|
|
Наименование материалов, комплектующих
|
Един.
|
Расход внатуре
|
Цена в руб.
|
Затраты
|
Обосно-
|
|
изделий и полуфабрикатов
|
изм.
|
на
|
и коп. за
|
на изд.
|
вание
|
|
|
|
|
|
|
|
изд.
|
измерен.
|
в руб. и коп.
|
цен
|
|
|
|
|
|
|
|
|
|
|
|
|
1. Материалы
|
|
|
|
|
|
|
Стеклотекстолит
|
кг.
|
0,1
|
200
|
20
|
|
|
Припой
|
кг.
|
0,05
|
250
|
12,5
|
|
|
Хлорное железо 40% водный р-р
|
л.
|
0,0005
|
36
|
0,02
|
|
|
Резистор
|
Р1-12-0.062 Вт
|
шт.
|
9
|
0,43
|
3,87
|
|
|
Резистор (прецизионный)
|
Р1-16П-0.062 Вт
|
шт.
|
6
|
30,98
|
185,88
|
|
|
Резистор (прецизионный)
|
Р1-16П-0.5 Вт
|
шт.
|
1
|
105,76
|
105,76
|
|
|
Резистор (подстроечный)
|
3296W-1-0.5 Вт
|
шт.
|
2
|
57,6
|
115,2
|
|
|
Конденсатор
|
К10-17
|
шт.
|
5
|
14,88
|
74,4
|
|
|
Конденсатор (электролитический)
|
К50-35
|
шт.
|
2
|
3,1
|
6,2
|
|
|
Конденсатор
|
GRM 18
|
шт.
|
1
|
8
|
8
|
|
|
Конденсатор
|
GRM 31
|
шт.
|
1
|
38
|
38
|
|
|
Конденсатор
|
К73-17
|
шт.
|
6
|
14
|
84
|
|
|
Диод (стабилитрон)
|
LM4040-2.5
|
шт.
|
2
|
38
|
76
|
|
|
Диод
|
BAS125-04
|
шт.
|
2
|
8,78
|
17,56
|
|
|
Диод
|
SM4004
|
шт.
|
1
|
5,48
|
5,48
|
|
|
Операционный Усилитель
|
AD8542
|
шт.
|
2
|
71,32
|
142,64
|
|
|
Операционный Усилитель
|
AD8605
|
шт.
|
2
|
163,2
|
326,4
|
|
|
Транзистор
|
TIP31B
|
шт.
|
1
|
10,5
|
10,5
|
|
|
ИМС
|
XTR101AP
|
шт.
|
1
|
810,78
|
810,78
|
|
|
|
|
|
|
0
|
|
|
ИТОГО:
|
|
|
|
2043, 19
|
|
|
Транспортно-заготовительные расходы
|
|
2,3%
|
|
46,99
|
|
|
ВСЕГО:
|
|
|
|
2090,18
|
|
|
|
|
|
|
|
|
|
|
|
|
|
ИТОГО
|
|
|
|
2043, 19
|
|
|
Транспортно-заготовительные расходы
|
|
|
|
46,99
|
|
|
ВСЕГО:
|
|
|
|
2090,18
|
|
|
|
|
|
|
|
|
|
|
|
|
|
|
|
|
|
|
|
|
|
|
|
|
|
|
|
Годовая экономическая эффективность ЭГ
рассчитывается по формуле:
, (5.1)
где Эг - годовой экономический эффект, руб.;
З1 и З2 - приведенные затраты единицы
продукции (работы), производимой с помощью базовой и новой техники;
, (5.2),
, (5.3)
гдеС1 и С2 - себестоимость единицы
продукции, базовый вариант и новый вариант;
Ен - нормативный коэффициент капитальный вложений,
установлен на уровне 0,15. Это означает, что затраты должны окупиться за
период, не превышающий 6,6 года.
К1 и К2 - сопутствующие капитальные вложения
потребителя при использования им базового и нового предмета труда в расчете на
единицу продукции (работы), производимой с применением нового предмета труда,
руб.
Для сопоставимости базового и нового вариантов дополнительные
капиталовложения принимаем равным 0 (К1 = 0).
Расчетный коэффициент эффективности ЕР - эффективность
вложений, должен обеспечивать условие ЕР ›› ЕН и
определяется по формуле:
. (5.4)
Получаем значение эффективных вложений равным ЕР = 0,69
>> 0,15, что означает - вложения эффективны.
Рассчитаем срок окупаемости капитальных вложений, планируемых на
внедрение новой техники, и дополнительных капитальных вложений.
ТР - расчетный срок окупаемости, расчитывается:
. (5.5)
Подставляем в формулу 5.5 рассчитанную ранее эффективность
вложений и получаем расчетный срок окупаемости равный ТР = 1,4 года.
Расчет годового эффекта с учетом коэффициента эффективности
вложений вычисляем из формул 5.1 - 5.3:
(5.6)
Из формулы 5.6 находим годовой эффект равный ЭГ =
16427.47 рубля.
Из расчетов видно, что новый вариант интерфейса "токовая
петля" экономит компании почти 17 тыс. руб. в год, показывая, что для
системы измерения давления в нефтепроводе новый интерфейс "токовая
петля" наиболее экономически эффективен. При использовании нового
интерфейса в большем количестве датчиков, позволит увеличить сумму экономии
предприятия.
6.
Безопасность и экологичность проекта
Общие вопросы техники безопасности.
При монтаже соблюдать ГОСТ 12.2.007.0-75 "ССБТ. Общие
требования безопасности". Наладку и эксплуатацию оборудования
перекачивающих станций необходимо производить согласно правилам техники
безопасности "Система организации работ по охране труда на нефтепроводном
транспорте" РД-13.100.00-КТН-225-06. "Система организации работ по
промышленной безопасности на нефтепроводном транспорте"
РД-13.100.00-КТН-226-06, которые, устанавливают систему организационных,
технических, санитарно - гигиенических мероприятий и средств, направленных на
предотвращение воздействия вредных факторов на работающих в основных и
вспомогательных цехах перекачивающих станций, а также при обслуживании линейной
части нефтепродуктов.
Правила составлены в соответствии с действующими правилами,
нормами и стандартами по охране труда с учётом опыта работы перекачивающих и
наливных станций нефтепродуктопроводов и предназначены для инженерно -
технических работников, обслуживающих систему магистральных
нефтепродуктопроводов Главнефтеснаба России.
Виды опасных и вредных факторов действующих на
человека.
Охрана труда и техника безопасности в нефтяной промышленности
имеет ряд специфических особенностей. Это пожароопасность производственных
объектов, связанных с наличием углеводородов, которые легко воспламеняются,
проникают через неплотности и зазоры, что вызывает необходимость разработки
специальных мер по безопасности в тесной связи с противопожарной профилактикой.
Большое значение для безопасности работников имеет герметизация оборудования,
исключающая загрязнённость рабочей атмосферы, возможность взрывов, пожаров и
отравлений.
Большинство производственных процессов в нефтяной
промышленности идут на открытом воздухе, часто при неблагоприятных
метеорологических условиях, которые могут привести к переохлаждению или
перегреву организма. Технологическим процессам присущи высокие давления и
повышенные температуры. В них используются агрессивные и токсичные вещества,
большие массы горючих жидкостей и газов.
Основные операции при монтаже системы измерения
давления, вредные факторы присущие им и их влияние на организм человека:
Монтаж датчиков давления на нефтепроводе выполняют согласно
РД-08.00-60.30.000-КТН-016-1-05;
Монтаж электронного узла регулирования и приборов контроля на
стойках в операторной (осуществляют сторонние организации с привлечением
специалистов службы КИПиА и телемехаников перекачивающей станции);
Прокладка силовых и контрольных кабелей (осуществляют участки
КИПиА и электрохозяйства).
В связи, с выше перечисленным основными опасными и вредными
факторами при монтаже и наладке системы измерения давления в нефтепроводе
являются:
Наличие пожаро, взрывоопасных газов и нефти:
Воспламенение и взрыв могут привести к разрушению зданий и
конструкций и завалу или защемлению людей, получение термических ожогов при
нахождении вблизи очага пожара или взрыва, получению механических повреждений
обломками, отравление продуктами горения. Один загоревшийся объект может
привести к возгоранию всей станции. Для избегания воспламенения или взрыва
должны соблюдаться элементарные требования пожарной безопасности.
Электрооборудование, размещаемое на территории станции должно быть
взрывозащищенного исполнения. Въезд транспорта на территорию должен
осуществляться только при наличии искрогасителей. Курение организовано в
специально отведенных местах.
Наличие токсичных газов:
При монтаже и эксплуатации объектов, перекачивающих нефть,
особое внимание необходимо обратить на возможность содержания сероводорода в
перекачиваемой нефти. Сероводород - бесцветный газ, с запахом тухлых яиц, он
тяжелее воздуха и скапливается в низких непроветриваемых местах (его плотность
по отношению к воздуху - 1, 19). Сероводород очень токсичен (ядовит) и при
незначительных концентрациях в воздухе ощущается его запах только в момент
начального контакта с ним, в дальнейшем ощущение его запаха пропадает, нервная
система парализуется и может наступить смерть или острое отравление. Явным
признаком наличия сероводорода является появление металлического привкуса во
рту. Во избежание отравления сероводородом работники бригад должны иметь при
себе во время работы, закреплённые за каждым противогазы, и индикаторы на
сероводород. Они должны знать правила безопасности и приёмы оказания первой
помощи пострадавшим. В местах возможного скопления сероводорода необходимо
устанавливать предупреждающие плакаты.
Опасность поражения электрическим током:
Электробезопасностью по ГОСТ 12.1.009 - 76 называется система
организационных и технических мероприятий и средств, обеспечивающих защиту
людей от опасного и вредного воздействия электрического тока, электрической
дуги, электромагнитного поля и статического электричества. Электрические травмы
представляют собой поражение не только внешних частей тела. Помимо ожогов,
электрических знаков и электрометаллизации кожи к электрическим травмам относят
поражение глаз световой энергией электрической дуги, повреждение при падении с
высоты, происшедшего в результате электрического удара. Электрический удар
является наиболее опасным видом поражения электрическим током. Чаще всего он
приводит к смертельному исходу в результате паралича дыхания или сердца. Во
избежание поражения электрическим током необходимо соблюдать правила техники
безопасности при работе в электроустановках, пользоваться индивидуальными
средствами защиты и исправным инструментом.
Обеспечение безопасности при проведении
определённых монтажных работ.
Обеспечение противопожарной безопасности
При монтаже, наладке и эксплуатации системы измерения
пользоваться:
основным документом, определяющим порядок организации
пожарной безопасности ППБ-01-03 "Правила пожарной безопасности в
Российской Федерации";
Обеспечения безопасности при монтаже интерфейса "токовая
петля" предусматриваем следующие мероприятия:
остановка линии в случае замены на магистрали;
перекрытие трубы секущими задвижками;
замер загазованности переносными газоанализаторами типа
"Колион - 1В, (производят лица, прошедшие обучение и имеющие
соответствующее удостоверение);
откачка нефти из отключенного участка трубы (для ранее
использовавшейся трубы);
повторный замер загазованности с последующим проведением не
реже чем каждый час, в течение всей рабочей смены (при концентрации газов выше
нормы все работы должны быть прекращены и предприняты меры по устранению
утечек);
замена интерфейса не должна производиться на месте установки
из-за риска повреждения компонентов печатной платы такими неблагоприятными
условиями внешней среды, как влажность, пыль и т. д;
при проведение операций лужения, пайки и нарезки припоя
сопровождается выделением в воздух паров свинца и его соединений. Предельно
допустимая норма паров свинца 0,01 мг/м3. ГОСТ 12.1.005-88 он относится к
веществам 1 класса опасности;
для обеспечения безопасности оператора и предприятия необходимо,
чтобы установка датчика производилась подготовленным персоналом (специалистов
службы КИПиА и телемехаников перекачивающей станции);
при установке в опасных зонах, то есть в тех зонах, где
существует опасность пожара и/или взрыва, перед осуществлением электрического
подключения необходимо убедиться в выполнении требований безопасности;
при установке на опасных участках подсоединение кабелей и
кабель-каналов к индикатору должно выполняться в соответствии с требованиями
соответствующего класса защиты;
жидкости и/или давление, оставшиеся в первичном блоке датчика
могут привести к серьезным травмам и смерти или к повреждению оборудования. При
использовании токсичных или других технологических жидкостей необходимо
соблюдать меры предосторожности, рекомендуемые в соответствующих правилах о
безопасности материала;
по окончании работ проверка плотности в местах соединений на
наличии утечек нефти или газа.
Мероприятия по обеспечению безопасности при прокладке
кабелей:
прокладку кабеля предусматриваем на эстакадах. В местах, где
установка эстакад невозможна, кабель прокладывают в коробах в земле на глубину
не менее 0,5м;
при прокладке, если температура окружающей среды превышает 70ᵒС,
необходимо использование кабелей, допустимая температура которых на 5ᵒС
превышает температуру окружающей среды;
перед началом прокладки на общем плане нефтеперекачивающей
станции определяем место прокладки новых кабелей, исключив возможность,
повреждения ранее проложенных. Места нахождения и пересечения кабелей указываем
на плане;
клемные коробки соединения кабелей, находящиеся на открытом
воздухе имеют взрывозащищенное исполнение и крепятся на стойках, на видном
месте;
копка траншей осуществляется без использования экскаваторной
техники вручную, во избежание повреждения ранее проложенных кабелей.
При сдаче электрических проводок измеряется омическое
сопротивление изоляции электрических цепей. Сопротивление изоляции измеряют
между всеми жилами, а также между каждой жилой и металлической защитной
оболочкой.
Выполнение предусмотренных мероприятий позволит уменьшить
количество несчастных случаев и снизить количество полученных на производстве
травм.
Правильное и повсеместное использования средств
индивидуальной защиты (СИЗ) позволяет ограничить работающего от воздействия
опасных и вредных факторов. Опыт показывает, что большинство травм и несчастных
случаев на производстве происходит по вине самих работников из-за отсутствия
или неправильного использования СИЗ.
К СИЗ относятся различные приспособления и одежда,
предназначенные для защиты работающего от производственных опасностей и
вредностей и метеорологических факторов: спецодежда, спецобувь, головные уборы,
рукавицы, перчатки, приспособления для защиты органов дыхания, зрения и слуха
(противогазы, респираторы, очки), предохранительные пояса и др.
Экологичность.
Охрана природы - плановая система государственных и
общественных мероприятий, направленных на рациональное использование, охрану и
восстановление природных ресурсов, на защиту окружающей среды от загрязнения и
разрушения, для создания оптимальных условий существования человеческого
общества. На промышленных предприятиях необходимо проведение мероприятий по
обеспечению чистоты окружающей среды и контролю за утилизацией отходов.
Экологичность источника опасности - состояние источника, при
котором соблюдается его допустимое воздействие на техносферу и биосферу. При
проектировании оборудования всегда большое внимание уделяют мероприятиям,
способствующим уменьшению вредного влияния деятельности оборудования на
окружающую среду.
Влияние реализуемой системы измерения на экологию окружающей
среды можно разделить на две части:
факторы, влияющие на окружающую среду при изготовлении
системы измерении давления в магистральном нефтепроводе;
факторы, влияющие на окружающую среду при эксплуатации системы
измерения давления в магистральном нефтепроводе.
Факторы, влияющие на окружающую среду при
изготовлении системы измерения давления.
При изготовлении системы осуществляется монтаж и наладка
компонентов платы, которое не оказывает влияния на окружающую среду. Весь
процесс происходит без выделения опасных или вредных веществ.
Факторы, влияющие на окружающую среду при
эксплуатации системы измерения давления.
В процессе работы система не оказывает негативного влияния на
окружающую среду. При выходе из строя каких-либо элементов, необходимо
предусмотреть их утилизацию в соответствии с нормами.
В связи с тем, что вредных выделений в окружающую среду
проектируемая система не несет, то, соответственно, мероприятий по обеспечению
экологичности проекта не требуется.
Чрезвычайные ситуации.
Чрезвычайная ситуация - это состояние, при котором в
результате возникновения источника ЧС на объекте или определенной территории
нарушаются нормальные условия жизни людей, возникает угроза их жизни и
здоровью, наносится ущерб имуществу населения, народному хозяйству, окружающей
природной среде.
При эксплуатации системы в виду ее специфики возможны
следующие ЧС:
поражение персонала электрическим током;
возникновения пожара из-за короткого замыкания силовой части;
Для предотвращения ЧС необходимо соблюдать правила техники
безопасности.
Вывод.
В целом разработанная система измерения давления в
магистральном нефтепроводе при соблюдении правил отвечает требованиям
безопасности и экологичности.
Заключение
В ходе дипломного проектирования была разработана система
измерения давления со спроектированным интерфейсом "токовая петля",
который оптимизировал работу данной системы.
Разработанная система измерения давления предназначена для
точного отображения измеряемого давления в магистральном нефтепроводе
нефтеперекачивающей станции. Её внедрение позволяет увеличить надежность
работы, точность, уменьшить затраты на электроэнергию, эксплуатацию и ремонт
системы.
С использованной в интерфейсе "токовая петля"
микросхемы обеспечивает снижение нагрузки на другие компоненты, что дает
повышение надежности и продолжительности работы разработанного интерфейса и
следовательно всей системы в целом.
Использование в интерфейсе двух режимов работы обеспечивает
повышение точности передаваемой информации и увеличивает помехозащищенность от
находящихся поблизости источников.
Проведенные расчеты показали, что внедрение интерфейса в
системы измерения давления в нефтепроводе выгодно с точки зрения обеспечения
экономичного и безопасного режима работы.
Система измерения давления в магистральном нефтепроводе
полностью отвечает требованиям технического задания и проста в обращении.
Список
литературы
1. Методическое
руководство по оформлению графической части дипломного проекта. - Лесной, 2001
2. Методические
указания к выполнению домашнего задания по курсу "Надежность
радиоэлектронной аппаратуры" "Окончательный расчет надежности
РЭА". - Лесной, 1995
. Методические
указания по дипломному проектированию. - Лесной, 2010
. Методические
рекомендации по выполнению экономической части дипломного проекта. - Лесной,
2003
. Жарковский
Б.И. Справочник молодого слесаря по контрольно-измерительным приборам и
автоматике. - М.: Высш. шк., 1991. - 159 с.: ил.
. Калиниченко
А.В. Справочник инженера по контрольно-измерительным приборам и автоматике. -
М.: "Инфра - Инженерия", 2008. - 576 с.
. Свинцова
Е.Л. Мир электроники. Современные датчики. Справочник. - М.: Техносфера, 2005.
- 592 с.
. Техника
измерения давления, расхода, количества и уровня жидкости, газа и пара: Учебное
пособие для техников. - М.: Издательство стандартов, 1990. - 287 с., ил.
. Якунцев
С.В. Статья "Нормирующие преобразователи". - ООО НПФ
"Сенсорика"
. Ракитин
В.В. Интегральные схемы на KМОП-транзисторах. Учебное пособие. - Москва, 2007
. Статья
"Пример токовой петли 4-20 мА". - США.: Дател
. Техническая
документация на микросхему AD8545
(Rail-to-Rail Amplifiers)
. Техническая
документация на микросхему BAS125
(Silicon Schottky Diodes)
. Статья
"Подключение датчиков 4-20 мА". - ЗАО "НПФ "АГРОСТРОЙ"
. Техническая
документация на подстроечные керметные резисторы серии 3296 (Square Trimming
Potentiometer)
. Техническая
документация на датчик EJA130A
. Поздняк
В. Статья "Вопросы проектирования, выбора и эксплуатации датчиков давления
для технологических процессов". - Челябинск.: Журнал "Электронные
компоненты", №9, 2004
. Данилов
А. Статья "Современные интегральные операционные усилители". -
Челябинск.: Журнал "Электронные компоненты", №9, 2004
. Техническая
документация на микросхему XTR101 (Two-Wire Transmitter)
. Пушкарев
М. Статья "Интегральные источники опорного напряжения". - Журнал
"Компоненты и Технологии", № 6, 2007
. Шаста
Т. Статья "Изолированный цифровой интерфейс для приемников и передатчиков
токовой петли 4.20 мА". - Журнал "Электронные компоненты", № 9,
2009
. Техническая
документация на блок токовых входов и регулятора (ТВР)
. Власов
А.Н. Преобразователи давления поддерживающие HART протокол (Yokogawa). Методическое руководство по проведению практической
работы. - Тюмень, 2005