Разработка лабораторного макета и лабораторной работы по исследованию инвертирующего усилителя на операционном усилителе

  • Вид работы:
    Курсовая работа (т)
  • Предмет:
    Информатика, ВТ, телекоммуникации
  • Язык:
    Русский
    ,
    Формат файла:
    MS Word
    148,41 Кб
  • Опубликовано:
    2012-07-13
Вы можете узнать стоимость помощи в написании студенческой работы.
Помощь в написании работы, которую точно примут!

Разработка лабораторного макета и лабораторной работы по исследованию инвертирующего усилителя на операционном усилителе

ДЕПАРТАМЕНТ ПО АВИАЦИИ

МИНИСТЕРСТВА ТРАНСПОРТА И КОММУНИКАЦИИ

РЕСПУБЛИКИ БЕЛАРУСЬ

МИНСКИЙ ГОСУДАРСТВЕННЫЙ ВЫСШИЙ

АВИАЦИОННЫЙ КОЛЛЕДЖ




Пояснительная записка

Курсового проекта по теме:

«Разработка лабораторного макета и лабораторной работы по исследованию инвертирующего усилителя на операционном усилителе»

По дисциплине: Схемотехника












Минск 2012г.

Содержание

Введение

Лабораторная работа «Исследование инвертирующего усилителя на операционном усилителе»

Заключение

Литература

ВВЕДЕНИЕ

В данной курсовой работе требуется разработать лабораторный макет, инвертирующего усилителя на операционном усилителе, а также лабораторную работу по исследованию инвертирующего усилителя на операционном усилителе

Для выполнения курсового проекта требуется определенные знания и навыки по радиоэлектронике.


Лабораторная работа

ИССЛЕДОВАНИЕ ИНВЕРТИРУЮЩЕГО УСИЛИТЕЛЯ НА ОПЕРАЦИОННОМ УСИЛИТЕЛЕ

инвертирующий усилитель операционный стенд

Цель работы: экспериментальное исследование параметров инвертирующего усилителя на операционном усилителе.

Теоретические сведения:

Так как операционный усилитель (ОУ) имеет большой коэффициент усиления по напряжению , то даже малое дифференциальное входное напряжение, которое может возникнуть из-за ассиметрии входного каскада или нестабильности элементов входной цепи, способно перегрузить ОУ и вызвать смещение  от 0 до . Тогда ОУ окажется в состоянии насыщения и потеряет способность усиливать. Кроме того  зависит от температуры и .

Вследствие указанных причин ОУ почти всегда применяется с глубокой ОС, которая обеспечивает получение хорошей стабильности  и нуля выходного напряжения. Чаще других применяются параллельная ООС по напряжению.

Рисунок 1. Схемы инвертирующего усилителя на базе ОУ с внешней ООС (без цепи питания и частотной коррекции)

Это базовая схема, на основе которой строятся почти все остальные. Название усилителя говорит о том, что входной сигнал должен подаваться на инвертирующий вход. Сигнал ОС тоже должен подаваться на инвертирующий вход (только тогда ОС à OOC). Также ОС оказывается параллельной и по напряжению.

Для идеального ОУ:

Учитывается также, что  ограничено , и можно считать


Следовательно, ток , протекающий через резистор R1, равен току , протекающий через . Так как , то всё входное напряжение падает на резисторе R1:


а всё выходное напряжение падает на резисторе :

.

Отсюда коэффициент усиления по напряжению инвертирующего усилителя с ОС:


Входное сопротивление:


Выходное сопротивление:, так как даже без ОС ; кроме того, здесь ОС - отрицательная по напряжению, она понижает выходное сопротивление; глубина её бесконечна, так как

Уравнение показывает, что коэффициент усиления инвертирующего усилителя определяется только сопротивлением резисторов и не зависит от характеристик самого ОУ. Знак “-“ указывает на инвертирование.

Недостатком инвертирующего усилителя является невысокое (на практике 10 кОм). Выбрать большим  нельзя, так как необходимо увеличивать . При высокоомных ,  инвертирующий усилитель становится неустойчивым из-за влияния входной дифференцирующей ёмкости. Простейший способ снижения - подключение его к выходу ОС через делитель , .

Коэффициент передачи от входа а меньше, чем к зажимам выхода. Благодаря этому при том же  требуемое  оказывается большим, что и повышает входное сопротивление.

Конструктивное исполнение лабораторного макета

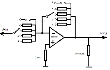
Рисунок 2 Инвертирующий усилитель на TL072CN

Инвертирующий усилитель выполнен на микросхеме TL072CN запитывается от сети 220В ,через выпрямитель, с него на микросхему подаётся 14В. На панели находятся гнёзда для измерений (Вход, корпус, выход, корпус,) и позиционные переключатели для изменения сопротивлений на входе и в цепи ОС. Сопротивления во входной цепи: 1 положение - обрыв цепи, 2 положение - 1кОм, 3 положение - 910 Ом, 4 положение - 680 Ом, 5 положение - 580 Ом. Сопротивления в цепи ОС: 1 положение - корпус, 2 положение - 100кОм, 3 положение - 91 кОм, 4 положение - 82 кОм, 5 положение - 68 кОм

Оборудование: Лабораторный макет «Инвертирующий усилитель на TL072CN », генератор, осциллограф.

Рисунок 3

Порядок выполнения работы:

. Изучить теоретические сведения по инвертирующему усилителю на ОУ.

. Собрать лабораторный стенд согласно рисунку 3.

. С разрешения преподавателя включить лабораторную установку.

.Определения коэффициента усиления инвертирующего усилителя на ОУ.

.1Подать синусоидальный сигнал на вход операционного усилителя.

.2 С подключенного генератора подать на вход лабораторного макета синусоидальный сигнал. Получить на экране осциллографа устойчивое положение одного периода гармонического сигнала , на входе лабораторного макета . Осциллограмму следует зарисовать, указав значения амплитуды.

.3 Осциллограф подключить на выход исследуемой схемы и измерить амплитуду выходного сигнала Umвых. Осциллограмму следует зарисовать, указав значения амплитуды.

.4 Рассчитать коэффициент усиления напряжения, используя амплитудные значения входного и выходного напряжений:

.

.5 Повторить пункты 4.3-4.4 для четырёх случаев изменения сопротивления на входе путем переключения позиционного переключателя.

.6 Сделать вывод.

.7 По полученным данным произвести расчет коэффициента усиления напряжения неинвертирующего усилителя, как в относительных единицах , так и децибелах KдБ = 20lgK. Измеренные и рассчитанные данные занести в таблицу 1.

. Пункты 4.3-5 повторить при изменении сопротивления в цепи ОС с помощью позиционного переключателя. Данные измерить и занести в таблицу 1.

Таблица 1- Передаточная характеристика неинвертирующего усилителя


Входная цепь

Цепь ОС


R1

R2

R3

R1

R2

R3

R4

, В









, В









К









К, дБ










. Сделать вывод о зависимости коэффициента усиления инвертирующего усилителя от величины сопротивления резисторов во входной цепи и в цепи ОС и собственного коэффициента усиления ОУ.

.Выключить установку и разобрать схему.

. Представить измеренные и расчетные данные преподавателю на подпись.

. Оформить отчет.

Контрольные вопросы

.Понятие и схема включения инвертирующего усилителя на ОУ

.Какая ОС используется в инвертирующем усилителе на ОУ?

.Изменяется ли коэффициент усиления инвертирующего усилителя на ОУ с изменением частоты входного сигнала ? (Ответ пояснить)

. Где используются инвертирующие усилители на практике (привести несколько примеров)?

. В чём недостатки основной схемы инвертирующего усилителя на ОУ? Каковы пути их устранения?

СОДЕРЖАНИЕ ОТЧЕТА

. Название и цель лабораторной работы.

. Схема электрическая принципиальная инвертирующего усилителя

(на схеме указать номиналы резисторов.)

. Результаты измерений и расчетов в виде осциллограмм, формул, таблиц

. Ответы на контрольные вопросы

. Аргументированные выводы о проделанной работе.

Заключение

В результате проделанной работы был разработан и выполнен лабораторный макет инвертирующего усилителя на ОУ. Обеспечена устойчивая работа ОУ серии TL072CN. А также выполнена лабораторная работа по его изучению.


Литература

1.Терещук Р.М., Терещук К.М., Седов С.А. Полупроводниковые приёмно-

усилительные устройства. Справочник радиолюбителя. - Киев. : Наукова думка, 1981.-377 с.

Тараблин Б.В., Лунин Л.Ф., Смирнов Ю.Н. Интегральные микросхемы. Справочник. - М. : Радио и связь, 1983. -528 с.

1.      

Похожие работы на - Разработка лабораторного макета и лабораторной работы по исследованию инвертирующего усилителя на операционном усилителе

 

Не нашли материал для своей работы?
Поможем написать уникальную работу
Без плагиата!
Без нейросетей!