Разработка и исследование аналого-цифровой управляемой системы
Реферат
Объектом исследования являются
разомкнутые и замкнутые непрерывные и дискретные системы автоматического
управления с минимально-фазовым объектом и не минимально-фазовым объектом.
Цель работы - получить необходимые
знания о системах автоматического управления с минимально-фазовыми и не
минимально-фазовыми объектами управления и их динамических характеристиках.
В результате исследования были
созданы дискретный компенсационный регулятор, минимально-фазовый и не
минимально-фазовый объекты управления, реализованные на реверсивных
операционных усилителях.
Степень внедрения - результаты
работы могут быть использованы в качестве основы для лабораторных работ.
Введение
Развитие современного мира
невозможно без ЭВМ и автоматизированных систем управления. Технический прогресс
прочно связан с развитием систем анализа и обработки данных об объектах. АСУТП
находят своё применение практически во всех сферах производства. К ним
предъявляются самые разные требования. Чтобы управление системами было
качественное и удовлетворяло поставленным условиям необходимо также развитие и
правильность подобранных её составных компонентов. Большое внимание уделяется
качеству управления.
В данной работе решён комплекс
задач, обеспечивающих построение аналого-цифровых управляемых систем. Выбор
темы обусловлен интересом к переходным процессам, поэтому и освещается в ней по
большей части динамика системы в переходных режимах.
Данные системы носят довольно общий
характер, и могут служить во многих промышленных сетях, причём как целой, так и
составной частью.
В проекте подробно рассмотрен вопрос
об устойчивости систем, качестве переходного процесса систем и объектов
управления, реализации систем и пути решения этих проблем.
Данная система может применяться в
качестве макета для изучения динамических свойств непрерывных и дискретных САУ
на лабораторных занятиях.
1. Исследование характеристик
минимально-фазового и не минимально-фазового объекта управления
.1 Определение минимально-фазового и
не минимально-фазового объектов
По динамическим характеристикам
управляемые объекты можно разделить на две группы - минимально-фазовые и не
минимально-фазовые.
Минимально-фазовый элемент - это
элемент, у которого все полюса и нули передаточной функции W(p) имеют
отрицательные действительные части.
Минимально-фазовые элементы дают
минимальный фазовый сдвиг по сравнению с любыми другими элементами, имеющими
такую же амплитудную характеристику A(w), но у которой действительная часть
хотя бы одного полюса или нуля положительна.
Минимально-фазовые элементы обладают
важным для практических расчётов свойством: их частотная передаточная функция
полностью определяется одной из трёх составляющих - вещественной частотной
характеристикой (ВЧХ), мнимой частотной характеристикой (МЧХ),
амплитудно-частотной характеристикой (АЧХ). Это существенно упрощает задачи
анализа и синтеза минимально-фазовых систем.
Не минимально-фазовый объект, в
простейшем случае, можно представить в виде последовательного соединения
минимально-фазового объекта и звена, имеющего один нуль в правой полуплоскости.
Не минимально-фазовые звенья на
практике используются для корректирования характеристик цепей или для повышения
устойчивости [1].
1.2 Компьютерное моделирование
объектов управления
Для анализа динамических
характеристик систем с минимально-фазовыми и не минимально фазовыми объектами
сначала необходимо провести моделирование данных объектов.
В качестве минимально-фазового
объекта управления в первом случае будет выступать звено с передаточной
функцией в форме нулей и полюсов
где Wm(p) - непрерывная передаточная
функция минимально-фазового объекта управления. Как видно нуль здесь равен
«-2», а полюсы равны «-1». Вещественная часть нуля отрицательна, значит объект
минимально-фазовый. Приведём данное выражение в форму передаточной функции. Для
этого введём в пакете Matlab следующие строки
>>z1=zpk([-2],[-1 -1],[2])
Ввод передаточной функции, которую
назовём z1, так как в дальнейшем ещё потребуется ввести ещё несколько
передаточных функций.
Результат ввода/pole/gain:
(s+2)
-------
(s+1)^2
>> z2=tf(z1)
Перевод из формы нулей и полюсов
(zpk-формы) в форму передаточной функции (tf)
Transfer
function:
s + 4
------------^2
+ 2 s + 1
Результат операции - передаточная
функция в обыкновенном виде.
Проведём моделирование в
Matlab:Simulink этого объекта [2]. Это необходимо для дальнейшего исследования
систем с минимально-фазовыми и не минимально-фазовыми объектами управления. Как
видно на рисунке 1 переходный процесс устанавливается за конечный промежуток времени,
значит, данный объект устойчив (рисунок 1).
Рисунок 1 - График переходной
функции минимально-фазового объекта
Теперь произведём моделирование не
минимально-фазового объекта управления с передаточной функцией в форме
нулей-полюсов
где Wn(p) - непрерывная передаточная
функция не минимально-фазового объекта управления. Нуль в этом выражении равен
«2», что и делает этот объект не минимально-фазовым.
Для дальнейшего исследования систем,
в составе которых присутствуют не минимально-фазовые объекты необходимо
построить график переходного процесса этого звена в программе Matlab:Simulink.
Как видно на рисунке 2, установившееся значение переходной функции
отрицательное.
Рисунок 2 - График переходного
процесса не минимально-фазового объекта управления
Это обстоятельство может усложнить
реализацию не минимально-фазового звена и системы в целом, так же как и
исследование системы. Поэтому в дальнейшем следует уделить внимание преодолению
этого качества не минимально-фазового объекта.
2. Построение дискретных моделей
объектов, в том числе не минимально-фазового
.1 Принцип построения дискретной
модели
Существует несколько методов
построения дискретной модели. В данной работе выбран метод перехода от
дифференциального уравнения к разностным, потому что данные в предыдущей главе
объекты управления второго порядка и не являются типовыми, что может осложнить
построение дискретных моделей другими методами.
Суть выбранного метода заключается в
следующем. Сначала берётся дифференциальное уравнение объекта, затем
производную m-ного порядка функции x(t), аппроксимируем выражением
,
где
С переходом от производных к
разностям дифференциальное уравнение будет переведено в эквивалентное
разностное:
(2.1)
Это уравнение может быть записано в
виде выражения, позволяющего рассчитывать
по
:
Подвергнув (2.1) z-преобразованию,
получим алгебраическое уравнение, имеющее решение
(2.2)
где
- дискретная передаточная функция,
имеющая вид
(2.3)
Затем рассчитывается коэффициент
передачи дискретного объекта в статике. Для этого в выражении (2.3)
подставляется
[3].
.2 Расчёт дискретных передаточных
функций объектов управления
Как показано в прошлой главе,
минимально-фазовый объект имеет передаточную функцию
Дифференциальное уравнение для
данного объекта
где y(t) - это выходной сигнал;(t) -
входной сигнал.
Запишем для него разностное
уравнение, заменив производные эквивалентным выражением через равенства
где Т0 - величина такта квантования
по уровню. Её удобно выбирать исходя из условия
где tуст - время переходного
процесса. Как видно на рисунке 1 и рисунке 2, величина Т0=1с удовлетворяет
этому условию, к тому же она упрощает дальнейшие расчёты.
Подставим это значение в разностное
выражение и раскроем скобки
Приведём подобные слагаемые
Подвергнем z-преобразованию
Вынесем y(z) и u(z) за скобки, чтобы
можно было выделить выражение для дискретной передаточной функции
отсюда по выражению (2.2)
Следовательно
.
Приведём это выражение к стандартной
форме, разделив его на 4
где
- искомая дискретная передаточная
функция минимально-фазового объекта управления.
Вычислим коэффициент в статике, для
этого в выражение дискретной передаточной функции объекта подставим z=1
То есть он совпадает с коэффициентом
передачи переходного процесса (см. Рис.1)
Как показано в прошлой главе, не
минимально-фазовый объект имеет передаточную функцию
Дифференциальное уравнение для
данного объекта
,
где y(t) - это выходной сигнал;(t) -
входной сигнал.
Запишем для него разностное
уравнение, заменив производные эквивалентными выражением через равенства
где Т0 - величина такта квантования
по уровню. Её, руководствуясь теми же принципами, что и в предыдущем случае с
минимально-фазовым объектом, примем равную одной секунде.
Подставим это значение в разностное
выражение и раскроем скобки
приведём подобные слагаемые
подвергнем z-преобразованию
вынесем y(z) и u(z) за скобки, чтобы
можно было выделить выражение для дискретной передаточной функции
отсюда по выражению (2.2)
,
следовательно
Приведём это выражение к стандартной
форме, разделив его на 2.25
,
где
- искомая дискретная передаточная
функция минимально-фазового объекта.
Вычислим коэффициент в статике, для
этого в выражение дискретной передаточной функции объекта подставим z=1
,
что соответствует коэффициенту
передачи переходного процесса (см. Рис.2)
3. Расчёт регулятора
компенсационного типа (непрерывного и дискретного)
.1 Постановка задачи расчёта
В этой главе подробно рассмотрен
процесс расчёта такой неотъемлемой части САУ, как регулятор. Регулятор,
вводимый в контур управления, в общем случае выполняет две функции. Во-первых,
обладая форсирующими свойствами, он способен скомпенсировать инерционность
объекта управления, обеспечивая минимальное время регулирования. Во-вторых, при
наличии отрицательной обратной связи регулятор позволяет минимизировать влияние
внешних возмущающих воздействий. Если объект управления устойчив и его модель
точно известна, то при отсутствии возмущений динамика объекта может быть
скомпенсирована введением регулятора прямой цепи, как показано на рисунке 3.
Рисунок 3 - Структурная схема САУ
(z) - дискретная передаточная
функция регулятора,(z) - дискретная передаточная функция объекта управления.
При
получим идеальную реализацию цели
управления:
,
то есть выходной сигнал равен
входному.
Расчёт компенсационного регулятора в
данном случае представляет особый интерес, из-за необычной динамики переходного
процесса не минимально-фазового объекта управления, который необходимо привести
к обыкновенной форме, то есть, чтобы переходный процесс не минимально фазового
объекта протекал в положительной области координат.
3.2 Методы расчёта компенсационного
регулятора
В процессе расчёта необходимого
регулятора будут возникать некоторые проблемы, которые описаны ниже.
Сначала найдём непрерывные
регуляторы для описанных непрерывных объектов управления. Процесс подбора
происходит по методу Гаусса - Зейделя, который заключается в поочерёдном
изменении параметров модели до достижения локального оптимума.
Сначала выберем регуляторы для
непрерывных минимально-фазового и не минимально-фазового объекта управления в
прямой цепи. Затем - для системы, на которую действуют возмущающие воздействия
- то есть для системы с отрицательной обратной связью.
Затем произведём расчёт регуляторов
для дискретных моделей объектов управления.
Если в системе присутствует внешнее
возмущающее воздействие, то, введя отрицательную обратную связь, можно
потребовать, чтобы замкнутая система имела передаточную функцию заданного вида
G(z). Тогда передаточная функция компенсационного регулятора должна
рассчитываться следующим образом:
Так, при G(z)=z-1
Передаточная функция G(z)=z-1
означает, что выходной сигнал будет повторять входной, но с запаздыванием в 1
такт.
После этого рассчитаем алгоритмы
управления для рассчитанных дискретных регуляторов. Для системы без возмущающего
воздействия алгоритм управления регулятора подсчитывается из выражения для
дискретной передаточной функции регулятора следующим образом
,
где
- дискретная передаточная функция
регулятора для объекта управления. Отсюда цифровой алгоритм управления
,(3.2)
где
- управление;
- значение
входного воздействия регулятора в дискретный момент времени «к»;
- значение
входного воздействия регулятора в дискретный момент времени «к-1»;
- значение входного
воздействия регулятора в дискретный момент времени «к-2».
3.3 Расчёт регуляторов и цифровых
алгоритмов управления
Как было сказано в предыдущем
подразделе, начнём с подбора регулятора для непрерывного минимально-фазового
объекта управления с передаточной функцией
.
Идеальный регулятор для данного
случая имеет передаточную функцию
,
но такой регулятор не реализуем, так
как порядок выражения его числителя больше порядка выражения его знаменателя.
Если в знаменатель данного выражения
добавить «p»,то числители и знаменатели полученного регулятора и объекта
сократятся, и результирующей передаточной функцией будет интегрирующее звено. У
интегрирующего звена переходный процесс стремится в бесконечность - этот
вариант для нашего случая не подходит.
Следовательно, в передаточную
функцию компенсационного регулятора надо добавить передаточную функцию
апериодического звена первого порядка с малой постоянной времени. В этом случае
можно добиться, чтобы переходный процесс системы достиг установившегося
значения, за малый промежуток времени. То есть передаточная функция регулятора
будет равна
,
а переходный процесс системы
(рисунок 4)
Рисунок 4 - Переходный процесс
прямой цепи САУ с непрерывным минимально-фазовым объектом управления
Динамика переходного процесса
удовлетворительная.
В реальной же ситуации на систему
действует возмущающее воздействие, поэтому для качественного управления
системой необходимо добавить отрицательную обратную связь (ООС) по отклонению,
и система будет иметь вид (рисунок 5)
Рисунок 5 - Структурная схема САУ с
отрицательной обратной связью
На схеме e(k) - величина ошибки
(разницы между входным воздействием x(k) и выходным y(k)); n(k) - возмущающее
воздействие.
Рассмотрим вариант данной САУ с
рассчитанным регулятором (рисунок 6).
Рисунок 6 - Переходный процесс САУ с
отрицательной обратной связью и минимально-фазовым объектом управления
Как и следовало ожидать, коэффициент
передачи системы уменьшился в два раза, так как знаменатель результирующей
передаточной функции увеличился на единицу.
Теперь разберём САУ с не
минимально-фазовым объектом управления. Идеальный случай не реализуем по той же
причине, так что снова разберём случай с добавлением в выражение передаточной
функции регулятора передаточную функцию апериодического звена с малой
постоянной времени. То есть
,
где
- передаточная функция регулятора
для непрерывного не минимально-фазового объекта управления. Как видно на
рисунке 7 данная система потеряла устойчивость.
Рисунок 7 - Переходный процесс
неустойчивый САУ с не минимально-фазовым непрерывным объектом управления и
регулятором с положительным полюсом
При большом времени регулирования
переходный процесс САУ начинает колебаться с нарастающей амплитудой. Было бы
логично увеличить постоянную времени регулятора, чтобы сгладить колебания. То
есть
.
Как видно на графиках (рисунок 8,9)
Рисунок 8 - Переходный процесс
неустойчивой САУ с постоянной времени
с
Рисунок 9 - Переходный процесс
неустойчивой САУ с постоянной времени
с
САУ неустойчива - увеличение
постоянной времени не привело к желаемым результатам. Уменьшилось количество
колебаний, но монотонность возрастания их амплитуды увеличилось. Это говорит о
том, что увеличение постоянной времени не поможет вернуть системе устойчивость.
Рассмотрим случай регулятора с
отрицательным коэффициентом передачи, это поменяет знак переходного процесса не
минимально-фазового объекта управления (рисунок 10).
Рисунок 10 - Переходный процесс не
минимально-фазового объекта с коэффициентом передачи
Теперь осталось только уменьшить
время регулирования процесса, чтобы переходный процесс системы быстрее достиг
установившегося значения. Для этого добавим в систему передаточную функцию
апериодического звена первого порядка с малой постоянной времени (рисунок 11).
Рисунок 11 - Переходный процесс САУ
с не минимально-фазовым объектом и апериодическим звеном первого порядка с
отрицательным коэффициентом
и малой постоянной времени
Как видно на рисунке, добавление
апериодического звена с малой постоянной времени не ускорило переходный
процесс. Следует попробовать добавить реальное форсирующее звено с большой
постоянной времени для той же цели (рисунок 12).
Рисунок 12 - Переходный процесс САУ
с не минимально-фазовым объектом управления и реальным форсирующим звеном с
отрицательным коэффициентом передачи
и постоянной времени форсирования
с
Постоянная времени реального
форсирующего звена вызвала значительное перерегулирование, вследствие чего
процесс установился позже, чем этого можно достичь. Если уменьшить постоянную
времени числителя передаточной функции форсирующего звена, то можно достичь
вида переходного процесса апериодического звена первого порядка и уменьшить
время регулирования (рисунок 13).
Рисунок 13 - Переходный процесс САУ
с не минимально-фазовым объектом управления и реальным форсирующим звеном с
отрицательным коэффициентом передачи
и постоянной времени форсирования
с
Динамика переходного процесса
удовлетворительная. Можно сделать вывод о том, что компенсационный регулятор с
положительным полюсом не сделает систему устойчивой и необходимо искать
регулятор с другими характеристиками.
Теперь рассмотрим САУ, охваченной
ООС с данным регулятором (рисунок 14).
Рисунок 14 - Переходный процесс САУ
с не минимально-фазовым объектом управления и не настроенным регулятором,
охваченной ООС
Система неустойчивая. Увеличим
постоянную времени, чтобы уменьшить частоту колебаний данного переходного
процесса системы.
Увеличив постоянную времени
знаменателя регулятора в 100 раз получим (рисунок 15)
Рисунок 15 - Переходный процесс САУ
с регулятором с постоянной времени Т=1с
Как видно на данном графике, частота
колебаний существенно понизилась, а амплитуда стала равной на всём времени
регулирования.
При увеличении постоянной времени
ещё в 30 раз получим устойчивую систему (рисунок 16).
Рисунок 16 - Переходный процесс
устойчивой САУ с не минимально-фазовым объектом управления и регулятором с
постоянной времени в знаменателе Т=30с
Этот вариант можно считать локальным
оптимумом, так как при дальнейшем изменении той или иной постоянных времени в
системе будет возрастать колебательность, что отразится на длительности
переходного процесса. Можно так же добавить, что числитель регулятора, который
можно было бы заменить единицей, обеспечивает некоторое форсирование
переходного процесса, за счёт чего переходный процесс устанавливается быстрее.
Динамика данной САУ
удовлетворительна.
Вывод: и в разомкнутой, и в
замкнутой системе с не минимально-фазовым объектом в качестве компенсационного
регулятора используется звено одного типа, которое обладает как качествами
форсирующего, так и качествами апериодического звена, но в системе с ООС в
данном случае постоянную времени необходимо взять на три порядка выше.
Прежде чем приступить к
проектированию цифрового алгоритма управления нужно рассчитать дискретные
передаточные функции полученных регуляторов.
Прежде всего, необходимо отметить,
что дискретные звенья реализуемы, несмотря на то больше ли порядок числителя
или знаменателя. Этот факт существенно упрощает расчёт дискретного регулятора.
Как было написано в разделе 2.2,
дискретная передаточная функция минимально-фазового объекта управления равна
.
Следовательно, дискретный
компенсационный регулятор для этого объекта управления будет равен
,
где
- дискретная передаточная функция
регулятора САУ с минимально-фазовым объектом управления. Коэффициенты здесь
равны
значит по
формуле (3.2)
алгоритм управления регулятора
системы с минимально-фазовым объектом управления без возмущающего воздействия
Рассчитаем алгоритм управления для
регулятора САУ с не минимально-фазовым объектом управления
.
Дискретная передаточная функция
регулятора САУ с не минимально-фазовым объектом управления
.
Коэффициенты равны
алгоритм
управления
Теперь рассчитаем алгоритмы управления
регулятора в случае САУ, на которую действуют возмущающие воздействия.
Как было описано выше, передаточная
функция регулятора в этом случае рассчитывается по формуле
Тогда для регулятора системы с
минимально-фазовым объектом передаточная функция
Это значит
,
где
- выходной сигнал регулятора, а
- входной.
Применим обратное z-преобразование, чтобы получить выражение для алгоритма
управления.
,
отсюда
,
значит, цифровой алгоритм управления
дискретного компенсационного регулятора замкнутой САУ с минимально-фазовым
объектом управления описывается следующей формулой
,
коэффициенты выражения
Теперь рассчитаем алгоритм
управления регулятора САУ с не минимально-фазовым объектом управления .
Передаточная функция дискретного
регулятора
,
значит
.
Применим обратное z-преобразование,
чтобы получить выражение для алгоритма управления.
,
следовательно, цифровой алгоритм
управления дискретного регулятора замкнутой САУ с не минимально-фазовым
объектом управления описывается формулой
коэффициенты выражения
Теперь приведём графики переходных
процессов полученных дискретных систем и сравним их с переходными процессами
непрерывных систем, рассчитанных ранее.
Для САУ с минимально-фазовым
объектом управления (рисунок 17)
Рисунок 17 - Переходный процесс
замкнутой дискретной САУ с минимально-фазовым объектом управления
Если сравнить этот график с Рисунком
6, то можно заметить что установившееся значение процесса здесь 0.6, а не 0.5
как у переходного процесса соответствующей непрерывной системы, и переходный
процесс в данном случае начинается со второго такта.
Для рассчитанной САУ с не минимально
фазовым объектом управления (рисунок 18)
Рисунок 18 - Переходный процесс
замкнутой дискретной САУ с не минимально-фазовым объектом управления
На данном рисунке так же видна
задержка переходного процесса, но зато достигнута цель идеального управления.
Тут же необходимо отметить тот факт,
что с управлением, проектированием и реализацией САУ с не минимально-фазовым
объектом управления могут возникнуть дополнительные трудности. И характер
переходного процесса непрерывной замкнутой САУ с минимально-фазовым объектом
управления предпочтительнее, чем САУ с не минимально-фазовым. Но, несмотря на
это динамика её переходного процесса значительно лучше, чем у САУ с
минимально-фазовым объектом управления.
4. Реализация цифрового регулятора
.1 Постановка задачи
Современный технический прогресс
достиг такого уровня, что практически любую задачу автоматизации можно решить с
помощью программируемых микроконтроллеров. Проблема автоматизации АСУТП
является одной из основных, как в современном производстве, так и на бытовом
уровне. Несмотря на то, что ещё лишь несколько лет назад номенклатура
выпускаемых продуктов передовых компаний, производящих программируемые
контроллеры была ограниченной, на данный момент можно говорить о существенном
изменении в этой области рынка. В условиях такого большого разнообразия
выпускаемых устройств автоматического управления, проблема выбора и настройки
того или иного микроконтроллера, как основной их части, представляется
актуальной, и ей отводится особое место в проектировании САУ.
В техническом задании данного
проекта нет особых ограничений или чётких требований к обязательному
соответствию выбранного микроконтроллера тем или иным характеристикам. Поэтому
выбор определённого продукта нельзя считать единственно верным, и решение
данной проблемы носит довольно общий характер.
В целом в процессе реализации
цифрового регулятора на основе микроконтроллера можно выделить несколько
пунктов:
выбор продукта, который производится
на основании сравнения технических характеристик продуктовой линейки;
краткое описание продукта, его
характеристики;
описание способа подключения
контроллера;
разработка алгоритма работы;
программирование контроллера.
4.2 Обоснование выбора
микроконтроллера, технические характеристики, программирование и описание
подключения
Для реализации полученного алгоритма
управления воспользуемся микроконтроллером семейства PIC, исходя из следующих
соображений.
Первое, что привлекает внимание в
PIC-контроллерах - это простота и эффективность. В основу концепции PIC, единую
для всех выпускаемых семейств, была положена RISC-архитектура с системой
простых однословных команд, применение встроенной памяти программ и данных и
малое энергопотребление. [4]- микроконтроллеры Гарвардской архитектуры
производимые американской компанией Microchip Technology Inc. Название PIC
является сокращением от Peripheral Interface Controller, что означает
«периферийный интерфейсный контроллер». Название объясняется тем, что
изначально PIC предназначались для расширения возможностей ввода-вывода
16-битных микропроцессоров CP1600.
В номенклатуре Microchip Technology
Inc. представлен широкий спектр 8-и, 16-и и 32-битных микроконтроллеров и
цифровых сигнальных контроллеров под маркой PIC. Отличительной особенностью
PIC-контроллеров является хорошая преемственность различных семейств. Это и
программная совместимость (единая бесплатная среда разработки MPLAB IDE,
С-компиляторы от GCC), и совместимость по выводам, по периферии, по напряжениям
питания, по средствам разработки, по библиотекам и стекам наиболее популярных
коммуникационных протоколов. Номенклатура насчитывает более 500 различных
контроллеров со всевозможными вариациями периферии, памяти, количеством
выводов, производительностью, диапазонами питания и температуры и т. д. [5]
Особый акцент MICROСHIP делает на
максимально возможное снижение энергопотребления для выпускаемых
микроконтроллеров. При работе на частоте 4 МГц PIC-контроллеры, в зависимости
от модели, имеют ток потребления меньше 1,5 мА, а при работе на частоте 32,768
КГц - ниже 15 мкА. Поддерживается “спящий” режим работы. Диапазон питающих
напряжений PIC-контроллеров составляет 2,0...6,0 В.
Микроконтроллер в нашем случае
должен выполнять задачу, которую можно проиллюстрировать следующим образом
(рисунок 20)
Рисунок 20 - Внутреннее строение
контроллера на рисунке
- такт
квантования контроллера
Арифметико-логическое устройство
формирует по входным переменным выходные, выполняя заданную функцию. АЛУ
содержит в своём составе устройство хранящие характеристику результата
выполнения операции над данными, называемое регистром флага.
Таймер согласовывает работу
внутренних элементов контроллера.
Воспользуемся продуктом
dsPIC30F5011. Так как задачи, выполняемые в нашей системе, не слишком сложны и
не требуют больших функциональных возможностей, не обязательно применять
высокотехнологичный микроконтроллер последнего поколения. Достаточно взять
средний по возможностям продукт, чтобы не переплачивать лишние деньги.
Например, подойдёт 16-тиразрядный микроконтроллер цифровой обработки сигналов
средней скорости с внутренним осциллятором.
Опишем особенности семейства
контроллеров цифровой обработки сигналов dsPIC30F и dsPIC33F
Компания Microchip предлагает два
семейства 16-ти разрядных Flash микроконтроллеров с поддержкой команд цифровой
обработки сигналов - dsPIC30F и dsPIC33F. Высокое быстродействие в (30 MIPS для
dsPIC30F и 40 MIPS для dsPIC33F) и эффективная система команд позволяет
использовать контроллеры в сложных системах реального времени. Ключевые
особенности:
расширенная система команд,
включающяя специфические команды поддержки цифровой обработки сигналов (DSP).
-разрядные инструкции выполняются за
4 периода тактовой частоты у dsPIC30F и за 2 - у dsPIC33F, за исключением
команд деления, переходов, команд пересылки данных из регистра в регистр и табличных
команд.
разрядность программного счетчика
(24 бита) позволяет адресовать до 4М слов программной памяти (4М*24бит).
аппаратная поддержка циклов типа DO
и REPEAT, выполнение которых не требует дополнительных издержек программной
памяти и времени на анализ условий окончания, в то же время эти циклы могут
быть прерваны событиями прерывания в любой момент;
рабочих регистров, каждый регистр
массива может выступать как данные, адрес или смещение адреса
два класса команд:
микроконтроллерные инструкции (MCU) и команды цифровой обработки сигналов
(DSP). Оба этих класса равноправно интегрированы в архитектуру контроллера и
обрабатываются одним ядром.
различные типы адресации;
система команд оптимизирована для
получения максимальной эффективности при программировании на языке высокого
уровня Си.
Характеристики выбранного
контроллера (таблица 1)
Таблица 1
|
Наименование
характеристики
|
Значение
|
|
Архитектура
|
16-bit
|
|
Скорость
ЦПУ (MIPS)
|
30
|
|
Тип
Памяти
|
Flash
|
|
Программная
память (KB)
|
66
|
|
Величина
RAM (Byte)
|
4,096
|
|
Температурный
диапозон C
|
от
-40 до 125
|
|
Рабочий
диапазон напряжения (V)
|
от
2.5 до 5.5
|
|
Контактов
ввода/вывода
|
52
|
|
Количество
контактов
|
64
|
|
Особеность
системного вида
|
PBOR,
LVD
|
|
Внутренний
генератор тактовых импульсов
|
7.37
MHz, 512 kHz
|
|
Особенности
nanoWatt
|
Fast
Wake/Fast Control
|
|
Цифровые
контактные периферии
|
2-UART,
2-SPI, 1-I2C
|
|
Аналоговые
периферии
|
1-A/D 16x12-bit @ 200(ksps)
|
|
Компараторы
|
0
|
|
CAN
(#, type)
|
2
CAN
|
|
Захват/Сравнение/PWM
Периферии
|
8/8
|
|
Таймеры
|
5
x 16-bit 2 x 32-bit
|
|
Параллельный
порт
|
GPIO
|
|
Техническое
обеспечение RTCC
|
No
|
|
DMA
|
0
|
|
Цена
до от 1 до 5шт.
|
250р.
|
Рассмотрим подробнее принцип подключения через
порт GPIO.
Назначение и возможности
Адаптер GPIO предназначен для преобразования
сигналов шины GPIO в логические сигналы для подключения к COM-порту компьютера
с целью организации «Микшера», а также для преобразования сигналов оповещения,
идущих через COM-порты в сигналы GPIO.
Подключение
Конструктивно устройство выполнено в виде компьютерной
платы. Плата устанавливается на место любой свободной планки. Перед
подключением выключить компьютер. Питание к плате подключается стандартным
кабелем питания внутри компьютера.
Подключение к Com-портам может быть выполнено
двумя способами:
Внешними кабелями, имеющимися в комплекте.
Если на материнской плате компьютера имеется
внутренний Com-порт, можно к нему подключить либо сигнал дистанционного
управления, либо реализовать оповещение через дополнительные разъемы,
установленные на плате.
Внутренние разъемы Com-портов компьютеров имеют
разную цоколевку. Известны две разные цоколевки. Используйте документацию к
материнской плате компьютера, чтобы обеспечить правильное подключение. Разъемы,
расположенные на плате адаптера имеют разводку соответствующую разводке 9-pin
Com-порта. Т.е. 1 вывод соответствует 1-му выводу, 2-ой - 2-ому и т.д.
Разъемы для подключения к внутренним Com-портам
компьютера подключены параллельно внешним разъемам. Нельзя одновременно
подключать внутренний разъем «Оповещение 1» и внешний «Оповещение 1» во
избежание выхода из строя Com-портов компьютера.
Выход оповещения выполнен с использованием
твердотельных реле HSR412. Они позволяют коммутировать нагрузку с током до 150
мА постоянного или переменного тока (рисунок 21).
Рисунок 21 - Схема подключения GPIO-порта к
COM-порту
Через Com-порт программы могут получать 4
сигнала от внешних устройств и формировать 2 сигнала, чтобы управлять внешними
устройствами. Таким образом, для получения 4-х сигналов управления необходим
один Com-порт и один разъём а для выдачи 4-х сигналов управления необходимо два
Com-порта и два разъема.
Для подключения к компьютеру используются 3
провода:
«Оповещение 2» - подключается к Com-порту
компьютера, через который будут выдаваться сигналы управления 3 и 4
Если какие-либо сигналы не нужны,
соответствующие разъемы можно не подключать. [6]
Цоколёвка корпуса (рисунок 22)
Рисунок 22 - Цоколёвка корпуса контроллера
Перевод таблицы назначения контактов.-AN15 -
каналы аналогового ввода- питание для аналогого ввода, всегда должен быть
включен. - заземление для аналогого ввода- внешний источник таймера. Всегда
сопряжён с OSC1. - вывод однокристального осциллятора. Всегда сопряжён с
OSC2-CN23 - ввод изменения оповещений.- интерфейс конвертера данных основной
синхронизации - интерфейс конвертера данных последовательного таймера
ввода/вывода- интерфейс конвертера последовательного ввода данных- интерфейс
конвертера последовательного вывода данныхRX TXRXTX - шины приёма и передачи
CAN1/CAN2
соответственно- каналы
первичной/вторичной/третичной/четвертичной
связи данных/таймера.-IC8 - ввод захвата от 1 до
8- внешний перехват от 0 до 4- низковольтный детектор напряжения на вводе- ввод
главного запуска. - проверка на ложь А- проверка на ложь В-OC8 - проверка на
ложь выводов 1-8 - ввод осциллятора- вывод осциллятора- ввод внутреннего
последовательно-
программируемых данных/таймера -RA7-RA10-RA15 -
реверсивный порт А
ввода/вывода-RB15 - реверсивный порт В
ввода/вывода-RC4-RC15 - реверсивный порт С
ввода/вывода-RD15 - реверсивный порт D
ввода/вывода-RF8 - реверсивный порт F ввода/вывода-RG3-RG9-RG15 - реверсивный
порт G ввода/вывода- синхронный последовательный таймер
ввода/вывода для SPI1- ввод данных SPI1- вывод
данных SPI1- второстепенная синхронизация SPI1- синхронный последовательный
таймер ввода/вывода для SPI2- ввод данных SPI2- вывод данных SPI2-
второстепенная синхронизация SPI2- синхронный последовательный таймер
ввода/вывода для I2C- синхронный
последовательный ввод/вывод
данных для I2C- 32 кГц-вый низко мощный
осциллятор вывода- 32 кГц-вый низко мощный осциллятор ввода CKCKCKCKCK -
внешние таймера 1-5 вводаRX - UART1 приёмTX - UART1 передачаARX - UART1
альтернативный приёмATX - UART1 альтернативная передачаRX - UART2 приёмTX -
UART2 передача- питание для логических и контактов ввода/вывода- заземление для
логических и контактов ввода/вывода+ - оценка высокого аналогого напряжения на
входе- оценка низкого аналогого напряжения на входе
Размеры (рисунок 23)
Рисунок 23 - Размеры корпуса контроллера
Таблица 2 - Размеры корпуса контроллера [7]
|
Единицы
|
Миллиметры
|
|
Измерения
|
Мин.
|
Ном.
|
Макс.
|
|
N
|
64
|
|
e
|
0.5
|
|
A
|
-
|
-
|
1.2
|
|
A2
|
0.95
|
1
|
1.05
|
|
A1
|
0.05
|
-
|
0.15
|
|
L
|
0.45
|
0.6
|
0.75
|
|
L1
|
1
|
|
φ
|
0o
|
3.5o
|
7.5o
|
|
E
|
12
|
|
D
|
12
|
|
E1
|
10
|
|
D1
|
10
|
|
c
|
0.09
|
-
|
0.2
|
|
b
|
0.17
|
0.22
|
0.27
|
|
α
|
11o
|
12o
|
13o
|
|
β
|
11o
|
12o
|
13o
|
|
|
|
|
|
|
|
5. Исследование характеристик
цифро-аналоговой системы в виртуальной среде Matlab. Simulink
.1 Исследование влияния величины
такта на качество управления объектами с большими и малыми постоянными времени
для случая с минимально-фазовым объектом управления
В начале работы при построении САУ величина
такта была выбрана равной одной секунде. Хотя она может быть и другой и
определяться в зависимости от требований к динамике переходного процесса или от
желаний проектировщика. В этой главе показано, что изменится при выборе другой
величины такта.
Первой будет исследоваться замкнутая САУ с
минимально-фазовым объектом управления с малой постоянной времени.
Пусть задана передаточная функция
минимально-фазового объекта управления
,
где
-
передаточная функция минимально-фазового объекта управления с постоянной
времени Т=0.1с.
Покажем график переходного процесса этого
объекта управления, чтобы в дальнейшем иметь представления о динамике данного
объекта (рисунок 24).
Рисунок 24 - График переходного процесса непрерывного
минимально-фазового объекта управления с малой постоянной времени
Величину такта возьмём Т0=0.04с. Подсчитаем
дискретную передаточную функцию данного объекта.
Дифференциальное уравнение, описывающее
передаточную функцию данного непрерывного минимально-фазового объекта
управления равно
,
где
-
выходной сигнал объекта управления,
-
сигнал управления, вырабатываемый регулятором и подающийся на вход объекта
управления.
Запишем для него разностное уравнение, заменив
производные эквивалентными выражениями разностей
(5.1)
где Т0 - величина такта квантования по времени.
Подставим это значение в разностное выражение и
раскроем скобки
приведём подобные слагаемые
подвергнем z-преобразованию
вынесем y(z) и u(z) за скобки, чтобы можно было
выделить выражение для дискретной передаточной функции объекта управления
отсюда
,
следовательно
,
Приведём это выражение к стандартной форме,
разделив его на 12.25
,
где
-
искомая дискретная передаточная функция минимально-фазового объекта с постоянной
времени Т=0.1с при величине такта Т0=0.04с.
Вычислим коэффициент в статике, для этого в
выражение дискретной передаточной функции объекта подставим z=1
,
Сравним график переходной функции данного
объекта управления с заданным непрерывным. Как и следовало ожидать, коэффициент
передачи дискретного объекта управления отличается от коэффициента непрерывного
на тысячные доли. Это произошло из-за округления десятичных дробей в расчётах.
Уменьшилась величина перерегулирования (рисунок 25).
Рисунок 25 - График переходного процесса
дискретного минимально-фазового объекта управления с постоянной времени Т=0.1с
и величиной такта Т0=0.04с
Рассчитаем передаточную функцию регулятора
данного дискретного объекта управления замкнутой САУ и представим её в
стандартном виде
где
-
передаточная функция дискретного регулятора замкнутой САУ с минимально-фазовым
объектом с малой постоянной времени Т=0.1с и величиной такта Т0=0.04с.
Теперь построим график переходного процесса
полученной замкнутой САУ (рисунок 26).
Рисунок 26 - График переходной функции САУ с
дискретным минимально-фазовым объектом управления с постоянной времени Т=0.1с и
величиной такта Т0=0.04с
Как видно на графике, динамика переходного
процесса близка к идеальной. Из-за малого значения такта, запаздывание
переходного процесса ничтожно мала. Величина перерегулирования составляет
тысячные доли от значения установившегося режима и обусловлена округлением
коэффициентов передаточных функций до тысячных долей. В дальнейшем во всех
графиках переходных процессов будет присутствовать данная деталь, поэтому нет
смысла в дальнейшем говорить о ней, но стоит иметь её в виду.
Теперь исследуем динамику этой САУ но с
величиной такта времени Т0=0.3с, для этого подставим данное значение в
выражение (5.2) и проделаем те же действия.
(5.2)
Подставим величину выбранного T0 в разностное
выражение и раскроем скобки
приведём подобные слагаемые
подвергнем z-преобразованию
вынесем y(z) и u(z) за скобки, чтобы можно было
выделить выражение для дискретной передаточной функции объекта управления
отсюда
,
следовательно
,
Приведём это выражение к стандартной форме,
разделив его на 1.77
,
где
-
искомая дискретная передаточная функция минимально-фазового объекта с
постоянной времени Т=0.1с при величине такта Т0=0.3с.
Вычислим коэффициент в статике, для этого в
выражение дискретной передаточной функции объекта подставим z=1
,
Сравним график переходной функции данного
объекта управления с заданным непрерывным объектом управления, проверив
правильность рассчитанной дискретной модели объекта (рисунок 27)
Рисунок 27 - График переходного процесса
дискретного минимально-фазового объекта управления с постоянной времени Т=0.1с
и величиной такта Т0=0.3с
В предыдущем случае с величиной такта времени
Т0=0.04с график переходного процесса более адекватно описывал модель
непрерывного минимально фазового объекта управления. В данном же случае за счёт
увеличения такта времени уменьшается величина перерегулирования.
Рассчитаем передаточную функцию регулятора
данного дискретного объекта управления замкнутой САУ и представим её в
стандартном виде
где
-
передаточная функция дискретного регулятора замкнутой САУ с минимально-фазовым
объектом с малой постоянной времени Т=0.1с и величиной такта Т0=0.3с.
Теперь построим график переходного процесса
полученной замкнутой САУ (рисунок 28).
Рисунок 28 - График переходной функции САУ с
дискретным минимально-фазовым объектом управления с постоянной времени Т=0.1с и
величиной такта Т0=0.3с
Теперь исследуем динамику этой САУ но с
величиной такта времени Т0=2с, для этого подставим данное значение в выражение
(5.3) и проделаем те же действия.
(5.3)
Подставим величину выбранного T0 в разностное
выражение и раскроем скобки
приведём подобные слагаемые
подвергнем z-преобразованию
вынесем y(z) и u(z) за скобки, чтобы можно было
выделить выражение для дискретной передаточной функции объекта управления
отсюда
,
следовательно
,
Приведём это выражение к стандартной форме,
разделив его на 1.102
,
где
-
искомая дискретная передаточная функция минимально-фазового объекта с
постоянной времени Т=0.1с при величине такта Т0=2с.
Вычислим коэффициент в статике, для этого в
выражение дискретной передаточной функции объекта подставим z=1
,
Сравним график переходной функции данного
объекта управления с заданным непрерывным объектом управления, проверив
правильность рассчитанной дискретной модели объекта (рисунок 29)
Рисунок 29 - График переходного процесса дискретного
минимально-фазового объекта управления с постоянной времени Т=0.1с и величиной
такта Т0=2с
Как видно на графике, переходный процесс объекта
управления устанавливается позже, чем в предыдущем случае. Величина
перерегулирования стала ещё меньше.
Рассчитаем передаточную функцию регулятора
данного дискретного объекта управления замкнутой САУ и представим её в
стандартном виде
где
-
передаточная функция дискретного регулятора замкнутой САУ с минимально-фазовым
объектом с малой постоянной времени Т=0.1с и величиной такта Т0=2с.
Теперь построим график переходного процесса
полученной замкнутой САУ (рисунок 30).
Рисунок 30 - График переходной функции САУ с
дискретным минимально-фазовым объектом управления с постоянной времени Т=0.1с и
величиной такта Т0=2с
Увеличилось запаздывание переходного процесса
из-за увеличения такта времени.
Теперь исследуем влияние величины такта времени
на управление замкнутой САУ с минимально-фазовым объектом управления с большой
постоянной времени.
Величину постоянной времени возьмём равную T=2с,
тогда передаточная функция объекта управления
,
где
-
передаточная функция минимально-фазового объекта управления с постоянной
времени Т=2с.
Покажем график переходного процесса этого
объекта управления, чтобы в дальнейшем иметь представления о его динамике
(рисунок 31).
Рисунок 31 - График переходного процесса
непрерывного минимально-фазового объекта управления с малой постоянной времени
Величину такта возьмём Т0=0.04с. Подсчитаем
дискретную передаточную функцию данного объекта.
Дифференциальное уравнение, описывающее передаточную
функцию данного непрерывного минимально-фазового объекта управления равно
,
где
-
выходной сигнал объекта управления,
-
сигнал управления, вырабатываемый регулятором и подающийся на вход объекта
управления.
Запишем для него разностное уравнение, заменив
производные эквивалентными выражениями разностей (5.4)
(5.4)
где Т0 - величина такта квантования по времени.
Подставим это значение в разностное выражение и
раскроем скобки
приведём подобные слагаемые
подвергнем z-преобразованию
вынесем y(z) и u(z) за скобки, чтобы можно было
выделить выражение для дискретной передаточной функции объекта управления
отсюда
,
следовательно
,
Приведём это выражение к стандартной форме,
разделив его на 2601
,
где
-
искомая дискретная передаточная функция минимально-фазового объекта с
постоянной времени Т=2с при величине такта Т0=0.04с.
Вычислим коэффициент в статике, для этого в
выражение дискретной передаточной функции объекта подставим z=1
,
Сравним график переходной функции данного
объекта управления с заданным непрерывным. Уменьшилась величина
перерегулирования (рисунок 32).
Рисунок 32 - График переходного процесса
дискретного минимально-фазового объекта управления с постоянной времени Т=2с и
величиной такта Т0=0.04с
Динамика удовлетворительна.
Рассчитаем передаточную функцию регулятора данного
дискретного объекта управления замкнутой САУ и представим её в стандартном виде
где
-
передаточная функция дискретного регулятора замкнутой САУ с минимально-фазовым
объектом с малой постоянной времени Т=2с и величиной такта Т0=0.04с.
Теперь построим график переходного процесса
полученной замкнутой САУ (рисунок 33).
Рисунок 33 - График переходной функции САУ с
дискретным минимально-фазовым объектом управления с постоянной времени Т=2с и
величиной такта Т0=0.04с
В данном случае не видно даже малого
перерегулирования.
Теперь исследуем динамику этой САУ но с
величиной такта времени Т0=0.3с, для этого подставим данное значение в
выражение (5.5) и проделаем те же действия.
(5.5)
Подставим величину выбранного T0 в разностное
выражение и раскроем скобки
приведём подобные слагаемые
подвергнем z-преобразованию
вынесем y(z) и u(z) за скобки, чтобы можно было
выделить выражение для дискретной передаточной функции объекта управления
отсюда
,
следовательно
,
Приведём это выражение к стандартной форме,
разделив его на 58.777
,
где
-
искомая дискретная передаточная функция минимально-фазового объекта с
постоянной времени Т=2с при величине такта Т0=0.3с.
Вычислим коэффициент в статике, для этого в
выражение дискретной передаточной функции объекта подставим z=1
,
Сравним график переходной функции данного
объекта управления с заданным непрерывным объектом управления, проверив
правильность рассчитанной дискретной модели объекта (рисунок 34)
Рисунок 34 - График переходного процесса
дискретного минимально-фазового объекта управления с постоянной времени Т=2с и
величиной такта Т0=0.3с
Как видно, график переходного процесса
соответствует графику переходного процесса непрерывного объекта управления.
Рассчитаем передаточную функцию регулятора
данного дискретного объекта управления замкнутой САУ и представим её в
стандартном виде
где
-
передаточная функция дискретного регулятора замкнутой САУ с минимально-фазовым
объектом с большой постоянной времени Т=2с и величиной такта Т0=0.3с.
Теперь построим график переходного процесса
полученной замкнутой САУ (рисунок 35).
Рисунок 35 - График переходной функции САУ с
дискретным минимально-фазовым объектом управления с постоянной времени Т=2с и
величиной такта Т0=0.3с.
Увеличилось запаздывание переходного процесса
из-за увеличения такта времени.
Теперь исследуем динамику этой САУ но с
величиной такта времени Т0=2с, для этого подставим данное значение в выражение
(5.6) и проделаем те же действия.
(5.6)
Подставим величину выбранного T0 в разностное
выражение и раскроем скобки
приведём подобные слагаемые
подвергнем z-преобразованию
вынесем y(z) и u(z) за скобки, чтобы можно было
выделить выражение для дискретной передаточной функции объекта управления
отсюда
,
следовательно
,
Приведём это выражение к стандартной форме,
разделив его на 4
,
где
-
искомая дискретная передаточная функция минимально-фазового объекта с
постоянной времени Т=2с при величине такта Т0=2с.
Вычислим коэффициент в статике, для этого в
выражение дискретной передаточной функции объекта подставим z=1
,
Сравним график переходной функции данного
объекта управления с заданным непрерывным объектом управления, проверив
правильность рассчитанной дискретной модели объекта (рисунок 36)
Рисунок 36 - График переходного процесса
дискретного минимально-фазового объекта управления с постоянной времени Т=2с и
величиной такта Т0=2с
Как видно, график переходного процесса
соответствует графику переходного процесса непрерывного объекта управления.
Рассчитаем передаточную функцию регулятора
данного дискретного объекта управления замкнутой САУ и представим её в
стандартном виде
где
-
передаточная функция дискретного регулятора замкнутой САУ с минимально-фазовым
объектом с большой постоянной времени Т=2с и величиной такта Т0=2с.
Теперь построим график переходного процесса
полученной замкнутой САУ (рисунок 37).
Рисунок 37 - График переходной функции САУ с
дискретным минимально-фазовым объектом управления с постоянной времени Т=2с и
величиной такта Т0=2с
В данном случае виден случай идеальной динамики
замкнутой дискретной САУ, но с запаздыванием на 1 такт, величина времени
которого довольно высокая.
5.2 Исследование влияния величины
такта на качество управления объектами с большими и малыми постоянными времени
для случая с не минимально-фазовым объектом управления
Для исследований возьмём объект управления с
передаточной функцией с малой постоянной времени
.
Покажем график переходного процесса этого
объекта управления, чтобы в дальнейшем иметь представления о динамике данного
объекта (рисунок 38).
Рисунок 38 - График переходного процесса
непрерывного не минимально-фазового объекта управления с постоянной времени
Т=0.1с
Дифференциальное уравнение, описывающее
передаточную функцию данного непрерывного не минимально-фазового объекта
управления равно
,
где
-
выходной сигнал объекта управления,
-
сигнал управления, вырабатываемый регулятором и подающийся на вход объекта
управления.
Запишем для него разностное уравнение, заменив
производные эквивалентными выражениями разностей
(5.2)
где Т0 - величина такта квантования по времени.
Величину такта времени Т0 возьмём равной 0.04с.
Подставим это значение в разностное выражение и
раскроем скобки
приведём подобные слагаемые
подвергнем z-преобразованию
вынесем y(z) и u(z) за скобки, чтобы можно было
выделить выражение для дискретной передаточной функции объекта управления
отсюда
,
следовательно
,
где
-
искомая дискретная передаточная функция не минимально-фазового объекта с
постоянной времени Т=0.1с при величине такта Т0=0.04с.
Приведём это выражение к стандартной форме,
разделив его на 12.25
,
Вычислим коэффициент в статике, для этого в
выражение дискретной передаточной функции объекта подставим z=1
,
Сравним график переходной функции данного
объекта управления с заданным непрерывным (рисунок 39).
Рисунок 39 - График переходного процесса
дискретного не минимально-фазового объекта управления с постоянной времени
Т=0.1с и величиной такта Т0=0.04с
На графике видно, что уменьшился коэффициент
передачи. Рассчитаем передаточную функцию регулятора данного дискретного
объекта управления замкнутой САУ и представим её в стандартном виде
где
-
передаточная функция дискретного регулятора замкнутой САУ с не
минимально-фазовым объектом с малой постоянной времени Т=0.1с и величиной такта
Т0=0.04с.
Теперь построим график переходного процесса
полученной замкнутой САУ (рисунок 40).
Рисунок 40 - График переходного процесса САУ с
дискретным не минимально-фазовым объектом управления с постоянной времени
Т=0.1с величиной такта Т0=0.04с с передаточной функцией регулятора в
стандартной форме
Как видно на графике, система неустойчива.
Попробуем уменьшить ошибку округления, взяв передаточную функцию дискретного
регулятора в не стандартной форме, то есть
,
тогда график переходного процесса системы примет
вид (рисунок 41)
Рисунок 41 - График переходного процесса САУ с
дискретным не минимально-фазовым объектом управления с постоянной времени
Т=0.1с величиной такта Т0=0.04с с передаточной функцией регулятора в не
стандартной форме
Как видно на графике, сокращением и округлением
коэффициентов в передаточной функции регулятора мы сознательно добавляли
ошибку. Однако данная САУ всё равно неустойчива, и её можно использовать только
ограниченный промежуток времени порядка нескольких секунд.
Теперь исследуем динамику этой САУ но с
величиной такта времени Т0=0.3с, для этого подставим данное значение в
выражение (5.2) и проделаем те же действия.
Подставим величину выбранного T0 в разностное
выражение и раскроем скобки
приведём подобные слагаемые
подвергнем z-преобразованию
вынесем y(z) и u(z) за скобки, чтобы можно было
выделить выражение для дискретной передаточной функции объекта управления
отсюда
,
следовательно
,
Приведём это выражение к стандартной форме,
разделив его на 1.77
,
где
-
искомая дискретная передаточная функция не минимально-фазового объекта с
постоянной времени Т=0.1с при величине такта Т0=0.3с.
Вычислим коэффициент в статике, для этого в
выражение дискретной передаточной функции объекта подставим z=1
Сравним график переходной функции данного
объекта управления с заданным непрерывным объектом управления, проверив
правильность рассчитанной дискретной модели объекта (рисунок 42)
Рисунок 42 - График переходного процесса
дискретного не минимально-фазового объекта управления с постоянной времени
Т=0.1с и величиной такта Т0=0.3с
Как видно на этом рисунке, за счёт увеличения
такта времени можно понизить величину перерегулирования.
Рассчитаем передаточную функцию регулятора
данного дискретного объекта управления замкнутой САУ и представим её в
стандартном виде

Теперь построим график переходного процесса
полученной замкнутой САУ (рисунок 43).
Рисунок 43 - График переходного процесса САУ с
дискретным не минимально-фазовым объектом управления с постоянной времени Т=0.1
с величиной такта Т0=0.3с с передаточной функцией регулятора в стандартной
форме
Система снова стала неустойчивой. Поменяем
передаточную функцию регулятора на не стандартную
и график переходного процесса примет вид
(рисунок 44)
Рисунок 44 - График переходного процесса САУ с
дискретным не минимально-фазовым объектом управления с постоянной времени
Т=0.1с величиной такта Т0=0.3с с передаточной функцией регулятора в не
стандартной форме
Система сохраняет устойчивое значение лишь
некоторое время. В дальнейших случаях не будем приводить передаточную функцию
регулятора к стандартному виду, так как в обоих случаях САУ неустойчивые, но в
нестандартном виде не вносится дополнительная ошибка.
Теперь исследуем динамику этой САУ но с
величиной такта времени Т0=2с, для этого подставим данное значение в выражение
(5.2) и проделаем те же действия.
(5.2)
Подставим величину выбранного T0 в разностное
выражение и раскроем скобки
приведём подобные слагаемые
подвергнем z-преобразованию
вынесем y(z) и u(z) за скобки, чтобы можно было
выделить выражение для дискретной передаточной функции объекта управления
отсюда
,
следовательно
,
Приведём это выражение к стандартной форме,
разделив его на 1.102
,
где
-
искомая дискретная передаточная функция не минимально-фазового объекта с
постоянной времени Т=0.1с при величине такта Т0=2с.
Вычислим коэффициент в статике, для этого в
выражение дискретной передаточной функции объекта подставим z=1
.
Сравним график переходной функции данного
объекта управления с заданным непрерывным объектом управления, проверив
правильность рассчитанной дискретной модели объекта (рисунок 45)
Рисунок 45 - График переходного процесса
дискретного не минимально-фазового объекта управления с постоянной времени
Т=0.1с и величиной такта Т0=2с
Как видно на графике, переходный процесс объекта
управления устанавливается позже, чем в предыдущем случае. Но зато кривая
разгона полностью находится в отрицательной области координат.
Рассчитаем передаточную функцию регулятора
данного дискретного объекта управления замкнутой САУ и представим её в
стандартном виде
где
-
передаточная функция дискретного регулятора замкнутой САУ с не
минимально-фазовым объектом с малой постоянной времени Т=0.1с и величиной такта
Т0=2с.
Теперь построим график переходного процесса
полученной замкнутой САУ (рисунок 46).
Рисунок 46 - График переходной функции САУ с
дискретным не минимально-фазовым объектом управления с постоянной времени
Т=0.1с и величиной такта Т0=2с
Как видно на графике САУ с большой величиной
такта стала устойчивой.
Теперь исследуем влияние величины такта времени
на управление замкнутой САУ с не минимально-фазовым объектом управления с
большой постоянной времени.
Величину постоянной времени возьмём равную T=2с,
тогда передаточная функция объекта управления
,
где
-
передаточная функция не минимально-фазового объекта управления с постоянной
времени Т=2с.
Покажем график переходного процесса этого
объекта управления, чтобы в дальнейшем иметь представления о его динамике
(рисунок 47).
Рисунок 47 - График переходного процесса
непрерывного не минимально-фазового объекта управления с большой постоянной
времени
Величину такта возьмём Т0=0.04с. Подсчитаем
дискретную передаточную функцию данного объекта.
Дифференциальное уравнение, описывающее
передаточную функцию данного объекта управления равно
,
где
-
выходной сигнал объекта управления,
-
сигнал управления, вырабатываемый регулятором и подающийся на вход объекта
управления.
Запишем для него разностное уравнение, заменив
производные эквивалентными выражениями разностей
где Т0 - величина такта квантования по времени.
Подставим это значение в разностное выражение и
раскроем скобки
приведём подобные слагаемые
подвергнем z-преобразованию
вынесем y(z) и u(z) за скобки, чтобы можно было
выделить выражение для дискретной передаточной функции объекта управления
отсюда
,
следовательно
,
Приведём это выражение к стандартной форме,
разделив его на 2601
,
где
-
искомая дискретная передаточная функция не минимально-фазового объекта с
постоянной времени Т=2с при величине такта Т0=0.04с.
Вычислим коэффициент в статике, для этого в
выражение дискретной передаточной функции объекта подставим z=1
.
Сравним график переходной функции данного
объекта управления с заданным непрерывным (рисунок 48).
Рисунок 48 - График переходного процесса
дискретного не минимально-фазового объекта управления с постоянной времени Т=2с
и величиной такта Т0=0.04с
Графики совпадают.
Рассчитаем передаточную функцию регулятора
данного дискретного объекта управления замкнутой САУ
где
-
передаточная функция дискретного регулятора замкнутой САУ с не
минимально-фазовым объектом с постоянной времени Т=2с и величиной такта
Т0=0.04с.
Теперь построим график переходного процесса
полученной замкнутой САУ (рисунок 49).
Рисунок 49 - График переходной функции САУ с
дискретным не минимально-фазовым объектом управления с постоянной времени Т=2с
и величиной такта Т0=0.04с
Динамика не удовлетворительна. Система не
устойчива. В начале процесса кривая так же достигает требуемого значения за 1
такт времени, но после 12.6с значение процесса начинает колебаться с постоянно
растущей амплитудой. Это значит, что подобной САУ можно пользоваться, но не
больше 12с.
Теперь исследуем динамику этой САУ но с
величиной такта времени Т0=0.3с, для этого подставим данное значение в
выражение (5.4) и проделаем те же действия.
(5.4)
Подставим величину выбранного T0 в разностное
выражение и раскроем скобки
приведём подобные слагаемые
подвергнем z-преобразованию
вынесем y(z) и u(z) за скобки, чтобы можно было
выделить выражение для дискретной передаточной функции объекта управления
отсюда
,
следовательно
,
Приведём это выражение к стандартной форме,
разделив его на 58.777
,
где
-
искомая дискретная передаточная функция не минимально-фазового объекта с
постоянной времени Т=2с при величине такта Т0=0.3с.
Вычислим коэффициент в статике, для этого в
выражение дискретной передаточной функции объекта подставим z=1
.
Сравним график переходной функции данного
объекта управления с заданным непрерывным объектом управления, проверив
правильность рассчитанной дискретной модели объекта (рисунок 50)
Рисунок 50 - График переходного процесса
дискретного не минимально-фазового объекта управления с постоянной времени Т=2с
и величиной такта Т0=0.3с
Как видно, график переходного процесса
соответствует графику переходного процесса непрерывного объекта управления.
Рассчитаем передаточную функцию регулятора
данного дискретного объекта управления замкнутой САУ
где
-
передаточная функция дискретного регулятора замкнутой САУ с не
минимально-фазовым объектом с большой постоянной времени Т=2с и величиной такта
Т0=0.3с.
Теперь построим график переходного процесса
полученной замкнутой САУ (рисунок 51).
Рисунок 51 - График переходной функции САУ с
дискретным не минимально-фазовым объектом управления с постоянной времени Т=2с
и величиной такта Т0=0.3с
С увеличением такта времени САУ стала ещё более
неустойчивой.
В заключение исследуем динамику этой САУ но с
величиной такта времени Т0=2с, чтобы сделать вывод об управлении. Для этого
подставим данное значение в выражение (5.4) и проделаем те же действия.
(5.4)
Подставим величину выбранного T0 в разностное
выражение и раскроем скобки
приведём подобные слагаемые
подвергнем z-преобразованию
вынесем y(z) и u(z) за скобки, чтобы можно было
выделить выражение для дискретной передаточной функции объекта управления
отсюда
,
следовательно
,
Приведём это выражение к стандартной форме,
разделив его на 4
,
где
-
искомая дискретная передаточная функция не минимально-фазового объекта с
постоянной времени Т=2с при величине такта Т0=2с.
Вычислим коэффициент в статике, для этого в
выражение дискретной передаточной функции объекта подставим z=1
,
Сравним график переходной функции данного
объекта управления с заданным непрерывным объектом управления, проверив
правильность рассчитанной дискретной модели объекта (рисунок 52)
Рисунок 52 - График переходного процесса
дискретного не минимально-фазового объекта управления с постоянной времени Т=2с
и величиной такта Т0=2с
Как видно, данному дискретному объекту нужно
значительно больше времени, чтобы установиться.
Рассчитаем передаточную функцию регулятора
данного дискретного объекта управления замкнутой САУ
где
-
передаточная функция дискретного регулятора замкнутой САУ с не
минимально-фазовым объектом с большой постоянной времени Т=2с и величиной такта
Т0=2с.
Теперь построим график переходного процесса
полученной замкнутой САУ (рисунок 53)
Рисунок 53 - График переходной функции САУ с
дискретным не минимально-фазовым объектом управления с постоянной времени Т=2с
и величиной такта Т0=2с
На данном рисунке видно, что система приобрела
устойчивость.
Вывод: замкнутые САУ с минимально-фазовым
объектом управления слабо чувствительны к округлению коэффициентов дискретной
передаточной функции регулятора. Вследствие этого появляются лишь временные
отклонения от необходимого значения САУ на тысячные доли единицы.
Замкнутые САУ с не минимально-фазовым дискретным
объектом управления значительно более чувствительны к дополнительной ошибке,
вносимой округлением коэффициентов передаточной функции дискретного регулятора.
И это вполне способно привести к неустойчивости системы. Из-за этого необходимо
отказаться от представления дискретной передаточной функции регулятора в
стандартной форме.
Устойчивыми являются лишь замкнутые САУ с
дискретным не минимально-фазовым объектом управления в нестандартной форме представления
передаточной функции и большой постоянной времени.
6. Моделирование непрерывных
объектов управления
.1 Постановка задачи
При исследованиях и анализе какой-либо системы
часто возникает вопрос о её практическом применении и что она может собой
представлять в физическом плане. В этих случаях необходимо оценить, возможны ли
в природе подобные системы, и, если возможны, то в каких областях и сферах их
можно встретить, или они носят чисто теоретический характер. Для решения этого
вопроса и необходимо привести хотя бы один из возможных способов реализации
данной системы или объекта.
В данной главе рассмотрен один из методов
синтеза заданных передаточных функций - с помощью операционных усилителей.
Выбран этот метод по причине его наглядности и простоты исполнения.
6.2 Синтез электронной цепи по
заданной передаточной функции
Синтез электронной цепи будем проводить,
предварительно разбив заданную передаточную функцию на типовые динамические
звенья.
Синтез будем проводить на основе операционных
усилителей (рисунок 54).
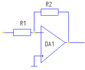
Рисунок 54 - Общий вид электронной цепи,
построенной на операционном усилителе
Частотные свойства операционного усилителя
описываются с помощью следующей спектральной частотной характеристики:
где:
- комплексное
сопротивление в цепи прямой обратной связи усилителя;
- комплексное
сопротивление в цепи обратной связи усилителя.
Синтез минимально-фазового звена
Необходимо реализовать следующую передаточную
функцию
.
Приведём выражение передаточной функции к
стандартному виду.
Значит, объект с данной передаточной функцией
можно представить в виде последовательно соединённых безинерционного звена с
передаточной функцией
, форсирующего
звена с передаточной функцией
, и двух
апериодических звеньев с передаточными функциями
.
Так как звена в цепи будет 4, то знак
окончательного выражения будет положительным, поэтому для синтеза данного звена
можно использовать простейший случай, то есть с минусами в выражениях каждого
отдельно взятого синтезируемого звена.
Синтез безинерционного звена и расчёт входного
тока
Передаточная функция данного звена.
Для синтеза используем схему (рисунок 55)
Рисунок 55 - Электронная цепь, реализующая
безынерционное звено, построенная на операционном усилителе
Здесь и в дальнейшем DA - операционный
усилитель; R - резистор; C - конденсатор.
Зададимся R1. Пусть в качестве R1 будет взят
стандартный резистор с сопротивлением 100 Ом.
Тогда
Расчёт мощности резисторов. В паспортных данных
операционного усилителя максимальный допустимый ток
,
и максимальное напряжение
. Для простоты
расчёта возьмём силу тока равную
,
которой соответствует напряжение
Синтез апериодического звена
Передаточная функция данного звена.
Для синтеза используем схему (рисунок 56)
Рисунок 56 - Электронная цепь, реализующая
апериодическое звено, построенная на операционном усилителе
Пусть
.
Тогда
или заменив jw на p
.
Отсюда следует
с.
Зададимся величиной
.
Пусть
мкФ.
Тогда
;
Расчёт мощностей резисторов
Синтез форсирующего звена
Передаточная функция данного звена.
Для синтеза используем схему (рисунок 57)
Рисунок 57 - Электронная цепь, реализующая
форсирующее звено, построенная на операционном усилителе
Пусть
.
Тогда
Или заменив jw на p
.
Отсюда следует
с
Зададимся величиной С2. Пусть С2 = 1 мкФ.
Тогда
.
Значит
Расчёт мощностей резисторов
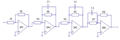
Соединив последовательно эти схемы (рисунок 58),
получим электронную цепь на базе ОУ с передаточной функцией
Рисунок 58 - Электронная цепь, реализующая
минимально-фазовое звено, построенная на операционном усилителе
На схеме

,
Синтез не минимально-фазового объекта управления
Теперь рассчитаем величины сопротивлений и
ёмкостей элементов для схемы не минимально-фазового объекта управления
Таким образом, можно выделить 4 звена:
безинерционное
; два
апериодических
и одно не
минимально-фазовое звено
.
Синтез не минимально-фазового звена
Передаточная функция данного звена
Для синтеза используем схему (рисунок 59),
напоминающую схему форсирующего звена, но сигнал будет идти не на отрицательный
канал операционного усилителя, а на положительный, а отрицательный будет
заземлён.
Рисунок 59 - Электронная цепь, реализующая не
минимально-фазовое звено первого порядка, построенная на операционном усилителе
Пусть
.
Тогда
или заменив jw на p
.
Отсюда следует
с
Зададимся величиной С4. Пусть С4 = 1 мкФ.
Тогда
.
Значит
Расчёт мощностей резисторов
Синтез безинерционного звена и расчёт входного
тока
Передаточная функция данного звена
Для синтеза используем схему (рисунок 60)
Рисунок 60 - Электронная цепь, реализующая
безынерционное звено, построенная на операционном усилителе
Зададимся R11. Пусть в качестве R11 будет взят
стандартный резистор с сопротивлением 100 Ом.
Тогда
Расчёт мощности резисторов. В паспортных данных
операционного усилителя максимальный допустимый ток
,
и максимальное напряжение
. Для простоты
расчёта возьмём силу тока равную
,
которой соответствует напряжение
Синтез апериодического звена
Передаточная функция данного звена
Для синтеза используем схему (рисунок 61)
Рисунок 61 - Электронная цепь, реализующая
апериодическое звено, построенная на операционном усилителе
Пусть
Или заменив jw на p
.
Отсюда следует
с
Зададимся величиной
.
Пусть
мкФ.
Тогда
;
Расчёт мощностей резисторов
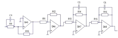
Теперь представим полученную цепь электронной
схемы звена, соединив рассчитанные звенья последовательно (рисунок 62)
,
Рисунок 62 - Электронная цепь, построенная на
операционном усилителе и реализующая не минимально-фазовое звено
На схеме
;
6.3 Выбор стандартных элементов
Выберем необходимые электронные элементы, для
реализации рассматриваемых объектов исследования на основе операционных
усилителей.
Выбор резисторов
Резисторы типа С1-4 (рисунок 63) предназначены
для работы в цепях постоянного и переменного токов, в непрерывных и импульсных
режимах. Резисторы изготавливаются в соответствии с техническими условиями
АПШК.434110.001 ТУ, удовлетворяют требованиям ГОСТ 24238. Вид климатического
исполнения В 2.1 по ГОСТ 15150. Резисторы Cl-4-0,25 выпускаются
неизолированного и изолированного варианта. Сопротивление изоляции
изолированных резисторов не менее 1х104 МОм.
Рисунок 63 - Общий вид резистора
Условия эксплуатации (таблица 3)
Таблица 3
|
Вибрация
в диапазоне частот, Гц С1-4-0,125а; 0,125; 0,25; С1-4-0,5
|
1-2000
с ускорением до 10 g 1-600 с ускорением до 10 g
|
|
гарантийная
наработка, ч
|
20000
|
|
гарантийный
срок хранения, лет
|
15
|
Технические данные (таблица4) [8]
Таблица 4
|
Тип
резистора
|
Номинальная
мощность рассеяния, Вт
|
Обозначение
комплекта КД
|
Размеры,
L*D, мм
|
Предельное
рабочее напряжение, В
|
Диапазон
сопротивлений Ом Допускаемое отклонение от номинального сопротивления %
|
|
|
|
L
|
D
|
раб.
|
имп.
|
±1;
|
±2
|
±5;
±10
|
|
С1-4-0Д25а
|
ОД
25
|
UKA6.434113.016
<#"522448.files/image372.gif">
Рисунок 64 - общий вид конденсатора
Технические параметры (таблица 5) [9]
Таблица 5
|
Вид
конденсатора
|
Номинальная
емкость для конденсаторов группы по температурной стабильности. пФ
|
Размеры,
мм
|
|
Ml
10
|
М47
|
MI500
|
ИЗО
|
Н50
|
Н90
|
L
mах
|
В
max
|
II
max
|
|
К10-73-16
|
|
6800-20000
пФ
|
0.011-,033
мкФ
|
|
0,15-
0.47 мкФ
|
0,68-2.2
мкФ
|
9,0
|
7,1
|
Выбор операционного усилителя
Выберем операционный усилитель типа К140УД2.
Микросхемы представляют собой операционный усилитель средней точности с составными
транзисторами на входе, без частотной коррекции. Содержат 47 интегральных
элементов. Корпус типа 301.12-1, масса не более 1.5 г. (рисунок 65) [10]
Рисунок 65 - условное графическое обозначение
К140УД2 (А,Б)
Назначение выводов: 1 - напряжение питания
(-UП); 2 - коррекция 1; 5 - выход; 7 - напряжение питания (+UП); 8 - коррекция
2; 9 - вход инвертирующей; 10 - вход неинвертирующий; 11 - коррекция 3; 12 -
коррекция 4.
Общие рекомендации по применению.
Не рекомендуется подводить какие-либо
электрические сигналы к выводам ИС, не используемым согласно электрической
схеме. Замену ИС в аппаратуре рекомендуется проводить только при отключенных
источниках питания. Для обеспечения устойчивости работы ИС необходимо включать
корректирующие цепи.
Длина проводника от корпуса ИС до конденсаторов
или резисторов, не используемых для частотной коррекции и шунтирующих
источников питания, не должна превышать 50мм.
Электрические параметры
Номинальное напряжение питания:
К140УД2А ±12,6 В ±5%
Выходное напряжение:
при UП = ± 12,6 В >±10В
Напряжение смещения нуля:
при UП= 12,6 В для К140УД2А< 5 мВ
Входной ток при UП * ± 12,6 В < ± 0,7 мкА
Разность входных токов при UП = ± 12,6 В
<±0,2мкА
Ток потребления:
К140УД2А при UП = ± 12.6 В < 8 мА
Коэффициент усиления:
К140УД2А при UП = ± 12,6 В.30 103…240 103
Предельно допустимые режимы
Напряжение питания
К140УД2А± 13.3 В
в предельном режиме с учетом пульсаций* 15 В
Напряжение между входами при Rr> 1 кОм
К140УД2А±4 В
в предельном режиме± 5 В
в предельном режиме± 2,6 В
Напряжение каждого входа относительно общей
точки
при Rr > 1 кОм.
К140УД2А±6 В
в предельном режиме± 7 В
при Rг > 10 кОм.
К140УД2А± 13,3 В
в предельном режиме± 15 В
Выходной ток (пиковый):
К140УД2А 13 мА
Сопротивление нагрузки> 1 кОм
Емкости нагрузки< 100 пФ
Температура окружающей среды- 450С…750С
Габаритные размеры операционного усилителя
(рисунок 66) [10,11,12].
Рисунок 66 - Габаритные размеры операционного
усилителя
Рассмотрение вопросов экономики
Рассчитаем себестоимость проекта,
приблизительную стоимость сборки системы и затраченных при этом ресурсов. Под
ресурсами в данном случае имеется в виду затраченная электроэнергия на
производство данной системы, использование необходимого лицензионного
программного обеспечения. В данном проекте не рассматривается основная часть
расходов и доходов производства продукта, так как данная работа носит характер
скорее исследовательский, и прогнозов на серийное производство не делается.
Однако очевидные статьи расходов целесообразно рассмотреть, несмотря на то, что
они имеют прогнозируемый характер.
Наибольшую точность при подсчёте себестоимости
изделия имеет метод калькулирования. Он основан на поэлементном расчете и
суммировании отдельных статей затрат на изготовление изделия.
Полную себестоимость можно определить по формуле
[12]:
Спол=М0+Пки+Тр+Зосн+Здоп+Осс+Росв+Цнр+Знр+Рвн
,(7.1)
где
М0 - затраты на основные материалы за вычетом
отходов;
Пки - затраты на покупные комплектующие изделия
(ПКИ);
Тр - транспортно-заготовительные расходы;
Зосн - основная заработная плата основных
производственных рабочих;
Здоп - дополнительная заработная плата основных
производственных рабочих;
Осс - отчисления на социальное страхование
основных производственных рабочих;
Росв - расходы на подготовку и освоение
производства нового изделия;
Цнр - цеховые накладные расходы;
Знр - заводские накладные расходы;
Рвн - внепроизводственные расходы;
В нашем случае рассматриваются лишь составляющие
затраты на покупные комплектующие изделия (ПКИ), транспортно-заготовительные
расходы (Тр), основная заработная плата основных производственных рабочих за 1
рабочий день (Зосн) , расходы на подготовку и освоение производства нового
изделия (Росв), в которые входит стоимость используемого программного
обеспечения, а так же цеховые накладные расходы (Цнр), представляющие в нашем
случае затраты на электроэнергию, потребляемые компьютером, на котором
производится проектирование системы.
Представим смету для одной системы, нет разницы
какой - элементы и в системе с минимально-фазовым и в системе с не
минимально-фазовым объектом управления используются одинаковые (таблица 6).
Таблица 6
|
Элемент
|
Количество,
шт.
|
Цена,
р.
|
Стоимость,
р.
|
|
Контроллер
dsPIC30F5011
|
1
|
250
|
250
|
|
Резистор
С1-4
|
8
|
1.70
|
13.60
|
|
Конденсатор
К10-73-1Б
|
3
|
2
|
6
|
|
Операционный
усилитель К140УД2А
|
4
|
35
|
140
|
фазовый дискретный резистор
конденсатор
Цены указаны на 18 мая 2010 года.
То есть ПКИ равно 409р.60к.
Транспортно-заготовительные расходы в нашем случае зависят от ПКИ и
высчитываются по формуле
,
то есть для нашего случая
Основная заработная плата основных
производственных рабочих за 1 рабочий день взята с округлением, так как не
известен период времени изготовления данного изделия, которая зависит от
квалификации рабочего-изготовителя, условий и графика труда. Поэтому
целесообразно взять округлённый период времени производства в размере одного
рабочего дня. Если принять стоимость часа работы инженера завода с 8-часовым
рабочим днём равной 45р., то получится стоимость рабочего дня
Расходы на подготовку и освоение производства
нового изделия зависят от вида производства. Цена лицензионного программного
обеспечения Matlab 7, на котором происходит исследование динамических свойств
объекта управления, равна 82880.00 руб. Эту сумму необходимо учесть при
серийном производстве системы. Для единичного производства достаточно
использовать ознакомительную версию. Если свойства объекта управления известны,
то пользование данным пакетом не обязательно.
Предположим вариант единичного производства
продукта, так что Росв=0.
Теперь подсчитаем приблизительные цеховые
накладные расходы Цнр. Компьютер со средней производительностью потребляет
200-450Вт/ч электроэнергии в час. Тогда в среднем за 8 часов будет
израсходовано
,
где E-потребляемая энергия за рабочий день.
На данный момент (май 2010) тариф электроэнергии
составляет 2р.32к. за 1 кВТ, соответственно
Теперь подставим найденные значения в формулу
(7.1) и найдём себестоимость данного изделия
Рассмотрение вопросов охраны труда
Перечень опасных и вредных факторов ПЭВМ
Зрительно-напряженные работы, которые
определяются визуальными эргономическими параметрами дисплеев. К ним относятся:
яркость изображения, внешняя освещенность экрана, угловой размер знака, угол
наблюдения экрана.
Значения указанных параметров и их сочетания,
установленные вне оптимальных и допустимых диапазонов, а также нарушения режима
труда и отдыха могут вызывать болезненные ощущения глаз (резь), а неправильная
посадка и высоко установленный дисплей - болезненные ощущения в области
затылка.
Стереотипные рабочие движения при локальной
нагрузке (с участием мышц кистей и пальцев) при работе на клавиатуре ПЭВМ могут
привести к профессиональному заболеванию кисти, запястья и плеча. Среди причин
заболеваний - слишком высоко расположенная клавиатура, неподходящее кресло
(стул), продолжительное время работы на клавиатуре.
Неправильная посадка пользователя (студента),
вызванная неправильным устройством рабочего места, может сопровождаться болями
в животе и пояснице.
Уровни электромагнитных полей на рабочих местах,
оборудованных ПЭВМ, должны не превышать допустимые уровни, а именно в диапазоне
частот 5 Гц-2кГц ВДУ. Плотность магнитного потока в диапазоне частот 5 ГЦ-2кГц
не превышать 250 нТл, а в диапазоне 2 кГц - 400 кГц не превышать 25 нТл.
Электростатический потенциал экрана видеомонитора не превышать 500 В.
Порядок уведомления администрации о случаях
травмирования пользователя и неисправного оборудования, приспособлений и
инструмента.
При получении травмы на производстве работник
обязан лично или через очевидцев немедленно поставить в известность зав.
кафедрой, сохранить обстановку, при которой произошел несчастный случай, и
обратиться (по возможности) в ближайший здравпункт, лечебное учреждение за
получением первой медицинской помощи.
В случаях несвоевременного (в течение суток)
сообщения работником о происшедшем с ним несчастном случае и если
нетрудоспособность наступила не сразу, работник обязан подать письменное
заявление (в произвольной форме на имя зав. кафедрой о необходимости его
расследования).
В личном заявлении пострадавший обязан указать
точное место и время травмирования, обстоятельства, при которых произошла
травма, перечислить фамилии очевидцев происшествия.
Заявление пишется в двух экземплярах: первый
сдается зав. кафедрой или лицу, им уполномоченному, второй с подписью о приеме
заявления и датой приема остается у заявителя.
Действия руководителя работ, выдавшего
производственное задание.
При получении сообщения о травмировании
работника руководитель, выдавший ему производственное задание и проведший
инструктаж по безопасности его выполнения, обязан:
незамедлительно (по возможности) организовать
оказание пострадавшему первой доврачебной помощи и доставку его в медицинское
учреждение;
сообщить зав. кафедрой о случае травматизма;
принять неотложные меры по предотвращению
развития аварийной ситуации и воздействия травмирующего фактора на других лиц;
организовать сохранность обстановки места травмирования
такой, какой она была на момент происшествия (если это не угрожает жизни и
здоровью работников и не приведет к аварии).
Действия зав. кафедрой до начала расследования
несчастного случая.
Зав. кафедрой или лицо, им уполномоченное,
получив сообщение от непосредственного руководителя работ о происшедшей в его
подразделении производственной травме, обязан:
принять решение о допуске пострадавшего к
работе, использовании его на легком труде или о подготовке проекта приказа по
формированию комиссии по расследованию несчастного случая на производстве; в
случае последнего:
сообщить о происшедшем в отдел ОТ, в профсоюзный
комитет и декану факультета;
согласовать кандидатуру члена комиссии от
профсоюзной организации.
подготовить проект приказа о формировании комиссии
по расследованию несчастного случая;
подписать у ректора приказ о формировании
комиссии (комиссия по расследованию несчастного случая формируется в составе не
менее трех человек).
Правила личной гигиены, которые должен соблюдать
работник при выполнении работ.
Хранить верхнюю одежду в гардеробе. Домашнюю
одежду следует, как правило, хранить в запираемых шкафах.
Прием пищи и курение в дисплейном классе не
разрешается.
В дисплейном классе должна находиться
укомплектованная аптечка первой медицинской помощи.
Нахождение в дисплейном классе лиц в верхней
одежде не разрешается.
Дисплейный класс должен содержаться постоянно в
чистоте, полы должны протираться влажной тряпкой, а класс периодически, не реже
1 раза в 2 часа, проветриваться в течение 15 минут [13,14].
Требование охраны труда перед началом работ
Порядок подготовки рабочего места.
Отрегулируйте высоту рабочего стула (кресло)
таким образом, чтобы нижний уровень кромки экрана дисплея находился на 200 мм
ниже уровня глаз.
Установите кресло путем поворота так, чтобы
положение тела соответствовало направлению взгляда.
Отрегулируйте спинку кресла путем поворота так,
чтобы она поддерживала спину пользователя, а угол между бедрами и позвоночником
составлял 90 град.
Клавиатуру установите на поверхности стола на
расстоянии 100 - 300 мм от края, обращенного к пользователю или на специальной,
регулируемой по высоте рабочей поверхности, отделенной от основной столешницы.
Кресло установите так, чтобы до клавиатуры не
надо было далеко тянуться.
Экран дисплея должен располагаться под прямым
углом по отношению к окнам, а не прямо перед ними или позади них, окна
целесообразно занавесить или перекрыть жалюзи.
Высоту клавиатуры отрегулируйте так, чтобы кисть
руки располагалась прямо.
Подставку для документов (пюпитр) установите на
одной плоскости с экраном дисплея и на одной с ним высоте.
Экран видеомонитора должен находиться от глаз
пользователя на расстоянии 600-700 мм, но не ближе 500 мм с учетом размеров
алфавитно-цифровых знаков и символов.
Уровень верхней кромки экрана дисплея должен
быть на высоте лба.
Для увеличения влажности в помещении
рекомендуется разместить цветы, аквариум в радиусе 1,5 м (не ближе) от ПЭВМ.
Перед включением ПЭВМ проверьте визуально
исправность шнура питания, штепсельной вилки, розетки, заземляющего проводника
и надежность его соединения.
Не разрешается пользоваться (включать в
электросеть) ПЭВМ при неисправных шнуре (повреждении изоляции), штепсельной
вилки, розетки, заземления.
При включении ПЭВМ в электросеть штепсельную
вилку следует держать за корпус, не касаясь рукой ее контактов.
Работу с использованием ПЭВМ осуществляйте в
соответствии с техническим описанием (инструкцией по эксплуатации) на него.
Установите регуляторами дисплея такие значения
яркости и контрастности изображения, при которых обеспечивается оптимальное
(комфортное) считывание информации с экрана дисплея. Не рекомендуется это
делать только за счет увеличения яркости, так как это приводит к сокращению
срока службы электронно-лучевой трубки и возможной расфокусировки деталей изображения.
Не работайте на клавиатуре непрерывно более 30
минут. Меняйте характер своей работы в течение рабочего дня.
В конце каждого часа делайте 5-ти минутный
перерыв, а через 2 часа - 15-ти минутный перерыв, выключите дисплей и покиньте
рабочее место.
Выполняйте установленный в подразделении режим
труда и отдыха.
Во время перерывов выполняйте комплексы
упражнений для туловища, ног, плечевого пояса и рук, кистей рук и пальцев: для
улучшения мозгового кровообращения, для повышения двигательной активности,
стимуляции деятельности нервной, сердечнососудистой, дыхательной и мышечной
систем, а также упражнения для глаз с целью снижения утомления зрительного
анализатора.
Во время перерывов проветривайте помещение (или
чаще) [13,14].
Требование охраны труда при аварийных ситуациях
Перечень основных возможных аварийных ситуаций и
причины их вызывающие.
Возгорание ПЭВМ в результате короткого
замыкания.
Попадание под напряжение ПЭВМ при снятии
защитного кожуха и обрыве заземленного провода.
Ухудшение самочувствия работающего за ПЭВМ.
Действия работников при возникновении аварий и
аварийных ситуаций.
При возгорании ПЭВМ или другого оборудования
отключить общий автомат питания класса и сообщить в пожарную часть по тел. 01 и
приступить к тушению с помощью огнетушителя ОП-5.
При попадании под напряжение необходимо
немедленно отключить общий автомат питания ПЭВМ в классе.
При ухудшении самочувствия прекратить работу на
ПЭВМ и отключить ее и сообщить об этом руководителю лабораторных работ.
Действия по оказанию первой помощи пострадавшим
при травмировании, отравлении и других повреждениях здоровья.
Первая помощь - простейшие, срочные мероприятия
для сохранения жизни человека и предупреждения осложнений при несчастном
случае, повреждении или внезапном заболевании. Не оказывает тог, кто находится
рядом. Помощь особенно необходима в угрожающих жизни состояниях: кровотечение,
отравление, утомление, электротравма и др. Каждый должен знать как оказывать
первую медицинскую помощь пострадавшему и себе. На рабочем месте должны быть аптечки.
Уметь освободить пострадавшего от действия опасных и вредных факторов, оценить
состояние пострадавшего, определить последовательность приемов, использовать
подручные средства, порядки транспортировки.
Последовательность действий:
устранение воздействия опасных факторов
(освобождение от горящей одежды, от воздействия электрического тока и т.п.);
оценка состояния пострадавшего;
определение характера травмы;
мероприятия по спасению, например, искусственное
дыхание, массирование сердца, остановка кровотечения, наложение повязок и т.п.;
вызов скорой помощи по тел. 03 или
транспортировка в ближайшее лечебное учреждение.
Признаки, по которым можно быстро определить
состояние:
сознание ясное или отсутствует;
цвет кожи. губ. глаз: розовые, бледные,
синюшные;
дыхание: нормальное, нарушено, отсутствует;
пульс: ритм правильный или нет, отсутствует;
зрачки расширены или сужены.
Во всех случаях обеспечить пострадавшему полный
покой, дать водный раствор настойки валерианы (20 капель), при потере сознания
дать понюхать нашатырный спирт, опрыскать лицо холодной водой. При рвоте
повернуть на бок для удаления рвотных масс. Нужно делать искусственное дыхание
при появлении на коже синюшности, расширении зрачков, отсутствии дыхания и
пульса.
Заключение о смерти делает только медицинский
персонал.
При переноске больного (пострадавшего) па руках
идти в ногу мелкими шагами с несколько согнутыми коленями. Класть по команде
согласованно, брать за здоровые и неповрежденные участки тела [13,14].
Требования охраны труда по окончании работы
По окончании работы выключи ПЭВМ (порядок
отключения в соответствии с техническим описанием или инструкцией по
эксплуатации).
Протереть экран от ныли, выключив экран
монитора.
Закройте клавиатуру предназначенной для этого
крышкой для предотвращения попадания в нее пыли.
Приведите в порядок рабочее место, уберите
документы, посторонние предметы.
Сообщите преподавателю обо всех обнаруженных
недостатках (неполадках), обнаруженных во время работы [13,14].
Инструкция о мерах пожарной безопасности в помещениях
Настоящая инструкция распространяется на все
помещения учебных корпусов, зданий управления социальной сферы и территорий
принадлежащих СамГТУ.
Ответственность за обеспечение противопожарного
состояния возлагается на руководителей отделов, кафедр, подразделений
занимаемых закрепленные за ними помещения, здания и территории.
Руководители подразделений обязаны ежегодно
проводить инструктажи с подчиненными сотрудниками и первичные инструктажи с
вновь принятыми на работу сотрудниками о мерах пожарной безопасности.
В целях соблюдения необходимого противопожарного
режима в помещениях запрещается:
курить в служебных кабинетах, коридорах и других
местах, за исключением специально отведенных мест, обозначенных специальными
знаками, надписями и оборудованными урнами с водой для тушения окурков, спичек;
использование в служебных помещениях бытовых
электронагревательных приборов (электроплитка без автоматического отключения
выключения, электрокипятильники);
использовать электроприборы, электроаппараты,
имеющие неисправности, которые могут привести пожару;
пользоваться поврежденными розетками,
электровилками и другими установочными электрическими изделиями;
обертывать электросветильники бумагой, тканью и
другими горючими материалами, а также эксплуатировать их со снятыми
рассеивателями (плафонами);
прокладывать временные электропроводки;
оставлять без присмотра включенные в сеть
электропотребляющие приборы и включенное электроосвещение;
приносить и хранить легковоспламеняющиеся
вещества, горючие жидкости и материалы, взрывчатые, ядовитые и обладающие
резким запахом вещества.
Проведение газо-, электросварочных и других
пожароопасных огневых работ разрешается только при наличии наряда - допуска и
соблюдением всех мер пожарной безопасности согласно ППБ-01-03.
Запрещается использование чердаков,
вентиляционных камер, подвалов, технических этажей для размещения в них
мастерских, производственных участков и складов для хранения мебели; устраивать
склады горючих материалов и мастерские в подвальных помещениях, кроме случаев, предусмотренных
нормами.
Запрещается устраивать в лестничных клетках
кладовые и использовать лестничные клетки под хранение мебели и других горючих
материалов.
Лица, ответственные за эксплуатацию внутреннего
пожарного водопровода, вентиляции, электроустановок и электросетей обязаны
обеспечить своевременное проведение профилактических осмотров и планово -
предупредительных ремонтов инженерных сетей и оборудования по эксплуатации
зданий и сооружений.
Своевременно устранять выявленные нарушения
ППБ-ОТ-03 и ПЭЭП.
Ключи от дверей технических помещений
(вентиляционные камеры электрощитовые, чердаки, люки чердачных помещений, двери
от запасных эвакуационных выходов) хранить на вахтах учебных корпусов и зданиях
социальной сферы.
В случае возникновения возгорания сообщить о
случившемся на центральный диспетчерский пункт МЧС по телефону 01 и действовать
по служебной инструкции пожарной безопасности [15].
Заключение
В рамках данного дипломного проекта была
проведена работа по разработке и исследованию аналого-цифровой управляемой
системы. Рассмотрен спектр задач по компьютерному моделированию, исследованию
динамических характеристик и реализации САУ с минимально-фазовыми и не
минимально-фазовыми объектами управления. Также была рассчитана её
экономическая ценность, приведены правила охраны труда и техники безопасности
при обращении с данной техникой.
Данный проект можно использовать в качестве
прототипа лабораторных работ по изучению особенностей САУ, содержащих
непрерывные и дискретные не минимально-фазовые объекты управления. Круг
вопросов по разработке данных САУ был рассмотрен частично. Тем не менее,
приведённого материала достаточно, чтобы иметь представления об особенностях
САУ с не минимально-фазовыми объектами управления и приступить к более
углубленному их изучению и проектированию.
Список использованных источников
1. Лазарева
Т.Я., Мартемьянов Ю.Ф. Линейные системы автоматического регулирования: Учебное
пособие. Тамбов: Издательство Тамб. гос. техн. ун-та, 2003. - 308 с.
2. Курбатова
Е.А. MATLAB 7. Издательство: Вильямс.2005, 256 с.
. Моделирование
и алгоритмизация процессов управления в стохастических системах с цифровыми
регуляторами: Учеб. пособ. / Б.К. Чостковский; Самар. гос. техн. ун-т. Самара,
2004. 134 с.
4. Однокристальные
микроконтроллеры серии PIC[Электронный ресурс]/ Режим доступа
<http://www.gaw.ru/html.cgi/txt/doc/micros/pic/index.htm>, свободный.
. PIC
Материал из Википедии - свободной энциклопедии [Электронный ресурс] - Режим
доступа http://ru.wikipedia.org/wiki/PIC, свободный.
. Адаптер
GPIO - COM 5-02-2008 Copyright © 2008 Digiton GPIO adapter GPIO adapter Адаптер
GPIO - COM Руководство пользователя Санкт-Петербург 2008.
7. dsPIC30F5011/5013 Data Sheet
High-Performance, 16-bit Digital Signal Controllers.
8. Резисторы:
Справочник / Дубровский В. В., Иванов Д.М., Пратусевич Н.Я. и др.; Под ред.
И.И. Четверткова и В.М. Терехова.-2-е изд., перераб. и доп. - М.: Радио и
связь, 1991 - 528 с.
. Горячева
Г.А., Добромыслов Е.Р. Конденсаторы: Справочник.- М.: Радио и связь 1984. - 88
с.
. Перельман
Б.Л. Шевелев В.И. Отечественные микросхемы и зарубежные аналоги. Справочник,
«НТЦ Микротх», 1998 г. - 376 с.
. Электротехника
и электроника. Учебник для вузов. - В 3-х кн.3. Электрические измерения и
основы электроники / Г.П. Гаев, В.Г. Герасимов, О.М. Князьков и др.; Под ред.
проф. В.Г. Герасимова. - М.: Энергоатомиздат, 1998. - 432 с.
. Сеть
профессиональных магазинов [Электронный ресурс]/ Режим доступа www.chipdip.ru
<http://www.chipdip.ru>, свободный.
. Первова
О.В. Экономика промышленных предприятий конспект лекций.
. Инструкция
по охране труда для сотрудников и студентов кафедры «Автоматика и управление в
технических системах»/ Согласовано: Начальник отдела охраны труда А.В. Миронов.
. Инструкция
о мерах пожарной безопасности в зданиях и помещениях СамГТУ./ Согласовано:
Начальник штаба ГО и ЧС СамГТУ В.А. Волков.
. Программирование
ЦСП - MPLAB Методическое пособие по курсу лабораторных работ Схемотехника
цифровых устройств, Митрошин В.Н., Узенгер А.А.
Приложение
Программный код микроконтроллера
.c
(содержание файла)
// В первой строчке мы подключаем заголовочный
файл процессора <p30f5011.h>
#include <p30f5011.h>
#include <dsp.h>
// Следующие две директивы определяют
особенности функционирования процессора, а именно: источником тактовых
импульсов является внутренний RC генератор с частотой 73.7 МГц и активной
функцией PLL (модуль настройки (увеличение/уменьшения) тактовой частоты);
_FOSCSEL(FNOSC_FRCPLL)
_FWDT(FWDTEN_OFF)
#define _Fosc_73700000
#define _Fcy_(_Fosc_/2)
// Управление характеристиками выходного
сигнала, частотой, длительностью, периодом
//......................................................
#define _F_OC1_PWM_F20000
#define _F_OC1_PERIOD_Fcy_ /
_F_OC1_PWM_F
#define _F_OC1_PERIOD2_F_OC1_PERIOD
/ 2
#define _F_OC1_PERIOD_MIN(unsigned
int)(0.01 * _F_OC1_PERIOD)
#define _F_OC1_PERIOD_MAX(unsigned
int)(0.99 * _F_OC1_PERIOD)
// Timer
//......................................................
#define _T1_PR_Fcy_ / 1 / 256 - 1
#define _T2_PR_Fcy_ / _F_OC1_PWM_F -
1unsigned int ConvertToPWM(fractional src);fractional p1, q0, q1, q2, u_k1,
e_k1, e_k2, e_k3
int main (void){
) // Установка тактовой частоты Fosc = 73.7МГц
CLKDIV = 0;// N1 = 2; N2 = 2= 38; //
M = 40
INTCON1 = 0x0000;= 0x0000;
)// Задание коэффициентов= Q15(1); =
Q15(-2.27);= Q15(3.02);= Q15(-1);
) // Настройка АЦП
//
.............................................................bits.AD1MD = 0; //
Включение модуля АЦПCON1 = 0x8700;
AD1CON2 = 0x0000;CON3 = 0x0000;CHS1
= 0x0000;
AD1CSSH = 0x0000;CSSL = 0x0001; // Установки
значений регистров АЦПbits.AD1IF = 0;bits.AD1IP = 0;bits.AD1IE = 0; //
Установки значений регистров прерываний АЦП
)// Настройка Timer 1- Для прерываний
дискретизации сигнала 1Гц
//
.............................................................bits.T1MD = 0; //
Включение модуля таймераCON = 0x8030; // Настройка таймера= _T1_PR; // Период
прерываний таймераbits.T1IF = 0; // Сброс флага прерыванияbits.T1IP = 0b101; //
Приоритет прерыванияbits.T1IE = 1; // Включение прерывания
)// Настройка Timer 2- Тактирование OC1
//
.........................................................bits.T2MD = 0; CON =
0x8000; = _T2_PR;bits.T2IF = 0;bits.T2IP = 0;bits.T2IE = 0;
6)// Настройка OC1- Аналоговый выход, сигнал
управления
//
.........................................................bits.OC1MD = 0;CON =
0x0006;RS = 0;bits.OC1IF = 0;bits.OC1IP = 0;bits.OC1IE = 0;
7)// Запуск обоих таймеров.IPL = 0;
while(1){}0;
}
// Прерывание
таймера
1__attribute__((__interrupt__, auto_psv)) _T1Interrupt( void ){u_k, e_k;
8) // Значение таймера 1 из регистра
приравнивается нулюbits.T1IF = 0;
) // Значение ошибки на к-том шаге
приравнивается значению АЦП_k = ADC1BUF0;
) // Производится расчёт рекуррентного выражения
алгоритма управления_k = p1*u_k1 + q0*e_k + q1*e_k_1 + q2*e_k2;
) // Устанавливается значение скважностиRS =
ConvertToPWM(u_k);
) // Присвоение нового значения_k1 = u_k;
e_k2 = e_k1;_k1 = e_k;
}
// Конвертировать
fractional -> integerint ConvertToPWM(fractional src){val;int ret;(src >=
0){( 1, &val, &src, _F_OC1_PERIOD2);+= _F_OC1_PERIOD2;
}else{+= Q15(1.0);( 1, &val,
&src, _F_OC1_PERIOD2);
}= (unsigned int)val;(ret <
_F_OC1_PERIOD_MIN)ret = _F_OC1_PERIOD_MIN;(ret > _F_OC1_PERIOD_MAX)ret =
_F_OC1_PERIOD_MAX;ret;
}
// Немаскируемые
прерывания-
//..................................................................................................................__attribute__((interrupt,
auto_psv)) _OscillatorFail(void){ INTCON1bits.OSCFAIL = 0;
while(1){}}__attribute__((interrupt, auto_psv)) _AddressError(void){
INTCON1bits.ADDRERR = 0;while(1){}}__attribute__((interrupt, auto_psv))
_StackError(void){ INTCON1bits.STKERR = 0; while(1){}}__attribute__((interrupt,
auto_psv)) _MathError(void){ INTCON1bits.MATHERR = 0;
while(1){}}__attribute__((interrupt, auto_psv)) _DMACError(void){
INTCON1bits.DMACERR= 0; while(1){}} [16]
Похожие работы на - Разработка и исследование аналого-цифровой управляемой системы
|